Optimization Method of Speed Ratio for Power-Shift Transmission of Agricultural Tractor
Abstract
:1. Introduction
2. Methods
2.1. Research Object
- The transmission features shift gears that operate independently of one another, allowing for full power-shifting capabilities.
- Depending on the gear distribution, some or all the gears in the transmission may have a structural influence on each other, enabling either partial or full power-shifting functionality.
2.2. Optimization Method
2.2.1. Speed Characteristics of Agricultural Tractors
2.2.2. Optimization Based on Genetic Algorithm
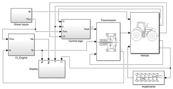
3. Modeling and Simulation
4. Results and Discussion
5. Conclusions
Author Contributions
Funding
Institutional Review Board Statement
Informed Consent Statement
Data Availability Statement
Conflicts of Interest
References
- Wang, G.; Song, Y.; Wang, J.; Xiao, M.; Cao, Y.; Chen, W.; Wang, J. Shift quality of tractors fitted with hydrostatic power split CVT during starting. Biosyst. Eng. 2020, 196, 183–201. [Google Scholar] [CrossRef]
- Li, B.; Sun, D.; Hu, M.; Zhou, X.; Wang, D.; Xia, Y.; You, Y. Automatic gear-shifting strategy for fuel saving by tractors based on real-time identification of draught force characteristics. Biosyst. Eng. 2020, 193, 46–61. [Google Scholar] [CrossRef]
- Chen, W.; Xu, Z.; Wu, Y.; Zhao, Y.; Wang, G.; Xiao, M. Analysis of the shift quality of a hydrostatic power split continuously variable cotton picker. Mech. Sci. 2021, 12, 589–601. [Google Scholar] [CrossRef]
- Neto, L.S.; Jasper, S.P.; Kmiecik, L.L.; Silva, T.X.D.; Savi, D. Performance of agricultural tractor with and without automatic transmission and engine rotation management. Braz. J. Agric. Environ. Eng. 2021, 25, 498–502. [Google Scholar]
- Xia, Y.; Sun, D.; Qin, D.; Zhou, X. Optimisation of the power-cycle hydro-mechanical parameters in a continuously variable transmission designed for agricultural tractors. Biosyst. Eng. 2020, 193, 12–24. [Google Scholar] [CrossRef]
- Zhu, Z.; Lai, L.; Sun, X.; Chen, L.; Cai, Y. Design and Analysis of a Novel Mechanic-Electronic-Hydraulic Powertrain System for Agriculture Tractors. IEEE Access 2021, 9, 153811–153823. [Google Scholar] [CrossRef]
- Siddique, M.A.A.; Kim, T.; Kim, Y. Technical trend of the power shift transmission (PST) of agricultural tractor. J. Drive Control. 2020, 17, 68–75. [Google Scholar]
- Zhu, Z.; Yang, Y.; Wang, D.; Cai, Y.; Lai, L. Energy Saving Performance of Agricultural Tractor Equipped with Mechanic-Electronic-Hydraulic Powertrain System. Agriculture 2022, 12, 436. [Google Scholar] [CrossRef]
- ZF. ZF Technology for Agricultural Vehicles. Available online: https://www.zf.com/products/en/agriculture/home/agriculture.html (accessed on 10 January 2023).
- Morozov, A.; Humphries, K.; Zou, T.; Martins, S.; Angeles, J. Design and Optimization of a Drivetrain with Two-Speed Transmission for Electric Delivery Step Van. In Proceedings of the 2014 IEEE International Electric Vehicle Conference (IEVC), Florence, Italy, 17–19 December 2014; pp. 1–8. [Google Scholar]
- Walker, P.D.; Abdul Rahman, S.; Zhu, B.; Zhang, N. Modelling, simulations, and optimisation of electric vehicles for analysis of transmission ratio selection. Adv. Mech. Eng. 2013, 5, 340435. [Google Scholar] [CrossRef]
- Kwon, K.; Seo, M.; Min, S. Efficient multi-objective optimization of gear ratios and motor torque distribution for electric vehicles with two-motor and two-speed powertrain system. Appl. Energy 2020, 259, 114190. [Google Scholar] [CrossRef]
- Gao, B.; Liang, Q.; Xiang, Y.; Guo, L.; Chen, H. Gear ratio optimization and shift control of 2-speed I-AMT in electric vehicle. Mech. Syst. Signal Process. 2015, 50–51, 615–631. [Google Scholar] [CrossRef]
- Oh, K.; Yun, S.; Ko, K.; Ha, S.; Kim, P.; Seo, J.; Yi, K. Gear ratio and shift schedule optimization of wheel loader transmission for performance and energy efficiency. Automat. Constr. 2016, 69, 89–101. [Google Scholar] [CrossRef]
- Pedro, D.U.C.; Pedro, O.C.; Horacio, A. Optimization of gear ratio and power distribution for a multimotor powertrain of an electric vehicle. Eng. Optim. 2018, 50, 293–309. [Google Scholar]
- Eckert, J.J.; Da Silva, S.F.; Santiciolli, F.M.; de Carvalho, Á.C.; Dedini, F.G. Multi-speed gearbox design and shifting control optimization to minimize fuel consumption, exhaust emissions and drivetrain mechanical losses. Mech. Mach. Theory 2022, 169, 104644. [Google Scholar] [CrossRef]
- Spanoudakis, P.; Moschopoulos, G.; Stefanoulis, T.; Sarantinoudis, N.; Tsourveloudis, N.C. Efficient Gear Ratio Selection of a Single-Speed Drivetrain for Improved Electric Vehicle Energy Consumption. Sustainability 2020, 12, 9254. [Google Scholar] [CrossRef]
- Xia, G.; Wang, Y.; Tang, X.; Zhao, L.; Hu, J. Double-Clutch Power Shift Quality Optimization Based on Optimal Control Theory. Appl. Eng. Agric. 2021, 37, 677–689. [Google Scholar] [CrossRef]
- Siddique, M.A.A.; Kim, W.; Kim, Y.; Baek, S.; Baek, S.; Kim, Y.; Park, S.; Choi, C. Simulation of Design Factors of a Clutch Pack for Power-Shift Transmission for an Agricultural Tractor. Sensors 2020, 20, 7293. [Google Scholar] [CrossRef] [PubMed]
- He, L.; Xie, D.; Wang, J.; Shi, Q. Design and Optimization of the Shift Schedule and Gear Ratios for a Two-speed Pure Electric Logistics Vehicle. In Proceedings of the 2019 3rd Conference on Vehicle Control and Intelligence (CVCI), Hefei, China, 1–4 November 2019. [Google Scholar]
- Renius, K.T. Tractor Transmissions//Fundamentals of Tractor Design; Springer: Berlin/Heidelberg, Germany, 2020. [Google Scholar]
- Birkmann, C.; Fedde, T.; Frerichs, L. Power Losses during Power Shifts of Multi-Group Transmissions for Tractors. In Antriebstechnisches Kolloquium: Tagungsband zur Konferenz; Books on Demand: Paris, France, 2019. [Google Scholar]
- Haight, R.E. The John Deere 15-speed power shift transmission. SAE Tech. Pap. 1982, 821063. [Google Scholar] [CrossRef]
- Li, B. Study on Gear Design Method and Control Strategy of Power-Shift Transmission. PhD Thesis, Chongqing University, Chongqing, China, 2020. [Google Scholar]
- Molari, G.; Sedoni, E. Experimental evaluation of power losses in a power-shift agricultural tractor transmission. Biosyst. Eng. 2008, 100, 177–183. [Google Scholar] [CrossRef]
- Resch, R. Leistungsverzweigte Mehrbereichs- fahrantriebe mit Kettenwandlern. PhD Thesis, Technischen Universität München, München, German, 2004. [Google Scholar]










| Parameters | Value |
|---|---|
| Rated power of engine (kW) | 175 |
| Rolling radius of wheels (m) | 0.95 |
| Mass of tractor weight (kg) | 9000 |
| Mechanical efficiency of drive system | 0.87 |
| Speed Ratio | Value | Speed Ratio | Value | Speed Ratio | Value | Speed Ratio | Value |
|---|---|---|---|---|---|---|---|
| it1 | 394 | it5 | 121 | it9 | 82.6 | it13 | 56.4 |
| it2 | 244.7 | it6 | 110 | it10 | 75.1 | it14 | 40.3 |
| it3 | 152.9 | it7 | 100 | it11 | 68.3 | it15 | 25.2 |
| it4 | 133.1 | it8 | 90.9 | it12 | 62.1 | it16 | 15.7 |
Disclaimer/Publisher’s Note: The statements, opinions and data contained in all publications are solely those of the individual author(s) and contributor(s) and not of MDPI and/or the editor(s). MDPI and/or the editor(s) disclaim responsibility for any injury to people or property resulting from any ideas, methods, instructions or products referred to in the content. |
© 2023 by the authors. Licensee MDPI, Basel, Switzerland. This article is an open access article distributed under the terms and conditions of the Creative Commons Attribution (CC BY) license (https://creativecommons.org/licenses/by/4.0/).
Share and Cite
Li, B.; Pan, J.; Li, Y.; Ni, K.; Huang, W.; Jiang, H.; Liu, F. Optimization Method of Speed Ratio for Power-Shift Transmission of Agricultural Tractor. Machines 2023, 11, 438. https://doi.org/10.3390/machines11040438
Li B, Pan J, Li Y, Ni K, Huang W, Jiang H, Liu F. Optimization Method of Speed Ratio for Power-Shift Transmission of Agricultural Tractor. Machines. 2023; 11(4):438. https://doi.org/10.3390/machines11040438
Chicago/Turabian StyleLi, Baogang, Jinbo Pan, Yuhuan Li, Kun Ni, Wanyou Huang, Hanjun Jiang, and Fuhao Liu. 2023. "Optimization Method of Speed Ratio for Power-Shift Transmission of Agricultural Tractor" Machines 11, no. 4: 438. https://doi.org/10.3390/machines11040438
APA StyleLi, B., Pan, J., Li, Y., Ni, K., Huang, W., Jiang, H., & Liu, F. (2023). Optimization Method of Speed Ratio for Power-Shift Transmission of Agricultural Tractor. Machines, 11(4), 438. https://doi.org/10.3390/machines11040438

