Design and Implementation of a Recursive Feedforward-Based Virtual Reference Feedback Tuning (VRFT) Controller for Temperature Uniformity Control Applications
Abstract
:1. Introduction
- Extending the VRFT framework for synthesizing different control structures through an optimization process using the virtual error signal obtained only from the system data.
- Present a method to assess reference models for VRFT controller design and different compensator architectures.
- Add a feedforward compensation to the system using the VRFT reference model to improve closed-loop response in setpoint tracking tasks.
2. VRFT Control Framework
3. Recursive VRFT Controller Synthesis
Feedforward VRFT-SISO Controller Recursive Synthesis
4. A Case Study: Temperature Uniformity Control System
4.1. Feedforward VRFT Controller Design
4.2. VRFT against PID Controllers Comparison
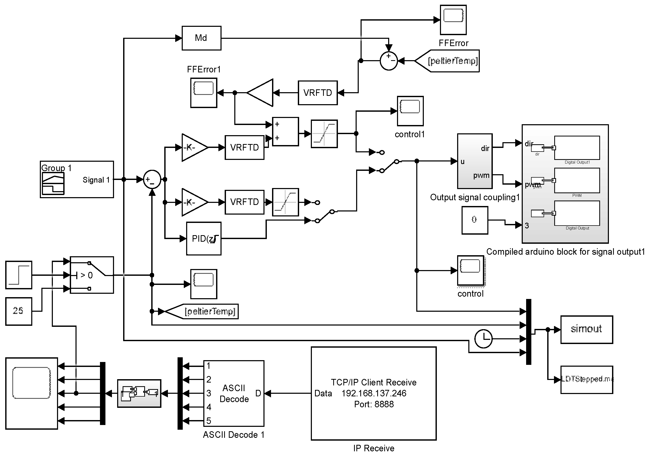
5. Experimental Validation of Recursive VRFT
6. Conclusions and Future Works
Author Contributions
Funding
Institutional Review Board Statement
Informed Consent Statement
Data Availability Statement
Conflicts of Interest
References
- Hou, Z.S.; Wang, Z. From model-based control to data-driven control: Survey, classification and perspective. Inf. Sci. 2013, 235, 3–35. [Google Scholar] [CrossRef]
- Guardabassi, G.O.; Savaresi, S.M. Virtual reference direct design method: An off-line approach to data-based control system design. IEEE Trans. Autom. Control 2000, 45, 954–959. [Google Scholar] [CrossRef]
- David, J.; Fernández, R. Extensions and Applications of the Virtual Reference Feedback Tuning. Ph.D. Thesis, Universitat Autònoma de Barcelona, Barcelona, Spain, 2011. [Google Scholar]
- Beninca, M.R. Virtual Reference Feedback Tuning of Controllers Parametrized Using Orthonormal Basis Functions. Ph.D. Thesis, Paraná Federal Univeristy, Parana, Brazil, 2015. [Google Scholar]
- Imchen, S.; Das, D.K. Scheduling of distributed generators in an isolated microgrid using opposition based Kho-Kho optimization technique. Expert Syst. Appl. 2023, 229, 120452. [Google Scholar] [CrossRef]
- Tian, J.; Zeng, Y.; Ji, L.; Zhu, H.; Guo, Z. Control Method of Cold and Hot Shock Test of Sensors in Medium. Sensors 2023, 23, 6536. [Google Scholar] [CrossRef] [PubMed]
- Wang, S.; Zhao, B.; Yi, S.; Zhou, Z.; Zhao, X. GAPSO-Optimized Fuzzy PID Controller for Electric-Driven Seeding. Sensors 2022, 22, 6678. [Google Scholar] [CrossRef] [PubMed]
- Pradhan, S.K.; Subudhi, B. Position control of a flexible manipulator using a new nonlinear self-tuning PID controller. IEEE/CAA J. Autom. Sin. 2020, 7, 136–149. [Google Scholar] [CrossRef]
- Zhu, G.; Ma, Y.; Hu, S. Event-Triggered Adaptive PID Fault-Tolerant Control of Underactuated ASVs Under Saturation Constraint. IEEE Trans. Syst. Man Cybern. Syst. 2023, 53, 4922–4933. [Google Scholar] [CrossRef]
- Chen, Q.; Wang, Y.; Song, Y. Tracking Control of Self-Restructuring Systems: A Low-Complexity Neuroadaptive PID Approach With Guaranteed Performance. IEEE Trans. Cybern. 2023, 53, 3176–3189. [Google Scholar] [CrossRef]
- Sánchez-Palma, J.; Ordoñez-Ávila, J.L. A PID Control Algorithm with Adaptive Tuning Using Continuous Artificial Hydrocarbon Networks for a Two-Tank System. IEEE Access 2022, 10, 114694–114710. [Google Scholar] [CrossRef]
- Shiro, M.; Matsui, Y. Data-Driven Control and Learning Systems. IEEE Trans. Ind. Electron. 2017, 64, 4070–4075. [Google Scholar] [CrossRef]
- Hjalmarsson, H.; Gevers, M.; Gunnarsson, S.; Lequin, O. Iterative feedback tuning: Theory and applications. IEEE Control Syst. Mag. 1998, 18, 26–41. [Google Scholar] [CrossRef]
- Kutz, J.N.; Brunton, S.L.; Brunton, B.W.; Proctor, J.L. Dynamic Mode Decomposition; Society for Industrial and Applied Mathematics: Philadelphia, PA, USA, 2016. [Google Scholar] [CrossRef]
- Chen, Y.; Wen, C. Iterative Learning Control: Convergence, Robustness and Applications, 1st ed.; Springer: London, UK, 1999; p. 204. [Google Scholar] [CrossRef]
- Ariyur, K.; Krstic, M. Real-Time Optimization by Extremum-Seeking Control; Wiley-Interscience: Hoboken, NJ, USA, 2003. [Google Scholar]
- Hou, Z.; Jin, S. Model Free Adaptive Control: Theory and Applications; CRC Press: Boca Raton, FL, USA, 2013. [Google Scholar]
- Safonov, M.; Tsao, T.C. The unfalsified control concept and learning. IEEE Trans. Autom. Control 1997, 42, 843–847. [Google Scholar] [CrossRef]
- Spall, J.C. Introduction to Stochastic Search and Optimization, 1st ed.; John Wiley & Sons, Inc.: Hoboken, NJ, USA, 2003. [Google Scholar]
- Lecchini, A.; Campi, M.C.; Savaresi, S.M. Sensitivity shaping via virtual reference feedback tuning. In Proceedings of the Proceedings of the 40th IEEE Conference on Decision and Control (Cat. No.01CH37228), Orlando, FL, USA, 4–7 December 2001; Volume 1, pp. 750–755. [Google Scholar] [CrossRef]
- Campi, M.C.; Lecchini, A.; Savaresi, S.M. Virtual reference feedback tuning: A direct method for the design of feedback controllers. Automatica 2002, 38, 1337–1346. [Google Scholar] [CrossRef]
- Sato, T.; Sakai, Y.; Kawaguchi, N.; Arrieta, O. Dual-Rate Data-Driven Virtual Reference Feedback Tuning: Improvement in Fast-Tracking Performance and Ripple-Free Design. IEEE Access 2021, 9, 144426–144437. [Google Scholar] [CrossRef]
- Remes, C.L.; Gomes, R.B.; Flores, J.V.; Líbano, F.B.; Campestrini, L. Virtual Reference Feedback Tuning Applied to DC–DC Converters. IEEE Trans. Ind. Electron. 2021, 68, 544–552. [Google Scholar] [CrossRef]
- Ding, Y.; Xu, N.; Ren, L.; Hao, K. Data-Driven Neuroendocrine Ultrashort Feedback-Based Cooperative Control System. IEEE Trans. Control. Syst. Technol. 2015, 23, 1205–1212. [Google Scholar] [CrossRef]
- Campestrini, L.; Eckhard, D.; Chía, L.A.; Boeira, E. Unbiased MIMO VRFT with application to process control. J. Process Control 2016, 39, 35–49. [Google Scholar] [CrossRef]
- Chiluka, S.K.; Ambati, S.R.; Sonawane, S.H.; Seepana, M.M.; Babu Gara, U.B. Robust IMC-PID Controller Design using VRFT: Theoretical and Experimental Investigation; IFAC-PapersOnLine. In Proceedings of the 7th International Conference on Advances in Control and Optimization of Dynamical Systems ACODS 2022, Silchar, India, 22–25 February 2022; Volume 55, pp. 241–246. [Google Scholar] [CrossRef]
- Vilanova, R.; Visioli, A. PID Control in the Third Millennium: Lessons Learned and New Approaches; Springer: London, UK, 2012. [Google Scholar]
- Formentin, S.; Campi, M.C.; Carè, A.; Savaresi, S.M. Deterministic Continuous-Time Virtual Reference Feedback Tuning (VRFT) with Application to PID Design. Syst. Control Lett. 2019, 127, 25–34. [Google Scholar] [CrossRef]
- Freddy, F.; Valderrama Gutierrez, F.O.R. Novel Data-Driven Control Approaches. Ph.D. Thesis, Pontifical Javerian University, Bogota, Colombia, 2019. [Google Scholar]
- Viola, J.; Radici, A.; Dehghan, S.; Chen, Y. Low-cost real-time vision platform for spatial temperature control research education developments. In Proceedings of the International Design Engineering Technical Conferences and Computers and Information in Engineering Conference, Anaheim, CA, USA, 18–21 August 2019; American Society of Mechanical Engineers: New York, NY, USA, 2019; Volume 59292, p. V009T12A030. [Google Scholar]
- Viola, J.; Oziablo, P.; Chen, Y. A Portable and Affordable Networked Temperature Distribution Control Platform for Education and Research. IFAC-PapersOnLine 2020, 53, 17530–17535. [Google Scholar] [CrossRef]
- Lineykin, S.; Ben-Yaakov, S. Modeling and analysis of thermoelectric modules. IEEE Trans. Ind. Appl. 2007, 43, 505–512. [Google Scholar] [CrossRef]
- Araque–Mora, J.; Angel, L. Distributed Equivalent Circuit for Modeling Heat Transfer Process in a Thermoelectric System. In Proceedings of the 2021 IEEE 5th Colombian Conference on Automatic Control (CCAC), Ibague, Colombia, 19–22 October 2021; pp. 326–331. [Google Scholar] [CrossRef]
- Carè, A.; Torricelli, F.; Campi, M.C.; Savaresi, S.M. A Toolbox for Virtual Reference Feedback Tuning (VRFT). In Proceedings of the 2019 18th European Control Conference (ECC), Naples, Italy, 25–28 June 2019; pp. 4252–4257. [Google Scholar] [CrossRef]
- Angel, L.; Viola, J.; Paez, M. Speed control of a motor-generator system using internal model control techniques. In Proceedings of the 2017 IEEE 3rd Colombian Conference on Automatic Control (CCAC), Cartagena, Colombia, 18–20 October 2017; pp. 1–6. [Google Scholar] [CrossRef]
- Nath, U.M.; Dey, C.; Mudi, R.K. Review on IMC-based PID Controller Design Approach with Experimental Validations. IETE J. Res. 2021, 69, 1640–1660. [Google Scholar] [CrossRef]
- Mifeng Ren, Q.Z.; Zhang, J. An introductory survey of probability density function control. Syst. Sci. Control. Eng. 2019, 7, 158–170. [Google Scholar] [CrossRef]
- Zhang, Q.; Zhou, Y. Recent Advances in Non-Gaussian Stochastic Systems Control Theory and Its Applications. Int. J. Netw. Dyn. Intell. 2022, 1, 111–119. [Google Scholar] [CrossRef]


















| Component | Features |
|---|---|
| FLIR lepton thread Infrared thermal camera | Wavelength: 8 to 14 μm Resolution: 80 × 60 pixels Accuracy: ±0.5 °C |
| TEC1-12706 Peltier Module | W A V |
| MC33926 DC Power Driver | Input: 0–5 V Output: 0–12 V Peak Current: 5 A |
| LattePanda board | 5 inch Windows 10 64 bits PC Intel Atom 4 GB of RAM Built-in Arduino Leonardo board |
| Controller | Gain k | ISEa | [%] | [J] | [%] |
|---|---|---|---|---|---|
| 0 | 5227.24 | 0.0 | 46,981.76 | 0.0 | |
| 2 | 1997.81 | 61.8 | 54,220.91 | 15.4 | |
| 5 | 1391.21 | 73.4 | 61,055.75 | 30.0 | |
| 10 | 1328.20 | 74.6 | 70,605.25 | 50.3 | |
| 0 | 12,341.97 | 0.0 | 41,406.34 | 0.0 | |
| 2 | 2745.85 | 77.8 | 43,332.89 | 4.7 | |
| 5 | 1028.79 | 91.7 | 45,161.89 | 9.1 | |
| 10 | 406.08 | 96.7 | 46,495.30 | 12.3 | |
| 0 | 5440.11 | 0.0 | 49,806.09 | 0.0 | |
| 2 | 2250.38 | 58.6 | 58,327.48 | 17.1 | |
| 5 | 1733.08 | 68.1 | 68,945.06 | 38.4 | |
| 10 | 1724.12 | 68.3 | 78,772.28 | 58.2 | |
| 0 | 5225.76 | 0.0 | 45,982.25 | 0.0 | |
| 2 | 1466.74 | 71.9 | 50,930.10 | 10.8 | |
| 5 | 666.45 | 87.2 | 54,343.65 | 18.2 | |
| 10 | 409.33 | 92.2 | 59,674.20 | 29.8 | |
| 0 | 6008.65 | 0.0 | 44,689.47 | 0.0 | |
| 2 | 1503.10 | 75.0 | 48,560.12 | 8.7 | |
| 5 | 578.69 | 90.4 | 50,752.74 | 13.6 | |
| 10 | 264.06 | 95.6 | 52,740.13 | 18.0 |
| Controller | Gain k | ISEa | [%] | [J] | [%] |
|---|---|---|---|---|---|
| 0 | 1982.44 | 0.0 | 10,466.43 | 0.0 | |
| 2 | 496.87 | 74.9 | 11,650.06 | 11.3 | |
| 5 | 176.86 | 91.1 | 12,217.27 | 16.7 | |
| 10 | 68.73 | 96.5 | 12,947.27 | 23.7 | |
| 0 | 2534.21 | 0 | 9702.82 | 0.0 | |
| 2 | 918.82 | 63.7 | 10,496.29 | 8.2 | |
| 5 | 420.37 | 83.4 | 10,647.11 | 9.7 | |
| 10 | 179.47 | 92.9 | 10,708.07 | 10.4 | |
| 0 | 1849.71 | 0.0 | 10,893.32 | 0.0 | |
| 2 | 467.95 | 74.7 | 12,094.35 | 11.0 | |
| 5 | 169.15 | 90.9 | 12,697.67 | 16.6 | |
| 10 | 66.78 | 96.4 | 13,523.16 | 24.1 | |
| 0 | 2069.79 | 0.0 | 10,468.95 | 0.0 | |
| 2 | 562.13 | 72.8 | 11,443.26 | 9.3 | |
| 5 | 208.87 | 89.9 | 11,744.04 | 12.2 | |
| 10 | 77.59 | 96.3 | 11,944.28 | 14.1 | |
| 0 | 2153.58 | 0.0 | 10,299.65 | 0.0 | |
| 2 | 625.07 | 71.0 | 11,186.99 | 8.6 | |
| 5 | 243.00 | 88.7 | 11,399.55 | 10.7 | |
| 10 | 91.99 | 95.7 | 11,485.10 | 11.5 |
| Control System | |||
|---|---|---|---|
| - | 1009.65 | 3,543,789.93 | 120,879.63 |
| - | 8796.40 | 10,322,383.31 | 122,416.94 |
| - | 10,426.44 | 10,251,645.23 | 124,000.37 |
| - | 187,220.93 | 35,687,688.87 | 113,657.34 |
| Control System | |||
|---|---|---|---|
| - | 718.74 | 3,275,236.08 | 83,427.47 |
| - | 2644.18 | 4,284,296.65 | 83,738.90 |
| - | 4079.30 | 4,801,885.60 | 84,462.43 |
| - | 91,064.21 | 14,019,821.75 | 77,352.45 |
| Control System | |||
|---|---|---|---|
| - | 193.76 | 1,228,571.91 | 49,499.74 |
| - | 1619.68 | 2,599,650.84 | 46,954.49 |
| - | 736.25 | 2,306,393.53 | 47,797.99 |
| - | 16,352.03 | 7,674,062.47 | 36,716.94 |
Disclaimer/Publisher’s Note: The statements, opinions and data contained in all publications are solely those of the individual author(s) and contributor(s) and not of MDPI and/or the editor(s). MDPI and/or the editor(s) disclaim responsibility for any injury to people or property resulting from any ideas, methods, instructions or products referred to in the content. |
© 2023 by the authors. Licensee MDPI, Basel, Switzerland. This article is an open access article distributed under the terms and conditions of the Creative Commons Attribution (CC BY) license (https://creativecommons.org/licenses/by/4.0/).
Share and Cite
Araque, J.G.; Angel, L.; Viola, J.; Chen, Y. Design and Implementation of a Recursive Feedforward-Based Virtual Reference Feedback Tuning (VRFT) Controller for Temperature Uniformity Control Applications. Machines 2023, 11, 975. https://doi.org/10.3390/machines11100975
Araque JG, Angel L, Viola J, Chen Y. Design and Implementation of a Recursive Feedforward-Based Virtual Reference Feedback Tuning (VRFT) Controller for Temperature Uniformity Control Applications. Machines. 2023; 11(10):975. https://doi.org/10.3390/machines11100975
Chicago/Turabian StyleAraque, Juan Gabriel, Luis Angel, Jairo Viola, and Yangquan Chen. 2023. "Design and Implementation of a Recursive Feedforward-Based Virtual Reference Feedback Tuning (VRFT) Controller for Temperature Uniformity Control Applications" Machines 11, no. 10: 975. https://doi.org/10.3390/machines11100975
APA StyleAraque, J. G., Angel, L., Viola, J., & Chen, Y. (2023). Design and Implementation of a Recursive Feedforward-Based Virtual Reference Feedback Tuning (VRFT) Controller for Temperature Uniformity Control Applications. Machines, 11(10), 975. https://doi.org/10.3390/machines11100975

