Digital Twin-Based Integrated Assessment of Flexible and Reconfigurable Automotive Part Production Lines
Abstract
1. Introduction
- Define the concept and purpose of DT-based integrated reconfiguration assessment application for RMS;
- Describe the architectural framework and detailed definitions to satisfy the purpose of the proposed application;
- Design the technical functionalities and operational procedures of the DT module;
- Propose an information model appropriate for RMS to operate the DT-based simulation and reconfiguration assessment;
- Present the quantitative assessment criteria, assessment elements, and assessment methods for various performances of the production line belonging to the RMS;
- Apply the proposed application to an actual automotive part production line to verify its effectiveness.
2. Research Background
2.1. Reconfigurable Manufacturing System (RMS)
- Scalability: Capability to modify production capacity by adding or removing resources and/or changing system components;
- Convertibility: Capability to transform the functionality of the existing systems and machines to fit new production requirements;
- Diagnosability: Capability to monitor product quality in real time and perform rapid diagnoses of the root-causes of product defects;
- Customisation: System or machine flexibility around a part family; that is, obtain customised flexibility within the part family;
- Modularity: Compartmentalisation of operational functions into units that can be manipulated between alternative production schemes;
- Integrability: Capability of integrating modules rapidly and precisely by hardware and software interfaces.
2.2. Digital Twin (DT)
- Automatic model creation with predefined configurational and functional units;
- Reflection of the production site information onto the model by convergence with ICT and information synchronisation;
- Advanced processing with an optimisation algorithm or plan generation based on horizontal coordination with engineering applications;
- Repeated derivation of indicators for dynamic prediction and diagnosis reflecting various situations.
2.3. Assessment Indicators of RMS
3. DT-Based Integrated Reconfiguration Assessment Application of RMS
3.1. Concept and Definition of Technical Terms in the Proposed Application
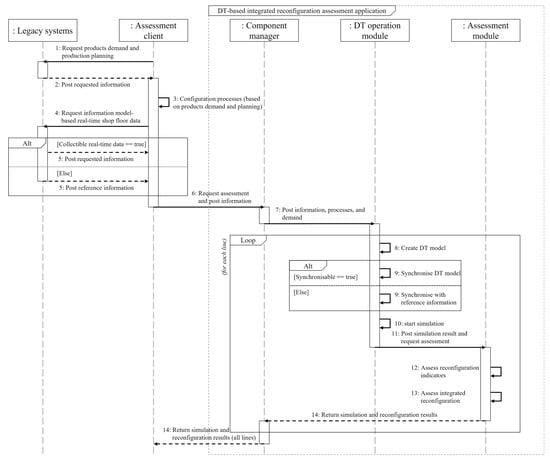
3.2. Architectural Framework and DT of the Proposed Application
- RML: A line that has the reconfigurability to produce multiple products in one manufacturing line. It can respond to the production of various products and expand production capacity through reorganisation of the manufacturing line by adding and removing resources in the manufacturing line.
- Legacy systems: A system that acquires information related to production activities performed in actual production sites. The system is a general legacy system used in the industry (e.g., enterprise resource planning, manufacturing execution system (MES), and point of production), and data from various systems are acquired, stored, processed, and integrated through the manufacturing data management system.
- Component manager: It comprises an interface for exchanging information between the RML and the proposed application, as well as a manager for driving and managing other modules in the application. The information received through the interface is transferred to the DT operation module; the DT operation module is run based on the information, and it receives the assessment result of the line and returns it to the client through the interface.
- DT operation module: As a core component of the application, the DT model of the production line is created and synchronised with the shop floor, and the simulation result is calculated based on the information received through the component manager. This module includes a simulation engine along with a DT configuration data library that contains a predefined base model amenable to rapid modelling and performing logical operations, such as those pertaining to production and logistics, scheduling, and priority rules as well as metadata. The principal differences between the existing simulation modelling process and this module are the automation of the modelling procedure using the DT configuration library and synchronisation with the manufacturing site based on an information model. The base model is imported based on metadata when constructing the simulation model, and it consists of manufacturing resources. Metadata are configuration data utilised when using the base model and logic. This includes manufacturing information collection time and the location of the configuration data. Furthermore, to enable accurate simulation, the unit functions of resources are reflected in the simulation model at the time it is collected. The DT model includes the production plan, product information, scalable production range, process information, and machine information.
- Reconfiguration assessment module: This module evaluates the assessment items related to the reconfigurations of the RML using the simulation result value predicted by the DT operation module and data received through the component manager and assessment model. After the calculation, this module returns the assessment results and the simulation results to the component manager. To comprehensively assess the integrated reconfiguration of the manufacturing line, the RS, reconfiguration productivity, lifecycle cost, and space efficiency are assessed. Subsequently, the integrated reconfiguration indicator is calculated using the four indicators.
- DT model creation: This step simulates the configuration and unit function of the DT model from the information model and process configuration information of the line. The model configuration uses a base model and logic to simulate the physical manufacturing system and logistics as a DT model by utilising the simulation engine. In this step, the unit function simulates the function by utilising the logic defined in the DT configuration data library.
- Synchronisation of DT model: This step maps the information model-based data to the composition and unit functions of the DT model. In this step, the parameter information regarding manufacturing products, processes, and capacity is input, and the real-time information collected at the manufacturing site is input to the configuration and unit function of the DT model.
- Start simulation: In this step, simulation is performed using the DT model. Discrete event simulation (DES), which is a core function of the DT operation model, is performed. Through previous steps, the model performs a more accurate and realistic simulation.
- Obtaining the simulation result (get Simulation Result): This step involves collecting simulation results from the DT model. The simulation results calculated in this step include productivity, operation rate, space utilisation, and investment cost; these results are transmitted to the reconfiguration assessment module to calculate the reconfiguration assessment indices and integrated reconfiguration results. The definition of the result for each simulation is as follows: Productivity refers to the total number of products manufactured during line operating hours. Operation rate refers to the actual operating time relative to the operating time of the line. Line operating time is the sum of the operating time and stop loss time, where stop loss is the sum of failure attributed to machine failure and line stoppage, the preparation and adjustment loss from preparation and finishing before and after work, production type change, jig exchange, and machine check and adjustment to ensure normal operation. Space utilisation is the ratio of the manufacturing line to a given space area. Investment cost is the cost required to construct and operate a manufacturing line.
3.3. Information and Assessment Models for DT-Based Reconfiguration Assessment
- Determination of the reconfigurable resource has been added to the information required for the resource description of the existing shop floor;
- Product family information focusing on the RMS rather than a single product has been added;
- Information on RM composing the RML includes information on corresponding product varieties and product groups and information on scalability judgement, and information on scalability, which corresponds to whether facilities and buffers composing a line can be added or removed, has been defined;
- A change plan for the production line has been added considering the characteristics of being able to produce various products in a single line.
4. Industrial Case Study
4.1. Application Environment and Information
4.2. Implementation and Assessment Scenario
- Scenario information: The scenario of the line for the assessment is displayed at the top of this area. At the bottom of the area, products produced by the line to be assessed, target production volume, and production time allocated to the production of each product are displayed.
- Process information: The area shows the process information of the product. As the process type and number required for manufacturing each product are different, the setup time and cycle time required for each process are displayed, which are reflected in the DT model.
- Simulation result: This area displays the simulation results of the DT model generated based on the information shown in areas 1 and 2 for each scenario, information collected on site, and previously defined reference information. After simulation is performed, results are displayed for each line in this area.
- Reconfiguration indicators: This area displays the reconfiguration assessment results. The displayed results are assessment results of RS, RP, C, and SE.
- Integrated assessment result: The corresponding area displays the integrated reconfiguration index of the production line calculated using Equation (10) for the four reconfiguration assessment elements obtained through the assessment.
- Preferences: This area provides various functions for reconfiguration assessment. It is composed of the functions to check information such as the process required for each line configuration, the space required for each machine, mean time to repair, weight settings for the integrated reconfiguration index, and cost information for calculating investment and lifecycle costs.
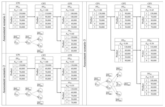
- The demand for products changes at each CP; however, the products produced do not change and thus the assessment scenario is as shown scenario 1 in Figure 10;
- The product changes in each CP, but the demand does not change for products that have been produced constantly and the scenario is as shown scenario 2 in Figure 10;
- Both product demand and product change at each CP and the scenario is as shown scenario 3 in Figure 10.
4.3. Assessment and Application Results
4.3.1. Simulation and Reconfiguration Assessment Result
4.3.2. DT Application Result
5. Discussion and Conclusions
5.1. Discussion
5.2. Conclusions
Author Contributions
Funding
Institutional Review Board Statement
Informed Consent Statement
Data Availability Statement
Conflicts of Interest
References
- Koren, Y.; Gu, X.; Guo, W. Reconfigurable Manufacturing Systems: Principles, Design, and Future Trends. Front. Mech. Eng. 2018, 13, 121–136. [Google Scholar] [CrossRef]
- Hasan, F.; Jain, P.K.; Kumar, D. Service Level as Performance Index for Reconfigurable Manufacturing System Involving Multiple Part Families. Procedia Eng. 2014, 69, 814–821. [Google Scholar] [CrossRef][Green Version]
- Koren, Y. The Emergence of Reconfigurable Manufacturing Systems (RMSS). In Reconfigurable Manufacturing Systems: From Design to Implementation; Springer: Cham, Switzerland, 2020; pp. 1–9. [Google Scholar] [CrossRef]
- Mehrabi, M.G.; Ulsoy, A.G.; Koren, Y.; Heytler, P. Trends and Perspectives in Flexible and Reconfigurable Manufacturing Systems. J. Intell. Manuf. 2002, 13, 135–146. [Google Scholar] [CrossRef]
- Koren, Y.; Shpitalni, M. Design of Reconfigurable Manufacturing Systems. J. Manuf. Syst. 2010, 29, 130–141. [Google Scholar] [CrossRef]
- Koren, Y.; Heisel, U.; Jovane, F.; Moriwaki, T.; Pritschow, G.; Ulsoy, G.; Van Brussel, H. Reconfigurable Manufacturing Systems. CIRP Ann. 1999, 48, 527–540. [Google Scholar] [CrossRef]
- Wiktorsson, M.; Do Noh, S.D.; Bellgran, M.; Hanson, L. Smart Factories: South Korean and Swedish Examples on Manufacturing Settings. Procedia Manuf. 2018, 25, 471–478. [Google Scholar] [CrossRef]
- Kang, H.S.; Lee, J.Y.; Choi, S.; Kim, H.; Park, J.H.; Son, J.Y.; Kim, B.H.; Do Noh, S. Smart Manufacturing: Past Research, Present Findings, and Future Directions. Int. J. Prec. Eng. Manuf. Green Technol. 2016, 3, 111–128. [Google Scholar] [CrossRef]
- Henning, K. Recommendations for Implementing the Strategic Initiative Industrie 4.0; Technical Report for National Academy of Science and Engineering: Munich, Germany, 2013. [Google Scholar]
- National Institute of Standards and Technology; Laboratory Program. Smart Manufacturing Operations Planning and Control; NIST: Gaithersburg, MD, USA, 2014.
- Wang, S.; Wan, J.; Li, D.; Zhang, C. Implementing Smart Factory of industrie 4.0: An Outlook. Int. J. Distrib. Sens. Netw. 2016, 12, 3159805. [Google Scholar] [CrossRef]
- Bortolini, M.; Galizia, F.G.; Mora, C. Reconfigurable Manufacturing Systems: Literature Review and Research Trend. J. Manuf. Syst. 2018, 49, 93–106. [Google Scholar] [CrossRef]
- Qin, J.; Liu, Y.; Grosvenor, R. A Categorical Framework of Manufacturing for industry 4.0 and Beyond. Procedia CIRP 2016, 52, 173–178. [Google Scholar] [CrossRef]
- Gruber, F.E. Industry 4.0: A Best Practice Project of the Automotive Industry. In Digital Product and Process Development Systems; Kovács, G.L., Kochan, D., Eds.; Springer: Berlin/Heidelberg, Germany, 2013; pp. 36–40. [Google Scholar]
- Youssef, A.M.A.; ElMaraghy, H.A. Assessment of Manufacturing Systems Reconfiguration Smoothness. Int. J. Adv. Manuf. Technol. 2006, 30, 174–193. [Google Scholar] [CrossRef]
- Liu, Q.; Zhang, H.; Leng, J.; Chen, X. Digital Twin-Driven Rapid Individualised Designing of Automated Flow-Shop Manufacturing System. Int. J. Prod. Res. 2019, 57, 3903–3919. [Google Scholar] [CrossRef]
- Schluse, M.; Priggemeyer, M.; Atorf, L.; Rossmann, J. Experimentable Digital Twins—Streamlining Simulation-Based Systems Engineering for industry 4.0. IEEE Trans. Ind. Inform. 2018, 14, 1722–1731. [Google Scholar] [CrossRef]
- Tao, F.; Jiangfeng, C.; Qinglin, Q.; Zhang, M.; Zhang, H.; Fangyuan, S. Digital Twin-Driven Product Design, Manufacturing and Service with Big Data. Int. J. Adv. Manuf. Technol. 2018, 94, 3563–3576. [Google Scholar] [CrossRef]
- McLean, C.; Leong, S. The Expanding Role of Simulation in Future Manufacturing. In Proceedings of the 2001 Winter Simulation Conference, Arlington, VA, USA, 9–12 December 2001; IEEE Publications: Washington, DC, USA, 2001; Volume 2, pp. 1478–1486. [Google Scholar]
- Monostori, L.; Kádár, B.; Bauernhansl, T.; Kondoh, S.; Kumara, S.; Reinhart, G.; Sauer, O.; Schuh, G.; Sihn, W.; Ueda, K. Cyber-Physical Systems in Manufacturing. CIRP Ann. 2016, 65, 621–641. [Google Scholar] [CrossRef]
- Schroeder, G.N.; Steinmetz, C.; Pereira, C.E.; Espindola, D.B. Digital Twin Data Modeling with Automation and a Communication Methodology for Data Exchange. IFAC PapersOnLine 2016, 49, 12–17. [Google Scholar] [CrossRef]
- Park, K.T.; Jeon, S.W.; Noh, S.D. Digital Twin Application with Horizontal Coordination for Reinforcement-Learning-Based Production Control in a Re-Entrant Job Shop. Int. J. Prod. Res. 2021, 1–17. [Google Scholar] [CrossRef]
- Tao, F.; Zhang, M.; Nee, A.Y.C. Digital Twin Driven Smart Manufacturing; Academic Press: Cambridge, MA, USA, 2019. [Google Scholar]
- Koren, Y. General RMS Characteristics. Comparison with Dedicated and Flexible Systems. In Reconfigurable Manufacturing Systems and Transformable Factories; Springer: Berlin/Heidelberg, Germany, 2006; pp. 27–45. [Google Scholar]
- Cheng, Y.; Zhang, Y.; Ji, P.; Xu, W.; Zhou, Z.; Tao, F. Cyber-Physical Integration for Moving Digital Factories Forward Towards Smart Manufacturing: A Survey. Int. J. Adv. Manuf. Technol. 2018, 97, 1209–1221. [Google Scholar] [CrossRef]
- Grieves, M. Digital Twin: Manufacturing Excellence through Virtual Factory Replication. White Pap. 2014, 1, 1–7. [Google Scholar]
- Tao, F.; Cheng, J.; Qi, Q. IIHub: An Industrial Internet-of-Things Hub toward Smart Manufacturing Based on Cyber-Physical System. IEEE Trans. Ind. Inform. 2017, 14, 2271–2280. [Google Scholar] [CrossRef]
- Liao, Y.; de Freitas Rocha Loures, E.D.F.R.; Deschamps, F. Industrial Internet of Things: A Systematic Literature Review and Insights. IEEE Internet Things J. 2018, 5, 4515–4525. [Google Scholar] [CrossRef]
- Alam, K.M.; El Saddik, A. C2PS: A Digital Twin Architecture Reference Model for the Cloud-Based Cyber-Physical Systems. IEEE Access. 2017, 5, 2050–2062. [Google Scholar] [CrossRef]
- Uhlemann, T.H.J.; Schock, C.; Lehmann, C.; Freiberger, S.; Steinhilper, R. The Digital Twin: Demonstrating the Potential of Real Time Data Acquisition systems. Procedia Manuf. 2017, 9, 113–120. [Google Scholar] [CrossRef]
- Park, K.T.; Im, S.J.; Kang, Y.S.; Noh, S.D.; Kang, Y.T.; Yang, S.G. Service-Oriented Platform for Smart Operation of Dyeing and Finishing Industry. Int. J. Comput. Integr. Manuf. 2019, 32, 307–326. [Google Scholar] [CrossRef]
- Park, K.T.; Nam, Y.W.; Lee, H.S.; Im, S.J.; Noh, S.D.; Son, J.Y.; Kim, H. Design and Implementation of a Digital Twin Application for a Connected Micro Smart Factory. Int. J. Comput. Integr. Manuf. 2019, 32, 596–614. [Google Scholar] [CrossRef]
- Gabor, T.; Belzner, L.; Kiermeier, M.; Beck, M.T.; Neitz, A. A Simulation-Based Architecture for Smart Cyber-Physical Systems. In Proceedings of the IEEE international conference Autonomic Comput, Wuerzburg, Germany, 17–22 July 2016; IEEE Publications: Washington, DC, USA, 2016; Volume 2016, pp. 374–379. [Google Scholar]
- Boschert, S.; Rosen, R. Digital Twin—The Simulation Aspect. In Mechatronic Futures; Springer: Cham, Switzerland, 2016; pp. 59–74. [Google Scholar]
- Tao, F.; Zhang, M.; Cheng, J.; Qi, Q. Digital twin workshop. A New Paradigm for Future Workshop. Comput. Integr. Maanuf Syst. 2017, 23, 1–9. [Google Scholar]
- Tao, F.; Zhang, H.; Liu, A.; Nee, A.Y.C. Digital Twin in Industry: State-of-the-Art. IEEE Trans. Ind. Inform. 2018, 15, 2405–2415. [Google Scholar] [CrossRef]
- Ding, K.; Chan, F.T.S.; Zhang, X.; Zhou, G.; Zhang, F. Defining a Digital Twin-Based Cyber-Physical Production System for Autonomous Manufacturing in Smart Shop Floors. Int. J. Prod. Res. 2019, 57, 6315–6334. [Google Scholar] [CrossRef]
- Qi, Q.; Tao, F. Digital Twin and Big Data Towards Smart Manufacturing and Industry 4.0: 360 Degree Comparison. IEEE Access. 2018, 6, 3585–3593. [Google Scholar] [CrossRef]
- Vachálek, J.; Bartalský, L.; Rovný, O.; Šišmišová, D.; Morháč, M.; Lokšík, M. The Digital Twin of an Industrial Production Line Within the industry 4.0 Concept. In Proceedings of the 21st international conference Process Control (PC), Štrbské Pleso, Slovakia, 6–9 June 2017; Volume 2017, pp. 258–262. [Google Scholar]
- Zhang, H.; Liu, Q.; Chen, X.; Zhang, D.; Leng, J. A Digital Twin-Based Approach for Designing and Multi-Objective Optimization of Hollow Glass Production Line. IEEE Access. 2017, 5, 26901–26911. [Google Scholar] [CrossRef]
- Ahmad, M.M.; Dhafr, N. Establishing and Improving Manufacturing Performance Measures. Robot. Comput. Integr. Manuf. 2002, 18, 171–176. [Google Scholar] [CrossRef]
- Zairi, M. Benchmarking: The Best Tool for Measuring Competitiveness. Benchmarking Qual. Mgmt. Tech. 1994, 1, 11–24. [Google Scholar] [CrossRef]
- Gumasta, K.; Kumar Gupta, S.; Benyoucef, L.; Tiwari, M.K. Developing a Reconfigurability Index Using Multi-Attribute Utility Theory. Int. J. Prod. Res. 2011, 49, 1669–1683. [Google Scholar] [CrossRef]
- Hasan, F.; Jain, P.K.; Kumar, D. Machine Reconfigurability Models Using Multi-Attribute Utility Theory and Power Function Approximation. Procedia Eng. 2013, 64, 1354–1363. [Google Scholar] [CrossRef]
- Haddou Benderbal, H.H.; Dahane, M.; Benyoucef, L. Modularity Assessment in Reconfigurable Manufacturing System (RMS) Design: An Archived Multi-Objective Simulated Annealing-Based Approach. Int. J. Adv. Manuf. Technol. 2018, 94, 729–749. [Google Scholar] [CrossRef]
- Farid, A.M.; McFarlane, D.C. A Tool for Assessing Reconfigurability of Distributed Manufacturing Systems. IFAC Proc. 2006, 39, 523–528. [Google Scholar] [CrossRef]
- Eguía, I.; Villa, G.; Lozano, S. Efficiency Assessment of Reconfigurable Manufacturing Systems. Procedia Manuf. 2017, 11, 1027–1034. [Google Scholar] [CrossRef]
- Katz, R. Design Principles of Reconfigurable Machines. Int. J. Adv. Manuf. Technol. 2007, 34, 430–439. [Google Scholar] [CrossRef]
- Park, K.T.; Yang, J.; Noh, S.D. VREDI: Virtual Representation for a Digital Twin Application in a Work-Center-Level Asset Administration Shell. J. Intell. Manuf. 2021, 32, 501–544. [Google Scholar] [CrossRef]
- Riddick, F.H.; Lee, Y.T. Core Manufacturing Simulation Data (CMSD): A standard representation for manufacturing simulation-related information. In Proceedings of the Fall Simulation Interoperability Workshop (Fall SIW) SISO, Orlando, FL, USA, 20–24 September 2010; pp. 1–9. [Google Scholar]
- Mónica, R.L.; Christian, B.; Friedrich, M.; Bernd, K.; Urlich, B.; Waldemar, S. Agent-based communication to map and exchange shop floor data between MES and material flow simulation based on the open standard CMSD. IFAC-PapersOnLine 2016, 49, 1526–1531. [Google Scholar] [CrossRef]
- Bloomfield, R.; Mazhari, E.; Hawkins, J.; Son, Y.J. Interoperability of manufacturing applications using the Core Manufacturing Simulation Data (CMSD) standard virtual representation. Comput. Ind. Eng. 2012, 62, 1065–1079. [Google Scholar] [CrossRef]
- Lee, J.Y.; Kang, H.S.; Kim, G.Y.; Noh, S.D. Concurrent material flow analysis by P3R-driven modeling and simulation in PLM. Comput. Ind. 2012, 63, 513–527. [Google Scholar] [CrossRef]
- Park, S.H. Assessments of the Production Reconfigurability for Assembly Lines Using Modeling and Simulation. Master’s Thesis, Sungkyunkwan University, Suwon, Korea, 2016. [Google Scholar]
- Lee, S.; Park, S.; Yang, J.; Son, Y.H.; Ko, M.J.; Lim, J.W.; Kong, H.; Jung, Y.; Kim, S.; Noh, S.D.; et al. Modeling & Simulation-Based Assessments of Reconfigurability and Productivity for Automotive Module Assembly Lines. J. Comput. Des. Eng. 2019, 24, 233–247. [Google Scholar] [CrossRef]
- Zhang, C.; Xu, W.; Liu, J.; Liu, Z.; Zhou, Z.; Pham, D.T. Digital twin-enabled reconfigurable modeling for smart manufacturing systems. Int. J. Comput. Integr. Manuf. 2021, 34, 709–733. [Google Scholar] [CrossRef]











| DMS | FMS | RMS | |
|---|---|---|---|
| Cost per part | Low | Reasonable | Medium |
| Demand | Stable | Variable | Variable |
| Flexibility | No | General | Customised |
| Machine structure | Fixed | Fixed | Changeable |
| Product family formation | No | No | Yes |
| Productivity | Very high | Low | High |
| System structure | Fixed | Changeable | Changeable |
| Variety | No | Wide | High |
| Objective of Manufacturing System | Assessment Category | Assessment Factor | Related Characteristics of RMS |
|---|---|---|---|
| Improvement of market responsiveness | RS 1 | SRS 2 | Convertibility |
| MRS 3 | Modularity | ||
| Increasing productivity | Reconfiguration productivity | Scalability | Scalability |
| Demand fulfilment | Customisation and convertibility | ||
| Reduction of lifecycle cost | Lifecycle cost | Initial investment cost | - |
| Operation cost | Customisation, convertibility, and scalability | ||
| - | Space efficiency | Area of facilities | - |
| Input Elements for Reconfiguration Assessment | |
| Element | Items |
| Demand information | DS, CP, and expected investment cycle |
| Resources information | Number of modules, machines, workers, and required area |
| Cost information | Prices of resources, line operating costs, and labour costs |
| Logistics information | Properties of the rack, material handling equipment information, and required area |
| Other information | Production line layout, investment budgets, and available space |
| Input Elements for DT Simulation | |
| Element | Items |
| Production plan | Sequence of production, target production plan, procurement, and operation plan |
| Product information | Bill of materials, customer information, and product family information |
| Production process | Sequence of process, process layout, process type, and operation information |
| Resources information | Information of each resource, probability of failure, capacity, and scalability |
| Line | RM | Producible Products | Scalability | Setup Time 1 | Reconfiguration Time 2 | Product Transportation | MHE 3 | No. of Processes 4 | ||||
|---|---|---|---|---|---|---|---|---|---|---|---|---|
| 1 | 2 | 3 | 4 | 5 | ||||||||
| DML | X | 1 | X | Impossible | 3 months | Conveyor | Forklift | 12 | 9 | 9 | 11 | 9 |
| FML | X | 5 | X | <20 min | 1 month | Conveyor | Forklift | 12 | 9 | 9 | 11 | 9 |
| RML | O | ∞ | O | <5 min | <30 min | AGV | AGV | 8 | 6 | 6 | 8 | 6 |
| Line | Layout | View |
|---|---|---|
| DML | ![]() | ![]() |
| FML | ![]() | ![]() |
| RML | ![]() | ![]() |
| Component | Item | Contents |
|---|---|---|
| Component manager | Development environment | Visual studio 2015 |
| Communication protocol | TCP/IP | |
| Programming language | C# | |
| Programming framework | .Net framework 4.5.2 | |
| DT operation module | Development environment | Visual studio 2015 |
| Programming language | C# | |
| Programming framework | .Net framework 4.5.2 | |
| Simulation engine | Siemens plant simulation 13.1 | |
| Information model | Revised [49] | |
| Base model | STEP | |
| Metadata | XML | |
| Logic | XML | |
| Assessment module | Development environment | Visual studio 2015 |
| Programming language | C# | |
| Programming framework | .Net framework 4.5.2 |
| Scenario No. | 1 | 2 | 3 | Average | ||||||||
|---|---|---|---|---|---|---|---|---|---|---|---|---|
| Line | DML | FML | RML | DML | FML | RML | DML | FML | RML | DML | FML | RML |
| P 1 | 458,835 | 297,468 | 411,457 | 301,451 | 247,894 | 394,753 | 278,156 | 233,607 | 418,478 | 346,147 | 259,656 | 408,229 |
| O 2 | 77 | 64 | 81 | 51 | 53 | 77 | 47 | 49 | 72 | 58 | 55 | 77 |
| S 3 | 88 | 90 | 74 | 85 | 92 | 78 | 91 | 93 | 82 | 88 | 92 | 78 |
| C 4 | 779.8 | 701.3 | 613.2 | 913.4 | 800.2 | 615.6 | 1159.3 | 952.1 | 655.8 | 951 | 818 | 628 |
| Scenario No. | 1 | 2 | 3 | Average | ||||||||
|---|---|---|---|---|---|---|---|---|---|---|---|---|
| Line | DML | FML | RML | DML | FML | RML | DML | FML | RML | DML | FML | RML |
| RS | 0.79 | 1.25 | 0.32 | 3.59 | 2.78 | 0.58 | 3.82 | 3.11 | 0.78 | 2.73 | 2.38 | 0.56 |
| RP | 3.12 | 1.78 | 2.84 | 2.29 | 1.37 | 3.24 | 2.18 | 1.49 | 3.11 | 2.53 | 1.55 | 3.06 |
| C | 0.85 | 0.73 | 0.52 | 2.29 | 1.92 | 0.59 | 3.12 | 2.92 | 0.82 | 2.09 | 1.86 | 0.64 |
| SE | 0.49 | 0.41 | 0.31 | 0.47 | 0.43 | 0.35 | 0.72 | 0.81 | 0.69 | 0.56 | 0.55 | 0.45 |
| IR 1 | 1.97 | 2.55 | 1.72 | 3.78 | 3.17 | 1.93 | 4.16 | 3.96 | 2.15 | 3.3 | 3.23 | 1.93 |
| Model | Production | Daily | Weekly | Monthly | Annual | Total |
|---|---|---|---|---|---|---|
| 3 | Actual | 650 (100%) | 4000 (100%) | 16,450 (100%) | 150,150 (100%) | 171,250 (100%) |
| Simulation | 651 (99.9%) | 4012 (99.7%) | 17,497 (93.7%) | 182,994 (78.1%) | 205,154 (80.3%) | |
| DT simulation | 649 (99.9%) | 4009 (99.8%) | 16,378 (99.6%) | 137,627 (91.7%) | 158,663 (92.7%) | |
| 4 | Actual | 210 (100%) | 1590 (100%) | 6550 (100%) | 59,850 (100%) | 68,200 (100%) |
| Simulation | 208 (99%) | 1601 (99.3%) | 7023 (92.7%) | 62,458 (95.6%) | 71,290 (95.4%) | |
| DT simulation | 210 (100%) | 1605 (99.1%) | 6623 (98.8%) | 60,592 (98.7%) | 69,030 (98.7%) |
Publisher’s Note: MDPI stays neutral with regard to jurisdictional claims in published maps and institutional affiliations. |
© 2022 by the authors. Licensee MDPI, Basel, Switzerland. This article is an open access article distributed under the terms and conditions of the Creative Commons Attribution (CC BY) license (https://creativecommons.org/licenses/by/4.0/).
Share and Cite
Yang, J.; Son, Y.H.; Lee, D.; Noh, S.D. Digital Twin-Based Integrated Assessment of Flexible and Reconfigurable Automotive Part Production Lines. Machines 2022, 10, 75. https://doi.org/10.3390/machines10020075
Yang J, Son YH, Lee D, Noh SD. Digital Twin-Based Integrated Assessment of Flexible and Reconfigurable Automotive Part Production Lines. Machines. 2022; 10(2):75. https://doi.org/10.3390/machines10020075
Chicago/Turabian StyleYang, Jinho, Yoo Ho Son, Donggun Lee, and Sang Do Noh. 2022. "Digital Twin-Based Integrated Assessment of Flexible and Reconfigurable Automotive Part Production Lines" Machines 10, no. 2: 75. https://doi.org/10.3390/machines10020075
APA StyleYang, J., Son, Y. H., Lee, D., & Noh, S. D. (2022). Digital Twin-Based Integrated Assessment of Flexible and Reconfigurable Automotive Part Production Lines. Machines, 10(2), 75. https://doi.org/10.3390/machines10020075







