Analysis of Desalination Performance with a Thermal Vapor Compression System
Abstract
1. Introduction
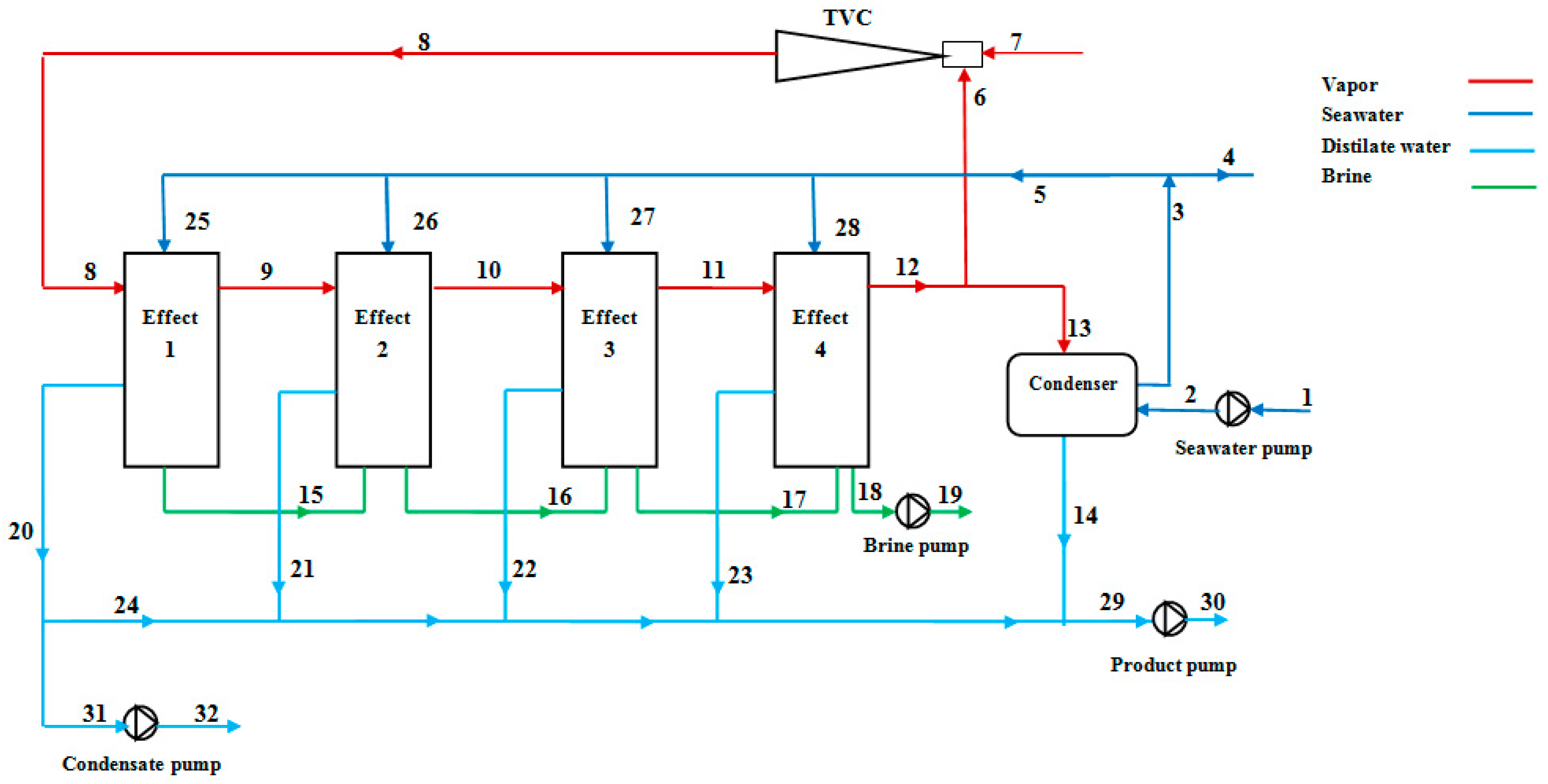
2. MED-TVC System Description
3. Mathematical Modeling of the System
3.1. Thermodynamic Analysis
- -
- The desalination plant operates in a steady state condition.
- -
- The effects have a similar temperature difference and the feed-flow rate is constant.
- -
- The distillate and vapor are salt-free.
- -
- A pump average efficiency of 75% is considered.
3.2. Exergy Analysis
3.3. Exergoeconomic Analysis
3.4. Performance Indicators
4. Results and Discussion
4.1. Exergy Analysis
4.2. Exergoeconomic Analysis
4.3. Parametric Study
4.3.1. Effect of the Top Brine Temperature
4.3.2. Effect of the Seawater Temperature
4.3.3. Effect of the Motive Steam Flow Rate
4.3.4. Effect of the Number of Effects
5. Conclusions
- -
- The total water price of the MED-TVC system is estimated to be 1.73 USD/m3 for a freshwater production of 16.16 kg/s.
- -
- Among all system components, the effects, TVC unit, and condenser are the most relevant components from an exergetic and an exergoeconomic point of view.
- -
- The top brine temperature, cooling seawater temperature, motive steam flow rate, and number of effects have significant effects on the economic performance of the MED-TVC system.
Author Contributions
Funding
Data Availability Statement
Conflicts of Interest
Nomenclature
| Symbols | Description |
| heat transfer area (m2) | |
| cost rate (USD/h) | |
| electricity cost (USD/kWh) | |
| C | cost per exergy unit (USD/GJ) |
| cost rate of the exergy of fuel (USD/GJ) | |
| D | distillate production (m3/h) |
| exergy rate (kW) | |
| chemical exergy(kW) | |
| exergy destruction (kW) | |
| exergy rate of the fuel (kW) | |
| physical exergy (kW) | |
| exergy rate of the product (kW) | |
| specific enthalpy (kJ/kg) | |
| specific enthalpy at ambient conditions (kJ/kg) | |
| I | interest rate (%) |
| K | kth component |
| mass flow rate (kg/s) | |
| N | operating hours(h) |
| P | pressure (kPa) |
| N | lifetime of the unit desalination (yr) |
| specific entropy (kJ/kg K) | |
| specific entropy at ambient conditions (kJ/kg K) | |
| temperature (°C) | |
| specific chemical cost (USD/m3) | |
| specific heat consumption (USD/m3) | |
| specific labor cost (USD/m3) | |
| U | heat transfer coefficient (W/m2°C) |
| brine pump power (kW) | |
| condensate pump power(kW) | |
| product pump power (kW) | |
| feed pump power (kW) | |
| component purchasing cost (USD) | |
| capital investment cost rate (USD/h) | |
| maintenance factor (%) | |
| mass fraction (kg/kg) | |
| chemical potential (kJ/kg) | |
| pump efficiency (%) | |
| Abbreviations | |
| LMDT | Logarithmic Mean Temperature Difference |
| MEB | Multi-Effect Boiling |
| MED | Multiple-Effect Desalination |
| MVC | Mechanical Vapor Compression |
| PCF | Parallel Cross Feed |
| SPECO | Specific Exergy Costing Method |
| TBT | Top Brine Temperature |
| TVC | Thermal Vapor Compression |
| TWP | Total Water Price |
References
- Elsayed, M.L.; Mesalhy, O.; Mohammed, R.H.; Chow, L.C. Transient and thermo-economic analysis of MED-MVC desalination system. Energy 2019, 16, 283–296. [Google Scholar] [CrossRef]
- Macedonio, F.; Drioli, E. An exergetic analysis of a membrane desalination system. Desalination 2010, 261, 293–299. [Google Scholar] [CrossRef]
- Fitzsimons, L.; Corcoran, B.; Young, P.; Foley, G. Exergy analysis of water purification and desalination: A study of exergy model approaches. Desalination 2015, 359, 212–224. [Google Scholar] [CrossRef]
- Miladi, R.; Frikha, N.; Gabsi, S. Exergy analysis of a solar-powered vacuum membrane distillation unit using two models. Energy 2017, 120, 872–883. [Google Scholar] [CrossRef]
- Askari, I.B.; Ameri, M.; Calise, F. Energy, exergy and exergo-economic analysis of different water desalination technologies powered by Linear Fresnel solar field. Desalination 2018, 425, 37–67. [Google Scholar] [CrossRef]
- Triki, Z.; Fergani, Z.; Bouaziz, M.N. Exergoeconomic and exergoenvironmental evaluation of a solar-energy-integrated vacuum membrane distillation system for seawater desalination. Desalin. Water Treat. 2021, 225, 380–391. [Google Scholar] [CrossRef]
- Mistry, K.H.; Antar, M.A.; Lienhard, V.J.H. An improved model for multiple effect distillation. Deasalin. Water Treat. 2013, 51, 807–821. [Google Scholar] [CrossRef]
- Ophir, A.; Lokiec, F. Advanced MED process for most economical sea water desalination. Desalination 2005, 182, 187–198. [Google Scholar] [CrossRef]
- Elsayed, M.L.; Mesalhy, O.; Mohammed, R.H.; Chow, L.C. Exergy and thermo-economic analysis for MED-TVC desalination systems. Desalination 2018, 447, 29–42. [Google Scholar] [CrossRef]
- Hamed, O.A.; Zamamiri, A.M.; Aly, S.; Lior, N. Thermal performance and exergy analysis of a thermal vapour compression desalination system. Energy Convers. Manag. 1996, 37, 379–387. [Google Scholar] [CrossRef]
- Al-Najem, N.M.; Darwish, M.A.; Youssef, F.A. Thermovapor compression desalters: Energy and availability—Analysis of single-and multi-effect systems. Desalination 1997, 110, 223–238. [Google Scholar] [CrossRef]
- Alasfour, F.N.; Darwish, M.A.; Amer, A.B. Thermal analysis of ME—TVC+MEE desalination systems. Desalination 2005, 174, 39–61. [Google Scholar] [CrossRef]
- Choi, H.S.; Lee, T.J.; Kim, Y.G.; Song, S.L. Performance improvement of multiple-effect distiller with thermal vapour compression system by exergy analysis. Desalination 2005, 182, 239–249. [Google Scholar] [CrossRef]
- Cao, C.; Xie, L.; Xu, S.; Du, Y. Exergy analysis and optimization of MED–TVC system with different effect group divisions. Desalination 2021, 500, 114891. [Google Scholar] [CrossRef]
- Binamer, A. Second law and sensitivity analysis of large ME-TVC desalination units. Desalin. Water Treat. 2015, 53, 1234–1245. [Google Scholar] [CrossRef]
- Sadri, S.; HaghighiKhoshkhoo, R.; Ameri, M. Multi objective optimization of the MED-TVC system with exergetic and heat transfer analysis. Energy Equip. System. 2017, 5, 419–430. [Google Scholar]
- Menasri, R.; Triki, Z.; Bouaziz, M.N.; Hamrouni, B. Energy and exergy analyses of a novel multi-effect distillation system with thermal vapour compression for seawater desalination. Desalin. Water Treat. 2022, 246, 54–67. [Google Scholar] [CrossRef]
- Samaké, O.; Galanis, N.; Sorin, M. Thermo-economic analysis of a multiple-effect desalination system with ejector vapour compression. Energy 2018, 144, 1037–1051. [Google Scholar] [CrossRef]
- Javadi, M.A.; Khalaji, M.; Ghasemiasl, R. Exergoeconomic and environmental analysis of a combined power and water desalination plant with parabolic solar collector. Desalin. Water Treat. 2020, 193, 212–223. [Google Scholar] [CrossRef]
- Hemmatpour, K.; Ghasemiasl, R.; Javadi, M.A. Time-Transient Optimization of Electricity and Fresh Water Cogeneration Cycle Using Gas Fuel and Solar Energy. Mathematics 2023, 11, 571. [Google Scholar] [CrossRef]
- Javadi, M.A.; Khodabakhshi, S.; Ghasemiasl, R.; Jabery, R. Sensivity analysis of a multi-generation system based on a gas/hydrogen-fueled gas turbine for producing hydrogen, electricity and fresh water. Energy Convers. Manag. 2022, 252, 115085. [Google Scholar] [CrossRef]
- Ghasemiasl, R.; Javadi, M.A.; Nezamabadi, M.; Sharifpur, M. Exergetic and economic optimization of a solar-based cogeneration system applicable for desalination and power production. J. Therm. Anal. Calorim. 2021, 145, 993–1003. [Google Scholar] [CrossRef]
- Sharqawy, M.H.; Lienhard, J.H.; Zubair, S.M. Thermophysical properties of seawater: A review of existing correlations and data. Desalin. Water Treat. 2010, 16, 354–380. [Google Scholar] [CrossRef]
- Abusoglu, A.; Kanoglu, M. Exergoeconomic analysis and optimization of combined heat and power production: A review. Renew. Sust. Energ. Rev. 2009, 13, 2295–2308. [Google Scholar] [CrossRef]
- Lazzaretto, A.; Tsatsaronis, G. SPECO: A systematic and general methodology for calculating efficiencies and costs in thermal systems. Energy 2006, 31, 1257–1289. [Google Scholar] [CrossRef]
- Mohammadkhani, F.; Khalilarya, S.; Mirzaee, I. Exergy and exergoeconomic analysis and optimization of diesel engine based Combined Heat and Power (CHP) system using genetic algorithm. Int. J. Exergy 2013, 12, 139–161. [Google Scholar] [CrossRef]
- Habibi, H.; Zoghi, M.; Chitsaz, A.; Shamsaiee, M. Thermo-economic performance evaluation and multi-objective optimization of a screw expander-based cascade Rankine cycle integrated with parabolic trough solar collector. Appl. Therm. Eng. 2020, 180, 115827. [Google Scholar] [CrossRef]
- Jenkins, S. Chemical Engineering Plant Cost Index Annual Average 2020. Available online: http://www.chemengonline.com/pci-home (accessed on 18 April 2022).
- Mohammed, R.H.; Ibrahim, M.M.; Abu-Heiba, A. Exergoeconomic and multi-objective optimization analyses of an organic Rankine cycle integrated with multi-effect desalination for electricity, cooling, heating power, and fresh water production. Energy Convers. Manag. 2021, 231, 113826. [Google Scholar] [CrossRef]
- Bejan, A.; Tsatsaronis, G.; Moran, M.J. Thermal Design and Optimization; John Wiley & Sons: Hoboken, NJ, USA, 1996. [Google Scholar]







| Item | Fuel Exergy | Product Exergy | Cost Balances | Auxiliary Equations |
|---|---|---|---|---|
| TVC | ||||
| Effect 1 | ||||
| Effect 2 | ||||
| Effect 3 | ||||
| Effect 4 | ||||
| Condenser | ||||
| PumpSW | ||||
| PumpP | ||||
| PumpCond | ||||
| PumpB |
| Parameter | Reference [9] | Present Model |
|---|---|---|
| Inputs | ||
| Number of effects | 4 | 4 |
| Motive pressure (kPa) | 2300 | 2300 |
| Top brine temperature (°C) | 60.1 | 60.1 |
| Last brine temperature (°C) | 45.4 | 45.4 |
| Seawater temperature (°C) | 31.5 | 31.5 |
| Feed temperature (°C) | 41.5 | 41.5 |
| Feed content (g/kg) | 35 | 35 |
| Brine content (g/kg) | 53 | 53 |
| Motive steam flow rate (kg/s) | 8.89 | 8.89 |
| Outputs | ||
| Distillate production, D (kg/s) | 56.12 | 59.9 |
| Gain output ratio (GOR) | 6.31 | 6.73 |
| Specific cooling seawater flow () | 6.7 | 7.4 |
| Specific heat consumption (SHC = 2330/GOR) | 369.3 | 346.2 |
| Parameter | Value |
|---|---|
| Cooling seawater temperature (°C) | 31.5 |
| Feed seawater temperature (°C) | 41.5 |
| Top brine temperature (°C) | 60.5 |
| Motive pressure (kPa) | 2300 |
| Motive steam flow rate (kg/s) | 8.8 |
| Number of effects | 4 |
| Interest rate (%) | 5 |
| System lifetime (yr) | 20 |
| Annual system operating hours (h) | 7884 |
| Specific labor cost (USD/m3) | 0.05 a |
| specific chemical cost (USD/m3) | 0.025 a |
| Specific steam cost (USD/m3) | 1.28 a |
| electrical energy cost (USD/kWh) | 0.08 a |
| Item | (kW) | (kW) | (kW) | (%) |
|---|---|---|---|---|
| TVC | 2813.3 | 1082.5 | 1730.8 | 40.7 |
| Effect | 3925.5 | 3314.1 | 1946.3 | 45.8 |
| Condenser | 670.2 | 288.7 | 381.5 | 8.9 |
| Pumpsw | 170.2 | 20.2 | 150.0 | 3.5 |
| Pumpp | 34.9 | 2.3 | 32.6 | 0.8 |
| PumpB | 32.5 | 29.7 | 2.8 | 0.1 |
| PumpCond | 4.4 | 0.9 | 3.5 | 0.1 |
| Item | (USD/h) | (USD/h) | (%) |
|---|---|---|---|
| TVC | 0.7 | 28.6 | 2.4 |
| Effects | 72.4 | 217.3 | 24.9 |
| Condenser | 7.7 | 81.7 | 8.6 |
| Pumpsw | 0.2 | 13.2 | 1.5 |
| Pumpp | 0.2 | 2.5 | 7.4 |
| PumpB | 0.3 | 0.2 | 60 |
| PumpCond | 0.01 | 0.3 | 3.2 |
Disclaimer/Publisher’s Note: The statements, opinions and data contained in all publications are solely those of the individual author(s) and contributor(s) and not of MDPI and/or the editor(s). MDPI and/or the editor(s) disclaim responsibility for any injury to people or property resulting from any ideas, methods, instructions or products referred to in the content. |
© 2023 by the authors. Licensee MDPI, Basel, Switzerland. This article is an open access article distributed under the terms and conditions of the Creative Commons Attribution (CC BY) license (https://creativecommons.org/licenses/by/4.0/).
Share and Cite
Fergani, Z.; Triki, Z.; Menasri, R.; Tahraoui, H.; Kebir, M.; Amrane, A.; Moula, N.; Zhang, J.; Mouni, L. Analysis of Desalination Performance with a Thermal Vapor Compression System. Water 2023, 15, 1225. https://doi.org/10.3390/w15061225
Fergani Z, Triki Z, Menasri R, Tahraoui H, Kebir M, Amrane A, Moula N, Zhang J, Mouni L. Analysis of Desalination Performance with a Thermal Vapor Compression System. Water. 2023; 15(6):1225. https://doi.org/10.3390/w15061225
Chicago/Turabian StyleFergani, Zineb, Zakaria Triki, Rabah Menasri, Hichem Tahraoui, Mohammed Kebir, Abdeltif Amrane, Nassim Moula, Jie Zhang, and Lotfi Mouni. 2023. "Analysis of Desalination Performance with a Thermal Vapor Compression System" Water 15, no. 6: 1225. https://doi.org/10.3390/w15061225
APA StyleFergani, Z., Triki, Z., Menasri, R., Tahraoui, H., Kebir, M., Amrane, A., Moula, N., Zhang, J., & Mouni, L. (2023). Analysis of Desalination Performance with a Thermal Vapor Compression System. Water, 15(6), 1225. https://doi.org/10.3390/w15061225

