HYPER: Computer-Assisted Optimal Pump-as-Turbine (PAT) Selection for Microhydropower Generation and Pressure Regulation in a Water Distribution Network (WDN)
Abstract
1. Introduction
2. Materials and Methods
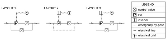
2.1. PAT Layout
2.2. PAT Operating Model
2.3. PAT Selection
2.4. Cost Analysis
- The cost of PAT and generator () was calculated as (EUR), as expressed by Novara et al. [21], where is in L/s and in m;
- The cost of civil works is assumed to be 30% of (EUR) [1];
- The PRV cost calculated as (EUR) is derived by analyzing the costs associated with the valve nominal diameters from the manufacturer catalogue [22] with expressed in mm. In the present paper, the nominal diameters of the valves were set equal to 200 mm;
- Frequency converter: computed as (EUR) in accordance with Saidur et al. [23], where is in kW.
3. HYPER v1.0
- 1.
- Importing data from a file with a .txt or .xlsx extension and defining the pattern of available flow discharge and available head drop. The user-selectable value for the time step unit should be entered in the appropriate field for correct computation.
- 2.
- Selecting the PAT layout and setting the domain range in terms of and to find the optimal solution and plot the graphic domain. If the user does not set the extremal values of the and , the app sets default minimum and maximum values, which are, respectively, 20% of the average of (or ) and 250% of the average of (or ) for (or ). These default values are set so as to find the solution in the zone with maximum energy production.
- 3.
- Setting the domain step for brute-force search.
- 4.
- Running the search and waiting for the result. The computational time depends on the machine, the domain range, and the domain step: the larger the domain range and the denser the domain steps, the greater the computational time.
4. Application
5. Results
6. Sensitivity Analysis
7. Conclusions
Author Contributions
Funding
Data Availability Statement
Conflicts of Interest
References
- Fontana, N.; Giugni, M.; Portolano, D. Losses Reduction and Energy Production in Water-Distribution Networks. J. Water Resour. Plan. Manag. 2012, 138, 237–244. [Google Scholar] [CrossRef]
- Jafari, R.; Khanjani, M.J.; Esmaeilian, H.R. Pressure Management and Electric Power Production Using Pumps as Turbines. J. Am. Water Works Assoc. 2015, 107, E351–E363. [Google Scholar] [CrossRef]
- Giugni, M.; Fontana, N.; Ranucci, A. Optimal Location of PRVs and Turbines in Water Distribution Systems. J. Water Resour. Plan. Manag. 2014, 140, 06014004. [Google Scholar] [CrossRef]
- Fontana, N.; Giugni, M.; Glielmo, L.; Marini, G. Real Time Control of a Prototype for Pressure Regulation and Energy Production in Water Distribution Networks. J. Water Resour. Plan. Manag. 2016, 142, 04016015. [Google Scholar] [CrossRef]
- Williams, A. Pumps as Turbines: A User’s Guide; ITDG: London, UK, 1996. [Google Scholar]
- Fontana, N.; Marini, G.; Creaco, E. Comparison of PAT Installation Layouts for Energy Recovery from Water Distribution Networks. J. Water Resour. Plan. Manag. 2021, 147, 04021083. [Google Scholar] [CrossRef]
- Nautiyal, H.; Varun; Kumar, A. Reverse Running Pumps Analytical, Experimental and Computational Study: A Review. Renew. Sustain. Energy Rev. 2010, 14, 2059–2067. [Google Scholar] [CrossRef]
- Sharma, K.R. Small Hydroelectric Project-Use of Centrifugal Pumps as Turbines; Kirloskar Electric: New Delhi, India, 1985. [Google Scholar]
- Derakhshan, S.; Nourbakhsh, A. Experimental Study of Characteristic Curves of Centrifugal Pumps Working as Turbines in Different Specific Speeds. Exp. Therm. Fluid Sci. 2008, 32, 800–807. [Google Scholar] [CrossRef]
- Pugliese, F.; De Paola, F.; Fontana, N.; Giugni, M.; Marini, G. Experimental Characterization of Two Pumps As Turbines for Hydropower Generation. Renew. Energy 2016, 99, 180–187. [Google Scholar] [CrossRef]
- Carravetta, A.; del Giudice, G.; Fecarotta, O.; Ramos, H. PAT Design Strategy for Energy Recovery in Water Distribution Networks by Electrical Regulation. Energies 2013, 6, 411–424. [Google Scholar] [CrossRef]
- Lima, G.M.; Luvizotto, E.; Brentan, B.M. Selection and Location of Pumps as Turbines Substituting Pressure Reducing Valves. Renew. Energy 2017, 109, 392–405. [Google Scholar] [CrossRef]
- Mitrovic, D.; Morillo, J.G.; Rodríguez Díaz, J.A.; Mc Nabola, A. Optimization-Based Methodology for Selection of Pump-as-Turbine in Water Distribution Networks: Effects of Different Objectives and Machine Operation Limits on Best Efficiency Point. J. Water Resour. Plan. Manag. 2021, 147, 04021019. [Google Scholar] [CrossRef]
- Stefanizzi, M.; Capurso, T.; Balacco, G.; Binetti, M.; Torresi, M.; Camporeale, S.M. Pump as Turbine for Throttling Energy Recovery in Water Distribution Networks. AIP Conf. Proc. 2019, 2191, 020142. [Google Scholar]
- Alberizzi, J.C.; Renzi, M.; Nigro, A.; Rossi, M. Study of a Pump-as-Turbine (PaT) Speed Control for a Water Distribution Network (WDN) in South-Tyrol Subjected to High Variable Water Flow Rates. Energy Procedia 2018, 148, 226–233. [Google Scholar] [CrossRef]
- Creaco, E.; Walski, T. Economic Analysis of Pressure Control for Leakage and Pipe Burst Reduction. J. Water Resour. Plan. Manag. 2017, 143, 04017074. [Google Scholar] [CrossRef]
- ABB (Asea Brown Boveri). ABB Industrial Drives Technical Catalogue; ABB: Zurich, Switzerland, 2007. [Google Scholar]
- Chapallaz, J.-M.; Eichenberger, P.; Fischer, G. Manual on Pumps Used as Turbines; Deutsche Gesellschaft fuer Technische Zusammenarbeit GmbH (GTZ): Eschborn, Germany, 1992. [Google Scholar]
- Fontana, N.; Marini, G. A Methodology to Assess Optimal Operation of a Prototype for Pressure Regulation and Hydropower Generation. J. Water Resour. Plan. Manag. 2021, 147, 04021088. [Google Scholar] [CrossRef]
- D.M. 04.07.2019; Incentivazione Dell’energia Elettrica Prodotta Dagli Impianti Eolici on Shore, Solari Fotovoltaici, Idroelettrici e a Gas Residuati Dei Processi Di Depurazione. Available online: https://www.gazzettaufficiale.it/eli/id/2019/08/09/19A05099/sg (accessed on 2 August 2022).
- Novara, D.; Carravetta, A.; McNabola, A.; Ramos, H.M. Cost Model for Pumps as Turbines in Run-of-River and In-Pipe Microhydropower Applications. J. Water Resour. Plan. Manag. 2019, 145, 04019012. [Google Scholar] [CrossRef]
- Saint-Gobain PAM Italia S.p.A Soluzioni Complete in Ghisa Sferoidale per Il Ciclo Idrico Integrato Apparecchiature Idrauliche. September 2021. Available online: https://www.pamline.it/sites/pamline_it/files/apparecchiature_idrauliche.pdf (accessed on 2 August 2022).
- Saidur, R.; Mekhilef, S.; Ali, M.B.; Safari, A.; Mohammed, H.A. Applications of Variable Speed Drive (VSD) in Electrical Motors Energy Savings. Renew. Sustain. Energy Rev. 2012, 16, 543–550. [Google Scholar] [CrossRef]
- De Marchis, M.; Fontanazza, C.M.; Freni, G.; Messineo, A.; Milici, B.; Napoli, E.; Notaro, V.; Puleo, V.; Scopa, A. Energy Recovery in Water Distribution Networks. Implementation of Pumps as Turbine in a Dynamic Numerical Model. Procedia Eng. 2014, 70, 439–448. [Google Scholar] [CrossRef]
- Marini, G.; Maio, M.; Di Menna, F.; Pugliese, F.; De Paola, F.; Fontana, N. Innovative Approach for Selection of Pump as Turbine in Water Distribution Network. Environ. Sci. Proc. 2022, 21, 25. [Google Scholar] [CrossRef]










| Scenario | Demand Pattern | Source Head |
|---|---|---|
| S1 | Smooth | Large |
| S2 | Peaked | Large |
| S3 | Smoot | Small |
| S4 | Peaked | Small |
| Scenario | Lay 1 | Lay 2 | Lay 3 | |||||||||
|---|---|---|---|---|---|---|---|---|---|---|---|---|
| Qtb | Htb | E | Qtb | Htb | E | Qtb | Htb | E | ||||
| (L/s) | (m) | (-) | (kWh/Day) | (L/s) | (m) | (-) | (kWh/Day) | (L/s) | (m) | (-) | (kWh/Day) | |
| S1 | 58.95 | 72.50 | 0.80 | 706.13 | 79.25 | 112.45 | 0.79 | 696.32 | 73.25 | 108.00 | 0.81 | 711.27 |
| S2 | 101.00 | 69.05 | 0.54 | 453.94 | 175.25 | 96.35 | 0.48 | 405.03 | 125.10 | 93.40 | 0.55 | 465.01 |
| S3 | 58.95 | 13.40 | 0.79 | 129.48 | 81.25 | 21.40 | 0.78 | 127.04 | 74.10 | 20.50 | 0.80 | 130.65 |
| S4 | 101.00 | 10.00 | 0.41 | 53.89 | 176.50 | 9.00 | 0.29 | 37.60 | 104.25 | 11.40 | 0.45 | 58.23 |
| Layout | Scenario | Pump ID | (L/s) | (m) | (-) | (L/s) | (m) | (EUR) | (-) | (kWh/Day) |
|---|---|---|---|---|---|---|---|---|---|---|
| LAY1 | S1 | e-NSC 80-250/450 | 55.75 | 61.37 | 0.82 | 65.47 | 78.10 | 186,429.11 | 0.65 | 565.42 |
| S2 | e-NSC 100-200/550 | 81.33 | 55.47 | 0.85 | 92.97 | 67.80 | 92,633.90 | 0.43 | 365.69 | |
| S3 | e-NSC 125-250/75 | 55.07 | 11.38 | 0.85 | 63.01 | 13.93 | 5893.60 | 0.66 | 108.17 | |
| S4 | \ | \ | \ | \ | \ | \ | \ | \ | ||
| LAY2 | S1 | e-NSC 80-250/370 | 54.42 | 51.68 | 0.81 | 64.67 | 66.95 | 155,113.54 | 0.56 | 490.73 |
| S2 | e-NSC 150-400/550 | 115.50 | 35.41 | 0.84 | 132.29 | 43.40 | 24,758.57 | 0.28 | 232.81 | |
| S3 | \ | \ | \ | \ | \ | \ | \ | \ | ||
| S4 | \ | \ | \ | \ | \ | \ | \ | \ | ||
| LAY3 | S1 | e-NSC 80-250/550 | 58.84 | 70.33 | 0.82 | 68.76 | 88.85 | 167,927.10 | 0.66 | 576.86 |
| S2 | e-NSC 100-200/550 | 81.33 | 55.47 | 0.85 | 92.97 | 67.80 | 71,636.76 | 0.43 | 366.60 | |
| S3 | e-NSC 125-250/75 | 55.07 | 11.38 | 0.85 | 63.01 | 13.93 | 43.22 | 0.65 | 106.83 | |
| S4 | \ | \ | \ | \ | \ | \ | \ | \ |
Disclaimer/Publisher’s Note: The statements, opinions and data contained in all publications are solely those of the individual author(s) and contributor(s) and not of MDPI and/or the editor(s). MDPI and/or the editor(s) disclaim responsibility for any injury to people or property resulting from any ideas, methods, instructions or products referred to in the content. |
© 2023 by the authors. Licensee MDPI, Basel, Switzerland. This article is an open access article distributed under the terms and conditions of the Creative Commons Attribution (CC BY) license (https://creativecommons.org/licenses/by/4.0/).
Share and Cite
Marini, G.; Di Menna, F.; Maio, M.; Fontana, N. HYPER: Computer-Assisted Optimal Pump-as-Turbine (PAT) Selection for Microhydropower Generation and Pressure Regulation in a Water Distribution Network (WDN). Water 2023, 15, 2807. https://doi.org/10.3390/w15152807
Marini G, Di Menna F, Maio M, Fontana N. HYPER: Computer-Assisted Optimal Pump-as-Turbine (PAT) Selection for Microhydropower Generation and Pressure Regulation in a Water Distribution Network (WDN). Water. 2023; 15(15):2807. https://doi.org/10.3390/w15152807
Chicago/Turabian StyleMarini, Gustavo, Francesco Di Menna, Marco Maio, and Nicola Fontana. 2023. "HYPER: Computer-Assisted Optimal Pump-as-Turbine (PAT) Selection for Microhydropower Generation and Pressure Regulation in a Water Distribution Network (WDN)" Water 15, no. 15: 2807. https://doi.org/10.3390/w15152807
APA StyleMarini, G., Di Menna, F., Maio, M., & Fontana, N. (2023). HYPER: Computer-Assisted Optimal Pump-as-Turbine (PAT) Selection for Microhydropower Generation and Pressure Regulation in a Water Distribution Network (WDN). Water, 15(15), 2807. https://doi.org/10.3390/w15152807

