Study on Facile and Full-Scale Reuse Treatment of Wastewater Produced from Tail Gas Oxidation-Absorption Technology of Natural Gas Purification Plant
Abstract
1. Introduction
2. Materials and Methods
2.1. Materials
2.2. Facile and Full-Scale Treatment System for Reusing the Produced Wastewater
2.3. Analytical Methods
2.4. Characterizations
3. Results and Discussion
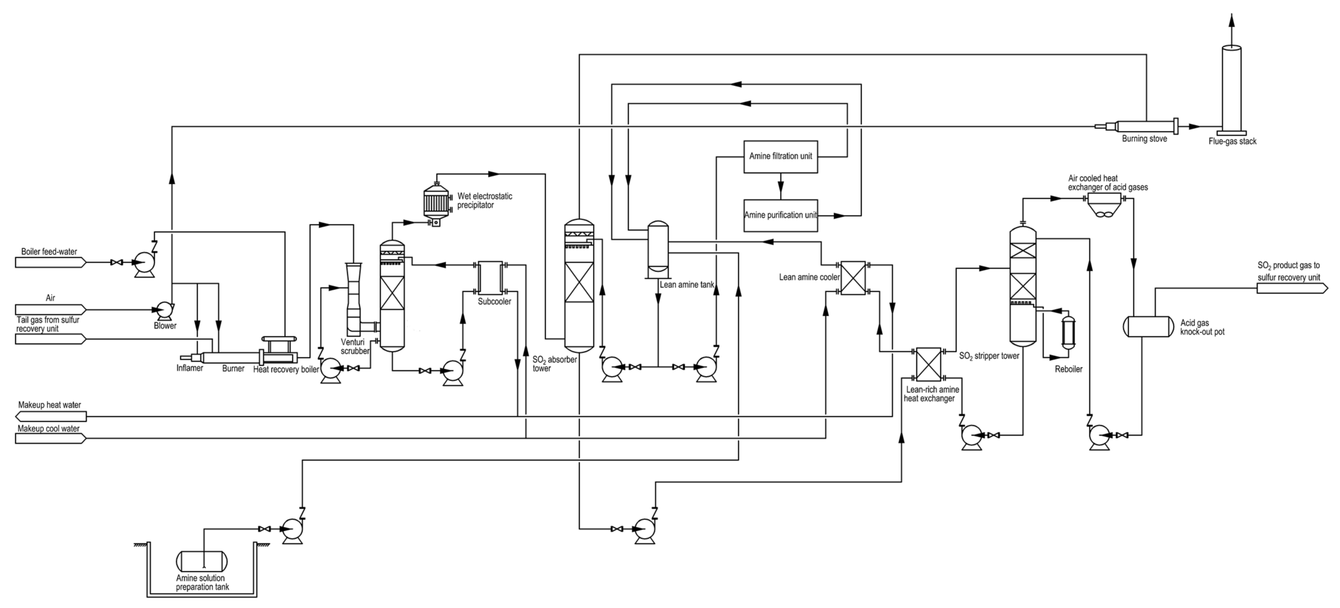
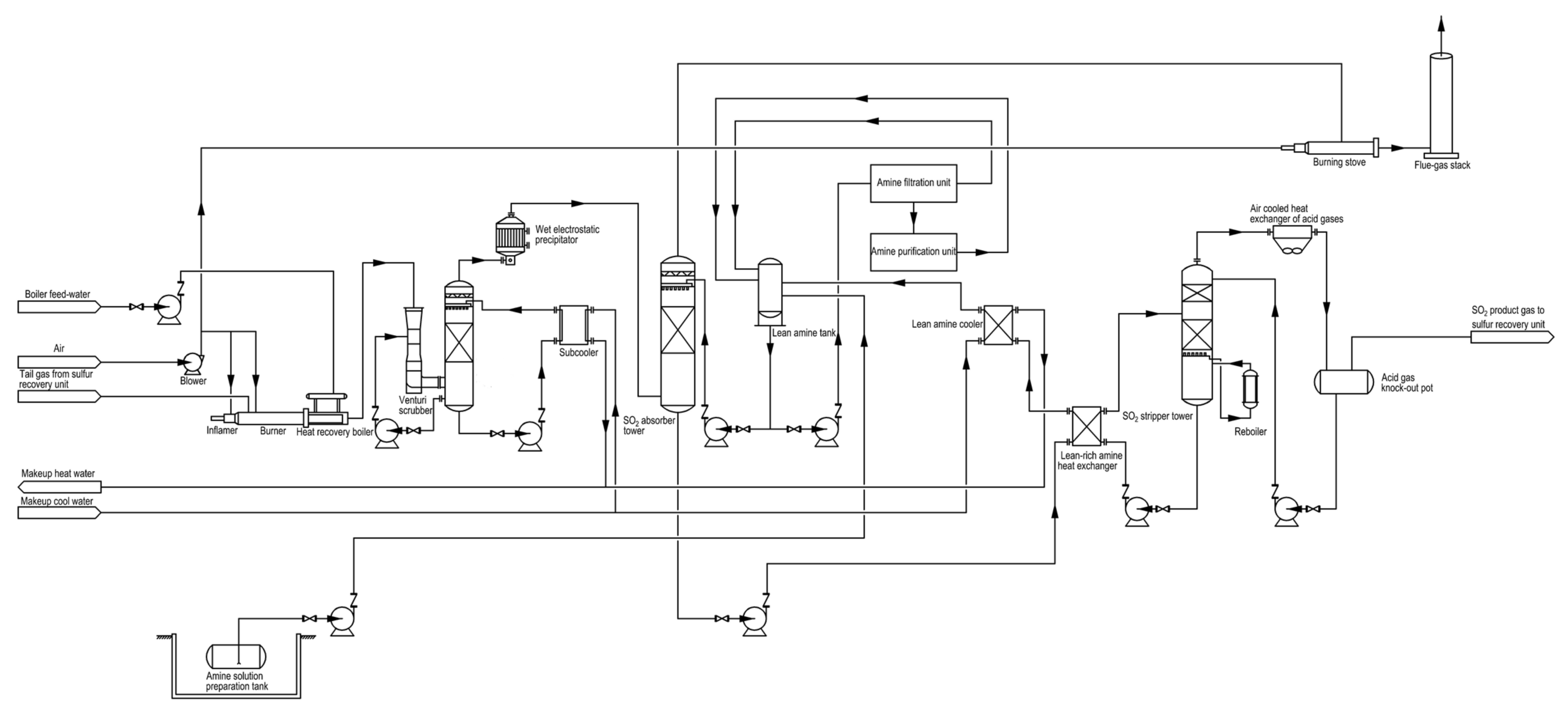
3.1. Oxidation-Absorption Technology of Tail Gas from Natural Gas Purification Plant
3.2. Wastewater Produced by the Oxidation-Absorption Technology
3.3. Facile and Full-Scale Reuse Treatment of the Produced Wastewater
3.3.1. Performance of DTRO Treatment
3.3.2. Performance of Evaporation Desalination
3.3.3. Water Reuse Analysis
3.4. Pollutant Migration Mechanism during Reuse Treatment Process
4. Conclusions
Supplementary Materials
Author Contributions
Funding
Data Availability Statement
Acknowledgments
Conflicts of Interest
References
- Sun, J.; Sun, X. China’s natural gas reform: Why and how. Energy Sources Part B 2018, 13, 176–182. [Google Scholar] [CrossRef]
- Ma, L.; Geng, J.; Li, W.; Liu, P.; Li, Z. The development of natural gas as an automotive fuel in China. Energy Policy 2013, 62, 531–539. [Google Scholar] [CrossRef]
- Brown, M.; Siddiqui, S.; Avraam, C.; Bistline, J.; Decarolis, J.; Eshraghi, H.; Giarola, S.; Hansen, M.; Johnston, P.; Khanal, S.; et al. North American energy system responses to natural gas price shocks. Energy Policy 2021, 149, 112046. [Google Scholar] [CrossRef]
- Subramaniam, R.; Yasa, S.; Bertrand, T.; Fontenot, B.; Dupuis, T.F.; Hernandez, R. Advanced simulation of H2S scavenging process with triazine at different depths of gas well. J. Nat. Gas Sci. Eng. 2018, 49, 417–427. [Google Scholar] [CrossRef]
- Shoukat, U.; Pinto, D.D.D.; Knuutila, H.K. Study of various aqueous and non-aqueous amine blends for hydrogen sulfide removal from natural gas. Processes 2019, 7, 160. [Google Scholar] [CrossRef]
- Doujaiji, B.; Al-Tawfiq, J.A. Hydrogen sulfide exposure in an adult male. Ann. Saudi Med. 2010, 30, 76–80. [Google Scholar] [CrossRef]
- Amosa, M.; Mohammed, I.; Yaro, S. Sulphide scavengers in oil and gas industry—A review. Nafta 2010, 61, 85–92. [Google Scholar]
- Mandal, B.P.; Biswas, A.K.; Bandyopadhyay, S.S. Selective absorption of H2S from gas streams containing H2S and CO2 into aqueous solutions of N-methyldiethanolamine and 2-amino-2-methyl-1-propanol. Sep. Purif. Technol. 2004, 35, 191–202. [Google Scholar] [CrossRef]
- Huttenhuis, P.J.G.; Agrawal, N.J.; Hogendoorn, J.A.; Versteeg, G.F. Gas solubility of H2S and CO2 in aqueous solutions of N-methyldiethanolamine. J. Pet. Sci. Eng. 2007, 55, 122–134. [Google Scholar] [CrossRef]
- Abdulrahman, R.K.; Sebastine, I.M. Natural gas sweetening process simulation and optimization: A case study of Khurmala field in Iraqi Kurdistan region. J. Nat. Gas Sci. Eng. 2013, 14, 116–120. [Google Scholar] [CrossRef]
- Elmawgoud, H.A.; Elshiekh, T.M.; Khalil, S.A.; Alsabagh, A.M.; Tawfik, M. Modeling of hydrogen sulfide removal from Petroleum production facilities using H2S scavenger. Egypt. J. Pet. 2015, 24, 131–137. [Google Scholar] [CrossRef]
- Schmidt, R.; Cross, J.B.; Latimer, E.G. Tail-gas cleanup by simultaneous SO2 and H2S removal. Energy Fuels 2009, 23, 3612–3616. [Google Scholar] [CrossRef]
- Abdulsalam, J.; Mulopoa, J.; Amosa, M.K.; Bada, S.; Falcon, R.; Oboirienf, B.O. Towards a cleaner natural gas production: Recent developments on purification technologies. Sep. Sci. Technol. 2019, 54, 2461–2497. [Google Scholar] [CrossRef]
- Malolan, R.; Gopinath, K.P.; Vo, D.V.N.; Jayaraman, R.S.; Adithya, S.; Ajay, P.S.; Arun, J. Green ionic liquids and deep eutectic solvents for desulphurization, denitrifcation, biomass, biodiesel, bioethanol and hydrogen fuels: A review. Environ. Chem. Lett. 2021, 19, 1001–15199. [Google Scholar] [CrossRef]
- Pudi, A.; Rezae, M.; Signorini, V.; Andersson, M.P.; Baschetti, M.G.; Mansouri, S.S. Hydrogen sulfide capture and removal technologies: A comprehensive review of recent developments and emerging trends. Sep. Purif. Technol. 2022, 298, 121448. [Google Scholar] [CrossRef]
- Zarei, S.; Ganji, H.; Sadi, M.; Rashidzadeh, M. Kinetic modeling and optimization of Claus reaction furnace. J. Nat. Gas Sci. Eng. 2016, 31, 747–757. [Google Scholar] [CrossRef]
- Zarei, S.; Ganji, H.; Sadi, M.; Rashidzadeh, M. Thermo-kinetic modeling and optimization of the sulfur recovery unit thermal stage. Appl. Therm. Eng. 2016, 103, 1095–1104. [Google Scholar] [CrossRef]
- Zarei, S. Life cycle assessment and optimization of Claus reaction furnace through kinetic modeling. Chem. Eng. Res. Des. 2019, 148, 75–85. [Google Scholar] [CrossRef]
- Zarei, S. A global reaction scheme for partial oxidation of pure H2S and H2S+CH4 mixtures in claus conditions. Energy Fuel 2017, 31, 6478–6492. [Google Scholar] [CrossRef]
- Zarei, S. Exergetic, energetic and life cycle assessments of the modified claus process. Energy 2020, 191, 116584. [Google Scholar] [CrossRef]
- Guo, H.; Wei, J.; Li, X.; Ho, H.C.; Song, Y.; Wu, J.; Li, W. Do socioeconomic factors modify the effects of PM1 and SO2 on lung cancer incidence in China? Sci. Total Environ. 2021, 756, 143998. [Google Scholar] [CrossRef]
- Zhu, L.; Zhang, Y.; Wu, Z.; Zhang, C. Spatio-temporal characteristics of SO2 across Weifang from 2008 to 2020. Int. J. Environ. Res. Public Health 2021, 18, 12206. [Google Scholar] [CrossRef]
- Sram, R.J. Impact of Air Pollution on the Health of the Population in Parts of the Czech Republic. Int. J. Environ. Res. Public Health 2020, 17, 6454. [Google Scholar] [CrossRef] [PubMed]
- Zhang, Q.; Sun, S.; Sui, X.; Ding, L.; Yang, M.; Li, C.; Zhang, C.; Zhang, X.; Hao, J.; Xu, Y.; et al. Associations between weekly air pollution exposure and congenital heart disease. Sci. Total Environ. 2021, 757, 143821. [Google Scholar] [CrossRef]
- Léveillé, V.; Claessens, T. Cansolv® SO2 scrubbing system: Review of commercial applications for smelter SO2 emissions control. J. S. Afr. I. Min. Metall. 2009, 109, 485–489. [Google Scholar]
- Song, X.; Min, H.; Zhao, L.; Fu, Q.; Zheng, W.; Wang, X.; Ding, X.; Liu, L.; Ji, M. The experience and development of the treatment technology of municipal solid waste leachate in China. Water 2022, 14, 2458. [Google Scholar] [CrossRef]
- Cingolani, D.; Fatone, F.; Frison, N.; Spinelli, M.; Eusebi, A.L. Pilot-scale multi-stage reverse osmosis (DT-RO) for water recovery from landfill leachate. Waste Manag. 2018, 76, 566–574. [Google Scholar] [CrossRef]
- Chung, S.; Seungjin Kim, S.; Kim, J.O.; Chung, J. Feasibility of combining reverse osmosis-ferrite process for reclamation of metal plating wastewater and recovery of heavy metals. Ind. Eng. Chem. Res. 2014, 53, 15192–15199. [Google Scholar] [CrossRef]
- Zhang, Z.W.; Wu, Y.H.; Luo, L.W.; Li, G.L.; Li, Y.B.; Hu, H.Y. Application of disk tube reverse osmosis in wastewater treatment: A review. Sci. Total. Environ. 2021, 792, 148291. [Google Scholar] [CrossRef]
- Gude, V.G.; Nirmalakhandan, N. Desalination at low temperatures and low pressures. Desalination 2009, 244, 39–247. [Google Scholar] [CrossRef]
- Natarajan, S.K.; Suraparaju, S.K.; Elavarasan, R.M. A review on low-temperature thermal desalination approach. Environ. Sci. Pollut. Res. 2022, 29, 32443–32466. [Google Scholar] [CrossRef]
- Huang, J.; Zhao, G.; Zhang, Y.; Wu, Z.; Tang, Q. Oil-based drilling cuttings from shale gas wells treated with CO2 switchable hydrophilic solvents: Priority pollutant migration and produced wastewater assessment. Water 2022, 14, 3433. [Google Scholar] [CrossRef]
- Lauzurique, Y.; Espinoza, L.C.; Huiliñir, C.; García, V.; Salazar, R. Anodic oxidation of industrial winery wastewater using different anodes. Water 2022, 12, 95. [Google Scholar] [CrossRef]
- APHA (American Public Health Association). Standard Methods for the Examination of Water and Wastewater, 20th ed.; American Public Health Association, American Water Works Association, Water Environment Federation: Washington, DC, USA, 1998. [Google Scholar]
- Song, C.; Liu, Q.; Ji, N.; Deng, S.; Zhao, J.; Kitamura, Y. Natural gas purification by heat pump assisted MEA absorption process. Appl. Energy 2017, 204, 353–361. [Google Scholar] [CrossRef]














Disclaimer/Publisher’s Note: The statements, opinions and data contained in all publications are solely those of the individual author(s) and contributor(s) and not of MDPI and/or the editor(s). MDPI and/or the editor(s) disclaim responsibility for any injury to people or property resulting from any ideas, methods, instructions or products referred to in the content. |
© 2023 by the authors. Licensee MDPI, Basel, Switzerland. This article is an open access article distributed under the terms and conditions of the Creative Commons Attribution (CC BY) license (https://creativecommons.org/licenses/by/4.0/).
Share and Cite
Tang, Q.; Li, J.; Fu, J.; Lin, D.; Yi, C.; Zhao, L.; Zeng, Q.; Hu, C. Study on Facile and Full-Scale Reuse Treatment of Wastewater Produced from Tail Gas Oxidation-Absorption Technology of Natural Gas Purification Plant. Water 2023, 15, 2259. https://doi.org/10.3390/w15122259
Tang Q, Li J, Fu J, Lin D, Yi C, Zhao L, Zeng Q, Hu C. Study on Facile and Full-Scale Reuse Treatment of Wastewater Produced from Tail Gas Oxidation-Absorption Technology of Natural Gas Purification Plant. Water. 2023; 15(12):2259. https://doi.org/10.3390/w15122259
Chicago/Turabian StyleTang, Quanwu, Jing Li, Jingqiang Fu, Dong Lin, Chang Yi, Liang Zhao, Qiang Zeng, and Chao Hu. 2023. "Study on Facile and Full-Scale Reuse Treatment of Wastewater Produced from Tail Gas Oxidation-Absorption Technology of Natural Gas Purification Plant" Water 15, no. 12: 2259. https://doi.org/10.3390/w15122259
APA StyleTang, Q., Li, J., Fu, J., Lin, D., Yi, C., Zhao, L., Zeng, Q., & Hu, C. (2023). Study on Facile and Full-Scale Reuse Treatment of Wastewater Produced from Tail Gas Oxidation-Absorption Technology of Natural Gas Purification Plant. Water, 15(12), 2259. https://doi.org/10.3390/w15122259

