A New Low-Cost Technology Based on Pump as Turbines for Energy Recovery in Peripheral Water Networks Branches
Abstract
:1. Introduction
2. Materials and Methods
2.1. Case Study
- Energy recovery assessment in water networks [41];
- Analysis of the economic/environmental impact of the PAT technology in the AA [42];
- Development of support tools to enhance the implementation of projects based on energy recovery [46];
- Widespread dissemination of energy efficiency in the AA water networks [27].
2.2. Energy Booster Design and PAT Selection
- 1.
- The available power on site is too low for allowing additional costs for civil waterworks;
- 2.
- The working conditions are too severe to operate with electromechanical components directly placed in the existing manhole;
- 3.
- The power plant noise can be an issue for the presence of a close urbanized area;
- 4.
- The flow rate distribution is too wide to operate with a single PAT;
- 5.
- An electric regulation of the plant is not recommended for the motors of submersible pumps used as PATs, in absence of high cost electronic filters;
- 6.
- The cost limitation issue does not allow a full implementation of the hydraulic regulation;
- 7.
- Compared to the available discharge, the head drop is too high to operate with a single stage pump.
- 1.
- PAT A off, PAT B off, bypass open
- 2.
- PAT A on, PAT B off, bypass closed
- 3.
- PAT A on, PAT B off, bypass open
- 4.
- PAT A off, PAT B on, bypass closed
- 5.
- PAT A off, PAT B on, bypass open
- 6.
- PAT A on, PAT B on, bypass closed
- 7.
- PAT A on, PAT B on, bypass open
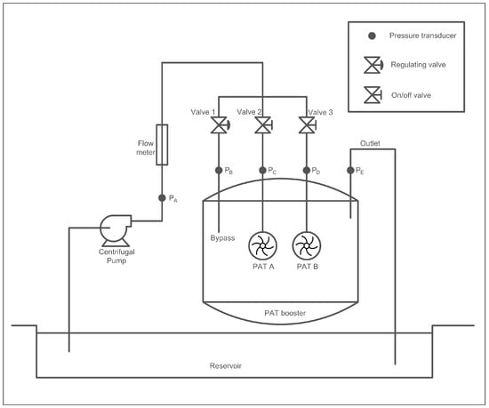
2.3. Design of the Experiments and Test Rig
- 1.
- PAT A on, PAT B off, Valve 2 open, Valves 1 and 3 closed
- 2.
- PAT A off, PAT B on, Valve 3 open, Valves 1 and 2 closed
- 3.
- PAT A on, PAT B on, Valves 2 and 3 open, Valve 1 closed
- 4.
- PAT A off, PAT B off, Valves 2 and 3 closed, Valve 1 open
3. Results
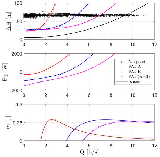
3.1. Experimental Results
3.2. Power Plant Regulation
- 1.
- PAT A mode: only the PAT A is on
- 2.
- PAT B mode: only the PAT B is on
- 3.
- PAT (A+B) mode: both PATs are on
- 4.
- Bypass mode: both PATs are off.
- 1.1 PAT A on, PAT B off and bypass closed
- 1.2 PAT A on and bypass valve regulation, PAT B closed
- 2.1 PAT B on, PAT A and bypass closed
- 2.2 PAT B on and bypass valve regulation, PAT A closed
- 3.1 PAT A and PAT B on, bypass closed
- 3.2 PAT A and PAT B on, bypass valve regulation.
- 4.0 PAT A and PAT B closed, bypass open
4. Discussion
5. Conclusions
Author Contributions
Funding
Institutional Review Board Statement
Informed Consent Statement
Data Availability Statement
Conflicts of Interest
References
- Olsson, G. Water, energy and food interactions-Challenges and opportunities. Front. Environ. Sci. Eng. 2013, 7, 787–793. [Google Scholar] [CrossRef]
- Nhamo, L.; Mabhaudhi, T.; Mpandeli, S.; Dickens, C.; Nhemachena, C.; Senzanje, A.; Naidoo, D.; Liphadzi, S.; Modi, A.T. An integrative analytical model for the water-energy-food nexus: South Africa case study. Environ. Sci. Policy 2020, 109, 15–24. [Google Scholar] [CrossRef]
- Cansino-Loeza, B.; Ponce-Ortega, J.M. Sustainable assessment of Water-Energy-Food Nexus at regional level through a multi-stakeholder optimization approach. J. Clean. Prod. 2021, 290, 125194. [Google Scholar] [CrossRef]
- Mishra, B.K.; Kumar, P.; Saraswat, C.; Chakraborty, S.; Gautam, A. Water security in a changing environment: Concept, challenges and solutions. Water 2021, 13, 490. [Google Scholar] [CrossRef]
- Gallagher, J.; Basu, B.; Browne, M.; Kenna, A.; McCormack, S.; Pilla, F.; Styles, D. Adapting Stand-Alone Renewable Energy Technologies for the Circular Economy through Eco-Design and Recycling. J. Ind. Ecol. 2017, 23, 133–140. [Google Scholar] [CrossRef] [Green Version]
- Colombo, A.F.; Karney, B.W. Energy and Costs of Leaky Pipes: Toward Comprehensive Picture. J. Water Resour. Plan. Manag. 2002, 128. [Google Scholar] [CrossRef] [Green Version]
- Xue, X.; Hawkins, T.; Schoen, M.; Garland, J.; Ashbolt, N. Comparing the Life Cycle Energy Consumption, Global Warming and Eutrophication Potentials of Several Water and Waste Service Options. Water 2016, 8, 154. [Google Scholar] [CrossRef] [Green Version]
- Salmoral, G.; Zegarra, E.; Vázquez-Rowe, I.; González, F.; del Castillo, L.; Saravia, G.R.; Graves, A.; Rey, D.; Knox, J.W. Water-related challenges in nexus governance for sustainable development: Insights from the city of Arequipa, Peru. Sci. Total Environ. 2020, 747, 141114. [Google Scholar] [CrossRef]
- McNabola, A.; Coughlan, P.; Corcoran, L.; Power, C.; Williams, A.P.; Harris, I.; Gallagher, J.; Styles, D. Energy recovery in the water industry using micro-hydropower: An opportunity to improve sustainability. Water Policy 2014, 16, 168–183. [Google Scholar] [CrossRef]
- Bosco, C.; Campisano, A.; Modica, C.; Pezzinga, G. Application of rehabilitation and active pressure control strategies for leakage reduction in a case-study network. Water 2020, 12, 2215. [Google Scholar] [CrossRef]
- Schwaller, J.; van Zyl, J.E. Modeling the Pressure-Leakage Response of Water Distribution Systems Based on Individual Leak Behavior. J. Hydraul. Eng. 2014, 141, 1–8. [Google Scholar] [CrossRef]
- Berardi, L.; Giustolisi, O. Calibration of design models for leakage management of water distribution networks. Water Resour. Manag. 2021, 35, 2537–2551. [Google Scholar] [CrossRef]
- Kosucu, M.M.; Sari, O.; Demirel, M.C.; Kiran, S.; Yilmaz, A.; Aybakan, A.; Albay, E.; Ozgur Kirca, V.S. Water leakage reduction in the water distribution network with real time pressure management. Teknik Dergi/Tech. J. Turk. Chamb. Civil Eng. 2021, 32, 10541–10564. [Google Scholar] [CrossRef]
- Xu, Q.; Chen, Q.; Ma, J.; Blanckaert, K. Optimal pipe replacement strategy based on break rate prediction through genetic programming for water distribution network. J. Hydro-Environ. Res. 2013, 7, 134–140. [Google Scholar] [CrossRef]
- Creaco, E.; Pezzinga, G. Multiobjective optimization of pipe replacements and control valve installations for leakage attenuation in water distribution networks. J. Water Resour. Plan. Manag. 2015, 141, 04014059. [Google Scholar] [CrossRef]
- Molinos-Senante, M.; Villegas, A.; Maziotis, A. Measuring the marginal costs of reducing water leakage: The case of water and sewerage utilities in Chile. Environ. Sci. Pollut. Res. 2021, 28, 32733–32743. [Google Scholar] [CrossRef]
- Ferraiuolo, R.; Paola, F.D.; Fiorillo, D.; Caroppi, G.; Pugliese, F. Experimental and numerical assessment of water leakages in a PVC-A pipe. Water 2020, 12, 1804. [Google Scholar] [CrossRef]
- Cabrera, E.J.; Pardo, M.A.; Cobacho, R.; Cabrera, E.J. Energy Audit of Water Networks. J. Water Resour. Plan. Manag. 2010, 136, 669–677. [Google Scholar] [CrossRef]
- Khulief, Y.A.; Khalifa, A.; Mansour, R.B.; Habib, M.A. Acoustic Detection of Leaks in Water Pipelines Using Measurements inside Pipe. J. Pipeline Syst. Eng. Pract. 2012, 3, 47–54. [Google Scholar] [CrossRef]
- Pérez-Sánchez, M.; Sánchez-Romero, F.J.; Ramos, H.M.; López-Jiménez, P.A. Energy recovery in existing water networks: Towards greater sustainability. Water 2017, 9, 97. [Google Scholar] [CrossRef] [Green Version]
- Binama, M.; Su, W.T.; Li, X.B.; Li, F.C.; Wei, X.Z.; An, S. Investigation on pump as turbine (PAT) technical aspects for micro hydropower schemes: A state-of-the-art review. Renew. Sustain. Energy Rev. 2017, 79, 148–179. [Google Scholar] [CrossRef]
- Šavar, M.; Kozmar, H.; Sutlović, I. Improving centrifugal pump efficiency by impeller trimming. Desalination 2009, 249, 654–659. [Google Scholar] [CrossRef]
- Sperlich, A.; Pfeiffer, D.; Burgschweiger, J.; Campbell, E.; Beck, M.; Gnirss, R.; Ernst, M. Energy efficient operation of variable speed submersible pumps: Simulation of a ground water well field. Water 2018, 10, 1255. [Google Scholar] [CrossRef] [Green Version]
- Karadirek, I.E.; Kara, S.; Yilmaz, G.; Muhammetoglu, A.; Muhammetoglu, H. Implementation of Hydraulic Modelling for Water-Loss Reduction Through Pressure Management. Water Resour. Manag. 2012, 26, 2555–2568. [Google Scholar] [CrossRef]
- Jafari, R.; Khanjani, M.J.; Esmaeilian, H.R. Pressure management and electric power production using pumps as turbines. J. Am. Water Work. Assoc. 2015, 107, E351–E363. [Google Scholar] [CrossRef]
- Stokes, J.R.; Horvath, A.; Sturm, R. Water loss control using pressure management: Life-cycle energy and air emission effects. Environ. Sci. Technol. 2013, 47, 10771–10780. [Google Scholar] [CrossRef]
- Morani, M.C.; Carravetta, A.; Del Giudice, G.; McNabola, A.; Fecarotta, O. A comparison of energy recovery by PATs against direct variable speed pumping in water distribution networks. Fluids 2018, 3, 41. [Google Scholar] [CrossRef] [Green Version]
- Stefanizzi, M.; Capurso, T.; Balacco, G.; Torresi, M.; Binetti, M.; Piccinni, A.F.; Fortunato, B.; Camporeale, S.M. Preliminary assessment of a pump used as turbine in a water distribution network for the recovery of throttling energy. In Proceedings of the 13th European Turbomachinery Conference on Turbomachinery Fluid Dynamics and Thermodynamics, Lausanne, Switzerland, 8–12 April 2019. [Google Scholar]
- Muhammetoglu, A.; Nursen, C.; Karadirek, I.E.; Muhammetoglu, H. Evaluation of performance and environmental benefits of a full-scale pump as turbine system in Antalya water distribution network. Water Sci. Technol. Water Supply 2017, 17, ws2017087. [Google Scholar] [CrossRef]
- Capelo, B.; Pérez-Sánchez, M.; Fernandes, J.F.P.; Ramos, H.M.; López-Jiménez, P.A.; Branco, P.J. Electrical behaviour of the pump working as turbine in off grid operation. Appl. Energy 2017, 208, 302–311. [Google Scholar] [CrossRef]
- Motwani, K.H.; Jain, S.V.; Patel, R.N. Cost analysis of pump as turbine for pico hydropower plants—A case Study. Procedia Eng. 2013, 51, 721–726. [Google Scholar] [CrossRef] [Green Version]
- Venturini, M.; Alvisi, S.; Simani, S.; Manservigi, L. Energy production by means of pumps as turbines in water distribution networks. Energies 2017, 10, 1666. [Google Scholar] [CrossRef] [Green Version]
- Lin, T.; Zhu, Z.; Li, X.; Li, J.; Lin, Y. Theoretical, experimental, and numerical methods to predict the best efficiency point of centrifugal pump as turbine. Renew. Energy 2021, 168, 31–44. [Google Scholar] [CrossRef]
- Carravetta, A.; Del Giudice, G.; Fecarotta, O.; Ramos, H.H.M. Energy Production in Water Distribution Networks: A PAT Design Strategy. Water Resour. Manag. 2012, 26, 3947–3959. [Google Scholar] [CrossRef]
- Giosio, D.R.; Henderson, A.D.; Walker, J.M.; Brandner, P.A.; Sargison, J.E.; Gautam, P. Design and performance evaluation of a pump-as-turbine micro-hydro test facility with incorporated inlet flow control. Renew. Energy 2015, 78, 1–6. [Google Scholar] [CrossRef]
- Alberizzi, J.C.; Renzi, M.; Righetti, M.; Pisaturo, G.R.; Rossi, M. Speed and pressure controls of pumps-as-turbines installed in branch of water-distribution network subjected to highly variable flow rates. Energies 2019, 12, 4738. [Google Scholar] [CrossRef] [Green Version]
- Carravetta, A.; Fecarotta, O.; Ramos, H.M. A new low-cost installation scheme of PATs for pico hydropower to recover energy in residential areas. Renew. Energy 2018, 125, 1003–1014. [Google Scholar] [CrossRef]
- Rossi, M.; Nigro, A.; Pisaturo, G.R.; Renzi, M. Technical and economic analysis of Pumps-as-Turbines (PaTs) used in an Italian Water Distribution Network (WDN) for electrical energy production. Energy Procedia 2019, 158, 117–122. [Google Scholar] [CrossRef]
- Punys, P.; Dumbrauskas, A.; Kvaraciejus, A.; Vyciene, G. Tools for Small Hydropower Plant Resource Planning and Development: A Review of Technology and Applications. Energies 2011, 4, 1258–1277. [Google Scholar] [CrossRef] [Green Version]
- Madeira, F.C.; Fernandes, J.F.; Pérez-Sánchez, M.; López-Jiménez, P.A.; Ramos, H.M.; Costa Branco, P. Electro-hydraulic transient regimes in isolated pumps working as turbines with self-excited induction generators. Energies 2020, 13, 4521. [Google Scholar] [CrossRef]
- Ramos, H.M.; Morillo, J.G.; Diaz, J.A.R.; Carravetta, A.; McNabola, A. Sustainable water-energy nexus towards developing countries’ water sector efficiency. Energies 2021, 14, 3525. [Google Scholar] [CrossRef]
- Carravetta, A.; Del Giudice, G.; Fecarotta, O.; Gallagher, J.; Morani, M.C.; Ramos, H.M. The Potential Energy, Economic & Environmental Impacts of Hydro Power Pressure Reduction on the Water-Energy-Food Nexus. J. Water Resour. Plan. Manag. 2022, 148, 04022012. [Google Scholar]
- Cimorelli, L.; Fecarotta, O. Optimal Regulation of Variable Speed Pumps in Sewer Systems. In Proceedings of the 4th EWaS International Conference: Valuing the Water, Carbon, Ecological Footprints of Human Activities, Online, 24–27 June 2020; Environmental Sciences Proceedings. Volume 2, p. 58. [Google Scholar]
- Morani, M.C.; Carravetta, A.; D’Ambrosio, C.; Fecarotta, O. A new preliminary model to optimize PATs location in a water distribution network. In Proceedings of the 4th EWaS International Conference: Valuing the Water, Carbon, Ecological Footprints of Human Activities, Online, 24–27 June 2020; Environmental Sciences Proceedings. Volume 2, p. 57. [Google Scholar]
- Fecarotta, O.; Cimorelli, L. Optimal scheduling and control of a sewer pump under stochastic inflow pattern. Urban Water J. 2021, 18, 383–393. [Google Scholar] [CrossRef]
- Morani, M.C.; Carravetta, A.; Fecarotta, O.; McNabola, A. Energy transfer from the freshwater to the wastewater network using a PAT-equipped turbopump. Water 2020, 12, 38. [Google Scholar] [CrossRef] [Green Version]
- Adeyeye, K.; Gallagher, J.; McNabola, A.; Ramos, H.M.; Coughlan, P. Socio-technical viability framework for micro hydropower in group water-energy schemes. Energies 2021, 14, 4222. [Google Scholar] [CrossRef]
- Morani, M.C.; Simão, M.; Gazur, I.; Santos, R.S.; Carravetta, A.; Fecarotta, O.; Ramos, H.M. Pressure Drop and Energy Recovery with a New Centrifugal Micro-Turbine: Fundamentals and Application in a Real WDN. Energies 2022, 15, 1528. [Google Scholar] [CrossRef]













Publisher’s Note: MDPI stays neutral with regard to jurisdictional claims in published maps and institutional affiliations. |
© 2022 by the authors. Licensee MDPI, Basel, Switzerland. This article is an open access article distributed under the terms and conditions of the Creative Commons Attribution (CC BY) license (https://creativecommons.org/licenses/by/4.0/).
Share and Cite
Carravetta, A.; Del Giudice, G.; Fecarotta, O.; Morani, M.C.; Ramos, H.M. A New Low-Cost Technology Based on Pump as Turbines for Energy Recovery in Peripheral Water Networks Branches. Water 2022, 14, 1526. https://doi.org/10.3390/w14101526
Carravetta A, Del Giudice G, Fecarotta O, Morani MC, Ramos HM. A New Low-Cost Technology Based on Pump as Turbines for Energy Recovery in Peripheral Water Networks Branches. Water. 2022; 14(10):1526. https://doi.org/10.3390/w14101526
Chicago/Turabian StyleCarravetta, Armando, Giuseppe Del Giudice, Oreste Fecarotta, Maria Cristina Morani, and Helena M. Ramos. 2022. "A New Low-Cost Technology Based on Pump as Turbines for Energy Recovery in Peripheral Water Networks Branches" Water 14, no. 10: 1526. https://doi.org/10.3390/w14101526
APA StyleCarravetta, A., Del Giudice, G., Fecarotta, O., Morani, M. C., & Ramos, H. M. (2022). A New Low-Cost Technology Based on Pump as Turbines for Energy Recovery in Peripheral Water Networks Branches. Water, 14(10), 1526. https://doi.org/10.3390/w14101526

