An Experimental Method for Generating Shear-Free Turbulence Using Horizontal Oscillating Grids
Abstract
1. Introduction
2. Experimental Apparatus and Set-Up
2.1. Oscillating Grid System
2.2. PIV System
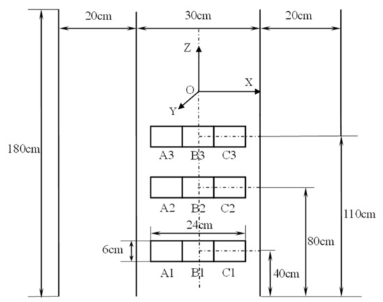
2.3. Experimental Set-Up
3. Results and Discussions
3.1. Data Statistics and Convergence
3.2. Region of Shear-Free Turbulence
3.3. Influence of Stroke and Frequency on Turbulent Intensity Level
4. Conclusions
- (1)
- The time-averaged mean flow velocities are homogeneously zero over the center of the water tank, and are negligible compared to the magnitude of the RMS velocities.
- (2)
- Driven by horizontal oscillation, ratios of u/w being about 1.5–2.0 are obtained in the center of the water tank, consistent with those in open-channel flows, and the turbulent intensity almost does not decay.
- (3)
- The integral length scale and Kolmogorov length scale cover the common sizes of the suspended particles in natural flow environments, and the dissipation rate range also agrees with the values found in natural environments.
- (4)
- The turbulent intensity level presents a linear relationship with the product of oscillating stroke and frequency in the center of the water tank, and a formula is suggested to calculate the RMS velocity for the convenience of practical application.
Author Contributions
Funding
Acknowledgments
Conflicts of Interest
References
- Mohamed, M.S.; LaRue, J.C. The decay power law in grid-generated turbulence. J. Fluid Mech. 1990, 219, 195–214. [Google Scholar] [CrossRef]
- Hopfinger, E.J.; Toly, J.A. Spatially decaying turbulence and its relation to mixing across density interfaces. J. Fluid Mech. 1976, 78, 155–175. [Google Scholar] [CrossRef]
- Hannoun, I.A.; List, E.J. Turbulent mixing at a shear free density interface. J. Fluid Mech. 1988, 189, 211–234. [Google Scholar] [CrossRef]
- De Silva, I.P.D.; Fernando, H.J.S. Oscillating grids as a source of nearly isotropic turbulence. Phys. Fluids 1994, 6, 2455–2464. [Google Scholar] [CrossRef]
- Orlins, J.J.; Gulliver, J.S. Turbulence quantification and sediment resuspension in an oscillating grid chamber. Exp. Fluids 2003, 34, 662–677. [Google Scholar] [CrossRef]
- Buchholz, J.; Eidelman, A.; Elperin, T.; Grünefeld, G.; Kleeorin, N.; Krein, A.; Rogachevskii, I. Experimental study of turbulent thermal diffusion in oscillating grids turbulence. Exp. Fluids 2004, 36, 879–887. [Google Scholar] [CrossRef]
- Schulz, H.E.; Janzen, J.G.; Souza, K.C.O. Experiments and theory for two grids turbulence. J. Braz. Soc. Mech. Sci. Eng. 2006, 28, 216–223. [Google Scholar] [CrossRef]
- Yan, J.; Cheng, N.S.; Tang, H.W.; Tan, S.K. Oscillating-grid turbulence and its applications: A review. J. Hydraul. Res. 2007, 45, 26–32. [Google Scholar] [CrossRef]
- Pujol, D.; Colomer, J.; Serra, T.; Casamitjana, X. Effect of submerged aquatic vegetation on turbulence induced by an oscillating grid. Cont. Shelf Res. 2010, 30, 1019–1029. [Google Scholar] [CrossRef]
- Traugott, H.; Hayse, T.; Liberzon, A. Resuspension of particles in an oscillating grid turbulent flow using PIV and 3D-PTV. J. Phys. Conf. Ser. 2011, 318, 52021–52030. [Google Scholar]
- Birouk, M.; Sarh, B.; Gökalp, I. An attempt to realize experimental isotropic turbulence at low Reynolds number. Flow Turbul. Combust. 2003, 70, 325–348. [Google Scholar] [CrossRef]
- Hwang, W.; Eaton, J.K. Creating homogeneous and isotropic turbulence without a mean flow. Exp. Fluids 2004, 36, 444–454. [Google Scholar] [CrossRef]
- Warnaars, T.A.; Hondzo, M.; Carper, M.A. A desktop apparatus for studying interactions between microorganisms and small-scale fluid motion. Hydrobiologia 2006, 563, 431–443. [Google Scholar] [CrossRef]
- Voth, G.A.; La Porta, A.; Crawford, A.M.; Alexander, J.; Bodenschatz, E. Measurement of particle accelerations in fully developed turbulence. J. Fluid Mech. 2002, 469, 121–160. [Google Scholar] [CrossRef]
- Variano, E.A.; Bodenschatz, E.; Cowen, E.A. A random synthetic jet array driven turbulence tank. Exp. Fluids 2004, 37, 613–615. [Google Scholar] [CrossRef]
- Webster, D.R.; Brathwaite, A.; Yen, J. A novel laboratory apparatus for simulating isotropic oceanic turbulence at low Reynolds number. Limnol. Oceanogr. Methods 2004, 2, 1–12. [Google Scholar] [CrossRef]
- Krawczynski, J.F.; Renou, B.; Danaila, L. The structure of the velocity field in a confined flow driven by an array of opposed jets. Phys. Fluids 2010, 22, 557–563. [Google Scholar] [CrossRef]
- Bellani, G.; Variano, E.A. Homogeneity and isotropy in a laboratory turbulent flow. Exp. Fluids 2014, 55, 1646. [Google Scholar] [CrossRef]
- Pérez-Alvarado, A.; Mydlarski, L.; Gaskin, S. Effect of the driving algorithm on the turbulence generated by a random jet array. Exp. Fluids 2016, 57, 20. [Google Scholar] [CrossRef]
- Rouse, H. Experiments on the mechanics of sediment suspension. In Proceedings of the 5th International Congress of Applied Mechanics, Cambridge, MA, USA, 12–16 September 1939; pp. 550–554. [Google Scholar]
- Tsai, C.H.; Lick, W. A portable device for measuring sediment resuspension. J. Great Lakes Res. 1986, 12, 314–321. [Google Scholar] [CrossRef]
- Huppert, H.E.; Turner, J.S.; Hallworth, M.A. Sedimentation and entrainment in dense Layers of suspended particles stirred by an oscillating grid. J. Fluid Mech. 1995, 289, 263–293. [Google Scholar] [CrossRef]
- McDougall, T.J. Measurement of turbulence in a zero-mean-shear mixed layer. J. Fluid Mech. 1979, 94, 409–431. [Google Scholar] [CrossRef]
- Brumley, B.H.; Jirka, G.H. Near-surface turbulence in a grid-stirred tank. J. Fluid Mech. 1987, 183, 236–263. [Google Scholar] [CrossRef]
- Chu, C.R.; Jirka, G.H. Turbulent gas flux measurements below the air-water interface of a grid-stirred tank. Int. J. Heat Mass Transfer 1992, 35, 1957–1968. [Google Scholar]
- Connolly, J.P.; Armstrong, N.E.; Miksad, R.W. Adsorption of hydrophobic pollutants in estuaries. J. Environ. Eng. 1983, 109, 17–35. [Google Scholar] [CrossRef]
- Valsaraj, K.T.; Ravikrishna, R.; Orlins, J.J.; Smith, J.S.; Gulliver, J.S.; Reible, D.D.; Thibodeaux, L.J. Sediment-to-air mass transfer of semi-volatile contaminants due to sediment resuspension in water. Adv. Environ. Res. 1997, 1, 145–156. [Google Scholar]
- Ettema, R.; Karim, F.; Kennedy, J.F. Laboratory experiments on frazil ice growth in supercooled water. Cold Reg. Sci. Technol. 1984, 10, 43–58. [Google Scholar] [CrossRef]
- Jirka, G.H. Experiments on gas transfer at the air-water interface induced by oscillating grid turbulence. J. Fluid Mech. 2008, 594, 183–208. [Google Scholar] [CrossRef]
- Buscombe, D.; Conley, D.C. Schmidt number of sand suspensions under oscillating grid turbulence. Coast. Eng. Proc. 2012, 1, 1–11. [Google Scholar] [CrossRef]
- Wan Mohtar, W.H.M.; Zakaria, N.M. The interaction of oscillating-grid turbulence with a sediment layer. Res. J. Appl. Sci. Eng. Technol. 2013, 6, 598–608. [Google Scholar] [CrossRef]
- Laizet, S.; Vassilicos, J.C. Stirring and scalar transfer by grid-generated turbulence in the presence of a mean scalar gradient. J. Fluid Mech. 2015, 764, 52–75. [Google Scholar] [CrossRef]
- Zhou, Y.; Nagata, K.; Sakai, Y.; Ito, Y.; Hayase, T. Enstrophy production and dissipation in developing grid-generated turbulence. Phys. Fluids 2016, 28, 025113. [Google Scholar] [CrossRef]
- Melina, G.; Bruce, P.J.K.; Hewitt, G.F.; Vassilicos, J.C. Heat transfer in production and decay regions of grid-generated turbulence. Int. J. Heat Mass Transfer 2017, 109, 537–554. [Google Scholar] [CrossRef]
- Corrsin, S. Turbulence: Experiment methods. In Handbuch der Physik; Springer: Berlin, Germany, 1963; Volume 8, pp. 524–590. [Google Scholar]
- Thompson, S.M.; Turner, J.S. Mixing across an interface due to turbulence generated by an oscillating grid. J. Fluid Mech. 1975, 67, 349–368. [Google Scholar] [CrossRef]
- Cheng, N.S.; Law, A.W.K. Measurements of turbulence generated by oscillating grid. J. Hydraul. Eng. 2001, 127, 201–208. [Google Scholar] [CrossRef]
- Villermaux, E.; Sixou, B.; Gagne, Y. Intense vertical structures in grid-generated turbulence. Phys. Fluids 1995, 7, 2008–2013. [Google Scholar] [CrossRef]
- Srdic, A.; Fernando, H.J.S.; Montenegro, L. Generation of nearly isotropic turbulence using two oscillating grids. Exp. Fluids 1996, 20, 395–397. [Google Scholar] [CrossRef]
- Shy, S.S.; Tang, C.Y.; Fann, S.Y. Nearly isotropic turbulence generated by a pair of vibrating grid. Exp. Therm. Fluid Sci. 1997, 14, 251–262. [Google Scholar] [CrossRef]
- Ott, S.; Mann, J. An experimental investigation of the relative diffusion of particle pairs in three-dimensional turbulent flow. J. Fluid Mech. 2000, 422, 207–223. [Google Scholar] [CrossRef]
- Nezu, I.; Rodi, W. Open channel flow measurements with a Laser Doppler Anemometer. J. Hydraul. Eng. 1986, 112, 335–355. [Google Scholar] [CrossRef]
- Franks, P.J.S. Turbulence avoidance: An alternate explanation of turbulence-enhanced ingestion rates in the field. Limnol. Oceanogr. 2001, 46, 959–963. [Google Scholar] [CrossRef]
- Incze, L.S.; Hebert, D.; Wolff, N.; Oakey, N.; Dye, D. Changes in copepod distributions associated with increased turbulence from wind stress. Mar. Ecol. Prog. 2001, 213, 229–240. [Google Scholar] [CrossRef]
- McKenna, S.P.; McGillis, W.R. Observations of flow repeatability and secondary circulation in an oscillating grid-stirred tank. Phys. Fluids 2004, 16, 3499–3502. [Google Scholar] [CrossRef]
- Liu, C.R.; Huhe, A.D. Homogeneous turbulence structure near the wall and sediment incipience. Ocean Eng. 2003, 21, 50–55. [Google Scholar]
- Granata, T.C.; Dickey, T.D. The fluid-mechanics of copepod feeding in a turbulent flow: A theoretical approach. Prog. Oceanogr. 1991, 26, 243–261. [Google Scholar] [CrossRef]
- Jiménez, J. Oceanic turbulence at millimeter scales. Sci. Mar. 1997, 61, 47–56. [Google Scholar]













| Researchers | Tank Length (cm) | Tank Width (cm) | Tank Height (cm) | Grid Mesh Size (cm) | Oscillating Frequency (Hz) | Oscillating Stroke (cm) | Measurement Technique 1 |
|---|---|---|---|---|---|---|---|
| Hopfinger and Toly [2] | 67.5 | 67.5 | 100 | 5, 10 | 2–6 | 4, 8, 9 | Hot-film |
| Hannoun et al. [3] | 115 | 115 | 335 | 6.35 | 2.25 | 6.35 | LDV |
| De Silva and Fernando [4] | 26 | 26 | 60 | 2.9, 4.7, 6.2 | 1–5 | 0.85, 2.1 | LDV |
| Cheng and Law [37] | 50 | 50 | 100 | 5 | 1–4 | 4 | PIV |
| Orlins and Gulliver [5] | 50 | 50 | 50 | 8 | 3, 5, 7 | 3 | LDV |
| Schulz et al. [7] | 50 | 50 | 115 | 5.1 | 1–4 | 2–5 | PIV |
| Buscombe and Conley [30] | 50 | 50 | 80 | 5 | 2, 3 | 7, 10 | ADV |
| Wan Mohtar et al. [31] | 35.4 | 35.4 | 50 | 5 | 3 | 8 | PIV |
| Present study | 100 | 100 | 200 | 10 | 1, 2, 3 | 0.5, 1, 1.5 | PIV |
| Measured Zone | Oscillating Stroke (cm) | Oscillating Frequency (Hz) | Sampling Frequency (Hz) | Duration (s) |
|---|---|---|---|---|
| A1, A2, A3, B1, B2, B3, C1, C2, C3 | 0.5 | 3 | 1.5, 1000 | 1500, 4 |
| B2 | 0.5 | 2 | 1.5 | 1500 |
| 0.5 | 1 | |||
| 1 | 3 | |||
| 1 | 2 | |||
| 1 | 1 | |||
| 1.5 | 2 | |||
| 1.5 | 1 |
© 2020 by the authors. Licensee MDPI, Basel, Switzerland. This article is an open access article distributed under the terms and conditions of the Creative Commons Attribution (CC BY) license (http://creativecommons.org/licenses/by/4.0/).
Share and Cite
Li, W.; Zhang, P.; Yang, S.; Fu, X.; Xiao, Y. An Experimental Method for Generating Shear-Free Turbulence Using Horizontal Oscillating Grids. Water 2020, 12, 591. https://doi.org/10.3390/w12020591
Li W, Zhang P, Yang S, Fu X, Xiao Y. An Experimental Method for Generating Shear-Free Turbulence Using Horizontal Oscillating Grids. Water. 2020; 12(2):591. https://doi.org/10.3390/w12020591
Chicago/Turabian StyleLi, Wenjie, Peng Zhang, Shengfa Yang, Xuhui Fu, and Yi Xiao. 2020. "An Experimental Method for Generating Shear-Free Turbulence Using Horizontal Oscillating Grids" Water 12, no. 2: 591. https://doi.org/10.3390/w12020591
APA StyleLi, W., Zhang, P., Yang, S., Fu, X., & Xiao, Y. (2020). An Experimental Method for Generating Shear-Free Turbulence Using Horizontal Oscillating Grids. Water, 12(2), 591. https://doi.org/10.3390/w12020591

