Research on Robot Control Technology of Tomato Plant Lowering in Greenhouses
Abstract
1. Introduction
2. Materials and Lowering and Separating Integrated End Effector
2.1. Greenhouse Environment and Hook Parameters
2.2. Tomato-Plant-Lowering-Related Content
2.3. Design of the End Effector
2.4. The Workflow of the End Effector
3. Target Detection and 3D Location
3.1. Dataset Construction
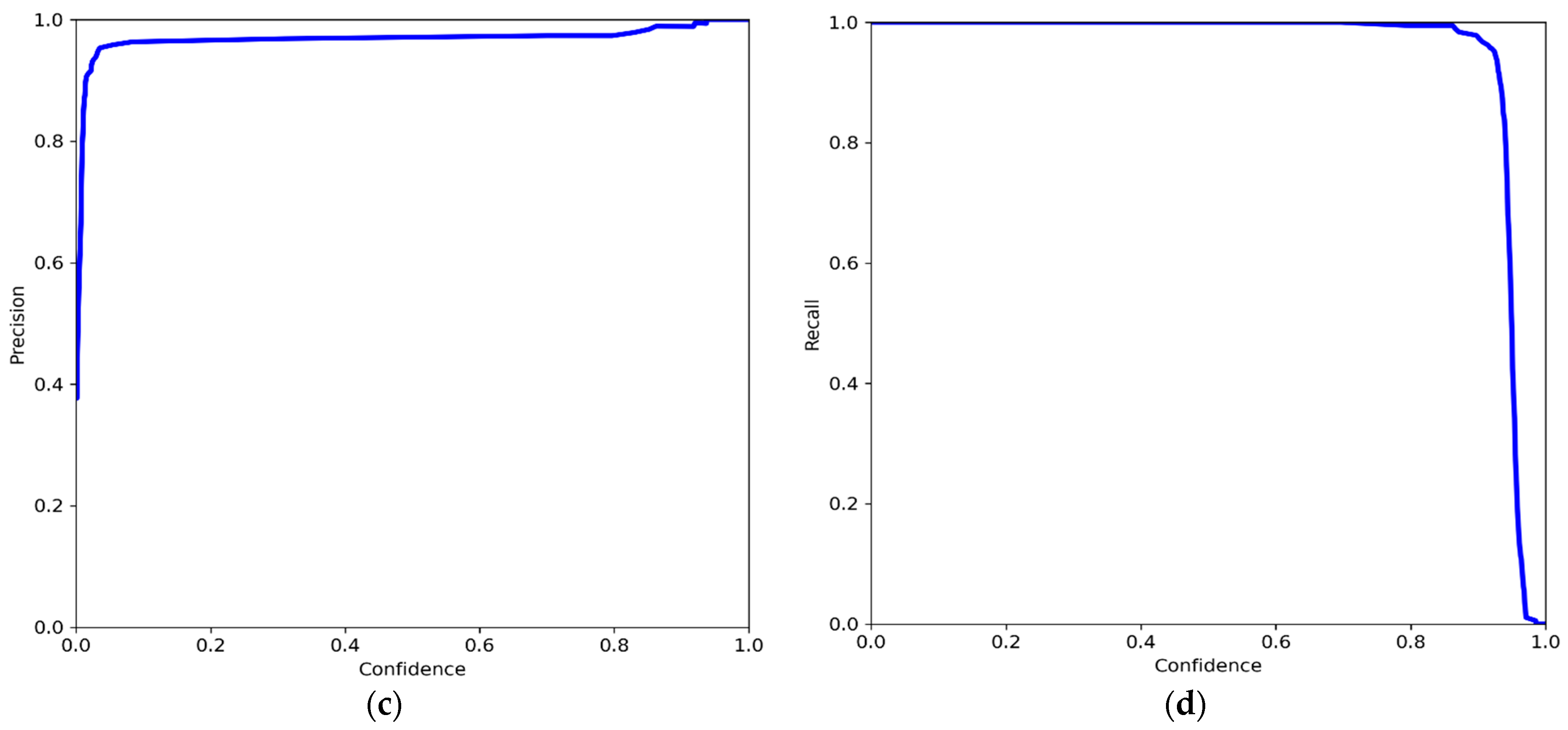
3.2. Improved Yolo-v5s Detection Model
4. Construction of the Plant-Lowering Robot System
4.1. Robot Hardware System Building
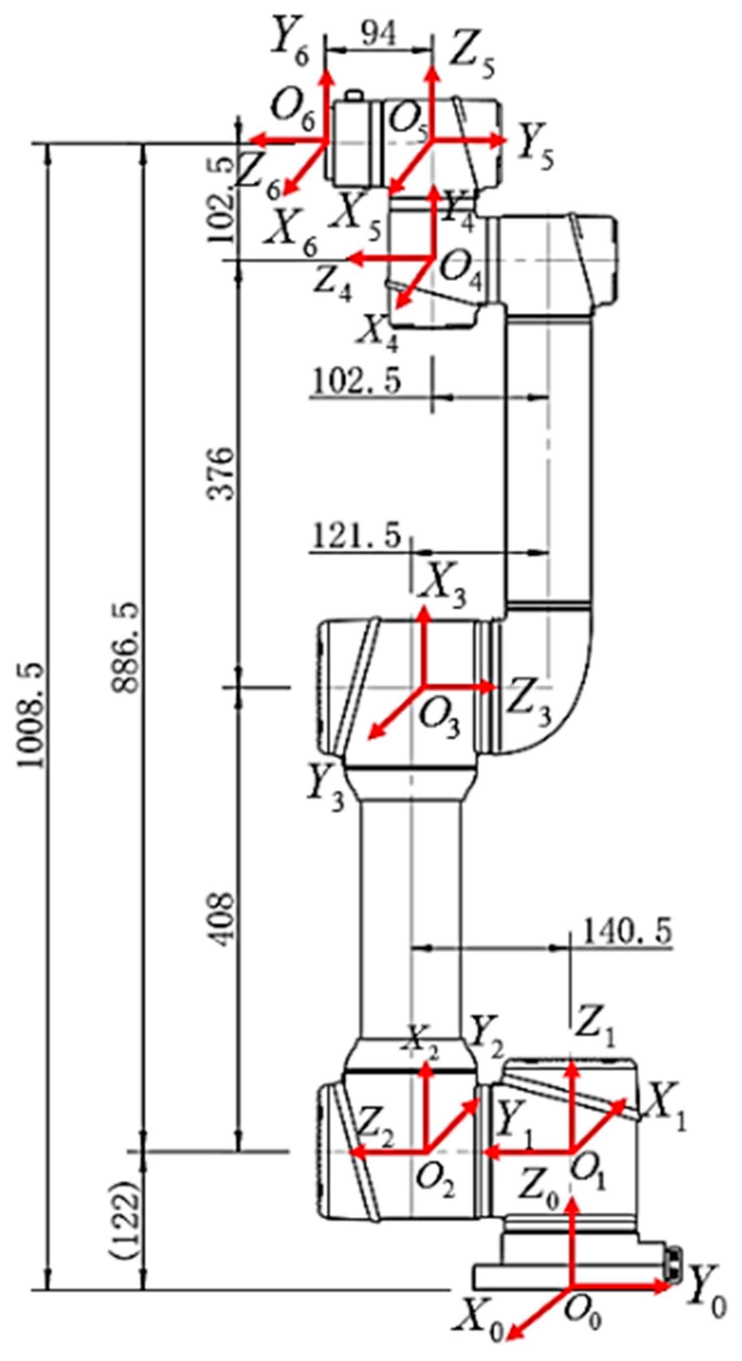
4.2. Kinematics of Robot Arm
- Coordinate systems are established to determine the positions between the links of the robot arm. The axis coincides with the axis of the joint . If the axis and the axis intersect, their intersection point serves as the origin of the coordinate system. If they do not intersect, the origin is the intersection of the common perpendicular of the two axes and the axis. The axis is perpendicular to both the axis and the axis. If the axis and the axis do not intersect, the axis points from the axis to the axis. Once the axis and axis are determined, the axis can be established according to the right-hand rule. These steps allow for the determination of the link coordinate systems of a robot arm. To simplify the transformation between coordinate systems, the third and fourth coordinate systems have been offset, as shown in Figure 12.
- The coordinate system between two adjacent connecting rods is transformed through translation and rotation. The implementation steps of the improved D-H modeling method are as follows: (1) rotating the coordinate system around the axis so that the axis is parallel to the axis; (2) translating the coordinate system along the direction of the axis until the axis coincides with the axis; (3) rotating the coordinate system around the axis so that the axis is parallel to the axis; and (4) translating the coordinate system along the axis so that the axis coincides with the axis. After the coordinate systems aligned, we established the D-H parameters (Table 2).
- 3
- The transformation matrix between links is obtained using the D-H parameter table.
- 4
- The transformation matrix between any two links is derived by successively multiplying the transformation matrices of adjacent links.
4.3. Hand–Eye System Calibration
5. Experiment of Automatic Plant-Lowering
5.1. Plant-Lowering Robot Application
5.2. Experimental Analysis of Visual Recognition
5.3. Experimental Analysis of End Effector
5.4. Experimental Analysis of Lowering Plants
6. Conclusions
Author Contributions
Funding
Data Availability Statement
Acknowledgments
Conflicts of Interest
References
- Xu, C.; Xiong, Z.; Jiang, X.P.; Deng, M.; Huang, G.C. Design and Research of the Cluster Tomato Picking Robot. Mod. Agric. Equip. 2021, 42, 15–23. [Google Scholar]
- Li, Y.L.; Wen, X.G. Analysis on the difference of greenhouse tomato production between China and the Netherlands. Appl. Eng. Technol. 2018, 38, 10–14. [Google Scholar]
- Wang, Z.H.; Xun, Y.; Wang, Y.K.; Yang, Q.H. Review of smart robots for fruit and vegetable picking in agriculture. Int. J. Agric. Biol. Eng. 2022, 15, 33–54. [Google Scholar]
- Wang, M.; Wang, B.; Zhang, R.; Wu, Z.; Xiao, X. Flexible Vis/NIR wireless sensing system for banana monitoring. Food Qual. Saf. 2023, 7, fyad025. [Google Scholar] [CrossRef]
- Emmi, L.; Fernández, R.; Gonzalez-De-Santos, P. An Efficient Guiding Manager for Ground Mobile Robots in Agriculture. Robotics 2023, 13, 6. [Google Scholar] [CrossRef]
- Cejudo, J.G.; Andrés, F.E.; Lujak, M.; Casamayor, C.C.; Fernandez, A.; López, L.H. Towards Agrirobot Digital Twins: Agri-RO5—A Multi-Agent Architecture for Dynamic Fleet Simulation. Electronics 2024, 13, 80. [Google Scholar] [CrossRef]
- Mail, M.F.; Maja, J.M.; Marshall, M.; Cutulle, M.; Miller, G.; Barnes, E. Agricultural Harvesting Robot Concept Design and System Components: A Review. AgriEngineering 2023, 5, 777–800. [Google Scholar] [CrossRef]
- D’acunto, F.; Marinello, F.; Pezzuolo, A. Rural Land Degradation Assessment through Remote Sensing: Current Technologies, Models, and Applications. Remote Sens. 2024, 16, 3059. [Google Scholar] [CrossRef]
- Otani, T.; Itoh, A.; Mizukami, H.; Murakami, M.; Yoshida, S.; Terae, K.; Tanaka, T.; Masaya, K.; Aotake, S.; Funabashi, M.; et al. Agricultural Robot under Solar Panels for Sowing, Pruning, and Harvesting in a Synecoculture Environment. Agriculture 2023, 13, 18. [Google Scholar] [CrossRef]
- Kumar, S.; Mohan, S.; Skitova, V. Designing and Implementing a Versatile Agricultural Robot: A Vehicle Manipulator System for Efficient Multitasking in Farming Operations. Machines 2023, 11, 776. [Google Scholar] [CrossRef]
- Zhou, H.Y.; Wang, X.; Au, W.; Kang, H.W.; Chen, C. Intelligent robots for fruit harvesting: Recent developments and future challenges. Precis. Agric. 2022, 23, 1856–1907. [Google Scholar] [CrossRef]
- Xu, Y.; Liu, Y.; Li, W.; Zhang, M.; Xiao, J. Effect of different reducing vines methods on agronomic traits of greenhouse cucumber. J. Chang. Veg. 2017, 10, 48–50. [Google Scholar]
- Vermeulen, C.J.; Hubers, C.; Vries, L.D.; Brazier, F. What horticulture and space exploration can learn from each other: The mission to mars initiative in The Netherlands. Acta Astronaut. 2020, 177, 421–424. [Google Scholar] [CrossRef]
- Yamanaka, R.; Kawashima, H. Development of cooling techniques for small-scale protected horticulture in mountainous areas in Japan. Jpn. Agric. Res. Q. 2021, 55, 117–125. [Google Scholar] [CrossRef]
- Hou, Y.; Li, K.; Wang, C.H.; Li, S. Development and application of automatic vine falling and thinning device for greenhouse fruits and vegetables. J. Agric. Eng. Technol. 2019, 41, 50–53. [Google Scholar]
- Zhang, Y.; Shang, X.; Yang, S. Design of equipment control system for making winder based on PLC. J. Chin. Agric. Mech. 2016, 37, 95–98. [Google Scholar]
- Lang, X.H.; Shi, Y.L.; Huang, X.P.; Li, T.H.; Wang, D.W.; Chen, M.D. Design of integral vine-falling device for solar greenhouse. J. Chin. Agric. Mech. 2023, 44, 78–84. [Google Scholar]
- Betti, A.; Tucci, M. YOLO-S: A Lightweight and Accurate YOLO-like Network for Small Target Detection in Aerial Imagery. Sensors 2023, 23, 1865. [Google Scholar] [CrossRef]
- Suo, R.; Gao, F.F.; Zhou, Z.X.; Fu, L.S.; Song, Z.Z.; Dhupia, J.; Li, R.; Cui, Y.J. Improved multi-classes kiwifruit detection in orchard to avoid collisions during robotic picking. Comput. Electron. Agric. 2021, 182, 106052. [Google Scholar] [CrossRef]
- Moosmann, J.; Bonazzi, P.; Li, Y.W.; Bian, S.; Mayer, P.; Benini, L.; Magno, M. Ultra-Efficient On-Device Object Detection on AI-Integrated Smart Glasses with Tinyissimo YOLO. arXiv 2023, arXiv:abs/2311.01057. [Google Scholar]
- Gomaa, A.; Abdalrazik, A. Novel Deep Learning Domain Adaptation Approach for Object Detection Using Semi-Self Building Dataset and Modified YOLOv4. World Electr. Veh. J. 2024, 15, 255. [Google Scholar] [CrossRef]
- Chen, H.; Yang, W.Q.; Wang, W.; Liu, Z.C. YOLO-TUF: An Improved YOLOv5 Model for Small Object Detection. Commun. Comput. Inf. Sci. 2023, 2058, 471–484. [Google Scholar]
- Xu, H.; Li, Q.; Chen, J. Highlight Removal from A Single Grayscale Image Using Attentive GAN. Appl. Artif. Intell. 2022, 36, 1988441. [Google Scholar] [CrossRef]
- Yuan, H.; Ren, G.C.; Su, X.Y.; Tian, W. A versatile end effector for grabbing and spreading of flaky deformable object manipulation. Mech. Sci. 2023, 14, 111–123. [Google Scholar]
- Xue, P.; Li, Q.; Fu, G.D. Design and Control Simulation Analysis of Tender Tea Bud Picking Manipulator. Appl. Sci. 2024, 14, 928. [Google Scholar] [CrossRef]
- Xing, Q.S.; Ding, S.M.; Xue, X.Y.; Cui, L.F.; Le, F.X.; Fu, J. Design and Testing of a Clamping Manipulator for Removing Abnormal Plants in Rape Breeding. Appl. Sci. 2023, 13, 9723. [Google Scholar] [CrossRef]
- Feng, Q.C.; Zou, W.S.; Fan, P.F.; Zhang, C.F.; Wang, X. Design and test of robotic harvesting system for cherry tomato. Int. J. Agric. Biol. Eng. 2018, 11, 96–100. [Google Scholar] [CrossRef]
- Arima, S.; Kondo, N.; Yagi, Y.; Monta, M.; Yoshida, Y. Harvesting robot for strawberry grown on table top culture. Part 1. Harvesting robot using 5 DOF manipulator. J. Soc. High Technol. Agric. 2001, 13, 159–166. [Google Scholar] [CrossRef]
- Arima, S.; Monta, M.; Namba, K.; Yoshida, Y.; Kondo, N. Harvesting robot for strawberry grown on table top culture (Part 2) harvesting robot with a suspended manipulator under cultivation bed. Shokubutsu Kojo Gakkaishi 2003, 15, 162–168. [Google Scholar] [CrossRef]
- Bontsema, J. Picking robot for peppers (interview met Jan Bontsema). Wagening. World 2011, 6. Available online: https://edepot.wur.nl/432261 (accessed on 26 August 2024).
- Takaaki, T.; Koichi, O.; Akinori, H. 1 segment continuum manipulator for automatic harvesting robot: Prototype and modeling. In Proceedings of the 2017 IEEE International Conference on Mechatronics and Automation, Takamatsu, Japan, 6–9 August 2017. [Google Scholar]





















| Number | Specie | Weight (kg) |
|---|---|---|
| 1 | Cherry tomatoes | 2.135 |
| 2 | Cherry tomatoes | 2.910 |
| 3 | Cherry tomatoes | 2.485 |
| 4 | Cherry tomatoes | 2.535 |
| 5 | Cherry tomatoes | 2.890 |
| 6 | Cherry tomatoes | 3.495 |
| 7 | Large tomatoes | 1.265 |
| 8 | Large tomatoes | 1.235 |
| 9 | Large tomatoes | 2.275 |
| 10 | Large tomatoes | 2.265 |
| 11 | Large tomatoes | 1.365 |
| 12 | Large tomatoes | 1.374 |
| Length of Connecting Rod (mm) | Torsion Angle (°) | Setover of Link (mm) | Joint Angle (°) | |
|---|---|---|---|---|
| 1 | 0 | 0 | 98.5 | |
| 2 | 0 | 121.5 | ||
| 3 | 408 | 0 | 0 | |
| 4 | 376 | 0 | ||
| 5 | 0 | 102.5 | 0 | |
| 6 | 0 | 94 | 0 |
| Rotation Matrix | Translation Matrix | ||
|---|---|---|---|
| −0.2590 | −0.9652 | 0.0358 | 76.5719 |
| 0.8881 | −0.2525 | −0.3841 | 25.7065 |
| 0.3797 | −0.0677 | 0.9226 | 296.1457 |
| Number of Hooks | Number of Experiments | The Distance from the Camera (m) | Percent (%) |
|---|---|---|---|
| 1 | 40 | 0.3–0.4 | 60 |
| 1 | 40 | 0.4–0.5 | 95 |
| 1 | 40 | 0.5–0.6 | 80 |
| 1 | 40 | 0.6–0.7 | 70 |
| 2 | 40 | 0.3–0.4 | 60 |
| 2 | 40 | 0.4–0.5 | 90 |
| 2 | 40 | 0.5–0.6 | 80 |
| 2 | 40 | 0.6–0.7 | 65 |
| 3 | 40 | 0.3–0.4 | 55 |
| 3 | 40 | 0.4–0.5 | 85 |
| 3 | 40 | 0.5–0.6 | 70 |
| 3 | 40 | 0.6–0.7 | 55 |
| Gripper Point | Number of Roller Hooks | The Percent of Upper Claw (%) |
|---|---|---|
| A | 30 | 90 |
| B | 30 | 80 |
| C | 30 | 80 |
| D | 30 | 70 |
| E | 30 | 60 |
| F | 30 | 30 |
| Gripper Point | Number of Roller Hooks | The Percent of Upper Claw (%) |
|---|---|---|
| A | 30 | 0 |
| B | 30 | 0 |
| C | 30 | 30 |
| D | 30 | 70 |
| E | 30 | 90 |
| F | 30 | 95 |
| Number of Hooks | Number of Experiments | The Position in the Camera | Times (s) | Percent (%) |
|---|---|---|---|---|
| 1 | 30 | Left | 34.21 | 60 |
| 1 | 30 | Mid | 30.04 | 70 |
| 1 | 30 | Right | 33.54 | 50 |
| 2 | 30 | Left | 72.78 | 55 |
| 2 | 30 | Mid | 70.56 | 60 |
| 2 | 30 | right | 71.35 | 50 |
Disclaimer/Publisher’s Note: The statements, opinions and data contained in all publications are solely those of the individual author(s) and contributor(s) and not of MDPI and/or the editor(s). MDPI and/or the editor(s) disclaim responsibility for any injury to people or property resulting from any ideas, methods, instructions or products referred to in the content. |
© 2024 by the authors. Licensee MDPI, Basel, Switzerland. This article is an open access article distributed under the terms and conditions of the Creative Commons Attribution (CC BY) license (https://creativecommons.org/licenses/by/4.0/).
Share and Cite
Zhang, B.; Xu, S.; Xiong, Z.; Qin, H.; Ai, X.; Yuan, T.; Li, W. Research on Robot Control Technology of Tomato Plant Lowering in Greenhouses. Agronomy 2024, 14, 1966. https://doi.org/10.3390/agronomy14091966
Zhang B, Xu S, Xiong Z, Qin H, Ai X, Yuan T, Li W. Research on Robot Control Technology of Tomato Plant Lowering in Greenhouses. Agronomy. 2024; 14(9):1966. https://doi.org/10.3390/agronomy14091966
Chicago/Turabian StyleZhang, Bin, Shuhao Xu, Ziming Xiong, Hao Qin, Xinyi Ai, Ting Yuan, and Wei Li. 2024. "Research on Robot Control Technology of Tomato Plant Lowering in Greenhouses" Agronomy 14, no. 9: 1966. https://doi.org/10.3390/agronomy14091966
APA StyleZhang, B., Xu, S., Xiong, Z., Qin, H., Ai, X., Yuan, T., & Li, W. (2024). Research on Robot Control Technology of Tomato Plant Lowering in Greenhouses. Agronomy, 14(9), 1966. https://doi.org/10.3390/agronomy14091966
