An In Situ Videotaping Approach for Parameterizing Subsoiling-Induced Soil Disturbance
Abstract
1. Introduction
2. Materials and Methods
2.1. Characterization of Soil
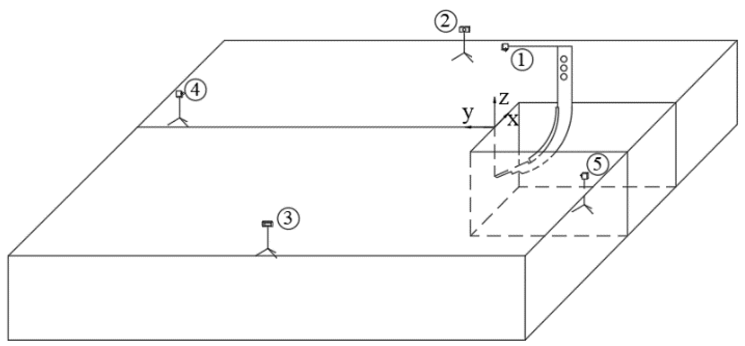
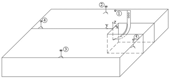
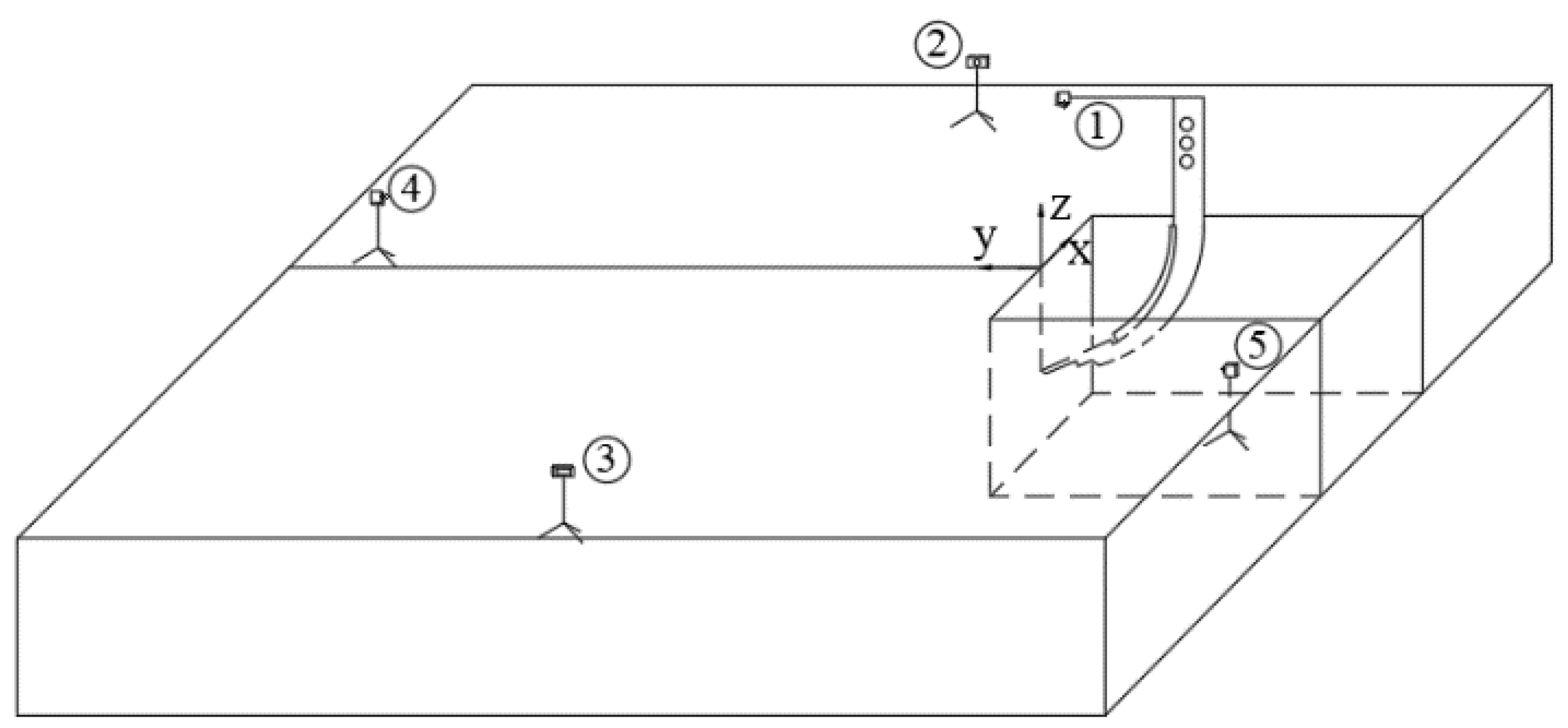
2.2. Experimental Set-Up
2.3. Experimental Design of SS Videotaping
2.4. Parameters during SS
2.4.1. Soil Displacement Parameters
2.4.2. Soil Crack Parameters
2.5. Parameters after SS
2.5.1. Draft Force and Specific Draft
2.5.2. SS Cross-Section and Surface Roughness
2.6. Data Analysis
3. Results and Discussion
3.1. Draft Force and Specific Draft
3.2. Soil Displacement Parameters during SS
3.3. Soil Crack Parameters during SS
3.4. Soil-Disturbance Process during SS
3.5. Soil-Disturbance Cross-Section after SS
3.6. Microrelief after SS
3.7. Analysis and Discussion of Soil-Disturbance Processes
4. Conclusions
Author Contributions
Funding
Institutional Review Board Statement
Informed Consent Statement
Data Availability Statement
Conflicts of Interest
References
- Karandish, F. Applying grey water footprint assessment to achieve environmental sustainability within a nation under intensive agriculture: A high-resolution assessment for common agrochemicals and crops. Environ. Earth Sci. 2019, 78, 200. [Google Scholar] [CrossRef]
- Ittersum, V.; Martin, K. Crop Yields and Global Food Security. Will Yield Increase Continue to Feed the World? Eur. Rev. Agric. Econ. 2016, 97, 191–192. [Google Scholar] [CrossRef]
- Jiang, X.; Tong, J.; Ma, Y.; Sun, J. Development and verification of a mathematical model for the specific resistance of a curved subsoiler. Biosyst. Eng. 2020, 190, 107–119. [Google Scholar] [CrossRef]
- Wang, X.; Zhou, H.; Huang, Y.; Ji, J. Variation of Subsoiling Effect at Wing Mounting Heights on Soil Properties and Crop Growth in Wheat–Maize Cropping System. Agriculture 2022, 12, 1684. [Google Scholar] [CrossRef]
- Zhang, L.; Su, X.; Meng, H.; Men, Y.; Liu, C.; Yan, X.; Song, X.; Sun, X.; Mao, L. Cotton stubble return and subsoiling alter soil microbial community, carbon and nitrogen in coastal saline cotton fields. Soil Tillage Res. 2023, 226, 105585. [Google Scholar] [CrossRef]
- Liu, X.; Peng, C.; Zhang, W.; Li, S.; An, T.; Xu, Y.; Ge, Z.; Xie, N.; Wang, J. Subsoiling tillage with straw incorporation improves soil microbial community characteristics in the whole cultivated layers: A one-year study. Soil Tillage Res. 2022, 215, 105188. [Google Scholar] [CrossRef]
- Franca, J.S.; Reichert, J.M.; Holthusen, D.; Rodrigues, M.F.; de Araujo, E.F. Subsoiling and mechanical hole-drilling tillage effects on soil physical properties and initial growth of eucalyptus after eucalyptus on steeplands. Soil Tillage Res. 2021, 207, 104860. [Google Scholar] [CrossRef]
- Zhang, Q.; Wang, S.; Zhang, Y.; Li, H.; Liu, P.; Wang, R.; Wang, X.; Li, J. Effects of subsoiling rotational patterns with residue return systems on soil properties, water use and maize yield on the semiarid Loess Plateau. Soil Tillage Res. 2021, 214, 105186. [Google Scholar] [CrossRef]
- Getahun, G.T.; Kätterer, T.; Munkholm, L.J.; Parvage, M.M.; Keller, T.; Rychel, K.; Kirchmann, H. Short-term effects of loosening and incorporation of straw slurry into the upper subsoil on soil physical properties and crop yield. Soil Tillage Res. 2018, 184, 62–67. [Google Scholar] [CrossRef]
- Guo, X.; Wang, H.; Yu, Q.; Ahmad, N.; Li, J.; Wang, R.; Wang, X. Subsoiling and plowing rotation increase soil C and N storage and crop yield on a semiarid Loess Plateau. Soil Tillage Res. 2022, 221, 105413. [Google Scholar] [CrossRef]
- Müller, M.; Schneider, J.R.; Klein, V.A.; Da Silva Júnior, J.P.; Chavarria, G. Root growth and crop performance of soybean under chemical, physical, and biological changes after subsoiling. Agron. J. 2020, 112, 932–947. [Google Scholar] [CrossRef]
- Wang, C.; Yan, Z.; Wang, Z.; Batool, M.; El-Badri, A.M.; Bai, F.; Li, Z.; Wang, B.; Zhou, G.; Kuai, J. Subsoil tillage promotes root and shoot growth of rapeseed in paddy fields and dryland in Yangtze River Basin soils. Eur. J. Agron. 2021, 130, 126351. [Google Scholar] [CrossRef]
- Wang, H.; Zhang, D.; He, J.; Wang, L.; Ren, J.; Zhang, S.; Bai, W.; Song, J.; Lv, G.; Li, J. Changes in Soil Properties, Bacterial Communities and Wheat Roots Responding to Subsoiling in South Loess Plateau of China. Agronomy 2022, 12, 2288. [Google Scholar] [CrossRef]
- Voronov, S.; Pleskachiov, Y.; Kurbanov, S.; Magomedova, D.; Zargar, M. Tillage System and Seeding Rate Impact on Yield, Oil Accumulation and Photosynthetic Potential of Different Cultivars of Safflower (Carthamus tinctorius L.) in Southern Russia. Agronomy 2022, 12, 2904. [Google Scholar] [CrossRef]
- Qiang, X.; Sun, J.; Ning, H. Impact of Subsoiling on Cultivated Horizon Construction and Grain Yield of Winter Wheat in the North China Plain. Agriculture 2022, 12, 236. [Google Scholar] [CrossRef]
- Song, W.; Jiang, X.; Li, L.; Ren, L.; Tong, J. Increasing the width of disturbance of plough pan with bionic inspired subsoilers. Soil Tillage Res. 2022, 220, 105356. [Google Scholar] [CrossRef]
- Wang, Y.; Li, N.; Ma, Y.; Tong, J.; Pfleging, W.; Sun, J. Field experiments evaluating a biomimetic shark-inspired (BioS) subsoiler for tillage resistance reduction. Soil Tillage Res. 2020, 196, 104432. [Google Scholar] [CrossRef]
- Aday, S.H.; Ramadhan, M.N. Comparison between the draft force requirements and the disturbed area of a single tine, parallel double tines and partially swerved double tines subsoilers. Soil Tillage Res. 2019, 191, 238–244. [Google Scholar] [CrossRef]
- Sun, J.; Wang, Y.; Ma, Y.; Tong, J.; Zhang, Z. DEM simulation of bionic subsoilers (tillage depth >40 cm) with drag reduction and lower soil disturbance characteristics. Adv. Eng. Softw. 2018, 119, 30–37. [Google Scholar] [CrossRef]
- Zhang, L.; Zhai, Y.; Chen, J.; Zhang, Z.; Huang, S. Optimization design and performance study of a subsoiler underlying the tea garden subsoiling mechanism based on bionics and EDEM. Soil Tillage Res. 2022, 220, 105375. [Google Scholar] [CrossRef]
- Torotwa, I.; Ding, Q.; Makange, N.R.; Liang, L.; He, R. Performance evaluation of a biomimetically designed disc for dense-straw mulched conservation tillage. Soil Tillage Res. 2021, 212, 105068–105077. [Google Scholar] [CrossRef]
- Zhou, W.; Lv, T.; Chen, Y.; Westby, A.P.; Ren, W.; González, A.P. Soil Physicochemical and Biological Properties of Paddy-Upland Rotation: A Review. Sci. World J. 2014, 2014, 856352–856358. [Google Scholar] [CrossRef] [PubMed]
- Saharawat, Y.S.; Singh, B.; Malik, R.K.; Ladha, J.K.; Gathala, M.; Jat, M.L.; Kumar, V. Evaluation of alternative tillage and crop establishment methods in a rice–wheat rotation in North Western IGP. Field Crop. Res. 2010, 116, 260–267. [Google Scholar] [CrossRef]
- Dwivedi, B.S.; Singh, V.K.; Shukla, A.K.; Meena, M.C. Optimizing dry and wet tillage for rice on a Gangetic alluvial soil: Effect on soil characteristics, water use efficiency and productivity of the rice–wheat system. Eur. J. Agron. 2012, 43, 155–165. [Google Scholar] [CrossRef]
- Kumar, V.; Bellinder, R.R.; Gupta, R.K.; Malik, R.K.; Brainard, D.C. Role of herbicide-resistant rice in promoting resource conservation technologies in rice–wheat cropping systems of India: A review. Crop Prot. 2008, 27, 290–301. [Google Scholar] [CrossRef]
- Liang, L.; Xu, G.; Ding, Q.; Wang, J.; Xing, Q.; Torotwa, I. Post-paddy tillage affects soil physical processes of rain-fed rice-wheat (RFRW) rotation. Soil Sci. Soc. Am. J. 2022, 87, 30–42. [Google Scholar] [CrossRef]
- Lou, S.; He, J.; Li, H.; Wang, Q.; Lu, C.; Liu, W.; Liu, P.; Zhang, Z.; Li, H. Current Knowledge and Future Directions for Improving Subsoiling Quality and Reducing Energy Consumption in Conservation Fields. Agriculture 2021, 11, 575. [Google Scholar] [CrossRef]
- Manuwa, S.I. Performance evaluation of tillage tines operating under different depths in a sandy clay loam soil. Soil Tillage Res. 2009, 103, 399–405. [Google Scholar] [CrossRef]
- Zhang, Z.B.; Zhou, H.; Lin, H.; Peng, X. Puddling intensity, sesquioxides, and soil organic carbon impacts on crack patterns of two paddy soils. Geoderma 2016, 262, 155–164. [Google Scholar] [CrossRef]
- Arvidsson, J.; Keller, T.; Gustafsson, K. Specific draught for mouldboard plough, chisel plough and disc harrow at different water contents. Soil Tillage Res. 2004, 79, 221–231. [Google Scholar] [CrossRef]
- Ibrahmi, A.; Bentaher, H.; Hbaieb, M.; Maalej, A.; Mouazen, A.M. Study the effect of tool geometry and operational conditions on mouldboard plough forces and energy requirement: Part 1. Finite element simulation. Comput. Electron. Agr. 2015, 117, 258–267. [Google Scholar] [CrossRef]
- Godwin, R.J.; O Dogherty, M.J. Integrated soil tillage force prediction models. J. Terramech. 2007, 44, 3–14. [Google Scholar] [CrossRef]
- Hang, C.; Huang, Y.; Zhu, R. Analysis of the movement behaviour of soil between subsoilers based on the discrete element method. J. Terramech. 2017, 74, 35–43. [Google Scholar] [CrossRef]
- Spoor, G. Alleviation of soil compaction: Requirements, equipment and techniques. Soil Use Manage. 2006, 22, 113–122. [Google Scholar] [CrossRef]
- Aikins, K.A.; Ucgul, M.; Barr, J.B.; Jensen, T.A.; Antille, D.L.; Desbiolles, J.M.A. Determination of discrete element model parameters for a cohesive soil and validation through narrow point opener performance analysis. Soil Tillage Res. 2021, 213, 105123. [Google Scholar] [CrossRef]
- Gathala, M.K.; Ladha, J.K.; Saharawat, Y.S.; Kumar, V.; Kumar, V.; Sharma, P.K. Effect of Tillage and Crop Establishment Methods on Physical Properties of a Medium-Textured Soil under a Seven-Year Rice−Wheat Rotation. Soil Sci. Soc. Am. J. 2011, 75, 1851–1862. [Google Scholar] [CrossRef]
- Hobbs, P.R.; Gupta, R.K. Resource-Conserving Technologies for Wheat in the Rice–Wheat System. Improv. Product. Sustain. Rice-Wheat Syst. Issues Impacts 2003, 65, 149–171. [Google Scholar] [CrossRef]
- Godwin, R.J.; Spoor, G.; Leeds-Harrison, P. An experimental investigation into the force mechanics and resulting soil disturbance of mole ploughs. J. Agric. Eng.-Italy 1981, 26, 477–497. [Google Scholar] [CrossRef]
- Hang, C.; Gao, X.; Yuan, M.; Huang, Y.; Zhu, R. Discrete element simulations and experiments of soil disturbance as affected by the tine spacing of subsoiler. Biosyst. Eng. 2018, 168, 73–82. [Google Scholar] [CrossRef]
- Huo, L.; Liang, L.; Abbas, A.; White, D.; Ding, Q.; Wang, X.; He, R. Soil disturbance under small harvester traffic in paddy-based smallholder farms in China. Agron. J. 2020, 112, 1441–1451. [Google Scholar] [CrossRef]
- Guzha, A.C. Effects of tillage on soil microrelief, surface depression storage and soil water storage. Soil Tillage Res. 2004, 76, 105–114. [Google Scholar] [CrossRef]
- Wang, L.; Guo, H.; Wang, L.; Cheng, D. Suitable Tillage Depth Promotes Maize Yields by Changing Soil Physical and Chemical Properties in A 3-Year Experiment in the North China Plain. Sustainability 2022, 14, 15134. [Google Scholar] [CrossRef]
- Lennartz, B.; Horn, R.; Duttmann, R.; Gerke, H.H.; Tippkötter, R.; Eickhorst, T.; Janssen, I.; Janssen, M.; Rüth, B.; Sander, T.; et al. Ecological safe management of terraced rice paddy landscapes. Soil Tillage Res. 2009, 102, 179–192. [Google Scholar] [CrossRef]
- Ding, Q.; Ge, S.; Ren, J.; Li, Y.; He, R. Characteristics of subsoiler traction and soil disturbance in paddy soil. Trans. Chin. Soc. Agric. Mach. 2017, 48, 47–56, 63. (In Chinese) [Google Scholar] [CrossRef]
- Conte, O.; Levien, R.; Debiasi, H.; Sturmer, S.L.K.; Mazurana, M.; Muller, J. Soil disturbance index as an indicator of seed drill efficiency in no-tillage agrosystems. Soil Tillage Res. 2011, 114, 37–42. [Google Scholar] [CrossRef]
- American Society of Agricultural Engineers. Terminology and definitions for agricultural tillage implements. In ASAE Standards 2003: Standards Engineering Practices Data; American Society of Agricultural Engineers: St. Joseph, MI, USA, 2003. [Google Scholar]
- Tong, J.; Moayad, B.Z. Effects of rake angle of chisel plough on soil cutting factors and power requirements: A computer simulation. Soil Tillage Res. 2006, 88, 55–64. [Google Scholar] [CrossRef]
- Guo, Z.; Zhou, Z.; Tong, J.; Ren, L. A 2-D finite element analysis for cutting performance of a parabolic curved cutting surface. J. Luoyang Inst. Technol. 2002, 23, 1–4. (In Chinese) [Google Scholar] [CrossRef]
















| Soil Depth (cm) | Bulk Density (g cm−3) | Water Content (%) | Total Porosity (%) |
|---|---|---|---|
| 0~5 | 1.25 | 18.05 | 52.83 |
| 5~10 | 1.26 | 22.62 | 52.45 |
| 10~15 | 1.37 | 23.98 | 48.30 |
| 15~20 | 1.58 | 20.53 | 40.38 |
| 20~25 | 1.51 | 23.25 | 43.02 |
| 25~30 | 1.53 | 24.54 | 42.26 |
| Camera | x (cm) | y (cm) | z (cm) |
|---|---|---|---|
| 1 | 0 | 0 | 105 |
| 2 | 175 | 250 | 30 |
| 3 | −175 | 250 | 30 |
| 4 | 0 | 500 | 0 |
| 5 | 0 | −45 | −30 |
| Tillage depth (D, cm) | Lifting Height (H, cm) | Lifting Length (R, cm) | Lifting Width (W, cm) | Lifting Angle (α, °) |
|---|---|---|---|---|
| 10 | 15.79 bc | 25.51 c | 40.04 d | 30.79 b |
| 15 | 16.18 b | 27.04 bc | 41.49 d | 31.94 b |
| 20 | 18.08 a | 28.46 bc | 44.88 c | 32.46 a |
| 25 | 14.07 c | 30.87 b | 55.07 b | 24.52 bc |
| 30 | 9.07 d | 32.32 a | 68.89 a | 15.45 d |
| Tillage Depth (D, cm) | Crack Area (A, cm2) | Crack Length (Lc, cm) | Crack Width (Wc, cm) | Crack Area Density (Dc,%) |
|---|---|---|---|---|
| 10 | 200.48 a | 28.20 a | 21.92 b | 19.63 |
| 15 | 153.60 bc | 25.12 b | 16.84 bc | 13.69 |
| 20 | 171.16 b | 22.76 c | 24.23 a | 13.40 |
| 25 | 123.08 c | 21.27 cd | 20.66 bc | 7.24 |
| 30 | 46.76 d | 19.53 d | 13.55 c | 2.10 |
| Tillage Depth (D, cm) | Upheaving Width (Wu, cm) | Disturbance Width (Wd, cm) | Upheaving Height (Hu, cm) | Groove Width (Wg, cm) | Cross-Sectional Area (Scs, cm2) |
|---|---|---|---|---|---|
| 10 | 22.59 | 21.58 | 6.86 | 4.56 | 183.04 |
| 15 | 35.58 | 29.81 | 8.88 | 4.72 | 385.53 |
| 20 | 36.01 | 31.69 | 10.92 | 5.06 | 480.44 |
| 25 | 42.00 | 17.00 | 9.03 | 4.12 | 307.97 |
| 30 | 61.00 | 9.00 | 6.25 | 3.56 | 86.62 |
| Tillage Depth (D, cm) | Surface Roughness (SR, cm) | Clod Diameter (c, mm) |
|---|---|---|
| 10 | 3.36 | 29.72 |
| 15 | 4.42 | 27.06 |
| 20 | 5.33 | 30.12 |
| 25 | 5.02 | 15.73 |
| 30 | 4.81 | 11.76 |
| Tillage Depth (D, cm) | Move Distance (L’, cm) | Theoretical Height (H’, cm) | Acute Angle (ε, °) | Horizontal Length (L, cm) |
|---|---|---|---|---|
| 10 | 5 | 3.61 | 36 | 19.38 |
| 15 | 5 | 6.08 | 51 | 24.70 |
| 20 | 5 | 9.68 | 63 | 27.99 |
| 25 | 5 | 16.96 | 74 | 30.00 |
| 30 | 5 | 46.78 | 84 | 31.00 |
Disclaimer/Publisher’s Note: The statements, opinions and data contained in all publications are solely those of the individual author(s) and contributor(s) and not of MDPI and/or the editor(s). MDPI and/or the editor(s) disclaim responsibility for any injury to people or property resulting from any ideas, methods, instructions or products referred to in the content. |
© 2023 by the authors. Licensee MDPI, Basel, Switzerland. This article is an open access article distributed under the terms and conditions of the Creative Commons Attribution (CC BY) license (https://creativecommons.org/licenses/by/4.0/).
Share and Cite
Liang, L.; Sun, H.; Ding, Q.; He, R.; Li, Y.; Xu, G. An In Situ Videotaping Approach for Parameterizing Subsoiling-Induced Soil Disturbance. Agronomy 2023, 13, 418. https://doi.org/10.3390/agronomy13020418
Liang L, Sun H, Ding Q, He R, Li Y, Xu G. An In Situ Videotaping Approach for Parameterizing Subsoiling-Induced Soil Disturbance. Agronomy. 2023; 13(2):418. https://doi.org/10.3390/agronomy13020418
Chicago/Turabian StyleLiang, Lei, Haotian Sun, Qishuo Ding, Ruiyin He, Yinian Li, and Gaoming Xu. 2023. "An In Situ Videotaping Approach for Parameterizing Subsoiling-Induced Soil Disturbance" Agronomy 13, no. 2: 418. https://doi.org/10.3390/agronomy13020418
APA StyleLiang, L., Sun, H., Ding, Q., He, R., Li, Y., & Xu, G. (2023). An In Situ Videotaping Approach for Parameterizing Subsoiling-Induced Soil Disturbance. Agronomy, 13(2), 418. https://doi.org/10.3390/agronomy13020418

