Effects of Organic Acidic Products from Discharge-Induced Decomposition of the FRP Matrix on ECR Glass Fibers in Composite Insulators
Abstract
1. Introduction
2. Materials and Methods
2.1. The Structure of the Epoxy Resin Matrix and the Glass Fiber Skeletal Material
2.2. Experimental Methods for Discharge-Induced Deterioration
2.2.1. Simulation Experiment on Thermal Effects of Partial Discharge
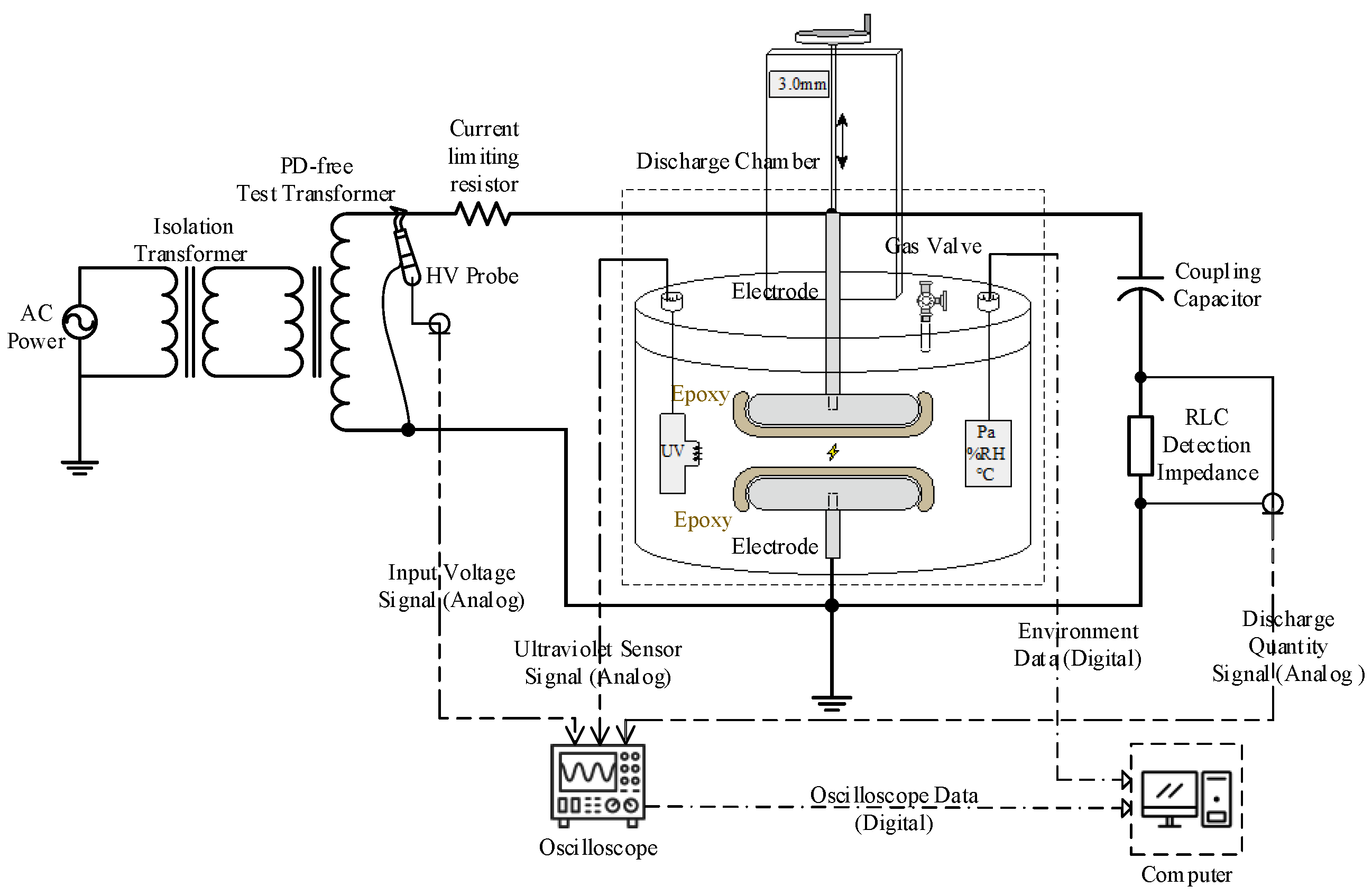
2.2.2. Discharge Simulation Experiments Considering Atmospheric Species and Thermal Effects

2.3. The Experiment on the Degradation of Glass Fibers Under Acidic and Thermal Conditions
3. Results and Discussion
3.1. Analysis of Acidic Byproducts from Discharge
3.1.1. Acidic Products from Thermal Effects of Discharge
3.1.2. Thermal Effects of Acidic Products Under the Influence of Atmospheric Species
3.2. The Impact of Organic Acids on ECR Glass Fibers
3.3. The Erosion Mechanism of Organic Acids on ECR Glass Fibers
3.3.1. Chemical Element Changes
3.3.2. Analysis of Crystalline Products
3.3.3. Chemical Functional Groups Changes
4. Conclusions
- (1)
- When the polymerization ceiling temperature exceeds the critical threshold, cross-linking points begin to break, generating anhydrides. These anhydrides subsequently hydrolyze under the influence of internal material moisture or environmental humidity, forming carboxylic acids. Hydroxyl radicals generated by partial discharge can accelerate this process, further increasing the variety of carboxylic acid products.
- (2)
- After discharge, the content of organic acids in the liquid products of epoxy resin is significantly higher than that of inorganic acids. PY-GC-MS and LC-MS/MS results indicate that the variety of organic acids generated by discharge in the presence of a specific atmosphere is greater than those produced solely by thermal effects. Moreover, the types of organic acids formed on the surface of the epoxy resin are more diverse than those within its interior. The greater variety and higher relative content of organic acids accelerate the surface corrosion and damage of ECR glass fibers, leading to the decay-like deterioration of composite insulators primarily occurring at the interface. Therefore, the impact of organic acids on glass fibers cannot be overlooked, and the study of this mechanism holds significant importance.
- (3)
- The deterioration process of ECR glass fibers by organic acids involves multiple mechanisms. Firstly, oxalic acid degrades the coupling agent coating on the surface of the glass fibers, exposing their internal structure. Secondly, the H+ ions in oxalic acid react with the alkali metal–silica network within the glass fibers, leading to the dissolution and leaching of metal ions, thereby compromising the structural integrity of the fibers. Additionally, the leached metal ions combine with oxalate ions to form insoluble complexes, further accelerating the decay-like deterioration process.
- (4)
- Elevated temperatures significantly accelerate the degradation process of ECR glass fibers. In practical applications, under the influence of external mechanical stress, surface cracks on the glass fibers gradually propagate, ultimately leading to their fracture. This indicates that environmental temperature, acidic solutions, and the duration of degradation are critical factors influencing the decay-like deterioration and even fracture of glass fibers.
- (5)
- Under the same experimental temperature conditions, compared to nitric acid, the oxalic acid experimental group exhibited significant changes in mechanical properties, chemical elements, and functional groups, indicating that oxalic acid has a more pronounced corrosive effect on glass fibers.
- (6)
- To enhance the service life of composite insulators, this study recommends optimizing production processes and standards before the products leave the factory, thereby reducing defects that lead to partial discharge. Additionally, during the production process, glass fiber materials with lower Ca content should be selected, and the formulation of the core rod should be adjusted to minimize the generation of organic acids.
Supplementary Materials
Author Contributions
Funding
Institutional Review Board Statement
Data Availability Statement
Conflicts of Interest
Abbreviations
| FRP | Fiber-reinforced polymer |
| PY-GC-MS | Pyrolysis-gas chromatography-mass spectrometry |
| HPLC-MS-MS | High-performance liquid chromatography-tandem mass spectrometry |
| MeTHPA | Methyl tetrahydrophthalic anhydride |
| HESI | High-efficiency electrospray ionization source |
References
- ASTM D578-05; Standard Specification for Glass Fiber Strands. ASTM International: West Conshohocken, PA, USA, 2005.
- Liang, X.; Dai, J. Analysis of the acid sources of a field brittle fractured composite insulator. IEEE Trans. Dielectr. Electr. Insul. 2006, 13, 870–876. [Google Scholar] [CrossRef]
- Kumosa, M.; Kumosa, L.; Armentrout, D. Failure analyses of nonceramic insulators. Part 1: Brittle fracture characteristics. IEEE Electr. Insul. Mag. 2005, 21, 14–27. [Google Scholar] [CrossRef]
- Qiu, Q.; Kumosa, M. Corrosion of E-glass fibers in acidic environments. Compos. Sci. Technol. 1997, 57, 497–507. [Google Scholar] [CrossRef]
- Wang, J.; Liang, X.; Gao, Y. Failure analysis of decay-like fracture of composite insulator. IEEE Trans. Dielectr. Electr. Insul. 2014, 21, 2503–2511. [Google Scholar] [CrossRef]
- Kumosa, M.; Kumosa, L.; Armentrout, D. Failure analyses of nonceramic insulators: Part II—The brittle fracture model and failure prevention. IEEE Electr. Insul. Mag. 2005, 21, 28–41. [Google Scholar] [CrossRef]
- Xie, J.; Yin, P.; Shi, W.; Hu, M.; Wang, J.; Zhou, X.; Han, J.; Cao, S.; Han, L.; Yao, Y. Corrosion mechanism of E-glass of chemical resistance glass fiber in acid environment. J. Wuhan Univ. Technol. Mater. Sci. Ed. 2016, 31, 872–876. [Google Scholar] [CrossRef]
- Li, H.; Gu, P.; Watson, J.; Meng, J. Acid corrosion resistance and mechanism of E-glass fibers: Boron factor. J. Mater. Sci. 2013, 48, 3075–3087. [Google Scholar] [CrossRef]
- Gao, Y.; Liang, X.; Bao, W.; Wu, C.; Li, S. Degradation characteristics of epoxy resin of GFRP rod in the decay-like fracture of composite insulator. IEEE Trans. Dielectr. Electr. Insul. 2019, 26, 107–114. [Google Scholar] [CrossRef]
- Yuan, Z.; Tu, Y.; Zhao, Y.; Jiang, H.; Wang, C. Degradation behavior and aging mechanism of decay-like fractured GRP rod in composite insulator. IEEE Trans. Dielectr. Electr. Insul. 2019, 26, 1027–1034. [Google Scholar] [CrossRef]
- Liang, X.; Bao, W.; Gao, Y. Decay-like fracture mechanism of silicone rubber composite insulator. IEEE Trans. Dielectr. Electr. Insul. 2018, 25, 110–119. [Google Scholar] [CrossRef]
- Gao, Y.; Liang, X. Study on Decay-Like Fracture of Composite Insulator, Part II: Experimental Simulation and Preventive Method Discussion of Decay-Like Fracture. In Proceedings of the CSEE 2016, Prague, Czech Republic, 30–31 March 2016; Volume 36, pp. 5070–5077+5132. [Google Scholar]
- Zhang, X.; Wu, Y.; Chen, X.; Wen, H.; Xiao, S. Theoretical Study on Decomposition Mechanism of Insulating Epoxy Resin Cured by Anhydride. Polymers 2017, 9, 341. [Google Scholar] [CrossRef] [PubMed]
- Peng, Y.; Chen, X.; Deng, Y.; Lan, L.; Zhan, H.; Pei, X.; Chen, J.; Yuan, Y.; Wen, X. Kinetic study of key species and reactions of atmospheric pressure pulsed corona discharge in humid air. Plasma Sci. Technol. 2022, 24, 055404. [Google Scholar] [CrossRef]
- Neǐman, M.B.; Kovarskaya, B.M.; Golubenkova, L.I.; Strizhkova, A.S.; Levantovskaya, I.I.; Akutin, M.S. The thermal degradation of some epoxy resins. J. Polym. Sci. 1962, 56, 383–389. [Google Scholar] [CrossRef]
- Grassie, N.; Guy, M.I.; Tennent, N.H. Degradation of epoxy polymers: Part 1—Products of thermal degradation of bisphenol-A diglycidyl ether. Polym. Degrad. Stab. 1985, 12, 65–91. [Google Scholar] [CrossRef]
- Grassie, N.; Guy, M.I.; Tennent, N.H. Degradation of epoxy polymers: 2—Mechanism of thermal degradation of bisphenol-A diglycidyl ether. Polym. Degrad. Stab. 1985, 13, 11–20. [Google Scholar] [CrossRef]
- Grassie, N.; Guy, M.I.; Tennent, N.H. Degradation of epoxy polymers: Part 4—Thermal degradation of bisphenol-A diglycidyl ether cured with ethylene diamine. Polym. Degrad. Stab. 1986, 14, 125–137. [Google Scholar] [CrossRef]
- Torres-Herrador, F.; Eschenbacher, A.; Blondeau, J.; Magin, T.E.; Geem, K.M.V. Study of the degradation of epoxy resins used in spacecraft components by thermogravimetry and fast pyrolysis. J. Anal. Appl. Pyrolysis 2022, 161, 105397. [Google Scholar] [CrossRef]
- Lu, M.; Gao, C.; Li, Z.; Wu, Y.; Mei, H.; Wang, L. Study on Distribution of Decay-like Fracture of Composite Insulator. High Volt. Appar. 2024, 60, 133–142. [Google Scholar]
- Wan, Z.; Zhang, D.; Gao, C.; Lu, M.; Li, Z.; Huang, Z.; You, Y.; Wang, Z. Experimental study on the thermal decomposition of epoxy/anhydride thermoset matrix in composite insulator core rods. Polym. Degrad. Stab. 2024, 222, 110697. [Google Scholar] [CrossRef]
- Schifani, R. Surface Discharge Effects on Dielectric Properties of Epoxy Resins. IEEE Trans. Electr. Insul. 1983, EI-18, 504–512. [Google Scholar] [CrossRef]
- Hudon, C.; Bartnikas, R.; Wertheimer, M.R. Surface conductivity of epoxy specimens subjected to partial discharges. In Proceedings of the IEEE International Symposium on Electrical Insulation, Toronto, ON, Canada, 3–6 June 1990. [Google Scholar]
- Hudon, C.; Bartnikas, R.; Wertheimer, M.R. Chemical and physical degradation effects on epoxy surfaces exposed to partial discharges. In Proceedings of the 1994 4th International Conference on Properties and Applications of Dielectric Materials (ICPADM), Brisbane, QLD, Australia, 3–8 July 1994. [Google Scholar]
- Hudon, C.; Bartnikas, R.; Wertheimer, M.R. Analysis of degradation products on epoxy surfaces subjected to pulse and glow type discharges. In Proceedings of the 1991 Annual Report. Conference on Electrical Insulation and Dielectric Phenomena, Knoxville, TN, USA, 20–23 October 1991; pp. 237–243. [Google Scholar]
- Lutz, B.; Cheng, L.; Guan, Z.; Wang, L.; Zhang, F. Analysis of a fractured 500 kV composite insulator-identification of aging mechanisms and their causes. IEEE Trans. Dielectr. Electr. Insul. 2012, 19, 1723–1731. [Google Scholar] [CrossRef]
- Gao, Y.; Liang, X.; Lu, Y.; Wang, J.; Bao, W.; Li, S.; Wu, C.; Zuo, Z. Comparative Investigation on Fracture of Suspension High Voltage Composite Insulators: A Review—Part I: Fracture Morphology Characteristics. IEEE Electr. Insul. Mag. 2021, 37, 7–17. [Google Scholar] [CrossRef]
- Cheng, L.; Wang, L.; Zhang, Z.; Zhang, F. Mechanism of fracture related heating for 500-kV composite insulators in highly humid areas. Int. Trans. Electr. Energy Syst. 2016, 26, 641–654. [Google Scholar] [CrossRef]
- Sukanto, H.; Raharjo, W.W.; Ariawan, D.; Triyono, J.; Kaavesina, M. Epoxy resins thermosetting for mechanical engineering. Open Eng. 2021, 11, 797–814. [Google Scholar] [CrossRef]
- Matějka, L.; Lövy, J.; Pokorný, S.; Bouchal, K.; Dušek, K. Curing epoxy resins with anhydrides. Model reactions and reaction mechanism. J. Polym. Sci. Polym. Chem. Ed. 1983, 21, 2873–2885. [Google Scholar] [CrossRef]
- IEC 60270:2000; High-Voltage Test Techniques—Partial Discharge Measurements. International Electrotechnical Commission: Geneva, Switzerland, 2000.
- Wang, Z.; Zhang, D.; Gao, C.; Lu, M.; Li, H.; Li, Z.; Shi, K. Study on the Characteristics and Mechanism of Discharge Degradation Products of Epoxy Resin Matrix in Composite Insulators Under Humid Air Environment. In Proceedings of the 19th Annual Conference of China Electrotechnical Society, Xi’an, China, 20–22 September 2024; Yang, Q., Bie, Z., Yang, X., Eds.; Springer: Singapore, 2025; pp. 364–372. [Google Scholar]
- Liao, X.; Guo, Y.; He, J.; Ou, W.; Ye, D. Hydroxyl Radicals Formation in Dielectric Barrier Discharge During Decomposition of Toluene. Plasma Chem. Plasma Process. 2010, 30, 841–853. [Google Scholar] [CrossRef]
- Wang, L.; Deng, L.; Li, B.; Fang, B.; Zhao, W.; Xu, H. Low-pressure OH radicals reactor generated by dielectric barrier discharge from water vapor. Phys. Plasmas 2020, 27, 060701. [Google Scholar] [CrossRef]
- Guo, Y.; Liao, X.; Ye, D. Detection of hydroxyl radical in plasma reaction on toluene removal. J. Environ. Sci. 2008, 20, 1429–1432. [Google Scholar] [CrossRef]
- Attri, P.; Kim, Y.H.; Park, D.H.; Park, J.H.; Hong, Y.J.; Uhm, H.S.; Kim, K.-N.; Fridman, A.; Choi, E.H. Generation mechanism of hydroxyl radical species and its lifetime prediction during the plasma-initiated ultraviolet (UV) photolysis. Sci. Rep. 2015, 5, 9332. [Google Scholar] [CrossRef]
- Campbell, C.G.; Astorga, D.J.; Duemichen, E.; Celina, M. Thermoset materials characterization by thermal desorption or pyrolysis based gas chromatography-mass spectrometry methods. Polym. Degrad. Stab. 2020, 174, 109032. [Google Scholar] [CrossRef]













| RT (min) | Name | Formula | Structure | Mol. wt. | pKa |
|---|---|---|---|---|---|
| 12.25 | cis-3-Methyl-4-cyclohexene-1,2-dicarboxylic acid | C9H12O4 | ![]() | 184 | 4.3 |
| 21.91 | 4’-Ethyl-4-biphenylcarboxylic acid | C15H14O2 | ![]() | 226 | 4.2 |
| 11.20 | Benzoic acid, 3-methyl- | C8H8O2 | ![]() | 136 | 4.3 |
| 19.20 | n-Hexadecanoic acid | C16H32O2 | ![]() | 256 | 4.8 |
| 11.89 | 1,2-Benzenedicarboxylic acid | C8H6O4 | ![]() | 166 | 2.95 |
| RT * (min) | Name | Formula | Structure | Mol. wt. | pKa | Area |
|---|---|---|---|---|---|---|
| (−)4.85 | Ethylmalonic acid | C5H8O4 | ![]() | 132.04 | 3.1 | 8.0 × 108 |
| (+)5.23 | Adipic acid | C6H10O4 | ![]() | 146.06 | 4.5 | 3.9 × 108 |
| (+)13.08 | 4-Methoxycinnamic acid | C10H10O3 | ![]() | 178.19 | 4.6 | 3.6 × 108 |
| (−)11.52 | Hexadecanedioic acid | C16H30O4 | ![]() | 286.21 | 4.7 | 3.1 × 108 |
| (−)1.38 | Acetic acid | C2H4O2 | ![]() | 60.02 | 4.7 | 2.2 × 108 |
| (−)11.66 | 16-Hydroxyhexadecanoic acid | C16H31O3 | ![]() | 272.23 | 4.8 | 2.1 × 108 |
| (+)5.35 | trans-3-Hexenoic acid | C6H10O2 | ![]() | 114.07 | 4.5 | 1.9 × 108 |
| (−)2.13 | Nitric acid | HNO3 | ![]() | 63 | −1.4 | 1.8 × 108 |
| (−)6.94 | Suberic acid | C8H14O4 | ![]() | 174.09 | 4.5 | 1.3 × 108 |
| (+)11.66 | Palmitoleic acid | C16H30O2 | ![]() | 254.22 | 4.8 | 1.1 × 108 |
| (−)4.80 | 2-Methylglutaric acid | C6H10O4 | ![]() | 146.06 | 4.6 | 1.1 × 108 |
| (−)3.16 | Methylsuccinic acid | C5H8O4 | ![]() | 132.04 | 4.6 | 1.1 × 108 |
| (−)2.35 | D-α-Hydroxyglutaric acid | C5H8O5 | ![]() | 148.04 | 3.7 | 1.0 × 108 |
| (−)4.66 | Citraconic acid | C5H6O4 | ![]() | 259.05 | 3.1 | 1.0 × 108 |
| Deteriorating Conditions | Tensile Breaking Stress (MPa) | Decrease in Tensile Breaking Stress (%) | Elastic Modulus (GPa) | Decrease in Elastic Modulus (%) |
|---|---|---|---|---|
| Intact | 529.20 | / | 55.72 | / |
| 25 °C-0.5 mol/L Oxalic acid-12 d | 336.28 | 36.46 | 34.74 | 37.65 |
| 25 °C-1.0 mol/L Nitric acid-12 d | 480.26 | 13.03 | 44.92 | 19.38 |
| 80 °C-0.5 mol/L Oxalic acid-12 d | 20.51 | 96.12 | 3.22 | 94.22 |
| 80 °C-1.0 mol/L Nitric acid-12 d | 311.34 | 41.17 | 37.26 | 33.13 |
| Elements | C | Decrease in C (%) | O | Decrease in O (%) | Si | Decrease in Si (%) | Metal Elements | Decrease in Metal Elements (%) | |
|---|---|---|---|---|---|---|---|---|---|
| Deterio- Rating Conditions | |||||||||
| Intact | 23.35 | / | 29.87 | / | 23.35 | / | 23.43 | / | |
| 25 °C-0.5 mol/L Oxalic acid-12 d | 21.61 | 7.45 | 29.89 | −0.07 | 26.35 | −12.85 | 22.15 | 5.46 | |
| 25 °C-1.0 mol/L Nitric acid-12 d | 26.04 | −11.52 | 27.2 | 8.94 | 25.5 | −9.21 | 21.26 | 9.26 | |
| 80 °C-0.5 mol/L Oxalic acid-12 d | 15.18 | 34.99 | 41.93 | −40.37 | 39.55 | −69.38 | 2.94 | 87.45 | |
| 80 °C-1.0 mol/L Nitric acid-12 d | 15.18 | 34.99 | 38.59 | −29.19 | 33.33 | −42.74 | 12.9 | 44.94 | |
| Functional Group Content | Si-O | Si-O Content Relative to Intact Sample (%) | Si-O-Si | Si-O-Si Content Relative to Intact Sample (%) | -OH | -OH Content Relative to Intact Sample (%) | |
|---|---|---|---|---|---|---|---|
| Deteriorating Conditions | |||||||
| Intact | 36.60 | / | 55.20 | / | 6.60 | / | |
| 25 °C-0.5 mol/L Oxalic acid-12 d | 30.40 | 83.06 | 44.44 | 80.51 | 8.10 | 122.73 | |
| 25 °C-1.0 mol/L Nitric acid-12 d | 31.13 | 85.05 | 45.82 | 83.01 | 6.60 | 99.97 | |
| 80 °C-0.5 mol/L Oxalic acid-12 d | 16.55 | 45.22 | 17.31 | 31.36 | 25.45 | 385.61 | |
| 80 °C-1.0 mol/L Nitric acid-12 d | 20.96 | 57.27 | 31.29 | 56.68 | 7.81 | 118.33 | |
Disclaimer/Publisher’s Note: The statements, opinions and data contained in all publications are solely those of the individual author(s) and contributor(s) and not of MDPI and/or the editor(s). MDPI and/or the editor(s) disclaim responsibility for any injury to people or property resulting from any ideas, methods, instructions or products referred to in the content. |
© 2025 by the authors. Licensee MDPI, Basel, Switzerland. This article is an open access article distributed under the terms and conditions of the Creative Commons Attribution (CC BY) license (https://creativecommons.org/licenses/by/4.0/).
Share and Cite
Zhang, D.; Wan, Z.; Shi, K.; Lu, M.; Gao, C. Effects of Organic Acidic Products from Discharge-Induced Decomposition of the FRP Matrix on ECR Glass Fibers in Composite Insulators. Polymers 2025, 17, 1540. https://doi.org/10.3390/polym17111540
Zhang D, Wan Z, Shi K, Lu M, Gao C. Effects of Organic Acidic Products from Discharge-Induced Decomposition of the FRP Matrix on ECR Glass Fibers in Composite Insulators. Polymers. 2025; 17(11):1540. https://doi.org/10.3390/polym17111540
Chicago/Turabian StyleZhang, Dandan, Zhiyu Wan, Kexin Shi, Ming Lu, and Chao Gao. 2025. "Effects of Organic Acidic Products from Discharge-Induced Decomposition of the FRP Matrix on ECR Glass Fibers in Composite Insulators" Polymers 17, no. 11: 1540. https://doi.org/10.3390/polym17111540
APA StyleZhang, D., Wan, Z., Shi, K., Lu, M., & Gao, C. (2025). Effects of Organic Acidic Products from Discharge-Induced Decomposition of the FRP Matrix on ECR Glass Fibers in Composite Insulators. Polymers, 17(11), 1540. https://doi.org/10.3390/polym17111540




















