Experimental Correlation of the Role of Synthesized Biochar on Thermal, Morphological, and Crystalline Properties of Coagulation Processed Poly(1,4-phenylene sulfide) Nanocomposites
Abstract
1. Introduction
2. Experimental
2.1. Raw Materials
2.2. Synthesis of Biochar BC
2.3. Physical Activation of BC
2.4. Synthesis of PPS@BC Nanocomposites Using the Coagulation Method
3. Characterization Techniques
3.1. Characterization of BC
3.2. Characterization of PPS@BC Composites
4. Results and Discussions
4.1. Surface Morphology and Composition of BC
4.2. SAP Analysis of BC
4.3. X-ray Diffraction Analysis of BC
4.4. FTIR Interpretation of PPS@BC Nanocomposites
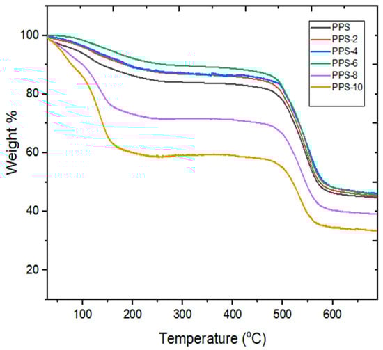
4.5. Thermogravimetric Analysis of PPS@BC Nanocomposite
4.6. Differential Scanning Calorimetric Investigation of PPS@BC Nanocomposites
4.7. Surface Morphology and Composition of PPS@BC
5. Conclusions
Author Contributions
Funding
Institutional Review Board Statement
Informed Consent Statement
Data Availability Statement
Acknowledgments
Conflicts of Interest
References
- Wilke, L.A.; Robertson, C.G.; Karsten, D.A.; Hardman, N.J. Detailed understanding of the carbon black–polymer interface in filled rubber composites. Carbon 2023, 201, 520–528. [Google Scholar] [CrossRef]
- Ayub, S.; Guan, B.H.; Ahmad, F. Graphene and Iron based composites as EMI shielding: A Systematic Review. In Proceedings of the 2020 Second International Sustainability and Resilience Conference: Technology and Innovation in Building Designs (51154), Sakheer, Bahrain, 11–12 November 2020; pp. 1–5. [Google Scholar]
- Ayub, S.; Guan, B.H.; Ahmad, F.; Oluwatobi, Y.A.; Nisa, Z.U.; Javed, M.F.; Mosavi, A. Graphene and iron reinforced polymer composite electromagnetic shielding applications: A review. Polymers 2021, 13, 2580. [Google Scholar] [CrossRef] [PubMed]
- Nezili, Y.; Mdarhri, A.; El Aboudi, I.; Brosseau, C.; Zaghrioui, M.; Ghorbal, A.; He, D.; Bai, J. Solvent polarity impacts the sorption kinetics and tensile properties of carbon black filled elastomers. Polymer 2023, 264, 125563. [Google Scholar] [CrossRef]
- Zadafiya, K.; Bandhu, D.; Kumari, S.; Chatterjee, S.; Abhishek, K. Recent trends in drilling of carbon fiber reinforced polymers (CFRPs): A state-of-the-art review. J. Manuf. Process. 2021, 69, 47–68. [Google Scholar] [CrossRef]
- Ayub, S.; Guan, B.H.; Ahmad, F.; Javed, M.F.; Mosavi, A.; Felde, I. Preparation Methods for Graphene Metal and Polymer Based Composites for EMI Shielding Materials: State of the Art Review of the Conventional and Machine Learning Methods. Metals 2021, 11, 1164. [Google Scholar] [CrossRef]
- Kumar, S.; Satapathy, B.K.; Patnaik, A. Thermo-mechanical correlations to erosion performance of short glass/carbon fiber reinforced vinyl ester resin hybrid composites. Comput. Mater. Sci. 2012, 60, 250–260. [Google Scholar] [CrossRef]
- Ayub, S.; Guan, B.H.; Ahmad, F.; Nisa, Z.U. A Shear Mixing approach in Polymer Composite Formation. In Proceedings of the 2021 Third International Sustainability and Resilience Conference: Climate Change, Virtual, 15–17 November 2021; pp. 205–210. [Google Scholar]
- Ayub, S.; Soleimani, H.; Guan, B.H.; Nisa, Z.U.; Ahmad, F. Graphene, Copper and Nickel based composites in EMI applications: A brief review. In Proceedings of the 2022 International Conference on Data Analytics for Business and Industry (ICDABI), Virtual, 25–26 October 2021; pp. 525–527. [Google Scholar]
- Boostani, A.F.; Yazdani, S.; Mousavian, R.T.; Tahamtan, S.; Khosroshahi, R.A.; Wei, D.; Brabazon, D.; Xu, J.; Zhang, X.; Jiang, Z. Strengthening mechanisms of graphene sheets in aluminium matrix nanocomposites. Mater. Des. 2015, 88, 983–989. [Google Scholar] [CrossRef]
- Greil, P. Perspectives of nano-carbon based engineering materials. Adv. Eng. Mater. 2015, 17, 124–137. [Google Scholar] [CrossRef]
- Martinez, C.L.M.; Sermyagina, E.; Saari, J.; de Jesus, M.S.; Cardoso, M.; de Almeida, G.M.; Vakkilainen, E. Hydrothermal carbonization of lignocellulosic agro-forest based biomass residues. Biomass Bioenergy 2021, 147, 106004. [Google Scholar] [CrossRef]
- un Nisa, Z.; Chuan, L.K.; Ayub, S.; Guan, B.H.; Ahmad, F. Thermal and Morphological Characterization of Coagulation-Processed Nanocomposite of Polypropylene and Bio-nanocarbon obtained from Bamboo. In Proceedings of the 2021 Third International Sustainability and Resilience Conference: Climate Change, Virtual, 15–17 November 2021; pp. 436–439. [Google Scholar]
- Ayub, S.; Guan, B.H.; Ahmad, F.; Soleimani, H.; You, K.Y.; Nisa, Z.U.; Yusuf, J.Y.; Hamid, M.A.B. Optimization of magnetite with modified graphene for microwave absorption properties. J. Alloy. Compd. 2023, 936, 168182. [Google Scholar] [CrossRef]
- McDougall, G.J. The physical nature and manufacture of activated carbon. J. South. Afr. Inst. Min. Metall. 1991, 91, 109–120. [Google Scholar]
- Daud, W.M.A.W.; Ali, W.S.W. Comparison on pore development of activated carbon produced from palm shell and coconut shell. Bioresour. Technol. 2004, 93, 63–69. [Google Scholar] [CrossRef] [PubMed]
- Khalil, L.B. Technology. Porosity characteristics of chars derived from different lignocellulosic materials. Adsorpt. Sci. Technol. 1999, 17, 729–739. [Google Scholar] [CrossRef]
- Ayub, S.; Guan, B.H.; Soleimani, H.; Ahmad, F.; Nisa, Z.U.; Yusuf, J.Y.; Hamid, M.A.B.; Hassan, Y.M. Magnetite deposit on graphene nanoplatelets Surface: An assessment of grafting parameters. Ain Shams Eng. J. 2023, 14, 101996. [Google Scholar] [CrossRef]
- Rampur, V.V.; Banagar, A.R.; Ganesh, U.; Srinivas, C.; Reur, S. Mechanical characterization of wood apple and coconut shell reinforced hybrid composites. In AIP Conference Proceedings, 2020; AIP Publishing: Long Island, NY, USA, 2020; p. 040001. [Google Scholar]
- Dong, M.; Li, Q.; Liu, H.; Liu, C.; Wujcik, E.K.; Shao, Q.; Ding, T.; Mai, X.; Shen, C.; Guo, Z. Thermoplastic polyurethane-carbon black nanocomposite coating: Fabrication and solid particle erosion resistance. Polymer 2018, 158, 381–390. [Google Scholar] [CrossRef]
- Diez-Pascual, A.M.; Naffakh, M. Tuning the properties of carbon fiber-reinforced poly (phenylene sulphide) laminates via incorporation of inorganic nanoparticles. Polymer 2012, 53, 2369–2378. [Google Scholar] [CrossRef]
- Zhai, H.; Zhou, X.; Fang, L.; Lu, A. Study on mechanical properties of powder impregnated glass fiber reinforced poly (phenylene sulphide) by injection molding at various temperatures. J. Appl. Polym. Sci. 2010, 115, 2019–2027. [Google Scholar] [CrossRef]
- Rahate, A.S.; Nemade, K.R.; Waghuley, S.A. Polyphenylene sulfide (PPS): State of the art and applications. Rev. Chem. Eng. 2013, 29, 471–489. [Google Scholar] [CrossRef]
- Nisa, Z.U.; Chuan, L.K.; Guan, B.H.; Ayub, S.; Ahmad, F. Anti-Wear and Anti-Erosive Properties of Polymers and Their Hybrid Composites: A Critical Review of Findings and Needs. Nanomaterials 2022, 12, 2194. [Google Scholar] [CrossRef]
- Vieille, B.; Aucher, J.; Taleb, L. Carbon fiber fabric reinforced PPS laminates: Influence of temperature on mechanical properties and behavior. Adv. Polym. Technol. 2011, 30, 80–95. [Google Scholar] [CrossRef]
- Batista, N.L.; Olivier, P.; Bernhart, G.; Rezende, M.C.; Botelho, E.C. Correlation between degree of crystallinity, morphology and mechanical properties of PPS/carbon fiber laminates. Mater. Res. 2016, 19, 195–201. [Google Scholar] [CrossRef]
- Jain, A.; Somberg, J.; Emami, N. Development and characterization of multi-scale carbon reinforced PPS composites for tribological applications. Lubricants 2019, 7, 34. [Google Scholar] [CrossRef]
- Alo, O.A.; Otunniyi, I.O.; Sadiku, E.R. Processing methods for conductive polymer composite bipolar plates: Effect on plate quality and performance. Fuel Cells 2023. [Google Scholar] [CrossRef]
- Jog, J.; Shingankuli, V.; Nadkarni, V. Crystallization of poly (phenylene sulfide) in blends with high density polyethylene and poly (ethylene terephthalate). Polymer 1993, 34, 1966–1969. [Google Scholar] [CrossRef]
- Irfan, M.; Martin, S.; Obeidi, M.A.; Miller, S.; Kuster, F.; Brabazon, D.; Naydenova, I. A Magnetic Nanoparticle-Doped Photopolymer for Holographic Recording. Polymers 2022, 14, 1858. [Google Scholar] [CrossRef] [PubMed]
- Donohue, M.; Aranovich, G.L. Classification of Gibbs adsorption isotherms. Adv. Colloid Interface Sci. 1998, 76, 137–152. [Google Scholar] [CrossRef]
- Fallah, R.; Hosseinabadi, S.; Pourtaghi, G. Influence of Fe3O4 and carbon black on the enhanced electromagnetic interference (EMI) shielding effectiveness in the epoxy resin matrix. J. Environ. Health Sci. Eng. 2022, 20, 113–122. [Google Scholar] [CrossRef]
- Meyer, C.; Weyhe, M.; Haselrieder, W.; Kwade, A. Heated calendering of cathodes for lithium-ion batteries with varied carbon black and binder contents. Energy Technol. 2020, 8, 1900175. [Google Scholar] [CrossRef]
- Veeman, D.; Shree, M.V.; Sureshkumar, P.; Jagadeesha, T.; Natrayan, L.; Ravichandran, M.; Paramasivam, P. Sustainable development of carbon nanocomposites: Synthesis and classification for environmental remediation. J. Nanomater. 2021, 2021, 5840645. [Google Scholar] [CrossRef]
- Khodabakhshi, S.; Fulvio, P.F.; Andreoli, E. Carbon black reborn: Structure and chemistry for renewable energy harnessing. Carbon 2020, 162, 604–649. [Google Scholar] [CrossRef]
- Sing, K.S.; Rouquerol, F.; Rouquerol, J. Adsorption By Powders and Porous Solids: Principles, Methodology, and Applications; Academic Press: Cambridge, MA, USA, 1999. [Google Scholar]
- Cao, J.; Chen, L. Effect of thermal cycling on carbon fiber-reinforced PPS composites. Polym. Compos. 2005, 26, 713–716. [Google Scholar] [CrossRef]
- Shingankuli, V.; Jog, J.; Nadkarni, V.M. Thermal and crystallization behavior of engineering polyblends. I. Glass reinforced polyphenylene sulfide with polyethylene terephthalate. J. Appl. Polym. Sci. 1988, 36, 335–351. [Google Scholar] [CrossRef]
- Li, W.; Yang, K.; Peng, J.; Zhang, L.; Guo, S.; Xia, H. Effects of carbonization temperatures on characteristics of porosity in coconut shell chars and activated carbons derived from carbonized coconut shell chars. Ind. Crops Prod. 2008, 28, 190–198. [Google Scholar] [CrossRef]
- Maciá-Agulló, J.; Moore, B.; Cazorla-Amorós, D.; Linares-Solano, A. Activation of coal tar pitch carbon fibres: Physical activation vs. chemical activation. Carbon 2004, 42, 1367–1370. [Google Scholar] [CrossRef]
- Daud, W.M.A.W.; Ali, W.S.W.; Sulaiman, M.Z. The effects of carbonization temperature on pore development in palm-shell-based activated carbon. Carbon 2000, 38, 1925–1932. [Google Scholar] [CrossRef]
- Rodriguez-Reinoso, F. Microporous structure of activated carbons as revealed adsorption methods. Chem. Phys. Carbon 1989, 21, 1. [Google Scholar]
- Rodriguez-Reinoso, F. Controlled gasification of carbon and pore structure development. In Fundamental Issues in Control of Carbon Gasification Reactivity; Springer: Berlin/Heidelberg, Germany, 1991; pp. 533–571. [Google Scholar]
- Chauhan, A.; Chauhan, P. Powder XRD technique and its applications in science and technology. J. Anal. Bioanal. Tech. 2014, 5, 1–5. [Google Scholar] [CrossRef]
- Skoog, D.; Holler, F.; Crouch, S. Principles of Instrumental Analysis, 6th ed.; Brooks Cole, Cengage Learning: Boston, MA, USA, 2007; pp. 338–373. [Google Scholar]
- Barnakov, C.N.; Khokhlova, G.; Malysheva, V.Y.; Popova, A.; Ismagilov, Z.R. X-ray diffraction analysis of the crystal structures of different graphites. Solid Fuel Chem. 2015, 49, 25–29. [Google Scholar] [CrossRef]
- Oh, S.Y.; Yoo, D.I.; Shin, Y.; Kim, H.C.; Kim, H.Y.; Chung, Y.S.; Park, W.H.; Youk, J.H. Crystalline structure analysis of cellulose treated with sodium hydroxide and carbon dioxide by means of X-ray diffraction and FTIR spectroscopy. Carbohydr. Res. 2005, 340, 2376–2391. [Google Scholar] [CrossRef]
- Quan, Y.; Liu, Q.; Zhang, S.; Zhang, S. Comparison of the morphology, chemical composition and microstructure of cryptocrystalline graphite and carbon black. Appl. Surf. Sci. 2018, 445, 335–341. [Google Scholar] [CrossRef]
- Lee, S.-M.; Lee, S.-H.; Roh, J.-S. Analysis of activation process of carbon black based on structural parameters obtained by XRD analysis. Crystals 2021, 11, 153. [Google Scholar] [CrossRef]
- Zhao, Y.; Xiao, M.; Wang, S.; Ge, X.; Meng, Y. Preparation and properties of electrically conductive PPS/expanded graphite nanocomposites. Compos. Sci. Technol. 2007, 67, 2528–2534. [Google Scholar] [CrossRef]
- Bai, J. Advanced Fibre-Reinforced Polymer (FRP) Composites for Structural Applications: 1. Introduction; Elsevier Inc. Chapters: Amsterdam, The Netherlands, 2013. [Google Scholar]
- Stoeffler, K.; Andjelic, S.; Legros, N.; Roberge, J.; Schougaard, S.B. Polyphenylene sulfide (PPS) composites reinforced with recycled carbon fiber. Compos. Sci. Technol. 2013, 84, 65–71. [Google Scholar] [CrossRef]
- Xin, W.; Song, Y. Mesoporous carbons: Recent advances in synthesis and typical applications. RSC Adv. 2015, 5, 83239–83285. [Google Scholar] [CrossRef]
- Wang, Y.; He, C.; Brouzgou, A.; Liang, Y.; Fu, R.; Wu, D.; Tsiakaras, P.; Song, S. A facile soft-template synthesis of ordered mesoporous carbon/tungsten carbide composites with high surface area for methanol electrooxidation. J. Power Sources 2012, 200, 8–13. [Google Scholar] [CrossRef]
















| Sample | Carbon (wt%) | Oxygen (wt%) | Potassium (wt%) |
|---|---|---|---|
| BC | 90.2 | 9.5 | 0.3 |
| Sample | Specific Surface Area (SBET) | Langmuir Surface Area (SL) | Average Pore Diameter (D) |
|---|---|---|---|
| BC | 1517 m2/g | 2175 m2/g | 2.51 nm |
| Sample | Plane (002) | Plane (10) |
|---|---|---|
| BC | 28.4 | 40.7 |
| Sample | d002 (Å) | FWHM | Lc (nm) | La (nm) | N (Items) | δ (nm−2) | ε (×10−3) | ρ (g/cm3) | Crystallinity Index (%) |
|---|---|---|---|---|---|---|---|---|---|
| BC | 3.140 | 0.195 | 42.024 | 90.585 | 13.383 | 0.566 | 3.362 | 0.243 | 53.077 |
| Samples | Wavenumber (cm−1) | ||||||
|---|---|---|---|---|---|---|---|
| O–H (Stret) | C–H (Stret) | Benz Ring (Sym Stretch) | Benz Ring (Asym Stret) | C–S (Aliph Stret) | C–H (Out-of-Plane) | Benz Ring (Sym Ring-s Stretch) | |
| PPS | - | 2373 (w) | 1454 (s) | 1382 (w) | 1087 (w) | 807 (m) | 476 (m) |
| PPS-2 | 3433 (w) | 2333 (w) | 1647 | 1462 (w) | 1082 (w) | 811 (m) | 469 (m) |
| PPS-4 | 3433 (s) | 2365 (w) | 1652 (s) | 1468 (w) | 1087 (w) | 817 (m) | 475 (m) |
| PPS-6 | 3433 (s) | 2341 (w) | 1657 (s) | 1468 (w) | 1089 (w) | 817 (m) | 480 (m) |
| PPS-8 | 3433 (s) | 2398 (w) | 1657 (s) | 1468 (w) | 1089 (w) | 811 (m) | 478 (m) |
| PPS-10 | 3433 (s) | 2364 (w) | 1652 (s) | 1468 (w) | 1084 (w) | 811 (m) | 475 (m) |
| Compounds | T5 (°C) | T10 (°C) | T50 (°C) | Tf (°C) | Rf (%) |
|---|---|---|---|---|---|
| PPS | 90 | 127 | 567 | 646 | 45 |
| PPS-2 | 118 | 187 | 573 | 654 | 46 |
| PPS-4 | 123 | 188 | 579 | 656 | 46 |
| PPS-6 | 157 | 250 | 580 | 659 | 46 |
| PPS-8 | 66 | 100 | 545 | 645 | 39 |
| PPS-10 | 56 | 76 | 521 | 606 | 34 |
| Compounds | Toc (°C) | Tc (°C) | ∆Hc (J/g) | Tom (°C) | Tm (°C) | ∆Hm (J/g) | ∆T (°C) | Xc (%) | Tg (°C) |
|---|---|---|---|---|---|---|---|---|---|
| PPS | 252.1 | 242.5 | 45.2 | 261.7 | 281.8 | 35.9 | 38.5 | 40.4 | 134.7 |
| PPS-2 | 265.2 | 257.4 | 41.6 | 271.6 | 284.8 | 29.2 | 27.4 | 37.89 | 129.6 |
| PPS-4 | 264.8 | 256.9 | 35.8 | 263.4 | 284.5 | 28.6 | 27.5 | 34.7 | 119.4 |
| PPS-6 | 269.5 | 258.3 | 36.0 | 274.5 | 284.8 | 12.0 | 26.5 | 33.5 | 117.5 |
| PPS-8 | 268.4 | 255.1 | 25.7 | 265.6 | 283.9 | 28.6 | 28.8 | 24.4 | 135.4 |
| PPS-10 | 269.5 | 253.2 | 22.7 | 268.8 | 283.9 | 16.7 | 30.6 | 22.5 | 149.8 |
Disclaimer/Publisher’s Note: The statements, opinions and data contained in all publications are solely those of the individual author(s) and contributor(s) and not of MDPI and/or the editor(s). MDPI and/or the editor(s) disclaim responsibility for any injury to people or property resulting from any ideas, methods, instructions or products referred to in the content. |
© 2023 by the authors. Licensee MDPI, Basel, Switzerland. This article is an open access article distributed under the terms and conditions of the Creative Commons Attribution (CC BY) license (https://creativecommons.org/licenses/by/4.0/).
Share and Cite
Nisa, Z.U.; Chuan, L.K.; Guan, B.H.; Ahmad, F.; Ayub, S. Experimental Correlation of the Role of Synthesized Biochar on Thermal, Morphological, and Crystalline Properties of Coagulation Processed Poly(1,4-phenylene sulfide) Nanocomposites. Polymers 2023, 15, 1851. https://doi.org/10.3390/polym15081851
Nisa ZU, Chuan LK, Guan BH, Ahmad F, Ayub S. Experimental Correlation of the Role of Synthesized Biochar on Thermal, Morphological, and Crystalline Properties of Coagulation Processed Poly(1,4-phenylene sulfide) Nanocomposites. Polymers. 2023; 15(8):1851. https://doi.org/10.3390/polym15081851
Chicago/Turabian StyleNisa, Zaib Un, Lee Kean Chuan, Beh Hoe Guan, Faiz Ahmad, and Saba Ayub. 2023. "Experimental Correlation of the Role of Synthesized Biochar on Thermal, Morphological, and Crystalline Properties of Coagulation Processed Poly(1,4-phenylene sulfide) Nanocomposites" Polymers 15, no. 8: 1851. https://doi.org/10.3390/polym15081851
APA StyleNisa, Z. U., Chuan, L. K., Guan, B. H., Ahmad, F., & Ayub, S. (2023). Experimental Correlation of the Role of Synthesized Biochar on Thermal, Morphological, and Crystalline Properties of Coagulation Processed Poly(1,4-phenylene sulfide) Nanocomposites. Polymers, 15(8), 1851. https://doi.org/10.3390/polym15081851

