Phase Transformation in UHMWPE Reactor Powders Synthesized on Various Catalysts in Mechanical and Thermal Fields
Abstract
:1. Introduction
2. Materials and Methods
2.1. Materials
2.2. Methods
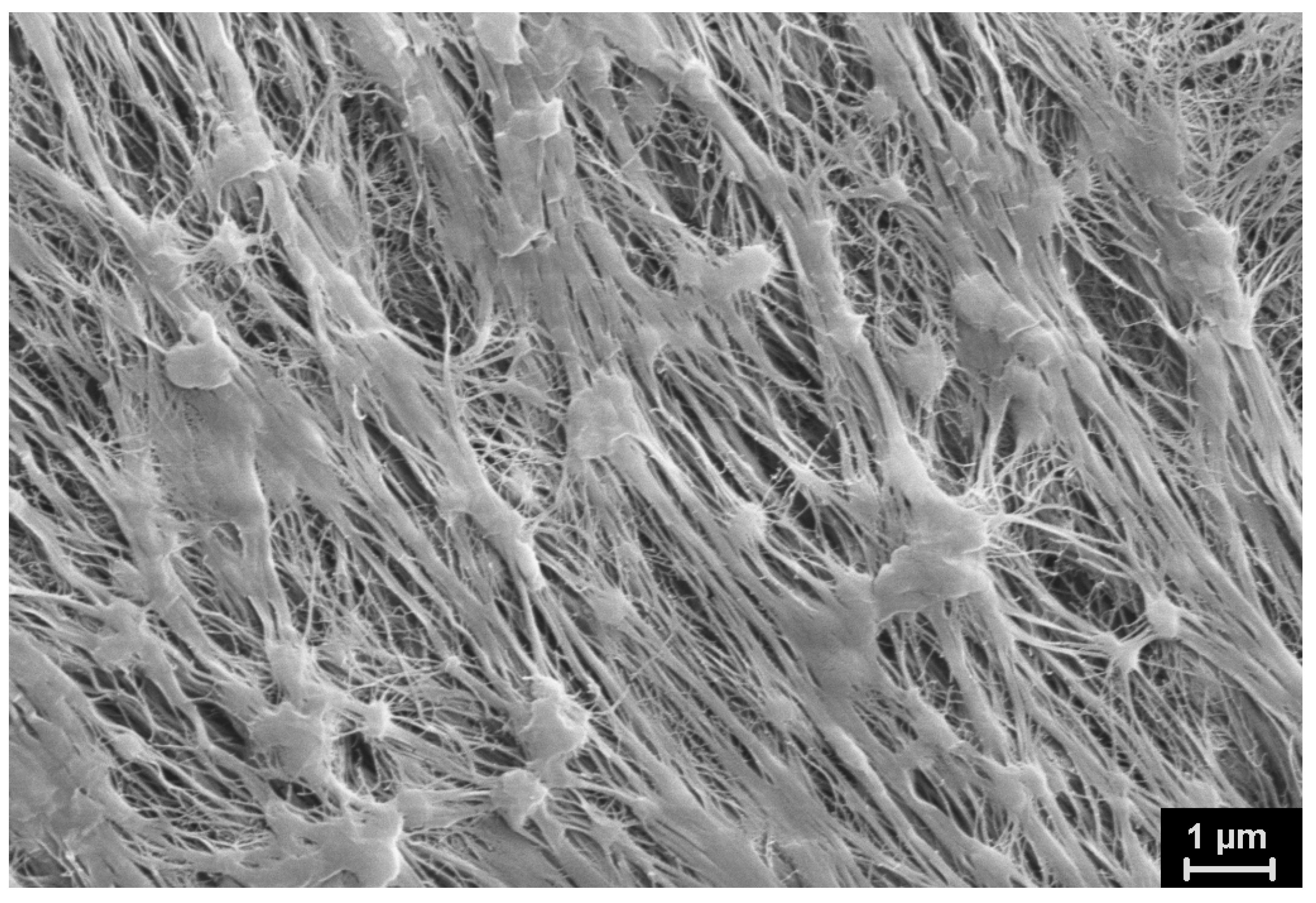
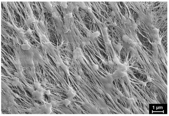
2.2.1. Scanning Electron Microscopy
2.2.2. In Situ Synchrotron Study
3. Results and Discussion
3.1. In Situ Wide-Angle X-ray Scattering (WAXS)
3.1.1. In-Situ Wide-Angle X-ray Scattering of Individual Virgin Particles
3.1.2. In-Situ Wide-Angle X-ray Scattering of the Compressed Virgin Particles
3.2. SEM Study
4. Conclusions
Author Contributions
Funding
Institutional Review Board Statement
Data Availability Statement
Acknowledgments
Conflicts of Interest
References
- Smith, P.; Lemstra, P.J. Ultra-high-strength polyethylene filaments by solution spinning/drawing. J. Mater. Sci. 1980, 15, 505–514. [Google Scholar] [CrossRef]
- Smith, P.; Lemstra, P.J. Filaments of High Tensile Strength and Modulus. U.S. Patent US-4430383. Available online: https://patentimages.storage.googleapis.com/57/4e/39/19d1253a7c26ce/US4430383.pdf (accessed on 7 February 1984).
- Smith, P.; Lemstra, P.J. Process for the Preparation of Filaments of High Tensile Strength and Modulus. U.S. Patent US-4422993. Available online: https://patentimages.storage.googleapis.com/ac/a1/86/b963c16a4e2e13/US4422993.pdf (accessed on 27 December 1983).
- Savitsky, A.V.; Gorshkova, I.A.; Frolova, I.L.; Shmikk, G.N.; Ioffe, A.F. The model of polymer orientation strengthening and production of ultra-high strength fibers. Polym. Bull. 1984, 123, 195–202. [Google Scholar] [CrossRef]
- Ohta, T. Review on processing ultra high tenacity fibers from flexible polymer. Polym. Eng. Sci. 1983, 23, 697–703. [Google Scholar] [CrossRef]
- Fakirov, S. Oriented Polymer Materials; John Wiley & Sons: New York, NY, USA, 1996; 512p. [Google Scholar]
- Rotzinger, B.P.; Chanzy, H.D.; Smith, P. High strength/high modulus polyethylene: Synthesis and processing of ultra-high molecular weight virgin powders. Polymer 1989, 30, 1814–1819. [Google Scholar] [CrossRef]
- Smith, P.; Lemstra, P.J.; Booij, H.C. Ultradrawing of high-molecular-weight polyethylene cast from solution. II. Influence of initial polymer concentration. J. Polym. Sci. Polym. Phys. Edn. 1981, 19, 877–888. [Google Scholar] [CrossRef]
- Myasnikova, L.; Boiko, Y.; Egorov, V.; Ivan’kova, E.; Lebedev, D.; Marikhin, V.; Radovanova, E.; Michler, G.; Seidewitz, V.; Goerlitz, S. Role of reactor powder morphology in producing high-strength high-modulus UHMWPE fibers. In Reactor Powder Morphology; Nova Science Publishers: Hauppauge, NY, USA, 2011; pp. 93–151. [Google Scholar]
- Ivanchev, S.; Ozerin, A.; Ivancheva, N.; Chvalun, S.; Olejnik, I.I.; Bakeev, N.; Eremeeva, M.; Sviridova, E.; Aulov, V.; Olejnik, I.V.; et al. Catalytic System and Method of Obtaining Reactor Powder of SuperHigh-Molecular Weight Polyethylene. RU2459835C2, 27 August 2012. [Google Scholar]
- Lippits, D.; Rastogi, S.; Talebi, S.; Hoehne, W.; Mezari, B.; Magusin, P. Heterogeneous Distribution of Entanglements in the Polymer Melt and Its Influence on CrystallizationPages. Macromolecules 2007, 40, 1004–1010. [Google Scholar] [CrossRef]
- Yoo, Y.; Han, O.; Lee, H.; Song, J. Characterization of Ultra High Molecular Weight Polyethyelene Nascent Reactor Powders by X-Ray Diffraction and Solid State NMR. Polymer 2000, 41, 1355–1368. [Google Scholar] [CrossRef]
- Aulov, V.; Shcherbina, M.; Chvalun, S.; Makarov, S.; Kuchkina, I.; Pantyukhin, A.; Bakeev, N.; Pavlov, Y. Monoclinic Phase in Reactor Powders of Ultra-High-Molecular-Weight Polyethylene and Its Changes during Compaction and Monolithization. Polym. Sci. Ser. A 2004, 46, 620–626. [Google Scholar]
- Vander, D.; Khoury, H. Quantitative determination of the monoclinic crystalline phase content in polyethylene by 13C n.m.r. Polymer 1984, 25, 1589–1599. [Google Scholar] [CrossRef]
- Bunn, C. The crystal structure of long-chain normal paraffin hydrocarbons. The “shape” of the <CH2 group. Trans. Faraday Soc. 1939, 35, 482–491. [Google Scholar] [CrossRef]
- Kiho, H.; Peterlin, A.; Geil, P.H. Polymer Deformation. VI. Twinning and Phase Transformation of Polyethylene Single Crystals as a Function of Stretching Direction. J. Appl. Phys. 1964, 35, 1599–1610. [Google Scholar] [CrossRef]
- Myasnikova, L.; Baidakova, M.; Drobot’ko, V.; Ivanchev, S.; Ivan’kova, E.; Radovanova, E.; Yagovkina, M.; Marikhin, V.; Zubavichus, Y.; Dorovatovskii, P. The Crystalline Structure of Nascent Ultra High Molecular Weight Single Particles and Its Change on Heating, as Revealed by in-situ Synchrotron Studies. J. Macromol. Sci. Part B 2019, 58, 847–859. [Google Scholar] [CrossRef]
- Kenyon, P.; Mecking, S. Pentafluorosulfanyl substituents in polymerization catalysis. J. Am. Chem. Soc. 2017, 139, 13786–13790. [Google Scholar] [CrossRef] [PubMed]
- Boucher-Jacobs, C.; Rabnawaz, M.; Katz, J.S.; Even, R.; Guironnet, D. Encapsulation of catalyst in block copolymer micelles for the polymerization of ethylene in aqueous medium. Nat. Commun. 2018, 9, 841. [Google Scholar] [CrossRef] [PubMed]
- Schnitte, M.; Staiger, A.; Casper, L.; Mecking, S. Uniform shape monodisperse single chain nanocrystals by living aqueous catalytic polymerization. Nat. Commun. 2019, 10, 2592. [Google Scholar] [CrossRef] [PubMed]
- Strelnikov, I.; Zubova, E. Monoclinic Phase and Competition Between Transformation Modes in the Phase Transition Between Orthorhombic and Triclinic Phases of Crystalline Polyethylene. Macromol. Res. 2021, 29, 851–854. [Google Scholar] [CrossRef]
- Anokhin, D.; Grafskaia, K.; Ivanov, D.; Ivan’kova, E.; Marikhin, V.; Myasnikova, L.; Ivanchev, S. Pattern of Monoclinic Phase Distribution in Nascent UHMWPE Particles. Phys. Solid State 2020, 62, 1493–1499. [Google Scholar] [CrossRef]
















| UHMWPE RP | Mw | Tpolym | Synthesis |
|---|---|---|---|
| SC | Mn = 4.89 × 106 g/mol, Mw/Mn = 1.5); | 30 °C | Living aqueous polymerization using state-of-art catalyst based on long-lived water stable complex (lab-scale) [18] |
| IVA-7 | 3.0 × 106 g/mol | 30 °C | One-site metallocene catalyst F-75 (lab-scale) [17] |
| Lupolen | 5.0 × 106 g/mol | - | Industrial (large-scale) reactor powder |
Disclaimer/Publisher’s Note: The statements, opinions and data contained in all publications are solely those of the individual author(s) and contributor(s) and not of MDPI and/or the editor(s). MDPI and/or the editor(s) disclaim responsibility for any injury to people or property resulting from any ideas, methods, instructions or products referred to in the content. |
© 2023 by the authors. Licensee MDPI, Basel, Switzerland. This article is an open access article distributed under the terms and conditions of the Creative Commons Attribution (CC BY) license (https://creativecommons.org/licenses/by/4.0/).
Share and Cite
Dorovatovskii, P.; Baidakova, M.; Ivan’kova, E.; Marikhin, V.; Myasnikova, L.; Svetogorov, R.; Yagovkina, M. Phase Transformation in UHMWPE Reactor Powders Synthesized on Various Catalysts in Mechanical and Thermal Fields. Polymers 2023, 15, 906. https://doi.org/10.3390/polym15040906
Dorovatovskii P, Baidakova M, Ivan’kova E, Marikhin V, Myasnikova L, Svetogorov R, Yagovkina M. Phase Transformation in UHMWPE Reactor Powders Synthesized on Various Catalysts in Mechanical and Thermal Fields. Polymers. 2023; 15(4):906. https://doi.org/10.3390/polym15040906
Chicago/Turabian StyleDorovatovskii, Pavel, Marina Baidakova, Elena Ivan’kova, Vyacheslav Marikhin, Liubov Myasnikova, Roman Svetogorov, and Maria Yagovkina. 2023. "Phase Transformation in UHMWPE Reactor Powders Synthesized on Various Catalysts in Mechanical and Thermal Fields" Polymers 15, no. 4: 906. https://doi.org/10.3390/polym15040906
APA StyleDorovatovskii, P., Baidakova, M., Ivan’kova, E., Marikhin, V., Myasnikova, L., Svetogorov, R., & Yagovkina, M. (2023). Phase Transformation in UHMWPE Reactor Powders Synthesized on Various Catalysts in Mechanical and Thermal Fields. Polymers, 15(4), 906. https://doi.org/10.3390/polym15040906

