Rheological and Mechanical Properties of an Acrylic PSA
Abstract
:1. Introduction
2. Experimental Details
2.1. Materials
2.2. Specimen Manufacturing
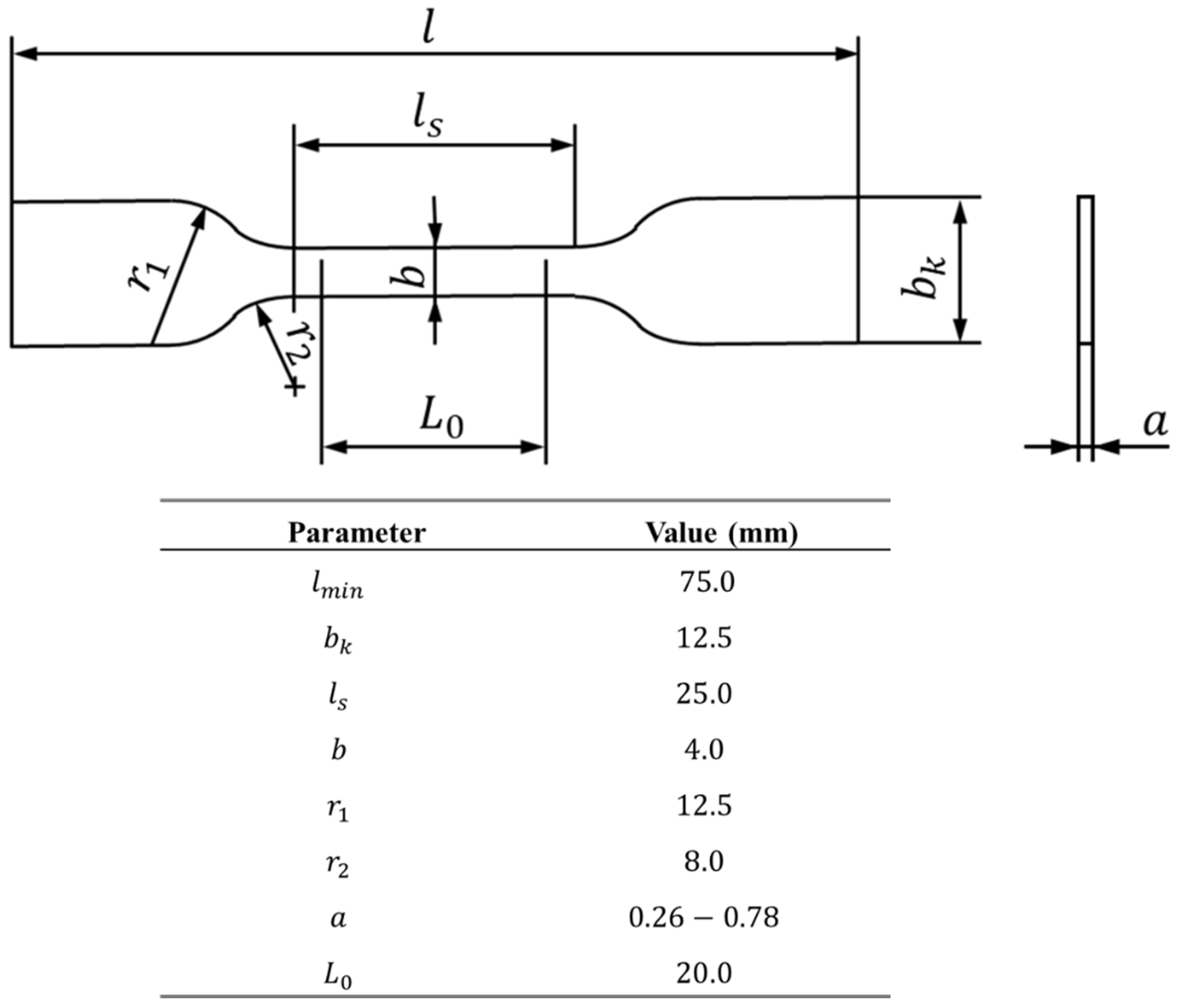
2.2.1. Bulk Specimens
2.2.2. DCB Specimens
2.3. Testing Procedures
2.3.1. Roughness Determination
2.3.2. Surface Energy
2.3.3. DMA Measurements
2.3.4. Rheological Measurements
2.3.5. Bulk Tensile Testing
2.3.6. DCB Testing
3. Results and Discussion
3.1. PMMA Roughness
3.2. Surface Energy
3.3. Rheological Properties
3.4. Bulk Tensile Tests
3.5. DCB Tests
3.5.1. Influence of Surface Energy
3.5.2. Influence of the Roughness
3.5.3. Influence of the Number of Stacked Layers
3.5.4. Influence of the Thickness
4. Conclusions
- From the rheological tests it was possible to analyse the viscoelastic behaviour of the PSA and to determine its position in the viscoelastic window. This position allowed for a better understanding of the PSA properties, as well as the adhesive behaviour during testing.
- The tensile tests indicated that the engineering stress and strain should be considered only for small strains, up until 10% for both crosshead speeds (15 mm/min and 225 mm/min). After this strain value, the true values for stress and strain are considerably higher than the engineering ones. Comparing the true tensile strength, it increased almost three times with the higher crosshead speed, resulting in a stronger and more brittle material behaviour.
- The DCB results show that, although the surface energy should improve the performance of the adhesive, the viscoelastic properties of the studied PSA and the test geometry resulted in a similar performance for the treated and non-treated surface. Additionally, the increase in the surface roughness negatively impacted the performance of the joint, with a decrease in the fracture energy values.
- The results from the two stacked layers in the DCB specimens indicate that this new interface becomes the weakest interface, leading to failure between the two layers. However, throughout the test, it seems that the multiple fracture surfaces can contribute to maintain the cohesive strength of the joint.
- The decrease in thickness of the adhesive layer, from 0.26 mm to 0.13 mm, when constrained in DCB specimens, resulted in a bad performance of the joint, with very low fracture energy values.
Author Contributions
Funding
Institutional Review Board Statement
Data Availability Statement
Acknowledgments
Conflicts of Interest
References
- Sancho-Querol, S.; Yáñez-Pacios, A.J.; Martín-Martínez, J.M. New Binary Blends of Ethylene-co-n-butyl Acrylate (EBA) Copolymer and Low Molecular Weight Rosin Ester Resin with Potential as Pressure Sensitive Adhesives. Materials 2018, 11, 2037. [Google Scholar] [CrossRef] [PubMed]
- Fuensanta, M.; Martín-Martínez, J.M. Viscoelastic and Adhesion Properties of New Poly(Ether-Urethane) Pressure-Sensitive Adhesives. Front. Mech. Eng. 2020, 6, 34. [Google Scholar] [CrossRef]
- Fuensanta, M.; Vallino-Moyano, M.A.; Martín-Martínez, J.M. Balanced Viscoelastic Properties of Pressure Sensitive Adhesives Made with Thermoplastic Polyurethanes Blends. Polymers 2019, 11, 1608. [Google Scholar] [CrossRef] [PubMed]
- Sohn, S. Various ways to control the bulk properties of pressure sensitive adhesives. J. Adhes. Sci. Technol. 2003, 17, 703–723. [Google Scholar] [CrossRef]
- Chang, E.P. Viscoelastic Properties of Pressure-Sensitive Adhesives. J. Adhes. 1997, 60, 233–248. [Google Scholar] [CrossRef]
- Elsmore, M.T.; Atkinson, R.L.; Irvine, D.J.; Howdle, S.M.; De Focatiis, D.S.A. Sustainable terpene triblock copolymers with tuneable properties for pressure sensitive adhesive applications. Polym. Test. 2022, 109, 107530. [Google Scholar] [CrossRef]
- Gdalin, B.E.; Bermesheva, E.V.; Shandryuk, G.A.; Feldstein, M.M. Effect of Temperature on Probe Tack Adhesion: Extension of the Dahlquist Criterion of Tack. J. Adhes. 2011, 87, 111–138. [Google Scholar] [CrossRef]
- Benedek, I. Pressure-Sensitive Adhesives and Applications; CRC Press: Boca Raton, FL, USA, 2004. [Google Scholar] [CrossRef]
- Seok, W.C.; Leem, J.T.; Song, H.J. Acrylic pressure-sensitive adhesives based on ethylene glycol acrylate for flexible display application: Highly elastic and recoverable properties. Polym. Test. 2022, 108, 107491. [Google Scholar] [CrossRef]
- Deng, X. Progress on rubber-based pressure-sensitive adhesives. J. Adhes. 2018, 94, 77–96. [Google Scholar] [CrossRef]
- Antosik, A.K.; Mozelewska, K.; Piątek-Hnat, M.; Czech, Z.; Bartkowiak, M. Silicone pressure-sensitive adhesives with increased thermal resistance. J. Therm. Anal. Calorim. 2022, 147, 7719–7727. [Google Scholar] [CrossRef]
- Fuensanta, M.; Martín-Martínez, J.M. Structural and Viscoelastic Properties of Thermoplastic Polyurethanes Containing Mixed Soft Segments with Potential Application as Pressure Sensitive Adhesives. Polymers 2021, 13, 3097. [Google Scholar] [CrossRef] [PubMed]
- Lee, J.-H.; Shim, G.-S.; Park, J.-W.; Kim, H.-J.; Kim, Y. Adhesion performance and recovery of acrylic pressure-sensitive adhesives thermally crosslinked with styrene–isoprene–styrene elastomer blends for flexible display applications. J. Ind. Eng. Chem. 2019, 78, 461–467. [Google Scholar] [CrossRef]
- Townsend, B.W.; Ohanehi, D.C.; Dillard, D.A.; Austin, S.R.; Salmon, F.; Gagnon, D.R. Characterizing acrylic foam pressure sensitive adhesive tapes for structural glazing applications—Part II: Creep rupture results. Int. J. Adhes. Adhes. 2011, 31, 650–659. [Google Scholar] [CrossRef]
- Park, K.H.; Lee, D.Y.; Yoon, S.H.; Kim, S.H.; Han, M.S.; Jeon, S.; Kim, Y.; Lim, Y.K.; Hwang, D.-H.; Jung, S.-H.; et al. Adhesion Improvement of Solvent-Free Pressure-Sensitive Adhesives by Semi-IPN Using Polyurethanes and Acrylic Polymers. Polymers 2022, 14, 3963. [Google Scholar] [CrossRef]
- Seok, W.C.; Park, J.H.; Song, H.J. Effect of silane acrylate on the surface properties, adhesive performance, and rheological behavior of acrylic pressure sensitive adhesives for flexible displays. J. Ind. Eng. Chem. 2022, 111, 98–110. [Google Scholar] [CrossRef]
- Mapari, S.; Mestry, S.; Mhaske, S.T. Developments in pressure-sensitive adhesives: A review. Polym. Bull. 2021, 78, 4075–4108. [Google Scholar] [CrossRef]
- Villey, R.; Cortet, P.-P.; Creton, C.; Ciccotti, M. In-situ measurement of the large strain response of the fibrillar debonding region during the steady peeling of pressure sensitive adhesives. Int. J. Fract. 2017, 204, 175–190. [Google Scholar] [CrossRef]
- Pandey, V.; Fleury, A.; Villey, R.; Creton, C.; Ciccotti, M. Linking peel and tack performances of pressure sensitive adhesives. Soft Matter 2020, 16, 3267–3275. [Google Scholar] [CrossRef]
- Renvoise, J.; Burlot, D.; Marin, G.; Derail, C. Peeling of PSAs on Viscoelastic Substrates: A Failure Criterion. J. Adhes. 2007, 83, 403–416. [Google Scholar] [CrossRef]
- Bartkowiak, M.; Czech, Z.; Mozelewska, K.; Nowak, M. Influence of thermal reactive crosslinking agents on the tack, peel adhesion, and shear strength of acrylic pressure-sensitive adhesives. Polym. Test. 2020, 90, 106603. [Google Scholar] [CrossRef]
- Gurney, R.S.; Morse, A.; Siband, E.; Dupin, D.; Armes, S.P.; Keddie, J.L. Mechanical properties of a waterborne pressure-sensitive adhesive with a percolating poly(acrylic acid)-based diblock copolymer network: Effect of pH. J. Colloid Interface Sci. 2015, 448, 8–16. [Google Scholar] [CrossRef] [PubMed]
- Tordjeman, P.; Papon, E.; Villenave, J.-J. Tack properties of pressure-sensitive adhesives. J. Polym. Sci. Part B Polym. Phys. 2000, 38, 1201–1208. [Google Scholar] [CrossRef]
- Kowalski, A.; Czech, Z. The effects of substrate surface properties on tack performance of acrylic Pressure-Sensitive Adhesives (PSAs). Int. J. Adhes. Adhes. 2015, 60, 9–15. [Google Scholar] [CrossRef]
- Sosson, F.; Chateauminois, A.; Creton, C. Investigation of shear failure mechanisms of pressure-sensitive adhesives. J. Polym. Sci. Part B Polym. Phys. 2005, 43, 3316–3330. [Google Scholar] [CrossRef]
- Jimenez, N.; Ballard, N.; Asua, J.M. Hydrogen-bond driven formation of microstructured pressure sensitive adhesives (PSAs) with enhanced shear resistance. Polymer 2021, 233, 124210. [Google Scholar] [CrossRef]
- Huang, H.; Dasgupta, A.; Mirbagheri, E. Mechanical behavior of pressure-sensitive adhesives (PSAs). In Proceedings of the 2017 16th IEEE Intersociety Conference on Thermal and Thermomechanical Phenomena in Electronic Systems (ITherm), Orlando, FL, USA, 30 May–2 June 2017; pp. 1393–1397. [Google Scholar] [CrossRef]
- Horgnies, M.; Darque-Ceretti, E.; Felder, E. Relationship between the fracture energy and the mechanical behaviour of pressure-sensitive adhesives. Int. J. Adhes. Adhes. 2007, 27, 661–668. [Google Scholar] [CrossRef]
- Bartlett, M.D.; Case, S.W.; Kinloch, A.J.; Dillard, D.A. Peel tests for quantifying adhesion and toughness: A review. Prog. Mater. Sci. 2023, 137, 101086. [Google Scholar] [CrossRef]
- Wei, Y.; Hutchinson, J.W. Interface strength, work of adhesion and plasticity in the peel test. In Recent Advances in Fracture Mechanics: Honoring Mel and Max Williams; Knauss, W.G., Schapery, R.A., Eds.; Springer: Dordrecht, The Netherlands, 1998; pp. 315–333. [Google Scholar] [CrossRef]
- Taub, M.B.; Dauskardt, R.H. Adhesion of Pressure Sensitive Adhesives with Applications in Transdermal Drug Delivery. MRS Online Proc. Libr. (OPL) 2000, 662, NN4.9. [Google Scholar] [CrossRef]
- Biel, A.; Stigh, U. Cohesive zone modelling of nucleation, growth and coalesce of cavities. Int. J. Fract. 2017, 204, 159–174. [Google Scholar] [CrossRef]
- Hayashida, S.; Sugaya, T.; Kuramoto, S.; Sato, C.; Mihara, A.; Onuma, T. Impact strength of joints bonded with high-strength pressure-sensitive adhesive. Int. J. Adhes. Adhes. 2015, 56, 61–72. [Google Scholar] [CrossRef]
- Stigh, U.; Biel, A. Effects of strain rate on the cohesive properties and fracture process of a pressure sensitive adhesive. Eng. Fract. Mech. 2018, 203, 266–275. [Google Scholar] [CrossRef]
- Yang, Z.; Zhu, Z.; Yao, C.; Xia, Y.; Chen, K.; Jiang, H. A rate-dependent cohesive zone model for adhesive damage considering fibrillation. Int. J. Mech. Sci. 2022, 234, 107697. [Google Scholar] [CrossRef]
- Benedek, I.; Feldstein, M.M. Technology of Pressure-Sensitive Adhesives and Products; CRC Press: Boca Raton, FL, USA, 2008; p. 555. [Google Scholar]
- DIN 5304; Testing of Rubber—Determination of Tensile Strength at Break, Tensile Stress at Yield, Elongation at Break and Stress Values in a Tensile Test. Deutsches Institut fur Normung E.V. (DIN): Berlin, Germany, 2017.
- Owens, D.K.; Wendt, R.C. Estimation of the surface free energy of polymers. J. Appl. Polym. Sci. 1969, 13, 1741–1747. [Google Scholar] [CrossRef]
- Chang, E.P. Viscoelastic Windows of Pressure-Sensitive Adhesives. J. Adhes. 1991, 34, 189–200. [Google Scholar] [CrossRef]
- Paris, A.J.; Paris, P.C. Instantaneous evaluation of J and C. Int. J. Fract. 1988, 38, R19–R21. [Google Scholar] [CrossRef]
- Rice, J. A path independent integral and the approximate analysis of strain concentration by notched and cracks. J. Appl. Mech. 1968, 35, 379–386. [Google Scholar] [CrossRef]
- Dantas, M.A.; Carbas, R.J.C.; Marques, E.A.S.; Kushner, D.; da Silva, L.F.M. Flexible tubular metal-polymer adhesive joints under torsion loading. Int. J. Adhes. Adhes. 2021, 105, 102787. [Google Scholar] [CrossRef]
- Dahlquist, C.A. Adhesion: Fundamentals and Practice; Gordon and Breach: Philadelphia, PA, USA, 1966. [Google Scholar]
- Huang, H.; Dasgupta, A.; Singh, N. Predictive Mechanistic Model of Creep Response of Single-Layered Pressure-Sensitive Adhesive (PSA) Joints. Materials 2021, 14, 3815. [Google Scholar] [CrossRef]
- Wang, Y.; Long, J.; Bai, Y.; Zhang, C.; Cheng, B.; Shao, L.; Qi, S. Preparation and characterization of fluorinated acrylic pressure sensitive adhesives for low surface energy substrates. J. Fluor. Chem. 2015, 180, 103–109. [Google Scholar] [CrossRef]
- Park, H.-W.; Seo, H.-S.; Lee, J.-H.; Shin, S. Adhesion improvement of the acrylic pressure-sensitive adhesive to low-surface-energy substrates using silicone urethane dimethacrylates. Eur. Polym. J. 2020, 137, 109949. [Google Scholar] [CrossRef]
- Léger, L.; Creton, C. Adhesion mechanisms at soft polymer interfaces. Philos. Trans. R. Soc. A Math. Phys. Eng. Sci. 1869, 366, 1425–1442. [Google Scholar] [CrossRef] [PubMed]
- Deplace, F.; Carelli, C.; Mariot, S.; Retsos, H.; Chateauminois, A.; Ouzineb, K.; Creton, C. Fine Tuning the Adhesive Properties of a Soft Nanostructured Adhesive with Rheological Measurements. J. Adhes. 2009, 85, 18–54. [Google Scholar] [CrossRef]
- Chiche, A.; Pareige, P.; Creton, C. Role of surface roughness in controlling the adhesion of a soft adhesive on a hard surface. Comptes Rendus De L’académie Des Sci. Ser. IV Phys. 2000, 1, 1197–1204. [Google Scholar] [CrossRef]
- Chiche, A.; Pareige, P.; Creton, C. Control of Adhesion through Surface Roughness in a Flat Probe Geometry. Soc. Fr. Du Vide Le Vide Sci. Tech. Et Appl. 2000, 296, 419–423. [Google Scholar]
- Creton, C.; Ciccotti, M. Fracture and adhesion of soft materials: A review. Rep. Prog. Physics. Phys. Soc. 2016, 79, 046601. [Google Scholar] [CrossRef]














| Parameter (Values in µm) | Untreated | P150 | P60 | 
|---|---|---|---|
| 1.11 × 10−3 | 1.37 ± 0.07 | 1.76 ± 0.04 | |
| 2.01 × 10−3 | 1.72 ± 0.08 | 2.23 ± 0.78 | |
| - | 8.44 ± 0.10 | 11.31 ± 0.10 | |
| 41.50 × 10−3 | - | - | 
| Contact Angle (°) | |||
|---|---|---|---|
| Surface Treatment | Water | Ethylene Glycol | n-Hexadecane | 
| Without plasma | |||
| With plasma | 0 | ||
| Disclaimer/Publisher’s Note: The statements, opinions and data contained in all publications are solely those of the individual author(s) and contributor(s) and not of MDPI and/or the editor(s). MDPI and/or the editor(s) disclaim responsibility for any injury to people or property resulting from any ideas, methods, instructions or products referred to in the content. | 
© 2023 by the authors. Licensee MDPI, Basel, Switzerland. This article is an open access article distributed under the terms and conditions of the Creative Commons Attribution (CC BY) license (https://creativecommons.org/licenses/by/4.0/).
Share and Cite
Simões, B.D.; Marques, E.A.S.; Carbas, R.J.C.; Maul, S.; Stihler, P.; Weißgraeber, P.; da Silva, L.F.M. Rheological and Mechanical Properties of an Acrylic PSA. Polymers 2023, 15, 3843. https://doi.org/10.3390/polym15183843
Simões BD, Marques EAS, Carbas RJC, Maul S, Stihler P, Weißgraeber P, da Silva LFM. Rheological and Mechanical Properties of an Acrylic PSA. Polymers. 2023; 15(18):3843. https://doi.org/10.3390/polym15183843
Chicago/Turabian StyleSimões, Beatriz D., Eduardo A. S. Marques, Ricardo J. C. Carbas, Steven Maul, P. Stihler, Philipp Weißgraeber, and Lucas F. M. da Silva. 2023. "Rheological and Mechanical Properties of an Acrylic PSA" Polymers 15, no. 18: 3843. https://doi.org/10.3390/polym15183843
APA StyleSimões, B. D., Marques, E. A. S., Carbas, R. J. C., Maul, S., Stihler, P., Weißgraeber, P., & da Silva, L. F. M. (2023). Rheological and Mechanical Properties of an Acrylic PSA. Polymers, 15(18), 3843. https://doi.org/10.3390/polym15183843
 
        




 
       