Difference in Step-Wise Production Rules of SP Binary Flooding for Conglomerate Reservoirs with Different Lithologies
Abstract
1. Introduction
2. Geological Background
3. Experimental Design
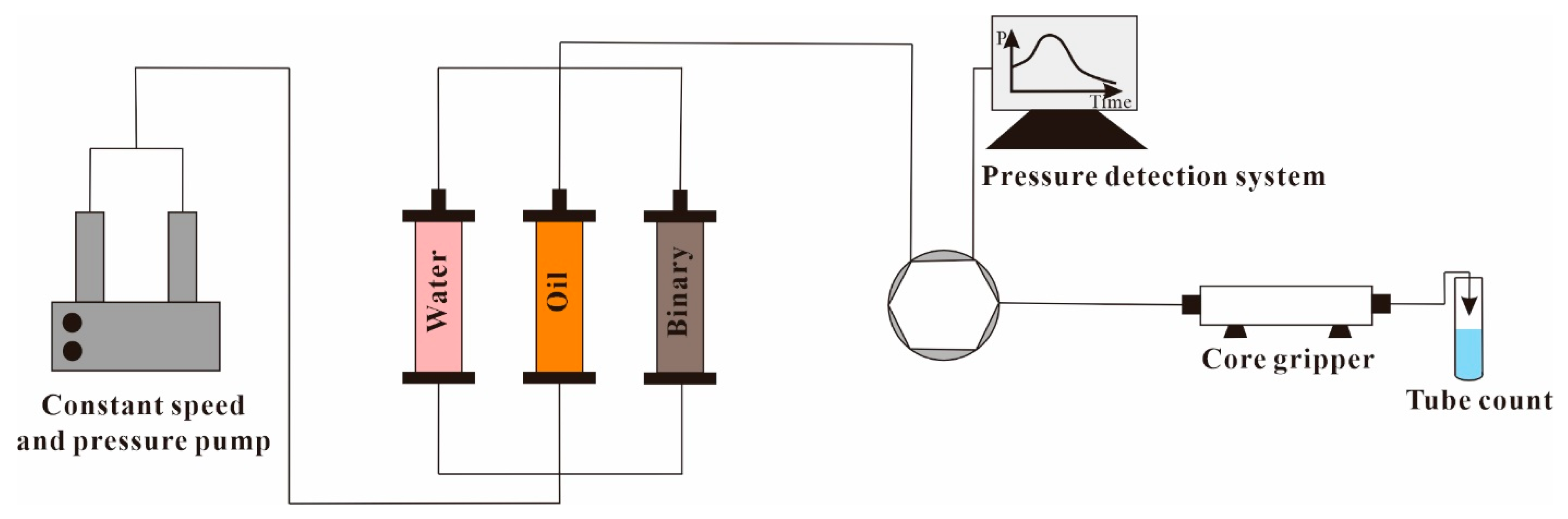
3.1. Experimental Materials and Equipment
3.2. Experimental Schemes
3.3. Experimental Steps
4. Results and Discussion
4.1. Step-Wise Oil Production Rule of Fine Conglomerate
4.2. Step-Wise Oil Production Rule of Glutenite
4.3. Step-Wise Oil Production Rule of Sandstone
4.4. Difference in Step-Wise Production Rules of Various Lithologies
4.4.1. Difference in Oil Recovery Rates
4.4.2. Difference in Seepage Characteristics
4.4.3. Difference in Injection Pressure Difference
5. Conclusions
- (1)
- By reducing the molecular weight and viscosity of the SP binary system, the EVR scheme can realize reconstruction of the pressure field and the redistribution of seepage paths of chemical micelles with different sizes, which can make the low molecular weight and low concentration agent not only flow effectively in large pore throats, but also allows seepage into smaller pore spaces to displace crude oil, thus, improving the oil recovery of the reservoir.
- (2)
- The EVR scheme can achieve the step-wise production of crude oil in different scales of pore throats in conglomerate reservoirs, and the main factor affecting the step-wise production effect is the microscopic pore structure characteristics. The fine conglomerate reservoir has the strongest anisotropy and the worst pore throat connectivity, but the swept volume of small pore throats after viscosity reduction is the largest, and the EOR difference in the two schemes is also the largest, reaching 10.14%. The step-wise oil production effect of fine conglomerate is the best, followed by glutenite and sandstone.
- (3)
- The oil recovery growth rate curve can well reflect the gradual sweep of the SP binary system from large pore throats to small pore throats in the EVR scheme. The oil recovery growth rate of fine conglomerate maintains a high increasing trend throughout the chemical flooding process, while the growth rate of glutenite and sandstone shows a gradual decreasing trend, indicating that fine conglomerate has the best step-wise oil production effect in different scale pore throats and is the most suitable reservoir type for the EVR scheme among the three types of lithologies.
Author Contributions
Funding
Data Availability Statement
Conflicts of Interest
References
- Liu, W.; Luo, L.; Liao, G.; Zuo, L.; Wei, Y.; Jiang, W. Experimental Study on the Mechanism of Enhancing Oil Recovery by Polymer—Surfactant Binary Flooding. Pet. Explor. Dev. 2017, 44, 636–643. [Google Scholar] [CrossRef]
- Tan, F.; Liu, W.; Ma, C.; Cheng, H.; Li, X.; Zhang, C. Classification Methods of Conglomerate Reservoirs Based on the Adsorption and Retention Law of Surfactant-Polymer Binary Systems. J. Pet. Sci. Eng. 2022, 208, 109195. [Google Scholar] [CrossRef]
- Zhang, F.; Xiao, H.; Jiang, Z.; Tang, X.; Liu, X.; Guo, H.; Zhao, W.; Zhu, L.; Li, X. Influence of Pore Throat Structure and the Multiphases Fluid Seepage on Mobility of Tight Oil Reservoir. Lithosphere 2021, 2021, 5525670. [Google Scholar] [CrossRef]
- Shaker Shiran, B.; Skauge, A. Enhanced Oil Recovery (EOR) by Combined Low Salinity Water/Polymer Flooding. Energy Fuels 2013, 27, 1223–1235. [Google Scholar] [CrossRef]
- Puerto, M.; Hirasaki, G.J.; Miller, C.A.; Barnes, J.R. Surfactant Systems for EOR in High-Temperature, High-Salinity Environments. SPE J. 2011, 17, 11–19. [Google Scholar] [CrossRef]
- Chen, T.; Zhang, G.; Ge, J. Dynamic Interfacial Tension Between Gudao Heavy Oil and Petroleum Sulfonate/HPAM Complex Systems. Liq. Fuels Technol. 2012, 30, 1417–1423. [Google Scholar] [CrossRef]
- Liu, Y.; Wang, Q. Research on the influence of the interaction of polymer and surfactant on enhancing oil recovery. Sci. Technol. Eng. 2017, 17, 187–192. [Google Scholar] [CrossRef]
- Touhami, Y.; Rana, D.; Neale, G.H.; Hornof, V. Study of Polymer-Surfactant Interactions via Surface Tension Measurements. Colloid Polym. Sci. 2001, 279, 297–300. [Google Scholar] [CrossRef]
- Hamouma, M.; Delbos, A.; Dalmazzone, C.; Colin, A. Polymer Surfactant Interactions in Oil Enhanced Recovery Processes. Energy Fuels 2021, 35, 9312–9321. [Google Scholar] [CrossRef]
- Ye, Z.; Shi, L.; Yang, J.; Luo, P. Laboratory study on interfacial rheological property of polymer/surfactant displacement system. J. Southwest Pet. Univ. Technol. Ed. 2002, 24, 60–63. [Google Scholar] [CrossRef]
- Mahdavi, S.Z.; Aalaie, J.; Miri, T.; Razavi, S.M.R.; Rahmani, M.R. Study of Polyacrylamide-Surfactant System on the Water–Oil Interface Properties and Rheological Properties for EOR. Arab. J. Chem. 2017, 10, 1136–1146. [Google Scholar] [CrossRef]
- Zhang, F. Optimization method of injection and production parameters for polymer/surfactant binary flooding. J. China Univ. Pet. Ed. Nat. Sci. 2018, 42, 98–104. [Google Scholar] [CrossRef]
- Liu, X.; Zhou, F.; Zhang, Y.; Wang, H.; Zheng, H.; Wang, D. Application of orthogonal design method in parameter design of polymer-surfactant flooding. Complex Hydrocarb. Reserv. 2012, 5, 83–86. [Google Scholar] [CrossRef]
- Asl, H.F.; Zargar, G.; Manshad, A.K.; Takassi, M.A.; Ali, J.A.; Keshavarz, A. Effect of SiO2 Nanoparticles on the Performance of L-Arg and L-Cys Surfactants for Enhanced Oil Recovery in Carbonate Porous Media. J. Mol. Liq. 2020, 300, 112290. [Google Scholar] [CrossRef]
- Tavakkoli, O.; Kamyab, H.; Shariati, M.; Mohamed, A.M.; Junin, R. Effect of Nanoparticles on the Performance of Polymer/Surfactant Flooding for Enhanced Oil Recovery: A Review. Fuel 2022, 312, 122867. [Google Scholar] [CrossRef]
- Carreo, C. A Microfluidic Study to Investigate the Effect of Magnetic Iron Core-Carbon Shell Nanoparticles on Displacement Mechanisms of Crude Oil for Chemical Enhanced Oil Recovery. J. Pet. Sci. Eng. 2019, 184, 106589. [Google Scholar] [CrossRef]
- Cheng, J.; Liao, G.; Yang, Z.; Li, Q.; Yao, Y.; Xu, D. Pilot Test of Asp Flooding in Daqing Oilfield. Pet. Geol. Oilfield Dev. Daqing 2001, 46–49+137. [Google Scholar]
- Song, H. Research of Surfactant-polymer Flooding Response Characteristics and influencing Factors-Case of Gulong Oilfield. Nat. Gas Geosci. 2014, 25, 98–106. [Google Scholar]
- Yuan, G.; Fan, W.; Xu, F.; Zheng, Z.; Chen, Z.; Zhang, Y. Experimental study on three-dimensional model oil displacement in Changqing ultra-low permeability fractured reservoirs. Oilfield Chem. 2017, 34, 508–511. [Google Scholar] [CrossRef]
- Luo, M.; Zhang, T. Micro pore structure and classification of conglomerate reservoirs in Karamay. Oil Gas Geol. 1992, 13, 201–210. [Google Scholar]
- Tang, H.; Wen, X.; Zhang, X.; Ren, X.; Liu, H. Water-oil Displacing Modeling Experiment of Interlayer Heterogeneous Conglomerate Reservoir. J. Southwest Pet. Univ. Technol. Ed. 2014, 36, 129–135. [Google Scholar] [CrossRef]
- Timmen, C.; Brown, L.; Heap, M.; Hornung, A. Depositional Environment and Aquifer Properties of the Sherwood Sandstone Group in the Cleveland Basin Based on Investigations at Woodsmith Mine. Q. J. Eng. Geol. Hydrogeol. 2023, 56, qjegh2022-041. [Google Scholar] [CrossRef]
- Medici, G.; West, L.J. Reply to Discussion on ‘Review of Groundwater Flow and Contaminant Transport Modelling Approaches for the Sherwood Sandstone Aquifer, UK; Insights from Analogous Successions Worldwide’ by Medici and West (QJEGH, 55, Qjegh2021-176). Q. J. Eng. Geol. Hydrogeol. 2023, 56, qjegh2022-097. [Google Scholar] [CrossRef]
- Tan, F.-Q.; Ma, C.-M.; Zhang, X.-Y.; Zhang, J.-G.; Tan, L.; Zhao, D.-D.; Li, X.-K.; Jing, Y.-Q. Migration Rule of Crude Oil in Microscopic Pore Throat of the Low-Permeability Conglomerate Reservoir in Mahu Sag, Junggar Basin. Energies 2022, 15, 7359. [Google Scholar] [CrossRef]
- Tan, F.-Q.; Ma, C.-M.; Qin, J.-H.; Li, X.-K.; Liu, W.-T. Factors Influencing Oil Recovery by Surfactant–Polymer Flooding in Conglomerate Reservoirs and Its Quantitative Calculation Method. Pet. Sci. 2022, 19, 1198–1210. [Google Scholar] [CrossRef]
- Liu, Z.; Li, Y.; Leng, R.; Liu, Z.; Chen, X.; Hossein, H. Effects of pore structure on surfactant/polymer flooding-based enhanced oil recovery in conglomerate reservoirs. Pet. Explor. Dev. 2020, 47, 129–139. [Google Scholar] [CrossRef]
- Tan, F.; Qin, J.; Wang, X.; Lv, J.; Ma, C.; Liu, W.; Zhang, C. Study on the Oil Displacement Mechanism of Different SP Binary Flooding Schemes for a Conglomerate Reservoir Based on a Microfluidic Model. Ind. Eng. Chem. Res. 2023, 62, 5453–5467. [Google Scholar] [CrossRef]
- Han, P. Seepage field change rules and oil displaced effects of the alternating injection polymer flooding. Pet. Geol. Oilfield Dev. Daqing 2014, 33, 101–106. [Google Scholar] [CrossRef]
- Chen, G.; Tian, Y.; Zhao, X.; Li, X. Optimization of the ASP flooding injection pattern for sub-layers in Daqing oilfield. Acta Pet. Sin. 2012, 33, 459–464. [Google Scholar] [CrossRef]
- Tan, L.; Nie, Z.; Xiong, Z.; Wang, X.; Cheng, H.; Chen, L.; Zhu, G. Study on graded production mechanism of remaining oil in micro-pores of chemical flooding in conglomerate reservoirs: A case of conglomerate reservoir in Block K7, Karamay Oilfield, Xinjiang. Pet. Geol. Recovery Effic. 2021, 28, 107–112. [Google Scholar] [CrossRef]
- Tan, F.; Li, H.; Xu, C.; Li, Q.; Peng, S. Quantitative Evaluation Methods for Water-Flooded Layers of Conglomerate Reservoir Based on Well Logging Data. Pet. Sci. 2010, 7, 485–493. [Google Scholar] [CrossRef]
- Tan, F.-Q.; Li, X.-K.; Ma, C.-M.; Lv, J.-R.; Liu, W.-T. Genetic Mechanism of Permeability Anisotropy in Conglomerate Reservoir and Its Controlling Factors. GSA Bull. 2023, 135, 852–866. [Google Scholar] [CrossRef]
- Qin, G.; Zou, C.; Lai, L.; Zhao, L.; Su, H. Alluvial depositional system and its contronlling effect on hydrocarbon accumulation of the Triassic in the Baikouquan area, northwestern Junggar Basin. Oil Gas Geol. 2020, 41, 1197–1211. [Google Scholar] [CrossRef]
- Xiao, C.; Han, J.; Wu, R.; Caoketi, S.; Yuan, S. Seven central karamay oilfield kexia formation flooding test area of remaining oil research. Xinjiang Oil Gas 2015, 11, 50–53+69+4. [Google Scholar] [CrossRef]
- Wang, Y.; He, Z.; Chen, W.; Liu, Y.; Ding, M.; Yang, Z.; Qian, C. Stability and Rheological Properties of HPAM/Nanosilica Suspensions: Impact of Salinity. Colloids Surf. Physicochem. Eng. Asp. 2019, 587, 124320. [Google Scholar] [CrossRef]
- Rogachev, M.; Kondrashev, A. Experiments of Fluid Diversion Ability of a New Waterproofing Polymer Solution. Pet. Explor. Dev. 2015, 42, 554–559. [Google Scholar] [CrossRef]
- Bera, A.; Mandal, A.; Guha, B.B. Synergistic Effect of Surfactant and Salt Mixture on Interfacial Tension Reduction between Crude Oil and Water in Enhanced Oil Recovery. J. Chem. Eng. Data 2014, 59, 89–96. [Google Scholar] [CrossRef]
- Chen, H.; Fang, Q.; Yin, X.-F.; Fang, Z.-L. Microfluidic Chip-Based Liquid-Liquid Extraction and Preconcentration Using a Subnanoliter-Droplet Trapping Technique. Lab. Chip 2005, 5, 719–725. [Google Scholar] [CrossRef]














| Lithology | Fine Conglomerate | Glutenite | Sandstone |
|---|---|---|---|
| Length/cm | 17.70 | 12.60 | 15.60 |
| Diameter/cm | 11.12 | 10.89 | 11.96 |
| Porosity/% | 18.96 | 20.98 | 22.12 |
| Gas Permeability/mD | 145.60 | 86.20 | 131.20 |
| Oil saturation/% | 55.31 | 52.16 | 67.02 |
| Ionic Type | Na+ | K+ | Ca2+ | Mg2+ | CO32− | HCO3− | SO42− | Cl− | Total Mineralization |
|---|---|---|---|---|---|---|---|---|---|
| Concentration mg/L | 1595.60 | 1085.70 | 18.00 | 9.46 | 109.79 | 1452.50 | 40.57 | 2500 | 6811.62 |
| Lithology | Scheme | Oil Displacement System |
|---|---|---|
| Fine Conglomerate | SCV | 1900 × 104 1200 mg/L HPAM, 0.25% KSP202 |
| EVR | 1900 × 104 1500 mg/L HPAM, 0.3% KSP202 + 1900 × 104 900 mg/L HPAM, 0.2% KSP202 | |
| Glutenite | SCV | 1900 × 104 1200 mg/L HPAM, 0.25% KSP202 |
| EVR | 1900 × 104 1500 mg/L HPAM, 0.3% KSP202 + 1900 × 104 900 mg/L HPAM, 0.2% KSP202 | |
| Sandstone | SCV | 1900 × 104 1200 mg/L HPAM, 0.25% KSP202 |
| EVR | 1900 × 104 1500 mg/L HPAM, 0.3% KSP202 + 1900 × 104 900 mg/L HPAM, 0.2% KSP202 |
| Lithology | Gas Permeability/mD | Porosity/% | Initial Oil Saturation/% | Scheme | Oil Recovery Rate/% | |||
|---|---|---|---|---|---|---|---|---|
| Water Flooding | Chemical Flooding | EOR | Difference | |||||
| Fine conglomerate | 145.6 | 18.96 | 55.31 | SCV | 30.01 | 48.63 | 18.62 | +10.14 |
| EVR | 29.78 | 58.54 | 28.76 | |||||
| Glutenite | 86.2 | 20.98 | 52.16 | SCV | 37.06 | 64.25 | 27.19 | +6.36 |
| EVR | 37.74 | 71.29 | 33.55 | |||||
| Sandstone | 131.2 | 22.12 | 67.02 | SCV | 41.03 | 58.12 | 17.09 | +5.10 |
| EVR | 42.62 | 64.81 | 22.19 | |||||
Disclaimer/Publisher’s Note: The statements, opinions and data contained in all publications are solely those of the individual author(s) and contributor(s) and not of MDPI and/or the editor(s). MDPI and/or the editor(s) disclaim responsibility for any injury to people or property resulting from any ideas, methods, instructions or products referred to in the content. |
© 2023 by the authors. Licensee MDPI, Basel, Switzerland. This article is an open access article distributed under the terms and conditions of the Creative Commons Attribution (CC BY) license (https://creativecommons.org/licenses/by/4.0/).
Share and Cite
Lv, J.; Liao, G.; Ma, C.; Du, M.; Wang, X.; Tan, F. Difference in Step-Wise Production Rules of SP Binary Flooding for Conglomerate Reservoirs with Different Lithologies. Polymers 2023, 15, 3119. https://doi.org/10.3390/polym15143119
Lv J, Liao G, Ma C, Du M, Wang X, Tan F. Difference in Step-Wise Production Rules of SP Binary Flooding for Conglomerate Reservoirs with Different Lithologies. Polymers. 2023; 15(14):3119. https://doi.org/10.3390/polym15143119
Chicago/Turabian StyleLv, Jianrong, Guangzhi Liao, Chunmiao Ma, Meng Du, Xiaoguang Wang, and Fengqi Tan. 2023. "Difference in Step-Wise Production Rules of SP Binary Flooding for Conglomerate Reservoirs with Different Lithologies" Polymers 15, no. 14: 3119. https://doi.org/10.3390/polym15143119
APA StyleLv, J., Liao, G., Ma, C., Du, M., Wang, X., & Tan, F. (2023). Difference in Step-Wise Production Rules of SP Binary Flooding for Conglomerate Reservoirs with Different Lithologies. Polymers, 15(14), 3119. https://doi.org/10.3390/polym15143119

