Effect of Hydrothermal Environment on Mechanical Properties and Electrical Response Behavior of Continuous Carbon Fiber/Epoxy Composite Plates
Abstract
:1. Introduction
2. Experimental Materials and Instruments
3. Results and Discussion
3.1. Hygroscopic Properties of CFRE Sheets
3.2. Bending Properties of CFRE Sheets after Hygroscopic Treatment
3.3. Fracture Surface Morphology of CFRE Composites
3.4. Changes in Micro-Hardness of CFRE Plates after Hydrothermal Treatment
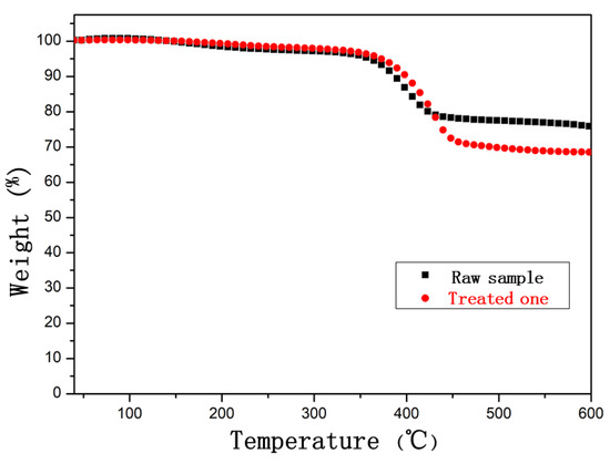
3.5. Thermal Stability Analysis Study
3.6. Changes in Electrical Response Behavior of CFRE after Hydrothermal Treatment
4. Conclusions
- (i).
- The moisture absorption rate of the CFRE increased sharply at first and then tended to stabilize with the moisture absorption time, which was characterized by a fast-reaching saturated moisture absorption state within 3 days and a low saturated moisture absorption rate (1.03%).
- (ii).
- Compared with the untreated sample, the bending performance of the samples in the hygroscopic state was reduced, and its evolution was consistent with the changing trend of the moisture absorption rate.
- (iii).
- After the hygroscopic treatment, the moisture inside the CFRE sample increased the plasticity of the polymer matrix, and a large number of carbon fibers were pulled out. The pull-out fiber length was up to 2.5 times that of the original samples, demonstrating alleviated fiber interfacial properties.
- (iv).
- With the saturated moisture absorption, the micro-hardness of the CFRE sheet was reduced by nearly 25%.
- (v).
- The saturated moisture absorption treatment of the CFRE samples led to it more quickly reaching steady-state resistance.
- (vi).
- The decreased thermal stability of the CFRE composites through hygroscopic treatment could be mainly due to the degradation of the epoxy resin matrix in the composite.
Author Contributions
Funding
Institutional Review Board Statement
Informed Consent Statement
Data Availability Statement
Acknowledgments
Conflicts of Interest
References
- Xu, F.; Huang, D.-D.; Du, X. Improving the delamination resistance of carbon fiber/epoxy composites by brushing and abrading of the woven fabrics. Constr. Build. Mater. 2018, 158, 257–263. [Google Scholar] [CrossRef]
- Tafsirojjaman, T.; Fawzia, S.; Thambiratnam, D.P.; Zhao, X.L. Study on the cyclic bending behaviour of CFRP strengthened full-scale CHS members. Structures 2020, 28, 741–756. [Google Scholar] [CrossRef]
- Gong, T.; Zou, T.; Feng, Z. Effect of Hygrothermal Condition on the Properties of Carbon Fiber Reinforced Polymers: A Review. Materials Review. 2016, 30, 320–323. [Google Scholar]
- Tafsirojjaman, T.; Fawzia, S.; Thambiratnam, D. Numerical investigation on the cfrp strengthened steel frame under earthquake. Mater. Sci. Forum 2020, 995, 123–129. [Google Scholar] [CrossRef]
- Liu, Y.; Zhang, H.-T.; Tafsirojjaman, T.; Ur, A.; Dogar, R.; Alajarmeh, O.; Yue, Q.-R.; Manalo, A. A novel technique to improve the compressive strength and ductility of glass fiber reinforced polymer (GFRP) composite bars. Constr. Build. Mater. 2022, 326, 126782. [Google Scholar] [CrossRef]
- Tafsirojjaman, T.; Fawzia, S.; Thambiratnam, D. Numerical investigation on the seismic strengthening of steel frame by using normal and high modulus CFRP. In Proceedings of the Seventh Asia-Pacific Conference on FRP in Structures (APFIS 2019) Surfers Paradise, Gold Coast, Australia, 10–13 December 2019; pp. 10–13. [Google Scholar]
- Liu, Y.; Xie, J.Z.; Tafsirojjaman, T.; Yue, Q.R.; Tan, C.; Che, G.J. CFRP lamella stay-cable and its force measurement based on microwave radar. Case Stud. Constr. Mater. 2022, 16, e00824. [Google Scholar] [CrossRef]
- Batuwitage, C.; Fawzia, S.; Thambiratnam, D.P.; Tafsirojjaman, T.; Al-Mahaidi, R.; Elchalakani, M. CFRP-wrapped hollow steel tubes under axial impact loading. In Tubular Structures XVI, Proceedings of the 16th International Symposium for Tubular Structures (ISTS 2017), Melbourne, Australia, 4–6 December 2017; CRC Press: Boca Raton, FL, USA, 2017; pp. 401–408. [Google Scholar]
- Tafsirojjaman, T.; Fawzia, S.; Thambiratnam, D.P.; Wirth, N. Performance of FRP strengthened full-scale simply-supported circular hollow steel members under monotonic and large-displacement cyclic loading. Eng. Struct. 2021, 242, 112522. [Google Scholar] [CrossRef]
- Liu, Y.; Tafsirojjaman, T.; Dogar, A.U.R.; Hückler, A. Shrinkage behavior enhancement of infra-lightweight concrete through FRP grid reinforcement and development of their shrinkage prediction models. Constr. Build. Mater. 2020, 258, 119649. [Google Scholar] [CrossRef]
- Tafsirojjaman, T.; Fawzia, S.; Thambiratnam, D.; Zhao, X.L. FRP strengthened SHS beam-column connection under monotonic and large-deformation cyclic loading. Thin-Walled Struct. 2021, 161, 107518. [Google Scholar] [CrossRef]
- Liu, Y.; Tafsirojjaman, T.; Dogar, A.U.R.; Hückler, A. Bond behaviour improvement between infra-lightweight and high strength concretes using FRP grid reinforcements and development of bond strength prediction models. Constr. Build. Mater. 2021, 270, 121426. [Google Scholar] [CrossRef]
- Tafsirojjaman, T.; Fawzia, S.; Thambiratnam, D.; Zhao, X.-L. Numerical investigation of CFRP strengthened RHS members under cyclic loading. Structures 2020, 24, 610–626. [Google Scholar] [CrossRef]
- Fakri Muda, M.; Hisbany Mohd Hashim, M.; Khairul Kamarudin, M.; Hairil Mohd, M.; Tafsirojjaman, T.; Abdul Rahman, M.; Kee Paik, J. Burst Pressure Strength of Corroded Subsea Pipelines Repaired with Composite Fiber-Reinforced Polymer Patches. Eng. Fail. Anal. 2022, 136, 106204. [Google Scholar] [CrossRef]
- Tafsirojjaman, T.; Ur Rahman Dogar, A.; Liu, Y.; Manalo, A.; Thambiratnam, D.P. Performance and design of steel structures reinforced with FRP composites: A state-of-the-art review. Eng. Fail. Anal. 2022, 138, 106371. [Google Scholar] [CrossRef]
- Duo, Y.; Liu, X.; Liu, Y.; Tafsirojjaman, T.; Sabbrojjaman, M. Environmental impact on the durability of FRP reinforcing bars. J. Build. Eng. 2021, 43, 102909. [Google Scholar] [CrossRef]
- Rowell, R.; Bongers, F. Role of Moisture in the Failure of Coatings on Wood. Coatings 2017, 7, 219. [Google Scholar] [CrossRef]
- Zhang, L.J.; Zhao, Y.; Luo, Y.; Duan, Y. On the Interfacial Properties of CCF300/QY8911Composite with Cyclical Hygrothermal Treatments. Mater. Eng. 2012, 2, 25–49. [Google Scholar]
- Keyong, X.; Hui, L.; Yan, S. Effect of hygrothermal aging on behaviors of fiber reinforced resin composites and its mechanism. Mater. Mech. Eng. 2014, 38, 1–5. [Google Scholar]
- Zhang, A.-Y.; Zhang, D.-X.; Li, D.-G.; Xiao, H.-Y.; Gu, J. Advances of Hydrothermal Property Study of Carbon Fiber Reinforced Epoxy Laminates. China Mech. Eng. 2011, 22, 494. [Google Scholar]
- Quino, G.; Tagarielli, V.L.; Petrinic, N. Effects of water absorption on the mechanical properties of GFRPs. Compos. Sci. Technol. 2020, 199, 108316. [Google Scholar] [CrossRef]
- Gagani, A.I.; Monsås, A.B.; Krauklis, A.E.; Echtermeyer, A.T. The effect of temperature and water immersion on the interlaminar shear fatigue of glass fiber epoxy composites using the I-beam method. Compos. Sci. Technol. 2019, 181, 107703. [Google Scholar] [CrossRef]
- Xu, F.; Du, X.-S.; Liu, H.-Y.; Guo, W.-G.; Mai, Y.-W. Temperature effect on nano-rubber toughening in epoxy and epoxy/carbon fiber laminated composites. Compos. Part B Eng. 2016, 95, 423–432. [Google Scholar] [CrossRef]
- Tanks, J.D.; Sharp, S.R.; Harris, D.K. Kinetics of in-plane shear degradation in carbon/epoxy rods from exposure to alkaline and saline environments. Compos. Part B Eng. 2017, 110, 204–212. [Google Scholar] [CrossRef]
- Wong, E.; Rajoo, R.; Koh, S.; Lim, T. The mechanics and impact of hygroscopic swelling of polymeric materials in electronic packaging. J. Electron. Packag. 2002, 124, 122–126. [Google Scholar] [CrossRef]
- Wong, E.; Koh, S.; Lee, K.; Lim, K.-M.; Lim, T.B.; Mai, Y.-W. Advances in vapor pressure modeling for electronic packaging. IEEE Trans. Adv. Packag. 2006, 29, 751–759. [Google Scholar] [CrossRef]
- Batard, A.; Planes, E.; Duforestel, T.; Flandin, L.; Yrieix, B. Water vapour permeation through high barrier materials: Numerical simulation and comparison with experiments. J. Mater. Sci. 2018, 53, 9076–9090. [Google Scholar] [CrossRef]
- Zhou, H.; Liu, H.-Y.; Fu, K.; Yuan, H.; Du, X.; Mai, Y.-W. Numerical simulation of failure of composite coatings due to thermal and hygroscopic stresses. Coatings 2019, 9, 243. [Google Scholar] [CrossRef]
- Du, X.; Zhou, H.; Sun, W.; Liu, H.-Y.; Zhou, G.; Zhou, H.; Mai, Y.-W. Graphene/epoxy interleaves for delamination toughening and monitoring of crack damage in carbon fibre/epoxy composite laminates. Compos. Sci. Technol. 2017, 140, 123–133. [Google Scholar] [CrossRef]
- Zhou, H.; Du, X.; Liu, H.-Y.; Zhou, H.; Zhang, Y.; Mai, Y.-W. Delamination toughening of carbon fiber/epoxy laminates by hierarchical carbon nanotube-short carbon fiber interleaves. Compos. Sci. Technol. 2017, 140, 46–53. [Google Scholar] [CrossRef]
- HB7401-1996; Test Method for Moisture Absorption of Resin Matrix Composite Laminates in Humid and Hot Environment. China National Aviation Industry Corporation: Beijing, China, 1997.











Publisher’s Note: MDPI stays neutral with regard to jurisdictional claims in published maps and institutional affiliations. |
© 2022 by the authors. Licensee MDPI, Basel, Switzerland. This article is an open access article distributed under the terms and conditions of the Creative Commons Attribution (CC BY) license (https://creativecommons.org/licenses/by/4.0/).
Share and Cite
Zhu, R.; Li, X.; Wu, C.; Du, L.; Du, X.; Tafsirojjaman, T. Effect of Hydrothermal Environment on Mechanical Properties and Electrical Response Behavior of Continuous Carbon Fiber/Epoxy Composite Plates. Polymers 2022, 14, 4072. https://doi.org/10.3390/polym14194072
Zhu R, Li X, Wu C, Du L, Du X, Tafsirojjaman T. Effect of Hydrothermal Environment on Mechanical Properties and Electrical Response Behavior of Continuous Carbon Fiber/Epoxy Composite Plates. Polymers. 2022; 14(19):4072. https://doi.org/10.3390/polym14194072
Chicago/Turabian StyleZhu, Runtian, Xiaolu Li, Cankun Wu, Longji Du, Xusheng Du, and T. Tafsirojjaman. 2022. "Effect of Hydrothermal Environment on Mechanical Properties and Electrical Response Behavior of Continuous Carbon Fiber/Epoxy Composite Plates" Polymers 14, no. 19: 4072. https://doi.org/10.3390/polym14194072
APA StyleZhu, R., Li, X., Wu, C., Du, L., Du, X., & Tafsirojjaman, T. (2022). Effect of Hydrothermal Environment on Mechanical Properties and Electrical Response Behavior of Continuous Carbon Fiber/Epoxy Composite Plates. Polymers, 14(19), 4072. https://doi.org/10.3390/polym14194072

