Environmental Stress Cracking of High-Density Polyethylene Applying Linear Elastic Fracture Mechanics
Abstract
1. Introduction

2. Materials and Test Liquids
2.1. Specimen Preparation

2.2. Test Liquids
3. Methods
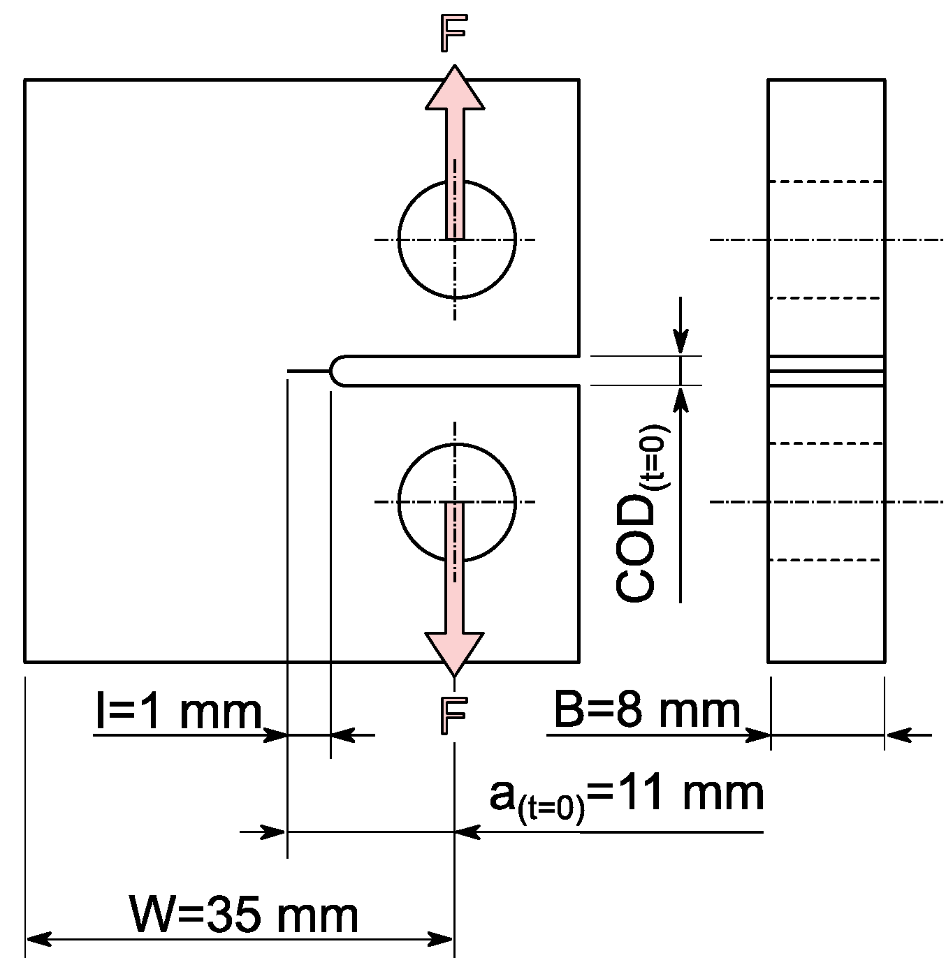
3.1. Static Loading of Compact Tension Specimen
3.2. Crack Opening Displacement Measurement
3.3. Microscopic Imaging Techniques for Fracture Surfaces
4. Results and Discussion
4.1. Relation between Crack Length and Crack Opening Displacement
4.2. Calculation of Stress Intensity Factor and Rate of Crack Propagation
4.3. Influence of Liquid Environment on Crack Propagation Rates
4.4. Influence of Environment on the Stress Intensity Factor
4.5. Fracture Surface Pattern Related to Environmental Media


5. Conclusions
- (i)
- Microstructural changes and void nucleation: The applied load (mode I) is causing slight blunting of the tip (significant blunting for plasticized PE-HD) and, simultaneously, the formation of a process zone in front of the tip by primary orientation of polymer chains within the amorphous phase. It is expected that, with increasing time, voids elongate into cavities developing fibrils in the time interval up to tB; however, no crack is present in this time interval (tAB).
- (ii)
- Pre-cracking: Initial fibrils of the craze zone break or disentangle starting at time tB and result in a measurable crack length. The crack propagation rate is decreasing in this time interval and a steady-state craze–crack mechanism will be approached at the end of this period (tBC). In this period, it is stated that the first notch sharpening incipient crack occurs. Additionally, a non-equilibratory size of the plastic zone introduced during pre-cracking is discussed to explain the decrease in crack velocity in this period.
- (iii)
- Steady-state crack growth: The equilibrium crack growth stage is reached in the time interval . A stable crack propagation characteristic for the craze–crack mechanism develops. With increasing crack length, the crack propagation rate increases significantly. The crack propagation rate is related to stress intensity in this region by a power law for all media with a similar exponent. The crack propagation rate is larger for surface-active liquids compared to soluble liquids and distilled water as an inert surrounding liquid. The larger values for surface-active liquids are explained by the lower amount of energy required to form new craze interfaces. SEM images of the fracture surfaces generated in the propagation stage () show different fibrillar structures depending on plasticization of the specimen or acceleration of crack growth by surface-active liquids.
Author Contributions
Funding
Institutional Review Board Statement
Informed Consent Statement
Data Availability Statement
Acknowledgments
Conflicts of Interest
References
- Fleissner, M. Experience with a full notch creep test in determining the stress crack performance of polyethylenes. Polym. Eng. Sci. 1998, 38, 330–340. [Google Scholar] [CrossRef]
- ISO 16770:2019; Plastics—Determination of Environmental Stress Cracking (ESC) of Polyethylene—Full-Notch Creep Test (FNCT). International Organization for Standardization: Geneva, Switzerland, 2019.
- Schilling, M.; Böhning, M.; Oehler, H.; Alig, I.; Niebergall, U. Environmental stress cracking of polyethylene high density (PE-HD) induced by liquid media—Validation and verification of the full-notch creep test (FNCT). Mater. Und Werkst. 2017, 48, 846–854. [Google Scholar] [CrossRef]
- ISO 16241:2005; Notch Tensile Test to Measure the Resistance to Slow Crack Growth of Polyethylene Materials for Pipe and Fitting Products (PENT). International Organization for Standardization: Geneva, Switzerland, 2005.
- Krishnaswamy, R.K. Analysis of ductile and brittle failures from creep rupture testing of high-density polyethylene (HDPE) pipes. Polymer 2005, 46, 11664–11672. [Google Scholar] [CrossRef]
- Nezbedová, E.; Hutař, P.; Zouhar, M.; Knésl, Z.; Sadílek, J.; Náhlík, L. The applicability of the Pennsylvania Notch Test for a new generation of PE pipe grades. Polym. Test. 2013, 32, 106–114. [Google Scholar] [CrossRef]
- ISO 18489:2016; Polyethylene (PE) Materials for Piping Systems—Determination of Resistance to Slow Crack Growth under Cyclic Loading—Cracked Round Bar Test Method. International Organization for Standardization: Geneva, Switzerland, 2016.
- Pinter, G.; Haager, M.; Balika, W.; Lang, R.W. Cyclic crack growth tests with CRB specimens for the evaluation of the long-term performance of PE pipe grades. Polym. Test. 2007, 26, 180–188. [Google Scholar] [CrossRef]
- Kratochvilla, T.R.; Frank, A.; Pinter, G. Determination of slow crack growth behaviour of polyethylene pressure pipes with cracked round bar test. Polym. Test. 2014, 40, 299–303. [Google Scholar] [CrossRef]
- Ayyer, R.; Hiltner, A.; Baer, E. A fatigue-to-creep correlation in air for application to environmental stress cracking of polyethylene. J. Mater. Sci. 2007, 42, 7004–7015. [Google Scholar] [CrossRef]
- Runt, J.; Jacq, M. Effect of crystalline morphology on fatigue crack propagation in polyethylene. J. Mater. Sci. 1989, 24, 1421–1428. [Google Scholar] [CrossRef]
- Salazar, A.; Rodríguez, J.; Arbeiter, F.; Pinter, G.; Martínez, A.B. Fracture toughness of high density polyethylene: Fatigue pre-cracking versus femtolaser, razor sharpening and broaching. Eng. Fract. Mech. 2015, 149, 199–213. [Google Scholar] [CrossRef]
- Yeh, J.T.; Runt, J. Fatigue crack propagation in high-density polyethylene. J. Polym. Sci. Part B Polym. Phys. 1991, 29, 371–388. [Google Scholar] [CrossRef]
- ISO 13586:2015; Plastics—Determination of Fracture Toughness (GIC and KIC)—Linear Elastic Fracture Mechanics (LEFM) Approach. International Organization for Standardization: Geneva, Switzerland, 2015.
- Thuy, M.; Niebergall, U.; Oehler, H.; Alig, I.; Böhning, M. Evaluation of the damaging effect of crop protection formulations on high density polyethylene using the Full Notch Creep Test. Polymer 2021, 228, 123853. [Google Scholar] [CrossRef]
- Arbeiter, F.; Frank, A.; Pinter, G. Comparison of long-term-properties of polyolefin pipe grades using linear elastic fracture mechanics. In Proceedings of the Plastic Pipes XVI, Barcelona, Spain, 24–26 September 2012. [Google Scholar] [CrossRef]
- Redhead, A.; Frank, A.; Pinter, G. Investigation of slow crack growth initiation in polyethylene pipe grades with accelerated cyclic tests. Eng. Fract. Mech. 2013, 101, 2–9. [Google Scholar] [CrossRef]
- Stern, A.; Asanger, F.; Lang, R.W. Creep crack growth testing of plastics—II. Data acquisition, data reduction and experimental results. Polym. Test. 1998, 17, 423–441. [Google Scholar] [CrossRef]
- Furmanski, J.; Rimnac, C.M. Crack Propagation Resistance Is Similar under Static and Cyclic Loading in Crosslinked UHMWPE: A Pilot Study. Clin. Orthop. Relat. Res. 2011, 469, 2302–2307. [Google Scholar] [CrossRef][Green Version]
- Brostow, W.; Fleissner, M.; Müller, W.F. Slow crack propagation in polyethylene: Determination and prediction. Polymer 1991, 32, 419–425. [Google Scholar] [CrossRef]
- Paris, P.; Erdogan, F. A Critical Analysis of Crack Propagation Laws. J. Basic Eng. 1963, 85, 528–533. [Google Scholar] [CrossRef]
- Pinter, G.; Lang, R.W. Effect of stabilization on creep crack growth in high-density polyethylene. J. Appl. Polym. Sci. 2003, 90, 3191–3207. [Google Scholar] [CrossRef]
- Parsons, M.; Stepanov, E.V.; Hiltner, A.; Baer, E. Correlation of stepwise fatigue and creep slow crack growth in high density polyethylene. J. Mater. Sci. 1999, 34, 3315–3326. [Google Scholar] [CrossRef]
- Lagarón, J.M.; Pastor, J.M.; Kip, B.J. Role of an active environment of use in an environmental stress crack resistance (ESCR) test in stretched polyethylene:: A vibrational spectroscopy and a SEM study. Polymer 1999, 40, 1629–1636. [Google Scholar] [CrossRef]
- Deblieck, R.A.C.; van Beek, D.; Remerie, K.; Ward, I.M. Failure mechanisms in polyolefines: The role of crazing, shear yielding and the entanglement network. Polymer 2011, 52, 2979–2990. [Google Scholar] [CrossRef]
- Pinter, G.; Haager, M.; Lang, R.W. Influence of nonylphenol–polyglycol–ether environments on the results of the full notch creep test. Polym. Test. 2007, 26, 700–710. [Google Scholar] [CrossRef]
- Argon, A.S. Physical basis of distortional and dilational plastic flow in glassy polymers. J. Macromol. Sci. Phys. B 1973, 8, 573–596. [Google Scholar] [CrossRef]
- Kramer, E.J. Microscopic and molecular fundamentals of crazing. Adv. Polym. Sci. 1983, 52–53, 1–56. [Google Scholar] [CrossRef]
- Deblieck, R.; Gerets, B.; Boerakker, M.; Caelers, H.; Wilbers, A.; Boonen, T. Relation between life time, failure stress and craze microstructure in polyethylene as evidenced by fracture surface texture analysis after an accelerated Full-Notch Creep Test. Polymer 2019, 176, 264–273. [Google Scholar] [CrossRef]
- Bandyopadhyay, S.; Brown, H.R. Environmental stress cracking of low molecular weight high density polyethylene. Polymer 1981, 22, 245–249. [Google Scholar] [CrossRef]
- Lu, X.; Brown, N. The relationship of the initiation stage to the rate of slow crack growth in linear polyethylene. J. Mater. Sci. 1986, 21, 2423–2429. [Google Scholar] [CrossRef]
- ISO 293:2004; Plastics—Compression Moulding of Test Specimens of Thermoplastic Materials. International Organization for Standardization: Geneva, Switzerland, 2004.
- ISO 17855-1:2014; Plastics—Polyethylene (PE) Moulding and Extrusion Materials—Part 1: Designation System and Basis for Specifications. International Organization for Standardization: Geneva, Switzerland, 2014.
- Schilling, M.; Niebergall, U.; Böhning, M. Full notch creep test (FNCT) of PE-HD—Characterization and differentiation of brittle and ductile fracture behavior during environmental stress cracking (ESC). Polym. Test. 2017, 64, 156–166. [Google Scholar] [CrossRef]
- DIN 2002:2020; Packaging—Transport Packaging for Dangerous Goods—Chemical Compatibility of Polyethylene and Coextruded Plastic Packagings. German Institute for Standardization: Berlin, Germany, 2020.
- BAM-GGR 015:2013; Chemical Compatibility of Packaging Made of Polyethylene and Co-Extruded Plastic. Bundesanstalt für Materialforschung und -prüfung: Berlin, Germany, 2013.
- DIN EN ISO 13274:2014; Packaging—Transport Packaging for Dangerous Goods—Plastics Compatibility Testing for Packaging and IBCs (ISO 13274:2013 + Cor. 1:2014); German Version EN ISO 13274:2013 + AC:2014. German Institute for Standardization: Berlin, Germany, 2014.
- Lu, G.; Wang, X.-D.; Duan, Y. A Critical Review of Dynamic Wetting by Complex Fluids: From Newtonian Fluids to Non-Newtonian Fluids and Nanofluids. Adv. Colloid Interface Sci. 2016, 236, 43–62. [Google Scholar] [CrossRef]
- Eberl, C. Digital Image Correlation and Tracking. 2021. Available online: https://www.mathworks.com/matlabcentral/fileexchange/12413-digital-image-correlation-and-tracking (accessed on 9 October 2020).
- ASTM E399-20; Standard Test Method for Linear-Elastic Plane-Strain Fracture Toughness of Metallic Materials. ASTM International: West Conshohocken, PA, USA, 2020.
- ISO 15850:2002; Plastics—Determination of Tension-Tension Fatigue Crack Propagation—Linear Elastic Fracture Mechanics (LEFM) Approach. International Organization for Standardization: Geneva, Switzerland, 2002.
- Cerpentier, R.R.J.; van Vliet, T.; Pastukhov, L.V.; van Drongelen, M.; Boerakker, M.J.; Tervoort, T.A.; Govaert, L.E. Fatigue-Crack Propagation of High-Density Polyethylene Homopolymers: Influence of Molecular Weight Distribution and Temperature. Macromolecules 2021, 54, 11508–11521. [Google Scholar] [CrossRef]
- Rink, M.; Frassine, R.; Mariani, P.; Carianni, G. Effects of detergent on crack initiation and propagation in polyethylenes. In Fracture of Polymers, Composites and Adhesives II; Blackman, B.R.K., Pavan, A., Williams, J.G., Eds.; Elsevier Science Bv: Amsterdam, The Netherlands, 2003; pp. 103–114. [Google Scholar] [CrossRef]
- Andena, L.; Castellani, L.; Castiglioni, A.; Mendogni, A.; Rink, M.; Sacchetti, F. Determination of environmental stress cracking resistance of polymers: Effects of loading history and testing configuration. Eng. Fract. Mech. 2013, 101, 33–46. [Google Scholar] [CrossRef]
- Contino, M.; Andena, L.; Rink, M.; Colomb, A.; Marra, G. Fracture of high-density polyethylene used for bleach bottles. In Proceedings of the 21st European Conference on Fracture, Catania, Italy, 20–24 June 2016; Iacoviello, F., Susmel, L., Firrao, D., Ferro, G., Eds.; Elsevier Science Bv: Amsterdam, The Netherlands, 2016; pp. 213–220. [Google Scholar] [CrossRef]
- Contino, M.; Andena, L.; Rink, M. Environmental stress cracking of high-density polyethylene under plane stress conditions. Eng. Fract. Mech. 2020, 241, 107422. [Google Scholar] [CrossRef]
- Contino, M.; Andena, L.; La Valle, V.; Rink, M.; Marra, G.; Resta, S. A comparison between K and G approaches for a viscoelastic material: The case of environmental stress cracking of HDPE. Mech. Time-Depend. Mater. 2019, 24, 381–394. [Google Scholar] [CrossRef]
- Contino, M.; Andena, L.; Rink, M.; Marra, G.; Resta, S. Time-temperature equivalence in environmental stress cracking of high-density polyethylene. Eng. Fract. Mech. 2018, 203, 32–43. [Google Scholar] [CrossRef]
- Kamaludin, M.; Patel, Y.; Williams, J.G.; Blackman, B.R.K. A fracture mechanics approach to characterising the environmental stress cracking behaviour of thermoplastics. Theor. Appl. Fract. Mech. 2017, 92, 373–380. [Google Scholar] [CrossRef]
- Kamaludin, M.A.; Patel, Y.; Blackman, B.R.K.; Williamsa, J.G. Fracture mechanics testing for environmental stress cracking in thermoplastics. In Proceedings of the 21st European Conference on Fracture (ECF), Catania, Italy, 20–24 June 2016; Elsevier Science Bv: Catania, Italy, 2016; pp. 227–234. [Google Scholar] [CrossRef]
- Kamaludin, M.A. Characterising the Environmental Stress Cracking Behaviour of Thermoplastics: A Fracture Mechanics Approach. Ph.D. Thesis, Imperial College London, London, UK, 2017. [Google Scholar]
- Kanters, M.J.W.; Stolk, J.; Govaert, L.E. Direct comparison of the compliance method with optical tracking of fatigue crack propagation in polymers. Polym. Test. 2015, 46, 98–107. [Google Scholar] [CrossRef]
- Amjadi, M.; Fatemi, A. Tensile Behavior of High-Density Polyethylene Including the Effects of Processing Technique, Thickness, Temperature, and Strain Rate. Polymers 2020, 12, 1857. [Google Scholar] [CrossRef]
- Merah, N.; Saghir, F.; Khan, Z.; Bazoune, A. Effect of temperature on tensile properties of HDPE pipe material. Plast. Rubber Compos. 2006, 35, 226–230. [Google Scholar] [CrossRef]
- ASTM E647-00; Standard Test Method for Measurement of Fatigue Crack Growth Rates. ASTM International: West Conshohocken, PA, USA, 2000.
- Lu, X.; Brown, N. The transition from ductile to slow crack growth failure in a copolymer of polyethylene. J. Mater. Sci. 1990, 25, 411–416. [Google Scholar] [CrossRef]
- Böhning, M.; Niebergall, U.; Zanotto, M.; Wachtendorf, V. Impact of biodiesel sorption on tensile properties of PE-HD for container applications. Polym. Test. 2016, 50, 315–324. [Google Scholar] [CrossRef]
- Böhning, M.; Niebergall, U.; Adam, A.; Stark, W. Impact of biodiesel sorption on mechanical properties of polyethylene. Polym. Test. 2013, 34, 17–24. [Google Scholar] [CrossRef]
- Men, Y.F.; Rieger, J.; Enderle, H.-F.; Lilge, D. The mobility of the amorphous phase in polyethylene as a determining factor for slow crack growth. Eur. Phys. J. E 2004, 15, 421–425. [Google Scholar] [CrossRef]
- Frank, A.; Redhead, A.; Pinter, G. The influence of test frequency and eccentric crack growth on cyclic CRB tests. In Proceedings of the 70th Annual Technical Conference of the Society of Plastics Engineers, Orlando, FL, USA, 2–4 April 2012; Volume 3. [Google Scholar] [CrossRef]
- Duan, D.-M.; Williams, J.G. Craze testing for tough polyethylene. J. Mater. Sci. 1998, 33, 625–638. [Google Scholar] [CrossRef]
- Tang, Y.-J.; Jiang, Z.-Y.; Enderle, H.-F.; Lilge, D.; Roth, S.V.; Gehrke, R.; Rieger, J.; An, L.-J.; Men, Y.-F. Mapping the damaged zone around the crack tip in high density polyethylene with synchrotron microfocus small angle X-ray scattering technique. Chin. J. Polym. Sci. 2010, 28, 165–170. [Google Scholar] [CrossRef]
- Yarysheva, A.Y.; Rukhlya, E.G.; Yarysheva, L.M.; Bagrov, D.V.; Volynskii, A.L.; Bakeev, N.F. The structural evolution of high-density polyethylene during crazing in liquid medium. Eur. Polym. J. 2015, 66, 458–469. [Google Scholar] [CrossRef]
- Brown, H.R. A model of environmental craze growth in polymers. J. Polym. Sci. Part B Polym. Phys. 1989, 27, 1273–1288. [Google Scholar] [CrossRef]
- Qian, R.; Lu, X.; Brown, N. The effect of concentration of an environmental stress cracking agent on slow crack growth in polyethylenes. Polymer 1993, 34, 4727–4731. [Google Scholar] [CrossRef]
- Brown, N.; Lu, X. A fundamental theory for slow crack growth in polyethylene. Polymer 1995, 36, 543–548. [Google Scholar] [CrossRef]
- Brown, N.; Lu, X.; Huang, Y.-L.; Qian, R. Slow crack growth in polyethylene—A review. Makromol. Chem. Macromol. Symp. 1991, 41, 55–67. [Google Scholar] [CrossRef]
- Riemslag, A.C. Crack Growth in Polyethylene. Ph.D. Thesis, Delft University of Technology, Delft, The Netherlands, 1997. [Google Scholar]
- Bandyopadhyay, S.; Brown, H.R. Studies of environmental stress-crack propagation in low-density polyethylene. J. Polym. Sci. Polym. Phys. Ed. 1981, 19, 749–761. [Google Scholar] [CrossRef]
- Pan, H.; Devasahayam, S.; Bandyopadhyay, S. Study of microstructure and fracture properties of blunt notched and sharp cracked high density polyethylene specimens. Sci. Rep. 2017, 7, 13. [Google Scholar] [CrossRef]
- Schilling, M. Environmental Stress Cracking (ESC) and Slow Crack Growth (SCG) of PE-HD Induced by External Fluids. Ph.D. Thesis, Technische Universität Darmstadt, Darmstadt, Germany, 2020. [Google Scholar] [CrossRef]
- Mouritz, A.P. Fracture Toughness Properties of Aerospace Materials; Woodhead Publishing Ltd.: Cambridge, UK, 2012; ISBN 978-0-85709-515-2. [Google Scholar]
- Kim, K.-Y.; Ye, L. Effects of thickness and environmental temperature on fracture behaviour of polyetherimide (PEI). J. Mater. Sci. 2004, 39, 1267–1276. [Google Scholar] [CrossRef]
- Gensler, R.; Plummer, C.; Grein, C.; Kausch, H.-H. Influence of the loading rate on the fracture resistance of isotactic polypropylene and impact modified isotactic polypropylene. Polymer 2000, 41, 3809–3819. [Google Scholar] [CrossRef]
- Strebel, J.J.; Moet, A. Plane Strain and Plane Stress Analysis of Fatigue Crack Propagation in Medium Density Polyethylene Pipe Materials. Polym. Eng. Sci. 1993, 33, 217–226. [Google Scholar] [CrossRef]






| Weight % | Component |
|---|---|
| 16 | solvent naphtha (petroleum), heavy aromatic |
| 16 | 1-methyl-2-pyrrolidone |
| 16 | 1-methoxy-2-propanol |
| 16 | 1,2 propanediol |
| 16 | cyclohexanone |
| 8 | ethoxylated ricinus oil |
| 8 | tap water |
| 4 | calcium alkyl benzene sulphonate in isobutanol |
| Weight % | Component |
|---|---|
| 60 | sodium salt of an alkyl ether sulfate in water |
| 25 | tap water |
| 10 | 1-methoxy-2-propanol |
| 5 | sodiumchloride |
| Test Liquid | Dist. Water | 2 wt% aq. Arkopal N100 | PFL-FR 2323 | PFL-FR 2344 |
|---|---|---|---|---|
| surface tension (at 40 °C)/mN m−1 | 68.2 ± 0.1 | 30.0 ± 0.2 | 28.4 ± 0.4 | 16.8 ± 0.8 |
| Dist. Water | 2 wt% aq. Arkopal N100 | PFL-FR 2323 | PFL-FR 2344 | |
|---|---|---|---|---|
| 2.62 ± 0.02 | 2.08 ± 0.05 | 2.75 ± 0.04 | 2.88 ± 0.05 | |
| 2.46 ± 0.03 | 2.25 ± 0.03 | 3.30 ± 0.02 | 2.48 ± 0.04 | |
| 1.60 | 1.29 | 0.93 | 1.52 | |
| 1.52 | 1.31 | 0.82 | 1.43 |
Publisher’s Note: MDPI stays neutral with regard to jurisdictional claims in published maps and institutional affiliations. |
© 2022 by the authors. Licensee MDPI, Basel, Switzerland. This article is an open access article distributed under the terms and conditions of the Creative Commons Attribution (CC BY) license (https://creativecommons.org/licenses/by/4.0/).
Share and Cite
Thuy, M.; Pedragosa-Rincón, M.; Niebergall, U.; Oehler, H.; Alig, I.; Böhning, M. Environmental Stress Cracking of High-Density Polyethylene Applying Linear Elastic Fracture Mechanics. Polymers 2022, 14, 2415. https://doi.org/10.3390/polym14122415
Thuy M, Pedragosa-Rincón M, Niebergall U, Oehler H, Alig I, Böhning M. Environmental Stress Cracking of High-Density Polyethylene Applying Linear Elastic Fracture Mechanics. Polymers. 2022; 14(12):2415. https://doi.org/10.3390/polym14122415
Chicago/Turabian StyleThuy, Maximilian, Miquel Pedragosa-Rincón, Ute Niebergall, Harald Oehler, Ingo Alig, and Martin Böhning. 2022. "Environmental Stress Cracking of High-Density Polyethylene Applying Linear Elastic Fracture Mechanics" Polymers 14, no. 12: 2415. https://doi.org/10.3390/polym14122415
APA StyleThuy, M., Pedragosa-Rincón, M., Niebergall, U., Oehler, H., Alig, I., & Böhning, M. (2022). Environmental Stress Cracking of High-Density Polyethylene Applying Linear Elastic Fracture Mechanics. Polymers, 14(12), 2415. https://doi.org/10.3390/polym14122415

