Preparation of Octadecyl Amine Grafted over Waste Rubber Powder (ODA-WRP) and Properties of Its Incorporation in SBS-Modified Asphalt
Abstract
1. Introduction
2. Preparation of Octadecyl Amine Waste Rubber Powder/Styrene-Butadiene-Styrene (ODA-WRP/SBS) Composite Modified Asphalt
2.1. Materials
2.2. Preparation Method
2.2.1. Preparation of ODA-WRP
2.2.2. Preparation of ODA-WRP/SBS Modified Asphalt
2.3. Analysis of Asphalts
3. Results and Discussion
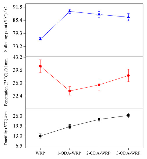
3.1. Analysis of Three Indicators
3.2. Dynamic Shear Rheometer (DSR) Test of Various Asphalts
3.2.1. Complex Shear Modulus (G*)
3.2.2. Storage Modulus (G′)
3.2.3. Loss Modulus (G″)
3.3. Multi-Stress Creep Recovery (MSCR) Test of Various Asphalts
3.4. Stability of ODA-WRP in Asphalt
3.5. Microscopic Analyses
3.5.1. Fluorescence Microscopy (FM) Analysis of ODA-WRP in Asphalt
3.5.2. Structural and Textural Characterization of ODA-WRP
4. Conclusions
Supplementary Materials
Author Contributions
Funding
Acknowledgments
Conflicts of Interest
References
- Santagata, E.; Baglieri, O.; Dalmazzo, D.; Tsantilis, L. Evaluation of the anti-rutting potential of polymer-modified binders by means of creep-recovery shear tests. Mater. Struct. 2013, 46, 1673–1682. [Google Scholar]
- Dong, F.; Zhao, W.; Zhang, Y.; Wei, J.; Fan, W.; Yu, Y.; Wang, Z. Influence of sbs and asphalt on sbs dispersion and the performance of modified asphalt. Constr. Build. Mater. 2014, 62, 1–7. [Google Scholar] [CrossRef]
- Hou, D.; Han, M.; Muhammad, Y.; Liu, Y.; Zhang, F.; Yin, Y.; Duan, S.; Li, J. Performance evaluation of modified asphalt based trackless tack coat materials. Constr. Build. Mater. 2018, 165, 385–394. [Google Scholar] [CrossRef]
- Goli, A.; Ziari, H.; Amini, A. Influence of carbon nanotubes on performance properties and storage stability of sbs modified asphalt binders. J. Mater. Civ. Eng. 2017, 29, 04017071–04017079. [Google Scholar] [CrossRef]
- Pang, J.; Du, S.; Chang, R.; Cui, D. Rheological properties of sbs-modified asphalt in the presence of dithiodimorpholine and tetraethyl thiuram disulfide. Polym. Compos. 2016, 37, 943–948. [Google Scholar] [CrossRef]
- Sengul, C.E.; Oruc, S.; Iskender, E.; Aksoy, A. Evaluation of sbs modified stone mastic asphalt pavement performance. Constr. Build. Mater. 2013, 41, 777–783. [Google Scholar] [CrossRef]
- Zhang, F.; Yu, J. The research for high-performance sbr compound modified asphalt. Constr. Build. Mater. 2010, 24, 410–418. [Google Scholar] [CrossRef]
- Wen, G.; Zhang, Y.; Zhang, Y.; Sun, K.; Fan, Y. Rheological characterization of storage-stable sbs-modified asphalts. Polym. Test. 2002, 21, 295–302. [Google Scholar] [CrossRef]
- Zhang, F.; Hu, C.; Zhang, Y. Research for sebs/ppa compound-modified asphalt. J. Appl. Polym. Sci. 2018, 135, 46085. [Google Scholar] [CrossRef]
- Yin, J.; Wu, W. Utilization of waste nylon wire in stone matrix asphalt mixtures. Waste Manag. 2018, 78, 948–954. [Google Scholar] [CrossRef]
- Yang, X.; You, Z. High temperature performance evaluation of bio-oil modified asphalt binders using the dsr and mscr tests. Constr. Build. Mater. 2015, 76, 380–387. [Google Scholar] [CrossRef]
- Yang, X.; Mills-Beale, J.; You, Z. Chemical characterization and oxidative aging of bio-asphalt and its compatibility with petroleum asphalt. J. Clean. Product. 2017, 142, 1837–1847. [Google Scholar] [CrossRef]
- You, Z.; Mills-Beale, J.; Foley, J.M.; Roy, S.; Odegard, G.M.; Dai, Q.; Shu, W.G. NanoClay-modified asphalt materials: Preparation and characterization. Constr. Build. Mater. 2011, 25, 1072–1078. [Google Scholar] [CrossRef]
- Shu, B.; Wu, S.; Pang, L.; Javilla, B. The utilization of multiple-walled carbon nanotubes in polymer modified bitumen. Materials 2017, 10, 416. [Google Scholar] [CrossRef]
- Han, M.; Li, J.; Muhamma, Y.; Hou, D.; Zhang, F.; Yin, Y.; Duan, S. Effect of polystyrene grafted graphene nanoplatelets on the physical and chemical properties of asphalt binder. Constr. Build. Mater. 2018, 174, 108–119. [Google Scholar] [CrossRef]
- Li, J.; Han, M.; Muhammad, Y.; Liu, Y.; Yang, S.; Duan, S.; Huang, W.; Zhao, Z. Comparative analysis, road performance and mechanism of modification of polystyrene graphene nanoplatelets (ps-gnps) and octadecyl amine graphene nanoplatelets (oda-gnps) modified sbs incorporated asphalt binders. Constr. Build. Mater. 2018, 193, 501–517. [Google Scholar] [CrossRef]
- Li, J.; Han, M.; Muhammad, Y.; Liu, Y.; Su, Z.; Yang, J.; Yang, S.; Duan, S. Preparation and properties of sbs-g-gos-modified asphalt based on a thiol-ene click reaction in a bituminous environment. Polymers 2018, 10, 1264. [Google Scholar] [CrossRef] [PubMed]
- Stevenson, K.; Hart, S.A.G. Tire rubber recycling and bioremediation: A review. Bioremediation J. 2008, 12, 1–11. [Google Scholar] [CrossRef]
- Adhikari, B.; De, D.; Maiti, S. Reclamation and recycling of waste rubber. Prog. Polym. Sci. 2000, 25, 909–948. [Google Scholar] [CrossRef]
- Jin, K.K.; Lee, S.H. New technology of crumb rubber compounding for recycling of waste tires. J. Appl. Polym. Sci. 2015, 78, 1573–1577. [Google Scholar]
- Thomas, B.S.; Gupta, R.C.; Panicker, V.J. Recycling of waste tire rubber as aggregate in concrete: Durability-related performance. J. Clean. Product. 2016, 112, 504–513. [Google Scholar] [CrossRef]
- Jeong, K.D.; Lee, S.J.; Amirkhanian, S.N.; Kim, K.W. Interaction effects of crumb rubber modified asphalt binders. Constr. Build. Mater. 2010, 24, 824–831. [Google Scholar] [CrossRef]
- Fang, C.; Wu, C.; Yu, R.; Zhang, Z.; Zhang, M.; Zhou, S. Aging properties and mechanism of the modified asphalt by packaging waste polyethylene and waste rubber powder. Polym. Adv. Technol. 2013, 24, 51–55. [Google Scholar] [CrossRef]
- Chehovits, J.G. Design of asphalt and crumb rubber modifier blends for highway applications. 1993. [Google Scholar]
- Kim, H.-S.; Lee, S.-J.; Amirkhanian, S. Rheology investigation of crumb rubber modified asphalt binders. KSCE J. Civ. Eng. 2010, 14, 839–843. [Google Scholar] [CrossRef]
- Navarro, F.J.; Partal, P.; Martı́Nez-Boza, F.; Gallegos, C. Thermo-rheological behaviour and storage stability of ground tire rubber-modified bitumens. Fuel 2004, 83, 2041–2049. [Google Scholar] [CrossRef]
- Karakurt, C. Microstructure properties of waste tire rubber composites: An overview. J. Mater. Cycles Waste Manag. 2015, 17, 422–433. [Google Scholar] [CrossRef]
- Gawel, I.; Stepkowski, R.; Czechowski, F. Molecular interactions between rubber and asphalt. Ind. Eng. Chem. Res. 2006, 45, 3044–3049. [Google Scholar] [CrossRef]
- Ji, K.; Yuan, Z.; Chen, Z. Vulcanized Rubber Powder—Principle, Technology and Application; Chemical Industry Press: Beijing, China, 2015. [Google Scholar]
- Liao, X.X.; Liao, S.Q.; Zhao, Y.F.; Luo, M.C.; Tian, W.M. Review on the broken three-dimensional network modification methods of waste rubber powder. Adv. Mater. Res. 2013, 800, 77–80. [Google Scholar] [CrossRef]
- Cavalieri, F.; Padella, F.; Cataldo, F. Mechanochemical surface activation of ground tire rubber by solid-state devulcanization and grafting. J. Appl. Polym. Sci. 2010, 90, 1631–1638. [Google Scholar] [CrossRef]
- Jin, L.Z.; Hong, X.C.; Yu, Z.; Hui, Z.L.; Wang, D.L. Graft polymerization of styrene onto waste rubber powder and surface characterization of graft copolymer. Polym. Bull. 2012, 68, 789–801. [Google Scholar]
- Liang, M.; Xin, X.; Fan, W.; Ren, S.; Shi, J.; Luo, H. Thermo-stability and aging performance of modified asphalt with crumb rubber activated by microwave and tor. Mater. Des. 2017, 127, 84–96. [Google Scholar] [CrossRef]
- Han, M.; Li, J.; Muhammad, Y.; Yin, Y.; Yang, J.; Yang, S.; Duan, S. Studies on the secondary modification of sbs modified asphalt by the application of octadecyl amine grafted graphene nanoplatelets as modifier. Diamond Relat. Mater. 2018, 89, 140–150. [Google Scholar] [CrossRef]
- Research Institute of Highway Ministry of Transport. Standard Test Methods of Bitumen and Bituminous Mixtures for Highway Engineering: Jtg e20-2011; China Communications Press: Beijing, China, 2011. [Google Scholar]
- Heitzman, M. Design and construction of asphalt paving materials with crumb rubber modifier. Transp. Res. Record 1992, 1339, 1–8. [Google Scholar]
- Green, E.L.; Tolonen, W.J. The chemical and physical properties of asphalt rubber mixtures. Part i. Basic material behavior. Arizona Dep. Transp. 1977, 3, 1–97. [Google Scholar]
- Feng, Z.; Hu, C. Physical and rheological properties of crumb rubber/styrene–butadiene–styrene compound modified asphalts. Polym. Compos. 2017, 38, 1918–1927. [Google Scholar]
- Lan, W.; Jiang, S.H.; Gang, C. Microstructure and temperature characterization of compound crumb rubber modified asphalt. Adv. Mater. Res. 2014, 1052, 382–386. [Google Scholar]
- Liu, L.; Liu, Z.H.; Li, S. The preparation technology and performance study of sbs and rubber powder composite modified asphalt. Appl. Mech. Mater. 2013, 361–363, 1617–1620. [Google Scholar] [CrossRef]
- Jahanbakhsh, H.; Karimi, M.M.; Nejad, F.M.; Jahangiri, B. Viscoelastic-based approach to evaluate low temperature performance of asphalt binders. Constr. Build. Mater. 2016, 128, 384–398. [Google Scholar] [CrossRef]
- AASHOT. Determining the Rheological Properties of Asphalt Binder Using a Dynamic Shear Rheometer (dsr); American Society for Testing Materials: Philadelphia, PA, USA, 2013. [Google Scholar]
- Li, J.; Zhang, F.; Liu, Y.; Muhammad, Y.; Su, Z.; Meng, F.; Chen, X. Preparation and properties of soybean bio-asphalt/sbs modified petroleum asphalt. Constr. Build. Mater. 2019, 201, 268–277. [Google Scholar] [CrossRef]
- Morrison, G.R.; Hesp, S.A.M. A new look at rubber-modified asphalt binders. J. Mater. Sci. 1995, 30, 2584–2590. [Google Scholar] [CrossRef]
- AASHOT. Tp70-10, Standard Test Method for Multiple Stress Creep and Recovery (mscr) of Asphalt Binder Using a Dynamic Shear Rheometer; American Society for Testing Materials: Philadelphia, PA, USA, 2010. [Google Scholar]
- Huang, W.; Tang, N. Characterizing sbs modified asphalt with sulfur using multiple stress creep recovery test. Constr. Build. Mater. 2015, 93, 514–521. [Google Scholar] [CrossRef]
- ASTM. D5329-09, Standard Test Methods for Sealants and Fillers, Hot-Applied, for Joints and Cracks in Asphaltic and Portland Cementconcrete Pavements; American Society for Testing Materials: Philadelphia, PA, USA, 2009. [Google Scholar]
- ASTM. D5078-95, Standard Specification for Crack Filler, Hot-Applied, for Asphalt Concrete and Portland Cement Concrete Pavements; American Society for Testing Materials: Philadelphia, PA, USA, 1995. [Google Scholar]
- Rolere, S.; Liengprayoon, S.; Vaysse, L.; Sainte-Beuve, J.; Bonfils, F. Investigating natural rubber composition with fourier transform infrared (ft-ir) spectroscopy: A rapid and non-destructive method to determine both protein and lipid contents simultaneously. Polym. Test. 2015, 43, 83–93. [Google Scholar] [CrossRef]
- Ganesh, K.; El-Mossalamy, E.H.; Satheshkumar, A.; Balraj, C.; Elango, K.P. Molecular complexes of l-phenylalanine with substituted 1,4-benzoquinones in aqueous medium: Spectral and theoretical investigations. Spectrochim. Acta Part A Mol. Biomol. Spectr. 2013, 116, 301–310. [Google Scholar] [CrossRef]
- Martı́nez-Barrera, G.; López, H.; Castaño, V.M.; Rodrı́guez, R. Studies on the rubber phase stability in gamma irradiated polystyrene-sbr blends by using ft-ir and raman spectroscopy. Radiat. Phys. Chem. 2004, 69, 155–162. [Google Scholar] [CrossRef]
- Lalanne, P.; Rey, S.; Cansell, F.; Tassaing, T.; Besnard, M. Attempt to explain the changes in solvation of polystyrene in supercritical co2/ethanol mixtures using infrared and raman spectroscopy. J. Supercrit. Fluids 2001, 19, 199–207. [Google Scholar] [CrossRef]
- Nallasamy, P.; Mohan, S. Vibrational spectra of cis-1.4-polyisoprene. Arabian J. Sci. Eng. 2004, 29, 17–26. [Google Scholar]
- Narathichat, M.; Sahakaro, K.; Nakason, C. Assessment degradation of natural rubber by moving die processability test and ftir spectroscopy. J. Appl. Polym. Sci. 2010, 115, 1702–1709. [Google Scholar] [CrossRef]
- Dinsmore, H.L.; Smith, D.C. Analysis of natural and synthetic rubber by infrared spectroscopy. Anal. Chem. 1947, 20, 11–24. [Google Scholar] [CrossRef]
- Yu, H.; Zeng, Z.; Lu, G.; Wang, Q. Processing characteristics and thermal stabilities of gel and sol of epoxidized natural rubber. Euro. Polym. J. 2008, 44, 453–464. [Google Scholar] [CrossRef]
- Lu, F.J.; Hsu, S.L. Vibrational spectroscopic analysis of the structure of natural rubber. Rubber Chem. Technol. 1987, 60, 647–658. [Google Scholar] [CrossRef]
- Bashkova, S.; Bandosz, T.J. Effect of surface chemical and structural heterogeneity of copper-based mof/graphite oxide composites on the adsorption of ammonia. J. Colloid Interf. Sci. 2014, 417, 109–114. [Google Scholar] [CrossRef] [PubMed]
- Hassan, M.M.; Aly, R.O.; Aal, S.E.A.; Elmasry, A.M.; Fathy, E.S. Styrene butadiene-based blends containing waste rubber powder: Physico-mechanical effects of mechanoChemical devulcanization and gamma irradiation. J. Indust. Eng. Chem. 2013, 19, 1735–1742. [Google Scholar] [CrossRef]
- Fan, P.; Lu, C. A study on functionalization of waste tire rubber powder through ozonization. J. Polym. Environ. 2011, 19, 943–949. [Google Scholar] [CrossRef]
















| Type of WRP | Simplified Name |
|---|---|
| WRP | WRP-modified asphalt |
| ODA-WRP (0.5:20) | 1-ODA-WRP-modified asphalt |
| ODA-WRP (1:20) | 2-ODA-WRP-modified asphalt |
| ODA-WRP (2:20) | 3-ODA-WRP-modified asphalt |
| Temperature (°C) | RF/KPa | |||
|---|---|---|---|---|
| WRP-Modified Asphalt | 1-ODA-WRP-Modified Asphalt | 2-ODA-WRP-Modified Asphalt | 3-ODA-WRP-Modified Asphalt | |
| 70 | 8.55 | 14.61 | 10.64 | 9.72 |
| 76 | 5.16 | 8.74 | 6.59 | 5.37 |
| 82 | 2.91 | 5.27 | 4.14 | 3.39 |
| Rotating film oven test (RTFOT) aging treatment | ||||
| 82 | 2.64 | 3.61 | 3.22 | 3.05 |
| Samples | R and Jnr values | |||
|---|---|---|---|---|
| R0.1 | Jnr0.1/KPa−1 | R3.2 | Jnr3.2/KPa−1 | |
| WRP | 0.821 | 0.375 | 0.203 | 2.124 |
| 1-ODA-WRP | 0.890 | 0.153 | 0.365 | 1.328 |
| 2-ODA-WRP | 0.845 | 0.264 | 0.292 | 1.798 |
| 3-ODA-WRP | 0.827 | 0.304 | 0.264 | 1.888 |
| Number | FTIR Peak Position/cm−1 | Representative Composition | References |
|---|---|---|---|
| 1 | 708.9 | ν C-H (benzene) | [52] |
| 2 | 744.4 | ρ –CH2– | [53] |
| 3 | 853.8 | γ C=C–H (cis-1,4 addition) | [53,54,55,56] |
| 4 | 938.7 | ν C–C | [53] |
| 5 | 1373.8 | δ (a)sym. –CH3 | [53,55,56,57] |
| 6 | 1457.9 | δ –CH2– + ρ –CH3 | [53,55,57] |
| 7 | 1557.1 | Amide II: β N–H + ν C–N | [57] |
| 8 | 1618.3 | Amide I: ν R1–(C=O)–NH–R2 | [57] |
| 9 | 1720.1 | ν R1–(C=O)–OH | [54,56,57] |
| 10 | 2850.7 | ν sym. –CH2– | [53,55] |
| 11 | 2918.1 | ν sym. –CH3 | [53,55] |
| 12 | 3469.1 | ν –OH | [17,34] |
| Name | Element | ||
|---|---|---|---|
| C (at %) | N (at %) | O (at %) | |
| WRP | 86.15 | 1.69 | 12.16 |
| 1-ODA-WRP | 89.78 | 1.62 | 8.60 |
| 3-ODA-WRP | 93.83 | 1.48 | 4.69 |
© 2019 by the authors. Licensee MDPI, Basel, Switzerland. This article is an open access article distributed under the terms and conditions of the Creative Commons Attribution (CC BY) license (http://creativecommons.org/licenses/by/4.0/).
Share and Cite
Han, M.; Zeng, X.; Muhammad, Y.; Li, J.; Yang, J.; Yang, S.; Wei, Y.; Meng, F. Preparation of Octadecyl Amine Grafted over Waste Rubber Powder (ODA-WRP) and Properties of Its Incorporation in SBS-Modified Asphalt. Polymers 2019, 11, 665. https://doi.org/10.3390/polym11040665
Han M, Zeng X, Muhammad Y, Li J, Yang J, Yang S, Wei Y, Meng F. Preparation of Octadecyl Amine Grafted over Waste Rubber Powder (ODA-WRP) and Properties of Its Incorporation in SBS-Modified Asphalt. Polymers. 2019; 11(4):665. https://doi.org/10.3390/polym11040665
Chicago/Turabian StyleHan, Meizhao, Xiang Zeng, Yaseen Muhammad, Jing Li, Jing Yang, Song Yang, Yunhao Wei, and Fei Meng. 2019. "Preparation of Octadecyl Amine Grafted over Waste Rubber Powder (ODA-WRP) and Properties of Its Incorporation in SBS-Modified Asphalt" Polymers 11, no. 4: 665. https://doi.org/10.3390/polym11040665
APA StyleHan, M., Zeng, X., Muhammad, Y., Li, J., Yang, J., Yang, S., Wei, Y., & Meng, F. (2019). Preparation of Octadecyl Amine Grafted over Waste Rubber Powder (ODA-WRP) and Properties of Its Incorporation in SBS-Modified Asphalt. Polymers, 11(4), 665. https://doi.org/10.3390/polym11040665

