Fabrication of Porous Polyvinylidene Fluoride/Multi-Walled Carbon Nanotube Nanocomposites and Their Enhanced Thermoelectric Performance
Abstract
1. Introduction
2. Experimentation
2.1. Materials
2.2. Preparation of Porous PVDF/MWNTs Composites
2.3. Characterization
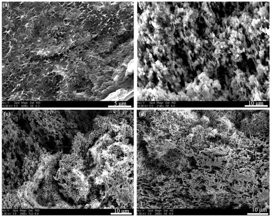
3. Results and Discussion
4. Conclusions
Author Contributions
Acknowledgments
Conflicts of Interest
References
- Zhang, Q.; Sun, Y.M.; Xu, W.; Zhu, D.B. Organic thermoelectric materials: Emerging green energy materials converting heat to electricity directly and efficiently. Adv. Mater. 2015, 26, 6829–6851. [Google Scholar] [CrossRef] [PubMed]
- Wang, L.; Liu, Y.; Zhang, Z.; Wang, B.; Qiu, J.; Hui, D.; Wang, S. Polymer composites-based thermoelectric materials and devices. Compos. Part B Eng. 2017, 122, 145–155. [Google Scholar] [CrossRef]
- Zhao, J.; Tan, D.X.; Chen, G.M. A strategy to improve the thermoelectric performance of conducting polymer nanostructures. J. Mater. Chem. C 2017, 5, 47–53. [Google Scholar] [CrossRef]
- Xie, J.; Zhao, C.-E.; Lin, Z.-Q.; Gu, P.-Y.; Zhang, Q. Nanostructured conjugated polymers for energy-related applications beyond solar cells. Chem. Asian J. 2016, 11, 1489–1511. [Google Scholar] [CrossRef] [PubMed]
- Wu, J.; Sun, Y.; Xu, W.; Zhang, Q. Investigation thermoelectric properties of doped polyaniline nanowires. Synth. Met. 2014, 189, 171–182. [Google Scholar] [CrossRef]
- Cheng, X.L.; Zhang, Y.F.; Wu, Y.G.; Fu, P.; Lin, Z.D.; Du, F.P.; Cheng, C. Thermally sensitive n-type thermoelectric aniline oligomer-block-polyethylene glycol-block-aniline oligomer ABA triblock copolymers. Macromol. Chem. Phys. 2018, 219, 1700635. [Google Scholar] [CrossRef]
- Du, F.P.; Cao, N.N.; Zhang, Y.F.; Fu, P.; Wu, Y.G.; Lin, Z.D.; Shi, R.; Amini, R.; Cheng, C. PEDOT: PSS/graphene quantum dots films with enhanced thermoelectric properties via strong interfacial interaction and phase separation. Sci. Rep. 2018, 8, 6441. [Google Scholar] [CrossRef] [PubMed]
- Gao, C.; Chen, G. Conducting polymer/carbon particle thermoelectric composites: Emerging green energy materials. Compos. Sci. Technol. 2016, 124, 52–70. [Google Scholar] [CrossRef]
- Du, F.P.; Li, Q.Q.; Fu, P.; Zhang, Y.F.; Wu, Y.G. The effect of polystyrene sulfonate on the thermoelectric properties of polyaniline/silver nanowires nanocomposites. J. Mater. Sci. Mater. Electron. 2018, 29, 8666–8672. [Google Scholar] [CrossRef]
- Zhang, Z.; Chen, G.; Wang, H.; Zhai, W. Enhanced thermoelectric property by the construction of a nanocomposite 3D interconnected architecture consisting of graphene nanolayers sandwiched by polypyrrole nanowires. J. Mater. Chem. C 2015, 3, 1649–1654. [Google Scholar] [CrossRef]
- Chen, J.; Gui, X.; Wang, Z.; Li, Z.; Xiang, R.; Wang, K.; Wu, D.; Xia, X.; Zhou, Y.; Wang, Q.; et al. Superlow thermal conductivity 3d carbon nanotube network for thermoelectric applications. ACS Appl. Mater. Interface 2012, 4, 81–86. [Google Scholar] [CrossRef] [PubMed]
- Lee, H.; Vashaee, D.; Wang, D.Z.; Dresselhaus, M.S.; Ren, Z.F.; Chen, G. Effects of nanoscale porosity on thermoelectric properties of sige. J. Appl. Phys. 2010, 107, 094308. [Google Scholar] [CrossRef]
- Du, B.; Li, H.; Xu, J.; Tang, X.; Uher, C. Enhanced thermoelectric performance and novel nanopores in agsbte2 prepared by melt spinning. J. Solid State Chem. 2011, 184, 109–114. [Google Scholar] [CrossRef]
- Cho, W.S.; Park, K. Thermoelectric properties of porous n-type Fe0.94Co0.06Si2 compounds prepared by pressureless sintering. J. Mater. Sci. Mater. Electron. 2000, 11, 319–324. [Google Scholar] [CrossRef]
- Tang, J.; Wang, H.-T.; Lee, D.H.; Fardy, M.; Huo, Z.; Russell, T.P.; Yang, P. Holey silicon as an efficient thermoelectric material. Nano Lett. 2010, 10, 4279–4283. [Google Scholar] [CrossRef] [PubMed]
- Yadav, G.G.; David, A.; Favaloro, T.; Yang, H.R.; Shakouri, A.; Caruthers, J.; Wu, Y. Synthesis and investigation of thermoelectric and electrochemical properties of porous Ca9Co12O28 nanowires. J. Mater. Chem. A 2013, 1, 11901–11908. [Google Scholar] [CrossRef]
- Ning, H.P.; Mastrorillo, G.D.; Grasso, S.; Du, B.L.; Mori, T.; Hu, C.F.; Xu, Y.; Simpson, K.; Maizza, G.; Reece, M.J. Enhanced thermoelectric performance of porous magnesium tin silicide prepared using pressure-less spark plasma sintering. J. Mater. Chem. A 2015, 3, 17426–17432. [Google Scholar] [CrossRef]
- Chen, Y.; Chen, K.; Bai, H.; Li, L. Electrochemically reduced graphene porous material as light absorber for light-driven thermoelectric generator. J. Mater. Chem. 2012, 22, 17800–17804. [Google Scholar] [CrossRef]
- Zhao, L.; Sun, X.; Lei, Z.; Zhao, J.; Wu, J.; Li, Q.; Zhang, A. Thermoelectric behavior of aerogels based on graphene and multi-walled carbon nanotube nanocomposites. Compos. Part B Eng. 2015, 83, 317–322. [Google Scholar] [CrossRef]
- Wu, Q.; Hu, J. Waterborne polyurethane based thermoelectric composites and their application potential in wearable thermoelectric textiles. Compos. Part B Eng. 2016, 107, 59–66. [Google Scholar] [CrossRef]
- Wu, D.; Zhao, L.D.; Hao, S.; Jiang, Q.; Zheng, F.; Doak, J.W.; Wu, H.; Chi, H.; Gelbstein, Y.; Uher, C.; et al. Origin of the high performance in gete-based thermoelectric materials upon Bi2Te3 doping. J. Am. Chem. Soc. 2014, 136, 11412–11419. [Google Scholar] [CrossRef] [PubMed]
- Song, H.; Cai, K.; Wang, J.; Shen, S. Influence of polymerization method on the thermoelectric properties of multi-walled carbon nanotubes/polypyrrole composites. Synth. Met. 2016, 211, 58–65. [Google Scholar] [CrossRef]
- Bounioux, C.; Diaz-Chao, P.; Campoy-Quiles, M.; Martin-Gonzalez, M.S.; Goni, A.R.; Yerushalmi-Rozene, R.; Mueller, C. Thermoelectric composites of poly(3-hexylthiophene) and carbon nanotubes with a large power factor. Energy Environ. Sci. 2013, 6, 918–925. [Google Scholar] [CrossRef]
- Kim, P.; Shi, L.; Majumdar, A.; McEuen, P.L. Thermal transport measurements of individual multiwalled nanotubes. Phys. Rev. Lett. 2001, 87, 215502. [Google Scholar] [CrossRef] [PubMed]
- Berber, S.; Kwon, Y.K.; Tomanek, D. Unusually high thermal conductivity of carbon nanotubes. Phys. Rev. Lett. 2000, 84, 4613–4616. [Google Scholar] [CrossRef] [PubMed]
- Suemori, K.; Hoshino, S.; Kamata, T. Flexible and lightweight thermoelectric generators composed of carbon nanotube-polystyrene composites printed on film substrate. Appl. Phys. Lett. 2013, 103, 153902. [Google Scholar] [CrossRef]
- Suemori, K.; Watanabe, Y.; Hoshino, S. Carbon nanotube bundles/polystyrene composites as high-performance flexible thermoelectric materials. Appl. Phys. Lett. 2015, 106, 113902. [Google Scholar] [CrossRef]
- Dun, C.; Hewitt, C.A.; Huang, H.; Xu, J.; Montgomery, D.S.; Nie, W.; Jiang, Q.; Carroll, D.L. Layered Bi2Se3 nanoplate/polyvinylidene fluoride composite based n-type thermoelectric fabrics. ACS Appl. Mater. Interface 2015, 7, 7054–7059. [Google Scholar] [CrossRef] [PubMed]
- Hewitt, C.A.; Kaiser, A.B.; Roth, S.; Craps, M.; Czerw, R.; Carroll, D.L. Multilayered carbon nanotube/polymer composite based thermoelectric fabrics. Nano Lett. 2012, 12, 1307–1310. [Google Scholar] [CrossRef] [PubMed]
- Dun, C.; Hewitt, C.A.; Huang, H.; Montgomery, D.S.; Xu, J.; Carroll, D.L. Flexible thermoelectric fabrics based on self-assembled tellurium nanorods with a large power factor. Phys. Chem. Chem. Phys. 2015, 17, 8591–8595. [Google Scholar] [CrossRef] [PubMed]
- Hewitt, C.A.; Kaiser, A.B.; Craps, M.; Czerw, R.; Roth, S.; Carroll, D.L. Temperature dependent thermoelectric properties of freestanding few layer graphene/polyvinylidene fluoride composite thin films. Synth. Met. 2013, 165, 56–59. [Google Scholar] [CrossRef]
- Hewitt, C.A.; Kaiser, A.B.; Roth, S.; Craps, M.; Czerw, R.; Carroll, D.L. Varying the concentration of single walled carbon nanotubes in thin film polymer composites, and its effect on thermoelectric power. Appl. Phys. Lett. 2011, 98, 183110. [Google Scholar] [CrossRef]
- Zhang, W.B.; Xu, X.L.; Yang, J.H.; Huang, T.; Zhang, N.; Wang, Y.; Zhou, Z.W. High thermal conductivity of poly(vinylidene fluoride)/carbon nanotubes nanocomposites achieved by adding polyvinylpyrrolidone. Compos. Sci. Technol. 2015, 106, 1–8. [Google Scholar] [CrossRef]
- California, A.; Cardoso, V.F.; Costa, C.M.; Sencadas, V.; Botelho, G.; Gómez-Ribelles, J.L.; Lanceros-Mendez, S. Tailoring porous structure of ferroelectric poly(vinylidene fluoride-trifluoroethylene) by controlling solvent/polymer ratio and solvent evaporation rate. Eur. Polym. J. 2011, 47, 2442–2450. [Google Scholar] [CrossRef]
- Du, F.-P.; Ye, E.-Z.; Yang, W.; Shen, T.-H.; Tang, C.-Y.; Xie, X.-L.; Zhou, X.-P.; Law, W.-C. Electroactive shape memory polymer based on optimized multi-walled carbon nanotubes/polyvinyl alcohol nanocomposites. Compos. Part B Eng. 2015, 68, 170–175. [Google Scholar] [CrossRef]
- Sousa, R.E.; Ferreira, J.C.C.; Costa, C.M.; Machado, A.V.; Silva, M.M.; Lanceros Mendez, S. Tailoring poly(vinylidene fluoride-co-chlorotrifluoroethylene) microstructure and physicochemical properties by exploring its binary phase diagram with dimethylformamide. J. Polym. Sci. Pol. Phys. 2015, 53, 761–773. [Google Scholar] [CrossRef]
- Carabineiro, S.A.C.; Pereira, M.F.R.; Nunes-Pereira, J.; Silva, J.; Caparros, C.; Sencadas, V.; Lanceros-Mendez, S. The effect of nanotube surface oxidation on the electrical properties of multiwall carbon nanotube/poly(vinylidene fluoride) composites. J. Mater. Sci. 2012, 47, 8103–8111. [Google Scholar] [CrossRef]
- Tang, C.W.; Li, B.; Sun, L.; Lively, B.; Zhong, W.H. The effects of nanofillers, stretching and recrystallization on microstructure, phase transformation and dielectric properties in PVDF nanocomposites. Eur. Polym. J. 2012, 48, 1062–1072. [Google Scholar] [CrossRef]
- Yao, Q.; Wang, Q.; Wang, L.; Chen, L. Abnormally enhanced thermoelectric transport properties of SWNT/PANI hybrid films by the strengthened PANI molecular ordering. Energy Environ. Sci. 2014, 7, 3801–3807. [Google Scholar] [CrossRef]
- Xu, Y.S.; Ray, G.; Abdel-Magid, B. Thermal behavior of single-walled carbon nanotube polymer-matrix composites. Compos. Part A Appl. Sci. Manuf. 2006, 37, 114–121. [Google Scholar] [CrossRef]
- Du, F.P.; Li, J.J.; Fu, P.; Wu, Y.G.; Liao, G.Y.; Zhang, Y.F.; Luo, S. Enhanced thermal conductivity of poly(l-lactide) composites with synergistic effect of aluminum nitride and modified multi-walled carbon nanotubes. Fuller. Nanotub. Carbon Nanostruct. 2016, 24, 667–673. [Google Scholar] [CrossRef]
- Bark, H.; Kim, J.-S.; Kim, H.; Yim, J.-H.; Lee, H. Effect of multiwalled carbon nanotubes on the thermoelectric properties of a bismuth telluride matrix. Curr. Appl. Phys. 2013, 13, S111–S114. [Google Scholar] [CrossRef]
- Hewitt, C.A.; Carroll, D.L. The effects of acid treatment on the thermoelectric power of multiwalled carbon nanotubes synthesized by chemical vapor deposition. Chem. Phys. Lett. 2013, 580, 67–72. [Google Scholar] [CrossRef]
- Liebscher, M.; Gaertner, T.; Tzounis, L.; Micusik, M.; Poetschke, P.; Stamm, M.; Heinrich, G.; Voit, B. Influence of the mwcnt surface functionalization on the thermoelectric properties of melt-mixed polycarbonate composites. Compos. Sci. Technol. 2014, 101, 133–138. [Google Scholar] [CrossRef]
- Yu, C.; Kim, Y.S.; Kim, D.; Grunlan, J.C. Thermoelectric behavior of segregated-network polymer nanocomposites. Nano Lett. 2008, 8, 4428–4432. [Google Scholar] [CrossRef] [PubMed]
- Meng, C.; Liu, C.; Fan, S. A promising approach to enhanced thermoelectric properties using carbon nanotube networks. Adv. Mater. 2010, 22, 535–539. [Google Scholar] [CrossRef] [PubMed]
- Wang, J.; Cai, K.; Shen, S.; Yin, J. Preparation and thermoelectric properties of multi-walled carbon nanotubes/polypyrrole composites. Synth. Met. 2014, 195, 132–136. [Google Scholar] [CrossRef]
- Sun, Y.-C.; Terakita, D.; Tseng, A.C.; Naguib, H.E. Study on the thermoelectric properties of PVDF/MWCNT and PVDF/GNP composite foam. Smart Mater. Struct. 2015, 24, 085034. [Google Scholar] [CrossRef]
- Wang, L.; Jia, X.; Wang, D.; Zhu, G.; Li, J. Preparation and thermoelectric properties of polythiophene/multiwalled carbon nanotube composites. Synth. Met. 2013, 181, 79–85. [Google Scholar] [CrossRef]







| Sample | Melting Enthalpy (J/g) | Crystallinity (%) |
|---|---|---|
| Pure PVDF | 47.5 | 45.3 |
| PVDF/7 wt.% MWNTs | 58.8 | 56.1 |
| PVDF/15 wt.% MWNTs | 59.5 | 56.7 |
| PVDF/25 wt.% MWNTs | 41.0 | 39.1 |
| PVDF/35 wt.% MWNTs | 39.4 | 37.6 |
| Polymer | Nanofiller | Preparation Method | Electrical Conductivity (S/m) | Seebeck Coefficient (μV/K) | Power Factor (μW·m−1·K−2) | Thermal Conductivity W·m−1·K−1 | ZT (T) | Ref. |
|---|---|---|---|---|---|---|---|---|
| Polyaniline | Porous MWNT (44 wt.%) | Doping/Solution mixing | 4035 | 23.3 | 2.19 | 0.035 | 1.9 × 10−2 (298 K) | [11] |
| Polyaniline | MWNT sheets (80 wt.%) | In situ chemical polymerization | ~11,300 | 22.3 | ~5.6 | ~0.5 | ~3.4 × 10−3 (300 K) | [46] |
| Polycarbonate | MWNT (2.5 wt.%) | Melt extrusion | 0.01 | 11.3 | ~1.3 × 10−6 | 0.29 ± 0.01 | ~1.3 × 10−9 (298 K) | [44] |
| PVDF | MWNTs (8 wt.%) | Melt extrusion | ~0.01 (solid) <0.01 (foam) | ~12 (solid) ~8 (foam) | ~1.4 × 10−6 6.4 × 10−7 | ~0.57 (solid) ~0.09 (foam) | ~7.5 × 10−10 2.1 × 10−9 (298 K) | [48] |
| Polypyrrole | MWNT (20 wt.%) | In situ chemical polymerization | ~3300 | ~25.1 | 2.079 | ----- | ----- (295 K) | [47] |
| polythiophene | MWNT (80 wt.%) | Ball milling/Solution mixing/In situ composite | ~2100 | 27.2 | ~1.6 × 10−2 | 0.77 | 6.3 × 10−6 (303 K) | [49] |
| PVDF | MWNTs (15 wt.%) | Mixed solvent/phase separation | ~16 | 324.45 | 1.679 | 0.15 | 3.3 × 10−3 (298 K) | This paper |
© 2018 by the authors. Licensee MDPI, Basel, Switzerland. This article is an open access article distributed under the terms and conditions of the Creative Commons Attribution (CC BY) license (http://creativecommons.org/licenses/by/4.0/).
Share and Cite
Du, F.-P.; Qiao, X.; Wu, Y.-G.; Fu, P.; Liu, S.-P.; Zhang, Y.-F.; Wang, Q.-Y. Fabrication of Porous Polyvinylidene Fluoride/Multi-Walled Carbon Nanotube Nanocomposites and Their Enhanced Thermoelectric Performance. Polymers 2018, 10, 797. https://doi.org/10.3390/polym10070797
Du F-P, Qiao X, Wu Y-G, Fu P, Liu S-P, Zhang Y-F, Wang Q-Y. Fabrication of Porous Polyvinylidene Fluoride/Multi-Walled Carbon Nanotube Nanocomposites and Their Enhanced Thermoelectric Performance. Polymers. 2018; 10(7):797. https://doi.org/10.3390/polym10070797
Chicago/Turabian StyleDu, Fei-Peng, Xuan Qiao, Yan-Guang Wu, Ping Fu, Sheng-Peng Liu, Yun-Fei Zhang, and Qiu-Yu Wang. 2018. "Fabrication of Porous Polyvinylidene Fluoride/Multi-Walled Carbon Nanotube Nanocomposites and Their Enhanced Thermoelectric Performance" Polymers 10, no. 7: 797. https://doi.org/10.3390/polym10070797
APA StyleDu, F.-P., Qiao, X., Wu, Y.-G., Fu, P., Liu, S.-P., Zhang, Y.-F., & Wang, Q.-Y. (2018). Fabrication of Porous Polyvinylidene Fluoride/Multi-Walled Carbon Nanotube Nanocomposites and Their Enhanced Thermoelectric Performance. Polymers, 10(7), 797. https://doi.org/10.3390/polym10070797

