Growth and Physical Properties of SrxCa1−xCrO3 Single Crystals
Abstract
:1. Introduction
2. Results and Discussion
2.1. Crystal Growth and Structural Analysis
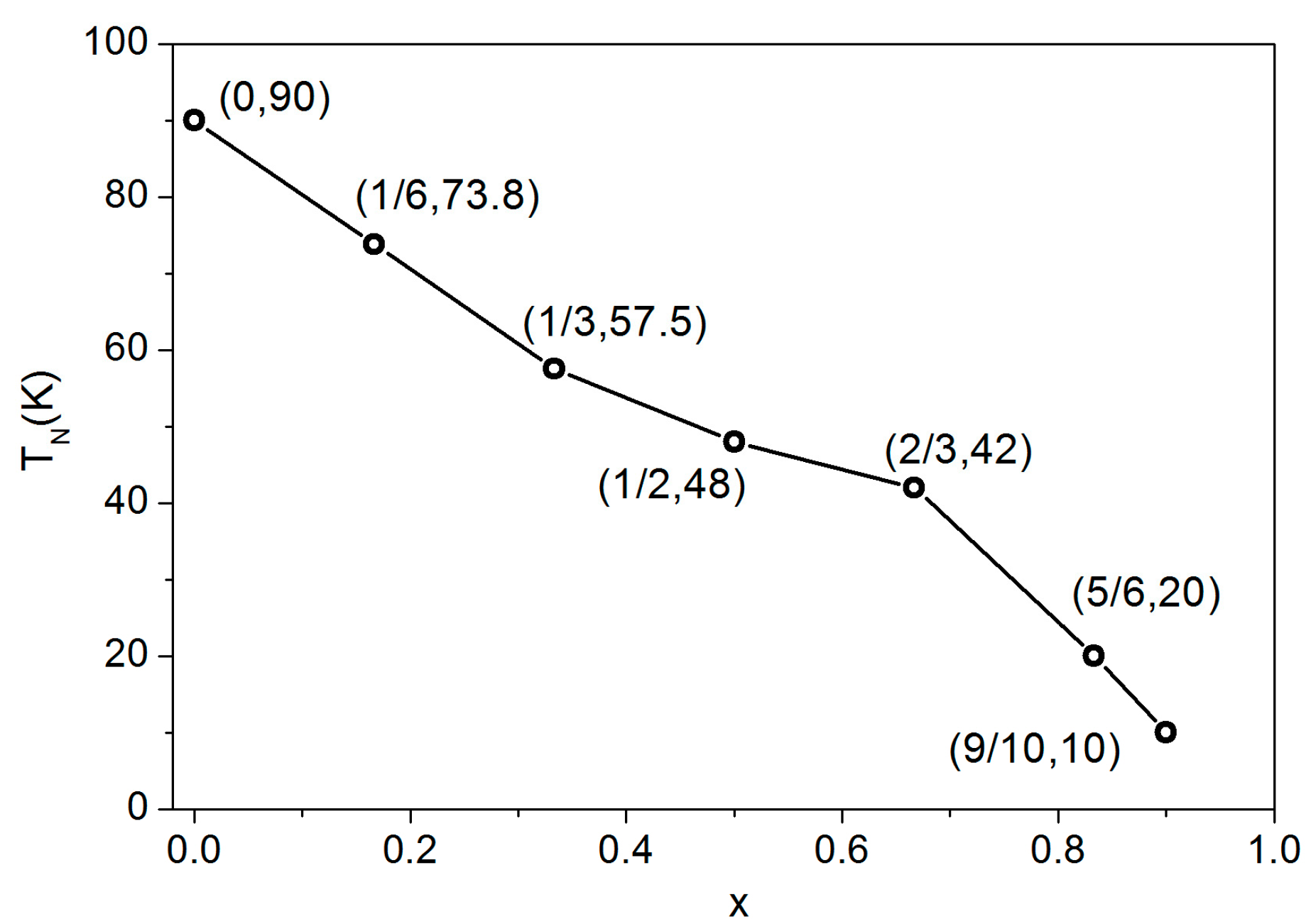
2.2. Magnetic Properties
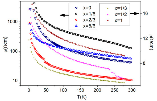
2.3. Electrical Transport Properties
3. Materials and Methods
4. Conclusions
Acknowledgments
Author Contributions
Conflicts of Interest
References
- Goodenough, J.B.; Longo, J.M.; Kafalas, J.A. Band antiferromagnetism and the new perovskite CaCrO3. Mater. Res. Bull. 1968, 3, 471–481. [Google Scholar] [CrossRef]
- Chamberland, B.L. Preparation and properties of SrCrO3. Solid State Commun. 1967, 5, 663–666. [Google Scholar] [CrossRef]
- Roth, W.L.; Devries, R.C. Crystal and magnetic structure of PbCrO3. J. Appl. Phys. 1967, 38, 951–952. [Google Scholar] [CrossRef]
- Devries, R.C.; Roth, W.L. High-pressure synthesis of PbCrO3. J. Am. Ceram. Soc. 1968, 51, 72–75. [Google Scholar] [CrossRef]
- Zhou, J.S.; Jin, C.Q.; Long, Y.W.; Yang, L.X.; Goodenough, J.B. Anomalous electronic state in CaCrO3 and SrCrO3. Phys. Rev. Lett. 2006, 96, 046408. [Google Scholar] [CrossRef] [PubMed]
- Arevalo-Lopez, A.M.; Alario-Franco, M.A. On the structure and microstructure of “PbCrO3”. J. Solid State Chem. 2007, 180, 3271–3279. [Google Scholar] [CrossRef]
- Wu, M.; Zheng, L.R.; Chu, S.Q.; Qin, Z.X.; Chen, X.J.; Lin, C.L.; Tang, Z.; Hu, T.D. Pressure-induced valence change and semiconductor-metal transition in PbCrO3. J. Phys. Chem. C 2014, 118, 23274–23278. [Google Scholar] [CrossRef]
- Alario-Franco, M.A.; Castillo-Martinez, E.; Arevalo-Lopez, A.M. The A(ii)Cr(iv)O3 (a = Sr, Ca, Pb) ‘simple’ perovskites. Structure and properties: Magnetic structure of CaCrO3. High Press. Res. 2009, 29, 254–260. [Google Scholar] [CrossRef]
- Ofer, O.; Sugiyama, J.; Mansson, M.; Chow, K.H.; Ansaldo, E.J.; Brewer, J.H.; Isobe, M.; Ueda, Y. Magnetic phase of the perovskite CaCrO3 studied with μ+SR. Phys. Rev. B 2010, 81, 184405. [Google Scholar] [CrossRef]
- Long, Y.W.; Yang, L.X.; Lv, Y.X.; Liu, Q.Q.; Jin, C.Q.; Zhou, J.S.; Goodenough, J.B. Crossover from itinerant-electron to localized-electron behavior in Sr1−xCaxCrO3 perovskite solid solution. J. Phys. Condens. Matter 2011, 23, 355601. [Google Scholar] [CrossRef] [PubMed]
- Weiher, J.F.; Chamberland, B.L.; Gillson, J.L. Magnetic and electrical transport properties of CaCrO3. J. Solid State Chem. 1971, 3, 529–532. [Google Scholar] [CrossRef]
- Komarek, A.C.; Streltsov, S.V.; Isobe, M.; Moller, T.; Hoelzel, M.; Senyshyn, A.; Trots, D.; Fernandez-Diaz, M.T.; Hansen, T.; Gotou, H.; et al. CaCrO3: An anomalous antiferromagnetic metallic oxide. Phys. Rev. Lett. 2008, 101, 167204. [Google Scholar] [CrossRef] [PubMed]
- Komarek, A.C.; Moller, T.; Isobe, M.; Drees, Y.; Ulbrich, H.; Azuma, M.; Fernandez-Diaz, M.T.; Senyshyn, A.; Hoelzel, M.; Andre, G.; et al. Magnetic order, transport and infrared optical properties in the ACrO3 system (a = Ca, Sr, and Pb). Phys. Rev. B 2011, 84, 125114. [Google Scholar] [CrossRef]
- Streltsov, S.V.; Korotin, M.A.; Anisimov, V.I.; Khomskii, D.I. Band versus localized electron magnetism in CaCrO3. Phys. Rev. B 2008, 78, 054425. [Google Scholar] [CrossRef]
- Liu, H.M.; Zhu, C.; Ma, C.Y.; Dong, S.; Liu, J.M. Fragile magnetic ground state and metal-insulator transitions in CaCrO3: The first-principles calculations. J. Appl. Phys. 2011, 110, 073701. [Google Scholar] [CrossRef]
- Williams, A.J.; Gillies, A.; Attfield, J.P.; Heymann, G.; Huppertz, H.; Martinez-Lope, M.J.; Alonso, J.A. Charge transfer and antiferromagnetic insulator phase in SrRu1−xCrxO3 perovskites: Solid solutions between two itinerant electron oxides. Phys. Rev. B 2006, 73, 104409. [Google Scholar] [CrossRef]
- Ortega-San-Martin, L.; Williams, A.J.; Rodgers, J.; Attfield, J.P.; Heymann, G.; Huppertz, H. Microstrain sensitivity of orbital and electronic phase separation in SrCrO3. Phys. Rev. Lett. 2007, 99, 255701. [Google Scholar] [CrossRef] [PubMed]
- Lee, K.W.; Pickett, W.E. Orbital-ordering driven structural distortion in metallic SrCrO3. Phys. Rev. B 2009, 80, 125133. [Google Scholar] [CrossRef]
- Qian, Y.M.; Wang, G.T.; Li, Z.; Jin, C.Q.; Fang, Z. The electronic structure of a weakly correlated antiferromagnetic metal, SrCrO3: First-principles calculations. New J. Phys. 2011, 13, 053002. [Google Scholar] [CrossRef]
- Jin, C.Q.; Liu, Q.Q.; Long, Y.W.; Zhao, J.G.; Lu, Y.X.; Yang, L.X.; Zhu, J.L.; Wang, X.C. High-pressure synthesis and properties of new functional compounds. Phys. Status Solidi A 2010, 207, 2750–2756. [Google Scholar] [CrossRef]
- Yang, L.X.; Long, Y.W.; Jin, C.Q.; Yu, R.C.; Zhou, J.S.; Goodenough, J.B.; Liu, H.Z.; Shen, G.Y.; Mao, H.K. Pressure induced metallization in ACrO3 in perovskite compounds. J. Phys. Conf. Ser. 2008, 121, 022017. [Google Scholar] [CrossRef]
- Castillo-Martinez, E.; Duran, A.; Alario-Franco, M.A. Structure, microstructure and magnetic properties of Sr1−xCaxCrO3 (0 ≤ x ≤ 1). J. Solid State Chem. 2008, 181, 895–904. [Google Scholar] [CrossRef]
- Castillo-Martinez, E.; Arevalo-Lopez, A.M.; Ruiz-Bustos, R.; Alario-Franco, M.A. Increasing the structural complexity of chromium(iv) oxides by high-pressure and high-temperature reactions of CrO2. Inorg. Chem. 2008, 47, 8526–8542. [Google Scholar] [CrossRef] [PubMed]
- Jin, C.Q. High pressure synthesis of novel high TC superconductors. High Press. Res. 2004, 24, 399–408. [Google Scholar] [CrossRef]
- Cao, L.P.; Pan, L.Q.; Li, W.M.; Wang, X.C.; Liu, Q.Q.; Long, Y.W.; Gu, C.Z.; Jin, C.Q. High pressure growth and characterization of SrCrO3 single crystal. Int. J. Mod. Phys. B 2015, 29, 1542025. [Google Scholar] [CrossRef]
- Goodenough, J.B. Localized versus collective d electrons and neel temperatures in perovskite and perovskite-related structures. Phys. Rev. 1967, 164, 785–789. [Google Scholar] [CrossRef]
- Zhou, J.S.; Alonso, J.A.; Sanchez-Benitez, J.; Fernandez-Diaz, M.T.; Martinez-Coronado, R.; Cao, L.P.; Li, X.; Marshall, L.G.; Jin, C.Q.; Goodenough, J.B. Identification of electronic state in perovskite CaCrO3 by high-pressure studies. Phys. Rev. B 2015, 92, 144421. [Google Scholar] [CrossRef]
- Zhou, J.S.; Cao, L.P.; Alonso, J.A.; Sanchez-Benitez, J.; Fernandez-Diaz, M.T.; Li, X.; Cheng, J.G.; Marshall, L.G.; Jin, C.Q.; Goodenough, J.B. Possible bose-einstein condensate associated with an orbital degree of freedom in the mott insulator CaCrO3. Phys. Rev. B 2016, 94. [Google Scholar] [CrossRef]










| x | 0 | 1/6 | 1/3 | 1/2 | 2/3 | 5/6 | 9/10 | 1 |
|---|---|---|---|---|---|---|---|---|
| Space group | Pbnm | Pbnm | I4/mcm | I4/mcm | I4/mcm | Pm3m | Pm3m | Pm3m |
| a (Å) | 5.2702 (11) | 5.3081 (9) | 5.3484 (16) | 5.3627 (3) | 5.3785 (4) | 3.8141 (1) | 3.8096 (1) | 3.8146 (1) |
| b (Å) | 5.2933 (10) | 5.3144 (7) | ||||||
| c (Å) | 7.4592 (15) | 7.5033 (11) | 7.567 (3) | 7.5655 (11) | 7.599 (2) | |||
| <Cr-O-Cr> (deg) | 160.01 | 172.76 | 180 | 177.37 | 180 | 180 | 180 | 180 |
| Primitive cell V (Å3) | 52.02 (3) | 52.92 (3) | 54.12 (5) | 54.39 (2) | 54.96 (2) | 55.49 (1) | 55.29 (1) | 55.51 (1) |
© 2017 by the authors. Licensee MDPI, Basel, Switzerland. This article is an open access article distributed under the terms and conditions of the Creative Commons Attribution (CC BY) license ( http://creativecommons.org/licenses/by/4.0/).
Share and Cite
Cao, L.; Jin, A.; Gu, C.; Bai, H.; Long, Y.; Yu, R.; Pan, L.; Jin, C. Growth and Physical Properties of SrxCa1−xCrO3 Single Crystals. Crystals 2017, 7, 91. https://doi.org/10.3390/cryst7030091
Cao L, Jin A, Gu C, Bai H, Long Y, Yu R, Pan L, Jin C. Growth and Physical Properties of SrxCa1−xCrO3 Single Crystals. Crystals. 2017; 7(3):91. https://doi.org/10.3390/cryst7030091
Chicago/Turabian StyleCao, Lipeng, Aizi Jin, Changzhi Gu, Haiyang Bai, Youwen Long, Richeng Yu, Liqing Pan, and Changqing Jin. 2017. "Growth and Physical Properties of SrxCa1−xCrO3 Single Crystals" Crystals 7, no. 3: 91. https://doi.org/10.3390/cryst7030091
APA StyleCao, L., Jin, A., Gu, C., Bai, H., Long, Y., Yu, R., Pan, L., & Jin, C. (2017). Growth and Physical Properties of SrxCa1−xCrO3 Single Crystals. Crystals, 7(3), 91. https://doi.org/10.3390/cryst7030091
