Effects of Oxide Powders as Activating Flux on AMIG 304L Welds
Abstract
1. Introduction
2. Materials and Methods
2.1. Material
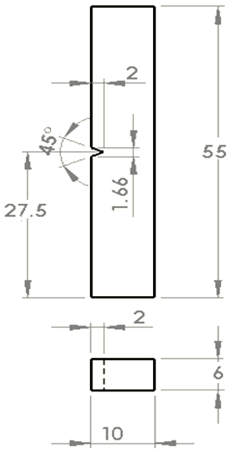
2.2. Welding Procedure
2.3. Microstructure Study
2.4. Tensile Test
2.5. Hardness Test
2.6. Impact Test
2.7. Corrosion Behavior
3. Results and Discussions
3.1. Morphology
3.2. Microstructure Study
3.3. Tensile Test
3.4. Hardness Test
3.5. Impact Test
3.6. Corrosion Behaviour
4. Conclusions
- ➢
 - AMIG welds exhibit higher MIG welds regardless of the type of oxide used. The SiO2 flux allows for AMIG welds with a thickness of 6 mm or more in a single pass and without any edge preparation. The productivity is increased and the complexity of welding work (e.g., edge preparation) is reduced using the AMIG technique. Consequently, AMIG economizes both welding materials and energy consumption.
 - ➢
 - The microstructure of the MIG and AMIG welds contains austenitic ferrite and retained delta ferrite. The proportion of δ ferrite in the case of AMIG welds (range between 4.3–8%) is higher than that of MIG welds (3.3%). The proportion of δ ferrite is up to 4.3% for welds carried out with Fe2O3 oxide, compared to 8% for welds carried out with Cr2O3 oxide. SEM-EDS analysis shows no difference in chromium, nickel, or iron content in AMIG welds.
 - ➢
 - The tensile strength and the resistance to sudden impact are higher for AMIG welds in comparison to MIG welds. The fracture is located at the base metal level. However, the hardness of MIG welds (up to 425 HV) is higher than that of AMIG welds regardless of the type of oxide tested (400 HV–414 HV). The mechanical properties are not altered by the AMIG technique.
 - ➢
 - A minimum corrosion rate has been observed for the AMIG welds when compared to the parent metal and the MIG weldment. Moreover, the metal welded with Fe2O3 flux exhibits better corrosion resistance.
 
Author Contributions
Funding
Data Availability Statement
Conflicts of Interest
References
- Shravan, C.; Radhika, N.; Deepak, K.N.H.; Sivasailam, B. A review on welding techniques: Properties, characterizations and engineering applications. Adv. Mater. Process. Technol. 2023, 10, 1–56. [Google Scholar] [CrossRef]
 - Dhanesh, G.M.; Chuan, S.W. A Review on Friction Stir Welding of Steels. Chin. J. Mech. Eng. 2021, 34, 131. [Google Scholar] [CrossRef]
 - Madavi, K.R.; Jogi, B.F.; Lohar, G.S. Metal inert gas (MIG) welding process: A study of effect of welding parameters. Mater. Today Proc. 2022, 51, 690–698. [Google Scholar] [CrossRef]
 - Sudhanshu, R.S.; Pradeep, K. A-TIG (activated flux tungsten inert gas) welding: A review. Mater. Today Proc. 2020, 44, 808–820. [Google Scholar] [CrossRef]
 - Kondapalli, S.P.; Chalamalasetti, S.R.; Damera, N.R. A Review on Welding of AISI 304L Austenitic Stainless Steel. J. Manuf. Sci. Prod. 2014, 14, 1–11. [Google Scholar] [CrossRef]
 - Lippold, J.C.; Kotecki, D.J. Welding Metallurgy and Weldability of Stainless Steels; John Wiley & Sons: Hoboken, NJ, USA, 2005. [Google Scholar]
 - Deekshant, V.; Kaushal, K. Structured review of papers on the use of different activating flux and welding techniques. Ain Shams Eng. J. 2021, 12, 3339–3351. [Google Scholar] [CrossRef]
 - Niagaj, J. Influence of Activated Fluxes on the Bead Shape of A-TIG Welds on Carbon and Low-alloy Steels in Comparison with Stainless Steel AISI 304L. Metals 2021, 1, 530. [Google Scholar] [CrossRef]
 - Pandya, D.; Badgujar, A.; Ghetiya, N. A Novel Perception toward Welding of Stainless Steel by Activated TIG Welding—A Review. Mater. Manuf. Process. 2020, 36, 877–903. [Google Scholar] [CrossRef]
 - Kumar, R.; Vettivel, S.C.; Kumar, K.H. Effect of SiO2 Flux on the Depth of Penetration, Microstructure, Texture, and Mechanical Behavior of AA6063 T6 Aluminum Alloy Using Activated TIG Welding. Bull. Pol. Acad. Sci. Tech. Sci. 2021, 69, e136215. [Google Scholar] [CrossRef]
 - Hooda, A.; Dhingra, A.; Sharma, S. Optimization of MIG welding process parameters to predict maximum yield strength in AISI 1040. Int. J. Mech. Eng. Rob. Res. 2012, 1, 203–213. [Google Scholar] [CrossRef]
 - Utkarsh, S.; Neel, P.; Mahajan, M.T.; Jignesh, P.; Prajapati, R.B. Experimental investigation of MIG welding for st-37 using design of experiment. Int. J. Adv. Res. Sci. Eng. 2014, 5, 1–4. [Google Scholar] [CrossRef]
 - Park, H.J.; Kim, D.C.; Kang, M.J.; Rhee, S. Optimization of the wire feed rate during pulse MIG welding of Al sheets. Int. J. Adv. Res. Sci. Eng. 2014, 3, 83–86. [Google Scholar]
 - Abbasi, K.; Alam, S.; Khan, M.I. An Experimental Study on the Effect of MIG Welding Parameters on the Weld-Bead Shape Characteristics. Eng. Sci. Technol. Int. J. 2012, 2, 599–602. [Google Scholar]
 - Rachid, D.; Abdeljlil, C.H.; Kamel, T.; Abousoufiane, O.; Sahbi, B.; Hani, S.A. Robust Particle Swarm Optimization Algorithm for Modeling the Effect of Oxides Thermal Properties on AMIG 304L Stainless Steel Welds. CMES—Comput. Model. Eng. Sci. 2024, 141, 1809–1825. [Google Scholar]
 - Weglowski, M.S.; Huang, Y.; Zhang, Y.M. Effect of welding current on metal transfer in GMAW. Arch. Mater. Sci. Eng. 2008, 33, 49–56. [Google Scholar]
 - Izzatul, A.I.; Syarul, A.M.; Amalina, A.; Abdul, G. The Effect of Gas Metal Arc Welding (GMAW) processes on different welding parameters. Procedia Eng. 2012, 41, 1502–1506. [Google Scholar] [CrossRef]
 - Saadat, A.R.; Tewari, S.P.; Wajahat, A. Effect of Shielding Gases on Weld Quality in GTA & GMA Welding. Elixir Mech. Eng. 2015, 88, 36692–36698. [Google Scholar]
 - Kaloshkar, A.; Moorthy, S.B. Activated Flux Welding: A review. Int. Res. J. Eng. Technol. 2022, 9, 2189–2194. [Google Scholar]
 - Meng, X.; Qin, G.; Zhang, Y.; Fu, B.; Zuo, Z. High-speed TIG-MIG hybrid arc welding of mild steel plate. J. Mater. Technol. 2014, 214, 2417–2424. [Google Scholar] [CrossRef]
 - Li, C.; Ding-Yong, H.; Fu, G.; Xiao-Yan, L.; Jian-Min, J. Effect of Fiber Laser-MIG Hybrid Process Parameters on Weld Bead Shape and Tensile Properties of Commercially Pure Titanium. Mater. Manuf. Process. 2010, 25, 1309–1316. [Google Scholar] [CrossRef]
 - Yan, S.; Nie, Y.; Zhu, Z.; Chen, H.; Guo, G.; Yu, J.; Wang, G. Characteristics of microstructure and fatigue resistance of hybrid fiber laser-MIG welded Al-Mg alloy joints. Appl. Surf. Sci. 2014, 298, 12–18. [Google Scholar] [CrossRef]
 - Singh, R.S.; Khanna, P. Investigation of A-TIG welded duplex stainless-steel plates. Int. J. Interact. Des. Manuf. 2022, 18, 2225–2235. [Google Scholar] [CrossRef]
 - Alrobei, H.; Touileb, K.; Djoudjou, R.; Ouis, A.; Hedhibi, A.; AlBaijan, I.; Malik, R.; Sherif, E. Mechanical and Corrosion Resistant Properties of ATIG welded 2205 Duplex Stainless-Steel via different fluxes. J. Mech. Sci. Technol. 2021, 35, 5469–5476. [Google Scholar] [CrossRef]
 - Madavi, K.R.; Jogi, B.F.; Lohar, G.S. Investigational study and microstructural comparison of MIG welding process for with and without activated flux. Mater. Today Proc. 2022, 51, 212–216. [Google Scholar] [CrossRef]
 - Moorthy, M.S.B.; Santhosh, M.M.; Akbarali, M.I.M.; Premkumar, M.B. Investigation on the Effect of Activated Flux on Metal Inert Gas Weldment. Int. J. Eng. Res. Technol. 2020, 9, 488–491. [Google Scholar] [CrossRef]
 - Baghel, A.; Sharma, C.; Rathee, S.; Srivastava, M. Influence of activated flux on microstructural and mechanical properties of AISI 1018 during MIG welding. Mater. Today Proc. 2021, 47, 6947–6952. [Google Scholar] [CrossRef]
 - Huang, H.Y. Effects of activating flux on the welded joint characteristics in gas metal arc welding. Mater. Des. 2010, 3, 2488–2495. [Google Scholar] [CrossRef]
 - Balázs, V.; Rita, K.; Kornél, M. Effects of Active Fluxes in Gas Metal Arc Welding. Period. Polytech. Mech. Eng. 2017, 61, 68–73. [Google Scholar] [CrossRef]
 - Chaudhari, P.G.; Patel, P.B.; Patel, J.D. Evaluation of MIG welding process parameter using Activated Flux on SS316L by AHP-MOORA method. Mater. Today Proc. 2018, 5, 5208–5220. [Google Scholar] [CrossRef]
 - Baskoro, A.S.; Amat, M.A.; Widyianto, A.; Putra, D.A.; Aryadhani, A.S. Investigation of Weld Geometry, Mechanical Properties, and Metallurgical Observations of Activated Flux Tungsten Inert Gas (A-TIG) Welding on 304 Austenitic Stainless Steel. Trans. Indian Inst. Met. 2024, 77, 897–906. [Google Scholar] [CrossRef]
 - Sharma, P.; Dwivedi, D.K. Study on Flux assisted-Tungsten inert gas welding of bimetallic P92 martensitic steel-304H austenitic stainless steel using SiO2–TiO2 binary flux. Int. J. Pres. Ves. Pip. 2021, 192, 104423. [Google Scholar] [CrossRef]
 - Kumar, S.S.; Korra, N.N. Effects of using oxide fluxes as activating flux on Activated flux Tungsten Inert Gas welding—A review. Mater. Today Proc. 2021, 46, 9503–9507. [Google Scholar] [CrossRef]
 - Abhishek, C.; Chaitanya, S.; Sandeep, R.; Manu, S. Influence of activated flux on weld bead hardness of MIG welded austenitic stainless steel. Mater. Today Proc. 2021, 47, 6884–6888. [Google Scholar] [CrossRef]
 - Mills, K.C. Recommended Values of Thermophysical Properties for Selected Commercial Alloys; National Physical Laboratory and ASM International, Woodhead Publishing Ltd.: Cambridge, UK, 2002. [Google Scholar]
 - ASTM (A370); Standard Test Methods and Definitions for Mechanical Testing of Steel Products. ASTM: West Conshohocken, PA, USA, 2024.
 - Becht, C., IV. B31.3 Process Piping. In Companion Guide to the ASME Boiler and Pressure Vessel Code, 3rd ed.; Rao, K.R., Ed.; ASME Press: New York, NY, USA, 2009. [Google Scholar]
 - Saluja, R.; Moeed, K.M. The emphasis of phase transformations and alloying constituents on hot cracking susceptibility of type 304L and 316L stainless steel welds. Int. J. Eng. Sci. Technol. 2012, 4, 2206–2212. [Google Scholar]
 - Zhang, S.; Wang, Q.; Yang, R.; Dong, C. Composition equivalents of stainless steels understood via gamma stabilizing efficiency. Sci. Rep. 2021, 11, 5423. [Google Scholar] [CrossRef]
 - Long, C.J.; DeLong, W.T. The ferrite content of austenitic stainless steel weld metal. Weld. J. 1973, 52, 281. [Google Scholar]
 - Lippold, J.C.; Savage, W.F. Solidification of Austenitic Stainless Steel Weldments: Part 2—The Effect of Alloy Composition on Ferrite Morphology. Weld. Res. Suppl. 1980, 59, s48–s58. [Google Scholar]
 - Amudarasan, N.V.; Palanikumar, K.; Shanmugam, K. Tensile and Impact Properties of AISI 304L Stainless Steel Welded Joints Using Austenitic and Duplex Stainless Steel Filler Metal. Int. J. Eng. Res. Technol. 2012, 1, 1–5. [Google Scholar]
 - Gerberichm, W.W.; Michler, J.; Mook, W.M.; Ghisleni, R.; Östlund, F.; Stauffer, D.D.; Ballarini, R. Scale effects for strength, ductility, and toughness in “brittle” materials. J. Mater. Res. 2009, 24, 898–906. [Google Scholar] [CrossRef]
 












| Elements | C% | Mn% | P% | S% | Si% | Cr% | Ni% | N% | 304L Melting Point (°C) | 
|---|---|---|---|---|---|---|---|---|---|
| Percentage % | 0.03 | 2 | 0.045 | 0.003 | 0.75 | 17.5 | 8 | 0.1 | 1450 | 
| Elements | C% | Mn% | Si% | P% | S% | Ni% | Cr% | Mo% | Cu% | 
|---|---|---|---|---|---|---|---|---|---|
| ER 308L | 0.03 max  | 1.0 – 2.5  | 0.30 – 0.65  | 0.03 max | 0.03 max | 9.0 – 11.0  | 19.5 – 22.0  | 0.75 max  | 0.75 max  | 
| Oxide Properties | SiO2 | TiO2 | Fe2O3 | Mn2O3 | Cr2O3 | 
|---|---|---|---|---|---|
| Tension de surface (N/m) | 260 | 360 | 300 | 310 | 800 | 
| Temperature de fusion (°C) | 1722 | 1830 | 1540 | 940 | 2435 | 
| Parameters | Range | 
|---|---|
| Current Intensity | 180 A | 
| Voltage | 24 V | 
| Metal feed speed | 5 m/min | 
| Welding speed | 24 cm/min | 
| Filler metal–workpiece distance | 6 mm | 
| Gap between workpieces | 1 mm | 
| Shielding gas top side: Argon | 10 L/min | 
| Shielding gas back side: Argon | 8 L/min | 
| Filler metal diameter-ER 308L | 1.2 mm | 
| Welds | Weld Depth (D) (mm)  | Weld Depth Standard Deviation (mm)  | Weld Width (W) (mm)  | Weld Width Standard Deviation (mm)  | Aspect Ratio (D/W)  | 
|---|---|---|---|---|---|
| MIG | 6.20 | 0.02 | 8.78 | 0.4 | 0.70 | 
| AMIG with SiO2 | 9.20 | 0.05 | 10.3 | 0.3 | 0.89 | 
| AMIG with TiO2 | 8.68 | 0.08 | 9.8 | 0.2 | 0.86 | 
| AMIG with Fe2O3 | 6.52 | 0.02 | 6.8 | 0.3 | 0.96 | 
| AMIG with Mn2O3 | 7.71 | 0.08 | 9.1 | 0.35 | 0.85 | 
| AMIG with Cr2O3 | 7.23 | 0.05 | 8.4 | 0.4 | 0.79 | 
| Joints | Maximum UTS (MPa)  | Minimum  UTS (MPa)  | Average  UTS (MPa)  | UTS Standard Deviation (MPa)  | 
|---|---|---|---|---|
| MIG | 536 | 527 | 532 | 4.6 | 
| AMIG with SiO2 | 606 | 595 | 602 | 6.4 | 
| AMIG with TiO2 | 595 | 584 | 589 | 5.6 | 
| AMIG with Fe2O3 | 587 | 578 | 579 | 6.9 | 
| AMIG with Mn2O3 | 593 | 585 | 590 | 4.0 | 
| AMIG with Cr2O3 | 610 | 600 | 604 | 5.3 | 
| Welds | Maximum Reading Hv  | Minimum  Reading Hv  | Average Value Hv  | Standard Deviation Hv  | 
|---|---|---|---|---|
| MIG | 443 | 398 | 425 | 5.15 | 
| AMIG with SiO2 | 438 | 398 | 413 | 5.2 | 
| AMIG with TiO2 | 440 | 384 | 414 | 6 | 
| AMIG with Fe2O3 | 441 | 397 | 410 | 6.2 | 
| AMIG with Mn2O3 | 412 | 385 | 400 | 6.11 | 
| AMIG with Cr2O3 | 408 | 385 | 408 | 6.0 | 
| Welds | Maximum Impact Energy Absorbed (J/cm2)  | Minimum Impact Energy Absorbed (J/cm2)  | Average Impact Energy Absorbed (J/cm2)  | Standard Deviation (J/cm2)  | 
|---|---|---|---|---|
| MIG | 153 | 144 | 149 | 4.7 | 
| AMIG with SiO2 | 160 | 148 | 154 | 6 | 
| AMIG with TiO2 | 192 | 182 | 189 | 5.8 | 
| AMIG with Fe2O3 | 193 | 184 | 189 | 4.6 | 
| AMIG with Mn2O3 | 193 | 182 | 189 | 6.1 | 
| AMIG with Cr2O3 | 190 | 178 | 185 | 6.2 | 
| Sample No. | βc V·Dec−1  | ECorr. V  | βa V·Dec−1  | jCorr. A·cm−2  | Corrosion Rate mm/y  | 
|---|---|---|---|---|---|
| Base | 0.49749 | −0.998 | 0.19705 | 8.88 × 10−5 | 1.032 | 
| MIG | 0.57144 | −1.054 | 0.14753 | 1.03 × 10−4 | 1.198 | 
| AMIG-SiO2 | 0.58918 | −1.038 | 0.16853 | 8.37 × 10−5 | 0.973 | 
| AMIG-TiO2 | 0.42715 | −0.986 | 0.18802 | 6.48 × 10−5 | 0.753 | 
| AMIG-Fe2O3 | 0.36625 | −0.975 | 0.17068 | 5.17 × 10−5 | 0.600 | 
| AMIG-Mn2O3 | 0.37139 | −0.890 | 0.22965 | 5.77 × 10−5 | 0.670 | 
| AMIG-Cr2O3 | 0.39 | −0.887 | 0.25568 | 6.08 × 10−5 | 0.707 | 
Disclaimer/Publisher’s Note: The statements, opinions and data contained in all publications are solely those of the individual author(s) and contributor(s) and not of MDPI and/or the editor(s). MDPI and/or the editor(s) disclaim responsibility for any injury to people or property resulting from any ideas, methods, instructions or products referred to in the content.  | 
© 2024 by the authors. Licensee MDPI, Basel, Switzerland. This article is an open access article distributed under the terms and conditions of the Creative Commons Attribution (CC BY) license (https://creativecommons.org/licenses/by/4.0/).
Share and Cite
Touileb, K.; Djoudjou, R.; Ouis, A.; Hedhibi, A.C.; Alrobei, H.; Alnaser, I.A.; Malik, R.A.; Abdus Samad, U. Effects of Oxide Powders as Activating Flux on AMIG 304L Welds. Crystals 2024, 14, 902. https://doi.org/10.3390/cryst14100902
Touileb K, Djoudjou R, Ouis A, Hedhibi AC, Alrobei H, Alnaser IA, Malik RA, Abdus Samad U. Effects of Oxide Powders as Activating Flux on AMIG 304L Welds. Crystals. 2024; 14(10):902. https://doi.org/10.3390/cryst14100902
Chicago/Turabian StyleTouileb, Kamel, Rachid Djoudjou, Abousoufiane Ouis, Abdeljlil Chihaoui Hedhibi, Hussein Alrobei, Ibrahim Abdullah Alnaser, Rizwan Ahmed Malik, and Ubair Abdus Samad. 2024. "Effects of Oxide Powders as Activating Flux on AMIG 304L Welds" Crystals 14, no. 10: 902. https://doi.org/10.3390/cryst14100902
APA StyleTouileb, K., Djoudjou, R., Ouis, A., Hedhibi, A. C., Alrobei, H., Alnaser, I. A., Malik, R. A., & Abdus Samad, U. (2024). Effects of Oxide Powders as Activating Flux on AMIG 304L Welds. Crystals, 14(10), 902. https://doi.org/10.3390/cryst14100902
        
                                                
