Properties and Potential Application of Lead-Free (BaZr0.2Ti0.8O3) and Lead-Based (PbZr0.52Ti0.48O3) Flexible Thick Films
Abstract
1. Introduction
2. Methods
2.1. Experimental Procedure
2.2. Characterization of Powders and Composite Films
2.3. Preparation of Films for Testing
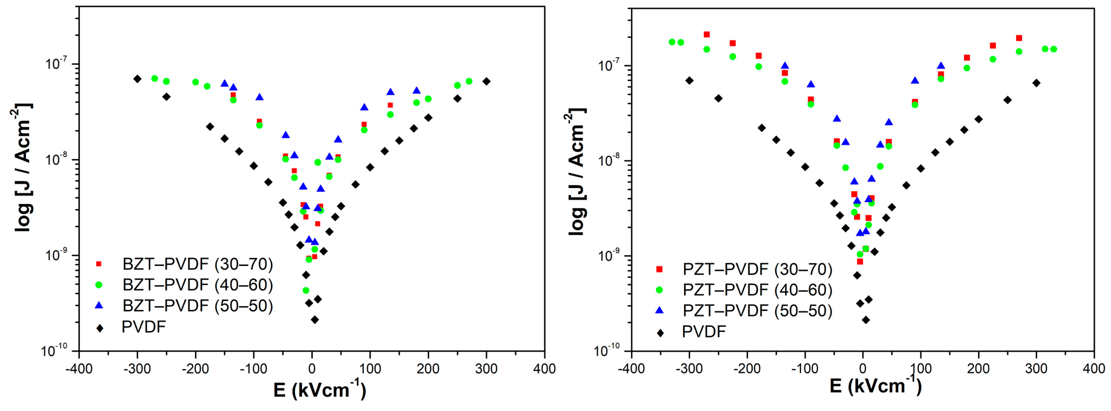
3. Results and Discussion
Flexible Films Obtained from Prepared Solid-State BZT Powders
4. Conclusions
Author Contributions
Funding
Data Availability Statement
Conflicts of Interest
References
- Maiwa, H. Piezoelectric energy harvesting. In Piezoelectric Materials; Ogawa, T., Ed.; Intech: Rijeka, Croatia, 2016. [Google Scholar] [CrossRef]
- Guo, S.; Duan, X.; Xie, M.; Aw, K.C.; Xue, Q. Composites, fabrication and application of polyvinylidene fluoride for flexible electromechanical devices: A Review. Micromachines 2020, 11, 1076. [Google Scholar] [CrossRef]
- Wang, Y.; Yao, M.; Ma, R.; Yuan, Q.; Yang, D.; Cui, B.; Ma, C.; Liu, M.; Hu, D. Design strategy of barium titanate/polyvinylidene fluoride-based nanocomposite films for high energy storage. J. Mater. Chem. A 2020, 8, 884–917. [Google Scholar] [CrossRef]
- Nayak, B.; Mansingh, A.; Machwe, M.K. Dielectric studies of PZT-polymer composites. J. Mater. Sci. 1990, 25, 749–752. [Google Scholar] [CrossRef]
- Elahi, H.; Munir, K.; Eugeni, M.; Atek, S.; Gaudenzi, P. Energy harvesting towards self-powered IoT devices. Energies 2020, 13, 5528. [Google Scholar] [CrossRef]
- Costa, P.; Nunes-Pereira, J.; Pereira, N.; Castro, N. Sérgio Gonçalves, Senentxu Lanceros-Mendez, Recent progress on piezoelectric, pyroelectric, and magnetoelectric polymer-based energy-harvesting devices. Energy Technol. 2019, 7, 1800852. [Google Scholar] [CrossRef]
- Khan, F.; Kowalchik, T.; Roundy, S.; Warren, R. Stretching-induced phase transitions in barium titanate-poly(vinylidene fluoride) flexible composite piezoelectric films. Scr. Matr. 2021, 193, 64–70. [Google Scholar] [CrossRef]
- Marchiori, B.; Regal, S.; Arango, Y.; Delattre, R.; Blayac, S.; Ramuz, M. PVDF-TrFE-based stretchable contact and non-contact temperature sensor for e-skin Application. Sensors 2020, 20, 623. [Google Scholar] [CrossRef]
- Tiwari, V.; Srivastava, G. Effect of thermal processing conditions on the structure and dielectric properties of PVDF films. J. Polym. Res. 2014, 21, 587. [Google Scholar] [CrossRef]
- Martins, P.; Lopes, A.C.; Lanceros-Mendez, S. Electroactive phase of poly(vinylidene fluoride): Determination, processing and applications. Prog. Polym. Sci. 2014, 39, 683–706. [Google Scholar] [CrossRef]
- Sukumaran, S.; Chatbouri, S.; Rouxel, D.; Tisserand, E.; Thiebaud, F.; Zineb, T.B. Recent advances in flexible PVDF based piezoelectric polymer devices for energy harvesting applications. J. Intell. Mater. Syst. Struct. 2021, 32, 746–780. [Google Scholar] [CrossRef]
- Xia, W.; Zhang, Z. PVDF-based dielectric polymer and their applications in electronic materials. IET Nanodielectr. 2018, 1, 17–31. [Google Scholar] [CrossRef]
- Zou, D.; Liu, S.; Zhang, C.; Hong, Y.; Zhang, G.; Yang, Z. Flexible and translucent PZT films enhanced by the compositionally graded heterostructure for human body monitoring. Nano Energy. 2021, 85, 105984. [Google Scholar] [CrossRef]
- Wankhade, S.H.; Tiwari, S.; Gaur, A. Pralay Maiti, PVDF–PZT nanohybrid based nanogenerator for energy harvesting applications. Energy Report 2020, 6, 358–364. [Google Scholar] [CrossRef]
- Sharma, S.K.; Gaur, H.; Kulkarni, M.; Patil, G.; Bhattacharya, B.; Sharma, A. PZT–PDMS composite for active damping of vibrations, Compos. Sci. Technol. 2013, 77, 42–51. [Google Scholar]
- Xu, L.; Xu, Y. Effect of Zr4+ content on crystal structure, micromorphology, ferroelectric and dielectric properties of Ba(ZrxTi1−x)O3 ceramics. J. Mater. Sci. Mater. Electron. 2020, 31, 5492–5498. [Google Scholar] [CrossRef]
- Sharma, S.; Sharma, H.; Kumar, S.; Thakur, S.; Kotnala, R.K.; Negi, N.S. Analysis of sintering temperature effects on structural, dielectric, ferroelectric, and piezoelectric properties of BaZr0.2Ti0.8O3 ceramics prepared by sol–gel method. J. Mater. Sci. Mater. Electron. 2020, 31, 19168–19179. [Google Scholar] [CrossRef]
- Badapanda, T.; Senthil, V.; Anwar, S.; Cavalcante, L.S.; Batista, N.C.; Longo, E. Structural and dielectric properties of polyvinyl alcohol/barium zirconium titanate polymere ceramic composite. Curr. Appl. Phys. 2013, 13, 1490–1495. [Google Scholar] [CrossRef]
- Shin, D.J.; Ji, J.H.; Kim, J.; Jo, G.H.; Jeong, S.J.; Koh, J.H. Enhanced flexible piezoelectric energy harvesters based on BaZrTiO3-BaCaTiO3 nanoparticles/PVDF composite films with Cu floating electrodes. J. Alloys Compd. 2019, 802, 562–572. [Google Scholar] [CrossRef]
- Dash, S.; Thakur, V.N.; Kumar, A.; Mahaling, R.N.; Patel, S.; Thomas, R.; Sahoo, B.; Pradhan, D.K. Enhancing functional properties of PVDF-HFP/BZT-BCT polymer-ceramic composites by surface hydroxylation of ceramic fillers. Ceram. Int. 2012, 47, 33563–33576. [Google Scholar] [CrossRef]
- Mitharwal, C.; Geetanjali; Malhotra, S.; Bagla, A.; Srivastava, M.K.; Gupta, S.M.; Singh Negia, C.M.; Kara, E.; Kulkarnid, A.R.; Mitra, S. Performance of dopamine modified 0.5(Ba0.7Ca0.3)TiO3-0.5Ba(Zr0.2Ti0.8)O3 filler in PVDF nanocomposite as flexible energy storage and harvester. J. Alloys Compd. 2021, 876, 160141. [Google Scholar] [CrossRef]
- Vijatovic Petrovica, M.; Cordero, F.; Mercadelli, E.; Brunengo, E.; Ilic, N.; Galassi, C.; Despotovic, Z.; Bobic, J.; Dzunuzovic, A.; Stagnaro, P.; et al. Flexible lead-free NBT-BT/PVDF composite films by hot pressing for low- energy harvesting and storage. J. Alloys Compd. 2021, 884, 161071. [Google Scholar] [CrossRef]
- Leung, C.M.; Chen, X.; Wang, T.; Tang, Y.; Duan, Z.; Zhao, X.; Zhou, H.; Wang, F. Enhanced Electromechanical Response in PVDF-BNBT Composite Nanofibers for Flexible Sensor Applications. Materials 2022, 15, 1769. [Google Scholar] [CrossRef] [PubMed]
- Craciun, F.; Cordero, F.; Mercadelli, E.; Ilic, N.; Galassi, C.; Baldisserri, C.; Bobic, J.; Stagnaro, P.; Canu, G.; Buscaglia, M.T.; et al. Flexible composite films with enhanced piezoelectric properties for energy harvesting and wireless ultrasound-powered technology. Compos. Part B Eng. 2023, 263, 110835. [Google Scholar] [CrossRef]
- Bobić, J.D.; Teixeira, G.F.; Grigalaitis, R.; Gyergyek, S.; Petrović, M.M.V.; Zaghete, M.A.; Stojanovic, B.D. PZT-NZF/CF ferrites flexible thick films: Structural, dielectric, ferroelectric and magnetic characterization. J. Adv. Ceram. 2019, 8, 545–554. [Google Scholar] [CrossRef]
- Cai, X.; Lei, T.; Sun, D.; Lin, L. A critical analysis of the α, β and γ phases in poly(vinylidene fluoride) using FTIR. RSC Adv. 2017, 7, 15382. [Google Scholar] [CrossRef]
- Mahato, P.K.; Seal, A.; Garain, S.; Sen, S. Effect of fabrication technique on the crystalline phase and electrical properties of PVDF films. Mater. Sci. Poland. 2015, 33, 157–162. [Google Scholar] [CrossRef]
- Makadeva, S.; Berring, J.; Walus, K.; Stoeber, B. Effect of poling time and grid voltage on phase transition and piezoelectricity of poly(vinyedene fluoride) thin films using corona poling. J. Phys. D Appl. Phys. 2013, 46, 285305. [Google Scholar] [CrossRef]
- Lutterotti, L. Total pattern fitting for the combined size-strain-stress-texture determination in thin film diffraction. Nucl. Instrum. Meth. Phys. Res. B 2010, 268, 334–340. [Google Scholar] [CrossRef]
- Karapuzha, A.S.; James, N.K.; Khanbareh, H.; Zwaag, S.; Groen, W.A. Structure, dielectric and piezoelectric properties of donor doped PZT ceramics across the phase diagram. Ferroelectrics 2016, 504, 160–171. [Google Scholar] [CrossRef]
- Soo, M.; Mi, X.; Goroshin, S.; Higginsa, A.J.; Bergthorson, J.M. Combustion of particles, agglomerates, and suspensions—A basic thermophysical analysis. Combust. Flame 2018, 192, 384–400. [Google Scholar] [CrossRef]
- Shepelin, N.A.; Glushenkov, A.M.; Lussini, V.C.; Fox, P.J.; Dicinoski, G.W.; Shapter, J.G.; Ellis, A.V. New developments in composites, copolymer technologies and processing techniques for flexible fluoropolymer piezoelectric generators for efficient energy harvesting. Energy Environ. Sci. 2019, 12, 1143–1176. [Google Scholar] [CrossRef]
- Dash, S.; Mohanty, H.S.; Chauhan, R.; Kumar, A.; Thomas, R.; Pradhan, D.K. Ferroelectric ceramic dispersion to enhance the β phase of polymer for improving dielectric and ferroelectric properties of the composites. Polym. Bull. 2021, 78, 5317–5336. [Google Scholar] [CrossRef]
- Seena, M.; Jan, H.; Prasad, V. Dielectric properties of hot-pressed Poly(vinylidene fluoride)/Functionalized carbon nanotube composites. Mater. Chem. Phys. 2022, 285, 126134. [Google Scholar] [CrossRef]
- Huang, Z.X.; Wang, M.M.; Feng, Y.H.; Qu, J.P. β-Phase Formation of Polyvinylidene Fluoride via Hot Pressing under Cyclic Pulsating Pressure. Macromolecules 2020, 53, 8494–8501. [Google Scholar] [CrossRef]
- Muduli, S.P.; Parida, S.; Rout, S.K.; Rajput, S.; Kar, M. Effect of hot press temperature on β-phase, dielectric and ferroelectric properties of solvent casted Poly(vinyledene fluoride) films. Mater. Res. Express 2016, 6, 095306. [Google Scholar] [CrossRef]
- Yang, D.; Chen, Y. β-phase formation of poly(vinylidene fluoride) from the melt induced by quenching. J. Mater. Sci. Lett. 1987, 6, 599−603. [Google Scholar] [CrossRef]
- Mohanty, H.S.; Chauhan, R.; Kumar, A.; Kulriya, P.K.; Thomasd, R.; Pradhan, D.K. Dielectric/ferroelectric properties of ferroelectric ceramic dispersed poly (vinylidene fluoride) with enhanced β-phase formation. Mater. Chem. Phys. 2019, 230, 221–230. [Google Scholar] [CrossRef]
- Balaraman, A.A.; Dutta, S. Inorganic dielectric materials for energy storage applications: A review. J. Phys. D Appl. Phys. 2022, 55, 183002. [Google Scholar] [CrossRef]
- Jain, A.; Prashanth, K.J.; Sharma, A.K.; Jain, A.; Rashmi, P.N. Dielectric and Piezoelectric Properties of PVDF/PZT Composites: A Review, Published online in Wiley Online Library. Polym. Eng. Sci. 2015, 55, 1589–1616. [Google Scholar] [CrossRef]
- Sun, E.; Cao, W. Relaxor-based ferroelectric single crystals: Growth, domain engineering, characterization and applications. Prog. Mater. Sci. 2014, 65, 124–210. [Google Scholar] [CrossRef]
- Brunengo, E.; Conzatti, L.; Schizzi, I.; Buscaglia, M.T.; Canu, G.; Curecheriu, L.; Costa, C.; Castellano, M.; Mitoseriu, L.; Stagnaro, P.; et al. Improved dielectric properties of poly(vinylidene fluoride)–BaTiO3 composites by solvent-free processing. J. Appl. Polym. Sci. 2021, 138, e50049. [Google Scholar] [CrossRef]
- Samet, M.; Kallel, A.; Serghei, A. Maxwell-Wagner-Sillars interfacial polarization in dielectric spectra of composite materials: Scaling laws and applications. J. Compos. Mater. 2022, 56, 3197–3217. [Google Scholar] [CrossRef]
- Yang, L.; Kong, X.; Cheng, Z.; Zhang, S. Ultra-high energy storage performance with mitigated polarization saturation in lead-free relaxors. J. Mater. Chem. A 2019, 7, 8573. [Google Scholar] [CrossRef]
- Mishra, K.K.; Instan, A.A.; Kumari, S.; Scott, J.F.; Katiyar, R.S. Lead palladium titanate: A room temperature nanoscale multiferroic thin film. Sci. Rep. 2020, 10, 2991. [Google Scholar] [CrossRef] [PubMed]
- Fletcher, N.H.; Hilton, A.D.; Ricketts, B.W. Optimization of energy storage density in ceramic capacitors. J. Phys. D Appl. Phys. 1996, 29, 253. [Google Scholar] [CrossRef]
- Hou, Y.; Deng, Y.; Wang, Y.; Gao, H. Uniform distribution of low content BaTiO3 nanoparticles in poly(vinylidene fluoride) nanocomposite: Toward high dielectric breakdown strength and energy storage density. RSC Adv. 2015, 5, 72090. [Google Scholar] [CrossRef]
- Chi, Q.; Liu, G.; Zhang, C.; Cui, Y.; Wang, X.; Lei, Q. Microstructure and dielectric properties of BZT-BCT/PVDF nanocomposites. Results Phys. 2018, 8, 391–396. [Google Scholar] [CrossRef]
- Mei, W.; Wei, J.; Ko, Z.Y.; Cheng, Z.Y.; Hu, J. Novel P(VDF-HFP)/BST nanocomposite films with enhanced dielectric properties and optimized energy storage performance. Ceram. Int. 2021, 47, 15561–15567. [Google Scholar] [CrossRef]
- Liu, S.; Xue, S.; Xiu, S.; Shen, B.; Zhai, J. Surface-modified Ba(Zr0.3Ti0.7)O3 nanofibers by polyvinylpyrrolidone filler for poly(vinylidene fluoride) composites with enhanced dielectric constant and energy storage density. Sci. Rep. UK 2016, 6, 26198. [Google Scholar] [CrossRef]
- Luo, H.; Zhou, X.; Ellingford, C.; Zhang, Y.; Chen, S.; Zhou, K.; Zhang, D.; Bowen, C.R. Chaoying Wan, Interface design for high energy density polymer nanocomposites. Chem. Soc. Rev. 2019, 48, 4424. [Google Scholar] [CrossRef]
- Wang, Y.; Wang, H.; Xu, K.; Wang, B.; Wang, F.; Li, C.; Diao, C.; Huang, H.; Zheng, H. Significantly improved energy storage performance of flexible PVDF-based nanocomposite by loading surface-hydroxylated BaZr0.2Ti0.8O3 nanofibers. Ceram. Int. 2022, 48, 16114–16122. [Google Scholar] [CrossRef]
- Hao, X. A review on the dielectric materials for high energy-storage application. J. Adv. Dielect. 2013, 3, 1330001. [Google Scholar] [CrossRef]
- Jeder, K.; Bouhamed, A.; Nouri, H.; Abdelmoula, N.; Johrmann, N.; Wunderle, B.; Khemakhem, H.; Kanoun, O. Enhancement of the performance of flexible lead-free nanogenerators by doping in BaTiO3 nanoparticles. Energy 2022, 261, 125169. [Google Scholar] [CrossRef]
- Liu, J.; Yang, B.; Liu, J. Development of environmental-friendly BZT–BCT/P(VDF–TrFE) composite film for piezoelectric generator. J. Mater. Sci. Mater. Electron. 2018, 29, 17764–17770. [Google Scholar] [CrossRef]
- Liu, J.; Yang, B.; Lu, L.; Wang, X.; Li, X.; Chen, X.; Liu, J. Flexible and lead-free piezoelectric nanogenerator as self-poweredsensor based on electrospinning BZT-BCT/P(VDF-TrFE) nanofibers. Sens. Actuat. A-Phys. 2020, 303, 111796. [Google Scholar] [CrossRef]









| Samples | %Fα | %Fβ | %Fγ | % FEA |
|---|---|---|---|---|
| PVDF | 46 | 4 | 50 | 54 |
| BZT–PVDF (30–70) | 58 | 42 | / | 42 |
| BZT–PVDF (40–60) | 61 | 39 | / | 39 |
| BZT–PVDF (50–50) | 55 | 45 | / | 45 |
| PZT–PVDF (30–70) | 36 | / | 63 | 63 |
| PZT–PVDF (40–60) | 36 | / | 63 | 63 |
| PZT–PVDF (50–50) | 47 | 22 | 31 | 53 |
| Samples | Jloss (J/cm3) | J (J/cm3) | Jtot (J/cm3) | η (%) |
|---|---|---|---|---|
| PVDF | 0.001 | 0.06 | 0.061 | 98.4 |
| BZT–PVDF (30–70) | 0.0148 | 0.0371 | 0.0519 | 71.5 |
| BZT–PVDF (40–60) | 0.0214 | 0.0572 | 0.0786 | 72.7 |
| BZT–PVDF (50-50) | 0.0502 | 0.103 | 0.1532 | 67.2 |
| PZT–PVDF (30–70) | 0.0078 | 0.0176 | 0.0254 | 69.2 |
| PZT–PVDF (40–60) | 0.0147 | 0.0245 | 0.0392 | 62.5 |
| PZT–PVDF (50–50) | 0.0465 | 0.0411 | 0.0876 | 46.9 |
| Sample | Preparation Method | F (N) | U (V) | Ref. |
|---|---|---|---|---|
| BCZT/PVDF–HFP | Solution-casting technique | Foot-tapping | 4.55 | [54] |
| BZT–BCT/P(VDF–TrFE) | Spin-coating onto substrate | 10 N | 8.11 | [55] |
| BZT–BCT/ P(VDF–TrFE) | Spin-coating onto substrate | 6 N | 13.0 | [56] |
| BT/PVDF | Dropped onto a substrate | 500 N | 15.7 | [19] |
| BZT/PVDF | Hot-pressing method | 500 N | 8.0 | this work [25] |
| PZT/PVDF | Coated film on mica substrate | Body motion | 2 | [13] |
Disclaimer/Publisher’s Note: The statements, opinions and data contained in all publications are solely those of the individual author(s) and contributor(s) and not of MDPI and/or the editor(s). MDPI and/or the editor(s) disclaim responsibility for any injury to people or property resulting from any ideas, methods, instructions or products referred to in the content. |
© 2023 by the authors. Licensee MDPI, Basel, Switzerland. This article is an open access article distributed under the terms and conditions of the Creative Commons Attribution (CC BY) license (https://creativecommons.org/licenses/by/4.0/).
Share and Cite
Bobić, J.; Ilić, N.; Despotović, Ž.; Džunuzović, A.; Grigalaitis, R.; Stijepović, I.; Stojanović, B.; Vijatović Petrović, M. Properties and Potential Application of Lead-Free (BaZr0.2Ti0.8O3) and Lead-Based (PbZr0.52Ti0.48O3) Flexible Thick Films. Crystals 2023, 13, 1178. https://doi.org/10.3390/cryst13081178
Bobić J, Ilić N, Despotović Ž, Džunuzović A, Grigalaitis R, Stijepović I, Stojanović B, Vijatović Petrović M. Properties and Potential Application of Lead-Free (BaZr0.2Ti0.8O3) and Lead-Based (PbZr0.52Ti0.48O3) Flexible Thick Films. Crystals. 2023; 13(8):1178. https://doi.org/10.3390/cryst13081178
Chicago/Turabian StyleBobić, Jelena, Nikola Ilić, Željko Despotović, Adis Džunuzović, Robertas Grigalaitis, Ivan Stijepović, Biljana Stojanović, and Mirjana Vijatović Petrović. 2023. "Properties and Potential Application of Lead-Free (BaZr0.2Ti0.8O3) and Lead-Based (PbZr0.52Ti0.48O3) Flexible Thick Films" Crystals 13, no. 8: 1178. https://doi.org/10.3390/cryst13081178
APA StyleBobić, J., Ilić, N., Despotović, Ž., Džunuzović, A., Grigalaitis, R., Stijepović, I., Stojanović, B., & Vijatović Petrović, M. (2023). Properties and Potential Application of Lead-Free (BaZr0.2Ti0.8O3) and Lead-Based (PbZr0.52Ti0.48O3) Flexible Thick Films. Crystals, 13(8), 1178. https://doi.org/10.3390/cryst13081178

