Effect of the Microstructure of Support Materials on Cracking Catalyst Performance
Abstract
:1. Introduction
2. Materials and Methods
2.1. Raw Materials
2.2. Preparation of MH Sample
2.3. Catalyst Preparation Process
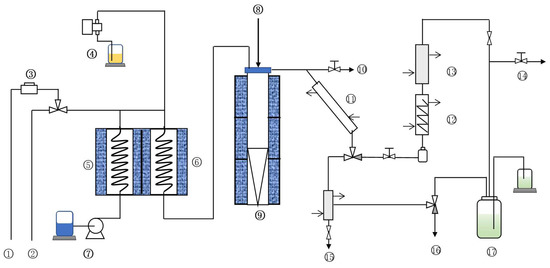
2.4. Analysis Method
3. Results and Discussion
3.1. Physical and Chemical Properties of Kaolin
3.1.1. Chemical Composition Analysis
3.1.2. Scanning Electron Microscopy and Transmission Electron Microscopy
3.1.3. X-ray Diffraction
3.1.4. Surface Structure Analysis
3.2. Characterization of Catalyst Properties
3.2.1. Physicochemical Properties of the Catalyst Samples
3.2.2. Evaluation of Catalyst Reaction Performance
4. Conclusions
Author Contributions
Funding
Data Availability Statement
Acknowledgments
Conflicts of Interest
References
- Magee, J.S.; Letzsch, W.S. Fluid cracking catalyst performance and development. Am. Chem. Soc. 1994, 571, 349–371. [Google Scholar]
- Hou, X. Refining Technology in China; China Petroleum Press: Beijing, China, 2001; pp. 104–146. [Google Scholar]
- Yun, X.; Honghong, S. Process and technical progress of residual catalytic cracking. Chem. Eng. Oil Gas. 2001, 30, 79–82. [Google Scholar]
- Karl, K.; Melissa, C.M.; Aaron, T.; Bilge, Y. Iron Tolerance in FCC Catalysts from in situ synthesis: A combined Mössbauer spectroscopy and catalytic testing investigation. Appl. Catal. A Gen. 2022, 644, 118743. [Google Scholar]
- Souza, N.L.A.; Paniago, R.; Ardisson, J.D.; Morgado, E., Jr.; Krambrock, K. Iron contamination of FCC catalysts: Quantification of different crystalline phases and valence states. Appl. Catal. A Gen. 2019, 569, 57–65. [Google Scholar] [CrossRef]
- Junwu, C. Catalytic Cracking Process and Engineering; China Petroleum Press: Beijing, China, 2005; pp. 17–18. [Google Scholar]
- Zheng, S.; Suo, J.; Zhang, L.; Liu, H.; Wang, B. The influence and application of kaolin in FCC catalyst. Non Met. Mines 2002, 25, 22–23. [Google Scholar]
- Brzaj, B.; Hocevar, S.; Pejovnik, S. Zeolite-Synthesis, Structure, Technology and Application; Elsevier: Amsterdam, The Netherlands; Oxford, UK; New York, NY, USA; Tokyo, Japan, 1985; pp. 147–154. [Google Scholar]
- Yongming, Z.; Liu, H.; Zheng, S.; Suo, J. The preparation and characterrization of a novel type of FCC catalysts. J. Mol. Cat. 1995, 9, 424–434. [Google Scholar]
- Sadeghbeigi, R. Fluid Catalytic Cracking Handbook: An Expert Guide to the Practical Operation, Design, and Optimization of FCC Units, 3rd ed.; Edwards Brothers Inc./Butterworth-Heinemann (Elsevier): Ann Arbor, MI, USA, 2012; pp. 130–134. [Google Scholar]
- Wilson, J.W. Fluid Catalytic Cracking Technology and Operations; Pennwell Publishing Company: Tulsa, OK, USA, 1997; pp. 47–52. [Google Scholar]
- Scherzer, J. Octane-enhancing, zeolitic FCC catalysts: Scientific and technical aspects. Cat. Rev. 1989, 31, 293–300. [Google Scholar] [CrossRef]
- Liu, P.; Zhang, Z.; Jia, M.; Gao, X.; Yu, J. ZSM-5 zeolites with different SiO2/Al2O3 ratios as fluid catalytic cracking catalyst additives for residue cracking. Chin. J. Cat. 2015, 36, 806–812. [Google Scholar] [CrossRef]
- Wang, G.; Lan, X.; Xu, C.; Gao, J. Study of optimal reaction conditions and a modified residue catalytic cracking process for maximizing liquid products. Ind. Eng. Chem. Res. 2009, 48, 3308–3316. [Google Scholar] [CrossRef]
- Rana, M.S.; Sámano, V.; Ancheyta, J.; Diaz, J.A.I. A review of recent advances on process technologies for upgrading of heavy oils and residua. Fuel 2007, 86, 1216–1231. [Google Scholar] [CrossRef]
- Gray, M.R. Upgrading Petroleum Residues and Heavy Oils; Marcel Dekker, Inc.: New York, NY, USA, 1994; p. 261. [Google Scholar]
- Shan, H.; Li, C.; Niu, G.; Yang, C.; Zhang, J. Research progress of fluidized catalytic cracking technology. J. Univ. Petrol. 2005, 29, 135–150. [Google Scholar]
- Khattaf, S.; de Lasa, H. The role of diffusion in alkyl-benzenes catalytic cracking. Appl. Cat. Gen. 2002, 226, 139–153. [Google Scholar] [CrossRef]
- Nace, D.M. Catalytic cracking over crystalline aluminosilicates. Microreactor study of gas oil cracking. Ind. Eng. Chem. Prod. Res. Dev. 1970, 9, 203–209. [Google Scholar] [CrossRef]
- Yang, Y. Study in Synthesis and Analysis of New Fluid Catalytic Cracking Catalyst with Characterization and Reaction Properties of Cracking; Northwest Normal University: Lanzhou, China, 2009. [Google Scholar]
- Wang, L.; Liu, Q. Application of kaolin in the synthesis of FCC catalyst. China Non-Met. Miner. Ind. Guide 2009, 75, 19–22. [Google Scholar]
- Li, Z.; Liu, Y. Effects of kaolin on properties of fluidized catalytic cracking catalyst. Inorg. Chem. Ind. 2017, 49, 83–86. [Google Scholar]
- Adams, J.M.; McCabe, R.W. Clay minerals as catalysts. In Handbook of Clay Science; Bergaya, F., Theng, B.K.G., Lagaly, G., Eds.; Elsevier: Amsterdam, The Netherlands, 2006; pp. 541–581. [Google Scholar]
- Castellano, M.; Turturro, A.; Riani, P.; Montanari, T.; Finocchio, E.; Ramis, G.; Busca, G. Bulk and surface properties of commercial kaolins. Appl. Clay Sci. 2010, 48, 446–454. [Google Scholar] [CrossRef]
- Andersson, S.; Myrstad, T. Optimum prorerties of RFCC catalysts. Stud. Surf. Sci. Cat. 2001, 134, 227–238. [Google Scholar]
- Yuan, P.; Tan, D.; Annabi-Bergaya, F. Properties and applications of halloysite nanotubes: Recent research advances and future prospects. Appl. Clay Sci. 2015, 112–113, 75–93. [Google Scholar] [CrossRef]
- Rong, T.; Xiao, J. The catalytic cracking activity of the kaolin-group minerals. Mater. Lett. 2002, 57, 297–301. [Google Scholar] [CrossRef]
- Xin, Z.; Juewu, Z.; Jun, G.; Mingyuan, H. The application of different kaolin clays in the matrices of FCC catalysts. Petrol. Process. Petrochem. 1996, 2, 23–27. [Google Scholar]
- Liu, C. Resource Types of Hunan Kaolin and Exploitation and Utilization of Low-Quality Kaolin; Central South University: Changsha, China, 2004. [Google Scholar]
- Mingguo, Z. A discussion on an application of clay into industrial catalysator in China. Gui Zhou Geol. 1998, 15, 43–46. [Google Scholar]
- Niu, J.; Qiang, Y.; Wang, C.; Li, X.; Zhou, Y.; Shang, X.; Zhuang, Q. Nomenclature, structure, morphology and curling mechanism of halloysite-7. Acta. Mineral. Sin. 2014, 1, 13–22, (In Chinese with English Abstract). [Google Scholar]
- Yanjun, M.; Hongchang, D.; Gangwei, X.; Zhengguo, T.; Haitao, Z. Effect of soil sources on properties of fluid catalytic cracking catalyst. Petrochem. Technol. Appl. 2019, 37, 26–29. [Google Scholar]
- Wang, B.; Bao, J.; Wen, B.; Feng, J.; Wu, X.; Lin, Y. The feasibility study of kaolin from different regions as the FCC catalyst carrier. Non-Met. Mines 2020, 43, 30–32. [Google Scholar]
- Zhilin, C.; Wei, S. Structure and physical properties of halloysite nanotubes. Acta Petrol. Sin. 2016, 32, 150–155. [Google Scholar]
- Feng, M.; Tian, H.; Zhang, W.; Yu, S.; Zhang, J.; Wang, Z.; Li, J. Properties of different kaolin clays and their application in FCC catalysts. Ind. Cat. 2018, 26, 20–26. [Google Scholar]
- Ma, Z.; Wang, J.; Gao, X.; Ding, T.; Qin, Y. Application of halloysite nanotubes. Prog. Chem. 2012, 24, 275–283. [Google Scholar]







| Samples (wt.%) | M | H | S | MH |
|---|---|---|---|---|
| Al2O3 | 42.02 | 37.02 | 44.80 | 43.02 |
| SiO2 | 53.13 | 61.25 | 52.82 | 53.23 |
| Fe2O3 | 0.67 | 0.11 | 0.81 | 0.56 |
| SO42− | / | 0.38 | 1.24 | 0.67 |
| Na2O | 0.07 | 0.00 | 0.04 | 0.06 |
| K2O | 0.44 | 0.25 | 0.53 | 0.38 |
| P2O5 | 0.30 | 0.07 | 0.33 | 0.23 |
| a-SiO2 | 1.14 | / | 1.05 | 0.85 |
| n(SiO2)/n(Al2O3) | 2.15 | 2.80 | 2.00 | 2.10 |
| Samples | M | H | S | MH |
|---|---|---|---|---|
| Total Surface Area (m2/g) | 18.13 | 65.80 | 23.50 | 27.36 |
| Pore Volume (mL/g) | 0.09 | 0.33 | 0.11 | 0.19 |
| Samples (wt.%) | CAT-M | CAT-H | CAT-S | CAT-MH |
|---|---|---|---|---|
| Al2O3 | 51.41 | 52.04 | 51.62 | 51.38 |
| SiO2 | 43.12 | 42.28 | 43.16 | 43.09 |
| Fe2O3 | 0.32 | 0.28 | 0.14 | 0.33 |
| SO42− | 0.48 | 0.44 | 0.47 | 0.42 |
| Na2O | 0.14 | 0.14 | 0.12 | 0.15 |
| K2O | 0.22 | 0.15 | 0.13 | 0.20 |
| TiO2 | 0.16 | 0.12 | 0.15 | 0.14 |
| P2O5 | 0.40 | 0.47 | 0.43 | 0.41 |
| Re2O3 | 2.91 | 3.09 | 2.95 | 2.95 |
| Cl− | 0.73 | 0.87 | 0.77 | 0.76 |
| Samples | CAT-M | CAT-H | CAT-S | CAT-MH |
|---|---|---|---|---|
| Total surface Area (m2/g) | 330 | 340 | 338 | 342 |
| Micropore area (m2/g) | 247 | 246 | 248 | 251 |
| Matrix area (m2/g) | 83 | 94 | 90 | 91 |
| Pore Volume (mL/g) | 0.21 | 0.24 | 0.22 | 0.22 |
| Micropore volume (mL/g) | 0.096 | 0.097 | 0.097 | 0.098 |
| Mesoporous volume (mL/g) | 0.114 | 0.143 | 0.123 | 0.122 |
| Samples | CAT-M | CAT-H | CAT-S | CAT-MH |
|---|---|---|---|---|
| MAT */17 h (wt.%) | 62.2 | 63.9 | 63.1 | 63.6 |
| Attrition (wt.% h−1) | 3.5 | 1.3 | 2.8 | 3 |
| Items | Density (kg/m³) | Carbon Residue (wt.%) | H (wt.%) | Fe (ug/g) | Na (ug/g) | Ni (ug/g) | V (ug/g) | Saturated Hydrocarbon (wt.%) | Aromatic (wt.%) | Colloid (wt.%) |
|---|---|---|---|---|---|---|---|---|---|---|
| values | 928.7 | 2.68 | 12.10 | 9.19 | 0.22 | 4.23 | 2.34 | 58.41 | 30.83 | 7.67 |
| Samples (wt.%) | CAT-M | CAT-H | CAT-S | CAT-MH |
|---|---|---|---|---|
| dry gas | 1.80 | 2.18 | 1.96 | 1.81 |
| LPG | 11.65 | 13.01 | 13.17 | 12.61 |
| gasoline | 48.92 | 50.43 | 49.15 | 51.05 |
| diesel | 19.48 | 18.00 | 18.71 | 18.55 |
| slurry | 12.91 | 10.33 | 11.40 | 10.67 |
| coke | 5.24 | 6.05 | 5.61 | 5.32 |
| conversion | 67.61 | 71.67 | 69.89 | 70.79 |
| propene | 4.17 | 4.23 | 4.31 | 4.17 |
| butene | 2.93 | 2.84 | 3.21 | 3.33 |
| light oil | 68.40 | 68.43 | 67.86 | 69.60 |
| LPG + gasoline | 60.57 | 63.44 | 62.32 | 63.66 |
| coke selectivity # | 0.078 | 0.084 | 0.080 | 0.075 |
| Samples | CAT-M | CAT-H | CAT-S | CAT-MH |
|---|---|---|---|---|
| n-alkanes (wt.%) | 2.96 | 3.60 | 3.21 | 3.56 |
| i-alkanes (wt.%) | 31.16 | 35.48 | 35.43 | 34.61 |
| Olefins (wt.%) | 21.07 | 19.85 | 20.94 | 22.47 |
| Cycloalkanes (wt.%) | 10.10 | 9.26 | 9.69 | 9.54 |
| Aromatics (wt.%) | 33.84 | 30.80 | 29.77 | 28.97 |
| Research octane number | 89.9 | 90.6 | 90.3 | 90.5 |
| Motor octane number | 73.5 | 75.1 | 74.4 | 74.9 |
Disclaimer/Publisher’s Note: The statements, opinions and data contained in all publications are solely those of the individual author(s) and contributor(s) and not of MDPI and/or the editor(s). MDPI and/or the editor(s) disclaim responsibility for any injury to people or property resulting from any ideas, methods, instructions or products referred to in the content. |
© 2023 by the authors. Licensee MDPI, Basel, Switzerland. This article is an open access article distributed under the terms and conditions of the Creative Commons Attribution (CC BY) license (https://creativecommons.org/licenses/by/4.0/).
Share and Cite
Bao, J.; Rao, W.; Zhou, Y.; Wen, B.; Wang, B.; Lv, G.; Liao, L. Effect of the Microstructure of Support Materials on Cracking Catalyst Performance. Crystals 2023, 13, 123. https://doi.org/10.3390/cryst13010123
Bao J, Rao W, Zhou Y, Wen B, Wang B, Lv G, Liao L. Effect of the Microstructure of Support Materials on Cracking Catalyst Performance. Crystals. 2023; 13(1):123. https://doi.org/10.3390/cryst13010123
Chicago/Turabian StyleBao, Jianguo, Wenxiu Rao, Yi Zhou, Bin Wen, Bo Wang, Guocheng Lv, and Libing Liao. 2023. "Effect of the Microstructure of Support Materials on Cracking Catalyst Performance" Crystals 13, no. 1: 123. https://doi.org/10.3390/cryst13010123
APA StyleBao, J., Rao, W., Zhou, Y., Wen, B., Wang, B., Lv, G., & Liao, L. (2023). Effect of the Microstructure of Support Materials on Cracking Catalyst Performance. Crystals, 13(1), 123. https://doi.org/10.3390/cryst13010123
