A New Compact Split Ring Resonator Based Double Inverse Epsilon Shaped Metamaterial for Triple Band Satellite and Radar Communication
Abstract
:1. Introduction
2. Schematic Description of Unit Cell and Simulation
Extraction Method of Effective Medium Parameters
3. Parametric Studies
3.1. Design Procedure
3.2. Unit Cell Size Optimisation
3.3. Effect of Substrate Materials
4. The Effect of Changing the Electromagnetic Field Propagation Direction
5. Electromagnetic Fields and Surface Current Analysis
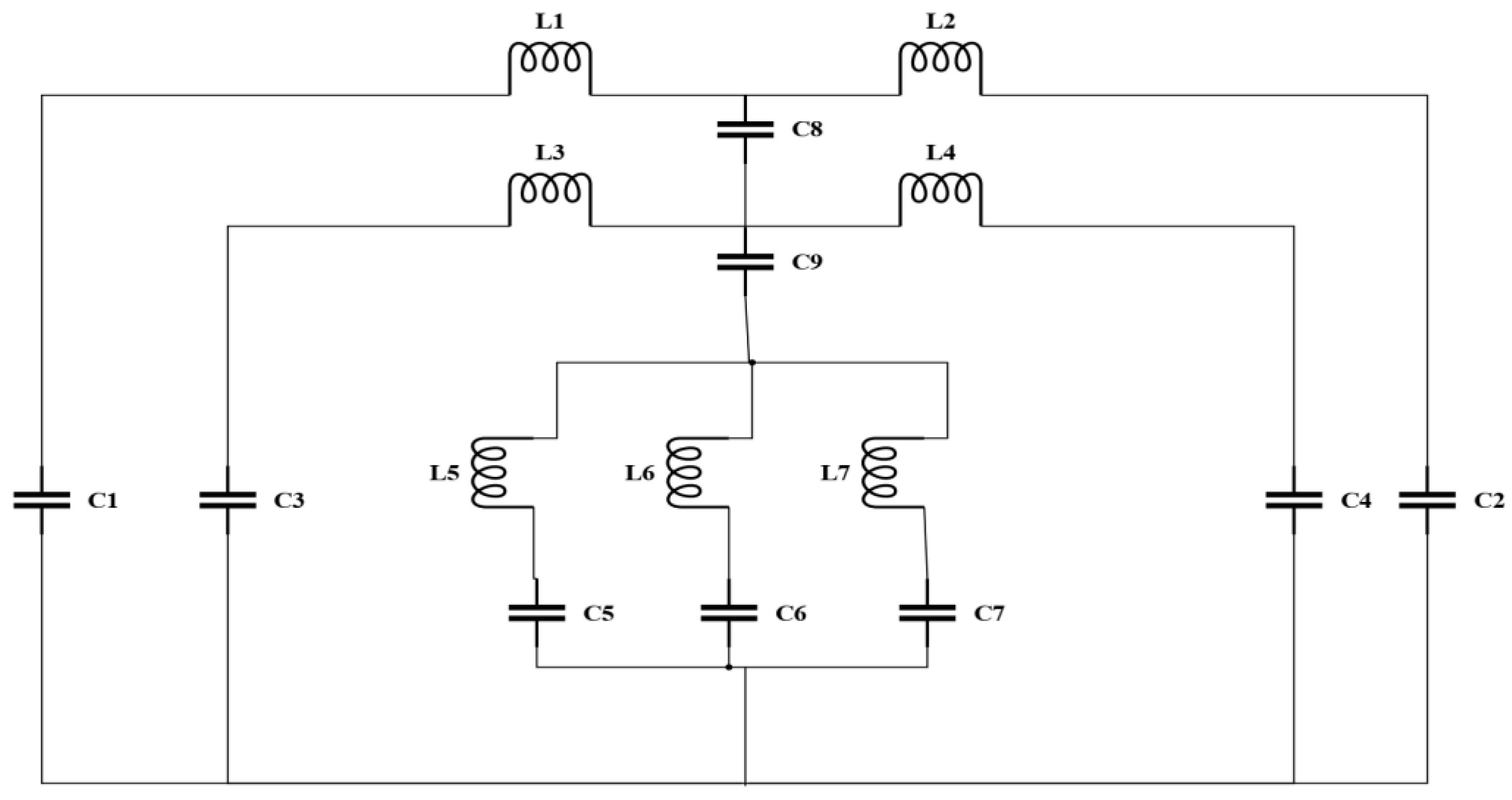
Equivalent Circuit Model of the Proposed Metamaterial Unit Cell
6. Results and Discussion
6.1. Array Metamaterial Results
6.2. Validation by Using HFSS
7. Conclusions
Author Contributions
Funding
Institutional Review Board Statement
Informed Consent Statement
Data Availability Statement
Conflicts of Interest
References
- Suzuki, T.; Harumi, A. Reflectionless zero refractive index metasurface in the terahertz waveband. Opt. Express 2020, 28, 21509–21521. [Google Scholar] [CrossRef] [PubMed]
- Hossain, M.J.; Faruque, M.R.I.; Islam, M.T. Effective medium ratio obeying wideband left-handed miniaturized meta-atoms for multi-band applications. J. Electron. Mater. 2018, 47, 1859–1870. [Google Scholar] [CrossRef]
- Veselago, V.G. The electrodynamics of substances with simultaneously negative values of ε and μ. Sov. Phys. Uspekhi 1968, 10, 509–514. [Google Scholar] [CrossRef]
- Hossain, M.J.; Faruque, M.R.I.; Islam, M.T. Correction: Perfect metamaterial absorber with high fractional bandwidth for solar energy harvesting 2019. PLoS ONE 2019, 14, e0211751. [Google Scholar] [CrossRef] [Green Version]
- Emadi, R.; Reza, S.A.; Zeidaabadi, N. Plasmonic cloaking for irregular inclusions using an epsilon-near-zero region composed of a graphene–silica stack. JOSA B 2018, 35, 643–651. [Google Scholar] [CrossRef]
- Askari, M.; Hosseini, M.V. A novel metamaterial design for achieving a large group index via classical electromagnetically induced reflectance. Opt. Quantum Electron. 2020, 52, 19. [Google Scholar] [CrossRef]
- Zarghooni, B.; Abdolmehdi, D.; Tayeb, A.D. Greek-key pattern as a miniaturized multiband metamaterial unit-cell. IEEE Antennas Wirel. Propag. Lett. 2015, 14, 1254–1257. [Google Scholar] [CrossRef]
- Afsar, S.U.; Faruque, M.R.; Hossain, M.J.; Khandaker, M.U.; Osman, H.; Alamri, S. Modified hexagonal split ring resonator based on an epsilon-negative metamaterial for triple-band Satellite Communication. Micromachines 2021, 12, 878. [Google Scholar] [CrossRef]
- Smith, K.L.; Adams, R.S. Spherical spiral metamaterial unit cell for negative permeability and negative permittivity. IEEE Trans Antennas Propag. 2018, 66, 6425–6428. [Google Scholar] [CrossRef]
- Dalgac, S.; Karadağ, F.; Ünal, E.; Özkaner, V.; Bakır, M.; Akgöl, O.; Sevim, U.K.; Delihacıoğlu, K.; Öztürk, M.; Karaaslan, M.; et al. Metamaterial sensor application concrete material reinforced with carbon steel fiber. Mod. Phys. Lett. B 2020, 34, 2050097. [Google Scholar] [CrossRef]
- Sabah, C.; Nesimoglu, T. Design and characterization of a resonator-based metamaterial and its sensor application using microstrip technology. Opt. Eng. 2016, 55, 027107. [Google Scholar] [CrossRef]
- Faruque, M.R.I.; Ahamed, E.; Rahman, M.A.; Islam, M.T. Flexible nickel aluminate (NiAl2O4) based dual-band double negative metamaterial for microwave applications. Results Phys. 2019, 14, 102524. [Google Scholar] [CrossRef]
- Guo, Y.; Zhao, J.; Hou, Q.; Zhao, X. Omnidirectional broadband patch antenna with horizontal gain enhanced by epsilon-negative metamaterial superstrate. Microw. Opt. Technol. Lett. 2019, 62, 778–788. [Google Scholar] [CrossRef]
- Liu, S.H.; Guo, L.X.; Li, J.C. Left-handed metamaterials based on only modified circular electric resonators. J. Mod. Opt. 2016, 63, 2220–2225. [Google Scholar] [CrossRef]
- Ünal, E.; Bağmancı, M.; Karaaslan, M.; Akgol, O.; Sabah, C. Strong absorption of solar energy by using wide band metamaterial absorber designed with plus-shaped resonators. Int. J. Mod. Phys. B 2018, 32, 1850275. [Google Scholar] [CrossRef]
- Abdolrazzaghi, M.; Katchinskiy, N.; Elezzabi, A.Y.; Light, P.E.; Daneshmand, M. Noninvasive glucose sensing in aqueous solutions using an active split-ring resonator. IEEE Sens. J. 2021, 21, 18742–18755. [Google Scholar] [CrossRef]
- Kazemi, N.; Schofield, K.; Musilek, P. A high-resolution reflective microwave planar sensor for sensing of vanadium electrolyte. Sensors 2021, 21, 3759. [Google Scholar] [CrossRef]
- Song, X.; Yan, S. High-sensitivity planar microfluidic sensor based on zeroth-order resonance. In Proceedings of the IEEE 3rd International Conference on Electronic Information and Communication Technology (ICEICT), Shenzhen, China, 13–15 November 2020. [Google Scholar]
- Shelby, R.A.; Smith, D.R.; Seldon, S. Experimental verification of a negative index of refraction. Science 2001, 292, 77–79. [Google Scholar] [CrossRef] [Green Version]
- Pendry, J.B.; Holden, A.J.; Robbins, D.J.; Stewart, W. Magnetism from conductors and enhanced nonlinear phenomena. IEEE Trans. Microw. Theory Tech. 1999, 47, 2075–2084. [Google Scholar] [CrossRef] [Green Version]
- Marathe, D.; Kulat, K. A compact triple-band negative permittivity metamaterial for C, X-band applications. Int. J. Antennas Propag. 2017, 2017, 1–12. [Google Scholar] [CrossRef] [Green Version]
- Liu, P.; Yang, S.; Jain, A.; Wang, Q.; Jiang, H.; Song, J. Tunable meta-atom using liquid metal embedded in stretchable polymer. J. Appl. Phys. 2015, 118, 014504. [Google Scholar] [CrossRef] [Green Version]
- Islam, M.R.; Samsuzzaman, M.; Misran, N.; Beng, G.K.; Islam, M.T. A tri-band left-handed meta-atom enabled designed with high effective medium ratio for microwave based applications. Results Phys. 2020, 17, 103032. [Google Scholar] [CrossRef]
- Ramachandran, T.; Faruque, M.R.; Islam, M.T.; Khandaker, M.U. Radar cross-section reduction using polarization-dependent passive metamaterial for satellite communication. Chin. J. Phys. 2022, 76, 251–268. [Google Scholar] [CrossRef]
- Almutairi, A.F.; Islam, M.S.; Samsuzzaman, M.; Islam, M.T.; Misran, N.; Islam, M.T. A complementary split ring resonator based metamaterial with effective medium ratio for C-band microwave applications. Results Phys. 2019, 15, 102675. [Google Scholar] [CrossRef]
- Gupta, N.; Saxena, J.; Bhatia, K.S.; Dadwal, N. Design of metamaterial-loaded rectangular patch antenna for satellite communication applications. Iran. J. Sci. Technol. Trans. Electr. Eng. 2018, 43, 39–49. [Google Scholar] [CrossRef]
- Ali, W.; Hamad, E.; Bassiuny, M.; Hamdallah, M. Complementary split ring resonator based triple band microstrip antenna for WLAN/WiMAX Applications. Radio Eng. 2017, 26, 78–84. [Google Scholar] [CrossRef]
- Sakli, H.; Abdelhamid, C.; Essid, C.; Sakli, N. Metamaterial-based antenna performance enhancement for MIMO System Aplications. IEEE Access 2021, 9, 38546–38556. [Google Scholar] [CrossRef]
- Bhasakar, R.Y.V.; Prasad, A.M.; Swamy, K.V. Metamaterial inspired compact penta-band antenna for Wi-Max, WLAN, Satellite Band and X-band applications. In Proceedings of the IEEE International Conference on Electronics, Computing and Communication Technologies 2020 (CONECCT), Bangalore, India, 2–4 July 2020. [Google Scholar]
- Gerson, R. A useful text for calculus-based physics. Phys. Teach. 1981, 19, 504. [Google Scholar] [CrossRef]
- Ahamed, E.; Faruque, M.R.I.; Mansor, M.F.B.; Islam, M.T. Polarization-dependent tunneled metamaterial structure with enhanced fields properties for X-band application. Results Phys. 2015, 15, 102530. [Google Scholar] [CrossRef]
- Islam, S.S.; Faruque, M.R.I.; Islam, M.T. An ENG metamaterial based wideband electromagnetic cloak. Microw. Opt. Technol. Lett. 2016, 58, 2522–2525. [Google Scholar] [CrossRef]
- Pendry, J.B.; Holden, A.; Stewart, W.; Youngs, I. Extremely low frequency plasmons in metallic mesostructures. Phys Rev Lett. 1996, 76, 4773. [Google Scholar] [CrossRef] [PubMed] [Green Version]
- Dawar, P.; De, A. Bandwidth enhancement of RMPA using ENG metamaterials at THz. In Proceedings of the 4th International Conference on Computer and Communication Technology, (ICCCT), Allahabad, India, 20–22 September 2013; pp. 11–16. [Google Scholar]
- Mallik, A.; Kundu, S.; Goni, M.O. Design of a novel two-rectangular U-shaped double negative metamaterial. In Proceedings of the International Conference on Informatics, Electronics and Vision (ICIEV), Dhaka, Bangladesh, 17–18 May 2013. [Google Scholar]
- Hossain, M.B.; Faruque, M.R.I.; Islam, S.S.; Islam, M.T. Modified double dumbbell-shaped split-ring resonator-based negative permittivity metamaterial for satellite communications with high effective medium ratio. Sci. Rep. 2021, 11, 19331. [Google Scholar] [CrossRef] [PubMed]
- Islam, S.; Faruque, M.R.I.; Islam, M. The design and analysis of a novel split-H-shaped metamaterial for multi-band Microwave Applications. Materials 2014, 7, 4994–5011. [Google Scholar] [CrossRef] [PubMed] [Green Version]
- Islam, M.; Islam, M.; Samsuzzaman, M.; Faruque, M.R.I.; Misran, N.; Mansor, M. A miniaturized antenna with negative index metamaterial based on modified SRR and CLS unit cell for UWB microwave imaging applications. Materials 2015, 8, 392–407. [Google Scholar] [CrossRef]
- Hasan, M.M.; Faruque, M.R.I. Left-handed metamaterial using Z-shaped SRR for multiband application by azimuthal angular rotations. Mater. Res. Express 2017, 4, 045801. [Google Scholar] [CrossRef]




















| Parameter | Dimension (mm) | Parameter | Dimension (mm) |
|---|---|---|---|
| a | 10 | G | 0.20 |
| L | 10 | r1 | 2.5 |
| b | 0.50 | r2 | 1.9 |
| c | 0.60 | H | 4.6 |
| d | 0.50 | h | 3.5 |
| e | 1.50 | t | 1.524 |
| Arrangement | Resonance Frequency (GHz) | Types Structure | Resonance Peak (dB) | Covering Bands |
|---|---|---|---|---|
| Design-1 | 5.92, 10.67 | Two square ring resonator | −48.79, −50.58 | C-, X- |
| Design-2 | 2.38, 4.72, 9.55 | Two split ring resonator | −31.02, −41.89, −45.98 | S-, C-, X- |
| Design-3 | 5.82, 9.60 | Two square ring resonator with two epsilon | −49.50, −44.57 | C-, X- |
| Proposed design | 2.38, 4.55, 9.42 | Two SRR with two epsilon | −29.40, −39.65, −43.35 | S-, C-,X- |
| Component | Value (nH) | Component | Value (nH) | Component | Value (pF) | Component | Value (pF) |
|---|---|---|---|---|---|---|---|
| L1 | 1.95 | L6 | 0.50 | C1 | 0.06 | C6 | 0.53 |
| L2 | 0.10 | L7 | 0.50 | C2 | 0.10 | C7 | 0.62 |
| L3 | 1.04 | C3 | 1.35 | C8 | 10 | ||
| L4 | 14.54 | C4 | 8.195 | C9 | 3.54 | ||
| L5 | 7.625 | C5 | 0.69 |
| Types of Simulation | Unit Cell | 1 × 2 Array | 2 × 2 Array | Max. Shift of Frequency (%) |
|---|---|---|---|---|
| First resonance (GHz) | 2.38 | 2.36 | 2.40 | 0.84 |
| Second resonance (GHz) | 4.55 | 4.54 | 4.60 | 1.09 |
| Third resonance (GHz) | 9.42 | 9.34 | 9.60 | 1.9 |
| Author Name and Ref. | Shape of MM | Size (mm3) | Metamaterial Type | EMR (λ/L) |
|---|---|---|---|---|
| Mallik et.al. [35] | U | 25 × 25 × 1.6 | LHM | 1.99 |
| Hossain et al. [36] | Double dumbbell | 9 × 9 × 1.6 | ENG | 11.5 |
| Islam et al. [37] | H | 30 × 30 × 1.6 | LHM | 3.65 |
| Islam M et al. [38] | SRR | 16 × 12 × 1.6 | NRI | 5.35 |
| Hasan et al. [39] | Z | 10 × 10 × 1.6 | LHM | 8.6 |
| Proposed MM | Inverse epsilon shape | 10 × 10 × 1.524 | ENG | 12.61 |
Publisher’s Note: MDPI stays neutral with regard to jurisdictional claims in published maps and institutional affiliations. |
© 2022 by the authors. Licensee MDPI, Basel, Switzerland. This article is an open access article distributed under the terms and conditions of the Creative Commons Attribution (CC BY) license (https://creativecommons.org/licenses/by/4.0/).
Share and Cite
Afsar, M.S.U.; Faruque, M.R.I.; Khandaker, M.U.; Alqahtani, A.; Bradley, D.A. A New Compact Split Ring Resonator Based Double Inverse Epsilon Shaped Metamaterial for Triple Band Satellite and Radar Communication. Crystals 2022, 12, 520. https://doi.org/10.3390/cryst12040520
Afsar MSU, Faruque MRI, Khandaker MU, Alqahtani A, Bradley DA. A New Compact Split Ring Resonator Based Double Inverse Epsilon Shaped Metamaterial for Triple Band Satellite and Radar Communication. Crystals. 2022; 12(4):520. https://doi.org/10.3390/cryst12040520
Chicago/Turabian StyleAfsar, Md Salah Uddin, Mohammad Rashed Iqbal Faruque, Mayeen Uddin Khandaker, Amal Alqahtani, and David A. Bradley. 2022. "A New Compact Split Ring Resonator Based Double Inverse Epsilon Shaped Metamaterial for Triple Band Satellite and Radar Communication" Crystals 12, no. 4: 520. https://doi.org/10.3390/cryst12040520
APA StyleAfsar, M. S. U., Faruque, M. R. I., Khandaker, M. U., Alqahtani, A., & Bradley, D. A. (2022). A New Compact Split Ring Resonator Based Double Inverse Epsilon Shaped Metamaterial for Triple Band Satellite and Radar Communication. Crystals, 12(4), 520. https://doi.org/10.3390/cryst12040520

