Facile and Rapid Synthesis of Durable SSZ-13 Catalyst Using Choline Chloride Template for Methanol-to-Olefins Reaction
Abstract
:1. Introduction
2. Results and Discussion
2.1. The Crystal Structure of Synthesized SSZ-13
2.2. Morphology of Catalysts
2.3. Variation of Microstructure
2.4. The Pore Structure of as-Prepared SSZ-13
2.5. The Acidity of SSZ-13
2.6. Catalytic Performance for MTO Reaction
3. Experimental Section
3.1. Materials
3.2. Sample Preparation
3.3. Characterization of Zeolites
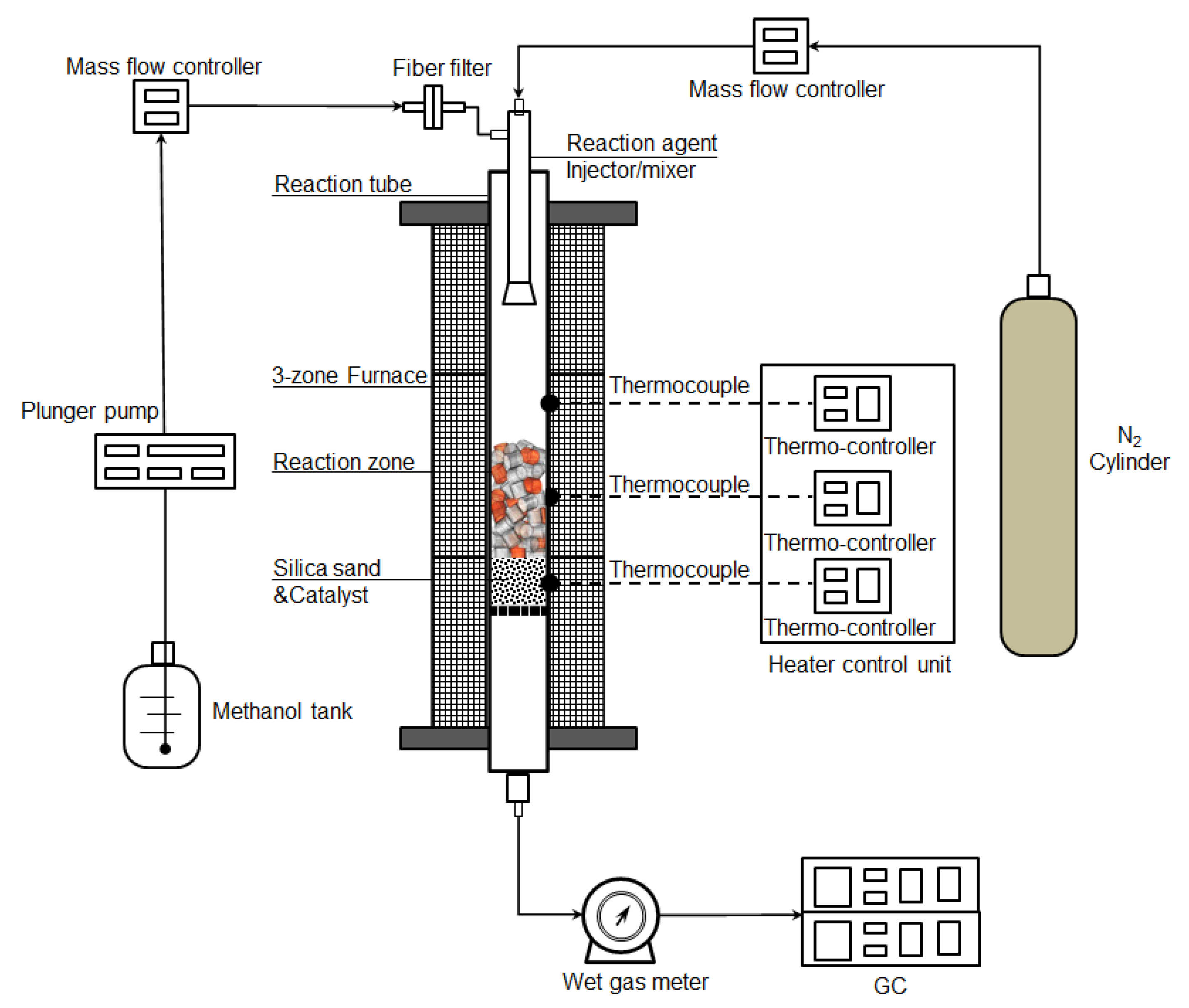
3.4. Evaluation of the Catalytic Performance
4. Conclusions
Supplementary Materials
Author Contributions
Funding
Data Availability Statement
Acknowledgments
Conflicts of Interest
References
- Zhou, Y.; Qi, L.; Wei, Y.; Yuan, C.; Zhang, M.; Liu, Z. Methanol-to-olefin induction reaction over SAPO-34. Chin. J. Catal. 2016, 37, 1496–1501. [Google Scholar] [CrossRef]
- Deimund, M.A.; Harrison, L.; Lunn, J.D.; Liu, Y.; Malek, A.; Shayib, R.; Davis, M.E. Effect of heteroatom concentration in SSZ-13 on the methanol-to-olefins reaction. ACS Catal. 2016, 6, 542–550. [Google Scholar] [CrossRef]
- Standl, S.; Hinrichsen, O. Kinetic modeling of catalytic olefin cracking and methanol-to-olefins (MTO) over zeolites: A review. Catalysts 2018, 12, 626. [Google Scholar] [CrossRef] [Green Version]
- Tian, P.; Wei, Y.; Ye, M.; Liu, Z. Methanol to olefins (MTO): From fundamentals to commercialization. ACS Catal. 2015, 5, 1922–1938. [Google Scholar] [CrossRef]
- Han, L.; Jiang, X.G.; Lu, T.L.; Wang, B.S.; Xu, J.; Zhan, Y.Z.; Zhao, C. Preparation of composite zeolites in polymer hydrogels and their catalytic performances in the methanol-to-olefin reaction. Fuel Process. Technol. 2017, 165, 87–93. [Google Scholar] [CrossRef]
- Ferri, P.; Li, C.; Millán, R.; Martínez-Triguero, J.; Moliner, M.; Boronat, M.; Corma, A. Impact of Zeolite Framework Composition and Flexibility on Methanol-To-Olefins Selectivity: Confinement or Diffusion? Angew. Chem. Int. Ed. 2020, 132, 1–9. [Google Scholar] [CrossRef]
- Liu, B.; Zhou, R.; Bu, N.; Wang, Q.; Zhong, S.; Wang, B.; Hidetoshi, K. Room-temperature ionic liquids modified zeolite SSZ-13 membranes for CO2/CH4 separation. J. Membr. Sci. 2017, 524, 12–19. [Google Scholar] [CrossRef]
- Jun, J.W.; Khan, N.A.; Seo, P.W.; Kim, C.U.; Kim, H.J.; Jhung, S.H. Conversion of Y into SSZ-13 zeolites and ethylene-to-propylene reactions over the obtained SSZ-13 zeolites. Chem. Eng. J. 2016, 303, 667–674. [Google Scholar] [CrossRef]
- Zeng, L.; Yu, Z.; Sun, Z.; Han, Y.; Xu, Y.; Wu, J.; Wang, Z. Fast synthesis of SSZ-13 zeolite by steam-assisted crystallization method. Microporous Mesoporous Mater. 2020, 293, 109789. [Google Scholar] [CrossRef]
- Wang, J.; Peng, Z.; Chen, Y.; Bao, W.; Chang, L.; Feng, G. In-Situ hydrothermal synthesis of Cu-SSZ-13/cordierite for the catalytic removal of NOx from diesel vehicles by NH3. Chem. Eng. J. 2015, 263, 9–19. [Google Scholar] [CrossRef]
- Sommer, L.; Mores, D.; Svelle, S.; Stöcker, M.; Weckhuysen, B.M.; Olsbye, U. Mesopore formation in zeolite H-SSZ-13 by desilication with NaOH. Microporous Mesoporous Mater. 2010, 132, 384–394. [Google Scholar] [CrossRef]
- Li, Z.; Navarro, M.T.; Martínez-Triguero, J. Synthesis of nano-SSZ-13 and its application in the reaction of methanol to olefins. Catal. Sci. Technol. 2016, 6, 5856–5863. [Google Scholar] [CrossRef] [Green Version]
- Zhu, X.; Hofmann, J.P.; Mezari, B. Trimodal Porous Hierarchical SSZ-13 Zeolite with Improved Catalytic Performance in the Methanol-to-Olefins Reaction. ACS Catal. 2016, 6, 2163–2177. [Google Scholar] [CrossRef]
- Zhang, X.Y.; Dou, T.T.; Yao, W.; Yang, J.Y.; Wang, X.; Guo, Y.Y.; Shen, Q.; Zhang, X.; Zhang, S.Q. Green synthesis of Cu-SSZ-13 zeolite by seed-assisted route for effective reduction of nitric oxide. J. Clean Prod. 2019, 117667. [Google Scholar] [CrossRef]
- Xu, R.; Zhang, R.; Liu, N.; Chen, B.; Zhang, S. Template Design and Economical Strategy for the Synthesis of SSZ-13 (CHA-Type) Zeolite as an Excellent Catalyst for the Selective Catalytic Reduction of NOx by Ammonia. ChemCatChem 2015, 7, 3842–3847. [Google Scholar] [CrossRef]
- Zhu, X.; Rohling, R.; Filonenko, G.; Mezari, B.; Hofmann, J.P.; Asahina, S.; Hensen, E.J. Synthesis of hierarchical zeolites using an inexpensive mono-quaternary ammonium surfactant as mesoporogen. Chem. Commun. 2014, 50, 14658–14661. [Google Scholar] [CrossRef] [PubMed] [Green Version]
- Tang, T.; Yin, C.; Wang, L. Good sulfur tolerance of a mesoporous Beta zeolite-supported palladium catalyst in the deep hydrogenation of aromatics. J. Catal. 2008, 257, 125–133. [Google Scholar] [CrossRef]
- Wu, L.; Hensen, E.J. Comparison of mesoporous SSZ-13 and SAPO-34 zeolite catalysts for the methanol-to-olefins reaction. Catal. Today 2014, 235, 160–168. [Google Scholar] [CrossRef]
- Li, X.; Shen, W.; Zheng, A. The influence of acid strength and pore size effect on propene elimination reaction over zeolites: A theoretical study. Microporous Mesoporous Mater. 2019, 278, 121–129. [Google Scholar] [CrossRef]
- Janssen, A.H.; Schmidt, I.; Jacobsen, C.J.H.; Koster, A.J.; Jong, K.P.D. Exploratory study of mesopore templating with carbon during zeolite synthesis. Microporous Mesoporous Mater. 2003, 65, 59–75. [Google Scholar] [CrossRef] [Green Version]
- Xiao, F.S.; Wang, L.; Yin, C. Catalytic properties of hierarchical mesoporous zeolites templated with a mixture of small organic ammonium salts and mesoscale cationic polymers. Angew. Chem. Int. Ed. 2006, 45, 3090–3093. [Google Scholar] [CrossRef] [PubMed] [Green Version]
- Wardani, M.; Kadja, G.; Fajar, A.; Makertihartha, I.; Gunawan, M.; Suendo, V.; Mukti, R. Highly crystalline mesoporous SSZ-13 zeolite obtained via controlled post-synthetic treatment. RSC Adv. 2019, 9, 77–86. [Google Scholar] [CrossRef] [Green Version]
- Li, D.; Xing, B.; Wang, B.; Li, R. Activity and selectivity of methanol-to-olefin conversion over Zr-modified H-SAPO-34/H-ZSM-5 zeolites-A theoretical study. Fuel Process. Technol. 2020, 199, 106302. [Google Scholar] [CrossRef]








| Sample | SBET (m2·g−1) | Smic (m2·g−1) | Sext (m2·g−1) | Vmic (cm3·g−1) | Vmeso (cm3·g−1) |
|---|---|---|---|---|---|
| m(CC)/m(SiO2) = 0.07 | 419.18 | 410.64 | 8.54 | 0.16 | 0.02 |
| m(CC)/m(SiO2) = 0.14 | 641.71 | 636.06 | 5.65 | 0.24 | 0.04 |
| m(CC)/m(SiO2) = 0.32 | 583.62 | 569.04 | 14.57 | 0.21 | 0.03 |
| Samples | Weak Acid Site | Strong Acid Site | ||
|---|---|---|---|---|
| Temperature (°C) | Acidity (mmol/g) | Temperature (°C) | Acidity (mmol/g) | |
| m(CC)/m(SiO2) = 0.07 | 200 | 0.43 | 505 | 0.51 |
| m(CC)/m(SiO2) = 0.14 | 210 | 0.67 | 536 | 0.55 |
| m(CC)/m(SiO2) = 0.32 | 201 | 0.45 | 511 | 0.80 |
| Purchased SSZ-13 | 203 | 0.35 | 510 | 0.56 |
Publisher’s Note: MDPI stays neutral with regard to jurisdictional claims in published maps and institutional affiliations. |
© 2021 by the authors. Licensee MDPI, Basel, Switzerland. This article is an open access article distributed under the terms and conditions of the Creative Commons Attribution (CC BY) license (https://creativecommons.org/licenses/by/4.0/).
Share and Cite
Lin, X.; Yang, S.; Li, X.; Wang, C.; Wang, Y. Facile and Rapid Synthesis of Durable SSZ-13 Catalyst Using Choline Chloride Template for Methanol-to-Olefins Reaction. Catalysts 2021, 11, 1250. https://doi.org/10.3390/catal11101250
Lin X, Yang S, Li X, Wang C, Wang Y. Facile and Rapid Synthesis of Durable SSZ-13 Catalyst Using Choline Chloride Template for Methanol-to-Olefins Reaction. Catalysts. 2021; 11(10):1250. https://doi.org/10.3390/catal11101250
Chicago/Turabian StyleLin, Xiongchao, Sasha Yang, Xiaojia Li, Caihong Wang, and Yonggang Wang. 2021. "Facile and Rapid Synthesis of Durable SSZ-13 Catalyst Using Choline Chloride Template for Methanol-to-Olefins Reaction" Catalysts 11, no. 10: 1250. https://doi.org/10.3390/catal11101250
APA StyleLin, X., Yang, S., Li, X., Wang, C., & Wang, Y. (2021). Facile and Rapid Synthesis of Durable SSZ-13 Catalyst Using Choline Chloride Template for Methanol-to-Olefins Reaction. Catalysts, 11(10), 1250. https://doi.org/10.3390/catal11101250
