An Oval-Square Shaped Split Ring Resonator Based Left-Handed Metamaterial for Satellite Communications and Radar Applications
Abstract
:1. Introduction
2. Methodology
2.1. Unit Cell and Array Design
2.2. Numerical Simulation Method
2.3. Fabrication and Experimental Method
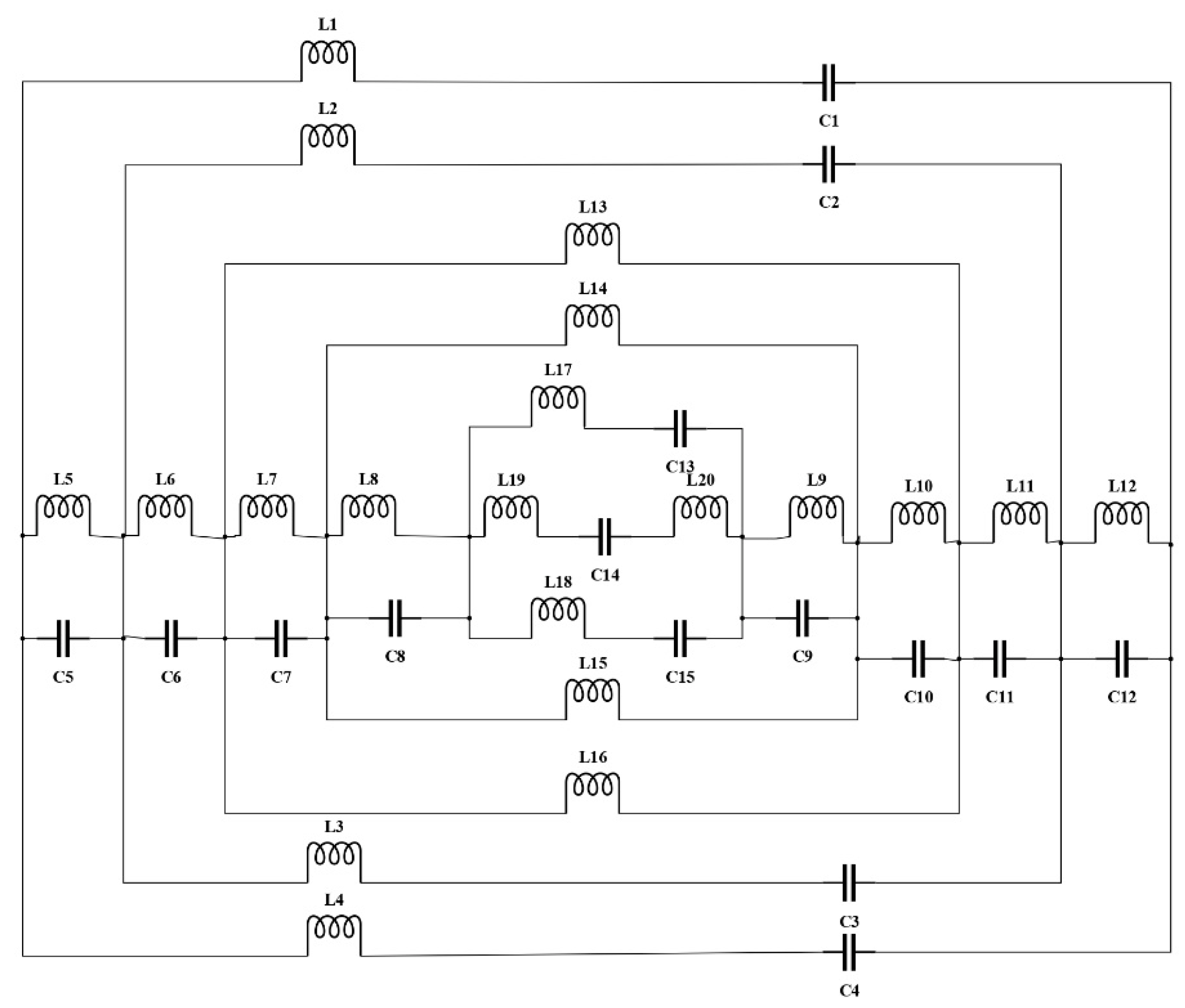
2.4. Equivalent Circuit of the Oval-Square SRR
3. Results and Discussion
3.1. Unit Cell Metamaterial Structure Analysis
3.2. The Analysis of Electromagnetic Field in Metamaterial
3.3. Array Metamaterial Structure
4. Parametric Study of the Oval-Square-Shaped SRR Structure
4.1. Different Type of the Substrate
4.2. The Design of Metamaterial Structure
5. Comparison with the Previous Studies
6. Conclusions
Author Contributions
Funding
Data Availability Statement
Conflicts of Interest
References
- Zheludev, N.I. Seeing The Future From The Past. Nat. Photonics 2019, 13, 221–222. [Google Scholar] [CrossRef]
- Askari, M.; Hutchins, D.A.; Thomas, P.J.; Astolfi, L.; Watson, R.L.; Abdi, M.; Ricci, M.; Laureti, S.; Nie, L.; Freear, S.; et al. Additive manufacturing of metamaterials: A review. Addit. Manuf. 2020, 36, 101562. [Google Scholar] [CrossRef]
- Duan, Z.; Tang, X.; Wang, Z.; Zhang, Y.; Chen, X.; Chen, M.; Gong, Y. Observation of the reversed Cherenkov radiation. Nat. Commun. 2017, 8, 4–10. [Google Scholar] [CrossRef] [PubMed]
- Buriak, I.A.; Zhurba, V.O.; Vorobjov, G.S.; Kulizhko, V.R.; Kononov, O.K.; Rybalko, O. Metamaterials: Theory, classification and application strategies (review). J. Nano-Electron. Phys. 2016, 8, 04088-1. [Google Scholar] [CrossRef]
- Mao, C.; Gao, S.; Member, S.; Wang, Y.; Member, S. Dual-Band Circularly Polarized Shared-Aperture Array for C-/X -Band Satellite Communications. IEEE Trans. Antennas Propag. 2017, 65, 5171–5178. [Google Scholar] [CrossRef]
- Beeharry, T. Broadband Radar Absorbers Based on Periodic Structures. In Proceedings of the 2018 IEEE Conference on Antenna Measurements & Applications (CAMA), Västerås, Sweden, 3–6 September 2018; pp. 1–4. [Google Scholar]
- Zhou, J.; Liu, X.; Zhang, H.; Liu, M.; Yi, Q.; Liu, Z.; Wang, J. Cross-Shaped Titanium Resonators Based Metasurface for Ultra-Broadband Solar Absorption. IEEE Photonics J. 2021, 13, 1–9. [Google Scholar] [CrossRef]
- Shin, D.; Kang, G.; Gupta, P.; Behera, S.; Lee, H.; Urbas, A.M.; Park, W.; Kim, K. Thermoplasmonic and Photothermal Metamaterials for Solar Energy Applications. Adv. Opt. Mater. 2018, 1800317, 1800317. [Google Scholar] [CrossRef]
- Mu, D.; Shu, H.; Zhao, L.; An, S. A Review of Research on Seismic Metamaterials. Adv. Eng. Mater. 2020, 22, 1901148. [Google Scholar] [CrossRef]
- Lv, J.; Zhou, M.; Gu, Q.; Jiang, X.; Ying, Y.; Si, G. Metamaterial lensing devices. Molecules 2019, 24, 2460. [Google Scholar] [CrossRef] [Green Version]
- Zhang, K.; Jack Soh, P.; Yan, S. Meta-wearable antennas-a review of metamaterial based antennas in wireless body area networks. Materials 2021, 14, 149. [Google Scholar] [CrossRef]
- Álvarez Hostos, J.C.; Fachinotti, V.D.; Peralta, I. Metamaterial for elastostatic cloaking under thermal gradients. Sci. Rep. 2019, 9, 1–9. [Google Scholar] [CrossRef] [Green Version]
- Ma, L.; Chen, D.; Zheng, W.; Li, J.; Zahra, S.; Liu, Y.; Zhou, Y.; Huang, Y.; Wen, G. Advanced Electromagnetic Metamaterials for Temperature Sensing Applications. Front. Phys. 2021, 9, 195. [Google Scholar] [CrossRef]
- Sureshkumar, S.; Anand, P.M.R.; Prajapati, A.; Sankaran, K.S. Negative Index Metamaterial Based Dual-Band Microwave Absorber. In Proceedings of the 2018 International Conference on Communication and Signal Processing (ICCSP), Chennai, India, 3–5 April 2018; pp. 897–900. [Google Scholar] [CrossRef]
- Abouelnaga, T.G.; Tayel, M.B.; Desouky, A.F. High Gain UWB Four Elements Antenna Array for C-Band and X-Band Application. Open J. Antennas Propag. 2020, 8, 19–29. [Google Scholar] [CrossRef]
- Jairath, K.; Singh, N.; Jagota, V.; Shabaz, M. Compact Ultrawide Band Metamaterial-Inspired Split Ring Resonator Structure Loaded Band Notched Antenna. Math. Probl. Eng. 2021, 2021, 12. [Google Scholar] [CrossRef]
- Ali, H.O.; Al-Hindawi, A.M.; Abdulkarim, Y.I.; Nugoolcharoenlap, E.; Tippo, T.; Alkurt, F.Ö.; Altıntaş, O.; Karaaslan, M. Simulated and Experimental Studies of Multi-band Symmetric Metamaterial Absorber with Polarization Independent for Radar Applications. Chinese Phys. B 2021, 12, 338–359. [Google Scholar] [CrossRef]
- Li, S.; Yu, W.; Elsherbeni, A.Z.; Li, W.; Mao, Y. A Novel Dual-Band Left-Handed Metamaterial Design Method. Int. J. Antennas Propag. 2017, 2017, 8920409. [Google Scholar] [CrossRef] [Green Version]
- Smith, K.L.; Adams, R.S. Spherical Spiral Metamaterial Unit Cell for Negative Permeability and Negative Permittivity. IEE Trans. Atennas Propag. 2018, 66, 6425–6428. [Google Scholar] [CrossRef]
- Singh, H.; Sohi, B.S.; Gupta, A. A compact CRLH metamaterial with wide band negative index. Bull. Mater. Sci. 2019, 42, 1–11. [Google Scholar] [CrossRef] [Green Version]
- He, Z.; Jin, J.; Zhang, Y.; Duan, Y. Design of A Two-Dimensional “T” Shaped Metamaterial with Wideband, Low Loss. IEEE Trans. Appl. Supercond. 2019, 29, 1–4. [Google Scholar] [CrossRef]
- Faruque, M.R.I.; Rahman, M.; Hasan, M.M.; Tamim, A.M.; Idrus, I.N.; Islam, M.T.; Discipline, C. Architecture of left-handed metamaterial absorber for absorbing electromagnetic hazards. J. Optoelectron. Adv. Mater. 2020, 22, 495–500. [Google Scholar]
- Hossain, K.; Sabapathy, T.; Jusoh, M.; Soh, P.J.; Jamaluddin, M.H.; Al-Bawri, S.S.; Osman, M.N.; Ahmad, R.B.; Rahim, H.A.; Yasin, M.N.M.; et al. Electrically tunable left-handed textile metamaterial for microwave applications. Materials 2021, 14, 1274. [Google Scholar] [CrossRef] [PubMed]
- Dong, Y.; Li, W.; Yang, X.; Yao, C.; Tang, H. Design of unit cell for metamaterials applied in a wireless power transfer system. In Proceedings of the 2017 IEEE PELS Workshop on Emerging Technologies: Wireless Power Transfer (WoW), Chongqing, China, 20–22 May 2017; pp. 143–147. [Google Scholar] [CrossRef]
- Islam, S.S.; Faruque, M.R.I.; Islam, M.T.; Ali, M. A new wideband negative refractive index metamaterial for dual- band operation. Appl. Phys. A Mater. Sci. Process. 2017, 252, 1–5. [Google Scholar] [CrossRef]
- Kaur, K.P.; Upadhyaya, T.; Palandoken, M. Dual-band compact metamaterial-inspired absorber with wide incidence angle and polarization insensitivity for GSM and ISM band applications. Radioengineering 2018, 27, 1025–1031. [Google Scholar] [CrossRef]
- John Paul, J.; Shoba Rekh, A. A dual band symmetric E-shaped split ring metamaterial absorber for RF energy harvesting. Int. J. Recent Technol. Eng. 2019, 8, 3571–3574. [Google Scholar] [CrossRef]
- Ramachandran, T.; Faruque, M.R.I.; Eistiak, A. Composite circular split ring resonator (CSRR) -based left-handed metamaterial for C- and Ku-band application. Results Phys. 2019, 14, 102435. [Google Scholar] [CrossRef]
- Sifat, R.; Faruque, M.R.I.; Ahmed, E.; Islam, M.T.; Khandaker, M.U. Electric field controlled cohesive symmetric hook-C shape inspired metamaterial for S-band application. Chinese J. Phys. 2020, 68, 28–38. [Google Scholar] [CrossRef]
- Abdulkarim, Y.I.; Dalgaç, Ş.; Alkurt, F.O.; Muhammadsharif, F.F.; Awl, H.N.; Saeed, S.R.; Altıntaş, O.; Li, C.; Bakır, M.; Karaaslan, M.; et al. Utilization of a triple hexagonal split ring resonator (SRR) based metamaterial sensor for the improved detection of fuel adulteration. J. Mater. Sci. Mater. Electron. 2021, 32, 24258–24272. [Google Scholar] [CrossRef]
- Chen, X.; Grzegorczyk, T.M.; Wu, B.; Pacheco, J.; Kong, J.A. Robust method to retrieve the constitutive effective parameters of metamaterials. Phys. Rev. E 2004, 70, 016608. [Google Scholar] [CrossRef] [Green Version]
- Bait-suwailam, M.M. Electromagnetic Field Interaction with Metamaterials. In Electromagnetic Fields and Waves; IntechOpen: London, UK, 2019; pp. 1–19. [Google Scholar]
- Islam, S.S.; Faruque, M.R.I.; Islam, M.T. An Object-Independent ENZ Metamaterial-Based Wideband Electromagnetic Cloak. Sci. Rep. 2016, 6, 2–11. [Google Scholar] [CrossRef] [Green Version]
- Hasan, M.M.; Faruque, M.R.I.; Islam, M.T. Parametric studies on split S-shaped composite meta atom for X-band communication. Bull. Pol. Acad. Sci. Tech. Sci. 2017, 65, 2–8. [Google Scholar] [CrossRef] [Green Version]
- Faruque, M.R.I.; Ahamed, E.; Rahman, M.A.; Islam, M.T. Flexible nickel aluminate (NiAl2O4) based dual-band double negative metamaterial for microwave applications. Results Phys. 2019, 14, 102524. [Google Scholar] [CrossRef]
- Hossain, M.J.; Faruque, M.R.I.; Islam, M.T. A new double T-U-shaped biaxial compact for multiband applications. Microw. Opt. Technol. Lett. 2017, 59, 2551–2557. [Google Scholar] [CrossRef]













| Parameters | Dimensions, mm | 
|---|---|
| 0.508 | |
| and | 9.00 | 
| a and b | 8.00 | 
| c and d | 6.40 | 
| , and | 0.50 | 
| and | 0.30 | 
| 0.20 | 
| Substrate | Thickness | Dielectric Constant | Tangent Loss | 
|---|---|---|---|
| FR-4 | 1.6 | 4.3 | 0.025 | 
| Rogers RO4003C | 0.508 | 3.55 | 0.027 | 
| Rogers RT5870 | 1.575 | 2.33 | 0.0012 | 
| Rogers RT5880 | 1.575 | 2.2 | 0.0009 | 
| Substrate | Frequency Band | Frequency Range, GHz | Magnitude, dB | |
|---|---|---|---|---|
| FR-4 | C-band | 4.72 | 4.09–5.12 | −29.38 | 
| Rogers RO4003C | C- and X-band | 5.52, 8.81 | 4.98–5.92, 8.76–8.86 | −43.03, −17.19 | 
| Rogers RT5870 | C- and X-band | 5.84, 9.77 | 5.27–6.28, 9.72–9.80 | −42.76, −18.15 | 
| Rogers RT5880 | C- and X-band | 5.99, 10.03 | 5.4–6.42, 9.98–10.07 | −44.05, −18.35 | 
| References | Dimension of Unit Cell Structure (mm2) | Dimension of Array Structure (mm2) | Frequency Band (GHz) | Characteristic | Type of Substrate | 
|---|---|---|---|---|---|
| Islam et al. [33] | 10 × 10 | - | C-band | Epsilon-near-zero (ENZ) | FR-4 | 
| Hossain et al. [36] | 10.5 × 11 | 55 × 42.5 | L, C and Ku-bands | DNG | FR-4 | 
| Hasan et al. [34] | 10 × 10 | - | X-band | DNG | FR-4 | 
| Faruque et al. [35] | 12.5 × 10 | 25 × 20 | X-band | DNG | Nickel aluminate | 
| Proposed design | 9 × 9 | 36 × 36 | C and X-bands | Left-handed | Rogers RO4003C | 
| Publisher’s Note: MDPI stays neutral with regard to jurisdictional claims in published maps and institutional affiliations. | 
© 2022 by the authors. Licensee MDPI, Basel, Switzerland. This article is an open access article distributed under the terms and conditions of the Creative Commons Attribution (CC BY) license (https://creativecommons.org/licenses/by/4.0/).
Share and Cite
Idrus, I.N.; Faruque, M.R.I.; Abdullah, S.; Khandaker, M.U.; Tamam, N.; Sulieman, A. An Oval-Square Shaped Split Ring Resonator Based Left-Handed Metamaterial for Satellite Communications and Radar Applications. Micromachines 2022, 13, 578. https://doi.org/10.3390/mi13040578
Idrus IN, Faruque MRI, Abdullah S, Khandaker MU, Tamam N, Sulieman A. An Oval-Square Shaped Split Ring Resonator Based Left-Handed Metamaterial for Satellite Communications and Radar Applications. Micromachines. 2022; 13(4):578. https://doi.org/10.3390/mi13040578
Chicago/Turabian StyleIdrus, Ismatul Nisak, Mohammad Rashed Iqbal Faruque, Sabirin Abdullah, Mayeen Uddin Khandaker, Nissren Tamam, and Abdelmoneim Sulieman. 2022. "An Oval-Square Shaped Split Ring Resonator Based Left-Handed Metamaterial for Satellite Communications and Radar Applications" Micromachines 13, no. 4: 578. https://doi.org/10.3390/mi13040578
APA StyleIdrus, I. N., Faruque, M. R. I., Abdullah, S., Khandaker, M. U., Tamam, N., & Sulieman, A. (2022). An Oval-Square Shaped Split Ring Resonator Based Left-Handed Metamaterial for Satellite Communications and Radar Applications. Micromachines, 13(4), 578. https://doi.org/10.3390/mi13040578
 
         
                                                



 
       