Design and Locomotion Study of Stick-Slip Piezoelectric Actuator Using Two-Stage Flexible Hinge Structure
Abstract
1. Introduction
2. Composition and Operating Principle
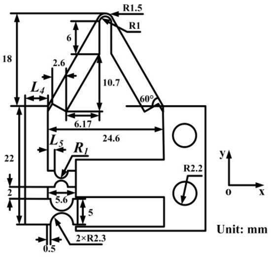
2.1. Composition
2.2. Operating Principle
2.3. Force Analysis
3. Simulation Analysis
4. Performance Analysis
5. Conclusions
Author Contributions
Funding
Institutional Review Board Statement
Informed Consent Statement
Data Availability Statement
Conflicts of Interest
References
- Wang, R.; Hu, Y.; Shen, D.; Ma, J.; Wen, J. A Novel Piezoelectric Inchworm Actuator Driven by One Channel Direct Current Signal. IEEE Trans. Ind. Electron. 2021, 68, 2015–2023. [Google Scholar] [CrossRef]
- Li, J.; Huang, H.; Zhao, H. A Piezoelectric-Driven Linear Actuator by Means of Coupling Motion. IEEE Trans. Ind. Electron. 2018, 65, 2458–2466. [Google Scholar] [CrossRef]
- Liu, Y.; Yang, X.; Chen, W.; Xu, D. A Bonded-Type Piezoelectric Actuator Using the First and Second Bending Vibration Modes. IEEE Trans. Ind. Electron. 2016, 63, 1676–1683. [Google Scholar] [CrossRef]
- Lu, X.; Gao, Q.; Li, Y.; Yu, Y.; Zhang, X.; Qiao, G.; Cheng, T. A Linear Piezoelectric Stick-Slip Actuator via Triangular Displacement Amplification Mechanism. IEEE Access 2020, 8, 6515–6522. [Google Scholar] [CrossRef]
- Hariri, H.; Bernard, Y.; Razek, A. Dual piezoelectric beam robot: The effect of piezoelectric patches’ positions. J. Intell. Mater. Syst. Struct. 2014, 26, 2577–2590. [Google Scholar] [CrossRef]
- Hariri, H.H.; Soh, G.S.; Foong, S.; Wood, K. Locomotion Study of a Standing Wave Driven Piezoelectric Miniature Robot for Bi-Directional Motion. IEEE Trans. Robot. 2017, 33, 742–747. [Google Scholar] [CrossRef]
- Su, Q.; Quan, Q.; Deng, J.; Yu, H. A Quadruped Micro-Robot Based on Piezoelectric Driving. Sensors 2018, 18, 810. [Google Scholar] [CrossRef]
- Nguyen, T.H.; Giraud-Audine, C.; Lemaire-Semail, B.; Abba, G.; Bigot, R. Modelling of piezoelectric actuators used in forging processes: Principles and experimental validation. In Proceedings of the 2012 XXth International Conference on Electrical Machines, Marseille, France, 2–5 September 2012; pp. 709–714. [Google Scholar]
- Zhang, Q.; Chen, W.; Liu, Y.; Liu, J.; Jiang, Q. A Frog-Shaped Linear Piezoelectric Actuator Using First-Order Longitudinal Vibration Mode. IEEE Trans. Ind. Electron. 2016, 64, 2188–2195. [Google Scholar] [CrossRef]
- Zhang, Y.; Wang, M.; Fan, Y.; Lu, T.-F.; Cheng, Y.; Peng, Y. Improving load capacity of stick-slip actuators in both driving directions via a shared driving foot. Smart Mater. Struct. 2019, 28, 065004. [Google Scholar] [CrossRef]
- Cheng, T.; He, M.; Li, H.; Lu, X.; Zhao, H.; Gao, H. A Novel Trapezoid-Type Stick–Slip Piezoelectric Linear Actuator Using Right Circular Flexure Hinge Mechanism. IEEE Trans. Ind. Electron. 2017, 64, 5545–5552. [Google Scholar] [CrossRef]
- Li, J.; Zhou, X.; Zhao, H.; Shao, M.; Hou, P.; Xu, X. Design and experimental performances of a piezoelectric linear actuator by means of lateral motion. Smart Mater. Struct. 2015, 24, 065007. [Google Scholar] [CrossRef]
- Li, J.; Zhou, X.; Zhao, H.; Shao, M.; Li, N.; Zhang, S.; Du, Y. Development of a Novel Parasitic-Type Piezoelectric Actuator. IEEE/ASME Trans. Mechatron. 2016, 22, 541–550. [Google Scholar] [CrossRef]
- Liu, Y.; Liu, Y.; Zhao, L.; Xu, D.; Chen, W.; Deng, J. Design and Experiments of a Single-Foot Linear Piezoelectric Actuator Operated in a Stepping Mode. IEEE Trans. Ind. Electron. 2018, 65, 8063–8071. [Google Scholar] [CrossRef]
- Xu, Q. Design and Development of a Flexure-Based Dual-Stage Nanopositioning System With Minimum Interference Behavior. IEEE Trans. Autom. Sci. Eng. 2012, 9, 554–563. [Google Scholar] [CrossRef]
- Liu, Y.; Deng, J.; Su, Q. Review on Multi-Degree-of-Freedom Piezoelectric Motion Stage. IEEE Access 2018, 6, 59986–60004. [Google Scholar] [CrossRef]
- Li, Z.; Wang, Z.; Guo, P.; Zhao, L.; Wang, Q. A ball-type multi-DOF ultrasonic motor with three embedded traveling wave stators. Sens. Actuators A Phys. 2020, 313, 112161. [Google Scholar] [CrossRef]
- Liu, Y.; Chen, W.; Yang, X.; Liu, J. A Rotary Piezoelectric Actuator Using the Third and Fourth Bending Vibration Modes. IEEE Trans. Ind. Electron. 2013, 61, 4366–4373. [Google Scholar] [CrossRef]
- Tian, X.; Quan, Q.; Wang, L.; Su, Q. An Inchworm Type Piezoelectric Actuator Working in Resonant State. IEEE Access 2018, 6, 18975–18983. [Google Scholar] [CrossRef]
- Yao, J.; Cai, J.; Hu, Y.; Wen, J.; Wan, N.; Wang, H.; Li, J. An Umbrella-Shaped Linear Piezoelectric Actuator Based on Stick-Slip Motion Principle. IEEE Access 2019, 7, 157724–157729. [Google Scholar] [CrossRef]
- Li, P.-Z.; Zhang, D.-F.; Lennox, B.; Arvin, F. A 3-DOF piezoelectric driven nanopositioner: Design, control and experiment. Mech. Syst. Signal Process. 2021, 155, 107603. [Google Scholar] [CrossRef]
- Li, P.-Z.; Zhang, D.; Hu, J.-Y.; Lennox, B.; Arvin, F. Hysteresis Modelling and Feedforward Control of Piezoelectric Actuator Based on Simplified Interval Type-2 Fuzzy System. Sensors 2020, 20, 2587. [Google Scholar] [CrossRef]
- Zhang, Y.; Peng, Y.; Sun, Z.; Yu, H. A Novel Stick–Slip Piezoelectric Actuator Based on a Triangular Compliant Driving Mechanism. IEEE Trans. Ind. Electron. 2019, 66, 5374–5382. [Google Scholar] [CrossRef]
- Li, P.-Z.; Wang, X.-D.; Zhao, L.; Zhang, D.-F.; Guo, K. Dynamic linear modeling, identification and precise control of a walking piezo-actuated stage. Mech. Syst. Signal Process. 2019, 128, 141–152. [Google Scholar] [CrossRef]
- Huang, W.; Sun, M. Design, Analysis, and Experiment on a Novel Stick-Slip Piezoelectric Actuator with a Lever Mechanism. Micromachines 2019, 10, 863. [Google Scholar] [CrossRef] [PubMed]
- Ye, Z.; Zhou, C.; Jin, J.; Yu, P.; Wang, F. A novel ring-beam piezoelectric actuator for small-size and high-precision manipulator. Ultrason 2019, 96, 90–95. [Google Scholar] [CrossRef] [PubMed]
- Xu, W.; King, T. Flexure hinges for piezoactuator displacement amplifiers: Flexibility, accuracy, and stress considerations. Precis. Eng. 1996, 19, 4–10. [Google Scholar] [CrossRef]
- Li, Z.; Zhao, L.; Yu, X. A novel stick-slip piezoelectric actuator based on two-stage flexible hinge structure. Rev. Sci. Instrum. 2020, 91, 055006. [Google Scholar] [CrossRef] [PubMed]















| Materials | Elasticity Modulus N/m2 | Poisson’s Ratio | Density kg/m3 |
|---|---|---|---|
| Constructional steel | 2 × 1011 | 0.3 | 7850 |
| Spring steel 65Mn | 2.26 × 1011 | 0.3 | 7810 |
| Alloy Al7075 | 7.17 × 1010 | 0.33 | 2810 |
| Lever Width L4/mm | Contact Area Clamping Force Foy/N | Horizontal Displacement of Lever Side Surface L1/µm | Horizontal Displacement of Lever Top L2/µm | Horizontal Displacement of Slider L3/µm |
|---|---|---|---|---|
| 3.5 | 1000 | 100 | 153 | 103 |
| 4.0 | 1008 | 120 | 162 | 104 |
| 4.5 | 1015 | 121 | 174 | 106 |
| 5.0 | 1003 | 105 | 163 | 103 |
| 5.5 | 999 | 92 | 160 | 101 |
| Distance Between Hinge and Lever L5/mm | Contact Area Clamping Force Foy/N | Horizontal Displacement of Lever Side Surface L1/µm | Horizontal Displacement of Lever Top L2/µm | Horizontal Displacement of Slider L3/µm |
|---|---|---|---|---|
| 2.0 | 1015 | 121 | 174 | 106 |
| 1.5 | 1045 | 137 | 190 | 109 |
| 1.0 | 1078 | 146 | 212 | 114 |
| 0.5 | 1110 | 160 | 232 | 117 |
| 0.0 | 1152 | 178 | 263 | 125 |
| Hinge Radius R1/mm | Contact Area Vlamping Force Foy/N | Horizontal Displacement of Lever Side Surface L1/µm | Horizontal Displacement of Lever Top L2/µm | Horizontal Displacement of Slider L3/µm |
|---|---|---|---|---|
| 1.20 | 1152 | 178 | 263 | 125 |
| 1.25 | 1170 | 180 | 273 | 129 |
| 1.30 | 1181 | 194 | 280 | 132 |
| 1.35 | 1194 | 201 | 287 | 139 |
| 1.40 | 1201 | 209 | 291 | 142 |
| Type of the PEA | Voltage (Vp-p) | Frequency (kHz) | Free-Load Velocity (mm/s) | Maximum Load (kg) |
|---|---|---|---|---|
| The PEA using a two-stage flexure hinge structure | 150 | 3.25 | 338 | 3 |
Publisher’s Note: MDPI stays neutral with regard to jurisdictional claims in published maps and institutional affiliations. |
© 2021 by the authors. Licensee MDPI, Basel, Switzerland. This article is an open access article distributed under the terms and conditions of the Creative Commons Attribution (CC BY) license (http://creativecommons.org/licenses/by/4.0/).
Share and Cite
Li, Z.; Su, Z.; Zhao, L.; Han, H.; Guo, Z.; Zhao, Y.; Sun, H. Design and Locomotion Study of Stick-Slip Piezoelectric Actuator Using Two-Stage Flexible Hinge Structure. Micromachines 2021, 12, 154. https://doi.org/10.3390/mi12020154
Li Z, Su Z, Zhao L, Han H, Guo Z, Zhao Y, Sun H. Design and Locomotion Study of Stick-Slip Piezoelectric Actuator Using Two-Stage Flexible Hinge Structure. Micromachines. 2021; 12(2):154. https://doi.org/10.3390/mi12020154
Chicago/Turabian StyleLi, Zheng, Zhirong Su, Liang Zhao, Haitao Han, Zhanyu Guo, Yuyang Zhao, and Hexu Sun. 2021. "Design and Locomotion Study of Stick-Slip Piezoelectric Actuator Using Two-Stage Flexible Hinge Structure" Micromachines 12, no. 2: 154. https://doi.org/10.3390/mi12020154
APA StyleLi, Z., Su, Z., Zhao, L., Han, H., Guo, Z., Zhao, Y., & Sun, H. (2021). Design and Locomotion Study of Stick-Slip Piezoelectric Actuator Using Two-Stage Flexible Hinge Structure. Micromachines, 12(2), 154. https://doi.org/10.3390/mi12020154

