Abstract
Natural disasters are increasing in frequency and intensity, causing escalating humanitarian crises and complex housing challenges globally. Traditional post-disaster housing solutions often fall short, being slow, costly, and ill-adapted to specific community needs. This study addresses these limitations by proposing an innovative, technology-driven model for post-disaster housing that integrates parametric design with 3D printing. The objective is to develop a flexible and adaptable system capable of providing both immediate temporary shelter and evolving permanent housing solutions. In this study, the methodology of the proposed model for post-disaster housing solutions is structured around three main phases: the development of the theoretical framework, the parametric design process, and the implementation phase. In the first phase, a comprehensive literature review and conceptual analyses were conducted to examine the concept of disaster, post-disaster housing approaches, and advanced technologies, thereby establishing the conceptual foundation of the model. In the second phase, parametric modeling was carried out for a modular system using algorithmic design tools such as Grasshopper; the model’s applicability across various scales and its flexibility were analyzed. In the final phase, material selection and digital prototyping of the gridal system were undertaken using 3D printing technology to evaluate the model’s feasibility for rapid on-site production, assembly, and disassembly. The model prioritizes user participation, modularity, and configurability to ensure rapid response and socio-cultural sensitivity. Findings indicate that this integrated approach offers substantial benefits, including accelerated construction, reduced labor and material waste, enhanced design flexibility, and the use of local, sustainable materials. This research highlights the transformative potential of advanced manufacturing in providing resilient, user-centered, and environmentally sustainable post-disaster housing, advocating for governmental financial support to overcome adoption barriers and foster broader implementation.
1. Introduction
Natural disasters inflict profound and escalating damage on communities worldwide, resulting in substantial loss of life and property, and creating urgent, complex housing crises [1]. Recent data from the World Bank (2024) corroborates a significant rise in the socioeconomic repercussions of these events [2]. In 2022 alone, an estimated 186 million individuals were affected globally, with particularly high concentrations in Central Africa (34.56 million), West Africa (32.26 million), East Africa (30.55 million), North Africa (13.20 million), and Southeast Asia (12.72 million) [3]. Earthquakes, in particular, have been devastating. Over the past two decades, they have accounted for approximately 1.5 million fatalities and an estimated $3.5 trillion in global economic losses, according to the Emergency Events Database (EM-DAT). Reconstructing housing in earthquake-affected regions demands substantial resources and protracted timelines [4]. The Federal Emergency Management Agency (FEMA) reports that permanent housing reconstruction post-earthquake can extend up to five years, with even longer durations observed in developing nations [3]. For instance, millions of homes were severely damaged in major events in India (2004), Chile (2010), Nepal (2015), and Indonesia (2019) [5]. Notably, the 1999 Marmara Earthquake in Turkey damaged 66,441 homes, a figure dwarfed by the approximately 830,000 dwellings impacted by the 2023 Kahramanmaraş Earthquake [5]. These statistics starkly highlight the immense impact of disasters on the built environment and the inherent complexities of recovery and reconstruction efforts. Over the past century, there has been a demonstrable increase in both the frequency and intensity of natural disasters. Annual disaster reports averaged 56 in the 1960s, a figure that dramatically surged to 363 between 2012 and 2022 [6]. This escalation is strongly correlated with climate change, global population growth, and the expansion of human settlements into vulnerable coastal areas. An analysis of the same dataset indicates that floods (39%) and storms (31%) were the most prevalent disaster types globally between 1900 and 2022 [6]. This intensifying trend underscores the critical need for innovative and resilient housing solutions to safeguard communities against future catastrophic events.
Disasters inflict profound and multifaceted damage on the built environment and communities, encompassing both tangible material losses and severe emotional distress. The urgency of addressing such impacts, particularly earthquake-induced losses, was a key point of discussion at the COP27 Conference [4]. This urgency is further underscored by international human rights frameworks, specifically Article 11 of both the Universal Declaration of Human Rights and the International Covenant on Economic, Social, and Cultural Rights, which affirms the right to an adequate standard of living, including housing [7]. In the context of post-disaster recovery, it is crucial to differentiate between “shelter” and “housing.” As defined by Quarantelli [8] and Johnson [9], shelter provides immediate, short-term safety and survival, whereas housing represents a comprehensive, long-term living solution that integrates physical, social, and economic infrastructure essential for daily life. Following events such as earthquakes, floods, hurricanes, and volcanic eruptions, the immediate and critical need for safe, healthy, and sustainable housing becomes paramount [2].
Effective post-disaster recovery hinges on developing adaptable housing systems that provide seamless transitions from temporary shelters to permanent residences [10,11]. Traditional “one-size-fits-all” approaches prove inadequate for diverse post-disaster contexts, underscoring the critical need for innovative, technology-driven design methodologies [1,12]. The ongoing digital transformation within the construction industry, specifically the integration of technologies like 3D printing and parametric design, is revolutionizing the development of flexible, rapidly deployable, and sustainable shelter solutions [10]. Three-dimensional printing facilitates the high-precision and rapid production of complex structures, offering significant advantages for both temporary and permanent housing needs [1,12]. This technology is further enhanced by its compatibility with local materials and its alignment with environmental sustainability principles, such as achieving low carbon footprints. For instance, post-earthquake structures in Haiti, fabricated using 3D printing, demonstrated a remarkable 50% cost reduction compared to conventional construction methods, alongside expedited deployment [10]. Concurrently, parametric design emerges as an indispensable tool for post-disaster housing due to its capacity to create structures precisely tailored to user needs and adaptable to diverse environmental conditions [1]. Its inherent flexibility and adaptability enable the provision of highly effective spatial solutions that are closely aligned with the specific requirements of affected populations.
Recent research consistently highlights the transformative potential of 3D printing in both disaster management and the provision of sustainable housing solutions. A key advantage of this technology is its capacity for rapid, localized construction, which significantly reduces material waste and offers increased design flexibility. These attributes are particularly vital for addressing the urgent needs of displaced populations in the aftermath of natural disasters and for mitigating the broader impacts of climate change-related emergencies. Studies by Subramanya and Kermanshachi [10] as well as Waheed and Wahhab [13] have explored the feasibility of 3D-printed housing as temporary and sustainable post-disaster shelters, respectively. Similarly, Rodríguez-Espíndola and Beltagui [14] were early in identifying 3D printing’s potential to resolve operational challenges in disaster management, a theme further developed by Kantaros et al. [1] who integrated it into smart city disaster resilience strategies. Van den Bergh et al. [15] emphasized the ability of Material Extrusion 3D Printing (ME3DP) to deliver climate-resilient housing for low-income communities, while also pointing out critical success factors like social acceptance and the necessity of local expertise. Mistry et al. [16] underscored the substantial benefits of 3D printing, including faster construction times, less material waste, and greater design adaptability. Furthermore, Khan et al. [17] argued that 3D printing can overcome traditional aid logistics by providing swift, localized solutions with fewer resources. Bazli et al. [18] also explored its potential to accelerate construction and reduce costs in remote areas, and Foley [19] investigated its specific applicability in US disaster relief. Collectively, these studies demonstrate that 3D printing offers a highly promising and efficient pathway toward more sustainable and resilient responses to both housing crises and disaster-related challenges.
However, current temporary shelter strategies often prove inadequate for the long-term needs of displaced populations, frequently eroding their sense of spatial belonging and social cohesion [3]. Deficiencies in both the structural and administrative aspects of meeting post-disaster housing demand significantly impede comprehensive recovery processes [2]. Existing housing solutions typically suffer from high production costs, protracted planning and construction timelines, limited flexibility, poor environmental sustainability, and a lack of sensitivity to local needs [1]. This highlights a pressing and unmet demand for low-cost, rapidly deployable, flexible, and durable housing solutions that are specifically tailored to the unique cultural, climatic, and geographical conditions of post-disaster contexts [12]. Addressing this critical need is paramount for fostering resilient communities and ensuring the long-term well-being of disaster-affected populations. While conventional post-disaster housing strategies encompass collective shelters, temporary settlements, rent-assistance programs, and the repair of existing structures, there remains a notable gap in integrated approaches that consider the design of temporary post-disaster housing with opportunities for eventual permanent utilization. Furthermore, the significant potential of advanced technologies in the design of post-disaster housing remains largely underutilized. Specifically, there is a clear absence of design methodologies for post-disaster housing that leverage flexible strategies and advanced technologies for temporary use with an eye toward permanent residency.
This study proposes an innovative, holistic, and technology-driven model aiming to address the fundamental shortcomings of traditional post-disaster shelter solutions. In existing conventional systems, the design process is typically executed through a centralized approach, with limited direct user participation in post-disaster settlement and shelter planning. This hinders the development of sensitive and flexible solutions tailored to the unique needs of disaster victims. In centralized systems, decision-making and design processes are external, leaving users in a passive role only during the implementation phase; this often results in an incomplete fulfillment of social, cultural, and spatial requirements. The proposed model integrates parametric design and 3D printing technologies, enabling direct user involvement in the design process. Thanks to the flexible and modular nature of parametric design, users can actively participate in shelter design, customizing and dynamically adapting the design to their own needs, environmental conditions, and cultural characteristics. This process aligns with participatory design principles and creates an adaptive system capable of meeting rapid post-disaster response requirements while also evolving into long-term, permanent solutions.
The speed, on-site production capability, and material optimization provided by 3D printing technology facilitate the prototyping and implementation of this user-centered design approach. Consequently, prototypes developed with active user participation in disaster-stricken areas can be rapidly and flexibly improved in terms of both geometric form and functionality. The integrated use of parametric design and 3D printing enables a more democratic, inclusive, and sustainable design and implementation process, in contrast to the top-down approaches observed in traditional shelter models.
2. General Concepts
2.1. Understanding Disasters
Disasters, whether originating from natural phenomena or anthropogenic activities, represent severe disruptions that inflict extensive damage across societal, economic, and environmental systems. Natural disasters, such as earthquakes, tsunamis, and hurricanes, typically arise from geological or meteorological processes involving the rapid release of energy within the Earth’s crust or atmosphere, or from large-scale oceanic displacements. Conversely, anthropogenic disasters, including industrial accidents, widespread pollution, nuclear incidents, and armed conflicts, stem from human actions or systemic failures and often involve complex socio-technical processes with profound impacts on societal structures. The inherent unpredictability and multi-dimensional consequences of these events necessitate not only highly efficient emergency response mechanisms but also robust social resilience and comprehensive long-term recovery frameworks. The classification and societal perception of disasters are dynamic and subject to evolution [20]. Generally, disasters can be broadly categorized into two primary types based on their underlying causation:
- I.
- Anthropogenic disasters (man-made) are direct or indirect consequences of human activities, leading to casualties, property destruction, environmental degradation, and societal disruption [21]. These events often arise from human error, negligence, deliberate actions, or technological malfunctions. They can be further categorized as intentional or unintentional. Intentional anthropogenic disasters include warfare, terrorist attacks, and social conflicts [21,22], while unintentional ones encompass events such as nuclear accidents, toxic emissions, dam failures, environmental pollution, and cyberattacks [23]. These disasters can result in substantial human and material losses, significant environmental and socioeconomic damage, and profound disruptions to societal stability [24]. A critical distinction is that, unlike natural disasters, anthropogenic disasters are frequently preventable or their impacts can be substantially mitigated [21].
- II.
- Natural disasters are abrupt and unforeseen occurrences stemming from natural processes that impact physical and social structures across extensive geographical areas [25,26]. They are the result of geological, meteorological, hydrometeorological, and biological hazards that adversely affect human settlements. Common consequences include widespread fatalities, injuries, and damage to livelihoods [27]. Examples include earthquakes, floods, droughts, wildfires, storms, landslides, and tsunamis [23]. These events are characterized by their concentrated spatial and temporal impact, often exceeding societal preparedness measures [28].
2.2. Post-Disaster Housing
Disasters, whether natural or anthropogenic, routinely displace populations, creating an urgent demand for rapid, cost-effective, and sustainable post-disaster housing solutions. Such events are characterized by their sudden onset and the immediate need for intervention. As Barakat [29] and Félix et al. [30] highlight, disasters profoundly disrupt the built environment and urban infrastructure. In these critical situations, the immediate priorities are establishing emergency gathering spaces for safety and creating temporary shelter areas to stabilize conditions and ensure basic living provisions [31]. These temporary settlements serve as interim housing until permanent reconstruction can occur. They commonly utilize prefabricated components to facilitate swift deployment, thereby providing rapid access to secure living environments for affected individuals. The design of these units must prioritize accessibility for vulnerable populations, including the elderly and those with disabilities, and incorporate durable, environmentally friendly materials. Beyond mere physical shelter, post-disaster housing is instrumental in mitigating the physical, social, and economic consequences of disasters and plays a vital role in community reconstruction. The strategies for providing post-disaster housing can be categorized as follows:
- ▪
- Emergency shelters provide immediate, short-term protection following sudden-onset disasters like earthquakes [8,32]. Designed for rapid deployment, these portable structures—typically tents or pneumatic systems—address urgent needs such as safety, warmth, and basic survival until more stable housing options become available [8,33,34].
- ▪
- Temporary shelters address medium-term needs and often include tents, prefabricated units, or containers [35]. They serve displaced populations for six months to three years, offering basic services such as sanitation, food, and medical support, with flexibility and structural adaptability for varying conditions [30,33,36].
- ▪
- Transitional housing bridges temporary shelters and permanent homes, typically used for six months to three years [35]. It includes mobile or prefabricated units with essential domestic spaces [37,38]. Designed for affordability and rapid assembly, it fosters community reintegration and supports recovery efforts post-disaster [35,36,39,40].
- ▪
- Permanent housing delivers long-term, resilient solutions post-disaster [41], requiring infrastructure investment and strategic planning [37]. Funded by governments or NGOs, it promotes psychological stability, economic recovery, and community rebuilding [6]. Its design emphasizes sustainability, disaster resistance, and alignment with local development and land-use policies.
2.3. Integrating Advanced Technologies for the Design of Flexible Post-Disaster Housing Solutions
Natural disasters annually displace millions globally, necessitating the development of effective and sustainable housing solutions to meet immediate shelter needs and support long-term community recovery. This analysis provides a comprehensive overview of post-disaster housing, examining diverse approaches and strategies. The varied nature of disasters, coupled with differing physical, climatic, economic, and socio-cultural contexts, precludes a universal solution. Therefore, effective post-disaster shelter must integrate both rapid, short-term emergency interventions and durable, long-term strategies that foster social integration and environmental sustainability. Consequently, these solutions are typically categorized as “Temporary Shelter Solutions” and “Permanent Housing Solutions.”
However, traditional construction methods are increasingly inadequate for post-disaster housing due to limitations in speed, cost-efficiency, and environmental impact. This has underscored the importance of innovative technologies. Among these, three-dimensional (3D) printing technologies have emerged as a promising alternative for post-disaster reconstruction, offering advantages such as accelerated production, reduced costs, minimized waste, and the potential to utilize sustainable materials. Accordingly, this study evaluates various global housing projects that have successfully implemented 3D printing in post-disaster scenarios, as detailed in Table 1.
Table 1.
Examples of post-disaster housing projects employing 3D printing techniques and their implementing agencies.
The field of post-disaster housing is undergoing continuous evolution, driven by the imperative to deliver not only rapid shelter but also economically sustainable and environmentally conscious solutions. Traditional construction methodologies, characterized by their protracted timelines and inherent inflexibility, are often inadequate in the wake of sudden and widespread disaster-induced destruction. This inadequacy has spurred the development of innovative construction approaches, including prefabricated structures, modular systems, and three-dimensional (3D) printing technologies, which offer adaptable alternatives capable of meeting diverse user needs and accommodating varied local conditions in affected regions. Each of these technologies presents unique advantages in practice while also contending with specific technical and logistical limitations. For example, prefabricated systems significantly expedite assembly, whereas 3D printing technologies enhance production efficiency through their inherent design flexibility and optimized material utilization. However, the practical applicability of these advanced methods is contingent upon more than just technical feasibility. Factors such as high initial costs, restricted material palettes, substantial energy demands, and the requisite for specialized labor can considerably influence their deployment.
Consequently, the strategic integration and selection of technologies for post-disaster housing demands a holistic approach. This approach must not only prioritize technical performance but also critically consider regional needs, overarching sustainability goals, and accessibility. In this context, parametric design methods emerge as a crucial strategic tool. Their ability to work synergistically with various construction technologies enables the development of flexible, scalable, and optimized housing solutions essential for effective post-disaster reconstruction.
2.3.1. Parametric Design
Parametric design represents a sophisticated computational methodology centered on manipulating parameters rather than fixed forms to generate intricate and adaptive designs [51]. This approach fundamentally transforms the design process by enabling decisions to be reversed, revised, and reassessed at any stage, thereby streamlining the evolution of the final product [52]. As articulated by Kolarevic [53], parametric design facilitates the exploration of diverse design scenarios by establishing relational networks among design elements. This interconnectedness ensures that modifications to one component automatically propagate changes throughout the entire system. This inherent consistency across various scales allows for rigorous testing of numerical models and robust comparison between alternatives through precise parameter management, consequently reducing error margins and enhancing designer control. Lawson [54] further reinforces that design is not a linear progression but a solution-oriented endeavor demanding expert judgment.
In stark contrast to conventional digital design tools, which often exhibit limitations in spatial modeling [55], parametric design leverages advanced software such as Maya, Rhino, and Grasshopper. These platforms enable the seamless manipulation of complex geometries and foster interdisciplinary collaboration across architectural, engineering, and industrial design domains [56]. Designers gain the remarkable ability to define intricate relational networks among elements, systematically generating a multitude of forms by altering defined parameters [57]. The parametric design process adheres to a systematic workflow, typically encompassing problem definition, parametric model development, and design evolution. Meredith et al. [58] contend that parametric design is a continuously evolving field with significant untapped potential. The workflow is characterized by sequential steps: comprehending the problem, constructing a parametric model, and developing the design. This structured approach empowers designers to tackle complex problems systematically. The process generally comprises four primary stages [59]:
- I.
- Design and Concept Development, which begins with problem definition and goal setting, followed by the development of the design in a parametric framework.
- II.
- Parametric Modeling and Application, involving the establishment of geometric constraints and rules to construct parametric models.
- III.
- Design Construction and Optimization, which involves generating and refining structural components based on the parametric foundation.
- IV.
- Applications and Contributions of Parametric Design to Architecture, which highlights its benefits such as flexibility, innovation, and sustainability in areas like facade design, performance simulation, and digital fabrication.
In architecture, parametric design enables the creation of complex structures with greater precision, efficiency, and economy by using mathematical algorithms and parameter-based logic. Software like Rhino and visual programming tools like Grasshopper play a significant role in this process. These tools allow the programming of design algorithms and seamless integration with technologies like 3D printers and CNC machines, accelerating the transfer of digital designs into the physical realm.
Utilizing Grasshopper as a Computational Tool for Parametric Design Applications
Grasshopper 3D, a visual programming plugin for Rhino developed by David Rutten, offers a powerful environment for parametric modeling [60]. It allows users to generate intricate geometries and designs without requiring traditional programming expertise, providing an interactive interface where parameters can be adjusted and results visualized in real time. Beyond its core design capabilities, Grasshopper extends its utility to various analytical tasks, including sound analysis, structural analysis, design optimization, and Arduino-based control systems [61]. Its modular component-based approach enables individual adjustment of each element [62]. Furthermore, Grasshopper supports scripting in VB.NET, C#, and Python, facilitating the integration of code-based formulas [63]. According to Cichocka [64], Grasshopper’s global adoption as a leading parametric design platform stems from its robust capacity to integrate numerous plugins, such as Decoding, Anemone, Galapagos, Octopus, and Wallacei, expanding its functionalities significantly. In architectural design, Grasshopper is extensively applied for tasks like geometric form generation and analysis, energy modeling, and material optimization. Its primary advantages include the following:
- I.
- Intuitive Visual Programming: Its visual interface eliminates the need for manual code writing, enhancing accessibility for users across diverse disciplines.
- II.
- Extensive Flexibility: A comprehensive library of functions and plugins provides broad adaptability to various design challenges.
- III.
- Enhanced Efficiency: The platform automates repetitive tasks, considerably accelerating the design process.
Grasshopper’s visual environment makes parametric design more accessible, allowing users from different fields to engage with complex design processes. The tool facilitates interactive simulations, enabling the exploration of design variations through parameter transformations. It also excels at generating sophisticated 3D models through simple iterations, which is particularly beneficial for biomimetic design, translating organic forms into architectural structures [65]. Moreover, its interoperability with other design software, such as Revit, further enhances its utility within integrated design workflows.
2.3.2. Exploring the Principles and Applications of Design Flexibility
Flexibility in the context of design, particularly in architecture, refers to a system’s or object’s inherent capacity to adapt and respond effectively to dynamic conditions or evolving demands. While its precise interpretation can vary across disciplines, the core meaning revolves around the ability to manage change and adjust accordingly. Krishna [66] defines flexibility as a fundamental transformation of the physical configuration of space, encompassing both external and internal modifications. This concept integrates aspects of both form and technique, as exemplified by reconfiguring movable walls or furniture. In housing, flexibility is crucial for long-term usability, occupant satisfaction, and overall sustainability. Flexible dwellings must inherently be able to respond to the evolving needs of their inhabitants, allowing for adaptability and reconfigurability over time. As defined by [67], flexibility in a building denotes its capacity to accommodate changing demands and maximize value throughout its lifecycle. Beyond mere physical alterations, architectural flexibility also encompasses the ability to respond to shifting user requirements and environmental conditions [68].
The contemporary challenges of population growth and evolving risk factors underscore the increasing necessity for flexible and adaptable housing solutions. Parametric design approaches have emerged as a pivotal tool for enhancing the flexibility and adaptability of housing, particularly in post-disaster contexts. These design strategies facilitate the expansion, reconfiguration, or addition of functions to structures using modular components and systems. In post-disaster housing, flexibility is vital for enabling a seamless transition from temporary shelters to permanent homes and for effectively addressing the dynamic needs of disaster-affected populations. Based on the work of Till and Schneider [69], various design and construction strategies are commonly employed to achieve building flexibility, as further illustrated in Table 2.
Table 2.
Strategies for incorporating flexibility in architectural planning and design [67].
In dynamic post-disaster contexts, where user needs and emergency conditions evolve rapidly, flexible shelter strategies are paramount. This necessitates the deployment of mobile and demountable architectural typologies specifically engineered for rapid displacement scenarios and urgent shelter provision. Mobile structures, such as certain prefabricated homes (e.g., the KODA housing system [70]), are typically designed for single-piece transport and are equipped with integrated components that facilitate swift relocation. Shigeru Ban’s innovative project in Onagawa, utilizing stacked shipping containers for multi-story temporary housing, exemplifies this approach [71].
Conversely, demountable structures, like the TECHO house model [70], consist of prefabricated modules that can be efficiently disassembled, transported, and reassembled on-site. A unifying characteristic of both typologies is their inherent modularity, which confers significant spatial flexibility and the capacity to accommodate diverse functional requirements. However, the use of large-scale components in modular systems can introduce logistical challenges during their installation and subsequent disassembly. Despite these potential limitations, the practical efficacy of such systems has been demonstrated by initiatives like the temporary housing provided by the Japanese government in the wake of various disasters [71]. Therefore, from an architectural and logistical standpoint, post-disaster shelter solutions that prioritize rapidity, flexibility, and scalability offer a robust and strategic framework for effectively addressing critical humanitarian housing needs.
The proposed flexible modular housing model was structured based on the strategies outlined in Table 2, which focuses on six fundamental principles of flexible architectural design: amount of space, design for adaptability, generic spaces, service placement, construction techniques, and building layers. These principles were utilized as design inputs during the parametric modeling process, with each strategy translated into spatial and structural attributes through algorithmic definitions. Using a visual algorithm developed in the Grasshopper environment, these flexibility strategies were integrated into the digital design model, resulting in a modular system that can be reconfigured according to user needs. Consequently, flexibility was not only addressed as a theoretical concept but was also embedded as a method within the digital fabrication process.
2.3.3. Three-Dimensional Printing
Three-dimensional (3D) printing, a sub-branch of computer-aided manufacturing (CAM), represents an additive manufacturing process that constructs physical objects layer by layer from digital designs [72]. Unlike traditional subtractive manufacturing methods (e.g., cutting or molding), 3D printing enables the direct fabrication of complex geometries without specialized tooling [73]. This technology has seen widespread adoption across various industrial and individual applications due to its compatibility with a diverse range of materials, including plastics, metals, ceramics, and bio-inks [74]. Developed since the late 1980s to meet market demands for quality, flexibility, cost-efficiency, and speed, 3D printing is not a singular process but rather an umbrella term for multiple distinct technologies that build products and components from the ground up, facilitating intricate surface geometries [73]. Its rapid advancement has been driven by progress in computing power, design software, novel materials, and internet connectivity [75]. The ISO/ASTM 52900 standard offers a comprehensive classification of additive manufacturing (AM) processes [74], detailed in Table 3.
Table 3.
The ISO/ASTM 52900 framework defines seven primary categories for classifying additive manufacturing processes based on their operational principles and material handling approaches [74].
The applications of 3D printing are remarkably diverse, encompassing fields such as architectural design, industrial design, medicine, engineering, education, and research and development. In architecture, 3D printing offers significant advancements. It enables designers to perform full-scale design testing and fabricate highly intricate architectural components. This capability provides crucial benefits, including the validation of design concepts, the early identification of potential structural issues, and a substantial enhancement of project visualization. Consequently, technology has revolutionized architectural design and production by delivering unparalleled design freedom, rapid prototyping, and extensive customization potential. Further advantages of 3D printing in architecture and engineering are detailed in Table 4.
Table 4.
Technological advancements of 3D printing in architecture and engineering applications.
This flexibility, defined as the ability to adapt designs to evolving environmental conditions and diverse user requirements, has become a cornerstone of contemporary architectural practice. By streamlining the fabrication of complex models, 3D printing provides a substantial innovation over labor-intensive and time-consuming traditional modeling methods, thereby increasing both flexibility and repeatability in architectural processes [76].
The advantages of 3D printing technology, as outlined in Table 4. Criteria such as design freedom, rapid prototyping, customized structures, cost efficiency, remote production, incorporation of new materials, and environmental sustainability served as key performance indicators throughout the development process. The parametric design process enabled the easy generation of complex geometries, while rapid prototyping allowed for low-cost and timely testing of proposed structures. Furthermore, the use of adobe, locally sourced natural material ensured both environmental sustainability and alignment with regional construction practices. The digital shareability and remote manufacturability of the designs contributed to faster deployment in post-disaster scenarios. This methodological framework thus ensures that the model simultaneously delivers architectural design flexibility and rapid responsiveness to emergency needs.
3. Materials and Methods
This study proposes an innovative post-disaster housing model that integrates parametric design, three-dimensional (3D) printing technology, and flexible modular systems to respond to the urgent shelter needs arising after disasters. The primary aim of the research is to evaluate the model’s applicability and adaptability across multiple spatial scales. To achieve this, a multi-layered methodological framework was adopted, consisting of three principal phases: (1) theoretical framework development, (2) parametric design process, and (3) implementation and prototyping. The detailed methodology of this study is visually represented in Figure 1.
Figure 1.
Step-by-step methodological framework.
The research began with an extensive literature review and conceptual analysis, focusing on the concepts of disaster, post-disaster shelter strategies, and emerging technologies in architecture and construction. This stage aimed to critically examine the limitations of conventional housing solutions and to identify the potential of algorithmic tools and digital fabrication techniques. The findings informed us of the definition of the problem and the strategic criteria for the proposed model.
In the second phase, a parametric and modular system was developed using Grasshopper, a visual programming plugin for Rhino 3D version 7. The spatial system was based on a standardized 5 × 5 m modular grid, chosen for its scalability and spatial efficiency. The design process involved the following stages:
- ▪
- Problem Definition and Parameter Setting: Post-disaster housing needs were analyzed based on user profiles and disaster scenarios, and corresponding design parameters were defined.
- ▪
- Algorithmic Modeling: Parametric relationships were encoded to dynamically generate spatial, structural, and interior components. The system utilized geometric manipulations (e.g., translation, scaling, rotation) and replication tools (e.g., array, series) to produce a variety of spatial configurations.
- ▪
- Flexibility and Applicability Analysis: The model was tested across different scales from individual housing units to neighborhoods and urban settings. Flexibility was evaluated through design elements, structural systems, and interior layouts.
This design approach allowed for the rapid creation, customization, and optimization of housing units, specifically tailored to user needs and environmental conditions. By leveraging algorithmic scripting with Grasshopper and Python, the system enabled real-time configuration and simulation, ensuring user-driven adaptability throughout the design process. In the context of this study, the term optimization refers to the iterative refinement of spatial layouts and modular configurations based on a set of predefined performance criteria. These criteria included maximizing spatial efficiency within a standardized 5 × 5 m grid, optimizing usability and adaptability through flexible strategies, and minimizing construction complexity to support rapid and holistic post-disaster deployment. Objective functions focused on achieving the best balance between interior usability and external environmental responsiveness, such as thermal comfort and ventilation potential. Constraints were defined by the modular grid itself, structural limitations of adobe-based 3D printing, programmatic requirements of the housing unit, and user-specified preferences for internal spatial arrangements. This parametric strategy not only facilitated the generation of multiple spatial alternatives but also supported design decision-making through continuous simulation and real-time visual feedback, effectively integrating optimization into the early stages of architectural design.
The final stage involved digital fabrication using 3D printing technologies. This included the development of a gridded structural system where modular components were optimized for efficient on-site assembly and disassembly, featuring a “Lego-like” interlocking mechanism to simplify construction and eliminate the need for specialized labor. Material selection prioritized locally available, cost-effective, and environmentally sustainable options like adobe, with choices guided by regional climatic demands to ensure optimal thermal insulation for colder climates and enhanced ventilation for warmer regions. Additionally, rapid prototyping of structural and furniture elements using additive manufacturing validated assembly logic, material performance, and structural stability.
Each modular unit underwent thorough evaluation for its adaptability, sustainability, and resilience. Algorithmic scripts were used to simulate various modular assemblies in different urban and domestic settings. These simulations specifically assessed structural integrity (via CNC-milled OSB panels and timber joinery), interior flexibility (through movable partitions and multifunctional furniture), and urban configuration (using grid-based layouts for scalable neighborhood planning). The integration of Python scripts with Grasshopper further enhanced the system’s spatial logic, optimized modular relationships, and increased configurability across both architectural and urban design scales.
3.1. Framework for the Proposed Flexible Design Model
In this study, the square form was selected as the fundamental geometric unit of the proposed modular system due to its historical, architectural, and structural significance. As a symbol of symmetry, balance, and order, the square has played a prominent role in architectural traditions across various cultures from ancient Greek and Roman civilizations to modern architectural practices. Its geometric perfection, defined by four equal sides and right angles, enables seamless modular integration and systematic repetition, making it ideal for scalable and adaptable construction systems.
In post-disaster contexts, where speed, resilience, and adaptability are of paramount importance, the square form offers multiple advantages. Its simplicity facilitates rapid on-site production and assembly, while its modular nature allows for flexible expansion, reconfiguration, and spatial organization. Square modules can be arranged adjacently or diagonally with minimal spatial loss, ensuring maximum efficiency in the use of space. Functionally, a single square unit can accommodate a range of programs—such as bedrooms, kitchens, living areas, or bathrooms—depending on evolving user needs. This flexibility supports user-driven spatial restructuring and enhances both functional and spatial performance.
From an esthetic perspective, the square contributes to the creation of ordered, legible, and visually harmonious spaces, reinforcing users’ psychological comfort and improving the overall quality of living environments. Thus, the square form is not only a structural and constructional convenience, but also a key component of a user-centered, livable, and context-sensitive architectural strategy.
Accordingly, the basic structural units of the proposed model are designed as 5 × 5 m modular blocks. Each wall includes predefined voids for window and door openings, which can be customized according to user preferences and functional requirements. Additionally, wall thicknesses are specified at 40 cm to enhance structural integrity and thermal insulation. These modules can be assembled in various combinations to generate larger configurations suited to diverse usage scenarios, offering a high degree of adaptability in both interior layouts and outdoor spatial organization. As such, the modular system based on the square geometry provides a rapid, scalable, and sustainable architectural solution for post-disaster reconstruction, emphasizing flexibility, efficiency, and user participation. Detailed dimensions and specifications of model illustrated in Figure 2.
Figure 2.
The proposed model includes a structural block plan that enables the flexible and gradual expansion of modular units around the central core.
These basic units can be combined in various configurations to create expanded structures. This flexibility enables the modular system to be easily adapted to functional requirements and spatial arrangements. Thus, the basic units can be interconnected to suit different scenarios and purposes, offering flexibility in the organization of both interior and exterior spaces. While traditional construction methods often focus on producing large-scale and uniform housing, frequently overlooking the diverse needs and preferences of users, the proposed model allows modular blocks to be designed in various sizes and shapes. Furthermore, it enables users to expand or rearrange their living units according to their evolving needs. This modular system facilitates the easy assembly and disassembly of housing units.
In the proposed model, the modular housing system consists of four basic blocks (A, B, C, D). These independent 5 × 5 m modular units offer versatile configurations, allowing for diverse spatial arrangements to meet various user requirements, as depicted in Figure 2. The inherent flexibility of this modular system enables both expansion and rearrangement. Several expansion alternatives, illustrated around a central block, are designed to accommodate a range of living space needs. Table 5 provides a detailed description of these configurations.
Table 5.
Expansion alternatives of modular housing units based on configuration, dimensions, and directionality.
These proposed expansion methodologies underscore the inherent flexibility and adaptability of modular systems in addressing evolving spatial requirements. Each distinct expansion type facilitates the creation of diverse functional zones, thereby enabling users to optimize their living environments according to their specific needs. Table 6 illustrates various combinations and applications of these fundamental structural blocks.
Table 6.
Diverse configurations of blocks and their corresponding functional attributes.
The modular system provides a flexible solution capable of responding rapidly and effectively to users’ changing needs. The ease of assembly and disassembly of blocks offers a significant advantage, especially in emergency situations. Each module is designed to fulfill specific living functions, and users can customize, expand, or reorganize these modules according to their needs. By enabling personalized and flexible living environments, this system allows modular structures to adapt dynamically to evolving living conditions.
This system offers flexibility to expand in four directions around a central block, allowing users to tailor their living spaces according to their requirements. The central block acts as a focal point for expansion, while the modules added around it provide spatial diversity in both horizontal and vertical directions. These configurations enable users to rearrange their living spaces according to personal preferences and changing circumstances. Consequently, the housing units can be dynamically shaped in terms of functionality, comfort, and efficiency, providing a flexible and adaptive living environment.
3.2. Defining Model Flexibility Through Parametric Methods
In architectural design, flexibility refers to the ability of structures to adapt to user needs, environmental conditions, and functional requirements; in this context, parametric design and algorithmic modeling techniques play a critical role. In the proposed model, structural elements are optimized in terms of form and function to enable adaptability to various scenarios. The flexible structural system permits the rearrangement of columns and beams, ensuring durability, reusability, and cost-effectiveness. The flexibility of structural components allows building systems to quickly adapt to changing requirements and environmental conditions. In the proposed model, modular building blocks, exterior walls, openings, and windows can be easily modified and reconfigured according to user needs. Exterior walls are designed according to principles of energy efficiency and sustainability, considering climatic and environmental conditions. Structural systems offer both integrity and functionality through modular and adaptive solutions. Interior spaces are arranged flexibly to enhance user comfort, with partition walls designed to accommodate changing functions. Furniture elements are designed to be multifunctional and user-oriented, enhancing spatial efficiency. Flexibility is also emphasized in the organization of interior spaces, where partition walls can be quickly reconfigured according to user demands. Flexible furniture systems—such as foldable beds and modular furniture—further enhance spatial efficiency, contributing to the creation of functional and adaptive living environments, particularly in post-disaster scenarios.
In addition, the modular block system consists primarily of two main components—base and roof—designed to interlock with each other in a Lego-like geometric configuration. This design approach significantly simplifies the processes of assembly and disassembly, offering major advantages in terms of portability and reconfigurability. The base component rests firmly on the ground to enhance the stability of the structure, while the roof component, with its high load-bearing capacity, allows for the addition of new modules above. Both components are designed to be joined without the need for specialized equipment, enabling rapid intervention and housing setup in emergency situations. Furthermore, the disassembly and reassembly capabilities of the system reinforce its flexibility and adaptive potential, allowing for easy accommodation of various spatial and functional requirements.
3.2.1. Key Design Elements of the Proposed Model
This study introduces a parametric modeling approach leveraging algorithmic techniques to significantly enhance the flexibility of modular block systems. This algorithm facilitates the optimization of building elements using locally sourced materials and enables their customization based on specific user requirements. The algorithm’s core functionalities are structured around three key component types:
- ▪
- Geometric Components: Fundamental units like ‘Rectangle’ and ‘Polygon’ are employed to generate essential building elements such as windows and doors, allowing for diverse shapes and configurations.
- ▪
- Transformation Components: Functions such as ‘Move,’ ‘Rotate,’ and ‘Scale’ are utilized to manipulate the position or size of existing geometries, thereby increasing design adaptability and flexibility.
- ▪
- Duplication Components: Components like ‘Array’ or ‘Series’ enable the systematic replication and distribution of geometries, facilitating the creation of varied and complex wall configurations.
This model establishes a dynamic architectural framework capable of adapting to diverse application scenarios. It allows for the optimization of the form, size, and arrangement of modular blocks through the precise manipulation of parametric variables. As illustrated in Figure 3, the developed algorithm for the modular block system empowers users to readily customize building blocks to meet specific functional requirements.
Figure 3.
The algorithm developed for the design of flexible and modular block systems.
Figure 3 illustrates the Grasshopper-based parametric algorithm developed for generating the spatial configuration of the proposed model. The process begins with the definition of key design parameters such as grid size and density, which are controlled using Number Slider and Panel components. A two-dimensional grid is then generated through a combination of Series, Construct Point, and Rectangular Grid nodes. Spatial filtering is achieved using Dispatch, Cull Pattern, and List Item nodes, allowing the selection of cells that are suitable for placement.
Subsequently, functional units are assigned to the selected cells using stochastic and evaluative methods via components such as Random, Domain, Evaluate, and Remap Numbers. The spatial behavior of these units is then manipulated through transformations including translation, rotation, and scaling using Move, Rotate, and Scale nodes, respectively. In the final stage, the overall form is visualized and materialized in three dimensions using Boundary Surfaces, Extrude, and Custom Preview components.
Developed in Grasshopper, this system facilitates user-centric design in post-disaster housing by enabling the generation of adaptive facade systems, walls, openings, and fenestration. This adaptability allows for optimal performance across diverse climatic and geographical conditions. The system empowers users to customize building designs to meet their specific requirements, thereby promoting the creation of functional and sustainable housing solutions. Its core algorithm dynamically modifies the dimensions, shapes, and other properties of various building elements, adhering to predefined rules and parameters. This is particularly evident in the algorithm’s capability to generate flexible external wall systems, as visually represented in Figure 4.
Figure 4.
Developed algorithm for flexible external wall system design.
The algorithm illustrated in Figure 4 initiates with the definition of fundamental input parameters that guide the overall design process. These parameters, represented by nodes labeled “NUMBER”, control key attributes such as scale, dimensional proportions, and the quantity of repeated elements. For example, values such as NUMBER (1.0), NUMBER (10), and NUMBER (20) indicate base units, iteration counts, or specific dimensional controls within the system. These serve as dynamic input handles, allowing the designer to modify outputs interactively. Following this, geometric construction modules transform the numeric data into spatial components: “POINT” nodes generate coordinates based on input values, while “LINE” constructs linear connections between points. “PLANE” establishes spatial references for orientation and projection, and “EXTRUDE” generates volumetric forms by extending two-dimensional geometries along a specified direction. Together, these modules produce a flexible design structure that responds to parameter changes in real time. Data manipulation nodes such as “LIST ITEM”, “MERGE”, and “FLATTEN TREE” are also employed to efficiently organize, combine, and streamline datasets, which is essential when dealing with large quantities of geometric elements.
In the subsequent stages of the algorithm, mathematical and logical operations enhance design flexibility and computational control. Arithmetic nodes (e.g., ADDITION, SUBTRACTION, MULTIPLICATION) perform quantitative transformations on the input data, enabling the creation of complex proportional relationships. Logical operations like “GREATER THAN” or “LESS THAN” evaluate conditions and drive conditional behaviors in the design logic. The “GENERIC HASH” node, while not fully specified, appears to function as a customizable component—potentially involved in data indexing or the evaluation of unique states during optimization. Analytical modules such as “AREA” calculate surface metrics, while “MASS ADDITION” may indicate cumulative values for performance tracking. The arrangement of nodes in the right-hand section of Figure 4 suggests a feedback mechanism, possibly integrated with an evolutionary solver such as Galapagos. In this setup, the algorithm uses performance indicators (e.g., surface area) as fitness objectives to iteratively adjust input parameters, facilitating an optimization loop that leads to more efficient, adaptive, and performance-driven spatial solutions.
Flexible interiors are defined as spaces that can respond to varying user needs, adapt to environmental changes, and be easily reconfigured. In this respect, this section discusses different types of flexibility in interior layouts and presents practical applications of these approaches. Additionally, it focuses on how flexible interior design can be optimized through the proposed model. Using flexible partition walls and a rail system, the model allows for rapid and efficient spatial reconfiguration based on user needs. The model presents eight different configurations demonstrating the spatial diversity provided by the flexible internal walls and rail system. Each configuration illustrates how the space can be adapted to varying user requirements. Flexible walls can easily slide along the rail system, allowing the internal layout to be modified. This enables spatial arrangements to be rapidly reconfigured in response to changing needs.
In addition, to overcome the current limitations of 3D printers, the modular design approach has been developed to incorporate both base and roof elements within each block, thereby addressing challenges related to height and structural integrity. These modular blocks are designed to remain within the printing volume limits of 3D printers and to interlock during assembly, enabling the creation of larger structures. This approach maintains control over the height of structural components and minimizes the risk of buckling as building height increases. To prevent structural weaknesses such as the rapid reduction in buckling loads with increasing height the segmented and interlocking design of blocks is crucial. Fixed-end structures have lower buckling coefficients compared to free-end structures; thus, the modular system is planned to support structural stability accordingly. The interlocking nature of the blocks not only facilitates easy assembly but also allows for disassembly and reassembly in different locations. This significantly enhances the portability and flexibility of the system. Overall, this modular approach contributes to meeting critical requirements in post-disaster housing applications, including surpassing production constraints, ensuring structural integrity, enabling rapid setup, and supporting reusability.
3.2.2. Structural Elements of the Proposed Model
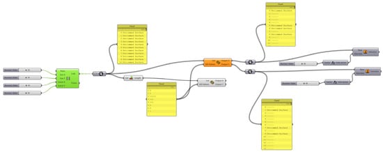
Flexible structural systems are crucial for rapidly and effectively addressing user needs, especially in the design of post-disaster housing. These systems offer adaptability and quick deployment, which are vital in emergency contexts. Algorithmic methods play a pivotal role in optimizing and customizing such systems to meet diverse requirements efficiently. Figure 5 introduces a proposed algorithm that serves as a promising solution for both the design and implementation of these flexible structural systems, ultimately enhancing resilience and responsiveness in disaster recovery efforts.
Figure 5.
Algorithm developed for the design and implementation of the flexible structural system.
As illustrated in Figure 5, this Grasshopper algorithm provides a detailed implementation of parametric modeling principles in the design and application of flexible building systems. The initial phase of the algorithm begins with the definition of numerical inputs via “Number Sliders”, which control key geometric parameters and spatial dimensions. Components such as “Count” determine the number of modules or elements in the system, while “Radius” parameters govern the dimensions of circular or curved components. These adjustable inputs serve as critical control points that allow the design to respond to varying user needs and environmental conditions. Moreover, components like “Divide Length” and “Divide Curve” play a central role by generating evenly spaced division points along curves or lines, thus enabling the dynamic organization of modular panels or framing elements. This operation facilitates scalability and adaptability across multiple configurations and spatial contexts.
In the subsequent stages, the algorithm utilizes these numerical and geometric parameters to generate structural components that ensure flexibility and ease of assembly. The “Offset Curve” component defines the spatial layout and thickness of structural or cladding elements by generating curves at controlled distances from a base geometry. “Boundary Surfaces” nodes create planar surfaces from closed curves, effectively constructing façade panels or structural sheets. Transformation operations such as “Rotate” and “Move” dynamically manipulate the orientation and position of the generated elements, allowing them to adapt to diverse assembly scenarios and site conditions. Collectively, these processes establish a data-driven and optimized design workflow that enables rapid deployment, modular adaptability, and user-specific customization in flexible building systems.
The proposed algorithm represents a major innovation in the design and implementation processes of flexible structural systems. Figure 5 illustrates how the algorithm utilizes parametric design methods to render building components structurally flexible. The algorithm aims to generate the most suitable construction solutions by considering user needs and environmental conditions. In the initial stage, detailed data on user requirements and environmental factors are collected and analyzed. These data are obtained based on users’ living spaces, required functions, and prevailing environmental conditions. Accordingly, design parameters that ensure the system’s flexibility and adaptability are defined and optimized. This process enables the structural system to adapt to diverse usage scenarios and environmental contexts.
Moreover, the algorithm used in the production of structural components is developed on the Grasshopper platform using parametric modeling and optimization techniques and is aimed at the precise production of joints through CNC milling methods. In the first phase of this process, fundamental design criteria such as dimensions, angle values, and material properties are defined using Number Slider and Panel tools, as illustrated in Figure 6.
Figure 6.
Algorithm used for producing structural component parts.
Each parameter directly affects structural compatibility and stability. Next, geometric modeling tools such as Curves, NodeSize, and EndOffset are used to model the connectors at accurate sizes and angles. These tools play a critical role in optimizing the intersections and joints of modular components. In the final phase of the process, simulations and optimizations, conducted using tools like Surface and Create Solid, test the manufacturability of the parts and aim to validate the physical feasibility of the design.
3.2.3. Interior Features of the Proposed Model
In architectural design, flexibility refers to the organization of interior spaces and features to readily adapt to evolving user needs and functional requirements. This approach prioritizes the creation of reconfigurable and multifunctional environments. Key characteristics of flexible interiors include movable furniture and partitions, spatial diversity, and the capacity for long-term reorganization in response to changing demands. These attributes significantly enhance a space’s sustainability and adaptability, ultimately improving the user experience and extending its functional lifespan. Such flexibility empowers users to seamlessly adjust to shifting lifestyles and technological advancements. The specific flexible interior characteristics integrated into the proposed model are detailed in Figure 7.
Figure 7.
Algorithm developed for the design of furniture and Interior Features.
Furthermore, flexible furniture systems play a crucial role due to their modular and multifunctional nature, enabling easy adaptation and personalization of spaces. They are instrumental in optimizing spatial efficiency, facilitating the creation of both functional and comfortable environments, even within constrained areas. This is particularly pertinent in post-disaster housing, where these systems allow for rapid and effective responses to changing shelter needs, such as converting shared areas into private living spaces over time. In these scenarios, the efficient utilization of limited space is critical for the successful transformation of temporary shelters into more permanent dwellings. The algorithm developed to implement these flexible characteristics is also illustrated in Figure 7.
As depicted in Figure 7, this Grasshopper algorithm addresses core principles of flexibility in architectural design, particularly emphasizing the adaptability of interior layouts and furniture elements to evolving user needs and functional requirements. The initial phase of the algorithm begins with numerical input parameters defined via “Number Sliders,” which control key spatial variables. For instance, “Count” components determine the number of partition elements or modular furniture units, while “Size” and “Length” nodes govern their dimensions and extents. Components such as “Series” and “Construct Point” automate the generation and spatial arrangement of repeating elements such as sliding panels along predefined intervals. These parametric inputs play a critical role in dynamically organizing spatial diversity within interiors, enabling reconfigurable and multifunctional environments. This approach contributes to long-term adaptability and supports the design of sustainable and resilient interior spaces that can respond to future changes in use or occupancy.
The subsequent stages of the algorithm focus on generating flexible furniture systems, particularly in response to challenges observed in post-disaster housing contexts, such as material scarcity and urgent furniture needs. Nodes like “Divide” and “Scale” are employed to proportionally adjust furniture components to align with locally available or low-cost materials. Geometric construction nodes, including “Extrude” and “Boundary Surface,” define the volumetric form of modular furniture units such as storage blocks or seating elements, ensuring they are suitable for fabrication using digital manufacturing methods like 3D printing. Transformation operations such as “Move” and “Rotate” stimulate the flexible positioning of these modules across different configurations, allowing for adaptive spatial arrangements that transform shared spaces into private zones or vice versa. Ultimately, the algorithm provides a data-driven and user-responsive design workflow that enables the creation of compact yet comfortable environments, offering rapid and economical spatial solutions for individuals affected by displacement or disaster.
This algorithm offers a solution to critical problems arising after disasters, such as material loss and the need for furniture. It focuses on the cost-effective use of local and readily available materials and facilitates the production of modular furniture using 3D printers. Thus, it provides rapid and economical solutions for the shelter needs of disaster-affected individuals.
3.3. Implementation of the Proposed Model Using 3D Printing Technology
3D printing technology offers the potential to deliver rapid and effective solutions for post-disaster shelter needs. Thanks to on-site production capabilities, structural components can be quickly fabricated and assembled, reducing logistics costs and time loss. In emergency situations where traditional methods are inadequate, this technology provides sustainable and resilient housing solutions. Three-dimensional printers, which use computer-aided design data to perform additive manufacturing, play a crucial role in disaster management by enhancing the flexibility and durability of buildings.
3.3.1. Gridded System
Given the urgent and large-scale nature of post-disaster shelter needs, the proposed gridded system model utilizing 3D printing technology offers an effective alternative for on-site production. The model involves the integration of modular building blocks with 3D printers and the rapid transportation of this technology to disaster areas. Consequently, the use of a gridded system enables the fast and efficient production and assembly of permanent housing units, ensuring timely and effective implementation of post-disaster housing solutions. The combination of 3D printing technology and the gridded system provides fast, cost-effective, and flexible responses to shelter needs. These systems offer significantly faster production than traditional methods, reduce material and transport costs through on-site fabrication, and increase sustainability by minimizing waste. Additionally, their ability to produce customized structures according to specific needs allows for adaptation to a variety of shelter requirements. With successful implementations worldwide, this technology is expected to become a widespread, innovative, and sustainable solution in both disaster management and the general construction sector in the future.
3.3.2. Materials and Prototyping
This section proposes the use of adobe material for the components produced with 3D printers. Adobe is a natural and environmentally friendly construction material made by mixing clay, straw, and water. Its low cost and the easy accessibility of its raw materials make adobe economically advantageous. Abundantly available worldwide, adobe has the potential to offer rapid and cost-effective solutions in post-disaster reconstruction processes. With low energy requirements and a minimal carbon footprint during production, adobe contributes to environmental sustainability. Furthermore, its natural insulation properties enhance energy efficiency by reducing heating and cooling costs. In the proposed model, parametric design and rapid prototyping enable users to easily modify components and visualize prototypes before actual construction. This process offers users greater control and participation, allowing the design to be more accurately aligned with their needs.
3.4. Applicability of the Proposed Model
In contemporary societies, the rapid transformation of demographic structures and family forms has intensified the need for flexibility and adaptability in post-disaster housing. The proposed model offers modular and expandable building systems that accommodate diverse family sizes and lifestyles. These structures, which can serve the needs of individuals as well as multigenerational families, provide rapid and efficient shelter following disasters. Developed through parametric design and 3D printing technologies, the flexible system can be implemented not only at the individual housing scale but also at neighborhood and mass housing levels. Through the design of housing and public structures that align with socio-economic diversity, it promotes social sustainability.
3.4.1. Application at the Family Scale
Application at the family scale refers to the design and implementation of housing projects tailored to meet the specific needs of individual families. This concept aims to provide flexible and adaptable housing solutions that account for the unique lifestyles, sizes, and requirements of each family. Through modular and customizable structures, families are enabled to easily reconfigure their homes to meet both current and future needs. This approach optimizes the efficient use of physical space while strategically enhancing the quality of life for residents. Therefore, application at the family scale is considered a crucial criterion in the development of sustainable and long-lasting housing solutions. The visual script and parametric definition related to the model’s applicability at this scale are illustrated in Figure 3.
3.4.2. Application at Neighborhood Scale
At the neighborhood scale, the application of 3D printing extends to urban planning and housing design, focusing on creating flexible and adaptable configurations that cater to the unique social, cultural, and economic needs of communities. The proposed model leverages a grid-based system to enhance sustainability, livability, and efficiency within these developments. This grid layout, characterized by perpendicular street intersections, optimizes traffic flow, prioritizes pedestrian and bicycle mobility, and fosters social interaction among residents. Furthermore, it effectively addresses the functional deficiencies of inadequate street designs often termed “stroads” by distributing traffic across smaller, multifunctional streets. The grid system also facilitates efficient rainwater management and is inherently suited for the development of walkable, mixed-use neighborhoods.
In the context of transit-oriented urbanism, the grid system, despite potential architectural limitations, significantly contributes to environmental sustainability through optimized traffic distribution and robust pedestrian–bicycle infrastructure. Its application at the neighborhood level demonstrably enhances urban planning, offering economically and environmentally sustainable solutions that improve overall quality of life. Figure 8 provides a detailed illustration of the components within a modular system designed for neighborhood-scale application, developed using a parametric approach. The underlying algorithm enables the strategic placement of these modular units within the grid layout, allowing for their effortless repositioning and reconfiguration to meet evolving community needs.
Figure 8.
Algorithm of the modular system at the neighborhood scale.
As illustrated in Figure 8, the algorithm begins with the construction of a grid-based system, where “Number Slider” components control the dimensions and density of cells along the X, Y, and Z axes using “Plane” and “Cells” nodes. This modular grid serves as the foundational spatial framework for the placement of building units and the overall urban structure. The generated surfaces or cells represented as “Untrimmed Surfaces” correspond to potential building plots or development parcels. This spatial organization enables the design of walkable, mixed-use neighborhoods that support sustainable urban strategies such as optimized traffic flow, prioritization of pedestrian and bicycle movement, effective stormwater management, and the spatial integration of diverse functions within a coherent, adaptable urban fabric. In the subsequent phase, the algorithm enables the selective manipulation and reconfiguration of these modular units within the grid structure. List management components such as “List Item” and “Cull Pattern” allow for the filtering, selection, and functional assignment of specific cells, enabling the flexible distribution of housing units, commercial spaces, or green areas according to predefined patterns or dynamic criteria. On the right side of the visual script, additional “Number Sliders” and components like “Factor” and “Base” are used to control transformation operations, particularly “Extrusion” which define the height or volumetric form of the modular building elements. This approach provides a parametric mechanism to modulate architectural diversity and scale within the neighborhood context, supporting a responsive urban design methodology that aligns spatial configuration with both functional needs and sustainability objectives.
The stages of the algorithm include the parametric definition of blocks, determination of their positions, merging them according to specific rules, and listing the resulting combinations. In the Grasshopper environment, each block is defined as a 5 × 5 rectangle using the Rectangle component. As detailed in Table 6, blocks are positioned using the move component; for instance, Block B is placed 3 units to the right of Block A. The positioned blocks are then merged using the Boolean Union component. In the first step, a 5 × 5 grid is generated based on a specific coordinate system, serving as the foundation for block placements. To create an expanded grid in horizontal and vertical planes, the corresponding Grasshopper code is utilized.
3.4.3. Application at the Mass Housing Scale
Application at the mass housing scale refers to the rapid and cost-effective construction of many housing units in large-scale settlements using standardized modular blocks. The proposed grid-based and modular system enables the creation of housing units of varying sizes and allows for quick adaptation to user needs. Open-plan layouts optimize natural lighting and ventilation, resulting in functional living spaces. The arrangement of modular units in a grid formation facilitates the development of compact, efficient, and sustainable residential areas. Green spaces between buildings and rooftops contribute to environmental sustainability, while pedestrian- and bicycle-friendly streets promote sustainable transportation, reduce traffic congestion, and support healthier lifestyles. The codes of python for the applicability of models on an urban scale are described in Appendix A.
3.4.4. Application at the Public Spaces Scale
Application at the public spaces scale involves the planned placement and management of public services and structures that address the shared needs of the community. Particularly in post-disaster contexts, it becomes crucial to provide not only shelter but also diverse spatial functions that meet social, economic, and environmental demands. In the proposed model, in addition to housing, additional spaces such as farms, markets, cafés, schools, health centers, and energy facilities can also be produced using 3D printing technology. This integration enhances community sustainability and overall quality of life. Within the model, a grid system is generated using the parametric design tool Grasshopper, enabling flexible and modular planning of both housing units and various public spaces at the urban scale. The algorithm developed in the Grasshopper environment with Python scripting optimizes the spatial configuration of residential and public components, offering rapid and effective design and implementation capabilities. This facilitates the adaptation and utilization of modular systems in post-disaster urban areas. Appendix A contains the Python codes developed to test the applicability of the model on the urban scale.
3.4.5. Application on the Urban Scale
Application at the urban scale refers to the use of grid systems for the effective and sustainable planning of cities. These systems promote structured and homogeneous urban fabric, facilitating intra-city mobility and enabling the integration of various urban functions. In post-disaster reconstruction processes, they offer rapid and efficient solutions for urban redevelopment. In the proposed approach, a parametric algorithm has been developed using Grasshopper and Python. This algorithm generates grid points at regular intervals, leaves designated street voids between these points, and randomly enlarges the dimensions of certain cells to create blocks of varying scales. As a result, it is possible to design urban layouts that include both a regular street network and functionally diverse blocks of different sizes. The first stage of the algorithm involves generating a grid system based on a predefined pattern. This grid serves as the structural framework of the urban area and can be adjusted in terms of density and configuration according to specific design requirements. Ultimately, this method supports the planning of organized, accessible, and functional urban environments that respond to post-disaster needs and long-term sustainability goals. The Python codes demonstrating the applicability of the model at the urban scale are provided in Appendix A.
4. Results and Discussion
This study comprehensively explores the capabilities provided by a parametric design approach for post-disaster housing. The developed parametric algorithm, created using Grasshopper and Python, offers scalability from small-scale building components to large-scale urban projects. This broad range of applicability allows for rapid and efficient responses to the needs of various user groups and changing environmental conditions, while also enabling the customization of housing layouts to individual preferences.
Moreover, the prototyping of designs through 3D printing technology establishes a balanced relationship between structural efficiency and esthetic quality. This not only accelerates the design process but also enhances cost-effectiveness. The algorithm’s ability to generate grid-based systems at the urban scale facilitates the planning of organized street networks and functionally diverse blocks at varying scales, thus contributing to the more efficient, orderly, and accessible planning of urban environments.
The findings of this study demonstrate that the flexibility inherent in the parametric design approach significantly enhances the adaptability of modular structures to various scenarios. Particularly, the transition from temporary shelters to permanent housing after disasters is greatly facilitated by modular and multifunctional building systems. Beyond providing physical shelter, these systems contribute to the psychosocial recovery of disaster-affected populations. In this regard, the integration of parametric design with 3D printing technologies plays a crucial role in developing flexible and resilient solutions that can quickly adapt to evolving needs and environmental conditions.
In the context of increasing societal resilience to future disasters and environmental changes, the continuous development and widespread adoption of these technologies is considered essential for delivering sustainable and adaptable post-disaster housing solutions. Accordingly, the results of this study reveal the potential and multifaceted benefits of parametric design and 3D printing technologies in post-disaster housing.
4.1. A Flexible Model for Post-Disaster Housing Solutions
Each building unit generated by the algorithm presents different design outcomes based on modifications to specific parameters. These units are shaped through parametric variables to provide flexible design solutions. Figure 9 illustrates the diverse structural units obtained through modifications in the algorithm’s components, thereby demonstrating the structures’ capacity to adapt to varying requirements and conditions. These units are generated based on the modular block system established by the parametric algorithm outlined in Figure 3. The resulting configurations produced by this algorithm are illustrated in Figure 9.
Figure 9.
Various building units derived from changes in algorithmic components.
The secure and tight fitting of connection points between blocks enhances structural resistance to external forces. This interlocking design minimizes seismic impacts and preserves structural integrity, which is particularly vital in earthquake-prone regions. From an engineering perspective, the geometric compatibility of components ensures structural stability under both horizontal and vertical loads. Sudden forces from seismic activity are thus absorbed more effectively. Additionally, the integration of structural elements allows for equal energy distribution, preventing weak points and reducing the overall risk of damage. As a result, the interlocking principle of the modular block system enhances structural integrity and occupant safety, as demonstrated by the roof system and the assembly–disassembly approach detailed in the Section 3. A visual representation of the roofing concept is provided in Figure 10.
Figure 10.
Assembly and disassembly of the block system.
The flexibility of the modular block system enables the creation of diverse building types. Thanks to parametric design principles, blocks can be produced in various sizes and forms, allowing for the customization of architectural designs according to user needs. The algorithm-driven design supports easy modification of each block’s size, shape, and function, which is particularly crucial in meeting the variable shelter demands in post-disaster scenarios. In addition to standard residential blocks, function-specific elements such as windows and doors can also be produced, enhancing overall functionality.
The adaptability of the production process allows for site-specific and climate-responsive material selection. As illustrated in Figure 11, the proposed blocks can be tailored: those designed for high thermal insulation are ideal for cold climates, while blocks optimized for enhanced air circulation are better suited for hot regions. This material and design optimization is systematically derived from the algorithm presented in Figure 4.
Figure 11.
Development of a modular block for adaptive wall system applications.
Figure 11 presents an example of a modular block developed for a flexible wall system, designed using local materials and straw, and optimized through a parametric design algorithm. A detailed analysis of this wall system is provided Figure 4 and Figure 11. The use of local materials and straw in wall blocks offers significant economic and environmental advantages. Local materials enhance environmental harmony and reduce costs, while straw, due to its lightweight nature and high thermal insulation, facilitates transport and assembly. Internal voids within the blocks preserve structural strength, reduce weight, and improve thermal performance. The parametric algorithm optimizes the placement of these voids to maximize block efficiency.
Furthermore, the design can be customized based on, for example, climate and user needs, developing solutions that enhance ventilation in hot climates and improve insulation in cold regions. The dimensions and forms of the blocks can be adapted to local standards and cultural values, meeting both functional and esthetic requirements. Lightweight blocks increase portability and enable rapid assembly. This approach supports sustainability through local material usage, while the flexibility of parametric design ensures the versatility and esthetic value of the structures.
According to the results derived from the proposed algorithm, the dimensions, shapes, and other attributes of the building components can be dynamically adjusted based on predefined rules and parameters. This allows for the design of more resilient components in earthquake-prone regions, or structures that enhance natural ventilation in hot climates. The algorithm not only considers user needs but also optimizes the blocks based on environmental conditions and spatial constraints, thereby improving energy efficiency and user comfort.
The simplicity of assembly and disassembly in the modular block system significantly shortens the time required to provide emergency shelter after disasters. Blocks can be quickly assembled without specialized equipment or expertise, ensuring rapid access to safe and comfortable shelter for affected populations. Likewise, the ease of disassembly increases portability and reconfigurability, allowing housing units to be customized or expanded as needed. This flexibility plays a vital role in maintaining the long-term viability and functionality of the modular block system.
4.2. Application Potential of the Developed Model in Target Scenarios
Modular building blocks, as depicted in Figure 12, offer a highly adaptable approach to housing construction. These blocks, available in diverse sizes and configurations, can be interconnected and reconfigured to generate a variety of housing units tailored to different family sizes and lifestyle requirements. This modular system’s underlying design principles can also be computationally derived, as illustrated by the algorithm presented in Figure 3.
Figure 12.
Flexible configuration of the model adaptable to changing demographic structures at the family level.
The proposed housing model leverages modular and expandable structural systems to create adaptable, comfortable, and sustainable living spaces that respond dynamically to evolving demographic and family structures. These systems are pivotal in modern housing design due to their capacity for rapid and effective adaptation to changing user requirements. Crucially, they also serve as highly efficient post-disaster housing solutions, enabling swift deployment of shelter in emergency contexts. The model incorporates distinct modular units to cater to varying household sizes:
- ▪
- 25 m2 and 50 m2 units: These are designed for individuals and small families, providing essential living functions within a minimal footprint. Their compact nature makes them particularly suitable for rapid deployment in post-disaster scenarios.
- ▪
- 75 m2 units: Catering to medium-sized families, these units are formed by combining two modular sections, offering more spacious and functional interiors.
- ▪
- 100 m2 and larger units: For large or multigenerational households, these configurations are achieved by assembling three or four modular units. This scalability promotes family cohesion and reinforces social structures.
By rapidly adjusting to diverse needs, this modular approach offers an innovative and flexible housing solution, making it an exceptionally effective tool for addressing post-disaster housing demands. Further details regarding building types and characteristics are provided in Table 7.
Table 7.
Building types and characteristics at the family level.
The proposed model incorporates a range of gridded movement systems, visually represented in Figure 13, each with distinct kinematic capabilities. Specifically, the Rook model facilitates linear traversal along orthogonal (horizontal and vertical) axes, while the Bishop model enables movement exclusively along diagonal axes. The Queen model offers comprehensive mobility, combining both linear and diagonal movement capabilities. These diverse movement paradigms, derived from the algorithm detailed in Figure 8, are instrumental in establishing varied functional relationships and connectivity patterns within a given neighborhood.
Figure 13.
Various gridded systems and outcomes derived from the algorithm of the modular system at the neighborhood level: (a) Modular system at the neighborhood level. (b) Arrangement of modular units along X, Y, and Z axes.
The proposed model incorporates diverse gridded systems to delineate varied movement capabilities, as illustrated in Figure 13. The Rook model facilitates linear movement exclusively along orthogonal (horizontal and vertical) axes, while the Bishop model permits diagonal movement. Integrating both linear and diagonal proficiencies, the Queen model offers comprehensive movement versatility. These distinct gridded systems are instrumental in defining specific functional relationships and connectivity patterns within a given neighborhood, each offering a unique degree of flexibility and movement capacity. At the neighborhood scale, a modular system predicated on parametric design methodologies has been developed. This system provides highly customizable design components, tailored to specific user requirements. By leveraging computational design tools such as Grasshopper, fundamental modules can be configured with rapid adaptability in horizontal, vertical, and three-dimensional arrangements. This inherent versatility enables the swift generation of adaptable modular structures, proficiently addressing a broad spectrum of user demands for flexible housing solutions.
A novel algorithmic approach significantly enhances the flexibility and adaptability of modular housing systems across both horizontal and vertical planes. This algorithm, implemented in Grasshopper, automates the generation and diversification of modular block combinations (e.g., A, B, C, D), which, having predefined dimensions, can be assembled into various configurations (e.g., A + B, A + B + C + D). It facilitates the regular and flexible spatial deployment and reconfiguration of housing units along the X, Y, and Z axes, enabling rapid prototyping and deployment. This flexibility in arrangement and layout patterns allows for the creation of customized housing solutions tailored to specific user requirements.
At the neighborhood scale, the integration of parametric and modular systems optimizes design and development by improving flexibility, efficiency, and sustainability. The ability to move modular units both horizontally and vertically significantly reduces construction time and costs, while simultaneously promoting energy efficiency and natural ventilation. Parametric systems offer user-specific customization, while modular systems provide rapid installation and ease of assembly, making them particularly effective in emergency contexts. Such systems also contribute to individual psychological well-being through personalization and foster social cohesion within communities. The core attributes of this system encompass scale, flexibility, efficiency, sustainability, and social acceptance, emphasizing human-centered, mixed-use, connected, and sustainable design principles. Within this framework, modular units are strategically placed within a defined grid, allowing for the formation of diverse building typologies through various connection points and orientations. The neighborhood-level applicability of this system is derived from the algorithm detailed in Appendix A. As illustrated in Figure 14, the orange area signifies a central modular unit, with black lines and intersection points indicating potential pathways for expansion and inter-unit connections.
Figure 14.
Schematic development process of the gridded and modular system at the collective housing scale. (a) Schematic development of grid-modular mass housing. (b) Potential expansion system of modular units. (c) Modular layout developed at the mass housing scale.
This system provides an optimal and adaptable solution for post-disaster collective housing through a modular design approach. Its inherent flexibility allows for the combination and stacking of modular units, enabling the creation of diverse housing unit sizes and types. This facilitates the reconfiguration of dwellings to meet evolving user needs. As illustrated in Figure 15, the modular layout scheme for collective housing employs units arranged in parallel within a regular grid system. This design not only ensures structural integrity but also provides significant flexibility, thereby supporting the rapid and efficient deployment of housing over large areas. Figure 15 further exemplifies this modular system at the collective housing level. It depicts a gridded structure formed by predefined dimensional modules, where each orange module represents an independent housing unit. These units can be merged to form larger structures, offering adaptability to specific user needs and site requirements. Beyond individual dwellings, Figure 15 also showcases various community-oriented buildings, including farms, mini-markets, cafés, meeting spaces, laundries, schools, health clinics, waste management facilities, energy generation centers, storage units, mosques, electric vehicle charging stations, and fitness centers. This visual representation is directly derived from the algorithm detailed in Appendix A.
Figure 15.
Integration of housing units and various functions through algorithmic design approaches.
In this context, in addition to housing units, the same production system can be utilized for various other functions. For example, while the black sections represent housing units, areas shown in different colors are allocated for various functions. Green areas symbolize public green spaces, the purple area indicates a supermarket, the brown area represents a bicycle parking facility, and the red area corresponds to a place of worship. These additional functions aim to support the social, economic, and environmental sustainability of communities in the post-disaster period.
In post-disaster reconstruction, public spaces are vital, extending beyond basic needs to foster social, economic, and environmental sustainability. Our proposed model integrates diverse solutions, from agricultural zones that boost food security and local production to mini-markets for daily necessities. To enhance social cohesion and solidarity, we have included shared spaces like cafes, meeting areas, and places of worship, all crucial for promoting communication, cooperation, and spiritual well-being. The model also ensures continuity of essential services: schools, health clinics, and laundry are incorporated to improve access to education, healthcare, and sanitation. Fitness areas are proposed to support physical and mental health. Furthermore, the model prioritizes environmental sustainability through infrastructure solutions like renewable energy generation, advanced waste management, and electric vehicle charging stations. E-bike stations and storage facilities offer eco-friendly transport and logistical solutions, contributing to a healthier and more organized post-disaster environment. This integrated strategy aims to comprehensively support both the physical and social recovery of affected communities. Figure 16 illustrates a modular system for public buildings, generated by our proposed algorithm (detailed in Appendix A). This system utilizes a grid structure of specific-dimension modules, where each module can represent an individual housing unit. Larger structures can be flexibly assembled by combining these modules in designated areas, adapting to user needs and site conditions.
Figure 16.
Algorithmically generated modular layout example for public buildings and functional arrangements of public modular structures: (a) Algorithmic modular layout example at the public buildings level. (b) Public modular structures and their functional arran.
This innovative model leverages parametric design in conjunction with 3D printing technology to create flexible and adaptable shelter solutions for disaster-affected communities. It is designed to meet not only immediate physical housing demands but also the crucial social and psychological needs of displaced populations. This integrated approach prioritizes both physical and social sustainability in post-disaster housing. The core of this system is an algorithm implemented using parametric modeling tools like Grasshopper. These tools enable real-time testing and optimization of the algorithm, allowing for the rapid evaluation of diverse scenarios to identify the most suitable solutions. The algorithm functions by extracting grid points from a pattern image, which then informs the generation of street networks and sub-block divisions. Streets are formed by maintaining uniform spacing between grid cells, resulting in a regular and symmetrical urban planning model. Furthermore, selected cell combinations allow for the creation of blocks of various sizes, facilitating the planning of diverse functional zones within urban environments. This sophisticated system, derived from the algorithm detailed in Appendix A, is visually represented in Figure 17.
Figure 17.
Example of urban-scale layout and line graph generated via the algorithm.
The inherent parametric flexibility of this algorithm enables the generation of diverse spatial configurations. By manipulating parameters such as cell size and spacing, the system can produce either dense or sparse grid structures. Furthermore, the aggregation of individual cells facilitates the creation of variable-sized blocks. The introduction of a distinct seed value for each iteration allows for the generation of unique aggregation scenarios, critical for exploring a wide range of planning possibilities. This adaptability is instrumental in evaluating various post-disaster planning scenarios, thereby contributing to the identification of optimal solutions for recovery and reconstruction efforts. Ultimately, this grid-based methodology offers a highly flexible and dynamic simulation model, supporting urban-scale planning and reconstruction within complex post-disaster environments.
4.3. Implementation of the Proposed Design Model
The proposed design model was implemented through a multi-phase process consisting of parametric modeling, visualization, and physical prototyping. Each phase was conducted with the aim of examining the feasibility, flexibility, and spatial adaptability of the modular block system in post-disaster contexts. The implementation phase began with the development of a parametric system using Grasshopper and Python-based algorithms. These algorithms enabled the generation of modular units adaptable to different environmental and social scenarios, allowing for variations in function, orientation, and configuration within the defined 5 × 5 m grid structure. The block typologies, including base modules, top closures, and interlocking components, were developed in a manner that supports rapid assembly and disassembly without requiring complex construction equipment. Visualization tools were used to simulate various spatial scenarios at different scales—individual, neighborhood, and city levels. These simulations provided insights into how modular blocks could be spatially organized to create housing units, public spaces, and communal infrastructures such as health centers, schools, markets, and places of worship. The visual outputs also illustrated the integration of green areas and services within the urban grid, thereby demonstrating the design flexibility of the proposed system.
In the final stage, a physical model was produced to observe the compatibility of form, joint logic, and modular interaction. This process allowed for the testing of block connections and their behavior when assembled into a cohesive system. While not intended as an engineering validation, the physical model offered practical insights into the constructability and assembly logic of the design, especially concerning the interlocking structure and spatial articulation. Overall, the implementation of the proposed design model—through algorithmic generation, visual scenario analysis, and physical representation—provides a framework for evaluating the system’s adaptability, modular coordination, and application potential in rapidly deployable post-disaster housing contexts. Further work may focus on performance analysis through full-scale implementation and real-time testing.
4.3.1. Structural Configuration and Key Components of the Proposed Model
The efficacy of this algorithmic framework in architectural modeling is profoundly influenced by the specific tools and parameters employed. These variables directly dictate the scale, structural durability, ease of assembly, and esthetic quality of the resulting building model. Optimizing critical factors such as dimensional parameters, connection details, material properties, and the geometric interrelationships of structural elements is paramount. This optimization directly enhances the system’s performance and cost efficiency. The foundational structure of this system is derived from the algorithm illustrated in Figure 5, with its practical output demonstrated in Figure 18.
Figure 18.
Grasshopper interface for structural elements and example of a developed flexible structural system.
The timber frame system consists of modular building components that can be easily assembled and disassembled. Once the structural design parameters were defined, various scenarios were simulated and optimized using the Grasshopper parametric design software. The proposed algorithm provides flexible solutions to either increase the load-bearing capacity and durability of the structure or reduce costs by precisely adjusting the number of columns and beams according to engineering requirements. By optimizing the number, placement, and dimensions of structural components, the algorithm ensures adaptability to both current needs and future changes. It allows horizontal and vertical elements to be added or removed, enabling a rapid and effective response to user demands. In this way, the functional, esthetic, and ergonomic use of spaces is maximized, leading to increased user satisfaction. The algorithm simulates different connection configurations and evaluates their performance. During the optimization process, the most suitable connection solutions are identified and implemented.
Figure 19 showcases a series of algorithmically generated connection components, engineered for diverse angular and orientational linkages. Fabricated from wood using CNC carving techniques, these components are precisely machined to ensure robust and accurate interconnections. The underlying algorithm, detailed in Figure 6, enables the morphological adaptability of these components, facilitating a highly flexible system. This inherent versatility allows for their application in a variety of structural configurations, significantly streamlining both assembly and disassembly processes and enabling the formation of diverse structural elements. This advanced flexibility and connection logic are direct outcomes of the algorithmic framework presented in Figure 6.
Figure 19.
Integration of CNC-produced and algorithmically generated connection components into an OSB-based structural system.
In this context, a structural system composed of CNC-carved wooden connectors and OSB (Oriented Strand Board) material was integrated. While the CNC method ensures the precision of wooden joints, OSB enhances the rigidity and durability of the structural elements. OSB is resistant to humidity, insect infestation, and mold; it has high nail-holding capacity, does not swell, and is easy to transport. There are two main OSB standards: OSB3 (for exterior use with high moisture resistance) and OSB2 (for interior use with lower moisture resistance). The production of OSB utilizes fast-growing tree species and wood chips.
In the proposed model, the structural components consist of CNC-carved connectors and OSB-based panels. Figure 20 presents the CNC cutting plans of OSB panels and the assembly sequence of components. By combining the high precision of CNC techniques with the durability of OSB, this approach enhances the flexibility, resilience, and accuracy of the construction system. This system is integrated into the structure derived from the algorithm obtained in Figure 5 to ensure overall building integrity. Consequently, this integration creates a more flexible structural system, contributing to modern construction technologies while aiming to deliver technically and economically efficient buildings.
Figure 20.
Production process and assembly of modular components manufactured from OSB via CNC machine.
4.3.2. Three-Dimensional Printing and Physical Prototyping
The proposed grid system offers a highly flexible and expandable framework for the swift deployment of post-disaster housing. A primary advantage of this model lies in its inherent scalability, allowing for a rapid increase in production capability during emergencies. This acceleration is achieved through the expedited assembly of modular building elements and a concurrent scaling up of 3D printer utilization. The system’s gridal structure, derived from the algorithm illustrated in Figure 5 (with detailed output shown in Figure 21, is specifically designed to enhance structural flexibility and facilitate broader, faster production via 3D printing. This ultimately enables a more agile and robust response to urgent housing needs.
Figure 21.
Grid-based system for on-site production using 3D printing in post-disaster settings.
This system, depicted in Figure 21, operates on a modular principle, allowing for scalable production capacity through the integration of additional 3D printers as required. This inherent scalability is crucial for the rapid fabrication and deployment of housing solutions in disaster-stricken regions, offering a significant advantage in post-disaster response efforts by enabling swift increases in production during emergencies. The use of adobe as a primary material in this 3D printing system offers several scientific and practical benefits. Its high thermal mass contributes to stable indoor temperatures, enhancing energy efficiency and occupant comfort. Furthermore, adobe’s natural composition positively impacts indoor air quality, fostering a healthier living environment. Structurally, its pliability allows for diverse architectural forms, facilitating innovative designs through 3D printing technology. Esthetically, adobe’s capacity to merge traditional and contemporary architectural elements helps to preserve local cultural and architectural heritage. More detailed information regarding the materials and features of 3D printing within this study is provided in Table 8.
Table 8.
Technical specifications and performance characteristics of 3D printing machinery used for the implementation of the building unit.
Although the primary aim of this study is not to perform detailed material analysis, information from WASP’s TECLA House project which employs similar construction methods and materials serves as a pertinent reference for evaluating how adobe can be integrated with modern building technologies. Adobe has been a historically significant building material and continues to offer sustainable solutions in contemporary architecture. Consequently, the features and performance of houses constructed by WASP using local materials have been extrapolated as applicable to adobe, enabling an assessment of the compatibility of adobe with advanced construction methods, particularly 3D printing [79]. The TECLA House project utilizes large-scale 3D printing technology with specifications such as a printing area of up to 8.2 m in diameter and 3.2 m in height, layer resolutions between 12 and 20 mm, and a maximum printing speed of 200 mm/s. This technology, based on Liquid Deposition Modeling (LDM), allows for effective extrusion and shaping of earth-based materials, providing a viable pathway for the rapid fabrication of sustainable adobe structures [79]. Local materials, especially adobe and straw, offer numerous advantages both in engineering and physical properties. Adobe’s density contributes to optimizing building weight and load capacity, while its natural insulation enhances energy efficiency. Straw’s low density and high insulation values ensure lightweight and thermally efficient building components. Moreover, straw’s flexible nature improves resilience against vibrations and impacts. Chemically, straw’s high cellulose and lignin content bolster material strength and durability, while its low moisture content mitigates biological degradation risks. These eco-friendly and cost-effective properties position local materials as sustainable alternatives in construction technologies. With technology and with 3D printing technologies, building elements produced from local materials can significantly improve energy performance, facilitate easier assembly, and enhance structural durability, demonstrating their potential for innovative and sustainable architectural applications [80,81].
To validate the proposed model, a prototype of its structural blocks was developed using Stereolithography (SLA). This additive manufacturing method, which utilizes photopolymer-based plastic materials, was selected for its exceptional precision and ability to achieve high surface quality, crucial for accurately replicating complex geometries. As depicted in Figure 22, the prototype showcases a detailed building unit and demonstrates the structural system’s capacity for expansion, adapting to unit dimensions and occupant demand. This small-scale prototype significantly enhances the validity and accuracy of the proposed model, affirming its potential for highly flexible application in diverse locations, adaptable to specific local, social, and economic requirements. In post-disaster processes, the ability of users to rapidly prototype design modifications, visualize building components on-site, and evaluate them offers significant advantages. This approach not only enables the direct addressing of individual needs but also allows for the creation of housing unit prototypes through various three-dimensional printing technologies prior to actual construction. Rapid prototyping facilitates timely and effective responses to emergency shelter demands, while also enabling the development of adaptable and flexible solutions tailored to evolving conditions. Furthermore, the use of local materials during the prototyping phase allows for more efficient resource utilization and a reduction in logistical costs. In this context, enabling disaster-affected individuals to directly engage with prototypes and identify solutions suited to their specific needs emerges as a key element in fostering community participation.
Figure 22.
Prototype of structural blocks of the proposed model.
Moreover, the integration of rapid prototyping techniques with parametric design approaches allows for the consideration of sustainability principles throughout the process. Reducing material consumption, generating solutions adapted to local conditions, and enhancing energy efficiency contribute to advancing the post-disaster reconstruction process in a manner that is both environmentally and economically sustainable.
In post-disaster situations, the ability to quickly prototype design variations and inspect building components on-site offers significant advantages for shelter solutions. Prototyping housing units through various 3D printers before full-scale construction enables a rapid and effective response to disasters, resulting in substantial time savings. The short production time of prototypes allows swift adaptation to changing conditions and user needs. Moreover, the use of locally available materials reduces both material and transportation costs, encouraging efficient resource use. Allowing disaster-affected individuals to visualize and participate directly in the design of their living spaces promotes community-based approaches, increasing user satisfaction and social cohesion. In this context, the combined use of rapid prototyping and parametric design tools contributes to more effective, flexible, and participatory post-disaster recovery processes aligned with principles of sustainability.
While it is acknowledged that the stereolithography (SLA) method employs resin-based materials that differ significantly from adobe in terms of mechanical and thermal performance, the purpose of the prototype presented in this study was not to replicate material behavior, but rather to validate the geometrical logic, assembly principles, and spatial modularity of the proposed system. SLA was selected specifically for its high-resolution capabilities, which are essential for examining the architectural articulation of interlocking components, joint tolerances, and potential spatial configurations in a compact and precise format.
The primary intention was to test the formal integrity and flexibility of the modular design system through a low-cost, rapid prototyping process, accessible within a laboratory environment. At this stage, the prototype does not claim to validate structural or thermal performance characteristics of adobe; instead, it serves as a design verification tool within the conceptual and early development phase of the project.
Further material-specific testing, including the use of adobe or other local earthen materials, is considered a critical direction for future stages of the research, particularly when transitioning from design development to real-world application.
4.3.3. Interior Features
This innovative flexible wall system significantly enhances the adaptability of interior spaces through a rail-based mechanism that permits rapid reconfiguration. Unlike conventional fixed partitions, this system enables users to instantaneously modify room layouts to suit diverse and evolving needs, eliminating the time and expense associated with major renovations. For instance, a space initially configured as an open area can be swiftly transformed. Walls can slide to subdivide a central area, creating larger zones ideal for communal gatherings. Further adjustments allow for the creation of smaller, specialized areas such as individual workspaces, dedicated play corners, or three equally partitioned zones. This inherent flexibility means a single room can be quickly optimized for various functions, including work, rest, storage, or expansive open-plan activities. As detailed in the methodology section concerning interior space characteristics, this system is designed for practical, rapid, and cost-effective spatial reorganization. As illustrated in Figure 23, interior wall configurations vividly demonstrate eight distinct interior arrangements achievable by manipulating the flexible walls along the integrated rail system. This dynamic approach to interior architecture maximizes utility and responsiveness within a given footprint.
Figure 23.
Spatial variety offered by flexible wall and rail systems with different configurations.
In post-disaster housing, this flexibility is a critical advantage as user needs may change rapidly. The system allows for both large communal areas for emergency shelter and private, personalized spaces for long-term living. Moreover, it can easily adapt to changing life conditions such as growing families, remote work, or large gatherings. Therefore, flexible wall systems provide not only shelter but also functional, user-centered, and quality-of-life-enhancing permanent housing solutions. By utilizing sliding panel walls, the design ensures rapid adaptation to different usage scenarios. The living area and dining space are separated by flexible walls that can be slid to create a larger unified living area when needed.
Figure 24 illustrates a foldable bed system that exemplifies a highly adaptable furniture solution, offering significant utility in diverse living environments, particularly within post-disaster housing. This design facilitates the multifunctional use of interior spaces, allowing areas to seamlessly transition between different programmatic functions, for instance, a living room during daylight hours can be readily converted into a sleeping area at night. Such a system provides a rapid and practical response to evolving accommodation needs in emergency or transitional housing scenarios. Its wall-integrated design is crucial for optimizing space utilization, enabling occupants to leverage their living environments with enhanced efficiency. As detailed in the materials and methods section concerning interior features, this adaptable wall system represents a key approach to achieving enhanced spatial flexibility and promoting the multifunctional use of limited interior volumes.
Figure 24.
Flexible furniture system: foldable bed design.
In post-disaster environments, where resource scarcity often limits access to conventional furnishings, the provision of flexible and modular interior furniture is critical. Such adaptability allows spaces to serve multiple functions, thereby creating more personalized and responsive living environments. To address this need, a specialized algorithm has been developed for post-disaster scenarios. This algorithm facilitates the dynamic design and adaptation of interior elements to specific user requirements and spatial conditions. For instance, seating arrangements can be reconfigured to optimize space utility based on activity. Similarly, lighting systems can be flexibly adjusted to control ambient atmosphere and optimize illumination. Furthermore, wall patterns and surface finishes can be customized to enhance the esthetic and functional character of the space, thereby improving the overall user experience. This flexible furniture system, derived from the algorithm illustrated in Figure 7, produces the adaptable outputs depicted in Figure 25.
Figure 25.
Algorithm developed for flexible furniture and example of low-cost furniture production with 3D printing.
Due to the economic losses following disasters, users often struggle to acquire interior furnishings and materials. Therefore, the proposed algorithm facilitates easy and low-cost production using local materials and 3D printing technologies. Figure 25 illustrates flexible, adaptable interior designs created with the developed algorithm. These designs feature flexible furniture that offers various functional spaces. As a result, interior spaces can be used more dynamically and diversely, allowing users to personalize their living environments and adapt them to their daily changing needs.
4.4. Strength and Limitation of Study
The proposed construction model offers notable advancements over existing 3D-printed housing projects like Contour Crafting (USA, 2020), Milestone (Netherlands, 2018), and WinSun China (China, 2015). While these pioneering efforts have successfully showcased the speed and cost-effectiveness of additive manufacturing in construction exemplified by WinSun China’s rapid assembly of a five-story building in just five days, our model introduces critical additional benefits. Specifically, it prioritizes user participation, the integration of local materials, and enhanced design flexibility. These elements are crucial for fostering local economic development and community self-reliance, thereby contributing to both environmental and socioeconomic sustainability. However, the effective implementation of this model faces significant challenges, particularly the lack of technological knowledge and skilled labor, alongside cost-related barriers. Proficient utilization of parametric design and 3D printing technologies demands specialized expertise. Therefore, comprehensive training and capacity-building programs are indispensable, especially in regions with nascent technological infrastructures. Such initiatives should empower local workforces to adapt to these innovative technologies and enable active community involvement in the construction of their own dwellings. The sustained success of these educational programs hinges on the active participation and support of local governments, Non-Governmental Organizations (NGOs), and academic institutions, with curricula meticulously tailored to specific local needs and conditions.
Despite the significant promise of integrating 3D printing into the construction industry, particularly for post-disaster permanent housing, several technical and operational limitations remain. Current 3D printers often have limited height capacity, hindering the construction of multi-story buildings and frequently requiring the use of conventional methods for structural elements like roofs. The inherent layered manufacturing process introduces considerable stress from successive layers onto the ones beneath, increasing the susceptibility of materials with low tensile strength, such as concrete, to deformation and buckling. This phenomenon can be quantitatively explained by engineering principles such as Euler’s buckling theory and the moment of inertia of cross-sections. Beyond these structural considerations, logistical challenges further constrain the widespread feasibility of 3D printing in this context. These include issues related to printer portability, the consistent supply of energy and raw materials, and effective management of the curing process under diverse field conditions. Consequently, improving the applicability of 3D printing in large-scale construction demands advancements in both structural analysis techniques and technological capacities.
The successful implementation of the proposed model depends not only on technological infrastructure but also on the knowledge level and capacity of local communities. The effective use of parametric design tools and 3D printing technologies requires a certain degree of technical expertise, which is often limited in many regions. Therefore, comprehensive training programs are essential to build local skills and empower communities to actively participate in the construction process. In areas lacking access to technological knowledge, external support and technical consultancy become critical for the sustainable adoption of the model.
It is also important to acknowledge broader limitations. A significant hurdle, especially in developing countries, is the dearth of technological knowledge and skilled personnel, coupled with the high initial capital expenditure associated with 3D printers. While the long-term cost-effectiveness of 3D printing is evident, this substantial upfront investment can impede widespread adoption without adequate financial support. The limitation in constructing high-rise structures is a critical constraint; as Euler’s buckling theory demonstrates, the critical buckling load diminishes rapidly with increasing height, often necessitating hybrid construction approaches where upper floors and roofs are built using traditional methods. In construction utilizing additive manufacturing methods, each new layer is deposited on top of the previous one, leading to a cumulative increase in load and pressure throughout the building process. This presents significant challenges in terms of structural stability and load distribution. For instance, in the case of tall walls, the increasing load on the lower layers can result in deformation or even structural failure. It is estimated that each additional 10 cm layer may exert an extra pressure of 20–30 kPa on the underlying material, potentially exceeding the material’s strength threshold and causing irreversible deformation. Finally, successful replication across varied geographic and climatic conditions will require further dedicated research and adaptation.
To truly advance post-disaster housing solutions, future research should prioritize the integration of 3D printing with Artificial Intelligence (AI) and Machine Learning (ML). AI can significantly enhance this process by accurately analyzing user requirements, enabling autonomous 3D printing to minimize human intervention, proactively identifying and preventing construction errors, and optimizing printing parameters to boost quality while curbing material waste. Complementary to this, ML algorithms can leverage historical printing data to anticipate future defects, facilitate real-time adjustments, and pinpoint optimal parameters for fabricating robust, high-quality structures. Beyond this integration, innovations like multi-material printing, nano-printing, bioprinting, and 4D printing hold immense promises for creating more intricate and functional structures, which would enable swifter and more resilient post-disaster housing. Future studies need to explore how these cutting-edge technologies can be more effectively deployed in post-disaster housing design. Key research avenues include optimizing 3D printers, developing intuitive and efficient parametric design software, and refining housing construction processes through other digital fabrication techniques.
On an urban scale, the synergy between large databases (Big Data) of regional information and integrated AI-3D printing systems could pave the way for more autonomous and extensive post-disaster deployments. Imagine 3D printers equipped with advanced robotics, accessing local material data from vast databases, capable of autonomously constructing housing even in challenging terrains with minimal human oversight. Ultimately, successful implementation demands robust interdisciplinary collaboration among architects, engineers, urban planners, sociologists, and psychologists. This ensures that future housing models are not only technologically advanced but also profoundly socially and environmentally responsive.
The proposed model introduces an innovative approach to post-disaster housing by offering flexible and modular solutions that streamline the transition from temporary shelter to permanent dwellings. This modularity enables the reconfiguration of structures to fulfill diverse functions, addressing not only the immediate need for shelter for disaster-affected populations but also supporting their long-term socioeconomic development. The model’s design integrates technological innovations with a comprehensive consideration of social and environmental sustainability. Beyond mere cost-effectiveness, it actively promotes social justice and equitable access through a participatory design process. This approach encourages user involvement in housing design, ensuring that the resulting homes genuinely reflect the specific needs and cultural characteristics of the communities they serve.
Unlike many existing 3D-printed housing initiatives presented in Table 1, which primarily focus on delivering standardized, fixed-format residential units, the proposed model introduces a novel, flexible, and adaptive system that operates seamlessly across both architectural and urban scales. The distinctiveness of this model lies in its multi-scalar, modular structure, which enables interaction between users and designers at various levels of decision-making through parametric customization. Each unit is defined within a 5 × 5 m grid and can be spatially and functionally reconfigured in response to evolving user needs and contextual conditions.
While most existing precedents emphasize rapid deployment and cost-efficiency, they often lack spatial flexibility, environmental integration, and meaningful user participation in the design process. In contrast, the proposed model leverages parametric design algorithms that allow both professionals and end-users to modify even the smallest components of the system in real time. This facilitates a participatory design environment in which users can engage not only in configuring individual living spaces but also in the co-creation of communal structures such as schools, markets, or religious facilities tailored to localized social and cultural requirements.
Moreover, the model extends beyond temporary shelter provision by offering a continuous and scalable design logic, linking individual housing units to broader public and infrastructural systems. This nested configurability represents a significant departure from monofunctional 3D-printed housing projects, positioning the model as a participatory urban solution adaptable to different spatial and societal contexts. In this regard, flexibility and adaptability are not abstract ideals but embedded operational parameters integral to both the design and implementation processes.
Ultimately, this approach establishes a customizable, user-centered, and resilient architectural framework, setting the proposed model apart from previously published 3D-printed housing efforts in both its conceptual and practical dimensions.
5. Conclusions
The integration of advanced manufacturing technologies, especially 3D printing, into the construction sector represents a burgeoning area of research and application, particularly for post-disaster permanent housing solutions. This technology offers compelling advantages, notably rapid response to urgent shelter needs, cost reduction, and considerable geometric flexibility. However, its widespread adoption faces challenges, including issues of material compatibility, equipment scalability, and various managerial complexities. Despite these hurdles, the substantial potential of 3D printing to provide innovative, rapid, and cost-effective solutions to critical shelter demands in disaster recovery remains a significant driver for its continued development and integration.
This technology offers significant advantages, including accelerated production times and reduced labor demands. It also provides enhanced design flexibility, enabling the creation of user-oriented spatial solutions. The utilization of cost-effective and recyclable materials further contributes to its environmental sustainability. Moreover, this approach facilitates the development of modular building systems that can be readily adapted to the diverse socio-cultural needs of communities impacted by disasters. This inherent adaptability supports the personalization of housing and the creation of settlement models that are highly responsive to specific local contexts. The integration of parametric design with digital fabrication techniques amplifies this flexibility, streamlining architectural design processes and bolstering the capacity for rapid intervention during crises.
Our research indicates that integrating parametric design with 3D printing technologies yields housing solutions characterized by flexibility, modularity, and a user-centered approach. These advanced manufacturing methods facilitate rapid and cost-effective construction while simultaneously promoting the utilization of local resources and materials, thereby enhancing environmental sustainability. Nevertheless, the broad implementation and widespread applicability of these technologies are contingent upon critical factors such as the accessibility of local resources, the technological literacy within communities, and prevailing economic considerations. While the initial capital investment in acquiring 3D printing technology can be substantial, our analysis indicates significant long-term economic advantages. These benefits primarily stem from accelerated housing production and reduced labor requirements, leading to a decrease in overall project expenses. For instance, 3D-printed structures demand considerably less on-site labor than conventional construction methods and drastically shorten construction timelines, facilitating a more rapid and efficient response to post-disaster emergency housing demands.
To overcome the barrier of high upfront costs and promote broader adoption, we recommend that governments implement financial support mechanisms. These could include tax incentives, subsidies, or low-interest loans. Furthermore, the proposed model enhances cost-effectiveness and fosters social sustainability by actively engaging users in the design process. Emphasizing the use of local materials not only contributes to environmental sustainability but also invigorates local economies. The integration of advanced technologies in post-disaster housing also offers considerable advantages in terms of energy efficiency and a reduced environmental footprint, achieved through the utilization of energy-efficient materials and renewable energy sources. This comprehensive approach promotes environmental sustainability at both individual and community scales.
The model’s modular and adaptable structure offers flexibility to accommodate varying user needs and regional conditions. Its capacity to respond to demographic changes, environmental variations, and cultural contexts enhances its long-term sustainability. Additionally, the use of 3D printing enables faster construction processes compared to traditional methods, which is particularly advantageous in post-disaster contexts where timely shelter is crucial. However, ensuring a balance between construction speed and quality remains vital. Integrating local labor into the production process not only supports economic resilience but also fosters community engagement.
Prototype and simulation studies have provided valuable insights into the model’s real-world applicability by identifying areas for improvement and testing its scalability across different contexts. These findings contribute to refining the model and increasing its relevance in diverse socioeconomic and geographical settings.
In conclusion, the integration of parametric design and 3D printing technologies presents innovative and sustainable solutions for post-disaster housing. Yet, to ensure their effective application, it is necessary to address gaps in technological literacy, enhance local capacities, and promote flexible, participatory approaches. Future studies should further explore the model’s adaptability across a range of environmental and social conditions.
Author Contributions
Conceptualization, A.M. and A.W.A.; methodology, A.M. and A.W.A.; software, A.M.; validation, A.M.; formal analysis, A.M. and A.W.A.; investigation, A.M.; resources, A.M. and M.I.; data curation, A.M.; writing—original draft preparation, A.M. and A.W.A.; writing—review and editing, A.M. and A.W.A.; visualization, A.M.; supervision, M.I.; funding acquisition, M.I. All authors have read and agreed to the published version of the manuscript.
Funding
This research received no external funding.
Data Availability Statement
The original contributions presented in the study are included in the article; further inquiries can be directed to the corresponding authors.
Acknowledgments
The research presented in this study was conducted within the framework of the first author Ali Mehdizade’s doctoral dissertation.
Conflicts of Interest
The authors declare no conflicts of interest.
Appendix A
1. Parametric Algorithm for Modular System Implementation at the Neighborhood Scale
- (a)
- Grid Generation
The initial step involves generating a basic 5 × 5 coordinate grid, which serves as the foundation for placing modular blocks:
// Grid generation
construct point
x = 0, 1, 2, 3, 4
y = 0, 1, 2, 3, 4
z = 0
grid points = construct point (x, y, z)
- (b)
- Defining Modular Blocks
Each cell in the grid is defined as a modular block. This is achieved using the List Item component to extract grid points and the Rectangle component to define a 1 × 1 unit block at each point:
// Defining blocks
rectangle base = grid points
size = 1.1
rectangles = rectangle (base, size)
- (c)
- Creating Block Combinations
To explore different spatial configurations, the algorithm uses the Series component to define translation vectors, and the Move component to reposition blocks horizontally and vertically:
// Creating block combinations
translations = series (start = 0, step = 1, count = 4)
move vectors = [translations, 0, 0], [0, translations, 0], [-translations, 0, 0], [0, -translations, 0]
moved rectangles = move (rectangles, move vectors)
- (d)
- Merging and Displaying Combinations
The moved blocks are then merged with the original ones using Boolean operations to display alternative layout scenarios:
// Merging and visualizing combinations
combined rectangles = join (rectangles, moved rectangles)
2. Parametric Algorithm for Public Space Planning Using Modular Systems
The algorithm operates on a two-dimensional square grid and uses probabilistic logic to determine the placement of public blocks within this grid.
At the scale of public spaces, modular systems play a critical role in addressing community needs, especially in post-disaster scenarios. The proposed model enables the integration of diverse public functions such as community farms, markets, cafés, schools, health centers, and energy infrastructure through 3D printing technology. This approach supports long-term sustainability and improves quality of life in affected areas.Using Grasshopper’s parametric design tools and Python scripting, a grid-based spatial algorithm has been developed. This algorithm facilitates flexible placement of both housing units and essential public facilities, making it adaptable to urban-scale interventions.
- (a)
- Grid Generation
The urban area is modeled as an N × N matrix. Each cell represents a potential building plot of size c × c.
- Mathematical Representation:
- Grid = { (i · c, j · c) | 0 ≤ i, j < N}
- Where
- -N: Number of grid cells per axis (e.g., 20)
- -c: Length of a single cell edge (e.g., 10 units)
- (b)
- Grid Point Calculation
- Each corner point of the grid is generated using coordinate iteration:
- import rhinoscriptsyntax as rs
- def generate_grid(grid_size, cell_size):
- points = []
- for i in range(grid_size):
- row = []
- for j in range(grid_size):
- row.append(rs.AddPoint(i * cell_size, j * cell_size, 0))
- points.append(row)
- return points
- (c)
- Block Placement Based on Density
A random value is generated for each cell to determine whether a block should be placed, according to a predefined density threshold d. If the value is less than d, a block is placed.
- Mathematical Logic:
- Block = {
- Add Block if rand < d
- No Block otherwise
- }
- import random
- def create_blocks(points, cell_size, density = 0.2):
- blocks = []
- for row in points:
- for point in row:
- if random.random() < density:
- blocks.append(rs.AddRectangle(point, cell_size, cell_size))
- return blocks
- (d)
- Final Execution Parameters
- grid_size = 20 # Grid size (20 × 20)
- cell_size = 10 # Cell size (10 units)
- density = 0.3 # Block density (30%)
- # Execution
- points = generate_grid(grid_size, cell_size)
- blocks = create_blocks(points, cell_size, density)
3. Urban Scale Modular Planning Algorithm
The algorithm begins by establishing a base grid pattern, which acts as the structural matrix for the city. Grid density and pattern configurations are modifiable to meet varied design needs. The street network is then defined using controllable parameters, and urban blocks are created and subdivided to introduce functional variation.
Algorithm Implementation (Python Code)
- import rhinoscriptsyntax as rs
- # Step 1: Create Grid Pattern from Image
- def create_grid_pattern(image_path, grid_size):
- pattern_image = rs.PictureFrame(image_path)
- grid_points = []
- for x in range(0, rs.SurfaceDomain(pattern_image, 0)[1], grid_size):
- for y in range(0, rs.SurfaceDomain(pattern_image, 1)[1], grid_size):
- grid_points.append((x, y, 0))
- return grid_points
- # Step 2: Generate Street Network
- def create_street_network(grid_points, min_length, max_length, deviation, seed):
- street_network = []
- for point in grid_points:
- new_street = rs.AddLine(point, (point[0] + max_length, point[1] + deviation, point[2]))
- street_network.append(new_street)
- return street_network
- # Step 3: Subdivide Blocks Based on Street Network
- def subdivide_blocks(street_network, num_divisions):
- subdivided_blocks = []
- for street in street_network:
- block = rs.OffsetCurve(street, rs.CurveLength(street)/num_divisions)
- subdivided_blocks.append(block)
- return subdivided_blocks
References
- Kantaros, A.; Petrescu, F.I.T.; Brachos, K.; Ganetsos, T.; Petrescu, N. Leveraging 3D Printing for Resilient Disaster Management in Smart Cities. Smart Cities 2024, 7, 3705–3726. [Google Scholar] [CrossRef]
- Özmen, B. 17 Ağustos 1999 İzmit Körfezi Depremi Nin Hasar Durumu Rakamsal Verilerle; Türkiye Deprem Vakfı: İstanbul, Turkey, 2000. [Google Scholar]
- Earthquake Risk|FEMA.Gov. Available online: https://www.fema.gov/emergency-managers/risk-management/earthquake (accessed on 12 June 2025).
- UNFCCC. United Nations Climate Change, 2022; United Nations Framework Convention on Climate Change: Bonn, Germany, 2022; ISBN 9789292192020. [Google Scholar]
- Syaputra, T.A.; Rarasati, A.D. A Conceptual Framework for Implementing Lean Construction and Building Information Modeling (BIM) in Post-Disaster Housing Reconstruction Projects. IOP Conf. Ser. Earth Environ. Sci. 2023, 1173, 012065. [Google Scholar] [CrossRef]
- Natural Disaster Databook 2022 an Analytical Overview; Asian Disaster Reduction Center: Kobe, Japan, 2022.
- De Schutter, O. The Right to Adequate Nutrition. Development 2014, 57, 147–154. [Google Scholar] [CrossRef]
- Quarantelli, E.L. Patterns of Sheltering and Housing in US Disasters. Disaster Prev. Manag. An Int. J. 1995, 4, 43–53. [Google Scholar] [CrossRef]
- Bilau, A.A.; Witt, E.; Lill, I. Practice Framework for the Management of Post-Disaster Housing Reconstruction Programmes. Sustainability 2018, 10, 3929. [Google Scholar] [CrossRef]
- Subramanya, K.; Kermanshachi, S. Exploring Utilization of the 3D Printed Housing as Post-Disaster Temporary Shelter for Displaced People. In Proceedings of the ASCE Construction Research Congress (CRC), Arlington, VA, USA, 9–12 March 2022; pp. 594–604. [Google Scholar] [CrossRef]
- Meher, B.K.; Das, L.; Mohanty, A.K. Design and Optimization of Post Disaster Relief Structure. Asian J. Clin. Pediatr. Neonatol. 2023, 2, 1–2. [Google Scholar]
- Izadinia, N.; Ramyar, E.; Alzayer, M.; Carr, S.H.; Cusatis, G.; Dwivedi, V.; Garcia, D.J.; Hettiarachchi, M.; Massion, T.; Miller, W.M.; et al. A Versatile Optimization Framework for Sustainable Post-Disaster Building Reconstruction. Optim. Eng. 2021, 24, 2079–2114. [Google Scholar] [CrossRef]
- Waheed, A.R. Benefits of 3D Printing as A Sustainable Building Technology for Post-Disaster Housing. J. Energy Technol. Policy 2022, 12, 2224–3232. [Google Scholar] [CrossRef]
- Rodríguez-espíndola, O. Can 3D Printing Address Operations Challenges in Disaster Management? In Proceedings of the 25th Euroma Conference, Milan, Italy, 13–18 June 2025; pp. 1–10. [Google Scholar]
- Van Den Bergh, J.; Nieuw, C.; Slob, W.; Escalante Suarez, M.; Velema, P. Lou Modular 3D Printing Construction: Towards Affordable, Adjustable and Climate-Resilient Housing; Wageningen University: Wageningen, The Netherlands, 2022. [Google Scholar]
- Mistry, P.B.; Pitroda, P.J.R.; Patel, R.L. Advancements and Challenges of 3D Printing in Residential Construction: A Review of Benefits, Applications, and Barriers to Adoption. Int. J. Constr. Res. Civ. Eng. 2025, 9, 14–23. [Google Scholar] [CrossRef]
- Alim Khan, S.; Al Rashid, A.; Muhammad, J.; Ali, F.; Koc, M. 3D Printing Technology for Rapid Response to Climate Change: Challenges and Emergency Needs. Intell. Sustain. Manuf. 2024, 1, 10004. [Google Scholar] [CrossRef]
- Bazli, M.; Ashrafi, H.; Rajabipour, A.; Kutay, C. 3D Printing for Remote Housing: Benefits and Challenges. Autom. Constr. 2023, 148, 104772. [Google Scholar] [CrossRef]
- Coilolo River Pedestrian Bridge; 3D-Printed Houses as Disaster Relief in the United States. Available online: https://libraetd.lib.virginia.edu/public_view/wh246t41x (accessed on 23 June 2025).
- Sabahattin Zaim Üniversitesi, İ.; Hizmet Bölümü, S. Cilt: 2, Sayı: 1, Ss. 1–15. Turkish J. Soc. Work Year 2018, 2, 1–15. [Google Scholar]
- Akdur, R. Afetler ve Afetlerde Sağlık Hizmetleri. Türkiye Sorunlarına Çözüm Konferansı-3/21; Yüzyılda: Ankara, Türkiye, 2000; pp. 1–16. [Google Scholar]
- Şahin, C.; Sipahioğlu, Ş. Doğal Afetler ve Türkiye; Gündüz Eğitim ve Yayıncılık: Ankara, Turkey, 2003; ISBN 9789756859292. [Google Scholar]
- Kadıoğlu, M.; Özdamar, E. Afet Zararlarini Azaltmanin Temel İlkeleri; JICA Turkey Ofisi: Ankara, Turkey, 2008; ISBN 978-975-98140-1-4. [Google Scholar]
- Gökçekuş, H.; Barlas, C.; Almuhisen, M.; Eyni, N. Doğal ve Insan Kaynaklı Afetler, Sonuçları ve Afet Yönetimi; Yakın Doğu University: Lefkoşa, Cyprus, 2018. [Google Scholar]
- Neuendorf, K.K.E.; Mehl, J.P.; Jackson, J.A. The Glossary of Geology, 5th revision ed.; American Geosciences Institute: Alexandria, VA, USA, 2011; ISBN 978-0922152896. [Google Scholar]
- White, G.F.; Haas, J.E. Assessment of Research on Natural Hazards; MIT Press: Cambridge, MA, USA, 1975; References—Scientific Research Publishing; Available online: https://www.scirp.org/reference/referencespapers?referenceid=2514833 (accessed on 12 June 2025).
- Layaoen, C. Emergency Architecture: A Temporary Housing Solution for Post-Disasters in Hawaii; University of Hawaii at Manoa: Honolulu, HI, USA, 2022. [Google Scholar]
- Turner, J.F.C. Housing by People: Towards Autonomy in Building Environments; 9780714525693: Amazon.Com: Books. Available online: https://www.amazon.com/Housing-People-Autonomy-Building-Environments/dp/0714525693 (accessed on 12 June 2025).
- Barakat, S. Housing Reconstruction after Conflict and Disaster; Overseas Development Institute: London, UK, 2003.
- Félix, D.; Monteiro, D.; Branco, J.M.; Bologna, R.; Feio, A. The Role of Temporary Accommodation Buildings for Post-Disaster Housing Reconstruction. J. Hous. Built Environ. 2015, 30, 683–699. [Google Scholar] [CrossRef]
- Çınar, A.K.; Akgün, Y.; Maral, H. Afet Sonrası Acil Toplanma ve Geçici Barınma Alanlarının Planlanmasındaki Faktörlerin İncelenmesi: İzmir-Karşıyaka Örneği. J. Plan. 2018, 28, 179–200. [Google Scholar]
- Savaşir, K. Afet Sonrası Uygulanacak ve Geçiciden Kalıcıya Dönüştürülecek Konut Tasarımları Için Türkiye Koşullarına Uygun Yapım Sistemlerinin Irdelenmesi. Ph.D. Thesis, Dokuz Eylul Universitesi, İzmir, Turkey, 2008. [Google Scholar]
- Peacock, W.G.; Dash, N.; Zhang, Y.; Van Zandt, S. Post-Disaster Sheltering, Temporary Housing and Permanent Housing Recovery. In Handbook of Disaster Research. Handbooks of Sociology and Social Research; Rodríguez, H., Donner, W., Trainor, J., Eds.; Springer: Cham, Switzerland, 2018; pp. 569–594. [Google Scholar] [CrossRef]
- Bedur, C. Sürdürülebilir Yapı Tasarımının Sakarya-Ferizli Ilçesi Afet Sonrası Kalıcı Konut Uygulamalarında Irdelenmesi. Master’s Thesis, Yildiz Technical University, Istanbul, Turkey, 2011. [Google Scholar]
- Bashawri, A.; Garrity, S.; Moodley, K. An Overview of the Design of Disaster Relief Shelters. Procedia Econ. Financ. 2014, 18, 924–931. [Google Scholar] [CrossRef]
- Félix, D.; Branco, J.M.; Feio, A. Temporary Housing after Disasters: A State of the Art Survey. Habitat Int. 2013, 40, 136–141. [Google Scholar] [CrossRef]
- Askar, R. From Temporary to Permanente, Incremental Housing Vision for the City of Homs. Master’s Thesis, University of Minho, Portugal, 2018. [Google Scholar]
- Karaduman, N.E. 1999 Doğu Marmara Depremleri Sonrası Üretilen Kalıcı Konutların Değerlendirilmesi; Fen Bilimleri Enstitüsü: Istanbul, Turkey, 2002. [Google Scholar]
- Hany Abulnour, A. The Post-Disaster Temporary Dwelling: Fundamentals of Provision, Design and Construction. HBRC J. 2014, 10, 10–24. [Google Scholar] [CrossRef]
- Yakın, Ö. Afet Konutlarinda Esnekli̇k Deği̇şebi̇li̇rli̇k Kavramlari. Proficiency in. Art Thesis, Hacettepe University, Ankara, Turkey, 2018. [Google Scholar]
- Walker, R.; Wagemann, E.; Garay Moena, R.M.; Tapia Zarricueta, R.; Domínguez, M. Habitabilidad Transitoria en Desastres en Chile: Experiencia en el Período 2014–2017; ONEMI: Santiago, Chile, 2018; ISBN 9789560912916. [Google Scholar]
- ICON + New Story + ECHALE Unveil First Homes in 3D-Printed…—ICON. Available online: https://www.iconbuild.com/newsroom/icon-new-story-echale-unveil-first-homes-in-3d-printed-community (accessed on 13 June 2025).
- Bu Ev 24 Saatten Daha Azında 3D Baskılı—2025|Tech. Available online: https://tr.wordssidekick.com/this-house-was-3d-printed-in-less-than-24-hours-24011 (accessed on 13 June 2025).
- The BOD2|COBOD International. Available online: https://cobod.com/solution/bod2/ (accessed on 13 June 2025).
- Yingchuang Building Technique (Shanghai) Co., Ltd. (WinSun). Available online: https://winsun-global.com/ (accessed on 13 June 2025).
- 3D Printed Houses Changing The Way The World Is BuiltTM|SQ4D. Available online: https://www.sq4d.com/ (accessed on 13 June 2025).
- TECLA Technology and Clay 3D Printed House/Mario Cucinella Architects|ArchDaily. Available online: https://www.archdaily.com/960714/tecla-technology-and-clay-3d-printed-house-mario-cucinella-architects (accessed on 13 June 2025).
- First 3D Printed Multi-Story Houses Ready by 2025. Available online: https://www.tue.nl/en/news-and-events/news-overview/13-06-2024-first-3d-printed-multi-story-ho uses-ready-by-2025 (accessed on 13 June 2025).
- 3D Beton Yazıcı Teknolojisi. Available online: https://iston.istanbul/3d-beton-yazici-teknolojisi (accessed on 27 July 2025).
- Be More 3D Launched the Construction of the First 3D Printed House in Africa—3Dnatives. Available online: https://www.3dnatives.com/en/be-more-3d-first-3d-printed-house-africa-111020194/#! (accessed on 27 July 2025).
- Noennig, J.R.; Wiesenhütter, S. Parametric Ideation: Interactive Modeling of Cognitive Processes; Lecture Notes in Computer Science (Including Subseries Lecture Notes in Artificial Intelligence and Lecture Notes in Bioinformatics); Springer: Berlin/Heidelberg, Germany, 2013; Volume 8028 LNCS, pp. 225–234. [Google Scholar]
- Monedero, J. Parametric Design: A Review and Some Experiences. Autom. Constr. 2000, 9, 369–377. [Google Scholar] [CrossRef]
- Kolarevic, B. Architecture in the Digital Age: Design and Manufacturing; Taylor and Francis: Thames, UK, 2004; ISBN 9780203634561. [Google Scholar]
- Gil, J.; Duarte, J. Towards an Urban Design Evaluation Framework. In Proceedings of the 26th International Conference on Education and Research in Computer Aided Architectural Design in Europe (eCAADe), eCAADe, Ankara, Turkey, 6 June 2022; pp. 257–264. [Google Scholar]
- Panchuk, N. An Exploration into Biomimicry and Its Application in Digital & Parametric [Architectural] Design; University of Waterloo: Waterloo, ON, Canada, 2006; p. 203. [Google Scholar]
- Woodbury, R. Elements of Parametric Design; Routledge: Oxfordshire, UK, 2010; Volume 1, ISBN 978-0-415-77986-9. [Google Scholar]
- Akipek, F.Ö. Bilgisayar Teknolojilerinin Mimarlıkta Tasarım Geliştirme Amaçlı Kullanımları. Ph.D. Thesis, Yildiz Technical University, Istanbul, Turkey, 2004. [Google Scholar]
- Sakamoto, T. From Control to Design; Meredith, Michael, Mutsuro Sasaki, Designtoproduction, Aranda/Lash, and AGU; Actar Publishers: New York, NY, USA, 2008; ISBN 9788496540798. [Google Scholar]
- (PDF) Conceptual Design of High-Rises with Parametric Methods. Available online: https://www.researchgate.net/publication/30870071_Conceptual_Design_of_High-rises_with_Parametric_Methods (accessed on 14 June 2025).
- Andy Payne—Grasshopper, Rhino Compute, Teaching, Learning to Code & Gen AI · Getting Simple. Available online: https://gettingsimple.com/andy-payne (accessed on 23 June 2025).
- Sharaidin, K. Kinetic Facades: Towards Design for Environmental Performance. Ph.D. Thesis, RMIT University, Melbourne, VIC, Austrália, 2014. [Google Scholar]
- Özdemir, E.S. Geniş Açıklıklı Mekan Sitemlerinin Parametrikleştirilmesinde Bir Yöntem. Master’s Thesis, Yildiz Technical University, Istanbul, Turkey, 2016. [Google Scholar]
- Khabazi, Z. Generative Algorithms Using Grasshopper. Morphogenesism 2010, 2, 173. [Google Scholar]
- Cichocka, J.M.; Browne, W.N.; Rodriguez, E. Optimization in the Architectural Practice—An International Survey. In Proceedings of the 22nd Conference on Computer Aided Architectural Design Research in Asia (CAADRIA), CAADRIA, Xi’an, China, 6 June 2022; pp. 387–396. [Google Scholar]
- Palak, V. Biomimicry and Parametricism in Architecture—A Dissertation by Palak Verma, SPA New Delhi by Palak Verma—Issuu. Available online: https://issuu.com/palakverma24/docs/palak_verma_-_final_report/s/11530061 (accessed on 13 June 2025).
- Krishna, A. Flexible Housing: An Adaptable Prototype for Modern Urban Dwelling. Master’s Thesis, University of Cincinnati, Cincinnati, OH, USA, 2019. [Google Scholar]
- Costantini, M. Adaptable Architecture: Theory and Practice. Int. J. Build. Pathol. Adapt. 2017, 35, 434–435. [Google Scholar] [CrossRef]
- Estaji, H. A Review of Flexibility and Adaptability in Housing Design. Int. J. Contemp. Archit. 2017, 4, 37–49. [Google Scholar] [CrossRef]
- Till, J.; Schneider, T. Flexible Housing: The Means to the End. Archit. Res. Q. 2005, 9, 287–296. [Google Scholar] [CrossRef]
- Kronenburg, R. Flexible, Architecture That Responds to Change; Laurence King Publishing: London, UK, 2007; ISBN 9781856694612. [Google Scholar]
- Kronenburg, R. Designing Temporary Shelter for Post-Disaster Situations. J. Archit. Build. Sci. 2012, 18–21. Available online: https://www.academia.edu/35672556/Designing_Temporary_Shelter_for_Post_Disaster_Situations (accessed on 13 June 2025).
- Amazon.Com: 3D Printing Will Rock the World: 9781516946792: Hornick, John: Books. Available online: https://www.amazon.com/3D-Printing-Will-Rock-World/dp/1516946790 (accessed on 13 June 2025).
- Sharma, V.; Pandey, P.M. (Eds.) Additive and Subtractive Manufacturing Processes: Principles and Applications; CRC Press: Boca Raton, FL, USA, 2022; ISBN 9781003327394. [Google Scholar]
- Godec, D.; Gonzalez-gutierrez, J.; Nordin, A.; Pei, E.; Ureña, J. A Guide to Additive Manufacturing; Springer International Publishing: Cham, Switzerland, 2022; p. 324. [Google Scholar] [CrossRef]
- Amazon. Amazon.Com. Fabricated: The New World of 3D Printing. 9781118350638: Lipson, Hod, Kurman, Melba: Books. Available online: https://www.amazon.com/Fabricated-New-World-3D-Printing/dp/1118350634 (accessed on 14 June 2025).
- Molina-Siles, P.; Maruenda, F.J.C.; Costa, H.B.; Sanz, S.G. 3D Printing as a Technological Tool Geared Towards Architecture. In Congreso Internacional de Expresión Gráfica Arquitectónica; Springer International Publishing: Cham, Switzerland, 2017; pp. 1063–1073. [Google Scholar] [CrossRef]
- 3D Printers for Sale Online|WASP. Available online: https://www.3dwasp.shop/en/ (accessed on 13 June 2025).
- Florea, V.; Păuleţ-Crăiniceanu, F.; Luca, S.G.; Pastia, C. 3D Printing of Buildings. Limits, Design, Advantages and Disadvantages. Could This Technique Contribute to Sustainability of Future Buildings? Springer Series in Geomechanics and Geoengineering; Springer Science and Business Media Deutschland GmbH: Cham, Switzerland, 2021; pp. 298–308. [Google Scholar]
- 3D Printed House TECLA—Eco-Housing|3D Printers|WASP. Available online: https://www.3dwasp.com/en/3d-printed-house-tecla/ (accessed on 26 July 2025).
- Earthen Architecture: Past, Present and Future|C. Mileto, F. Vegas. Available online: https://www.taylorfrancis.com/books/edit/10.1201/b17392/earthen-architecture-past-present-future-vegas-mileto-cristini-garcía-soriano (accessed on 26 July 2025).
- Tarihi, G.; Güney, N.N. Straw Bale Usage as Building Material. Idealkent 2024, 16, 303–325. [Google Scholar] [CrossRef]
Disclaimer/Publisher’s Note: The statements, opinions and data contained in all publications are solely those of the individual author(s) and contributor(s) and not of MDPI and/or the editor(s). MDPI and/or the editor(s) disclaim responsibility for any injury to people or property resulting from any ideas, methods, instructions or products referred to in the content. |
© 2025 by the authors. Licensee MDPI, Basel, Switzerland. This article is an open access article distributed under the terms and conditions of the Creative Commons Attribution (CC BY) license (https://creativecommons.org/licenses/by/4.0/).








