A Comparative Study of Load Frequency Regulation for Multi-Area Interconnected Grids Using Integral Controller
Abstract
1. Introduction
1.1. Background and Challenges
1.2. Literature Review
1.3. Motivation and Scopes
1.4. Contribution and Paper Organization
- Designing an optimal LFC for a two-area, non-reheat thermal power system using an integral controller. The present work proposes an objective function and eight optimization techniques, including PSO, GA, SA, PS, NP, ILA, COA, and BOA, to optimize the parameters of the integral controller and frequency bias of the secondary loop in LFC.
- Providing deep analysis for LFC based on the integral controller. Different cases are used to describe the behavior of frequency and tie-line power flow deviations in the presence of load perturbation. Also, the system’s robustness to changes in the loading conditions and system parameters is analyzed. Furthermore, real-time simulation for the frequency and power deviations is provided.
- Assessing the effectiveness of the proposed approach in a two-area power system with GRC and GDB nonlinearity and a three-area power system.
- Evaluating the proposed approach in a three-area hybrid power system involving PV, WT, BESS, and EV.
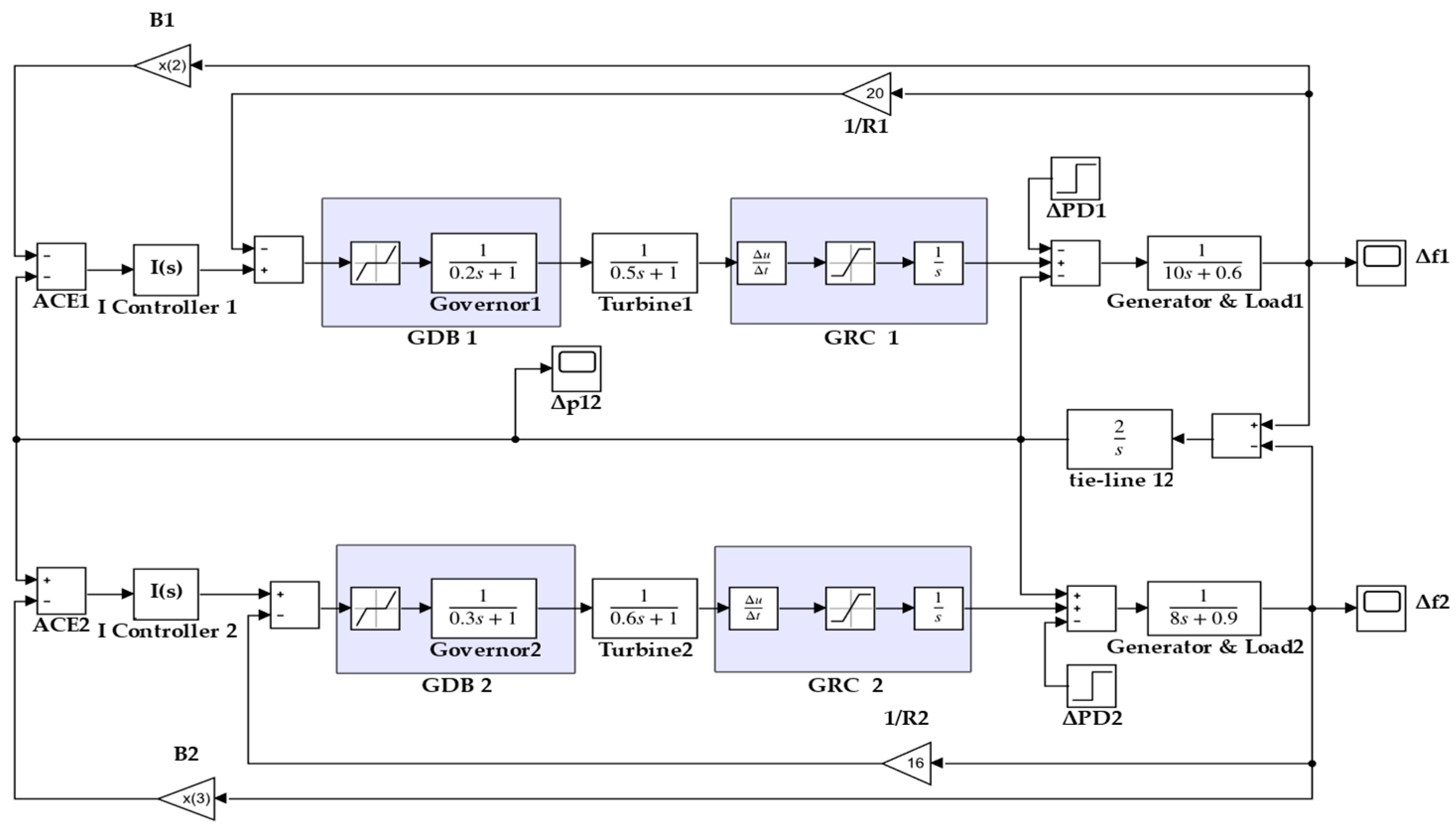
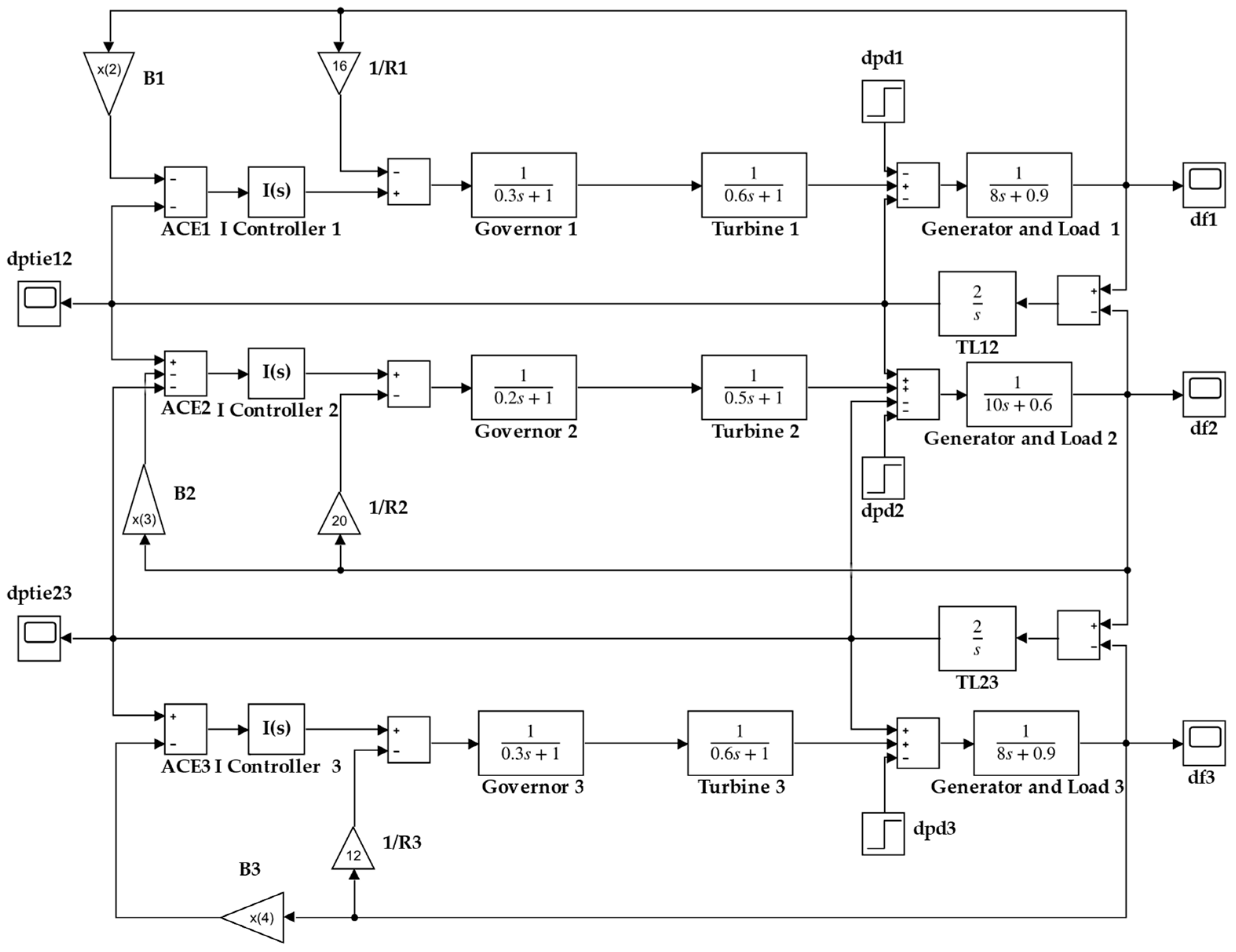
2. Load Frequency Control (LFC) Mathematical Model
3. Control Strategy
4. Methodology
5. Objective Function
6. Optimization Techniques
6.1. Nonlinear Programming
6.2. Genetic Algorithms
- Create a random population.
- Evaluate population fitness.
- Choose the population’s fittest members.
- Implement crossover operations.
- Put low-probability mutation operations into action.
- Continue performing the fitness analysis until the convergence condition is satisfied.
6.3. Particle Swarm Optimization
6.4. Simulated Annealing
6.5. Pattern Search
6.6. Incomprehensible but Intelligible-in-Time Logics Algorithm
6.7. Coati Optimization Algorithm
6.8. Brown-Bear Optimization Algorithm
6.9. Work Procedures Using the Selected Techniques
7. Results and Discussion
7.1. Optimization Techniques Results
7.2. Simulation Results
- Case 1: the load changes interpreted as = 0.1875 (p.u.) and = 0.0 (p.u.);
- Case 2: the load changes interpreted as = 0.0 (p.u.) and = 0.1875 (p.u.);
- Case 3: the load changes interpreted as = 0.1875 (p.u.) and = 0.1875 (p.u.);
- Case 4: the load changes interpreted as = 0.1 (p.u.) and = −0.2 (p.u.).
7.2.1. Case 1: Step Load Change in Area 1
7.2.2. Case 2: Step Load Change in Area 2
7.2.3. Case 3: Step Load Change in Both Areas
7.2.4. Case 4: Step Load Increment in Area 1 and Decrement on Area 2
7.3. Sensitivity Analysis
7.4. Real-Time Simulation
7.5. Comparison Analysis
7.6. Extension to Two-Area Power System with GRC and GDB Nonlinearity
7.7. Extension to Three-Area Power System
7.7.1. Investigation of Additional Cases
- Case 1: a 5% ramp load increase in area 2 from t = 0 to t = 10 s;
- Case 2: a pulse load disturbance of 20% magnitude and 5 s duration in area 3 at t = 15 s.
Case 1: Ramp Load
Case 2: Pulse Load
7.8. Extension to Three-Area Power System with RESs, BESS, and EVs
7.9. Summary of the Results
- PSO proved its superiority for tuning the optimal parameters of integral controller and frequency bias by minimize the value of the objective function for two-area power system with/without GRC and GDB nonlinearity while NP showed its advantage with changing load powers. Moreover, ILA outperformed the other techniques with regard to the robustness analysis.
- For the three-area power system, ILA performs the best in dealing with tuning the optimal parameters of the integral controller and frequency bias by minimizing the value of the objective function.
- For hybrid three-area multi sources power system with RESs, BESS, and EVs, PSO performs the best in dealing with tuning the optimal parameters of the integral controller and frequency bias by minimizing the value of the objective function.
8. Conclusions
Author Contributions
Funding
Institutional Review Board Statement
Informed Consent Statement
Data Availability Statement
Acknowledgments
Conflicts of Interest
Nomenclature
| LFC | Load frequency control |
| I | Integral |
| PSO | Particle swarm optimization |
| GA | Genetic algorithm |
| SA | Simulated annealing |
| PS | Pattern search |
| NP | Nonlinear programming |
| ILA | Incomprehensible but intelligible-in-time logics algorithm |
| COA | Coati optimization algorithm |
| BOA | Brown-bear optimization algorithm |
| GDB | Governor dead band |
| GRC | Generation rate constraint |
| RESs | Renewable energy sources |
| PV | Photovoltaic |
| WT | Wind turbine |
| BESS | Battery energy storage system |
| EV | Electric vehicle |
| Subscript referring to area (i = 1, 2, 3) | |
| Area control error of area i | |
| The change in frequency of area i (Hz) | |
| The change in tie-line real power of tie area i–area j (p.u) | |
| The changes in steam valve position in area i (p.u) | |
| The change in turbine output powers in area i (p.u) | |
| The change in the electrical power in area i (p.u) | |
| The change in the load in area i (p.u) | |
| The governor output command in area i (p.u) | |
| The change in the reference power setting in area i (p.u) | |
| The output of the integral controller of area i | |
| The synchronizing coefficient (p.u) | |
| Governor time constant of area i (s) | |
| Turbine time constant of area i (s) | |
| The inertia constant of area i (s) | |
| Percent change in load divided by percent change in frequency in area i (p.u/Hz) | |
| The generator and load gain of area i | |
| The generator and load time constant of area i (s) | |
| Frequency bias factor of area i (p.u/Hz) | |
| Area frequency response characteristic of area i (p.u/Hz) | |
| The speed regulation of the governor of area i (Hz/p.u) | |
| Gain of integral controller in area i. | |
| The proposed objective function | |
| Integral of squared error | |
| Integral of time multiplied absolute error | |
| Settling time of the response (s) | |
| The minimum value of the response (Hz)—(p.u) | |
| The maximum value of the response (Hz)—(p.u) | |
| The peak amplitude of the response (Hz)—(p.u) | |
| Simulation time (s) |
Appendix A
| Area | 1 | 2 |
|---|---|---|
| Speed regulation | ||
| Frequency dependency of load | ||
| Inertia constant | H = 5 | H = 4 |
| Base power | 1000 MVA | 1000 MVA |
| Governor time constant | s | s |
| Turbine Time constant | s | s |
| Integral controller gain | ||
| Frequency bias factor | ||
| Synchronizing power coefficient | = 2.0 p.u. | |
| Nominal system frequency | = 60 Hz | |
Appendix B
- GRC = ∓0.03 per minutes.
- GDB = ∓0.0336 Hz.

Appendix C

| Area | 1 | 2 | 3 |
|---|---|---|---|
| Speed regulation | |||
| Frequency dependency of load | |||
| Inertia constant | H = 4 | H = 5 | H = 4 |
| Governor time constant | s | s | s |
| Turbine Time constant | s | s | s |
| Frequency bias factor | |||
| Synchronizing power coefficient | and = 2.0 per unit | ||
Appendix D

| Plant | Parameter | Nomenclature | Value |
|---|---|---|---|
| Thermal | Speed regulation | and | |
| Governor time constant | s | ||
| Steam turbine time constant | s | ||
| Steam turbine reheat time constant | 10 s | ||
| Steam turbine reheat coefficient | 0.5 | ||
| Hydro | Speed regulation | 2.4 | |
| Water starting time | 1 s | ||
| Electric governor derivative, proportional, and integralgains | , and | 4, 1 and 5, respectively | |
| PV | PV system’s gains | and | −18 and 900 |
| PV system’s time constants | and | 100 and 50 s | |
| WT | WT plant’s gains | , and | 1.25, 1 and 1.4, respectively |
| WT plant’s time constants | and | 6 and 0.041 s | |
| BESS | BESS time constant | s | |
| EV | EV time constant | 1 s | |
| Frequency bias factor | , and | 0.425 | |
| Synchronizing power coefficient | , and | 0.545 p.u. | |
| Frequency dependency of load | 0.00833 | ||
| Inertia constant | 5 s | ||
| The generator and load gain | 120 | ||
| The generator and load time constant | 20 s | ||
| Nominal system frequency | 60 Hz |
References
- Saadat, H. Power System Analysis, 3rd ed.; PSA Publishing LLC: New York, NY, USA, 2010; pp. 566–593. [Google Scholar]
- Ahmed, M.O.; Magzoub, M.A.; Salem, A. Load Frequency Control in Two Area Power System using GA, SA and PSO Algorithms: A Comparative Study. In Proceedings of the 2021 31st Australasian Universities Power Engineering Conference (AUPEC), Perth, Australia, 26–30 September 2021. [Google Scholar] [CrossRef]
- Zhu, Q.; Bolzoni, A.; Forsyth, A.; Todd, R.; Smith, M.; Gladwin, D.T.; John, T.; Patsios, C.; Jones, G.; Rogers, D.J. Delay compensation amongst aggregated storage assets providing fast frequency regulation. In Proceedings of the 2020 IEEE 9th International Power Electronics and Motion Control Conference (IPEMC2020-ECCE Asia), Nanjing, China, 29 November–2 December 2020. [Google Scholar] [CrossRef]
- Prasad, S.; Purwar, S.; Kishor, N. H-infinity based non-linear sliding mode controller for frequency regulation in interconnected power systems with constant and time-varying delays. IET Gener. Transm. Distrib. 2016, 10, 2771–2784. [Google Scholar] [CrossRef]
- Lai, H.B.; Tran, A.-T.; Huynh, V.; Amaefule, E.N.; Tran, P.T.; Phan, V.-D. Optimal linear quadratic Gaussian control based frequency regulation with communication delays in power system. Int. J. Electr. Comput. Eng. (IJECE) 2022, 12, 157. [Google Scholar] [CrossRef]
- Pradhan, S.K.; Das, D.K. H∞ load frequency control design based on delay discretization approach for interconnected power systems with time delay. J. Mod. Power Syst. Clean Energy 2021, 9, 1468–1477. [Google Scholar] [CrossRef]
- Ranjan, M.; Shankar, R. A literature survey on load frequency control considering renewable energy integration in power system: Recent trends and future prospects. J. Energy Storage 2022, 45, 103717. [Google Scholar] [CrossRef]
- Shouran, M.; Anayi, F.; Packianather, M. A State-of-the-Art Review on LFC Strategies in Conventional and Modern Power Systems. In Proceedings of the 2021 International Conference on Advance Computing and Innovative Technologies in Engineering (ICACITE), Greater Noida, India, 4–5 March 2021. [Google Scholar] [CrossRef]
- Mansour, S.; Badr, A.O.; Attia, M.A.; Sameh, M.A.; Kotb, H.; Elgamli, E.; Shouran, M. Fuzzy Logic Controller Equilibrium Base to Enhance AGC System Performance with Renewable Energy Disturbances. Energies 2022, 15, 6709. [Google Scholar] [CrossRef]
- Chen, G.; Li, Z.; Zhang, Z.; Li, S. An Improved ACO Algorithm Optimized Fuzzy PID Controller for Load Frequency Control in Multi Area Interconnected Power Systems. IEEE Access 2020, 8, 6429–6447. [Google Scholar] [CrossRef]
- Magzoub, M.A.; Alquthami, T. Optimal Design of Automatic Generation Control Based on Simulated Annealing in Interconnected Two-Area Power System Using Hybrid PID—Fuzzy Control. Energies 2022, 15, 1540. [Google Scholar] [CrossRef]
- Rout, U.K.; Sahu, R.K.; Panda, S. Design and analysis of differential evolution algorithm based automatic generation control for interconnected power system. Ain Shams Eng. J. 2013, 4, 409–421. [Google Scholar] [CrossRef]
- Rathor, S.; Acharya, D.S.; Gude, S.; Mishra, P. Application of artificial bee colony optimization for load frequency control. In Proceedings of the World Congress on Information and Communication Technologies, Mumbai, India, 11–14 December 2011. [Google Scholar] [CrossRef]
- Ali, E.S.; Abd-Elazim, S.M. Bacteria foraging optimization algorithm based load frequency controller for interconnected power system. Int. J. Elect. Power Energy Syst. 2011, 33, 633–638. [Google Scholar] [CrossRef]
- Padhan, S.; Kumar, S.; Panda, S. Application of Firefly Algorithm for Load Frequency Control of Multi-area Interconnected Power System. Electr. Power Compon. Syst. 2014, 42, 1419–1430. [Google Scholar] [CrossRef]
- Nahas, N.; Abouheaf, M.; Sharaf, A.; Gueaieb, W. A Self-Adjusting Adaptive AVR-LFC Scheme for Synchronous Generators. IEEE Trans. Power Syst. 2019, 34, 5073–5075. [Google Scholar] [CrossRef]
- El-Sehiemy, R.; Shaheen, A.; Ginidi, A.; Al-Gahtani, S.F. Proportional-Integral-Derivative Controller Based-Artificial Rabbits Algorithm for Load Frequency Control in Multi-Area Power Systems. Fractal Fract. 2023, 7, 97. [Google Scholar] [CrossRef]
- Sahu, R.K.; Panda, S.; Padhan, S. A novel hybrid gravitational search and pattern search algorithm for load frequency control of nonlinear power system. Appl. Soft Comput. 2015, 29, 310–327. [Google Scholar] [CrossRef]
- Panwar, A.; Sharma, G.; Bansal, R.C. Optimal AGC Design for a Hybrid Power System Using Hybrid Bacteria Foraging Optimization Algorithm. Electr. Power Compon. Syst. 2019, 47, 955–965. [Google Scholar] [CrossRef]
- Gupta, D.K.; Soni, A.K.; Jha, A.V.; Mishra, S.K.; Appasani, B.; Srinivasulu, A.; Bizon, N.; Thounthong, P. Hybrid Gravitational–Firefly Algorithm-Based Load Frequency Control for Hydrothermal Two-Area System. Mathematics 2021, 9, 712. [Google Scholar] [CrossRef]
- Shouran, M.; Anayi, F. TLBO Tuned a Novel Robust Fuzzy Control Structure for LFC of a Hybrid Power System with Photovoltaic Source. Eng. Proc. 2022, 19, 1. [Google Scholar] [CrossRef]
- Shouran, M.; Alsseid, A. Particle Swarm Optimization Algorithm-Tuned Fuzzy Cascade Fractional Order PI-Fractional Order PD for Frequency Regulation of Dual-Area Power System. Processes 2022, 10, 477. [Google Scholar] [CrossRef]
- Bhuyan, M.; Das, D.C.; Barik, A.K. Proficient Power Control Strategy for Combined Solar Gas Turbine-wind Turbine Generator-biodiesel Generator Based Two Area Interconnected Microgrid Employed with Dc Link Using Harris’s Hawk Optimization Optimised Tilt-integral-derivative Controller. Int. J. Numer. Model. Electron. Netw. Devices Fields 2022, 35, e2991. [Google Scholar] [CrossRef]
- Alharbi, M.; Ragab, M.; AboRas, K.M.; Kotb, H.; Dashtdar, M.; Shouran, M.; Elgamli, E. Innovative AVR-LFC Design for a Multi-Area Power System Using Hybrid Fractional-Order PI and PIDD2 Controllers Based on Dandelion Optimizer. Mathematics 2023, 11, 1387. [Google Scholar] [CrossRef]
- Mokhtar, M.; Marei, M.I.; Sameh, M.A.; Attia, M.A. An Adaptive Load Frequency Control for Power Systems with Renewable Energy Sources. Energies 2022, 15, 573. [Google Scholar] [CrossRef]
- Razmi, P.; Rahimi, T.; Sabahi, K.; Gheisarnejad, M.; Khooban, M. Adaptive fuzzy gain scheduling PID controller for Frequency Regulation in modern power system. IET Renew. Power Gener. 2022, 1–16. [Google Scholar] [CrossRef]
- Kullapadayachi Govindaraju, S.; Sivalingam, R.; Panda, S.; Sahu, P.R.; Padmanaban, S. Frequency control of power system with distributed sources by adaptive type 2 fuzzy PID Controller. Electr. Power Compon. Syst. 2023, 52, 487–508. [Google Scholar] [CrossRef]
- Gulzar, M.M.; Sibtain, D.; Ahmad, A.; Javed, I.; Murawwat, S.; Rasool, I.; Hayat, A. An Efficient Design of Adaptive Model Predictive Controller for Load Frequency Control in Hybrid Power System. Int. Trans. Electr. Energy Syst. 2022, 2022, 7894264. [Google Scholar] [CrossRef]
- Ali, H.H.; Kassem, A.M.; Al-Dhaifallah, M.; Fathy, A. Multi-Verse Optimizer for Model Predictive Load Frequency Control of Hybrid Multi-Interconnected Plants Comprising Renewable Energy. IEEE Access 2020, 8, 114623–114642. [Google Scholar] [CrossRef]
- Ersdal, A.M.; Imsland, L.; Uhlen, K. Model Predictive Load-Frequency Control. IEEE Trans. Power Syst. 2016, 31, 777–785. [Google Scholar] [CrossRef]
- Oshnoei, S.; Oshnoei, A.; Mosallanejad, A.; Haghjoo, F. Novel Load Frequency Control Scheme for an Interconnected Two-Area Power System Including Wind Turbine Generation and Redox Flow Battery. Int. J. Electr. Power Energy Syst. 2021, 130, 107033. [Google Scholar] [CrossRef]
- Zaid, S.A.; Bakeer, A.; Magdy, G.; Albalawi, H.; Kassem, A.M.; El-Shimy, M.E.; AbdelMeguid, H.; Manqarah, B. A New Intelligent Fractional-Order Load Frequency Control for Interconnected Modern Power Systems with Virtual Inertia Control. Fractal Fract. 2023, 7, 62. [Google Scholar] [CrossRef]
- Gheisarnejad, M. An effective hybrid harmony search and cuckoo optimization algorithm based fuzzy PID controller for load frequency control. Appl. Soft Comput. 2018, 65, 121–138. [Google Scholar] [CrossRef]
- Ranjitha, K.; Sivakumar, P.; Monica, M.; Elavarasu, R. Swarm Intelligence based Load Frequency Control of Two Area Thermal System—Comparative Analysis. In Proceedings of the 4th International Conference on Electronics, Communication and Aerospace Technology (ICECA), Coimbatore, India, 5–7 November 2020. [Google Scholar] [CrossRef]
- Fun. Available online: https://www.mathworks.com/help/optim/ug/fmincon.html (accessed on 21 February 2024).
- Wächter, A.; Biegler, L.T. On the implementation of an interior-point filter line-search algorithm for large-scale nonlinear programming. Math. Program. 2005, 106, 25–57. [Google Scholar] [CrossRef]
- Azaroual, M.; Ouassaid, M.; Maaroufi, M. Optimum Energy Flow Management of a Grid-Tied Photovoltaic-Wind-Battery System Considering Cost, Reliability, and CO2 Emission. Int. J. Photoenergy 2021, 2021, 1–20. [Google Scholar] [CrossRef]
- Kouba, N.E.Y.; Menaa, M.; Hasni, M.; Boudour, M. Optimal load frequency control based on artificial bee colony optimization applied to single, two and multi-area interconnected power systems. In Proceedings of the 2015 3rd International Conference on Control, Engineering & Information Technology (CEIT), Tlemcen, Algeria, 25–27 May 2015. [Google Scholar] [CrossRef]
- Aibangbee, J.O. Automatic Load Frequency Control of Two Area Power System Using Proportional Integral Derivative Tuning Through Internal Model Control. IORS J. Electr. Electron. Eng. 2016, 11, 13–17. [Google Scholar] [CrossRef]
- Mahboob Ul Hassan, S.; Ramli, M.A.; Milyani, A.H. Robust Load Frequency Control of Hybrid Solar Power Systems Using Optimization Techniques. Front. Energy Res. 2022, 10, 902776. [Google Scholar] [CrossRef]
- Alghamdi, S.; Wazir, A.B.; Awaji, H.H.; Alhussainy, A.A.; Sindi, H.F.; Rawa, M. Tuning PID Controller Parameters of Automatic Voltage Regulator (AVR) Using Particle Swarm Optimization: A Comparative Study. In Proceedings of the 2023 IEEE PES Conference on Innovative Smart Grid Technologies-Middle East (ISGT Middle East), Abu Dhabi, United Arab Emirates, 12–15 March 2023. [Google Scholar] [CrossRef]
- Qu, P.; Du, F. Improved Particle Swarm Optimization for Laser Cutting Path Planning. IEEE Access 2023, 11, 4574–4588. [Google Scholar] [CrossRef]
- Bertsimas, D.; Tsitsiklis, J. Simulated annealing. Statist. Sci. 1993, 8, 10–15. [Google Scholar] [CrossRef]
- Dolan, E.D.; Lewis, R.M.; Torczon, V. On the Local Convergence of Pattern Search. SIAM J. Optim. 2003, 14, 567–583. [Google Scholar] [CrossRef]
- Yin, S.; Cagan, J. An Extended Pattern Search Algorithm for Three-Dimensional Component Layout. ASME J. Mech. Des. 2000, 122, 102–108. [Google Scholar] [CrossRef]
- Mirrashid, M.; Naderpour, H. Incomprehensible but Intelligible-in-Time Logics: Theory and Optimization Algorithm. Knowl.-Based Syst. 2023, 264, 110305. [Google Scholar] [CrossRef]
- Dehghani, M.; Montazeri, Z.; Trojovská, E.; Trojovský, P. Coati Optimization Algorithm: A New Bio-Inspired Metaheuristic Algorithm for Solving Optimization Problems. Knowl.-Based Syst. 2023, 259, 110011. [Google Scholar] [CrossRef]
- Prakash, T.; Singh, P.P.; Singh, V.P.; Singh, S.N. A Novel Brown-Bear Optimization Algorithm for Solving Economic Dispatch Problem. In Advanced Control and Optimization Paradigms for Energy System Operation and Management; River Publishers: Gistrup, Denmark, 2022. [Google Scholar]
- Mirrashid, M.; Naderpour, H. Ibi Logics Optimization Algorithm (2023): MATLAB Codes. Available online: https://www.mathworks.com/matlabcentral/fileexchange/124390-ibi-logics-optimization-algorithm-2023-matlab-codes?s_tid=FX_rc2_behav (accessed on 24 January 2024).
- Dehghani, M.; Montazeri, Z.; Trojovský, P. COA: Coati Optimization Algorithm. Available online: https://www.mathworks.com/matlabcentral/fileexchange/116965-coa-coati-optimization-algorithm?s_tid=srchtitle (accessed on 24 January 2024).
- Prakash, T. Release v.1.0.0. TPRAKASH05/Brown-Bear-Optimization-Algorithm. Available online: https://github.com/TPrakash05/Brown-bear-optimization-algorithm/releases/tag/v1.1.0 (accessed on 24 January 2024).
- Wazir, A.B.; Alhussainy, A.A.; Alghamdi, S.; Rawa, M.; Sindi, H.F. Robust load frequency control of two-area interconnected power system using fuzzy-I controller. In Proceedings of the 2023 IEEE IAS Global Conference on Emerging Technologies (GlobConET), London, UK, 19–21 May 2023. [Google Scholar] [CrossRef]
- Wazir, A.B.; Alhussainy, A.A.; Alobaidi, A.H.; Altaf, A.; Kumar, A.; Kumar, M.; Alghamdi, S. Robust frequency regulation for dual-area interconnected grids using hybrid controller: A comparative study. In Proceedings of the 2023 IEEE 3rd International Conference on Smart Technologies for Power, Energy and Control (STPEC), Bhubaneswar, India, 10–13 December 2023. [Google Scholar] [CrossRef]
- Shouran, M.; Anayi, F.; Packianather, M.; Habil, M. Different Fuzzy Control Configurations Tuned by the Bees Algorithm for LFC of Two-Area Power System. Energies 2022, 15, 657. [Google Scholar] [CrossRef]
- Shouran, M.; Anayi, F.; Packianather, M.; Habil, M. Load Frequency Control Based on the Bees Algorithm for the Great Britain Power System. Designs 2021, 5, 50. [Google Scholar] [CrossRef]
- Jaber, H.H.; Miry, A.H.; Al-Anbarri, K. Automatic Generation Control of a Multi-Area Power System Based on Grey Wolf Optimization Algorithm. J. Eng. Sustain. Dev. 2021, 25, 138–151. [Google Scholar] [CrossRef]
- Alzaareer, K.; Al-Shetwi, A.Q.; El-bayeh, C.Z.; Taha, M.B. Automatic Generation Control of Multi-Area Interconnected Power Systems Using Ann Controller. Rev. d’Intell. Artif. 2020, 34, 1–10. [Google Scholar] [CrossRef]
- Kamel, O.M.; Abdelaziz, A.Y.; Zaki Diab, A.A. Damping Oscillation Techniques for Wind Farm DFIG Integrated into Inter-Connected Power System. Electr. Power Compon. Syst. 2020, 48, 1551–1570. [Google Scholar] [CrossRef]
- Kamel, O.M.; Diab, A.A.Z.; Mahmoud, M.M.; Al-Sumaiti, A.S.; Sultan, H.M. Performance Enhancement of an Islanded Microgrid with the Support of Electrical Vehicle and STATCOM Systems. Energies 2023, 16, 1577. [Google Scholar] [CrossRef]
- Prakash, S.; Sinha, S.K. Load Frequency Control of Multi-Area Power Systems Using Neuro-Fuzzy Hybrid Intelligent Controllers. IETE J. Res. 2015, 61, 526–532. [Google Scholar] [CrossRef]









































| Ref. | Case Study | Non-Linearities Considered | Control Scheme | Optimizer | Surpassed (Controller-Optimizer) |
|---|---|---|---|---|---|
| [9] | Single-area system | - | FPI | EO | PI-GA, PI-GSA, and PI-HSA |
| [16] | Single-area system | - | PID | NLTA | PID-BFOA |
| [9] | Two-area system | - | FPID | EO | PIDA-HSA, PIDA-SCA, and PIDA-TLBO |
| [10] | Two-area system | - | FPID | IACO | PI-BFOA, PI-DE, PI-(hBFOA-PSO), FPI-PSO, FPI-PS, FPI-(hPSO-PS), and FPID-ACO |
| [10] | Two-area system | GDB | FPID | IACO | PI-(hBFOA-PSO) and PI-CRAZYPSO |
| [11] | Two-area system | - | PID + Fuzzy | SA | PID-SA |
| [12] | Two-area system | - | PI | DE | PI-GA and PI-BFOA |
| [13] | Two-area system | - | PI | ABC | - |
| [14] | Two-area system | - | PI | BFOA | PI-GA |
| [15] | Two-area system | - | PID | FA | PI-GA, PI-BFOA, PI-DE, PI-PS, PI-(hBFOA-PSO), and PI-FA |
| [16] | Two-area system with AVR | - | PID | NLTA | - |
| [17] | Two-area system | - | PIDF | ARA | PID-FA, PIDF-(SAMPE-JAYA), PIDF-JAYA, PIDF-DE and PIDF-PSO |
| [18] | Two-area system | - | PIDF | hGSA-PS | PI-GA, PI-BFOA, PI-DE, PI-FA, PI-PSO, PI-(hBFOA-PSO), PI-NSGA-II, and PI-(hGSA-PS) |
| [18] | Two-area system | GDB and GRC | PIDF | hGSA-PS | PI-GSA and PI-(hGSA-PS) |
| [19] | Two-area system | GDB and GRC | PID | HBFO | PID-BFO, PID-PSO and PID-FPA |
| [20] | Two-area system | - | PI | hGFA | PI-PSO, PI-GA, PI-GSA and PI-FA |
| [21] | Two-area system | - | I + F C FOPI-FOPD | TLBO | PI-FA |
| [22] | Two-area system | - | FC FOPI-FOPD | PSO | PID-LCOA, FPID-TLBO, and FPIDF-PSO |
| [10] | Two-area Multi sources system | - | FPID | IACO | PI-GA, FPI-PSO, FPI-(hPSO-PS), and PID-ACO |
| [23] | Two-area Multi sources system | - | TID | HHO | HHO-PI, HHO-PID, TID-GA, TID-PSO, TID-SSA, TID-SCA and TID-GOA |
| [24] | Two-area Multi sources system with AVR | - | FOPI–PIDD2 | DO | (FOPI–PIDD2)-WHO, (FOPI–PIDD2)-GBO, (FOPI–PIDD2)-AEO, (PD–PIDD2)-DO, and (TD–TI)-DO |
| [24] | Two-area Multi sources system with AVR | Communication Time Delay (CTD) | FOPI–PIDD2 | DO | (PD–PIDD2)-DO and (TD–TI)-DO |
| [31] | Two-area Multi sources system with AVR | GDB and GRC | 2DOF-hybrid (Hybrid FOPID and TID based on 2DOF) | MSCA | (2DOF-PID)-MSCA, (2DOF-TID)-MSCA, (2DOF-FOPID)-MSCA, (2DOF-hybrid)-SCA, (2DOF-hybrid)-GA, (2DOF-hybrid)-DE and (2DOF-hybrid)-PSO. |
| [32] | Two-area Multi sources system | Rate Limiter and GRC | iFOI | GWO | FOI-GWO |
| [15] | Three-area system | GDB and GRC | PID | FA | I-GA, I-FA, and PI-FA |
| [18] | Three-area system | GDB and GRC | PIDF | hGSA-PS | PI-(hGSA-PS) |
| [31] | Three-area system | GDB and GRC | 2DOF-hybrid (Hybrid FOPID and TID based on 2DOF) | MSCA | (2DOF-FOPID)-MSCA, (2DOF-hybrid)-SCA, (2DOF-hybrid)-GA, (2DOF-hybrid)-DE and (2DOF-hybrid)-PSO. |
| [29] | Six-area Multi sources system | GDB and GRC | MPC | MVO | MPC-GA and MPC-IWD |
| Technique | ISE | 1 | J1 | ||||
|---|---|---|---|---|---|---|---|
| Base System [1] | 0.3 | 0.3 | 20.6 | 16.9 | 0.005816 | 61.925 | 61.98 |
| PSO | 1.77350 | 1.77350 | 4.7464460 | 3.3639450 | 0.001792 | 39.799 * | 39.86 |
| SA | 1.72160 | 1.72160 | 4.9996200 | 3.3580300 | 0.001781 | 40.009 | 40.07 |
| GA | 1.63920 | 1.63920 | 5.3745400 | 3.6335000 | 0.001755 | 40.206 | 40.27 |
| NP | 0.44061 | 0.44061 | 19.155740 | 10.282129 | 0.003035 | 44.661 | 44.72 |
| PS | 0.33125 | 0.33125 | 26.595424 | 10.554219 | 0.003205 | 44.008 | 44.06 |
| ILA | 1.76550 | 1.76550 | 4.772300 | 3.3600000 | 0.001793 | 39.838 | 39.90 |
| COA | 1.74690 | 1.74690 | 4.485200 | 3.4862000 | 0.001845 | 40.087 | 40.15 |
| BOA | 1.74530 | 1.74530 | 4.711800 | 3.3760000 | 0.001814 | 39.977 | 40.04 |
| Technique | ISE | J2 | |||||
|---|---|---|---|---|---|---|---|
| Base System [1] | 0.3 | 0.3 | 20.6 | 16.9 | 0.005816 | 61.925 | 2.263258 |
| PSO | 1.5447 | 1.5447 | 5.5805400 | 4.2537300 | 0.001767 | 46.308 | 0.482199 |
| SA | 1.5396 | 1.5396 | 5.5290400 | 4.2233100 | 0.001780 | 46.065 | 0.482690 |
| GA | 1.5400 | 1.5400 | 5.6217400 | 4.2520400 | 0.001764 | 46.332 | 0.482240 |
| NP | 1.5449 | 1.5449 | 5.5784800 | 4.2537300 | 0.001767 | 46.306 | 0.482199 |
| PS | 1.5447 | 1.5447 | 5.5805400 | 4.2537300 | 0.001767 | 46.308 | 0.482199 |
| ILA | 1.5445 | 1.5445 | 5.58030 | 4.25470 | 0.001767 | 46.310 | 0.482199 |
| COA | 1.5264 | 1.5264 | 5.74250 | 4.22370 | 0.001758 | 46.328 | 0.482760 |
| BOA | 1.5433 | 1.5433 | 5.6079 | 4.2501 | 0.001764 | 46.386 | 0.482216 |
| Technique | 1 | 2 | J1 | ||||
|---|---|---|---|---|---|---|---|
| Base System | 14.3546 | 22.9294 | 24.6405 | −0.0128 | −0.0030 | −0.0328 | 61.98 |
| PSO | 9.93450 | 15.8378 | 14.0266 | −0.0126 | −0.0049 | −0.0302 | 39.86 |
| SA | 9.92370 | 15.8607 | 14.2244 | −0.0126 | −0.0048 | −0.0301 | 40.07 |
| GA | 9.88270 | 15.8683 | 14.4551 | −0.0126 | −0.0046 | −0.0300 | 40.27 |
| NP | 10.9160 | 20.0391 | 13.7063 | −0.0127 | −0.0031 | −0.0312 | 44.72 |
| PS | 10.8743 | 18.7568 | 14.3770 | −0.0127 | −0.0030 | −0.0311 | 44.06 |
| ILA | 9.9360 | 15.8422 | 14.0597 | −0.0126 | −0.0049 | −0.0302 | 39.90 |
| COA | 10.0197 | 15.9110 | 14.1563 | −0.0127 | −0.0049 | −0.0304 | 40.15 |
| BOA | 9.9692 | 15.8709 | 14.1367 | −0.0127 | −0.0049 | −0.0303 | 40.04 |
| Technique | J1 | ||||||
|---|---|---|---|---|---|---|---|
| Base System | 22.8332 | 19.3138 | 23.2464 | −0.0031 | −0.0172 | 0.0464 | 65.48 |
| PSO | 18.2038 | 20.1464 | 17.5901 | −0.0056 | −0.0171 | 0.0434 | 56.04 |
| SA | 18.0107 | 18.4381 | 17.5266 | −0.0054 | −0.0171 | 0.0436 | 54.07 |
| GA | 17.7894 | 20.0450 | 17.4248 | −0.0052 | −0.0171 | 0.0435 | 55.35 |
| NP | 20.1255 | 15.8993 | 15.4425 | −0.0032 | −0.0173 | 0.0468 | 51.55 |
| PS | 18.6762 | 19.5340 | 20.7193 | −0.0031 | −0.0174 | 0.0483 | 59.02 |
| ILA | 18.1828 | 20.1036 | 17.5840 | −0.0055 | −0.0171 | 0.0434 | 55.97 |
| COA | 18.2249 | 20.2440 | 17.6315 | −0.0056 | −0.0171 | 0.0433 | 56.20 |
| BOA | 18.1446 | 19.9780 | 17.5851 | −0.0055 | −0.0171 | 0.0435 | 55.80 |
| Technique | J1 | ||||||
|---|---|---|---|---|---|---|---|
| Base System | 14.5663 | 17.3265 | 22.5093 | −0.0137 | −0.0182 | 0.0137 | 54.45 |
| PSO | 12.4536 | 20.1537 | 23.4316 | −0.0135 | −0.0180 | 0.0139 | 56.10 |
| SA | 12.3803 | 18.3716 | 23.2157 | −0.0135 | −0.0181 | 0.0144 | 54.03 |
| GA | 12.2511 | 20.1072 | 23.3405 | −0.0135 | −0.0180 | 0.0144 | 55.76 |
| NP | 11.6314 | 15.9851 | 18.9893 | −0.0135 | −0.0183 | 0.0173 | 46.66 |
| PS | 15.0072 | 19.4044 | 23.2109 | −0.0135 | −0.0184 | 0.0238 | 57.69 |
| ILA | 12.4442 | 20.0982 | 23.4091 | −0.0135 | −0.0180 | 0.0140 | 56.02 |
| COA | 12.4128 | 20.2749 | 23.5322 | −0.0136 | −0.0180 | 0.0133 | 56.28 |
| BOA | 12.4111 | 20.0011 | 23.3721 | −0.0135 | −0.0180 | 0.0139 | 55.85 |
| Technique | J1 | ||||||
|---|---|---|---|---|---|---|---|
| Base System | 22.3529 | 19.4834 | 23.4830 | −0.0061 | 0.0179 | −0.0669 | 65.44 |
| PSO | 17.7870 | 20.1529 | 17.4934 | 0.0092 | 0.0177 | −0.0623 | 55.57 |
| SA | 15.8344 | 18.4625 | 17.4141 | 0.0091 | 0.0178 | −0.0625 | 51.85 |
| GA | 15.8676 | 20.0362 | 17.2725 | 0.0088 | 0.0178 | −0.0624 | 53.30 |
| NP | 18.0546 | 15.8582 | 15.0639 | −0.0061 | 0.0179 | −0.0663 | 49.10 |
| PS | 18.2397 | 19.5765 | 19.6645 | −0.0061 | 0.0180 | −0.0677 | 57.69 |
| ILA | 17.7377 | 20.1159 | 17.4876 | 0.0092 | 0.0177 | −0.0623 | 55.48 |
| COA | 17.8448 | 20.2425 | 17.5517 | 0.0090 | 0.0177 | −0.0624 | 55.78 |
| BOA | 17.6181 | 19.9757 | 17.4958 | 0.0091 | 0.0178 | −0.0625 | 55.22 |
| Technique | Parameter Variation | Change % | J1 | ||||||
|---|---|---|---|---|---|---|---|---|---|
| Base System | Nominal (case 1) | 14.35 | 22.93 | 24.64 | −0.0128 | −0.0030 | −0.0328 | 61.98 | |
| Loading condition | +20 | 14.35 | 22.93 | 24.64 | −0.0154 | −0.0037 | −0.0394 | 61.99 | |
| −20 | 14.35 | 22.93 | 24.64 | −0.0103 | −0.0024 | −0.0263 | 61.97 | ||
| +20 | 14.64 | 26.92 | 23.51 | −0.0132 | −0.0033 | −0.0339 | 65.13 | ||
| −20 | 14.64 | 26.92 | 23.51 | −0.0132 | −0.0033 | −0.0339 | 61.89 | ||
| +20 | 14.64 | 26.93 | 23.51 | −0.0132 | −0.0033 | −0.0339 | 66.06 | ||
| −20 | 13.85 | 23.96 | 25.03 | −0.0121 | −0.0027 | −0.0306 | 62.90 | ||
| +20 | 14.03 | 22.26 | 21.48 | −0.0127 | −0.0035 | −0.0376 | 57.84 | ||
| −20 | 14.87 | 27.12 | 29.17 | −0.0130 | −0.0025 | −0.0276 | 71.20 | ||
| PSO | Nominal (case 1) | 9.93450 | 15.8378 | 14.0266 | −0.0126 | −0.0049 | −0.0302 | 39.86 | |
| Loading condition | +20 | 10.8844 | 17.4138 | 16.1784 | −0.0152 | −0.0059 | −0.0362 | 44.55 | |
| −20 | 10.8837 | 17.4199 | 16.1870 | −0.0101 | −0.0039 | −0.0241 | 44.54 | ||
| +20 | 15.1645 | 18.4055 | 16.9348 | −0.0130 | −0.0051 | −0.0312 | 50.57 | ||
| −20 | 9.9930 | 15.5123 | 13.7873 | −0.0122 | −0.0047 | −0.0290 | 39.35 | ||
| +20 | 15.8702 | 22.6956 | 17.5201 | −0.0133 | −0.0053 | −0.0324 | 56.16 | ||
| −20 | 10.0375 | 15.3515 | 13.7493 | −0.0119 | −0.0045 | −0.0278 | 39.20 | ||
| +20 | 11.5850 | 17.7453 | 16.2127 | −0.0125 | −0.0055 | −0.0346 | 45.62 | ||
| −20 | 12.3642 | 16.4515 | 15.0720 | −0.0128 | −0.0042 | −0.0253 | 43.94 | ||
| SA | Nominal (case 1) | 9.92370 | 15.8607 | 14.2244 | −0.0126 | −0.0048 | −0.0301 | 40.07 | |
| Loading condition | +20 | 10.7796 | 15.8611 | 14.2258 | −0.0151 | −0.0058 | −0.0361 | 40.94 | |
| −20 | 10.7845 | 15.8611 | 14.2262 | −0.0101 | −0.0039 | −0.0241 | 40.92 | ||
| +20 | 15.2227 | 18.2229 | 16.8100 | −0.0130 | −0.0050 | −0.0312 | 50.33 | ||
| −20 | 9.99520 | 15.6224 | 14.0030 | −0.0122 | −0.0046 | −0.0290 | 39.68 | ||
| +20 | 17.5189 | 22.5773 | 17.4532 | −0.0133 | −0.0052 | −0.0323 | 57.62 | ||
| −20 | 10.0701 | 15.4858 | 13.9353 | −0.0119 | −0.0044 | −0.0278 | 39.55 | ||
| +20 | 11.5081 | 17.6523 | 16.2899 | −0.0125 | −0.0054 | −0.0346 | 45.52 | ||
| −20 | 12.6522 | 16.4102 | 15.1722 | −0.0127 | −0.0041 | −0.0252 | 44.29 | ||
| GA | Nominal (case 1) | 9.88270 | 15.8683 | 14.4551 | −0.0126 | −0.0046 | −0.0300 | 40.27 | |
| Loading condition | +20 | 14.3419 | 15.8664 | 14.4538 | −0.0151 | −0.0056 | −0.0361 | 44.74 | |
| −20 | 14.3362 | 15.8665 | 14.4539 | −0.0101 | −0.0037 | −0.0240 | 44.71 | ||
| +20 | 15.2529 | 21.9710 | 16.5494 | −0.0130 | −0.0048 | −0.0312 | 53.84 | ||
| −20 | 9.94110 | 15.6589 | 14.2582 | −0.0122 | −0.0044 | −0.0289 | 39.92 | ||
| +20 | 17.5794 | 24.7061 | 17.3350 | −0.0132 | −0.0050 | −0.0322 | 59.70 | ||
| −20 | 9.95830 | 15.4721 | 14.1572 | −0.0119 | −0.0042 | −0.0277 | 39.64 | ||
| +20 | 11.3496 | 17.5491 | 16.2472 | −0.0125 | −0.0052 | −0.0345 | 45.22 | ||
| −20 | 12.8664 | 16.1050 | 15.1589 | −0.0127 | −0.0040 | −0.0252 | 44.19 | ||
| NP | Nominal (case 1) | 10.9160 | 20.0391 | 13.7063 | −0.0127 | −0.0031 | −0.0312 | 44.72 | |
| Loading condition | +20 | 10.9164 | 20.0233 | 18.6898 | −0.0152 | −0.0037 | −0.0374 | 49.70 | |
| −20 | 10.9165 | 20.0244 | 18.6910 | −0.0101 | −0.0025 | −0.0249 | 49.68 | ||
| +20 | 16.0300 | 24.6622 | 19.6857 | −0.0131 | −0.0033 | −0.0323 | 60.44 | ||
| −20 | 10.6599 | 17.8717 | 13.5006 | −0.0123 | −0.0029 | −0.0301 | 42.08 | ||
| +20 | 16.7806 | 25.4125 | 20.3262 | −0.0133 | −0.0035 | −0.0335 | 62.58 | ||
| −20 | 10.1794 | 17.4258 | 13.3589 | −0.0120 | −0.0027 | −0.0289 | 41.01 | ||
| +20 | 12.1324 | 20.1141 | 18.9450 | −0.0126 | −0.0036 | −0.0359 | 51.25 | ||
| −20 | 11.1303 | 19.0998 | 15.2101 | −0.0128 | −0.0026 | −0.0261 | 45.49 | ||
| PS | Nominal (case 1) | 10.8743 | 18.7568 | 14.3770 | −0.0127 | −0.0030 | −0.0311 | 44.06 | |
| Loading condition | +20 | 10.8750 | 18.7506 | 14.3802 | −0.0152 | −0.0036 | −0.0372 | 44.07 | |
| −20 | 10.8749 | 18.7502 | 14.3803 | −0.0101 | −0.0024 | −0.0248 | 44.05 | ||
| +20 | 16.0414 | 22.3617 | 22.8000 | −0.0131 | −0.0032 | −0.0322 | 61.26 | ||
| −20 | 10.5686 | 18.7698 | 14.6946 | −0.0122 | −0.0028 | −0.0300 | 44.08 | ||
| +20 | 16.7710 | 24.8354 | 23.6251 | −0.0133 | −0.0034 | −0.0333 | 65.29 | ||
| −20 | 10.0236 | 19.4295 | 15.1119 | −0.0120 | −0.0026 | −0.0288 | 44.61 | ||
| +20 | 12.1860 | 18.2585 | 19.4167 | −0.0126 | −0.0035 | −0.0357 | 49.92 | ||
| −20 | 11.0571 | 22.4558 | 17.7781 | −0.0128 | −0.0025 | −0.0260 | 51.34 | ||
| ILA | Nominal (case 1) | 9.9360 | 15.8422 | 14.0597 | −0.0126 | −0.0049 | −0.0302 | 39.90 | |
| Loading condition | +20 | 9.9384 | 15.8419 | 14.0635 | −0.0152 | −0.0059 | −0.0362 | 39.92 | |
| −20 | 9.9375 | 15.8415 | 14.0646 | −0.0101 | −0.0039 | −0.0241 | 39.89 | ||
| +20 | 15.1694 | 18.3797 | 16.9235 | −0.0130 | −0.0051 | −0.0312 | 50.54 | ||
| −20 | 9.9998 | 15.5329 | 13.8243 | −0.0122 | −0.0047 | −0.0290 | 39.42 | ||
| +20 | 15.8712 | 22.6582 | 17.5121 | −0.0133 | −0.0053 | −0.0324 | 56.11 | ||
| −20 | 10.0556 | 15.3783 | 13.7813 | −0.0119 | −0.0045 | −0.0278 | 39.27 | ||
| +20 | 11.5736 | 17.7338 | 16.2348 | −0.0125 | −0.0055 | −0.0346 | 45.62 | ||
| −20 | 12.4240 | 16.4551 | 15.0944 | −0.0128 | −0.0042 | −0.0253 | 44.03 | ||
| COA | Nominal (case 1) | 10.0197 | 15.9110 | 14.1563 | −0.0127 | −0.0049 | −0.0304 | 40.15 | |
| Loading condition | +20 | 10.0238 | 15.9098 | 14.1580 | −0.0152 | −0.0059 | −0.0366 | 40.17 | |
| −20 | 10.0231 | 15.9099 | 14.1572 | −0.0102 | −0.0039 | −0.0244 | 40.14 | ||
| +20 | 15.0578 | 18.4333 | 17.0247 | −0.0131 | −0.0051 | −0.0316 | 50.58 | ||
| −20 | 10.1620 | 15.6305 | 13.9612 | −0.0123 | −0.0047 | −0.0293 | 39.81 | ||
| +20 | 15.7523 | 24.7266 | 17.5831 | −0.0133 | −0.0054 | −0.0326 | 58.13 | ||
| −20 | 10.4963 | 15.4919 | 13.9324 | −0.0120 | −0.0045 | −0.0281 | 39.98 | ||
| +20 | 11.4851 | 17.8085 | 16.3403 | −0.0126 | −0.0055 | −0.0349 | 45.71 | ||
| −20 | 12.4406 | 16.5491 | 15.2606 | −0.0128 | −0.0042 | −0.0256 | 44.31 | ||
| BOA | Nominal (case 1) | 9.9692 | 15.8709 | 14.1367 | −0.0127 | −0.0049 | −0.0303 | 40.04 | |
| Loading condition | +20 | 9.9726 | 15.8696 | 14.1379 | −0.0152 | −0.0059 | −0.0364 | 40.06 | |
| −20 | 9.9718 | 15.8695 | 14.1385 | −0.0101 | −0.0039 | −0.0242 | 40.03 | ||
| +20 | 15.1401 | 18.3479 | 16.9395 | −0.0131 | −0.0051 | −0.0314 | 50.49 | ||
| −20 | 10.0700 | 15.6052 | 13.9305 | −0.0123 | −0.0047 | −0.0292 | 39.67 | ||
| +20 | 15.8267 | 22.5841 | 17.5195 | −0.0133 | −0.0053 | −0.0325 | 56.00 | ||
| −20 | 10.2489 | 15.4756 | 13.8893 | −0.0120 | −0.0045 | −0.0279 | 39.67 | ||
| +20 | 11.5321 | 17.7349 | 16.2985 | −0.0125 | −0.0055 | −0.0347 | 45.64 | ||
| −20 | 12.4816 | 16.5123 | 15.1977 | −0.0128 | −0.0042 | −0.0254 | 44.25 | ||
| Approach | TS (s) | MP (p.u.) | ||||
|---|---|---|---|---|---|---|
| Δf1 | Δf2 | ΔPtie | Δf1 | Δf2 | ΔPtie | |
| PSO-(I) | 9.9339 | 15.8398 | 14.0439 | −0.0135 | −0.0052 | −0.0321 |
| GA-(I) | 9.9404 | 15.8417 | 14.1524 | −0.0135 | −0.0052 | −0.0321 |
| SA-(I) | 9.9347 | 15.8368 | 14.0678 | −0.0135 | −0.0052 | −0.0321 |
| NP-(I) | 10.9056 | 18.9035 | 14.8098 | −0.0137 | −0.0034 | −0.0351 |
| PS-(I) | 10.9183 | 19.8930 | 13.7350 | −0.0136 | −0.0034 | −0.0339 |
| ILA-(I) | 9.9457 | 15.8472 | 14.0854 | −0.0135 | −0.0050 | −0.0322 |
| COA-(I) | 9.9068 | 15.9103 | 14.4053 | −0.0135 | −0.0050 | −0.0322 |
| BOA-(I) | 9.9693 | 15.8702 | 14.1388 | −0.0135 | −0.0052 | −0.0322 |
| Classical-(I) [1] | 14.36 | 22.93 | 24.64 | −0.0137 | −0.0033 | −0.0350 |
| PSO-(I) [2] | 12.5 | 19.1 | 14.4 | −0.0138 | −0.0038 | −0.0350 |
| GA-(I) [2] | 12.7 | 20.2 | 14.7 | −0.0137 | −0.0036 | −0.0370 |
| SA-(I) [2] | 23.3 | 18.8 | 19.1 | −0.0132 | −0.0051 | −0.0299 |
| PSO-(Fuzzy + I) [52] | 5.30 | 8.80 | 6.60 | −0.0054 | −0.0014 | −0.0083 |
| SA-(Fuzzy + I) [53] | 4.9699 | 8.7844 | 6.6326 | −0.0055 | −0.0014 | −0.0088 |
| GA-(Fuzzy + I) [53] | 4.9660 | 8.7160 | 6.5738 | −0.0055 | −0.0014 | −0.0088 |
| PS-(Fuzzy + I) [53] | 4.9639 | 8.7844 | 6.5597 | −0.0055 | −0.0014 | −0.0088 |
| PSO-(FC FOPI-FOPD) [22] | 3.66 1 | 18.71 | 18.80 | −0.04380 | −0.00160 | −0.00043 |
| SA-(PID + Fuzzy) 11] | 25.92 | 33.65 | 35.63 | −0.00078 2 | −0.00135 | −0.04921 |
| SA-(PID) [11] | 26.33 | 36.64 | 34.44 | −0.00254 | −0.00820 | −0.13400 |
| BA-(FC PI-PD) [54] | 2.19 | 21.17 | 21.75 | −0.04310 | −0.00099 | −0.00027 |
| BA-(FPI + FPD) [54] | 7.06 | 20.50 | 20.82 | −0.03460 | −0.00240 | −0.00064 |
| BA-(F-(PI + PD)) [54] | 2.14 | 21.07 | 21.09 | −0.07920 | −0.00260 | −0.00072 |
| BA-(FPIDF) [55] | 6.94 | 19.30 | 19.36 | −0.04140 | −0.00380 | −0.00100 |
| PSO-(FPIDF) [55] | 5.71 | 19.10 | 19.15 | −0.08900 | −0.00360 | −0.00100 |
| TLBO-(FPIDF) [55] | 5.75 | 19.33 | 18.89 | −0.08680 | −0.00360 | −0.00099 |
| Parameters | Base System | PSO | SA | GA | NP | PS | ILA | COA | BOA | |
|---|---|---|---|---|---|---|---|---|---|---|
| Controller parameters | 0.3 | 1.8860 | 1.7844 | 0.6432 | 0.6026 | 0.2931 | 1.8698 | 1.5361 | 1.8101 | |
| 0.3 | 1.8860 | 1.7844 | 0.6432 | 0.6026 | 0.2931 | 1.8698 | 1.5361 | 1.8101 | ||
| Frequency bias parameters | 20.6 | 6.2518 | 6.6451 | 15.7887 | 12.9624 | 26.2597 | 6.3504 | 8.4208 | 6.2001 | |
| 16.9 | 4.2418 | 4.3802 | 7.8437 | 7.0519 | 11.6099 | 4.2987 | 4.8161 | 4.3092 | ||
| ISE | 0.10054 | 0.05504 | 0.05617 | 0.07044 | 0.07060 | 0.08177 | 0.05524 | 0.05858 | 0.05588 | |
| J1 | 70.38 | 40.51 | 40.80 | 44.69 | 49.53 | 47.90 | 40.65 | 44.70 | 44.61 | |
| 19.2756 | 13.2709 | 13.2310 | 12.6371 | 11.7070 | 9.4935 | 13.2578 | 16.2627 | 13.2518 | ||
| 23.6847 | 14.2634 | 14.4524 | 16.9078 | 16.2390 | 20.5038 | 14.4045 | 15.0871 | 14.4121 | ||
| 27.1365 | 12.7152 | 12.8588 | 14.8887 | 21.3313 | 17.6410 | 12.7344 | 13.0982 | 16.6878 | ||
| −0.0289 | −0.0290 | −0.0290 | −0.0289 | −0.0289 | −0.0289 | −0.0290 | −0.0289 | −0.0290 | ||
| −0.0211 | −0.0268 | −0.0262 | −0.0219 | −0.0219 | −0.0212 | −0.0267 | −0.0248 | −0.0264 | ||
| −0.1282 | −0.1160 | −0.1168 | −0.1258 | −0.1258 | −0.1276 | −0.1162 | −0.1191 | −0.1166 | ||
| Technique | = 0.0 (p.u.) | = 0.1875 (p.u.) | = 0.1875 (p.u.) | = −0.2 (p.u.) | ||||
|---|---|---|---|---|---|---|---|---|
| J1 | ISE | J1 | ISE | J1 | ISE | J1 | ISE | |
| Base System | 70.38 | 0.1005 | 68.50 | 0.1003 | 65.84 | 0.0384 | 75.11 | 0.1765 |
| PSO | 40.51 | 0.0550 | 69.29 | 0.0701 | 76.16 | 0.0390 | 84.07 | 0.1332 |
| SA | 40.80 | 0.0562 | 60.39 | 0.0711 | 75.63 | 0.0390 | 80.84 | 0.1299 |
| GA | 44.69 | 0.0704 | 61.90 | 0.0909 | 70.33 | 0.0398 | 61.63 | 0.1398 |
| NP | 49.53 | 0.0706 | 59.56 | 0.0851 | 67.08 | 0.0394 | 61.38 | 0.1384 |
| PS | 47.90 | 0.0818 | 73.25 | 0.1239 | 75.81 | 0.0502 | 76.26 | 0.1964 |
| ILA | 40.65 | 0.0552 | 69.31 | 0.0704 | 76.35 | 0.0389 | 83.97 | 0.1329 |
| COA | 44.70 | 0.0586 | 63.33 | 0.0774 | 75.77 | 0.0401 | 72.90 | 0.1286 |
| BOA | 44.61 | 0.05509 | 60.17 | 0.0689 | 71.27 | 0.0383 | 76.76 | 0.1286 |
| Technique | ISE | J1 | ||||||
|---|---|---|---|---|---|---|---|---|
| PSO | 1.1252 | 1.1252 | 1.1252 | 3.1316 | 3.6805 | 6.1879 | 0.001749 | 75.96 |
| SA | 1.6882 | 1.6882 | 1.6882 | 2.2675 | 3.0815 | 3.7792 | 0.001459 | 73.10 |
| GA | 0.6877 | 0.6877 | 0.6877 | 7.4116 | 14.9009 | 9.1471 | 0.001939 | 82.48 |
| NP | 1.1285 | 1.1285 | 1.1285 | 3.0091 | 3.5948 | 6.1789 | 0.001779 | 75.98 |
| PS | 0.6228 | 0.6228 | 0.6228 | 8.2767 | 5.9224 | 8.8687 | 0.001952 | 86.46 |
| ILA | 1.6372 | 1.6372 | 1.6372 | 2.4201 | 3.1168 | 3.8597 | 0.001448 | 72.46 |
| COA | 1.1738 | 1.1738 | 1.1738 | 3.6764 | 3.9310 | 5.4809 | 0.001543 | 76.83 |
| BOA | 1.7860 | 1.7860 | 1.7860 | 2.5605 | 2.7397 | 3.0952 | 0.001401 | 80.19 |
| Approach | ||||||||||
|---|---|---|---|---|---|---|---|---|---|---|
| PSO-I | 13.72 | 13.83 | 18.05 | 12.85 | 17.45 | 0.0093 | 0.0024 | 0.0013 | 0.0249 | 0.0086 |
| SA-I | 14.28 | 13.50 | 17.54 | 10.80 | 16.93 | 0.0092 | 0.0029 | 0.0022 | 0.0243 | 0.0098 |
| GA-I | 15.94 | 20.31 | 17.90 | 11.67 | 16.61 | 0.0092 | 0.0017 | 0.0007 | 0.0245 | 0.0056 |
| NP-I | 13.68 | 13.87 | 18.10 | 12.83 | 17.46 | 0.0093 | 0.0024 | 0.0013 | 0.0250 | 0.0087 |
| PS-I | 19.09 | 17.33 | 18.26 | 14.85 | 16.88 | 0.0092 | 0.0018 | 0.0009 | 0.0245 | 0.0076 |
| ILA-I | 14.30 | 13.48 | 17.55 | 9.89 | 17.19 | 0.0092 | 0.0028 | 0.0021 | 0.0243 | 0.0096 |
| COA-I | 14.07 | 15.71 | 17.63 | 13.02 | 16.35 | 0.0092 | 0.0023 | 0.0013 | 0.0245 | 0.0082 |
| BOA-I | 16.33 | 13.94 | 17.69 | 15.98 | 16.17 | 0.0092 | 0.0029 | 0.0024 | 0.0238 | 0.0098 |
| PI [57] | 33 | 21 | 30 | 40 | 50 | 0.0900 | 0.0170 | 0.0050 | 0.2400 | 0.0700 |
| PID [57] | 28 | 20 | 27 | 35 | 35 | 0.0300 | 0.0060 | 0.0030 | 0.1350 | 0.0350 |
| ANN [57] | 14 | 12 | 12 | 17 | 37 | 0.0300 | 0.0020 | 0.0010 | 0.0400 | 0.0070 |
| Technique | ISE | J1 | ||||||
|---|---|---|---|---|---|---|---|---|
| PSO | 0.03384 | 1.94294 | 0.03384 | 0.850 | 0.2129 | 0.850 | 8.9181 × 10−5 | 100.9638 |
| SA | 0.0323 | 1.5551 | 0.0323 | 0.6296 | 0.4673 | 0.8212 | 8.5452 × 10−5 | 107.7549 |
| GA | 0.0333 | 1.9467 | 0.0333 | 0.8458 | 0.2394 | 0.8438 | 8.8250 × 10−5 | 101.9809 |
| NP | 0.0806 | 1.9610 | 0.0806 | 0.8471 | 0.2236 | 0.8469 | 6.8667 × 10−5 | 115.8080 |
| PS | 0.0239 | 2 | 0.0239 | 0.850 | 0.4721 | 0.850 | 9.2679 × 10−5 | 103.1253 |
| ILA | 0.03386 | 1.93533 | 0.03386 | 0.8467 | 0.2731 | 0.850 | 8.5733 × 10−5 | 101.5580 |
| COA | 0.0345 | 1.3613 | 0.0345 | 0.8480 | 0.3733 | 0.8486 | 8.0483 × 10−5 | 105.1183 |
| BOA | 0.0329 | 2 | 0.0329 | 0.850 | 0.3142 | 0.850 | 8.4824 × 10−5 | 103.5926 |
| Approach | ||||||||||||
|---|---|---|---|---|---|---|---|---|---|---|---|---|
| PSO-I | 3.8266 | 6.7898 | 20.8501 | 18.9802 | 25.1381 | 25.3582 | −0.0086 | −0.0035 | −0.0020 | −0.0018 | −0.0011 | 0.0021 |
| SA-I | 4.3288 | 8.8382 | 21.8485 | 19.6727 | 26.8208 | 26.2262 | −0.0086 | −0.0027 | −0.0019 | −0.0018 | −7.6 × 10−4 | 0.0021 |
| GA-I | 3.8861 | 7.0237 | 20.9949 | 19.1257 | 25.4070 | 25.5229 | −0.0086 | −0.0034 | −0.0020 | −0.0018 | −0.0011 | 0.0021 |
| NP-I | 13.1198 | 8.2079 | 22.7942 | 20.8550 | 25.3804 | 25.4282 | −0.0086 | −0.0032 | −0.0017 | −0.0017 | −9.4 × 10−4 | 0.0018 |
| PS-I | 5.4319 | 12.2056 | 17.0133 | 22.0038 | 23.4332 | 23.0181 | −0.0086 | −0.0028 | −0.0018 | −0.0018 | −7.8 × 10−4 | 0.0022 |
| ILA-I | 3.8326 | 7.0812 | 20.9126 | 18.9819 | 25.3708 | 25.3584 | −0.0086 | −0.0033 | −0.0019 | −0.0018 | −0.0010 | 0.0021 |
| COA-I | 7.0692 | 7.5765 | 20.9911 | 18.7657 | 25.5157 | 25.1803 | −0.0086 | −0.0027 | −0.0017 | −0.0019 | −8.5 × 10−4 | 0.0021 |
| BOA-I | 3.9082 | 7.9039 | 21.1257 | 19.2366 | 25.7833 | 25.6147 | −0.0086 | −0.0032 | −0.0019 | −0.0018 | −9.6 × 10−4 | 0.0021 |
| PSO-I (without RESs, EVs, and BESS) | 22.3600 | 21.3068 | 23.0205 | 34.7416 | 35.1696 | 36.5877 | −0.0241 | −0.0246 | −0.0235 | −0.0054 | 0.0023 | 0.0048 |
| Fuzzy [60] (without RESs, EVs, and BESS) | 50 | 50 | 50 | 50 | 50 | 50 | −0.071 | −0.071 | −0.080 | 0.033 | −0.033 | −0.033 |
| ANN [60] (without RESs, EVs, and BESS) | 35 | 35 | 45 | 45 | 45 | 45 | −0.037 | −0.037 | −0.055 | 0.0065 | −0.0065 | −0.0065 |
| ANFIS [60] (without RESs, EVs, and BESS) | 30 | 30 | 27 | 40 | 40 | 40 | −0.035 | −0.035 | −0.050 | 0.0060 | −0.022 | −0.022 |
Disclaimer/Publisher’s Note: The statements, opinions and data contained in all publications are solely those of the individual author(s) and contributor(s) and not of MDPI and/or the editor(s). MDPI and/or the editor(s) disclaim responsibility for any injury to people or property resulting from any ideas, methods, instructions or products referred to in the content. |
© 2024 by the authors. Licensee MDPI, Basel, Switzerland. This article is an open access article distributed under the terms and conditions of the Creative Commons Attribution (CC BY) license (https://creativecommons.org/licenses/by/4.0/).
Share and Cite
Ba Wazir, A.; Althobiti, A.; Alhussainy, A.A.; Alghamdi, S.; Vellingiri, M.; Palaniswamy, T.; Rawa, M. A Comparative Study of Load Frequency Regulation for Multi-Area Interconnected Grids Using Integral Controller. Sustainability 2024, 16, 3808. https://doi.org/10.3390/su16093808
Ba Wazir A, Althobiti A, Alhussainy AA, Alghamdi S, Vellingiri M, Palaniswamy T, Rawa M. A Comparative Study of Load Frequency Regulation for Multi-Area Interconnected Grids Using Integral Controller. Sustainability. 2024; 16(9):3808. https://doi.org/10.3390/su16093808
Chicago/Turabian StyleBa Wazir, Awadh, Ahmed Althobiti, Abdullah A. Alhussainy, Sultan Alghamdi, Mahendiran Vellingiri, Thangam Palaniswamy, and Muhyaddin Rawa. 2024. "A Comparative Study of Load Frequency Regulation for Multi-Area Interconnected Grids Using Integral Controller" Sustainability 16, no. 9: 3808. https://doi.org/10.3390/su16093808
APA StyleBa Wazir, A., Althobiti, A., Alhussainy, A. A., Alghamdi, S., Vellingiri, M., Palaniswamy, T., & Rawa, M. (2024). A Comparative Study of Load Frequency Regulation for Multi-Area Interconnected Grids Using Integral Controller. Sustainability, 16(9), 3808. https://doi.org/10.3390/su16093808

