Review of Organic Rankine Cycles for Internal Combustion Engine Waste Heat Recovery: Latest Decade in Review
Abstract
1. Introduction
1.1. Organic Rankine Cycle Concepts
1.2. Waste Heat Recovery Source Characteristics
1.3. Recent and Future (Projected) External Influences
1.3.1. Demand for Internal Combustion Engines
1.3.2. Combustion Fuel Costs
1.3.3. Regulations and Policy
1.3.4. Alternative ICE–WHR Methods
1.4. Pre-2013 Historical Synopsis of ORCs for ICE–WHR
2. Latest Decade in Review
2.1. 2012 (Partial)
2.2. 2013
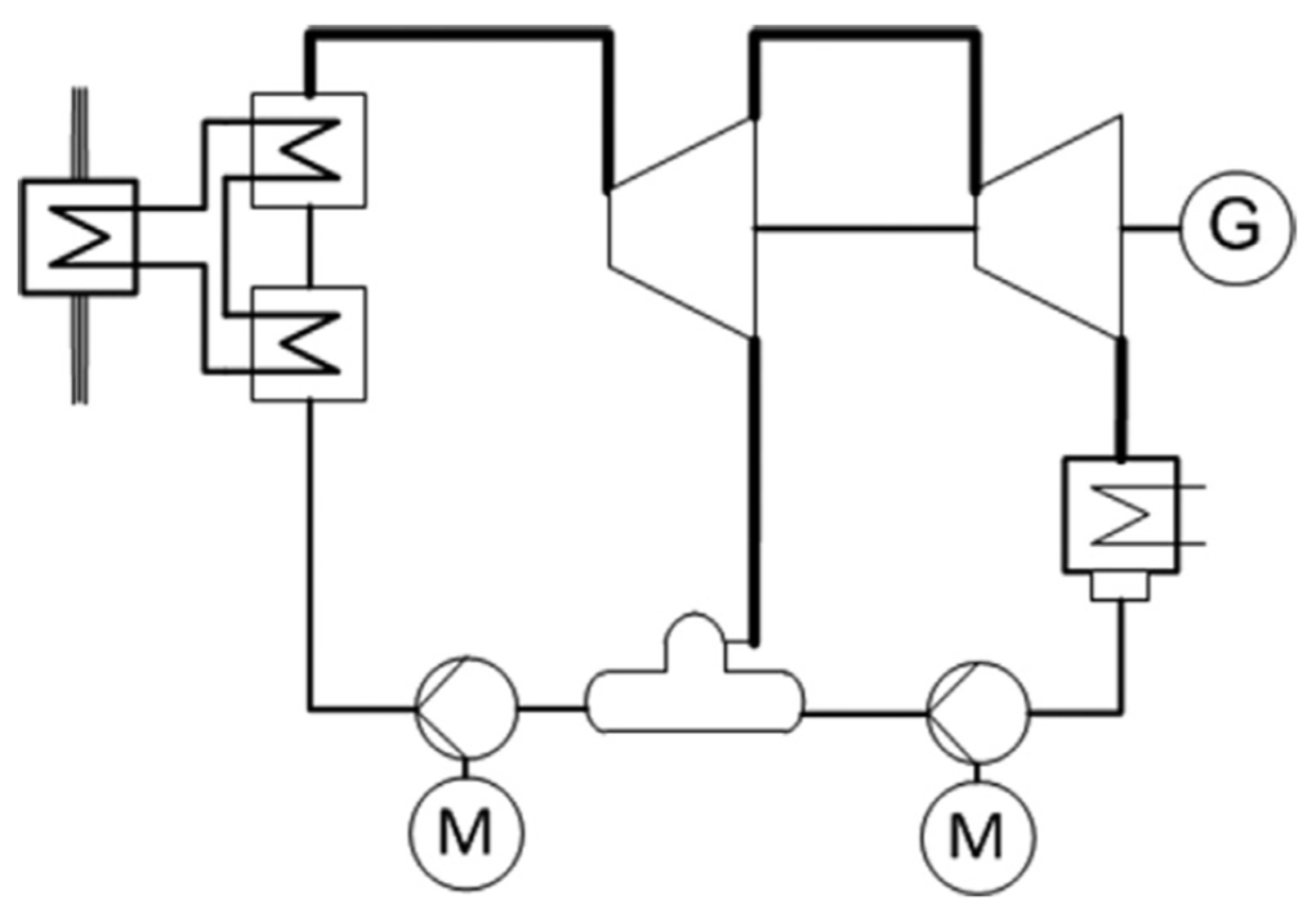
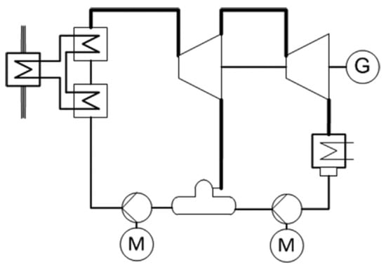
- (a)
- Basic ORC (BORC)—the simplest configuration with the familiar four components.
- (b)
- Regenerative ORC (RORC)—the basic configuration with a regenerator added, using the heat remaining after expansion to preheat the fluid before the evaporator. (A regenerator could also be called a recuperator).
- (c)
- Double regenerative ORC (DRORC)—a complex configuration with heat entering one RORC at a higher temperature and then the remaining heat entering another RORC at a lower temperature with a common condenser.
- (d)
- Reheat regenerative ORC (RRORC)—a regenerative configuration with a second heating stage and second expansion stage.
- (e)
- Ejector ORC (EORC)—a unique configuration with a portion of the condensed fluid being pressurized by a separate pump and heated in a second evaporator before passing into an ejector, which is a mixing chamber where the fluid stream just mentioned pulls (or sucks) the fluid exiting the expander, reducing expander backpressure.
- (f)
- Transcritical regenerative ORC (TRORC)—a regenerative configuration in which a pump pressurizes the working fluid above critical pressure, often called “supercritical”.
2.3. 2014
2.4. 2015
2.5. 2016
2.6. 2017
2.7. 2018
2.8. 2019
2.9. 2020
2.10. 2021
2.11. 2022
2.12. 2023 (Partial)
3. Review Summary
Related Reading
4. Results
4.1. Working Fluid Selection
4.2. Computer Simulation Tools
4.3. Costs
4.4. ORC Components
4.5. Control
4.6. ORC Performance
- The Cummins/Peterbilt’s SuperTruck team quickly achieved a 3.6% improvement in BTE with parallel loop WHR by 2015 [101].
- Daimler’s SuperTruck II team replaced a cyclopentane-based ORC with a “phase change engine cooling system with a piston expander” using a 60/40 water/ethanol mixture, projecting a 3.5% BTE improvement [221].
- Volvo’s SuperTruck II team reports a ~2% BTE improvement via exhaust WHR and a ~1% BTE improvement via coolant WHR [244].
4.7. Alternative Engines/Fuels
5. Discussion
6. Conclusions
- The published literature on ICE–WHR using ORCs continues expanding rapidly, and the past decade is further evidence of lasting interest.
- As research efforts mature, the challenges facing the technology become increasingly apparent, especially with regard to developing a system that simultaneously offers affordability, performance, and durability.
- Although not openly shared, the simulation capabilities of researchers have expanded to complex assemblages of ORC, ICE, and vehicle models within control and communication frameworks, showing the capabilities of researchers to integrate thermodynamic properties, computational fluid dynamics, and other commercially available software packages into sophisticated (and highly capable) model architectures.
- Surprisingly few efforts have specifically investigated the potential of using ORCs for WHR from HCCI engines and engines burning alternative fuels (hydrogen, CNG, ethanol, biodiesels, etc.).
- Hardly any studies have seriously investigated the environmental impacts of using ORCs for ICE–WHR, from basic aspects like fuel savings, emissions prevention, and reduced thermal pollution to more thorough environmental impact assessments.
- Further studies are also urgently needed on the topics of cost reduction and cost estimation across various types of systems (stationary, mobile, CHP, and with thermal storage).
- Long-term collaborations like SuperTruck II, especially combining the resources of academia, industry, and government, are necessary to incentivize the deployment of ORCs to real-world vehicle fleets.
Funding
Acknowledgments
Conflicts of Interest
Appendix A. Early (Pre-ICE–WHR) ORC History
| Year | Author(s) | Description | Reference |
|---|---|---|---|
| 1969 | Bjerklie and Sternlicht | Comparison of steam Rankine and organic Rankine engines to existing Otto engines. | [290] |
| 1969 | Bjerklie and Luchter | Characterization of an “ideal working fluid” for development by the chemical industry. | [291] |
| 1969 | Degner and Velie | Development of a silent organic Rankine cycle system with monisopropylbiphenyl for electrical power in tactical military applications. | [292] |
| 1970 | Doyle et al. | Description of “developments in small reciprocating” ORCs using Monsanto Cp-34 as the working fluid. | [293] |
| 1970 | Bjerklie and Sternlicht | Description of ORC applications outside of prime movers, including bottoming cycles. | [294] |
| 1970 | Lodwig | ORC receiving heat from exhaust gas of gas turbine generator for military tactical use. (Milestone in the use of exhaust gases for WHR). | [295] |
| 1971 | Barber et al. | Vehicle prime mover turbine-gearbox design and testing, with experiments using supplied “organic vapor”. | [296] |
| 1973 | Reck and Randolf | ORC bus engine design and prototype testing. | [297] |
| 1973 | Morgan et al. | Vehicle prime mover ORC development by Thermo Electron Corporation. (Forerunner to the seminal publication by Patel and Doyle [2]). | [298] |
| 1974 | Patel et al. | Further detail on ORC as a prime mover with reciprocating geometry. | [58] |
| 1974 | Hodgson and Collamore | Rankine cycle prime mover development and preprototype testing using AEF-78 or water as a working fluid. | [299] |
Appendix B. Overview of Early (1940s–1970s) External Influences
Appendix B.1. Proliferating US Government Regulations
Appendix B.2. Volatile Oil Market Dynamics
Appendix B.3. Global Trends in Research Drivers
Appendix C. Compilation of ORC for ICE–WHR (and Related) Reviews
| Year | Author(s) | Description | Reference |
|---|---|---|---|
| 2012 | Lopes et al. | Component-focused ORC review covering different component designs (e.g., different heat exchangers, expanders, etc.). | [319] |
| 2012 | Saidur et al. | Review of WHR technologies for ICE exhaust, various methods. | [80] |
| 2012 | Sprouse III and Depcik | Review of ORCs for ICE–WHR, precursor to the current article. | [1] |
| 2013 | Abedin et al. | ICE energy balances for different alternative fuels. | [32] |
| 2013 | Jadhao and Thombare | Review of exhaust gas WHR from ICEs, various methods. | [48] |
| 2013 | Quoilin et al. | Survey of ORC applications across industries and challenges. | [87] |
| 2014 | Song et al. | Review of using scroll expanders in ORC systems. | [272] |
| 2015 | Aghaali and Ångström | Turbocompounding for ICE–WHR. | [45] |
| 2015 | Colonna et al. | Vision article covering broad ORC uses, especially electricity. | [280] |
| 2015 | Delgado and Lutsey | Vision article on long-haul truck efficiency for 2020–2030. | [36] |
| 2015 | Karvonen et al. | Review of all ICE–WHR technologies with patent analysis. | [320] |
| 2015 | Lecompte et al. | Review of ORC configurations for WHR, electricity-focused. | [6] |
| 2016 | Rahbar et al. | Review of small-scale ORCs, applications, and expanders. | [321] |
| 2016 | Zhai et al. | Perspective on categorizing WHR sources for ORCs. | [322] |
| 2016 | Zhou et al. | History and future of vehicle WHR using Rankine cycles. | [323] |
| 2017 | Arefin et al. | Review of all ICE–WHR technologies. | [179] |
| 2017 | Bronicki | History of all ORC systems. | [259] |
| 2017 | Lion et al. | Review of heavy-duty diesel WHR using ORCs on- and off-highway. | [178] |
| 2017 | Tartière and Astolfi | Review of market for ORCs worldwide. | [213] |
| 2017 | Tocci et al. | Techno-economic review of small-scale ORCs. | [159] |
| 2018 | Alshammari et al. | ORC expander technologies for ICE–WHR. | [195] |
| 2018 | Jiménez-Arreola et al. | Review of challenges and strategies for managing ORC heat source fluctuations. | [181] |
| 2018 | Mahmoudi et al. | Review of “recent” ORC–WHR efforts, including from ICEs. | [324] |
| 2018 | Shi et al. | Review of “modified” ORCs for ICE–WHR. | [325] |
| 2019 | Dai et al. | ORC working fluid thermal stability review. | [204] |
| 2019 | Xu et al. | Review of ORCs for HDDE–WHR with introductory content. | [214] |
| 2020 | Loni et al. | Industrial WHR with ORCs, recent results, and outlook. | [326] |
| 2021 | Oyedepo and Fakeye | Review of WHR as technology for sustainable energy. | [327] |
| 2021 | Savitha et al. | Literature review of low GWP refrigerants. | [328] |
| 2021 | Tian et al. | Vision article for Rankine cycle WHR from ICEs. | [242] |
| 2022 | Dahham et al. | Recent thermal efficiency improvements of ICEs. | [31] |
| 2022 | Joshi | Review of engine efficiency and emissions for ICEs. | [28] |
| 2022 | Kuah et al. | Bibliometric study of WHR covering 1991–2020. | [37] |
| 2023 | Balazadeh Meresht et al. | Recent efficiency advancements in long-haul trucks. | [329] |
| 2023 | Wieland et al. | Vision article for ORC power systems. | [330] |
| 2023 | Wieland et al. | Survey of the ORC power systems market. | [50] |
References
- Sprouse, C., III; Depcik, C. Review of organic Rankine cycles for internal combustion engine exhaust waste heat recovery. Appl. Therm. Eng. 2013, 51, 711–722. [Google Scholar] [CrossRef]
- Patel, P.S.; Doyle, E.F. Compounding the Truck Diesel Engine with an Organic Rankine-Cycle System. In Proceedings of the 1976 Automotive Engineering Congress and Exposition, Detroit, MI, USA, 23–27 February 1976. SAE Technical Paper 760343. [Google Scholar] [CrossRef]
- Britannica. Organic Compound. Available online: https://www.britannica.com/science/organic-compound (accessed on 26 September 2023).
- Tomic, S. Les origines de la chimie organique au-delà du mythe fondateur. Comptes Rendus Chim. 2012, 15, 553–568. [Google Scholar] [CrossRef]
- Peris, B.; Navarro-Esbrí, J.; Molés, F. Bottoming organic Rankine cycle configurations to increase Internal Combustion Engines power output from cooling water waste heat recovery. Appl. Therm. Eng. 2013, 61, 364–371. [Google Scholar] [CrossRef]
- Lecompte, S.; Huisseune, H.; Van Den Broek, M.; Vanslambrouck, B.; De Paepe, M. Review of organic Rankine cycle (ORC) architectures for waste heat recovery. Renew. Sustain. Energy Rev. 2015, 47, 448–461. [Google Scholar] [CrossRef]
- Apostol, V.; Pop, H.; Dobrovicescu, A.; Prisecaru, T.; Alexandru, A.; Prisecaru, M. Thermodynamic Analysis of ORC Configurations Used for WHR from a Turbocharged Diesel Engine. Procedia Eng. 2015, 100, 549–558. [Google Scholar] [CrossRef]
- Cornolti, L.; Onorati, A.; Cerri, T.; Montenegro, G.; Piscaglia, F. 1D simulation of a turbocharged Diesel engine with comparison of short and long EGR route solutions. Appl. Energy 2013, 111, 1–15. [Google Scholar] [CrossRef]
- Payri, F.; Olmeda, P.; Martín, J.; Carreño, R. Experimental analysis of the global energy balance in a DI diesel engine. Appl. Therm. Eng. 2015, 89, 545–557. [Google Scholar] [CrossRef]
- Wang, X.; Sun, B.-G.; Luo, Q.-H. Energy and exergy analysis of a turbocharged hydrogen internal combustion engine. Int. J. Hydrogen Energy 2019, 44, 5551–5563. [Google Scholar] [CrossRef]
- Navale, S.J.; Kulkarni, R.R.; Thipse, S.S. An experimental study on performance, emission and combustion parameters of hydrogen fueled spark ignition engine with the timed manifold injection system. Int. J. Hydrogen Energy 2017, 42, 8299–8309. [Google Scholar] [CrossRef]
- Das, S.; Debnath, B.K.; Negi, S.; Das, B.; Safari, S.; Reddy, B.V.; Debbarma, S.; Ehyaei, M.A. A comprehensive review into the effects of different parameters on the hydrogen-added HCCI diesel engine. Energy Sci. Eng. 2023, 11, 3928–3958. [Google Scholar] [CrossRef]
- Grand View Research. Internal Combustion Engine Market Size, Share & Trends Analysis Report by Fuel Type (Petroleum, Natural Gas), by End-Use (Automotive, Marine, Aircraft), by Region, and Segment Forecasts, 2023–2030; Market Analysis Report 978-1-68038-591-5; Grand View Research, Inc.: San Francisco, CA, USA, 2023; Available online: https://www.grandviewresearch.com/industry-analysis/internal-combustion-engine-market/methodology (accessed on 27 September 2023).
- Fulton, L.M.; Jaffe, A.; McDonald, Z. Internal Combustion Engine Bans and Global Oil Use; UC Davis Institute of Transportation Studies: Davis, CA, USA, 2019; Available online: https://escholarship.org/uc/item/52j400b1 (accessed on 14 September 2023).
- Acumen Research and Consulting. Internal Combustion Engine Market (By Fuel–Petroleum [Diesel, Gasoline, Others], Natural Gas [CNG, LNG, Others]; By End-User—Automobile, Aviation, Marine)—Global Industry Size, Share, Trends and Forecast 2018–2026; Acumen Research and Consulting: Pune, India, 2018; Available online: https://www.acumenresearchandconsulting.com/internal-combustion-engine-market (accessed on 28 September 2023).
- Technavio. Internal Combustion Engine Market Size to Grow by USD 27.2 Billion from 2022 to 2027; Growth Driven by Growing Demand to Improve Vehicle Performance. Available online: https://www.prnewswire.com/news-releases/internal-combustion-engine-market-size-to-grow-by-usd-27-2-billion-from-2022-to-2027-growth-driven-by-growing-demand-to-improve-vehicle-performance---technavio-301798922.html (accessed on 28 September 2023).
- US Energy Information Administration (EIA). International Energy Outlook 2023, IEO2023, October 2023. Available online: https://www.eia.gov/outlooks/ieo/index.php (accessed on 28 September 2023).
- International Energy Agency. Global EV Outlook 2021. 2021. Available online: https://iea.blob.core.windows.net/assets/ed5f4484-f556-4110-8c5c-4ede8bcba637/GlobalEVOutlook2021.pdf (accessed on 30 November 2023).
- Yadav, A.; Narla, A.; Delgado, O. Heavy-Duty Trucks in India: Technology Potential and Cost-Effectiveness of Fuel-Efficiency Technologies in the 2025–2030 Time Frame; International Council on Clean Transportation: Washington, DC, USA, 2023; Available online: https://theicct.org/publication/heavy-duty-trucks-india-fuel-efficiency-jun23/ (accessed on 28 September 2023).
- Oldknow, K.; Mulligan, K.; McTaggart-Cowan, G. The trajectory of hybrid and hydrogen technologies in North American heavy haul operations. Railw. Eng. Sci. 2021, 29, 233–247. [Google Scholar] [CrossRef]
- US Department of Energy: Energy Efficiency & Renewable Energy. Alternative Fuels Data Center: Fuel Prices. Available online: https://afdc.energy.gov/fuels/prices.html (accessed on 9 November 2023).
- Buchholtz, K. Infographic: How Gas Prices Compare Around the World. Statista Daily Data. Available online: https://www.statista.com/chart/5316/petrol-prices-around-the-world-visualised (accessed on 9 November 2023).
- US Energy Information Administration (EIA). Total Energy. Available online: https://www.eia.gov/totalenergy/data/browser/?tbl=T09.08#/?f=M (accessed on 9 November 2023).
- Popp, D. Environmental Policy and Innovation: A Decade of Research; National Bureau of Economic Research: Cambridge, MA, USA, 2019. [Google Scholar] [CrossRef]
- Shen, J.; Chen, X.; Li, H.; Cui, X.; Zhang, S.; Bu, C.; An, K.; Wang, C.; Cai, W. Incorporating Health Cobenefits into Province-Driven Climate Policy: A Case of Banning New Internal Combustion Engine Vehicle Sales in China. Environ. Sci. Technol. 2023, 57, 1214–1224. [Google Scholar] [CrossRef] [PubMed]
- Vogel, D. California Greenin’: How the Golden State Became an Environmental Leader. In California Greenin’; Princeton University Press: Princeton, NJ, USA, 2018; ISBN 1400889596. [Google Scholar]
- Popp, D.; Newell, R.G.; Jaffe, A.B. Energy, the Environment, and Technological Change. In Handbook of the Economics of Innovation; Elsevier: Amsterdam, The Netherlands, 2010; Volume 2, pp. 873–937. [Google Scholar] [CrossRef]
- Joshi, A. Review of Vehicle Engine Efficiency and Emissions. SAE Int. J. Adv. Curr. Pr. Mobil. 2022, 4, 1704–1733. [Google Scholar] [CrossRef]
- Yang, L. China’s Stage VI Emission Standard for Heavy-Duty Vehicles (Final Rule). 2018. Available online: https://theicct.org/sites/default/files/publications/China_VI_Policy_Update_20180720.pdf (accessed on 30 November 2023).
- European Parliament. Euro 7 Motor Vehicle Emission Standards, November 2023. Available online: https://www.europarl.europa.eu/RegData/etudes/ATAG/2023/754573/EPRS_ATA(2023)754573_EN.pdf (accessed on 30 November 2023).
- Dahham, R.Y.; Wei, H.; Pan, J. Improving Thermal Efficiency of Internal Combustion Engines: Recent Progress and Remaining Challenges. Energies 2022, 15, 6222. [Google Scholar] [CrossRef]
- Abedin, M.; Masjuki, H.; Kalam, M.; Sanjid, A.; Rahman, S.A.; Masum, B. Energy balance of internal combustion engines using alternative fuels. Renew. Sustain. Energy Rev. 2013, 26, 20–33. [Google Scholar] [CrossRef]
- Han, G.; Yao, A.; Yao, C.; Wang, Q.; Wang, B.; Wei, H.; Wu, T.; Liu, M. Theoretical and experimental investigations on energy balance on DMDF engine. Fuel 2016, 164, 393–402. [Google Scholar] [CrossRef]
- Riyadi, T.W.B.; Spraggon, M.; Herawan, S.; Idris, M.; Paristiawan, P.; Putra, N.R.; Faizullizam, M.R.; Silambarasan, R.; Veza, I. Biodiesel for HCCI engine: Prospects and challenges of sustainability biodiesel for energy transition. Results Eng. 2023, 17, 100916. [Google Scholar] [CrossRef]
- Shu, G.-Q.; Wang, X.; Tian, H. The Performance of Rankine Cycle as Waste Heat Recovery System for a Natural Gas Engine at Variable Working Conditions. In Proceedings of the SAE 2016 World Congress and Exhibition, Detroit, MI, USA, 12–14 April 2016. SAE Technical Paper 2016-01-0237. [Google Scholar]
- Delgado, O.; Lutsey, N. Advanced Tractor-Trailer Efficiency Technology Potential in the 2020–2030 Timeframe. White Paper, April 2015. Available online: https://theicct.org/publication/advanced-tractor-trailer-efficiency-technology-potential-in-the-2020-2030-timeframe/ (accessed on 11 October 2023).
- Kuah, C.T.; Koh, Q.Y.; Rajoo, S.; Wong, K.Y. Waste heat recovery research—A systematic bibliometric analysis (1991 to 2020). Environ. Sci. Pollut. Res. 2022, 30, 72074–72100. [Google Scholar] [CrossRef]
- Güven, M.; Bedir, H.; Anlaş, G. Optimization and application of Stirling engine for waste heat recovery from a heavy-duty truck engine. Energy Convers. Manag. 2019, 180, 411–424. [Google Scholar] [CrossRef]
- Durcansky, P.; Nosek, R.; Jandacka, J. Use of Stirling Engine for Waste Heat Recovery. Energies 2020, 13, 4133. [Google Scholar] [CrossRef]
- Ramírez, R.; Gutiérrez, A.S.; Cabello Eras, J.J.; Valencia, K.; Hernández, B.; Duarte Forero, J. Evaluation of the energy recovery potential of thermoelectric generators in diesel engines. J. Clean. Prod. 2019, 241, 118412. [Google Scholar] [CrossRef]
- Nag, S.; Dhar, A.; Gupta, A. Exhaust Heat Recovery Using Thermoelectric Generators: A Review. In Advances in Internal Combustion Engine Research. Energy, Environment, and Sustainability; Srivastava, D.K., Agarwal, A.K., Datta, A., Maurya, R.K., Eds.; Springer: Singapore, 2018; pp. 193–206. [Google Scholar] [CrossRef]
- Zoui, M.A.; Bentouba, S.; Stocholm, J.G.; Bourouis, M. A Review on Thermoelectric Generators: Progress and Applications. Energies 2020, 13, 3606. [Google Scholar] [CrossRef]
- Tian, H.; Jiang, N.; Jia, Q.; Sun, X.; Shu, G.; Liang, X. Comparison of Segmented and Traditional Thermoelectric Generator for Waste Heat Recovery of Diesel Engine. Energy Procedia 2015, 75, 590–596. [Google Scholar] [CrossRef][Green Version]
- Buonomo, B.; Cascetta, F.; di Pasqua, A.; Manca, O. Performance parameters enhancement of a thermoelectric generator by metal foam in exhaust automotive lines. Therm. Sci. Eng. Prog. 2023, 38, 101684. [Google Scholar] [CrossRef]
- Aghaali, H.; Ångström, H.-E. A review of turbocompounding as a waste heat recovery system for internal combustion engines. Renew. Sustain. Energy Rev. 2015, 49, 813–824. [Google Scholar] [CrossRef]
- Hayasaki, T.; Okamoto, Y.; Amagai, K.; Arai, M. A Six-Stroke DI Diesel Engine Under Dual Fuel Operation. In Proceedings of the International Fuels & Lubricants Meeting & Exposition, Toronto, ON, Canada, 25–28 October 1999. [Google Scholar]
- Wang, Y.; Tang, Q.; Wang, M.; Feng, X. Thermodynamic performance comparison between ORC and Kalina cycles for multi-stream waste heat recovery. Energy Convers. Manag. 2017, 143, 482–492. [Google Scholar] [CrossRef]
- Jadhao, J.S.; Thombare, D.G. Review on Exhaust Gas Heat Recovery for I.C. Engine. Int. J. Eng. Innov. Technol. IJEIT 2013, 2, 93–100. [Google Scholar]
- Arvay, P.; Muller, M.R.; Ramdeen, V.; Cunningham, G. Economic Implementation of the Organic Rankine Cycle in Industry. In Proceedings of the ACEEE Summer Study on Energy Efficiency in Industry, Niagra Falls, NY, USA, 26–31 July 2011; Available online: https://www.aceee.org/files/proceedings/2011/data/papers/0085-000077.pdf (accessed on 9 November 2023).
- Wieland, C.; Schifflechner, C.; Dawo, F.; Astolfi, M. The organic Rankine cycle power systems market: Recent developments and future perspectives. Appl. Therm. Eng. 2023, 224, 119980. [Google Scholar] [CrossRef]
- Li, Z.; Lu, Y.; Huang, Y.; Qian, G.; Chen, F.; Yu, X.; Roskilly, A. Comparison study of Trilateral Rankine Cycle, Organic Flash Cycle and basic Organic Rankine Cycle for low grade heat recovery. Energy Procedia 2017, 142, 1441–1447. [Google Scholar] [CrossRef]
- Patel, P.; Doyle, E.F.; Raymond, R.J.; Sakhuja, R. Automotive Organic Rankine-Cycle Powerplant—Design and Performance Data. In Proceedings of the 1974 Automotive Engineering Congress and Exposition, Detroit, MI, USA, 25 February–1 March 1974. SAE Technical Paper 740297. [Google Scholar]
- Doyle, E.; DiNanno, L.; Kramer, S. Installation of a Diesel-Organic Rankine Compound Engine in a Class 8 Truck for a Single-Vehicle Test. In Proceedings of the Passenger Car Meeting & Exposition, Dearborn, MI, USA, 11–15 June 1979. SAE Technical Paper 790646. [Google Scholar]
- Marciniak, T.J.; Krazinski, J.L.; Bratis, J.C.; Bushby, H.M.; Buyco, E.H. Comparison of Rankine-Cycle Power Systems: Effects of Seven Working Fluids; ANL/CNSV-TM-87; Argonne National Lab. (ANL): Argonne, IL, USA, 1981. [Google Scholar] [CrossRef][Green Version]
- Badr, O.; Probert, S.; O’Callaghan, P. Selecting a working fluid for a Rankine-cycle engine. Appl. Energy 1985, 21, 1–42. [Google Scholar] [CrossRef]
- Badr, O.; O’Callaghan, P.; Probert, S. Thermodynamic and thermophysical properties of organic working fluids for Rankine-cycle engines. Appl. Energy 1985, 19, 1–40. [Google Scholar] [CrossRef]
- Angelino, G.; Invernizzi, C. Experimental investigation on the thermal stability of some new zero ODP refrigerants. Int. J. Refrig. 2003, 26, 51–58. [Google Scholar] [CrossRef]
- Leibowitz, H.; Smith, I.K.; Stosic, N. Cost Effective Small Scale ORC Systems for Power Recovery From Low Grade Heat Sources. In Proceedings of the ASME 2006 International Mechanic Engineering Congress and Exposition, Chicago, IL, USA, 5–10 November 2006; pp. 521–527. [Google Scholar] [CrossRef]
- El Chammas, R.; Clodic, D. Combined Cycle for Hybrid Vehicles. In Proceedings of the SAE 2005 World Congress & Exhibition, Detroit, MI, USA, 11–14 April 2005. SAE Technical Paper 2005-01-1171. [Google Scholar]
- Endo, T.; Kawajiri, S.; Kojima, Y.; Takahashi, K.; Baba, T.; Ibaraki, S.; Takahashi, T.; Shinohara, M. Study on Maximizing Exergy in Automotive Engines. In Proceedings of the SAE World Congress & Exhibition, Detroit, MI, USA, 16–19 April 2007. SAE Technical Paper 2007-01-0257. [Google Scholar] [CrossRef]
- Quoilin, S.; Declaye, S.; Tchanche, B.F.; Lemort, V. Thermo-economic optimization of waste heat recovery Organic Rankine Cycles. Appl. Therm. Eng. 2011, 31, 2885–2893. [Google Scholar] [CrossRef]
- Hussain, Q.; Brigham, D. Organic Rankine Cycle for Light Duty Passenger Vehicles. In Proceedings of the DEER Conference, Detroit, MI, USA, 3–6 October 2011; Available online: https://www.energy.gov/sites/prod/files/2014/03/f8/deer11_hussain.pdf (accessed on 29 September 2023).
- Espinosa, N.; Tilman, L.; Lemort, V.; Quoilin, S.; Lombard, B. Rankine Cycle for Waste Heat Recovery on Commercial Trucks: Approach, Constraints and Modelling. In Proceedings of the Diesel International Conference and Exhibition, Rouen, France, 26–27 May 2010; Available online: https://orbi.uliege.be/handle/2268/62995 (accessed on 29 September 2023).
- Schmid, H. Less Emissions Through Waste Heat Recovery. In Proceedings of the Green Ship Technology Conference, London, UK, 28–29 April 2004; Available online: http://marineengineering.co.za/technical-information/motor-docs/waste-heat-recovery.pdf (accessed on 29 September 2023).
- Arias, D.A.; Shedd, T.A.; Jester, R.K. Theoretical Analysis of Waste Heat Recovery from an Internal Combustion Engine in a Hybrid Vehicle. In Proceedings of the SAE 2006 World Congress & Exhibition, Detroit, MI, USA, 3–6 April 2006. [Google Scholar] [CrossRef]
- Vaja, I.; Gambarotta, A. Internal Combustion Engine (ICE) bottoming with Organic Rankine Cycles (ORCs). Energy 2010, 35, 1084–1093. [Google Scholar] [CrossRef]
- Freymann, D.-I.H.R.; Strobl, W.; Obieglo, S.T.A. The turbosteamer: A system introducing the principle of cogeneration in automotive applications. MTZ Worldw. 2008, 69, 20–27. [Google Scholar] [CrossRef]
- Green Car Congress. BMW Provides an Update on Waste Heat Recovery Projects; Turbosteamer and the Thermoelectric Generator. Available online: https://www.greencarcongress.com/2011/08/bmwthermal-20110830.html (accessed on 9 November 2023).
- Qiu, K.; Hayden, A. Integrated thermoelectric and organic Rankine cycles for micro-CHP systems. Appl. Energy 2012, 97, 667–672. [Google Scholar] [CrossRef]
- Shu, G.; Zhao, J.; Tian, H.; Wei, H.; Liang, X.; Yu, G.; Liu, L. Theoretical Analysis of Engine Waste Heat Recovery by the Combined Thermo-Generator and Organic Rankine Cycle System. In Proceedings of the SAE 2012 World Congress & Exhibition, Detroit, MI, USA, 24–26 April 2012. SAE Technical Paper 2012-01-0636. [Google Scholar]
- Hussain, Q.E.; Brigham, D.R.; Maranville, C.W. Thermoelectric Exhaust Heat Recovery for Hybrid Vehicles. SAE Int. J. Engines 2009, 2, 1132–1142. [Google Scholar] [CrossRef]
- Latz, G.; Andersson, S.; Munch, K. Comparison of Working Fluids in Both Subcritical and Supercritical Rankine Cycles for Waste-Heat Recovery Systems in Heavy-Duty Vehicles, 16–19 April 2012, Detroit, MI, USA; SAE Technical Paper 2012-01-1200; SAE International: Warrendale, PA, USA, 2012. [Google Scholar] [CrossRef]
- Heberle, F.; Bassermann, P.; Preißinger, M.; Brüggemann, D. Exergoeconomic Optimization of an Organic Rankine Cycle for Low-Temperature Geothermal Heat Sources. Int. J. Thermodyn. 2012, 15, 119–126. [Google Scholar]
- Bejan, A.; Tsatsaronis, G.; Moran, M.J. Thermal Design and Optimization, 1st ed.; John Wiley & Sons: Hoboken, NJ, USA, 1995; Available online: https://www.wiley.com/en-us/Thermal+Design+and+Optimization-p-9780471584674 (accessed on 13 November 2023).
- Heberle, F.; Preißinger, M.; Brüggemann, D. Zeotropic mixtures as working fluids in Organic Rankine Cycles for low-enthalpy geothermal resources. Renew. Energy 2012, 37, 364–370. [Google Scholar] [CrossRef]
- Heberle, F.; Schifflechner, C.; Brüggemann, D. Life cycle assessment of Organic Rankine Cycles for geothermal power generation considering low-GWP working fluids. Geothermics 2016, 64, 392–400. [Google Scholar] [CrossRef]
- Heberle, F.; Brüggemann, D. Thermo-Economic Analysis of Zeotropic Mixtures and Pure Working Fluids in Organic Rankine Cycles for Waste Heat Recovery. Energies 2016, 9, 785–850. [Google Scholar] [CrossRef]
- Tsatsaronis, G.; Winhold, M. Exergoeconomic analysis and evaluation of energy-conversion plants—I. A new general methodology. Energy 1985, 10, 69–80. [Google Scholar] [CrossRef]
- Chys, M.; van den Broek, M.; Vanslambrouck, B.; De Paepe, M. Potential of zeotropic mixtures as working fluids in organic Rankine cycles. Energy 2012, 44, 623–632. [Google Scholar] [CrossRef]
- Saidur, R.; Rezaei, M.; Muzammil, W.K.; Hassan, M.H.; Paria, S.; Hasanuzzaman, M. Technologies to recover exhaust heat from internal combustion engines. Renew. Sustain. Energy Rev. 2012, 16, 5649–5659. [Google Scholar] [CrossRef]
- Boretti, A. Recovery of exhaust and coolant heat with R245fa organic Rankine cycles in a hybrid passenger car with a naturally aspirated gasoline engine. Appl. Therm. Eng. 2012, 36, 73–77. [Google Scholar] [CrossRef]
- Boretti, A.A. Transient operation of internal combustion engines with Rankine waste heat recovery systems. Appl. Therm. Eng. 2012, 48, 18–23. [Google Scholar] [CrossRef]
- Boretti, A.; Osman, A.; Aris, I. Design of Rankine Cycle Systems to Deliver Fuel Economy Benefits over Cold Start Driving Cycles. In Proceedings of the SAE 2012 International Powertrains, Fuels & Lubricants Meeting, Malmo, Sweden, 18–20 September 2012. SAE Technical Paper 2012-01-1713. [Google Scholar] [CrossRef]
- Arunachalam, P.N.; Shen, M.; Tuner, M.; Tunestal, P.; Thern, M. Waste Heat Recovery from Multiple Heat Sources in a HD Truck Diesel Engine Using a Rankine Cycle—A Theoretical Evaluation. In Proceedings of the SAE 2012 International Powertrains, Fuels & Lubricants Meeting, Malmo, Sweden, 18–20 September 2012. SAE Technical Paper 2012-01-1602. [Google Scholar] [CrossRef]
- De Ojeda, W.; Rajkumar, M. Engine Technologies for Clean and High Efficiency Heavy Duty Engines. SAE Int. J. Engines 2012, 5, 1759–1767. [Google Scholar] [CrossRef]
- Skarke, P.; Midlam-Mohler, S.; Canova, M. Waste Heat Recovery from Internal Combustion Engines: Feasibility Study on an Organic Rankine Cycle with Application to the Ohio State EcoCAR PHEV. In Proceedings of the ASME 2012 Internal Combustion Engine Division Fall Technical Conference, Vancouver, BC, Canada, 23–26 September 2012; pp. 609–615. [Google Scholar] [CrossRef]
- Quoilin, S.; Broek, M.V.D.; Declaye, S.; Dewallef, P.; Lemort, V. Techno-economic survey of Organic Rankine Cycle (ORC) systems. Renew. Sustain. Energy Rev. 2013, 22, 168–186. [Google Scholar] [CrossRef]
- Auld, A.; Berson, A.; Hogg, S. Organic Rankine cycles in waste heat recovery: A comparative study. Int. J. Low-Carbon Technol. 2013, 8, i9–i18. [Google Scholar] [CrossRef]
- Aneke, M.; Agnew, B.; Underwood, C. Performance analysis of the Chena binary geothermal power plant. Appl. Therm. Eng. 2011, 31, 1825–1832. [Google Scholar] [CrossRef]
- Tian, H.; Shu, G.-Q.; Wei, H.; Liang, X.; Yu, G. Thermodynamic Analysis of a Novel Combined Power and Cooling Cycle Driven by the Exhaust Heat Form a Diesel Engine. SAE Int. J. Engines 2013, 6, 766–776. [Google Scholar] [CrossRef]
- Garg, P.; Kumar, P.; Srinivasan, K.; Dutta, P. Evaluation of isopentane, R-245fa and their mixtures as working fluids for organic Rankine cycles. Appl. Therm. Eng. 2013, 51, 292–300. [Google Scholar] [CrossRef]
- Hossain, S.N.; Bari, S. Additional Power Generation from the Exhaust Gas of Diesel Engine by Bottoming Rankine Cycle. In Proceedings of the SAE 2013 World Congress & Exhibition, Dearborn, MI, USA, 16–18 April 2013. SAE Technical Paper 2013-01-1639. [Google Scholar] [CrossRef]
- Latz, G.; Andersson, S.; Munch, K. Selecting an Expansion Machine for Vehicle Waste-Heat Recovery Systems Based on the Rankine Cycle. In Proceedings of the SAE 2013 World Congress & Exhibition, Dearborn, MI, USA, 16–18 April 2013. SAE Technical Paper 2013-01-0552. [Google Scholar] [CrossRef]
- Nichols, K. How to Select Turbomachinery for Your Application; Barber-Nichols Engineering Company: Arvada, CO, USA, 2012; Available online: https://barber-nichols.com/wp-content/uploads/2019/11/how_to_select_turbomachinery_for_your_application.pdf (accessed on 9 November 2023).
- Tchanche, B.F.; Lambrinos, G.; Frangoudakis, A.; Papadakis, G. Low-grade heat conversion into power using organic Rankine cycles—A review of various applications. Renew. Sustain. Energy Rev. 2011, 15, 3963–3979. [Google Scholar] [CrossRef]
- Koeberlein, D. Cummins SuperTruck Program–Technology and System Level Demonstration of Highly Efficient and Clean, Diesel Powered Class 8 Trucks. Available online: https://www.energy.gov/sites/default/files/2014/03/f13/ace057_koeberlein_2013_o.pdf (accessed on 16 May 2013).
- Koeberlein, D. Cummins SuperTruck Program–Technology Demonstration of Highly Efficient Clean, Diesel Powered Class 8 Trucks. In Proceedings of the DEER (Directions in Engine-Efficiency and Emissions Research) Conference, Detroit, MI, USA, 3 October 2011; Available online: https://www1.eere.energy.gov/vehiclesandfuels/pdfs/deer_2011/monday/presentations/deer11_koeberlein.pdf (accessed on 14 November 2023).
- Koeberlein, D. Supertruck Technologies for 55% Thermal Efficiency and 68% Freight Efficiency. In Proceedings of the DEER (Directions in Engine-Efficiency and Emissions Research) Conference, Dearborn, MI, USA, 17 May 2012; Available online: https://www1.eere.energy.gov/vehiclesandfuels/pdfs/deer_2012/tuesday/presentations/deer12_koeberlein.pdf (accessed on 14 November 2023).
- Koeberlein, D. Cummins SuperTruck Program—Technology and System Level Demonstration of Highly Efficient and Clean, Diesel Powered Class 8 Trucks. 17 May 2012. Available online: https://www.energy.gov/sites/prod/files/2014/03/f10/ace057_koeberlein_2012_o.pdf (accessed on 14 November 2023).
- Koeberlein, D. Cummins SuperTruck Program—Technology and System Level Demonstration of Highly Efficient and Clean, Diesel Powered Class 8 Trucks. 20 June 2014. Available online: https://www.energy.gov/sites/default/files/2014/07/f17/ace057_koeberlein_2014_o.pdf (accessed on 14 November 2023).
- Koeberlein, D. Cummins SuperTruck Program Technology and System Level Demonstration of Highly Efficient and Clean, Diesel Powered Class 8 Trucks. 12 June 2015. Available online: https://www.energy.gov/sites/default/files/2015/06/f23/ace057_koeberlein_2015_o.pdf (accessed on 27 November 2023).
- Spouse, C., III; Depcik, C. Organic Rankine Cycles with Dry Fluids for Small Engine Exhaust Waste Heat Recovery. SAE Int. J. Altern. Powertrains 2013, 2, 96–104. [Google Scholar] [CrossRef]
- El-Emam, R.S.; Dincer, I. Exergy and exergoeconomic analyses and optimization of geothermal organic Rankine cycle. Appl. Therm. Eng. 2013, 59, 435–444. [Google Scholar] [CrossRef]
- Lecompte, S.; Huisseune, H.; Broek, M.v.D.; De Schampheleire, S.; De Paepe, M. Part load based thermo-economic optimization of the Organic Rankine Cycle (ORC) applied to a combined heat and power (CHP) system. Appl. Energy 2013, 111, 871–881. [Google Scholar] [CrossRef]
- Invernizzi, C.; Iora, P.; Silva, P. Bottoming micro-Rankine cycles for micro-gas turbines. Appl. Therm. Eng. 2007, 27, 100–110. [Google Scholar] [CrossRef]
- Pan, L.; Wang, H. Improved analysis of Organic Rankine Cycle based on radial flow turbine. Appl. Therm. Eng. 2013, 61, 606–615. [Google Scholar] [CrossRef]
- Shu, G.; Liu, L.; Tian, H.; Wei, H.; Yu, G. Parametric and working fluid analysis of a dual-loop organic Rankine cycle (DORC) used in engine waste heat recovery. Appl. Energy 2014, 113, 1188–1198. [Google Scholar] [CrossRef]
- Bae, S.; Heo, H.; Lee, H.; Lee, D.; Kim, T.; Park, J.; Kim, C. Performance Characteristics of a Rankine Steam Cycle and Boiler for Engine Waste Heat Recovery. In Proceedings of the 16th Asia Pacific Automotive Engineering Conference, Chennai, India, 6–8 October 2011. SAE Technical Paper 2011-28-0055. [Google Scholar] [CrossRef]
- Meinel, D.; Wieland, C.; Spliethoff, H. Effect and comparison of different working fluids on a two-stage organic Rankine cycle (ORC) concept. Appl. Therm. Eng. 2014, 63, 246–253. [Google Scholar] [CrossRef]
- Shu, G.; Li, X.; Tian, H.; Liang, X.; Wei, H.; Wang, X. Alkanes as working fluids for high-temperature exhaust heat recovery of diesel engine using organic Rankine cycle. Appl. Energy 2014, 119, 204–217. [Google Scholar] [CrossRef]
- Toffolo, A.; Lazzaretto, A.; Manente, G.; Paci, M. A multi-criteria approach for the optimal selection of working fluid and design parameters in Organic Rankine Cycle systems. Appl. Energy 2014, 121, 219–232. [Google Scholar] [CrossRef]
- Lazzaretto, A.; Toffolo, A. A method to separate the problem of heat transfer interactions in the synthesis of thermal systems. Energy 2008, 33, 163–170. [Google Scholar] [CrossRef]
- Lazzaretto, A.; Manente, G. Analysis of Superimposed Elementary Thermodynamic Cycles: From the Brayton-Joule to Advanced Mixed (Auto-Combined) Cycles. Int. J. Thermodyn. 2009, 12, 123–130. [Google Scholar] [CrossRef]
- Toffolo, A.; Lazzaretto, A.; Morandin, M. The HEATSEP method for the synthesis of thermal systems: An application to the S-Graz cycle. Energy 2010, 35, 976–981. [Google Scholar] [CrossRef]
- Lecompte, S.; Ameel, B.; Ziviani, D.; Van den Broek, M.; De Paepe, M. Exergy analysis of zeotropic mixtures as working fluids in Organic Rankine Cycles. Energy Convers. Manag. 2014, 85, 727–739. [Google Scholar] [CrossRef]
- Furukawa, T.; Nakamura, M.; Machida, K.; Shimokawa, K. A Study of the Rankine Cycle Generating System for Heavy Duty HV Trucks. In Proceedings of the SAE 2014 World Congress & Exhibition, Detroit, MI, USA, 6–10 April 2014. SAE Technical Paper 2014-01-0678. [Google Scholar] [CrossRef]
- Larsen, U.; Pierobon, L.; Wronski, J.; Haglind, F. Multiple regression models for the prediction of the maximum obtainable thermal efficiency of organic Rankine cycles. Energy 2014, 65, 503–510. [Google Scholar] [CrossRef]
- Teng, H.; Regner, G.; Cowland, C. Waste Heat Recovery of Heavy-Duty Diesel Engines by Organic Rankine Cycle Part II: Working Fluids for WHR-ORC. In Proceedings of the SAE World Congress & Exhibition, Detroit, MI, USA, 16–19 April 2007. SAE Technical Paper 2007-01-0543. [Google Scholar] [CrossRef]
- Wang, E.H.; Zhang, H.G.; Fan, B.Y.; Ouyang, M.G.; Zhao, Y.; Mu, Q.H. Study of working fluid selection of organic Rankine cycle (ORC) for engine waste heat recovery. Energy 2011, 36, 3406–3418. [Google Scholar] [CrossRef]
- Larsen, U.; Pierobon, L.; Haglind, F.; Gabrielii, C. Design and optimisation of organic Rankine cycles for waste heat recovery in marine applications using the principles of natural selection. Energy 2013, 55, 803–812. [Google Scholar] [CrossRef]
- Delgado, O.; Lutsey, N. The U.S. SuperTruck Program: Expediting the Development of Advanced Heavy-Duty Vehicle Efficiency Technologies, ICCT, White Paper, June 2014. Available online: https://theicct.org/sites/default/files/publications/ICCT_SuperTruck-program_20140610.pdf (accessed on 10 October 2023).
- Stanton, D.W. Systematic Development of Highly Efficient and Clean Engines to Meet Future Commercial Vehicle Greenhouse Gas Regulations. SAE Int. J. Engines 2013, 6, 1395–1480. [Google Scholar] [CrossRef]
- Park, J. The Peterbilt-Cummins SuperTruck, Part 2: More Secrets Revealed. Available online: https://www.truckinginfo.com/155115/the-peterbilt-cummins-supertruck-part-2-more-secrets-revealed (accessed on 10 October 2023).
- Shu, G.; Yu, G.; Tian, H.; Wei, H.; Liang, X. A Multi-Approach Evaluation System (MA-ES) of Organic Rankine Cycles (ORC) used in waste heat utilization. Appl. Energy 2014, 132, 325–338. [Google Scholar] [CrossRef]
- Jradi, M.; Riffat, S. Experimental investigation of a biomass-fuelled micro-scale tri-generation system with an organic Rankine cycle and liquid desiccant cooling unit. Energy 2014, 71, 80–93. [Google Scholar] [CrossRef]
- Sauret, E.; Gu, Y. Three-dimensional off-design numerical analysis of an organic Rankine cycle radial-inflow turbine. Appl. Energy 2014, 135, 202–211. [Google Scholar] [CrossRef]
- Pasquale, D.; Ghidoni, A.; Rebay, S. Shape Optimization of an Organic Rankine Cycle Radial Turbine Nozzle. J. Eng. Gas Turbines Power 2013, 135, 042308. [Google Scholar] [CrossRef]
- Hsu, S.-W.; Chiang, H.-W.D.; Yen, C.-W. Experimental Investigation of the Performance of a Hermetic Screw-Expander Organic Rankine Cycle. Energies 2014, 7, 6172–6185. [Google Scholar] [CrossRef]
- Pasetti, M.; Invernizzi, C.M.; Iora, P. Thermal stability of working fluids for organic Rankine cycles: An improved survey method and experimental results for cyclopentane, isopentane and n -butane. Appl. Therm. Eng. 2014, 73, 764–774. [Google Scholar] [CrossRef]
- Shu, G.; Gao, Y.; Tian, H.; Wei, H.; Liang, X. Study of mixtures based on hydrocarbons used in ORC (Organic Rankine Cycle) for engine waste heat recovery. Energy 2014, 74, 428–438. [Google Scholar] [CrossRef]
- Grljušić, M.; Medica, V.; Radica, G. Calculation of Efficiencies of a Ship Power Plant Operating with Waste Heat Recovery through Combined Heat and Power Production. Energies 2015, 8, 4273–4299. [Google Scholar] [CrossRef]
- de la Fuente, S.S.; Greig, A.R. Making shipping greener: Comparative study between organic fluids and water for Rankine cycle waste heat recovery. J. Mar. Eng. Technol. 2015, 14, 70–84. [Google Scholar] [CrossRef]
- Kulkarni, K.; Sood, A. Performance Analysis of Organic Rankine Cycle (ORC) for Recovering Waste Heat from a Heavy Duty Diesel Engine. In Proceedings of the Symposium on International Automotive Technology 2015, Pune, India, 21–24 January 2015. SAE Technical Paper 2015-26-0037. [Google Scholar] [CrossRef]
- Shen, X.; Tan, G.; Zhou, Q.; Yang, Z.; Hua, M. The Organic Medium Physical State Analysis for Engine Exhaust Thermal Recovery. In Proceedings of the SAE 2015 World Congress & Exhibition, Detroit, MI, USA, 21–23 April 2015. SAE Technical Paper 2015-01-1610. [Google Scholar] [CrossRef]
- Thiruvengadam, A.; Pradhan, S.; Thiruvengadam, P.; Besch, M.; Carder, D.; Delgado, O. Heavy-Duty Vehicle Diesel Engine Efficiency Evaluation and Energy Audit. Consultant Report, December 2014. Available online: https://theicct.org/publication/heavy-duty-vehicle-diesel-engine-efficiency-evaluation-and-energy-audit/ (accessed on 11 October 2023).
- Allouache, A.; Leggett, S.; Hall, M.J.; Tu, M.; Baker, C.; Fateh, H. Simulation of Organic Rankine Cycle Power Generation with Exhaust Heat Recovery from a 15 liter Diesel Engine. SAE Int. J. Mater. Manuf. 2015, 8, 227–238. [Google Scholar] [CrossRef]
- Hu, D.; Zheng, Y.; Wu, Y.; Li, S.; Dai, Y. Off-design performance comparison of an organic Rankine cycle under different control strategies. Appl. Energy 2015, 156, 268–279. [Google Scholar] [CrossRef]
- Sokolsky, S.; McNett, B.; Gallo, J.B. Assessing the Commercialization Status of the U.S. Department of Energy ‘SuperTruck’ Technologies and their Applicability in Tactical Wheeled Vehicles. In Proceedings of the NDIA Ground Vehicle Systems Engi-neering and Technology Symposium, Novi, MI, USA, 4–6 August 2015; Available online: http://gvsets.ndia-mich.org/publication.php?documentID=140 (accessed on 11 October 2023).
- Lemmens, S. A perspective on costs and cost estimation techniques for organic Rankine cycle systems. In Proceedings of the 3rd International Seminar on ORC Power Systems, Brussels, Belgium, 12–14 October 2015; Available online: https://www.semanticscholar.org/paper/A-perspective-on-costs-and-cost-estimation-for-Lemmens/57684697b7a865471c6c7f42071608571fe62201 (accessed on 11 October 2023).
- Jelen, F.C.; Black, J.H. Cost and Optimization Engineering, 2nd ed.; McGraw-Hill: New York, NY, USA, 1983. [Google Scholar]
- Erlandsson, O.; Skare, T.; Contet, A. On Handling Waste Heat from Waste Heat Recovery Systems in Heavy-Duty Vehicles. In Proceedings of the SAE 2015 Commercial Vehicle Engineering Congress, Warrendale, PA, USA, 18 September 2015. SAE Technical Paper 2015-01-2792. [Google Scholar] [CrossRef]
- Grelet, V.; Reiche, T.; Lemort, V.; Nadri, M.; Dufour, P. Transient performance evaluation of waste heat recovery Rankine cycle based system for heavy duty trucks. Appl. Energy 2016, 165, 878–892. [Google Scholar] [CrossRef]
- Horst, T.A.; Tegethoff, W.; Eilts, P.; Koehler, J. Prediction of dynamic Rankine Cycle waste heat recovery performance and fuel saving potential in passenger car applications considering interactions with vehicles’ energy management. Energy Convers. Manag. 2014, 78, 438–451. [Google Scholar] [CrossRef]
- Cipollone, R.; Di Battista, D.; Perosino, A.; Bettoja, F. Waste Heat Recovery by an Organic Rankine Cycle for Heavy Duty Vehicles. In Proceedings of the SAE 2016 World Congress and Exhibition, Detroit, MI, USA, 12–14 April 2016. SAE Technical Paper 2016-01-0234. [Google Scholar] [CrossRef]
- Ren, Y.; Yang, B.; Tan, G.; Gao, X.; Lu, S.; Han, M.; Zhan, R.; Xu, H. The Research of Solar Organic Rankine Evaporation Cycle System for Vehicle. In Proceedings of the SAE 2016 World Congress and Exhibition, Detroit, MI, USA, 12–14 April 2016. SAE Technical Paper 2016-01-1268. [Google Scholar] [CrossRef]
- Arsie, I.; Cricchio, A.; Pianese, C.; Ricciardi, V.; De Cesare, M. Modeling and Optimization of Organic Rankine Cycle for Waste Heat Recovery in Automotive Engines. In Proceedings of the SAE 2016 World Congress and Exhibition, Detroit, MI, USA, 12–14 April 2016. SAE Technical Paper 2016-01-0207. [Google Scholar] [CrossRef]
- Agudelo, A.F.; García-Contreras, R.; Agudelo, J.R.; Armas, O. Potential for exhaust gas energy recovery in a diesel passenger car under European driving cycle. Appl. Energy 2016, 174, 201–212. [Google Scholar] [CrossRef]
- Lemmens, S. Cost Engineering Techniques and Their Applicability for Cost Estimation of Organic Rankine Cycle Systems. Energies 2016, 9, 485. [Google Scholar] [CrossRef]
- Turton, R.; Shaeiwitz, J.; Bhattacharyya, D.; Whiting, W. Analysis Synthesis and Design of Chemical Processes, 5th ed.; Pearson: London, UK, 2013; Available online: https://richardturton.faculty.wvu.edu/publications/analysis-synthesis-and-design-of-chemical-processes-5th-edition (accessed on 20 October 2023).
- Peralez, J.; Nadri, M.; Dufour, P.; Tona, P.; Sciarretta, A. Organic Rankine Cycle for Vehicles: Control Design and Experimental Results. IEEE Trans. Control. Syst. Technol. 2017, 25, 952–965. [Google Scholar] [CrossRef]
- Desai, N.B.; Bandyopadhyay, S. Thermo-economic comparisons between solar steam Rankine and organic Rankine cycles. Appl. Therm. Eng. 2016, 105, 862–875. [Google Scholar] [CrossRef]
- Desai, N.B.; Bandyopadhyay, S. Thermo-economic analysis and selection of working fluid for solar organic Rankine cycle. Appl. Therm. Eng. 2016, 95, 471–481. [Google Scholar] [CrossRef]
- Dai, X.; Shi, L.; An, Q.; Qian, W. Screening of hydrocarbons as supercritical ORCs working fluids by thermal stability. Energy Convers. Manag. 2016, 126, 632–637. [Google Scholar] [CrossRef]
- Rice, F.O.; Herzfeld, K.F. The Thermal Decomposition of Organic Compounds from the Standpoint of Free Radicals. VI. The Mechanism of Some Chain Reactions; ACS Publications: Washington, DC, USA, 1934; Available online: https://pubs.acs.org/doi/epdf/10.1021/ja01317a006 (accessed on 20 October 2023).
- Ren, Y.; Tan, G.; Ji, K.; Zhou, L.; Zhan, R. The Research on the Temperature Control Stability of Hydraulic Retarder Oil Based on Organic Rankine Cycle. In Proceedings of the SAE 2016 Commercial Vehicle Engineering Congress, Warrendale, PA, USA, 27 September 2016. SAE Technical Paper 2016-01-8085. [Google Scholar] [CrossRef]
- Gao, X.; Tan, G.; Mei, B.; Han, M.; Wang, T. Research on Matching for the Rankine Cycle Evaporate-condensate System of Hydraulic Retarder. In Proceedings of the SAE 2016 Brake Colloquium & Exhibition—34th Annual, Scottsdale, AZ, USA, 25–28 September 2016. SAE Technical Paper 2016-01-1938. [Google Scholar] [CrossRef]
- Gimelli, A.; Luongo, A.; Muccillo, M. Efficiency and cost optimization of a regenerative Organic Rankine Cycle power plant through the multi-objective approach. Appl. Therm. Eng. 2017, 114, 601–610. [Google Scholar] [CrossRef]
- Ferrara, F.; Gimelli, A.; Luongo, A. Small-scale Concentrated Solar Power (CSP) Plant: ORCs Comparison for Different Organic Fluids. Energy Procedia 2014, 45, 217–226. [Google Scholar] [CrossRef]
- Tocci, L.; Pal, T.; Pesmazoglou, I.; Franchetti, B. Small Scale Organic Rankine Cycle (ORC): A Techno-Economic Review. Energies 2017, 10, 413. [Google Scholar] [CrossRef]
- Tartière, T.; Astolfi, M. ORC World Map. Available online: https://orc-world-map.org/ (accessed on 23 October 2023).
- Cavazzini, G.; Toso, P.D. Techno-economic feasibility study of the integration of a commercial small-scale ORC in a real case study. Energy Convers. Manag. 2015, 99, 161–175. [Google Scholar] [CrossRef]
- Goldstein, L.; Hedman, B.; Knowles, D.; Freedman, S.I.; Woods, R.; Schweizer, T. Gas-Fired Distributed Energy Resource Technology Characterizations, NREL/TP-620-34783; National Renewable Energy Lab. (NREL): Golden, CO, USA, 2003. [Google Scholar] [CrossRef]
- Honda. Honda EB5000 Industrial Generator|Honda Generators. Honda Power Equipment > EB5000. Available online: https://powerequipment.honda.com/generators/models/eb5000 (accessed on 18 November 2023).
- Merrett, R.; Murray, J.; Kolak, D. Validation of an Organic Rankine Cycle Simulation Tool against European Stationary Cycle Test Modes. In Proceedings of the WCX™ 17: SAE World Congress Experience, Detroit, MI, USA, 28 March 2017. SAE Technical Paper 2017-01-0521. [Google Scholar] [CrossRef]
- Teng, H.; Klaver, J.; Park, T.; Hunter, G.L.; van der Velde, B. A Rankine Cycle System for Recovering Waste Heat from HD Diesel Engines—WHR System Development. In Proceedings of the SAE 2011 World Congress & Exhibition, Detroit, MI, USA, 12–14 April 2011. SAE Technical Paper 2011-01-0311. [Google Scholar] [CrossRef]
- Park, T.; Teng, H.; Hunter, G.L.; van der Velde, B.; Klaver, J. A Rankine Cycle System for Recovering Waste Heat from HD Diesel Engines—Experimental Results. In Proceedings of the SAE 2011 World Congress & Exhibition, Detroit, MI, USA, 12–14 April 2011. SAE Technical Paper 2011-01-1337. [Google Scholar] [CrossRef]
- Kim, D.-Y.; Kim, Y.-T. Preliminary design and performance analysis of a radial inflow turbine for organic Rankine cycles. Appl. Therm. Eng. 2017, 120, 549–559. [Google Scholar] [CrossRef]
- Modifications and Optimization of the Organic Rankine Cycle. US Department of Energy, June 2017. Available online: www.energy.gov/eere/amo/articles/modifications-and-optimization-organic-rankine-cycle (accessed on 29 January 2024).
- Guillen, D.P.; Zia, J. Final Report: Modifications and Optimization of the Organic Rankine Cycle to Improve the Recovery of Waste Heat; INL/EXT-13-30077; Idaho National Lab. (INL): Idaho Falls, ID, USA, 2013. [Google Scholar] [CrossRef]
- Subramanian, S.N. Affordable Rankine Cycle Waste Heat Recovery for Heavy Duty Trucks; DOE-EATON-0007286; Eaton Corporation: Menomonee Falls, WI, USA, 2017. Available online: https://www.energy.gov/eere/vehicles/articles/vehicle-technologies-office-merit-review-2017-affordable-rankine-cycle-arc (accessed on 29 January 2024).
- Subramanian, S.N.; Mississippi State University; Purdue University; Kettering University; Argonne National Laboratory; AVL Powertrain Engineering; Modine Manufacturing Company; Torad Engineering; PACCAR Inc.; Shell Global Solutions. Affordable Rankine Cycle Waste Heat Recovery for Heavy Duty Trucks; Technical Report; Eaton Corporation: Menomonee Falls, WI, USA, 2017. [Google Scholar] [CrossRef]
- Rech, S.; Zandarin, S.; Lazzaretto, A.; Frangopoulos, C.A. Design and off-design models of single and two-stage ORC systems on board a LNG carrier for the search of the optimal performance and control strategy. Appl. Energy 2017, 204, 221–241. [Google Scholar] [CrossRef]
- Kuboth, S.; Neubert, M.; Preißinger, M.; Brüggemann, D. Iterative Approach for the Design of an Organic Rankine Cycle based on Thermodynamic Process Simulations and a Small-Scale Test Rig. Energy Procedia 2017, 129, 18–25. [Google Scholar] [CrossRef]
- Gemmer, B. Scroll Expander for Organic Rankine Bottoming Cycle Waste Heat-to-Power System. Available online: www.energy.gov/eere/amo/articles/scroll-expander-organic-rankine-bottoming-cycle-waste-heat-power-system. (accessed on 24 October 2023).
- Dieckmann, J.; Smutzer, C.; Sinha, J. Waste Heat-to-Power Using Scroll Expander for Organic Rankine Bottoming Cycle; Final Technical Report DE-EE0005767; TIAX LLC: Lexington, MA, USA, 2017. [Google Scholar] [CrossRef]
- Di Battista, D.; Cipollone, R. Experimental Analysis of an Organic Rankine Cycle Plant Bottoming a Heavy-Duty Engine Using Axial Turbine as Prime Mover. SAE Int. J. Engines 2017, 10, 1385–1397. [Google Scholar] [CrossRef]
- Li, X.; Hao, X.; Meng, L.; Chen, L. Design and Research of Vehicle Organic Rankine Cycle Waste Heat Power Generation System Based on Preheater. Procedia Eng. 2017, 205, 4157–4164. [Google Scholar] [CrossRef]
- Lion, S.; Michos, C.N.; Vlaskos, I.; Rouaud, C.; Taccani, R. A review of waste heat recovery and Organic Rankine Cycles (ORC) in on-off highway vehicle Heavy Duty Diesel Engine applications. Renew. Sustain. Energy Rev. 2017, 79, 691–708. [Google Scholar] [CrossRef]
- Arefin AM, E.; Masud, M.H.; Joardder, M.U.; Mourshed, M.; Naim-Ul-Hasan, F.R. Waste heat recovery systems for internal combustion engines: A review. In Proceedings of the 1st International Conference on Mechanical Engineering and Applied Science, At Military Institute of Science and Technology, Dhaka, Bangladesh, 22–23 February 2017; pp. 1–4. [Google Scholar]
- Guillaume, L. On the Design of Waste Heat Recovery Organic Rankine Cycle Systems for Engines of Long-Haul Trucks. Ph.D. Thesis, University of Liege, Liege, Belgium, 2017. Available online: http://orbi.ulg.ac.be/bitstream/2268/216250/1/LG_phd_thesis.pdf (accessed on 30 October 2023).
- Jiménez-Arreola, M.; Pili, R.; Magro, F.D.; Wieland, C.; Rajoo, S.; Romagnoli, A. Thermal power fluctuations in waste heat to power systems: An overview on the challenges and current solutions. Appl. Therm. Eng. 2018, 134, 576–584. [Google Scholar] [CrossRef]
- Rijpkema, J.; Andersson, S.; Munch, K. Thermodynamic Cycle and Working Fluid Selection for Waste Heat Recovery in a Heavy Duty Diesel Engine. In Proceedings of the WCX World Congress Experience, Detroit, MI, USA, 3 April 2018. SAE Technical Paper 2018-01-1371. [Google Scholar] [CrossRef]
- Joshi, S.; Kanchibhotla, S.A.; Bari, S. Waste Heat Recovery System for a Turbocharged Diesel Generator at Full and Part Load Operating Conditions Using Rankine and Organic Rankine Cycles. In Proceedings of the WCX World Congress Experience, Detroit, MI, USA, 3 April 2018. SAE Technical Paper 2018-01-1370. [Google Scholar] [CrossRef]
- Kanchibhotla, S.A.; Joshi, S.; Bari, S. Design and Optimization of Exhaust Gas Heat Recovery System Based on Rankine Cycle and Organic Cycles. In Proceedings of the WCX World Congress Experience, Detroit, MI, USA, 3 April 2018. SAE Technical Paper 2018-01-1369. [Google Scholar] [CrossRef]
- Kanchibhotla, S.A.; Bari, S. Optimum Design Point to Recover Maximum Possible Exhaust Heat Over the Operating Range of a Small Diesel Truck Using Bottoming Rankine Cycle. In Proceedings of the WCX World Congress Experience, Detroit, MI, USA, 3 April 2018. SAE Technical Paper 2018-01-1377. [Google Scholar] [CrossRef]
- Dumont, O. Experimental Investigation and Modelling of a 1.5 kW Axial Turbine for Waste Heat Recovery of a Gasoline Passenger Car through a Rankine Cycle. In Proceedings of the CO2 Reduction for Transportation Systems Conference, Virtual Event, 30 May 2018. SAE Technical Paper 2018-37-0007. [Google Scholar] [CrossRef]
- Chatzopoulou, M.A.; Markides, C.N. Thermodynamic optimisation of a high-electrical efficiency integrated internal combustion engine—Organic Rankine cycle combined heat and power system. Appl. Energy 2018, 226, 1229–1251. [Google Scholar] [CrossRef]
- Park, B.-S.; Usman, M.; Imran, M.; Pesyridis, A. Review of Organic Rankine Cycle experimental data trends. Energy Convers. Manag. 2018, 173, 679–691. [Google Scholar] [CrossRef]
- Kraljevic, I.; Gottwald, T.; Spicher, U. Novel Rankine Cycle for Hybrid Vehicles. In Proceedings of the International Powertrains, Fuels & Lubricants Meeting, Virtual Event, 10 September 2018. SAE Technical Paper 2018-01-1711. [Google Scholar] [CrossRef]
- Hoang, A.T. Waste heat recovery from diesel engines based on Organic Rankine Cycle. Appl. Energy 2018, 231, 138–166. [Google Scholar] [CrossRef]
- Hærvig, J.; Sørensen, K.; Condra, T. Guidelines for optimal selection of working fluid for an organic Rankine cycle in relation to waste heat recovery. Energy 2016, 96, 592–602. [Google Scholar] [CrossRef]
- Lu, Y.; Roskilly, A.P.; Yu, X. The Development and Application of Organic Rankine Cycle for Vehicle Waste Heat Recovery. In Organic Rankine Cycle Technology for Heat Recovery; IntechOpen: London, UK, 2018. [Google Scholar] [CrossRef]
- Galuppo, F.; Nadri, M.; Dufour, P.; Reiche, T.; Lemort, V. Evaluation of a Coupled Organic Rankine Cycle Mild Hybrid Architecture for Long-Haul Heavy-Duty Truck. IFAC-PapersOnLine 2019, 52, 478–483. [Google Scholar] [CrossRef]
- Galuppo, F.; Dufour, P.; Nadri, M.; Reiche, T.; Lemort, V. Experiment Design for Waste Heat Recovery Modeling in Heavy Duty Trucks. IFAC-PapersOnLine 2018, 51, 726–731. [Google Scholar] [CrossRef]
- Alshammari, F.; Karvountzis-Kontakiotis, A.; Pesyridis, A.; Usman, M. Expander Technologies for Automotive Engine Organic Rankine Cycle Applications. Energies 2018, 11, 1905. [Google Scholar] [CrossRef]
- Kermani, M.; Wallerand, A.S.; Kantor, I.D.; Maréchal, F. Generic superstructure synthesis of organic Rankine cycles for waste heat recovery in industrial processes. Appl. Energy 2018, 212, 1203–1225. [Google Scholar] [CrossRef]
- Feng, Y.-Q.; Hung, T.-C.; He, Y.-L.; Wang, Q.; Chen, S.-C.; Wu, S.-L.; Lin, C.-H. Experimental investigation of lubricant oil on a 3 kW organic Rankine cycle (ORC) using R123. Energy Convers. Manag. 2019, 182, 340–350. [Google Scholar] [CrossRef]
- Chatzopoulou, M.A.; Simpson, M.; Sapin, P.; Markides, C.N. Off-design optimisation of organic Rankine cycle (ORC) engines with piston expanders for medium-scale combined heat and power applications. Appl. Energy 2019, 238, 1211–1236. [Google Scholar] [CrossRef]
- Liu, L.; Zhu, T.; Wang, T.; Gao, N. Experimental investigation on the effect of working fluid charge in a small-scale Organic Rankine Cycle under off-design conditions. Energy 2019, 174, 664–677. [Google Scholar] [CrossRef]
- United States Department of Energy. Organic Rankine Cycle Integration and Optimization for High Efficiency CHP Genset Systems. Docslib. Available online: https://docslib.org/doc/1747501/organic-rankine-cycle-integration-and-optimization-for-high-efficiency-chp-genset-systems (accessed on 26 October 2023).
- Hansen, T.; Ringler, E.; Chatterton, W.; Southern Research Institute Birmingham United States. Conversion of Low Quality Waste Heat to Electric Power with Small-Scale Organic Rankine Cycle (ORC) Engine/Generator Technology; ESTCP Project EW-201251; Southern Research Institute: Birmingham, AL, USA, 2016; Available online: https://apps.dtic.mil/sti/tr/pdf/AD1022867.pdf (accessed on 22 November 2023).
- Rathod, D.; Xu, B.; Yebi, A.; Vahidi, A.; Filipi, Z.; Hoffman, M. A Look-Ahead Model Predictive Optimal Control Strategy of a Waste Heat Recovery–Organic Rankine Cycle for Automotive Application. In Proceedings of the WCX SAE World Congress Experience, Virtual Event, 2 April 2019. SAE Technical Paper 2019-01-1130. [Google Scholar] [CrossRef]
- Imran, M.; Haglind, F.; Lemort, V.; Meroni, A. Optimization of organic rankine cycle power systems for waste heat recovery on heavy-duty vehicles considering the performance, cost, mass and volume of the system. Energy 2019, 180, 229–241. [Google Scholar] [CrossRef]
- Dai, X.; Shi, L.; Qian, W. Review of the Working Fluid Thermal Stability for Organic Rankine Cycles. J. Therm. Sci. 2019, 28, 597–607. [Google Scholar] [CrossRef]
- Dai, X.; Shi, L.; An, Q.; Qian, W. Thermal stability of some hydrofluorocarbons as supercritical ORCs working fluids. Appl. Therm. Eng. 2018, 128, 1095–1101. [Google Scholar] [CrossRef]
- Irriyanto, M.Z.; Lim, H.-S.; Choi, B.-S.; Myint, A.A.; Kim, J. Thermal stability and decomposition behavior of HFO-1234ze(E) as a working fluid in the supercritical organic Rankine cycle. J. Supercrit. Fluids 2019, 154, 104602. [Google Scholar] [CrossRef]
- Herath, H.; Wijewardane, M.; Ranasinghe, R.; Jayasekera, J. Working fluid selection of Organic Rankine Cycles. Energy Rep. 2020, 6, 680–686. [Google Scholar] [CrossRef]
- Simpson, M.C.; Chatzopoulou, M.A.; Oyewunmi, O.A.; Le Brun, N.; Sapin, P.; Markides, C.N. Technoeconomic analysis of internal combustion engine–organic Rankine cycle systems for combined heat and power in energy-intensive buildings. Appl. Energy 2019, 253, 113462. [Google Scholar] [CrossRef]
- De Servi, C.M.; Burigana, M.; Pini, M.; Colonna, P. Design Method and Performance Prediction for Radial-Inflow Turbines of High-Temperature Mini-Organic Rankine Cycle Power Systems. J. Eng. Gas Turbines Power 2019, 141, 091021. [Google Scholar] [CrossRef]
- Ekström, F.B.; Rolandson, O.; Eriksson, S.; Odenmarck, C.; Svensson, M.; Eriksson, A.; Olsen, H. A Mild Hybrid SIDI Turbo Passenger Car Engine with Organic Rankine Cycle Waste Heat Recovery. In Proceedings of the 14th International Conference on Engines & Vehicles, Naples, Italy, 15–19 September 2019. SAE Technical Paper 2019-24-0194. [Google Scholar] [CrossRef]
- Rijpkema, J.; Ekström, F.; Munch, K.; Andersson, S.B. Experimental Results of a Waste Heat Recovery System with Ethanol Using Exhaust Gases of a Light-duty Engine. In Proceedings of the 5th International Seminar on ORC Power Systems, Athens, Greece, 9–11 September 2019. [Google Scholar]
- Pantaleo, A.; Simpson, M.; Rotolo, G.; Distaso, E.; Oyewunmi, O.; Sapin, P.; De Palma, P.; Markides, C. Thermoeconomic optimisation of small-scale organic Rankine cycle systems based on screw vs. piston expander maps in waste heat recovery applications. Energy Convers. Manag. 2019, 200, 112053. [Google Scholar] [CrossRef]
- Tartière, T.; Astolfi, M. A World Overview of the Organic Rankine Cycle Market. Energy Procedia 2017, 129, 2–9. [Google Scholar] [CrossRef]
- Xu, B.; Rathod, D.; Yebi, A.; Filipi, Z.; Onori, S.; Hoffman, M. A comprehensive review of organic rankine cycle waste heat recovery systems in heavy-duty diesel engine applications. Renew. Sustain. Energy Rev. 2019, 107, 145–170. [Google Scholar] [CrossRef]
- Köse, Ö.; Koç, Y.; Yağlı, H. Performance improvement of the bottoming steam Rankine cycle (SRC) and organic Rankine cycle (ORC) systems for a triple combined system using gas turbine (GT) as topping cycle. Energy Convers. Manag. 2020, 211, 112745. [Google Scholar] [CrossRef]
- Talluri, L.; Dumont, O.; Manfrida, G.; Lemort, V.; Fiaschi, D. Experimental investigation of an Organic Rankine Cycle Tesla turbine working with R1233zd(E). Appl. Therm. Eng. 2020, 174, 115293. [Google Scholar] [CrossRef]
- Bari, S.; Loh, W.Z. Parametric Optimization of a Rankine Cycle Based Waste Heat Recovery System for a 1.1 MW Diesel-Gen-Set. In Proceedings of the WCX SAE World Congress Experience, Virtual Event, 14 April 2020. SAE Technical Paper 2020-01-0890. [Google Scholar] [CrossRef]
- Le Brun, N.; Simpson, M.; Acha, S.; Shah, N.; Markides, C.N. Techno-economic potential of low-temperature, jacket-water heat recovery from stationary internal combustion engines with organic Rankine cycles: A cross-sector food-retail study. Appl. Energy 2020, 274, 115260. [Google Scholar] [CrossRef]
- Dickson, J.A.; Damon, K. 2020 Annual Merit Review: Cummins-Peterbilt SuperTruck II, 4 June 2020. Available online: https://www.energy.gov/eere/vehicles/articles/cummins-peterbilt-supertruck-2-0 (accessed on 2 November 2023).
- DieselNet. SuperTruck II 2020 Program Update. Available online: https://dieselnet.com/news/2020/07supertruck.php (accessed on 1 November 2023).
- Imran, M.; Pili, R.; Usman, M.; Haglind, F. Dynamic modeling and control strategies of organic Rankine cycle systems: Methods and challenges. Appl. Energy 2020, 276, 115537. [Google Scholar] [CrossRef]
- Desideri, A. Dynamic Modeling of Organic Rankine Cycle Power Systems. Ph.D. Thesis, University of Liege, Liege, Belgium, 2016. Available online: https://hdl.handle.net/2268/204267 (accessed on 6 November 2023).
- Dumont, O.; Frate, G.F.; Pillai, A.; Lecompte, S.; De Paepe, M.; Lemort, V. Carnot battery technology: A state-of-the-art review. J. Energy Storage 2020, 32, 101756. [Google Scholar] [CrossRef]
- Di Cairano, L.; Nader, W.B.; Nemer, M. Assessing fuel consumption reduction in Revercycle, a reversible mobile air conditioning/ Organic Rankine Cycle system. Energy 2020, 210, 118588. [Google Scholar] [CrossRef]
- Kalaiselvam, S.; Parameshwaran, R. Thermal Energy Storage Technologies for Sustainability: Systems Design, Assessment and Applications; Academic Press: Cambridge, MA, USA, 2014. [Google Scholar] [CrossRef]
- Singh, V.; Rijpkema, J.; Li, X.; Munch, K.; Andersson, S.; Verhelst, S. Optimization and Evaluation of a Low Temperature Waste Heat Recovery System for a Heavy Duty Engine over a Transient Cycle. SAE Int. J. Adv. Curr. Pr. Mobil. 2020, 3, 159–170. [Google Scholar] [CrossRef]
- Ramli, W.R.B.W.; Pesyridis, A.; Gohil, D.; Alshammari, F. Organic Rankine Cycle Waste Heat Recovery for Passenger Hybrid Electric Vehicles. Energies 2020, 13, 4532. [Google Scholar] [CrossRef]
- Ren, J.; Damle, N.G.; Caskey, S.; Shaffer, B.R.; Ziviani, D.; Groll, E.A. High-Temperature Organic Rankine Cycle Utilizing Novel Scroll Expander and Pump. In Proceedings of the International Refrigeration and Air Conditioning Conference, West Lafayette, IN, USA, 24–28 May 2021; Available online: https://docs.lib.purdue.edu/cgi/viewcontent.cgi?article=3194&context=iracc (accessed on 3 November 2023).
- Li, X.; Lecompte, S.; Van Nieuwenhuyse, J.; Couvreur, K.; Tian, H.; Shu, G.; De Paepe, M.; Markides, C.N. Experimental investigation of an organic Rankine cycle with liquid-flooded expansion and R1233zd(E) as working fluid. Energy Convers. Manag. 2021, 234, 113894. [Google Scholar] [CrossRef]
- Lemort, V.; Bell, I.; Groll, E.A.; Braun, J. Analysis of Liquid-Flooded Expansion Using a Scroll Expander. In Proceedings of the International Compressor Engineering Conference, West Lafayette, IN, USA, 14–17 July 2008; Available online: https://docs.lib.purdue.edu/cgi/viewcontent.cgi?article=2873&context=icec (accessed on 22 November 2023).
- Woodland, B.J.; Groll, E.A.; Braun, J.E.; Horton, W.T. Performance Benefits for Organic Rankine Cycles with Flooded Expansion and Internal Regeneration. In Proceedings of the International Refrigeration and Air Conditioning Conference, West Lafayette, IN, USA, 12–15 July 2010; Available online: https://docs.lib.purdue.edu/cgi/viewcontent.cgi?article=2133&context=iracc (accessed on 22 November 2023).
- Ziviani, D.; Bell, I.H.; De Paepe, M.; van den Broek, M. Mechanistic Model of An Oil-Flooded Single-Screw Expander. In Proceedings of the International Compressor Engineering Conference, West Lafayette, IN, USA, 11–14 July 2016; Available online: https://docs.lib.purdue.edu/cgi/viewcontent.cgi?article=3483&context=icec (accessed on 22 November 2023).
- Ojeda, R.A.; Munoz, L. Optimal Design of a Heat Recovery System Based on an Organic Rankine Cycle. In Proceedings of the SAE WCX Digital Summit, Virtual Event, 6 April 2021. SAE Technical Paper 2021-01-0206. [Google Scholar] [CrossRef]
- Kaczmarczyk, T.Z. Experimental research of a small biomass organic Rankine cycle plant with multiple scroll expanders intended for domestic use. Energy Convers. Manag. 2021, 244, 114437. [Google Scholar] [CrossRef]
- Meijer, M.; Grover, B. Development and Demonstration of Advanced Engine and Vehicle Technologies for Class 8 Heavy-Duty Vehicle (SuperTruck II). In Proceedings of the 2021 Annual Merit Review, Virtual Event, 24 June 2021; Available online: https://www.energy.gov/sites/default/files/2021-06/ace124_meijer_2021_o_5-14_71pm_KS_TM.pdf (accessed on 3 November 2023).
- Smague, P.; Loszka, M.; Sery, J. Workflow Design Methodology for Orc Systems Dedicated to Waste Heat Recovery from the Engine Coolant of Commercial Vehicles. SSRN Electron. J. 2022. Available online: https://papers.ssrn.com/sol3/papers.cfm?abstract_id=4014266 (accessed on 3 November 2023).
- Falbo, L.; Perrone, D.; Morrone, P.; Algieri, A. Integration of biodiesel internal combustion engines and transcritical organic Rankine cycles for waste-heat recovery in small-scale applications. Int. J. Energy Res. 2022, 46, 5235–5249. [Google Scholar] [CrossRef]
- Chen, Y.; Hua, H.; Xu, J.; Yun, Z.; Wang, J.; Lund, P.D. Techno-economic cost assessment of a combined cooling heating and power system coupled to organic Rankine cycle with life cycle method. Energy 2022, 239, 121939. [Google Scholar] [CrossRef]
- Pieragostini, C.; Mussati, M.C.; Aguirre, P. On process optimization considering LCA methodology. J. Environ. Manag. 2012, 96, 43–54. [Google Scholar] [CrossRef] [PubMed]
- Jing, Y.-Y.; Bai, H.; Wang, J.-J.; Liu, L. Life cycle assessment of a solar combined cooling heating and power system in different operation strategies. Appl. Energy 2012, 92, 843–853. [Google Scholar] [CrossRef]
- Boyaghchi, F.A.; Chavoshi, M.; Sabeti, V. Multi-generation system incorporated with PEM electrolyzer and dual ORC based on biomass gasification waste heat recovery: Exergetic, economic and environmental impact optimizations. Energy 2018, 145, 38–51. [Google Scholar] [CrossRef]
- Tian, H.; Liu, P.; Shu, G. Challenges and opportunities of Rankine cycle for waste heat recovery from internal combustion engine. Prog. Energy Combust. Sci. 2021, 84. [Google Scholar] [CrossRef]
- Dickson, J.; Mielke, D. 2022 Annual Merit Review: Cummins/Peterbilt SuperTruck II, 23 June 2022. Available online: https://www1.eere.energy.gov/vehiclesandfuels/downloads/2022_AMR/ace102_dickson_2022_o_rev2%20-%20TrailLife-GCCC%20IN0110%20REVISED.pdf (accessed on 6 November 2023).
- Bond, E.; Li, J. Volvo SuperTruck 2: Pathway to Cost-Effective Commercialized Freight Efficiency. 23 June 2022. Available online: https://www1.eere.energy.gov/vehiclesandfuels/downloads/2022_AMR/ace101_bond_2022_o_5-1_129pm_ML.pdf (accessed on 6 November 2023).
- Villeneuve, D.; Girbach, J.; Bashir, M. Improving Transportation Efficiency through Integrated Vehicle, Engine, and Powertrain Research—SuperTruck 2. 2022. Available online: https://www1.eere.energy.gov/vehiclesandfuels/downloads/2022_AMR/ace100_Villeneuve_2022_o_4-30_1116am_ML.pdf (accessed on 6 November 2023).
- Ping, X.; Yang, F.; Zhang, H.; Xing, C.; Yu, M.; Wang, Y. Investigation and multi-objective optimization of vehicle engine-organic Rankine cycle (ORC) combined system in different driving conditions. Energy 2023, 263, 125672. [Google Scholar] [CrossRef]
- Juvencio, R.d.S.; Cunha, C.C.M.; Santos, J.J.C.S. Simulation of the use of Organic Rankine Cycle (ORC) to reduce fuel consumption in locomotives on Brazilian railroads. In Proceedings of the SAE BRASIL 2022 Congress, Virtual Event, 10 February 2023. SAE Technical Paper 2022-36-0088. [Google Scholar] [CrossRef]
- Bari, S.; Randhawa, T. Waste Exhaust Heat Recovery in Diesel Engine by Using Optimum Design and Rankine Cycle. In Proceedings of the WCX SAE World Congress Experience, Virtual Event, 11 April 2023. SAE Technical Paper 2023-01-0944. [Google Scholar] [CrossRef]
- Cottin, W.; Colin, G.; Moreira, M.; Houillé, S.; Nader, W.B.; Charlet, A. Fuel Consumption Potential Gains of Rankine Thermal Power Recovery for Series Hybrid Electric Vehicles. In Proceedings of the 16th International Conference on Engines & Vehicles, Naples, Italy, 28 August 2023. SAE Technical Paper 2023-24-0139. [Google Scholar] [CrossRef]
- Navistar. Navistar Reveals International® SuperTruck II Results with Improved Fuel and Freight Efficiency, Goals for Hybridization. Available online: https://news.navistar.com/2023-06-20-Navistar-Reveals-International-R-SuperTruck-II-Results-with-Improved-Fuel-and-Freight-Efficiency,-Goals-for-Hybridization (accessed on 6 November 2023).
- Volvo. Volvo Trucks’ SuperTruck 2 Exceeds Freight Efficiency Goals with Focus on Aerodynamics and Advanced Engineering. Available online: https://www.volvotrucks.us/news-and-stories/press-releases/2023/october/volvo-trucks-supertruck-exceeds-freight-efficiency-goals-with-focus-on-aerodynamics-and-advanced-engineering/ (accessed on 28 November 2023).
- Roeth, M. With Gratitude to the SuperTruck Program. Available online: https://www.fleetowner.com/perspectives/ideaxchange/article/21249766/a-sign-of-gratitude-to-does-supertruck-efficiency-program (accessed on 6 November 2023).
- Zukouski, R.; Cigler, J.; Opperman, D. Development and Demonstration of a Fuel-Efficient Class 8 Tractor & Trailer. 2021. Available online: https://www.energy.gov/sites/default/files/2021-06/ace103_%20Zukouski_2020_o_5-24_1003am_LR%20mca_TM.pdf (accessed on 27 November 2023).
- Fisher, J. SuperTruck II Pushes Future Engine Improvements. Available online: https://www.fleetmaintenance.com/equipment/powertrain/article/21296319/supertruck-ii-pushes-future-engine-improvements (accessed on 6 November 2023).
- Williams, M.; Minjares, R. A Technical Summary of Euro 6/VI Vehicle Emission Standards, The International Council on Clean Transportation, June 2016. Available online: https://theicct.org/sites/default/files/publications/ICCT_Euro6-VI_briefing_jun2016.pdf (accessed on 1 December 2023).
- Song, R.; Ye, Q. China’s Climate Policies: How Have They Performed, and Where Do They Need to Go? Available online: https://www.wri.org/insights/chinas-climate-policies-how-have-they-performed-and-where-do-they-need-go (accessed on 1 December 2023).
- International Energy Agency. Fuel Economy in Major Car Markets: Technology and Policy Drivers 2005–2017, Working Paper 19. 2019. Available online: https://www.iea.org/reports/fuel-economy-in-major-car-markets (accessed on 27 November 2023).
- International Energy Agency. Global Car Sales by Key Markets, 2005–2020—Charts—Data & Statistics, IEA. Available online: https://www.iea.org/data-and-statistics/charts/global-car-sales-by-key-markets-2005-2020 (accessed on 1 December 2023).
- Bronicki, L.Y. History of Organic Rankine Cycle systems. In Organic Rankine Cycle (ORC) Power Systems; Elsevier: Amsterdam, The Netherlands, 2017; pp. 25–66. [Google Scholar] [CrossRef]
- Baral, S.; Kim, D.; Yun, E.; Kim, K.C. Experimental and Thermoeconomic Analysis of Small-Scale Solar Organic Rankine Cycle (SORC) System. Entropy 2015, 17, 2039–2061. [Google Scholar] [CrossRef]
- Rowshanzadeh, R. Performance and Cost Evaluation of Organic Rankine Cycle at Different Technologies. 2010. Available online: https://urn.kb.se/resolve?urn=urn:nbn:se:kth:diva-32385 (accessed on 28 November 2023).
- Mateu-Royo, C.; Mota-Babiloni, A.; Navarro-Esbrí, J.; Peris, B.; Molés, F.; Amat-Albuixech, M. Multi-objective optimization of a novel reversible High-Temperature Heat Pump-Organic Rankine Cycle (HTHP-ORC) for industrial low-grade waste heat recovery. Energy Convers. Manag. 2019, 197. [Google Scholar] [CrossRef]
- US Department of Energy. DOE Announces Nearly $200 Million to Reduce Emissions From Cars and Trucks, Energy.gov. Available online: https://www.energy.gov/articles/doe-announces-nearly-200-million-reduce-emissions-cars-and-trucks (accessed on 25 November 2023).
- Freeman, J.; Guarracino, I.; Kalogirou, S.; Markides, C. A small-scale solar organic Rankine cycle combined heat and power system with integrated thermal energy storage. Appl. Therm. Eng. 2017, 127, 1543–1554. [Google Scholar] [CrossRef]
- Ashouri, M.; Astaraei, F.R.; Ghasempour, R.; Ahmadi, M.; Feidt, M. Thermodynamic and economic evaluation of a small-scale organic Rankine cycle integrated with a concentrating solar collector. Int. J. Low-Carbon Technol. 2017, 12, 54–65. [Google Scholar] [CrossRef]
- Parri, R.; Basile, P.; Favaro, L.; Mazzoni, T.; Orlando, S. The history of geothermal electric power plants on the Island of Ischia, Italy. Geothermics 2021, 89, 101977. [Google Scholar] [CrossRef]
- Sherry, D.; Nolan, M.; Seidel, S.; Andersen, S.O. HFO-1234yf: An Examination of Projected Long-Term Costs of Production. Center for Climate and Energy Solutions—C2ES. 2017. Available online: https://www.c2es.org/wp-content/uploads/2017/04/hfo-1234yf-examination-projected-long-term-costs-production.pdf (accessed on 20 January 2024).
- Bari, S.; Hossain, S.N. Waste heat recovery from a diesel engine using shell and tube heat exchanger. Appl. Therm. Eng. 2013, 61, 355–363. [Google Scholar] [CrossRef]
- Huber, M.L.; Lemmon, E.W.; Bell, I.H.; McLinden, M.O. The NIST REFPROP Database for Highly Accurate Properties of Industrially Important Fluids. Ind. Eng. Chem. Res. 2022, 61, 15449–15472. [Google Scholar] [CrossRef] [PubMed]
- Broekaert, S.; Grigoratos, T.; Fontaras, G. Experimental Evaluation and Modeling of Waste Heat Recovery in VECTO. In Proceedings of the WCX SAE World Congress Experience, Virtual Event, 14 April 2020. SAE Technical Paper 2020-01-1287. [Google Scholar] [CrossRef]
- Jones, R.; Köllner, M.; Moreno-Sader, K.; Kovács, D.; Delebinski, T.; Rezaei, R.; Green, W.H. A realistic US Long-haul Drive Cycle for Vehicle Simulations, Costing and Emissions Analysis; MIT Open Access Article, Transportation Research Record; MIT Press: Cambridge, MA, USA, 2023; Available online: https://hdl.handle.net/1721.1/151965 (accessed on 27 November 2023).
- Song, P.; Wei, M.; Shi, L.; Danish, S.N.; Ma, C. A review of scroll expanders for organic Rankine cycle systems. Appl. Therm. Eng. 2015, 75, 54–64. [Google Scholar] [CrossRef]
- Zheng, N.; Zhao, L.; Wang, X.; Tan, Y. Experimental verification of a rolling-piston expander that applied for low-temperature Organic Rankine Cycle. Appl. Energy 2013, 112, 1265–1274. [Google Scholar] [CrossRef]
- Yu, X.; Li, S.; Ma, Z.; Du, W.; Huang, F.; Huang, W.; Jiang, B. Performance Characteristics Analysis of Variable Expansion Ratio Expander Based on Organic Rankine Cycle for Automobile Waste Heat Recovery. In Proceedings of the International Powertrains, Fuels & Lubricants Meeting, Virtual Events, 8 October 2017. SAE Technical Paper 2017-01-2183. [Google Scholar] [CrossRef]
- Zheng, X.; Luo, X.; Luo, J.; Chen, J.; Liang, Y.; Yang, Z.; Chen, Y.; Wang, H. Experimental investigation of operation behavior of plate heat exchangers and their influences on organic Rankine cycle performance. Energy Convers. Manag. 2020, 207, 112528. [Google Scholar] [CrossRef]
- Sahoo, D.; Gardner, T.; Whyatt, G. Micro-Channel Heat Exchanger: An Exhaust Waste Heat Recovery Device. In Proceedings of the WCX World Congress Experience, Virtual Event, 3 April 2018. SAE Technical Paper 2018-01-0052. [Google Scholar] [CrossRef]
- Zhang, S.-W.; Sun, B.-G.; Lin, S.-L.; Li, Q.; Wu, X.; Hu, T.; Bao, L.-Z.; Wang, X.; Luo, Q.-H. Energy and exergy analysis for a turbocharged direct-injection hydrogen engine to achieve efficient and high-economy performances. Int. J. Hydrogen Energy 2024, 54, 601–612. [Google Scholar] [CrossRef]
- Barber-Nichols. Heavy Duty Truck Organic Rankine Cycles. Available online: https://barber-nichols.com/products/turbines-power-systems/heavy-duty-truck-organic-rankine-cycles/ (accessed on 9 November 2023).
- Galloway, E.; Hebert, L. History and Progress of the Steam Engine: With a Practical Investigation of Its Structure and Application; Kelly, T., Ed.; Library of the University of Michigan: Ann Arbor, MI, USA, 1836. [Google Scholar]
- Colonna, P.; Casati, E.; Trapp, C.; Mathijssen, T.; Larjola, J.; Turunen-Saaresti, T.; Uusitalo, A. Organic Rankine Cycle Power Systems: From the Concept to Current Technology, Applications, and an Outlook to the Future. J. Eng. Gas Turbines Power 2015, 137, 100801. [Google Scholar] [CrossRef]
- Ofeldt, F.W. Naptha Engine, 279,270, 12 June 1883. Available online: https://patentimages.storage.googleapis.com/77/a2/84/17480bed4e660e/US279270.pdf (accessed on 10 November 2023).
- Staff. The Naphtha Engine—Gas Engine Magazine. Available online: https://www.gasenginemagazine.com/gas-engines/engines-a-z/the-naphtha-engine/ (accessed on 21 September 2023).
- Pytilinski, J. Solar energy installations for pumping irrigation water. Sol. Energy 1978, 21, 255–262. [Google Scholar] [CrossRef]
- D’Amelio, L. Le Acque Termali Come Fonti di Energia–Thermal Waters as Sources of Energy; Real Academy of Sciences of Turin: Turin, Italy, 1939; pp. 293–307. [Google Scholar]
- D’Amelio, L. L’Impiego di Vapori ad alto Peso Molecolare in Piccole Turbine e l’Utilizzazione del Calore Solare per Energia Mortice; INAG: Neaples, Italy, 1935. [Google Scholar]
- D’Amelio, L. A Steam Engine Using a Mixture of Vapours from Non-Miscible Fluids as a Solar Engine with Flat Plate Col-lectors. In Proceedings of the 1955 International Conference on the Use of Solar Energy-the Scientific Basis, Tucson, AZ, USA, 1 October 1958. [Google Scholar]
- Thermal machines for the conversion of solar energy into mechanical power : D’Amelio, Luigi, United Nations Conference on New Sources of Energy, Rome, 1961, 12 p. Solar Energy 1963, 7, 82. [CrossRef]
- D’Amelio, L. La Turbina a Vapore ed i cicli Binari con Fluidi Diversi Dall’acqua Fra le Isoterme Inferiori. L’Elettrotecnica 1936, 23, 286–292. [Google Scholar]
- Snoke, D.R.; Mrava, G.L. Silent Mercury Rankine Cycle Power System. In Proceedings of the SAE World Congress & Exhibition, Virtual Event, 1 January 1964. SAE Technical Paper 690044. [Google Scholar] [CrossRef]
- Bjerklie, J.W.; Sternlicht, B. Critical Comparison of Low-Emission Otto and Rankine Engine for Automotive Use. In Proceedings of the 1969 International Automotive Engineering Congress and Exposition, Virtual Event, 1 February 1969. SAE Technical Paper 690063. [Google Scholar] [CrossRef]
- Bjerklie, J.; Luchter, S. Rankine Cycle Working Fluid Selection and Specification Rationale. In Proceedings of the 1969 International Automotive Engineering Congress and Exposition, Virtual Event, 1 February 1969. [Google Scholar]
- Degner, V.R.; Velie, W.W. Demonstration of a Self-Contained Organic Rankine Silent Engine. In Proceedings of the 1969 International Automotive Engineering Congress and Exposition, Virtual Event, 1 February 1969. [Google Scholar] [CrossRef]
- Doyle, E.F.; Lefeuvre, T.; Raymond, R.J. Some Developments in Small Reciprocating Rankine-Cycle Engines Using Organic Working Fluids. In Proceedings of the 1970 Automotive Engineering Congress and Exposition, Virtual Event, 1 February 1970. SAE Technical Paper 700162. [Google Scholar] [CrossRef]
- Bjerklie, J.; Sternlicht, B. Where Closed Rankine Cycles Fit–with Examples of Automotive APS and Portable GPS. In Proceedings of the 1970 Automotive Engineering Congress and Exposition, Virtual Event, 1 February 1970. SAE Technical Paper 700120. [Google Scholar] [CrossRef]
- Lodwig, E. Performance of a 35 HP Organic Rankine Cycle Exhaust Gas Powered System. In Proceedings of the 1970 Automotive Engineering Congress and Exposition, Virtual Event, 1 February 1970. SAE Technical Paper 700160. [Google Scholar] [CrossRef]
- Barber, R.E.; Bond, J.C.; Alford, E.H. The Design and Development of a Turbine-Gearbox for Use in an Automotive Organic Rankine Cycle System. In Proceedings of the International Mid-Year Meeting, Virtual Event, 1 February 1971. SAE Technical Paper 710564. [Google Scholar] [CrossRef]
- Reck, M.; Randolf, D. An Organic Rankine Cycle Engine for a 25-Passenger Bus. In Proceedings of the 1973 International Automotive Engineering Congress and Exposition, Virtual Event, 1 February 1973. SAE Technical Paper 730219. [Google Scholar] [CrossRef]
- Morgan, D.; Patel, P.; Doyle, E.; Raymond, R.; Sakhuja, R.; Barber, K. Laboratory Test Results: Low Emission Rankine-Cycle Engine with Organic-Based Working Fluid and Reciprocating Expander for Automobiles. In Proceedings of the 8th Intersociety Energy Conversion Engineering Conference, Philadelphia, PA, USA, 13–17 August 1973. SAE Technical Paper 739062. [Google Scholar]
- Hodgson, J.N.; Collamore, F.N. Turbine Rankine Cycle Automotive Engine Development. In Proceedings of the 1974 Automotive Engineering Congress and Exposition, Virtual Event, 1 February 1974. SAE Technical Paper 740298. [Google Scholar] [CrossRef]
- Kitrilakis, S.S.; Doyle, E.F. The Development of Portable, Reciprocating Engine, Rankine Cycle Generating Sets. In Proceedings of the 1969 International Automotive Engineering Congress and Exposition, Virtual Event, 1 February 1969. [Google Scholar] [CrossRef]
- Burkland, C.V. A Rankine Cycle Powerplant with Boron Slurry Fuel. In Proceedings of the National Powerplant Meeting, Virtual Event, 1 February 1969. SAE Technical Paper 690732. [Google Scholar] [CrossRef]
- Gerstmann, J.; Pompei, F. Performance of a Homogeneous Combustor for a Rankine Cycle Steam Engine. In Proceedings of the Fleet Week, Virtual Event, 1 February 1973. SAE Technical Paper 730671. [Google Scholar] [CrossRef]
- Mirsky, W.; Luchter, S. A Survey of Automotive Rankine Cycle Combustion Technology. In Proceedings of the 1975 Automotive Engineering Congress and Exposition, Virtual Event, 1 February 1975. SAE Technical Paper 750067. [Google Scholar] [CrossRef]
- Tang, T.; O’Loughlin, R.M.; Dancausse, E.; Federal Highway Administration (U.S.). Federal Air Quality Legislation as Related to Federally-Assisted Highway and Transit Program. January 2003. Available online: https://rosap.ntl.bts.gov/view/dot/53686 (accessed on 25 September 2023).
- United States Congress, US APCA 1955 Statute. 1955; p. 2. Available online: https://www.gpo.gov/fdsys/pkg/STATUTE-69/pdf/STATUTE-69-Pg322.pdf (accessed on 10 November 2023).
- United States Congress, Clean Air Act. 1963. Available online: https://www.govinfo.gov/content/pkg/STATUTE-77/pdf/STATUTE-77-Pg392.pdf (accessed on 10 November 2023).
- Nabarro, G.; Parliament of the United Kingdom. London Clean Air Act. 1956; p. 38. Available online: https://www.legislation.gov.uk/ukpga/1956/52/pdfs/ukpga_19560052_en.pdf (accessed on 10 November 2023).
- US Environmental Protection Agency (EPA). The Plain English Guide to the Clean Air Act. 2007. Available online: https://www.epa.gov/sites/default/files/2015-08/documents/peg.pdf (accessed on 10 November 2023).
- United States Congress. Clean Air Act Amendments of 1977. p. 112. Available online: https://www.gpo.gov/fdsys/pkg/STATUTE-91/pdf/STATUTE-91-Pg685.pdf (accessed on 10 November 2023).
- History.com Editors. Energy Crisis (1970s). Available online: https://www.history.com/topics/1970s/energy-crisis (accessed on 10 November 2023).
- Feigenbaum, B.; Morris, J. CAFE Standards in Plain English, Reason Foundation. 2017. Available online: https://reason.org/wp-content/uploads/2017/01/pb137_cafe_standards.pdf (accessed on 27 November 2023).
- Hall, Cogeneration: The Promise is Now, Mechanical Engineering; American Society of Mechanical Engineers: New York, NY, USA, 1981; pp. 22–23.
- Pew Charitable Trusts. History of Fuel Economy: One Decade of Innovation, Two Decades of Inaction. 2007. Available online: https://www.pewtrusts.org/-/media/assets/2007/05/01/history-of-fuel-economy.pdf (accessed on 10 November 2023).
- Miravete, E.J.; Moral, M.J.; Thurk, J. Innovation, Emissions Policy, and Competitive Advantage in the Diffusion of European Diesel Automobiles. Rochester, NY, USA, 1 August 2015. Available online: https://papers.ssrn.com/abstract=2652153 (accessed on 26 September 2023).
- Feng, L.; Liao, W. Legislation, plans, and policies for prevention and control of air pollution in China: Achievements, challenges, and improvements. J. Clean. Prod. 2015, 112, 1549–1558. [Google Scholar] [CrossRef]
- Wernstedt, K. Environmental Protection in the Russian Federation: Lessons and Opportunities. J. Environ. Plan. Manag. 2002, 45, 493–516. [Google Scholar] [CrossRef]
- Blackman, A.; Li, Z.; Liu, A.A. Efficacy of Command-and-Control and Market-Based Environmental Regulation in Developing Countries. Annu. Rev. Resour. Econ. 2018, 10, 381–404. [Google Scholar] [CrossRef]
- Blackman, A. Can Voluntary Environmental Regulation Work in Developing Countries? Lessons from Case Studies. Policy Stud. J. 2008, 36, 119–141. [Google Scholar] [CrossRef]
- Lopes, J.; Douglas, R.; McCullough, G.; O’Shaughnessy, R.; Hanna, A.; Rouaud, C.; Seaman, R. Review of Rankine Cycle Systems Components for Hybrid Engines Waste Heat Recovery. In Proceedings of the SAE 2012 Commercial Vehicle Engineering Congress, Virtual Event, 24 September 2012; SAE International: Warrendale, PA, USA, 2012. SAE Technical Paper 2012-01–1942. [Google Scholar] [CrossRef]
- Karvonen, M.; Kapoor, R.; Uusitalo, A.; Ojanen, V. Technology competition in the internal combustion engine waste heat recovery: A patent landscape analysis. J. Clean. Prod. 2016, 112, 3735–3743. [Google Scholar] [CrossRef]
- Rahbar, K.; Mahmoud, S.; Al-Dadah, R.K.; Moazami, N.; Mirhadizadeh, S.A. Review of organic Rankine cycle for small-scale applications. Energy Convers. Manag. 2017, 134, 135–155. [Google Scholar] [CrossRef]
- Zhai, H.; An, Q.; Shi, L.; Lemort, V.; Quoilin, S. Categorization and analysis of heat sources for organic Rankine cycle systems. Renew. Sustain. Energy Rev. 2016, 64, 790–805. [Google Scholar] [CrossRef]
- Zhou, F.; Joshi, S.N.; Rhote-Vaney, R.; Dede, E.M. A review and future application of Rankine Cycle to passenger vehicles for waste heat recovery. Renew. Sustain. Energy Rev. 2017, 75, 1008–1021. [Google Scholar] [CrossRef]
- Mahmoudi, A.; Fazli, M.; Morad, M. A recent review of waste heat recovery by Organic Rankine Cycle. Appl. Therm. Eng. 2018, 143, 660–675. [Google Scholar] [CrossRef]
- Shi, L.; Shu, G.; Tian, H.; Deng, S. A review of modified Organic Rankine cycles (ORCs) for internal combustion engine waste heat recovery (ICE-WHR). Renew. Sustain. Energy Rev. 2018, 92, 95–110. [Google Scholar] [CrossRef]
- Loni, R.; Najafi, G.; Bellos, E.; Rajaee, F.; Said, Z.; Mazlan, M. A review of industrial waste heat recovery system for power generation with Organic Rankine Cycle: Recent challenges and future outlook. J. Clean. Prod. 2021, 287, 125070. [Google Scholar] [CrossRef]
- Oyedepo, S.O.; Fakeye, B.A. Waste Heat Recovery Technologies: Pathway to Sustainable Energy Development. J. Therm. Eng. 2021, 7, 324–348. [Google Scholar] [CrossRef]
- Savitha, D.; Ranjith, P.; Talawar, B.; Reddy, N.R.P. Refrigerants for sustainable environment—A literature review. Int. J. Sustain. Energy 2021, 41, 235–256. [Google Scholar] [CrossRef]
- Meresht, N.B.; Moghadasi, S.; Munshi, S.; Shahbakhti, M.; McTaggart-Cowan, G. Advances in Vehicle and Powertrain Efficiency of Long-Haul Commercial Vehicles: A Review. Energies 2023, 16, 6809. [Google Scholar] [CrossRef]
- Wieland, C.; Schifflechner, C.; Braimakis, K.; Kaufmann, F.; Dawo, F.; Karellas, S.; Besagni, G.; Markides, C.N. Innovations for organic Rankine cycle power systems: Current trends and future perspectives. Appl. Therm. Eng. 2023, 225, 120201. [Google Scholar] [CrossRef]



















| Working Fluids | |||||||||
|---|---|---|---|---|---|---|---|---|---|
| Decane | 18.13 | 86.17 | 28.24 | 1.180 | 2590.73 | 1.168 | 1898.3 | 337.1 | 1.52 |
| Nonane | 17.95 | 85.34 | 29.01 | 1.224 | 1012.62 | 0.761 | 2041.6 | 313.4 | 3.98 |
| Octane | 17.67 | 83.97 | 30.01 | 1.287 | 404.61 | 0.497 | 2200.3 | 287.0 | 10.45 |
| Heptane | 17.10 | 81.22 | 31.40 | 1.392 | 157.44 | 0.325 | 2379.5 | 257.1 | 28.04 |
| Cyclohexane | 19.32 | 91.68 | 29.46 | 1.157 | 122.46 | 0.250 | 3529.8 | 269.0 | 51.90 |
| Hexane | 16.09 | 76.38 | 33.38 | 1.574 | 54.18 | 0.213 | 2499.0 | 221.3 | 76.42 |
| Isohexane | 15.31 | 72.68 | 34.33 | 1.701 | 42.95 | 0.189 | 2526.7 | 212.0 | 100.64 |
| Cyclopentane | 17.78 | 84.34 | 32.30 | 1.379 | 32.76 | 0.165 | 3313.6 | 215.3 | 142.44 |
| Pentane | 14.08 | 66.82 | 36.64 | 1.974 | 17.98 | 0.142 | 2581.4 | 179.3 | 214.54 |
| Isopentane | 13.32 | 63.22 | 37.60 | 2.142 | 14.55 | 0.128 | 2632.8 | 171.1 | 273.13 |
| Fluid | Maximum Thermally Stable Temperature | Estimated Decomposition Rate |
|---|---|---|
| Cyclopentane | 275 °C | 1.8 %/year |
| Isopentane | 290 °C | 1.2 %/year |
| n-Butane | 310 °C | 5 %/year |
| Technology | Fluctuation Removal | Additional Volume/Weight | Implementation Effort | Control Complexity | Capital Cost | Efficient Energy Use Potential |
|---|---|---|---|---|---|---|
| Stream Control—Heat Source Bypass | + | − | − | − | -− | − |
| Stream Control—Heat Source Dilution | + | − | − | − | − | − − |
| Stream Control—Working Fluid Flow Control | − | 0 | − − | − − | − | + |
| Sensible Heat Storage | − | − − | − | − − | − − | + + |
| Latent Heat Storage | + + + | − − − | −− | − − − | − − − | + + + |
| Process | Title | Description |
|---|---|---|
| 1 | Material Acquisition | Emissions from obtaining the raw materials necessary for building components and system and obtaining fuel. |
| 2 | Component Construction | Emissions from manufacturing individual system components, such as running the equipment and factories. |
| 3 | System Construction | Emissions from assembling individual components into a functioning overall system. |
| 4 | System Operation | Emissions ongoing due to operation of the system, including any chemical fuel or electrical power use. |
| 5 | End of Life Material Recovery | Emissions from returning an expired system to its final state, such as recycling and disposal. |
Disclaimer/Publisher’s Note: The statements, opinions and data contained in all publications are solely those of the individual author(s) and contributor(s) and not of MDPI and/or the editor(s). MDPI and/or the editor(s) disclaim responsibility for any injury to people or property resulting from any ideas, methods, instructions or products referred to in the content. |
© 2024 by the author. Licensee MDPI, Basel, Switzerland. This article is an open access article distributed under the terms and conditions of the Creative Commons Attribution (CC BY) license (https://creativecommons.org/licenses/by/4.0/).
Share and Cite
Sprouse, C.E., III. Review of Organic Rankine Cycles for Internal Combustion Engine Waste Heat Recovery: Latest Decade in Review. Sustainability 2024, 16, 1924. https://doi.org/10.3390/su16051924
Sprouse CE III. Review of Organic Rankine Cycles for Internal Combustion Engine Waste Heat Recovery: Latest Decade in Review. Sustainability. 2024; 16(5):1924. https://doi.org/10.3390/su16051924
Chicago/Turabian StyleSprouse, Charles E., III. 2024. "Review of Organic Rankine Cycles for Internal Combustion Engine Waste Heat Recovery: Latest Decade in Review" Sustainability 16, no. 5: 1924. https://doi.org/10.3390/su16051924
APA StyleSprouse, C. E., III. (2024). Review of Organic Rankine Cycles for Internal Combustion Engine Waste Heat Recovery: Latest Decade in Review. Sustainability, 16(5), 1924. https://doi.org/10.3390/su16051924
