Sustainable Application of Pyrolytic Oxygen Furnace Slag in Cement-Stabilized Macadam: Volume Stability, Mechanical Properties, and Environmental Impact
Abstract
1. Introduction
2. Materials and Methods
2.1. Raw Materials
2.2. Experimental Details
2.3. Experimental Methodologies
2.4. Research Program
3. Results and Discussion
3.1. Volume Stability Performance of BOF Slag
3.1.1. Thermal Expansion Coefficient of BOF Slag
3.1.2. Volume Expansion of BOF Slag
3.1.3. F CaO Content of BOF Slag
3.2. Performance of Pyrolytic BOF Slag Cement-Stabilized Macadam
3.2.1. UCS of Cement-Stabilized Macadam
3.2.2. Microstructure Analysis of Cement-Stabilized Macadam
3.2.3. Dry Shrinkage Analysis of Cement-Stabilized Macadam
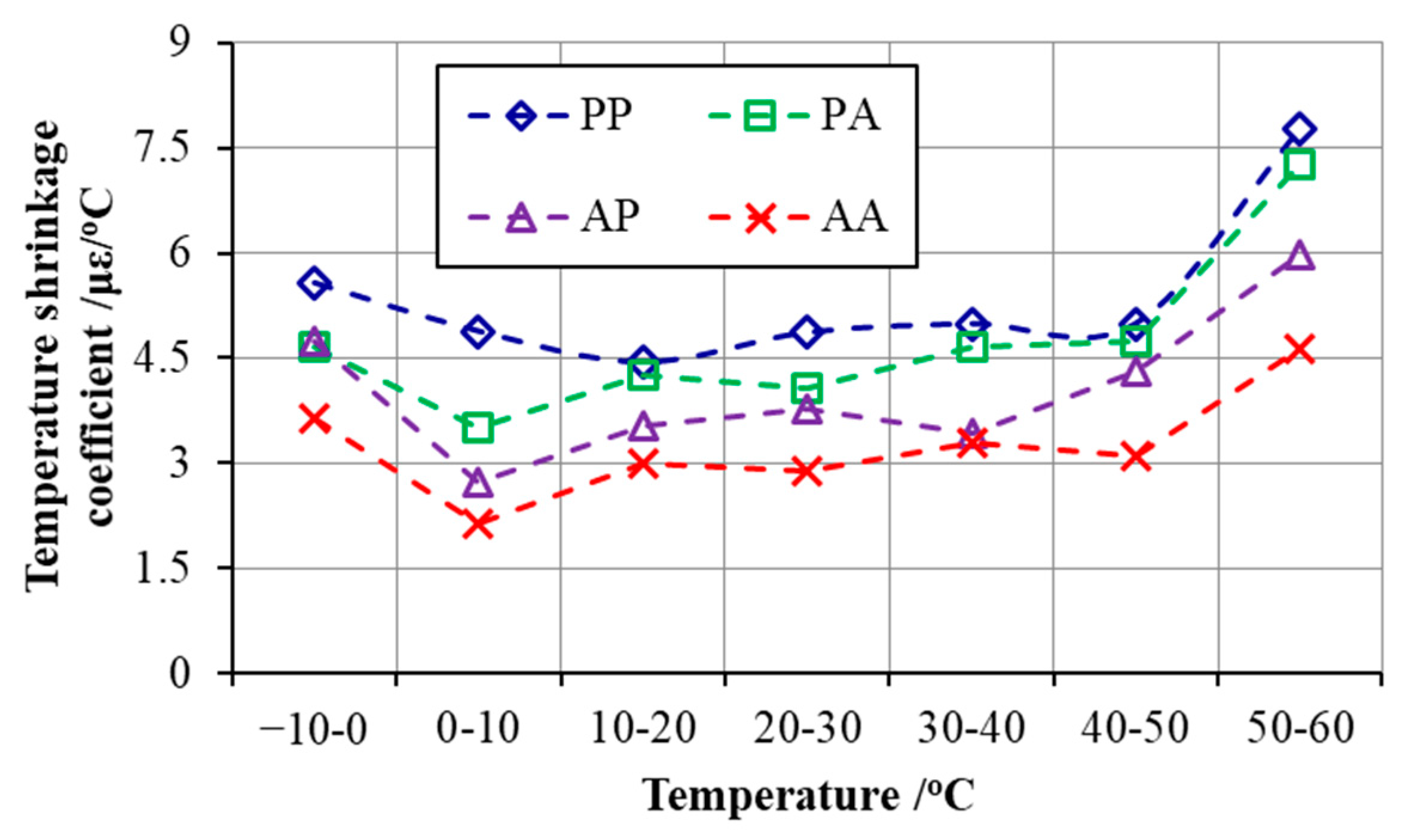
3.2.4. Temperature Shrinkage Analysis of Cement-Stabilized Macadam
3.2.5. Environment Analysis
4. Conclusions
- (1)
- BOF slag has higher water absorption than andesite. Different types of BOF slags have similar thermal expansion coefficients and they are higher than andesite. The free CaO content of pyrolytic BOF slag is much lower than ordinary BOF slag and the chemical volume expansion of pyrolytic BOF slag is less than 0.5%. The volume stability of pyrolytic BOF slag is better than that of ordinary BOF slag, which makes it possible to replace natural aggregates in cement-based materials.
- (2)
- The USC of cement-stabilized macadam using a pyrolysis BOF slag coarse aggregate is about 30% higher than that using an andesite aggregate. The use of pyrolytic BOF slag is beneficial to improve the mechanical properties of cement-stabilized macadam. But the addition of pyrolytic BOF slag has a negative effect on the temperature volume stability of cement-stabilized macadam.
- (3)
- Dry shrinkage of pyrolytic BOF slag cement-stabilized macadam is about 30–50% less than a natural aggregate. The pyrolytic BOF slag has a relatively small volume expansion property, and this slight expansion can offset the partial volume strain deformation of the cement-stabilized macadam during drying shrinkage. The appropriate volume expansion property of pyrolytic BOF slag has no adverse effect on cement-stabilized macadam mechanical properties, and can partially alleviate the damage caused by drying shrinkage.
- (4)
- Pyrolytic BOF slag cement-stabilized macadam meets the maximum requirements by the Chinese environmental quality standards for surface water. The field testing showed that pyrolytic BOF slag is a valuable substitute for natural aggregates in road base construction.
Author Contributions
Funding
Institutional Review Board Statement
Informed Consent Statement
Data Availability Statement
Acknowledgments
Conflicts of Interest
References
- Ministry of Transport of the People’s Republic of China. The Annual Statistics of Traffic and Transportation. Available online: https://www.epschinastats.com/db_transportation.html (accessed on 2 July 2018).
- Ayan, V.; Limbachiya, M.C.; Omer, J.R.; Azadani, S.M.N. Compaction assessment of recycled aggregates for use in unbound subbase application. Statyba 2014, 20, 169–174. [Google Scholar] [CrossRef]
- Huang, Y.; Bird, R.N.; Heidrich, O. A review of the use of recycled solid waste materials in asphalt pavements. Resour. Conserv. Recycl. 2008, 52, 58–73. [Google Scholar] [CrossRef]
- Phummiphan, I.; Horpibulsuk, S.; Rachan, R.; Arulrajah, A.; Chindaprasirt, P. High calcium fly ash geopolymer stabilized lateritic soil and granulated blast furnace slag blends as a pavement base material. J. Hazard. Mater. 2018, 341, 257. [Google Scholar] [CrossRef] [PubMed]
- Saxena, S.; Tembhurkar, A.R. Developing biotechnological technique for reuse of wastewater and steel slag in bio-concrete. J. Clean. Prod. 2019, 229, 193–202. [Google Scholar] [CrossRef]
- Abdelsattar, D.E.; El-Demerdash, S.H.; Zaki, E.G.; Dhmees, A.S.; Azab, M.A.; Elsaeed, S.M.; Kandil, U.F.; Naguib, H.M. Effect of Polymer Waste Mix Filler on Polymer Concrete Composites. ACS Omega 2023, 8, 39730–39738. [Google Scholar] [CrossRef] [PubMed]
- Xu, Z.; Yu, L.; Lu, B.; Sun, J.; Liu, Z.; Naguib, H.M.; Hou, G. Aragonite formation induced by triethylene glycol and its enhancement to flexural strength in carbonated rankinite cement. Constr. Build. Mater. 2023, 408, 133514. [Google Scholar] [CrossRef]
- Blanco, I.; Molle, P.; de Miera, L.E.S.; Ansola, G. Basic Oxygen Furnace steel slag aggregates for phosphorus treatment. Evaluation of its potential use as a substrate in constructed wetlands. Water Res. 2016, 89, 355–365. [Google Scholar] [CrossRef] [PubMed]
- Qazizadeh, M.J.; Farhad, H.; Kavussi, A.; Sadeghi, A. Evaluating the Fatigue Behavior of Asphalt Mixtures Containing Electric Arc Furnace and Basic Oxygen Furnace Slags Using Surface Free Energy Estimation. J. Clean. Prod. 2018, 188, 355–361. [Google Scholar] [CrossRef]
- Zheng, Q.C.; Mao, S.G.; Zhou, L. Discussion About Mixture Design Method of Asphalt Treated Permeable Base. J. Zhejiang Inst. Commun. 2008, 2, 19–22. [Google Scholar]
- Chen, Z.; Wu, S.; Xiao, Y.; Zhao, M.; Xie, J. Feasibility study of BOF slag containing honeycomb particles in asphalt mixture. Constr. Build. Mater. 2016, 124, 550–557. [Google Scholar] [CrossRef]
- Taha, R.; Al-Harthy, A.; Al-Shamsi, K.; Al-Zubeidi, M. Cement Stabilization of Reclaimed Asphalt Pavement Aggregate for Road Bases and Subbases. J. Mater. Civ. Eng. 2002, 14, 338–343. [Google Scholar] [CrossRef]
- Arulrajah, A.; Mohammadinia, A.; Phummiphan, I.; Horpibulsuk, S.; Samingthong, W. Stabilization of Recycled Demolition Aggregates by Geopolymers comprising Calcium Carbide Residue, Fly Ash and Slag precursors. Constr. Build. Mater. 2016, 114, 864–873. [Google Scholar] [CrossRef]
- Ameri, M.; Behnood, A. Laboratory studies to investigate the properties of CIR mixes containing steel slag as a substitute for virgin aggregates. Constr. Build. Mater. 2012, 26, 475–480. [Google Scholar] [CrossRef]
- Chen, J.Y.; Wu, S.P.; Xie, J.; Wang, T.; Chen, Z.W.; Jenkins, K. Study on Asphalt Absorption of Steel Slag. Adv. Mater. Res. 2013, 753–755, 708–714. [Google Scholar] [CrossRef]
- Chen, Z.; Wu, S.; Wen, J.; Zhao, M.; Yi, M.; Wan, J. Utilization of gneiss coarse aggregate and steel slag fine aggregate in asphalt mixture. Constr. Build. Mater. 2015, 93, 911–918. [Google Scholar] [CrossRef]
- Chen, Z.; Xie, J.; Xiao, Y.; Chen, J.; Wu, S. Characteristics of bonding behavior between basic oxygen furnace slag and asphalt binder. Constr. Build. Mater. 2014, 64, 60–66. [Google Scholar] [CrossRef]
- Chen, H.; Xie, J.; Wu, S.; Yang, C.; Gao, B.; Yang, D.; Chen, J. Evolution of selective absorption for bitumen from Basic Oxygen Furnace Slag (BOF) during aging and rejuvenation in bituminous mixtures. Constr. Build. Mater. 2022, 351, 128894. [Google Scholar] [CrossRef]
- Gomez-Ullate, E.; Castillo-Lopez, E.; Castro-Fresno, D.; Bayon, J.R. Analysis and Contrast of Different Pervious Pavements for Management of Storm-Water in a Parking Area in Northern Spain. Water Resour. Manag. 2011, 25, 1525–1535. [Google Scholar] [CrossRef]
- Lin, D.F.; Chou, L.H.; Wang, Y.K.; Luo, H.L. Performance evaluation of asphalt concrete test road partially paved with industrial waste—Basic oxygen furnace slag. Constr. Build. Mater. 2015, 78, 315–323. [Google Scholar] [CrossRef]
- Huang, L.S.; Lin, D.F.; Luo, H.L.; Lin, P.C. Effect of field compaction mode on asphalt mixture concrete with basic oxygen furnace slag. Constr. Build. Mater. 2012, 34, 16–27. [Google Scholar] [CrossRef]
- Behiry, E.M. Evaluation of steel slag and crushed limestone mixtures as subbase material in flexible pavement. Ain Shams Eng. J. 2013, 4, 43–53. [Google Scholar] [CrossRef]
- Arulrajah, A.; Kua, T.A.; Suksiripattanapong, C.; Horpibulsuk, S.; Shen, J.S. Compressive strength and microstructural properties of spent coffee grounds-bagasse ash based geopolymers with slag supplements. J. Clean. Prod. 2017, 162, 1491–1501. [Google Scholar] [CrossRef]
- Liu, R.J. Study on road performance of cement stabilized steel slag macadam base for asphalt pavement. Commun. Sci. Technol. 2019, 42, 16–19. [Google Scholar]
- Ouyang, D.; Yi, C.B.; Xu, W.T.; Lu, L.L. Hydration Characteristics and Cementious Properties of Pyrolytic Steel Slag. Adv. Mater. Res. 2011, 194–196, 2119–2126. [Google Scholar] [CrossRef]
- Wang, F.; Xu, M.H.; Wang, R.H.; Yang, C.; Yang, X.Q. Effect of High Temperature Process on Microstructure and Properties of Industrial Steel Slag Cement. Key Eng. Mater. 2019, 814, 413–418. [Google Scholar] [CrossRef]
- JTG E30-2005; Test Code for Cement and Cement Concrete in Highway Engineering. Ministry of Transport of China: Beijing, China, 2005.
- JTG E42-2005; Test Code for Aggregate in Highway Engineering. Ministry of Transport of China: Beijing, China, 2005.
- JTGT F20-2015; Technical Rules for Construction of Highway Pavement Base. Ministry of Transport of China: Beijing, China, 2015.
- JGJ 55-2011; Specification for Mix Proportion Design of Ordinary Concrete. Ministry of Transport of China: Beijing, China, 2011.
- ASTM D4792-1999; Standard Test Method for Potential Expansion of Aggregates from Hydration Reactions. American Society for Testing and Materials ASTM: Philadelphia, PA, USA, 1999.
- ASTM D2940; Standard Specification for Graded Aggregate Material for Bases or Subbases for Highways or Airports. American Society for Testing and Materials ASTM: Philadelphia, PA, USA, 2015.
- GB/T 176-2008; Methods for Chemical Analysis of Cement. National Standardization Administration of China: Beijing, China, 2008.
- ASTM C39; Standard Test for Compressive Strength of Concrete Cylindrical Specimens. American Society for Testing and Materials ASTM: Philadelphia, PA, USA, 2016.
- JTG E51-2009; Test Methods of Materials Stabilized with Inorganic Binders for Highway Engineering. Ministry of Transport of China: Beijing, China, 2009.
- HJ/T 300-2007; Solid Waste-Extraction Procedure for Leaching Toxicity-Acetic acid Buffer Solution Method. State Environmental Protection Administration of China: Beijing, China, 2007.
- GB 3838-2002; Environmental Quality Standards for Surface Water. National Standardization Administration of China: Beijing, China, 2002.












| Composition [%] | CaO | SiO2 | MgO | Al2O3 | Fe2O3 | MnO | P2O5 | LOI | 
|---|---|---|---|---|---|---|---|---|
| Andesite | 5.3 | 58.7 | 4.3 | 16.7 | 5.0 | 3.5 | 2.7 | 3.9 | 
| #1 BOF slag | 37.8 | 17.1 | 6.8 | 3.1 | 27.2 | 4.3 | 1.3 | 2.5 | 
| #2 BOF slag | 32.7 | 14.7 | 7.4 | 2.4 | 31.5 | 4.8 | 2.1 | 4.5 | 
| Index | Fineness /% | Initial Setting Time/min | Final Setting Time/min | Loss on Ignition/% | Water Content of Standard Consistence/% | 28 Day Compressive Strength/Mpa | 
|---|---|---|---|---|---|---|
| 32.5 Portland cement | 2.6 | 189 | 362 | 1.15 | 27.4 | 40.8 | 
| Grain Size [mm] | 0–2.36 | 2.36–4.75 | 4.75–9.5 | 9.5–13.2 | 13.2–16 | 16–19 | 19–26.5 | |
|---|---|---|---|---|---|---|---|---|
| Andesite | Gsa | 2.689 | 2.679 | 2.685 | 2.681 | 2.689 | 2.685 | 2.692 | 
| Gsb | NA | 2.616 | 2.629 | 2.638 | 2.662 | 2.661 | 2.677 | |
| #1 BOF slag | Gsa | 3.565 | 3.543 | 3.587 | 3.563 | 3.582 | 3.585 | 3.591 | 
| Gsb | NA | 3.379 | 3.426 | 3.453 | 3.507 | 3.517 | 3.531 | |
| #2 BOF slag | Gsa | 3.308 | 3.308 | 3.302 | 3.293 | 3.306 | 3.302 | 3.315 | 
| Gsb | NA | 3.092 | 3.102 | 3.125 | 3.153 | 3.159 | 3.182 | |
| Grain Size [mm] | 0–2.36 | 2.36–4.75 | 4.75–9.5 | 9.5–13.2 | 13.2–16 | 16–19 | 19–26.5 | 
|---|---|---|---|---|---|---|---|
| Replacement mass ratio | 1.33 | 1.29 | 1.30 | 1.31 | 1.32 | 1.32 | 1.32 | 
| Fine Aggregate | Coarse Aggregate | Label | 
|---|---|---|
| #1 BOF slag | #1 BOF slag | PP | 
| #1 BOF slag | Andesite | PA | 
| Andesite | #1 BOF slag | AP | 
| Andesite | Andesite | AA | 
| BOF Slag Type | Content of f-CaO/% | Reduction Rate of f-CaO/% | |
|---|---|---|---|
| Before Volume Expansion Test | After Volume Expansion Test | ||
| #1 BOF slag | 2.67 | 1.53 | 42.7 | 
| #2 BOF slag | 3.86 | 1.81 | 53.1 | 
| Types of Cement-Stabilized Macadam | PP | PA | AP | AA | 
|---|---|---|---|---|
| total dry shrinkage coefficient/με | 26.85 | 59.89 | 34.92 | 78.43 | 
| Metal Leaching Concentration (mg/L) | As | Se | Cu | Zn | Pb | Cd | Cr | 
|---|---|---|---|---|---|---|---|
| 1 | <0.00001 | 0.0082 | 0.0005 | 0.0039 | 0.00028 | 0.00005 | 0.0021 | 
| 2 | <0.00001 | 0.0107 | 0.0012 | 0.0022 | 0.00035 | 0.00003 | 0.0019 | 
| 3 | <0.00001 | 0.0053 | 0.0017 | 0.0051 | 0.00042 | 0.00007 | 0.0053 | 
| Average | <0.00001 | 0.0081 | 0.0011 | 0.0037 | 0.00035 | 0.00005 | 0.0031 | 
| GB 3838-2002 | 0.05 (I) | 0.01 (I) | 0.01 (I) | 0.05 (I) | 0.01 (I) | 0.001 (I) | 0.01 (I) | 
| Disclaimer/Publisher’s Note: The statements, opinions and data contained in all publications are solely those of the individual author(s) and contributor(s) and not of MDPI and/or the editor(s). MDPI and/or the editor(s) disclaim responsibility for any injury to people or property resulting from any ideas, methods, instructions or products referred to in the content. | 
© 2024 by the authors. Licensee MDPI, Basel, Switzerland. This article is an open access article distributed under the terms and conditions of the Creative Commons Attribution (CC BY) license (https://creativecommons.org/licenses/by/4.0/).
Share and Cite
Kong, D.; Zou, J.; Chen, M.; Xie, J.; Gou, X. Sustainable Application of Pyrolytic Oxygen Furnace Slag in Cement-Stabilized Macadam: Volume Stability, Mechanical Properties, and Environmental Impact. Sustainability 2024, 16, 3965. https://doi.org/10.3390/su16103965
Kong D, Zou J, Chen M, Xie J, Gou X. Sustainable Application of Pyrolytic Oxygen Furnace Slag in Cement-Stabilized Macadam: Volume Stability, Mechanical Properties, and Environmental Impact. Sustainability. 2024; 16(10):3965. https://doi.org/10.3390/su16103965
Chicago/Turabian StyleKong, Dezhi, Jiahui Zou, Meizhu Chen, Jun Xie, and Xuanwen Gou. 2024. "Sustainable Application of Pyrolytic Oxygen Furnace Slag in Cement-Stabilized Macadam: Volume Stability, Mechanical Properties, and Environmental Impact" Sustainability 16, no. 10: 3965. https://doi.org/10.3390/su16103965
APA StyleKong, D., Zou, J., Chen, M., Xie, J., & Gou, X. (2024). Sustainable Application of Pyrolytic Oxygen Furnace Slag in Cement-Stabilized Macadam: Volume Stability, Mechanical Properties, and Environmental Impact. Sustainability, 16(10), 3965. https://doi.org/10.3390/su16103965
 
        


 
       