Improving Electric Vehicle Range and Thermal Comfort through an Innovative Seat Heating System
Abstract
1. Introduction
2. Methodology
2.1. Thermal Sensitivity Test Device and Map
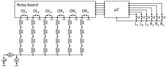
2.2. Seat with Integrated Heating Elements
3. Results and Discussions
3.1. Thermal Comfort and Energy Consumption
3.2. Energy Consumption of the Heating Elements and Vehicle Range Increase
4. Conclusions
Author Contributions
Funding
Institutional Review Board Statement
Informed Consent Statement
Data Availability Statement
Conflicts of Interest
References
- European Environment Agency. Greenhouse Gas Emissions from Transport in Europe. Available online: https://www.eea.europa.eu/ims/greenhouse-gas-emissions-from-transport (accessed on 28 October 2022).
- Dreisbach, R.H.; Corsini, D.; Egarter, P.; Hadl, K.; Schäffer, J.; Seitz, H.F.; Theißl, H.; Wieser, M.; Raser, B. 50% Efficiency on a Combustion Engine-Status and Measurement Results. In Internationaler Motorenkongress 2021; Liebl, J., Beidl, C., Maus, W., Eds.; Springer Fachmedien Wiesbaden: Wiesbaden, Germany, 2021; pp. 503–519. [Google Scholar]
- Heywood, J.B. Internal Combustion Engine Fundamentals; Mcgraw-Hill: New York, NY, USA, 2018. [Google Scholar]
- European Commission. Mobility Strategy. Available online: https://transport.ec.europa.eu/transport-themes/mobility-strategy_en (accessed on 9 June 2022).
- Xiao, B.; Ruan, J.; Yang, W.; Walker, P.; Zhang, N. A review of pivotal energy management strategies for extended range electric vehicles. Renew. Sustain. Energy Rev. 2021, 149, 111194. [Google Scholar] [CrossRef]
- Hertzke, P.; Müller, N.; Schenk, S. The Global Electric-Vehicle Market Is Amped Up and on the Rise. Available online: https://www.mckinsey.com/industries/automotive-and-assembly/our-insights/the-global-electric-vehicle-market-is-amped-up-and-on-the-rise (accessed on 5 October 2022).
- IEA. Global EV Outlook 2019; IEA: Paris, France, 2019; Available online: https://www.iea.org/reports/global-ev-outlook-2019 (accessed on 5 October 2022).
- Zhang, B.; Niu, N.; Li, H.; Wang, Z.; He, W. Could fast battery charging effectively mitigate range anxiety in electric vehicle usage?Evidence from large-scale data on travel and charging in Beijing. Transp. Res. Part D Transp. Environ. 2021, 95, 102840. [Google Scholar] [CrossRef]
- Xu, M.; Yang, H.; Wang, S. Mitigate the range anxiety: Siting battery charging stations for electric vehicle drivers. Transp. Res. Part C Emerg. Technol. 2020, 114, 164–188. [Google Scholar] [CrossRef]
- Varga, B.O.; Sagoian, A.; Mariasiu, F. Prediction of Electric Vehicle Range: A Comprehensive Review of Current Issues and Challenges. Energies 2019, 12, 946. [Google Scholar] [CrossRef]
- Lajunen, A.; Yang, Y.; Emadi, A. Recent Developments in Thermal Management of Electrified Powertrains. IEEE Trans. Veh. Technol. 2018, 67, 11486–11499. [Google Scholar] [CrossRef]
- Lajunen, A.; Yang, Y.; Emadi, A. Review of Cabin Thermal Management for Electrified Passenger Vehicles. IEEE Trans. Veh. Technol. 2020, 69, 6025–6040. [Google Scholar] [CrossRef]
- Croitoru, C.; Nastase, I.; Bode, F.; Meslem, A.; Dogeanu, A. Thermal comfort models for indoor spaces and vehicles—Current capabilities and future perspectives. Renew. Sustain. Energy Rev. 2015, 44, 304–318. [Google Scholar] [CrossRef]
- Danca, P.; Bode, F.; Meslem, A.; Croitoru, C.; Sandu, M.; Nastase, I.; Lungu, C.; Batali, L. Experimental investigation of thermal vehicular environment during the summer season. Sci. Technol. Built Environ. 2021, 28, 42–54. [Google Scholar] [CrossRef]
- Bode, F.; Nastase, I.; Danca, P.; Meslem, A.; Danca, P. The influence of the Inlet angle of vehicle air diffuser on the thermal comfort of passengers. In Proceedings of the 8th International Conference on Energy and Environment: Energy Saved Today Is Asset for Future, CIEM 2017, Bucharest, Romania, 19–20 October 2017; pp. 442–446. [Google Scholar] [CrossRef]
- Danca, P.; Nastase, I.; Bode, F.; Croitoru, C.; Dogeanu, A.; Meslem, A. Evaluation of the thermal comfort for its occupants inside a vehicle during summer. IOP Conf. Ser. Mater. Sci. Eng. 2019, 595, 012027. [Google Scholar] [CrossRef]
- Marshall, G.J.; Mahony, C.P.; Rhodes, M.J.; Daniewicz, S.R.; Tsolas, N.; Thompson, S.M. Thermal Management of Vehicle Cabins, External Surfaces, and Onboard Electronics: An Overview. Engineering 2019, 5, 954–969. [Google Scholar] [CrossRef]
- Yan, X.; Fleming, J.; Lot, R. A/C Energy Management and Vehicle Cabin Thermal Comfort Control. IEEE Trans. Veh. Technol. 2018, 67, 11238–11242. [Google Scholar] [CrossRef]
- Yang, D.; Huo, Y.; Zhang, Q.; Xie, J.; Yang, Z. Recent advances on air heating system of cabin for pure electric vehicles: A review. Heliyon 2022, 8, e11032. [Google Scholar] [CrossRef]
- Zhang, Z.; Wang, J.; Feng, X.; Chang, L.; Chen, Y.; Wang, X. The solutions to electric vehicle air conditioning systems: A review. Renew. Sustain. Energy Rev. 2018, 91, 443–463. [Google Scholar] [CrossRef]
- Horrein, L.; Bouscayrol, A.; Lhomme, W.; Depature, C. Impact of Heating System on the Range of an Electric Vehicle. IEEE Trans. Veh. Technol. 2016, 66, 4668–4677. [Google Scholar] [CrossRef]
- Al Faruque, M.A.; Vatanparvar, K. Modeling, analysis, and optimization of Electric Vehicle HVAC systems. In Proceedings of the Asia and South Pacific Design Automation Conference, ASP-DAC 2016, Macao, China, 25–28 January 2016; pp. 423–428. [Google Scholar]
- Voelcker, J. Tesla Model S 60-kWh Version: EPA Range Rated At 208 Miles. Available online: https://www.greencarreports.com/news/1080960_tesla-model-s-60-kwh-version-epa-range-rated-at-208-miles (accessed on 5 September 2022).
- Knibbs, L.D.; de Dear, R.J.; Atkinson, S.E. Field study of air change and flow rate in six automobiles. Indoor Air 2009, 19, 303–313. [Google Scholar] [CrossRef] [PubMed]
- Fiori, C.; Ahn, K.; Rakha, H.A. Power-based electric vehicle energy consumption model: Model development and validation. Appl. Energy 2016, 168, 257–268. [Google Scholar] [CrossRef]
- Farrington, R.; Rugh, J. Impact of Vehicle Air-Conditioning on Fuel Economy, Tailpipe Emissions, and Electric Vehicle Range. Available online: https://www.osti.gov/biblio/764573 (accessed on 5 September 2022).
- Veselý, M.; Zeiler, W. Personalized conditioning and its impact on thermal comfort and energy performance—A review. Renew. Sustain. Energy Rev. 2014, 34, 401–408. [Google Scholar] [CrossRef]
- Ibrahim, B.S.K.I.; Aziah, M.A.N.; Ahmad, S.; Akmeliawati, R.; Nizam, H.M.I.; Muthalif, A.G.A.; Toha, S.F.; Hassan, I.D.M.K. Fuzzy-based Temperature and Humidity Control for HV AC of Electric Vehicle. Procedia Eng. 2012, 41, 904–910. [Google Scholar] [CrossRef]
- Gołofit-Szymczak, M.; Stobnicka-Kupiec, A.; Górny, R.L. Impact of air-conditioning system disinfection on microbial contamination of passenger cars. Air Qual. Atmos. Health 2019, 12, 1127–1135. [Google Scholar] [CrossRef]
- Alizadeh, M.; Dhale, S.; Emadi, A. Model Predictive Control of HVAC System in a Battery Electric Vehicle with Fan Power Adaptation for Improved Efficiency and Online Estimation of Ambient Temperature. In Proceedings of the IECON Proceedings (Industrial Electronics Conference) 2021, Toronto, ON, Canada, 13–16 October 2021. [Google Scholar] [CrossRef]
- Reuscher, T.; Poovendran, K.; Abel, D. Model Predictive Zonal Temperature Control of a Vehicle Cabin. In Proceedings of the IEEE/ASME International Conference on Advanced Intelligent Mechatronics, AIM 2021, Delft, The Netherlands, 12–16 July 2021; pp. 37–43. [Google Scholar] [CrossRef]
- Van Hoof, J. Forty years of Fanger’s model of thermal comfort: Comfort for all? Indoor Air 2008, 18, 182–201. [Google Scholar] [CrossRef]
- Qi, Z. Advances on Air Conditioning and Heat Pump System in Electric Vehicles—A Review. Renew. Sustain. Energy Rev. 2014, 38, 754–764. [Google Scholar] [CrossRef]
- Peng, Q.; Du, Q. Progress in Heat Pump Air Conditioning Systems for Electric Vehicles—A Review. Energies 2016, 9, 240. [Google Scholar] [CrossRef]
- Warthmann, A.; Wölki, D.; Metzmacher, H.; van Treeck, C. Personal Climatization Systems—A Review on Existing and Upcoming Concepts. Appl. Sci. 2018, 9, 35. [Google Scholar] [CrossRef]
- Oi, H.; Yanagi, K.; Tabata, K.; Tochihara, Y. Effects of heated seat and foot heater on thermal comfort and heater energy consumption in vehicle. Ergonomics 2011, 54, 690–699. [Google Scholar] [CrossRef] [PubMed]
- Lee, M.-Y.; Lee, D.-Y. Review on Conventional Air Conditioning, Alternative Refrigerants, and CO2 Heat Pumps for Vehicles. Adv. Mech. Eng. 2013, 5, 713924. [Google Scholar] [CrossRef]
- Walgama, C.; Fackrell, S.; Karimi, M.; Fartaj, A.; Rankin, G.W. Passenger Thermal Comfort in Vehicles—A Review. Proc. Inst. Mech. Eng. Part D J. Automob. Eng. 2006, 220, 543–562. [Google Scholar] [CrossRef]
- Burnete, N.V.; Mariasiu, F.; Depcik, C.; Barabas, I.; Moldovanu, D. Review of thermoelectric generation for internal combustion engine waste heat recovery. Prog. Energy Combust. Sci. 2022, 91, 101009. [Google Scholar] [CrossRef]
- Chen, K.-H.; Bozeman, J.; Wang, M.; Ghosh, D.; Wolfe, E.; Chowdhury, S. Energy Efficiency Impact of Localized Cooling/Heating for Electric Vehicle; SAE Technical Papers; SAE International: Warrendale, PA, USA, 2015. [Google Scholar] [CrossRef]
- Burch, S.D.; Ramadhyani, S.; Pearson, J.T. Analysis of passenger thermal comfort in an automobile under severe winter condi-tions. ASHRAE Trans. 1991, 97, 247–257. [Google Scholar]
- Zhang, H.; Arens, E.; Huizenga, C.; Han, T. Thermal sensation and comfort models for non-uniform and transient environments: Part I: Local sensation of individual body parts. Build. Environ. 2010, 45, 380–388. [Google Scholar] [CrossRef]
- Zhang, H.; Arens, E.; Huizenga, C.; Han, T. Thermal sensation and comfort models for non-uniform and transient environments, part II: Local comfort of individual body parts. Build. Environ. 2010, 45, 389–398. [Google Scholar] [CrossRef]
- Zhang, H.; Arens, E.; Huizenga, C.; Han, T. Thermal sensation and comfort models for non-uniform and transient environments, part III: Whole-body sensation and comfort. Build. Environ. 2010, 45, 399–410. [Google Scholar] [CrossRef]
- Luo, M.; Wang, Z.; Zhang, H.; Arens, E.; Filingeri, D.; Jin, L.; Ghahramani, A.; Chen, W.; He, Y.; Si, B. High-density thermal sensitivity maps of the human body. Build. Environ. 2019, 167, 106435. [Google Scholar] [CrossRef]
- Parkinson, T.; De Dear, R.; Candido, C. Thermal pleasure in built environments: Alliesthesia in different thermoregulatory zones. Build. Res. Inf. 2015, 44, 20–33. [Google Scholar] [CrossRef]
- Pasut, W.; Zhang, H.; Arens, E.; Zhai, Y. Energy-efficient comfort with a heated/cooled chair: Results from human subject tests. Build. Environ. 2015, 84, 10–21. [Google Scholar] [CrossRef]
- Kim, J.; Bauman, F.; Raftery, P.; Arens, E.; Zhang, H.; Fierro, G.; Andersen, M.; Culler, D. Occupant comfort and behavior: High-resolution data from a 6-month field study of personal comfort systems with 37 real office workers. Build. Environ. 2018, 148, 348–360. [Google Scholar] [CrossRef]
- Fechete, L.; Bode, F.; Nastase, I.; Danca, P.; Croitoru, C.; Sandu, M. Thermal sensitivity maps of the human body for vehicle per-sonal comfort system design–preliminary results. In Proceedings of the 5th International Conference on Building Energy And Environment Cobee 2022, Montreal, QC, Canada, 25–29 July 2022. [Google Scholar]
- ISO 14505-3:2006; Ergonomics of the Thermal Environment—Evaluation of Thermal Environments in Vehicles—Part 3: Evaluation of Thermal Comfort Using Human Subjects. International Organization for Standardization: Geneva, Switzerland, 2006.
- ISO 10551:2019; Ergonomics of the Physical Environment—Subjective Judgement Scales for Assessing Physical Environments. International Organization for Standardization: Geneva, Switzerland, 2019.
- Danca, P. Ventilation Strategies for Improving the Indoor Environment Quality in Vehicles. Ph.D. Thesis, Universitatea Tehnică de Construcții București, București, Romania, 2018. Available online: https://theses.hal.science/tel-02131572 (accessed on 5 September 2022).
- From NEDC to WLTP: What Will Change? n.d. Available online: https://www.wltpfacts.eu/from-nedc-to-wltp-change/ (accessed on 5 September 2022).
- Papasavva, S.; Hill, W.R.; Brown, R.O. GREEN-MAC-LCCP®: A Tool for Assessing Life Cycle Greenhouse Emissions of Alternative Refrigerants. SAE Int. J. Passeng. Cars-Mech. Syst. 2008, 1, 746–756. [Google Scholar] [CrossRef]
- Bellocchi, S.; Guizzi, G.L.; Manno, M.; Salvatori, M.; Zaccagnini, A. Reversible heat pump HVAC system with regenerative heat exchanger for electric vehicles: Analysis of its impact on driving range. Appl. Therm. Eng. 2018, 129, 290–305. [Google Scholar] [CrossRef]
- Wu, J.; Zhou, G.; Wang, M. A comprehensive assessment of refrigerants for cabin heating and cooling on electric vehicles. Appl. Therm. Eng. 2020, 174, 115258. [Google Scholar] [CrossRef]
- Wikipedia Mitsubishi I-MiEV. Available online: https://en.wikipedia.org/wiki/Mitsubishi_i-MiEV#Battery (accessed on 25 February 2023).









| Equipment Name | Specifications |
|---|---|
| Pico DC current probe TA018 | Input ranges (DC)
|
| PicoScope 2204A Series oscilloscope | DC accuracy
|
| Lutron TM-946 thermometer | With type K sensor
|
| Lutron type K TP04 temperature probe | Measuring Range
|
| Hantek PP80 oscilloscope probe | Input resistance
Input voltage
|
| Flir E30 thermal imaging camera | Temperature domain
Accuracy ±2% Thermal sensitivity
|
| Case | Solution Setup | Nominal Voltage [V] | Current [A] | Power [W] |
|---|---|---|---|---|
| A | Reference solution—low heat | 10 | 4.86 | 48.6 |
| B | Reference solution—medium heat | 12 | 5.5 | 66 |
| C | Reference solution—high heat | 13.8 | 6.17 | 85 |
| D | Innovative solution—low heat | 10 | 2.94 | 29.4 |
| E | Innovative solution—high heat | 10 | 4.34 | 43.4 |
| A | B | C | D | E | |
|---|---|---|---|---|---|
| Power Consumption [W] | 48.6 | 66.0 | 85.0 | 29.4 | 43.4 |
| Male, 42 | 0 | 2 | 3 | 2 | 3 |
| Male, 47 | 1 | 2 | 3 | 2 | 3 |
| Female, 26 | 1 | 2 | 2 | 2 | 3 |
| Male, 56 | 2 | 2 | 3 | 0 | 3 |
| Male, 64 | 2 | 2 | 3 | 0 | 2.5 |
| Male, 36 | 1 | 2 | 2 | 0 | 3 |
| Male, 37 | 1 | 2 | 2 | 0 | 3 |
| Male, 29 | 2 | 2 | 2 | 0 | 3 |
| Temperature [°C] | PHVAC [kW] |
|---|---|
| −10 | 4.58 |
| 0 | 1.83 |
| 10 | 1.54 |
| Driving Time/Year | Frankfurt | Athens |
|---|---|---|
| Driving distance [km] | 14,231 | 14,231 |
| Driving time [h] | 431 | 431 |
| Driving time [s] | 1,551,600 | 1,551,600 |
| Vehicle lifetime [yrs] | 10 | 10 |
| No. of Seats | Weight [%] |
|---|---|
| 1 | 69 |
| 2 | 21 |
| ≥3 | 10 |
| Frankfurt | |||||||||||||
|---|---|---|---|---|---|---|---|---|---|---|---|---|---|
| Temperature [°C] | Time [s] | Distance [km] | HE * [kW] | HE Low * [kW] | HE High * [kW] | Range (no HVAC) [km] | Range (HVAC) [km] | Range Variation | |||||
| 1 | 2 | 4 | 1 | 2 | 4 | ||||||||
| ≤2 | 170,676 | 1565.41 | 3.21 | 3.19 | 3.17 | 3.13 | 3.18 | 3.16 | 3.11 | 94.22 | 67.03 | 29% | |
| 3–11 | 605,124 | 5550.09 | 1.69 | 1.67 | 1.65 | 1.61 | 1.66 | 1.64 | 1.59 | 94.22 | 77.65 | 18% | |
| 12–20 | 574,092 | 5265.47 | 0.39 | 0.37 | 0.35 | 0.31 | 0.36 | 0.34 | 0.29 | 94.22 | 89.84 | 5% | |
| Temperature [°C] | Range gain low [km/WLTC] | Range gain high [km/WLTC] | Range gain low [km/year] | Range gain high [km/year] | |||||||||
| 1 | 2 | 4 | 1 | 2 | 4 | 1 | 2 | 4 | 1 | 2 | 4 | ||
| ≤2 | 0.12 | 0.23 | 0.47 | 0.14 | 0.27 | 0.55 | 7.81 | 15.65 | 31.41 | 9.20 | 18.44 | 37.02 | |
| 3–11 | 0.16 | 0.31 | 0.63 | 0.18 | 0.37 | 0.74 | 37.19 | 74.53 | 149.67 | 43.79 | 87.79 | 176.42 | |
| 12–20 | 0.21 | 0.42 | 0.84 | 0.25 | 0.49 | 0.99 | 47.24 | 94.70 | 190.29 | 55.63 | 111.56 | 224.35 | |
| TOTAL | 0.73 | 0.86 | 139.61 (1.13 %) ** | 164.46 (1.33%) ** | |||||||||
| Athens | |||||||||||||
|---|---|---|---|---|---|---|---|---|---|---|---|---|---|
| Temperature [°C] | Time [s] | Distance [km] | HE * [kW] | HE Low * [kW] | HE High * [kW] | Range (no HVAC) [km] | Range (HVAC) [km] | Range Variation | |||||
| 1 | 2 | 4 | 1 | 2 | 4 | ||||||||
| ≤2 | 0 | 0 | 3.21 | 3.19 | 3.17 | 3.13 | 3.18 | 3.16 | 3.11 | 94.18 | 67.00 | −29% | |
| 3–11 | 263,772 | 2419.27 | 1.69 | 1.67 | 1.65 | 1.61 | 1.66 | 1.64 | 1.59 | 94.18 | 77.62 | −18% | |
| 12–20 | 589,608 | 5407.78 | 0.39 | 0.37 | 0.35 | 0.31 | 0.36 | 0.34 | 0.29 | 94.18 | 89.80 | −5% | |
| Temperature [°C] | Range gain low [km/WLTC] | Range gain high [km/WLTC] | Range gain low [km/year] | Range gain high [km/year] | |||||||||
| 1 | 2 | 4 | 1 | 2 | 4 | 1 | 2 | 4 | 1 | 2 | 4 | ||
| ≤2 | 0.14 | 0.26 | 0.50 | 0.17 | 0.30 | 0.58 | 0.00 | 0.00 | 0.00 | 0.00 | 0.00 | 0.00 | |
| 3–11 | 0.19 | 0.35 | 0.66 | 0.22 | 0.40 | 0.77 | 19.69 | 35.98 | 68.74 | 22.57 | 41.76 | 80.41 | |
| 12–20 | 0.25 | 0.46 | 0.88 | 0.28 | 0.53 | 1.03 | 57.52 | 106.29 | 204.50 | 66.14 | 123.61 | 239.50 | |
| TOTAL | 0.83 | 0.96 | 110.48 (1.41 %) ** | 127.93 (1.63%) ** | |||||||||
Disclaimer/Publisher’s Note: The statements, opinions and data contained in all publications are solely those of the individual author(s) and contributor(s) and not of MDPI and/or the editor(s). MDPI and/or the editor(s) disclaim responsibility for any injury to people or property resulting from any ideas, methods, instructions or products referred to in the content. |
© 2023 by the authors. Licensee MDPI, Basel, Switzerland. This article is an open access article distributed under the terms and conditions of the Creative Commons Attribution (CC BY) license (https://creativecommons.org/licenses/by/4.0/).
Share and Cite
Bode, F.; Burnete, N.V.; Fechete Tutunaru, L.; Nastase, I. Improving Electric Vehicle Range and Thermal Comfort through an Innovative Seat Heating System. Sustainability 2023, 15, 5534. https://doi.org/10.3390/su15065534
Bode F, Burnete NV, Fechete Tutunaru L, Nastase I. Improving Electric Vehicle Range and Thermal Comfort through an Innovative Seat Heating System. Sustainability. 2023; 15(6):5534. https://doi.org/10.3390/su15065534
Chicago/Turabian StyleBode, Florin, Nicolae Vlad Burnete, Lucian Fechete Tutunaru, and Ilinca Nastase. 2023. "Improving Electric Vehicle Range and Thermal Comfort through an Innovative Seat Heating System" Sustainability 15, no. 6: 5534. https://doi.org/10.3390/su15065534
APA StyleBode, F., Burnete, N. V., Fechete Tutunaru, L., & Nastase, I. (2023). Improving Electric Vehicle Range and Thermal Comfort through an Innovative Seat Heating System. Sustainability, 15(6), 5534. https://doi.org/10.3390/su15065534

