The Possibility of Using Superconducting Magnetic Energy Storage/Battery Hybrid Energy Storage Systems Instead of Generators as Backup Power Sources for Electric Aircraft
Abstract
1. Introduction
1.1. Background and Motivation
1.2. Literature Review
1.3. Contribution
2. Model Analysis
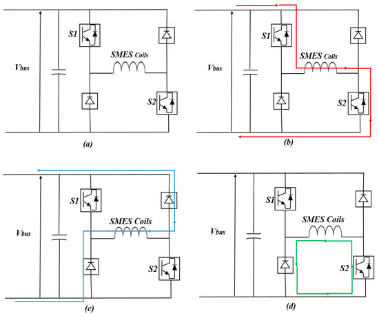
2.1. Generator–Backup-Generator (GBG) System
2.2. Battery–Backup-Generator (BBG) System
3. System Description
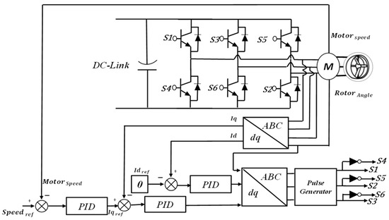
3.1. Electric Propulsion Motor
3.2. Superconducting Magnetic Energy Storage (SMES)
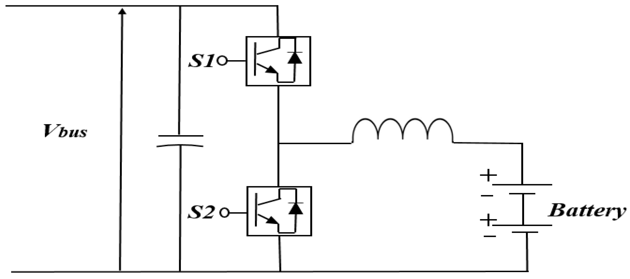
3.3. Battery Bank (Lithium Ion)
4. Energy Storage Control Method
4.1. Generator–Backup-Generator Design Control
- (Vbus < Vref(min)) Discharge mode
- 2.
- (Vref(max) > Vbus > Vref(min)) Standby mode
- 3.
- (Vbus > Vref(max)) Charge mode
4.2. Battery–Backup-Generator Design Control
5. Simulation Results
5.1. Generator–Backup-Generator Simulation Results
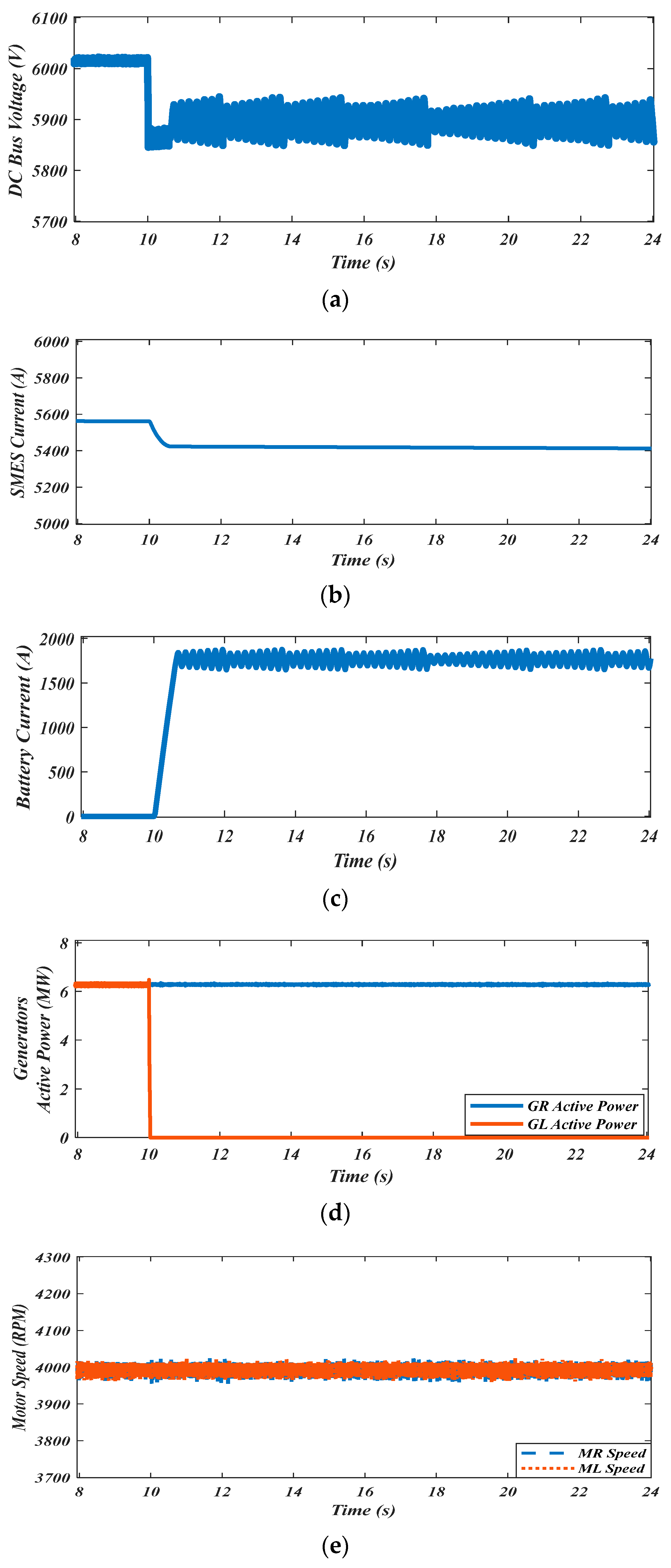
5.2. Battery–Backup-Generator Simulation Results
6. System Sizing Study
7. Conclusions
Author Contributions
Funding
Institutional Review Board Statement
Informed Consent Statement
Data Availability Statement
Conflicts of Interest
References
- United States Environmental Protection Agency (EPA). Sources of Greenhouse Gas Emissions. 2020. Available online: https://www.epa.gov/ghgemissions/sources-greenhouse-gas-emissions (accessed on 6 September 2022).
- ICAO. Medium-Term Passenger and Freight Traffic Forecasts. 2013. Available online: https://www.icao.int/sustainability/pages/eap_fp_forecastmed.aspx (accessed on 6 September 2022).
- Suder, K.L. Overview of the NASA Environmentally Responsible Aviation Project’s Propulsion Technology Portfolio. In Proceedings of the 48th AIAA/ASME/SAE/ASEE Joint Propulsion Conference & Exhibit, Atlanta, Georgia, 30 July–1 August 2012; pp. 1–23. [Google Scholar] [CrossRef]
- ACARE. Strategic research & innovatino agenda. Development 2017, 1, 26–28. [Google Scholar] [CrossRef]
- Epstein, A.H. Aeropropulsion for commercial aviation in the twenty-first century and research directions needed. AIAA J. 2014, 52, 901–911. [Google Scholar] [CrossRef]
- Airbus Group. “E-Fan: The New Way to Fly”, Brochure. 2015. Available online: http://company.airbus.com/service/mediacenter/download/?uuid=48b1bd2c-a428-4c65-82e5-ed3e923bd142 (accessed on 7 September 2022).
- Eviation. Eviation Alice. 2022. Available online: https://www.eviation.com/aircraft/ (accessed on 14 September 2022).
- Berg, F.; Palmer, J.; Miller, P.; Husband, M.; Dodds, G. HTS Electrical System for a Distributed Propulsion Aircraft. IEEE Trans. Appl. Supercond. 2015, 25, 1–5. [Google Scholar] [CrossRef]
- Armstrong, M.J.; Blackwelder, M.; Bollman, A.; Ross, C.; Campbell, A.; Jones, C.; Norman, P. Architecture, Voltage, and Components for a Turboelectric Distributed Propulsion Electric Grid. 2015; pp. 1–270. Available online: https://ntrs.nasa.gov/search.jsp?R=20150014237 (accessed on 14 September 2022).
- Mukherjee, P.; V Rao, V. Design and development of high temperature superconducting magnetic energy storage for power applications—A review. Phys. C Supercond. Its Appl. 2019, 563, 67–73. [Google Scholar] [CrossRef]
- Hasan, N.S.; Hassan, M.Y.; Majid, M.S.; Rahman, H.A. Review of storage schemes for wind energy systems. Renew. Sustain. Energy Rev. 2013, 21, 237–247. [Google Scholar] [CrossRef]
- Farhadi, M.; Mohammed, O. Energy storage technologies for high-power applications. IEEE Trans. Ind. Appl. 2016, 52, 1953–1962. [Google Scholar] [CrossRef]
- Uranga, A.; Drela, M.; Hall, D.K.; Greitzer, E.M. Analysis of the aerodynamic benefit from boundary layer ingestion for transport aircraft. AIAA J. 2018, 56, 4271–4281. [Google Scholar] [CrossRef]
- Armstrong, M.J.; Ross, C.A.H.; Blackwelder, M.J.; Rajashekara, K. Propulsion system component considerations for NASA N3-X turboelectric distributed propulsion system. SAE Int. J. Aerosp. 2012, 5, 344. [Google Scholar] [CrossRef]
- Armstrong, M.J.; Ross, C.A.H.; Blackwelder, M.J. Trade studies for NASA N3-X turboelectric distributed propulsion system electrical power system architecture. SAE Int. J. Aerosp. 2012, 5, 325–336. [Google Scholar] [CrossRef]
- Ybanez, L.; Colle, A.; Nilsson, E.; Berg, F.; Galla, G.; Tassisto, M.; Rivenc, J.; Kapaun, F.; Steiner, G. ASCEND: The first step towards cryogenic electric propulsion. IOP Conf. Series: Mater. Sci. Eng. 2022, 1241, 012034. [Google Scholar] [CrossRef]
- Airbus Press Release. Airbus to Boost ‘Cold’ Technology Testing as Part of Its Decarbonisation Roadmap. Airbus Newsroom, no. March, 2021. Available online: https://www.airbus.com/en/newsroom/press-releases/2021-03-airbus-to-boost-cold-technology-testing-as-part-of-its (accessed on 25 September 2022).
- Alafnan, H.; Zhang, M.; Yuan, W.; Zhu, J.; Li, J.; Elshiekh, M.; Li, X. Stability Improvement of DC Power Systems in an All-Electric Ship Using Hybrid SMES/Battery. IEEE Trans. Appl. Supercond. 2018, 28, 1–6. [Google Scholar] [CrossRef]
- Van Vu, T.; Gonsoulin, D.; Diaz, F.; Edrington, C.S.; El-Mezyani, T. Predictive control for energy management in ship power systems under high-power ramp rate loads. IEEE Trans. Energy Convers. 2017, 32, 788–797. [Google Scholar] [CrossRef]
- Haran, K.S.; Kalsi, S.; Arndt, T.; Karmaker, H.; Badcock, R.; Buckley, B.; Haugan, T.; Izumi, M.; Loder, D.; Bray, J.W.; et al. High power density superconducting rotating machines—Development status and technology roadmap. Supercond. Sci. Technol. 2017, 30, 123002. [Google Scholar] [CrossRef]
- Chin, K.B.; Brandon, E.J.; Bugga, R.V.; Smart, M.C.; Jones, S.C.; Krause, F.C.; West, W.C.; Bolotin, G.G. Energy Storage Technologies for Small Satellite Applications. Proc. IEEE 2018, 106, 419–428. [Google Scholar] [CrossRef]
- Elsherbiny, H.; Szamel, L.; Ahmed, M.K.; Elwany, M.A. High accuracy modeling of permanent magnet synchronous motors using finite element analysis. Mathematics 2022, 10, 3880. [Google Scholar] [CrossRef]
- Trevisani, L.; Morandi, A.; Negrini, F.; Ribani, P.L.; Fabbri, M. Cryogenic fuel-cooled SMES for hybrid vehicle application. IEEE Trans. Appl. Supercond. 2009, 19, 2008–2011. [Google Scholar] [CrossRef]
- Khedr, M.; Zeng, X.; Pei, X. Design of a bidirectional DC/DC converter for energy storage in electric aircraft. In Proceedings of the 2021 IEEE Design Methodologies Conference (DMC), Bath, UK, 14–15 July 2021; pp. 1–6. [Google Scholar] [CrossRef]
- Choi, J.-Y.; Choi, I.-S.; Ahn, G.-H.; Won, D.-J. Advanced power sharing method to improve the energy efficiency of multiple battery energy storages system. IEEE Trans. Smart Grid 2016, 9, 1292–1300. [Google Scholar] [CrossRef]
- Gemin, P.; Kupiszewski, T.; Radun, A.; Pan, Y.; Lai, R.; Zhang, D.; Wang, R.; Wu, X.; Jiang, Y.; Galioto, S.; et al. Architecture, Voltage and Components for a Turboelectric Distributed Propulsion Electric Grid (AVC-TeDP). 2015; Volume 1, pp. 1–107. Available online: https://ntrs.nasa.gov/api/citations/20150014583/downloads/20150014583.pdf (accessed on 29 September 2022).
- IEEE Std. 1709–2010; IEEE Recommended Practice for 1 kV to 35 kV Medium-Voltage DC Power Systems on Ships, no. November. IEEE: Piscataway Township, NJ, USA, 2010. [CrossRef]








Disclaimer/Publisher’s Note: The statements, opinions and data contained in all publications are solely those of the individual author(s) and contributor(s) and not of MDPI and/or the editor(s). MDPI and/or the editor(s) disclaim responsibility for any injury to people or property resulting from any ideas, methods, instructions or products referred to in the content. |
© 2023 by the authors. Licensee MDPI, Basel, Switzerland. This article is an open access article distributed under the terms and conditions of the Creative Commons Attribution (CC BY) license (https://creativecommons.org/licenses/by/4.0/).
Share and Cite
Alafnan, H.; Pei, X.; Khedr, M.; Alsaleh, I.; Albaker, A.; Alturki, M.; Mansour, D.-E.A. The Possibility of Using Superconducting Magnetic Energy Storage/Battery Hybrid Energy Storage Systems Instead of Generators as Backup Power Sources for Electric Aircraft. Sustainability 2023, 15, 1806. https://doi.org/10.3390/su15031806
Alafnan H, Pei X, Khedr M, Alsaleh I, Albaker A, Alturki M, Mansour D-EA. The Possibility of Using Superconducting Magnetic Energy Storage/Battery Hybrid Energy Storage Systems Instead of Generators as Backup Power Sources for Electric Aircraft. Sustainability. 2023; 15(3):1806. https://doi.org/10.3390/su15031806
Chicago/Turabian StyleAlafnan, Hamoud, Xiaoze Pei, Moanis Khedr, Ibrahim Alsaleh, Abdullah Albaker, Mansoor Alturki, and Diaa-Eldin A. Mansour. 2023. "The Possibility of Using Superconducting Magnetic Energy Storage/Battery Hybrid Energy Storage Systems Instead of Generators as Backup Power Sources for Electric Aircraft" Sustainability 15, no. 3: 1806. https://doi.org/10.3390/su15031806
APA StyleAlafnan, H., Pei, X., Khedr, M., Alsaleh, I., Albaker, A., Alturki, M., & Mansour, D.-E. A. (2023). The Possibility of Using Superconducting Magnetic Energy Storage/Battery Hybrid Energy Storage Systems Instead of Generators as Backup Power Sources for Electric Aircraft. Sustainability, 15(3), 1806. https://doi.org/10.3390/su15031806

