Next Article in Journal
Race, Socioeconomic Status, and Food Access in Two Predominantly White Cities: The Case of Lansing, East Lansing, and Surrounding Townships in Michigan
Previous Article in Journal
Executives with Environmental Experience and Corporate Environmental Performance: Evidence from China’s A-Share Listed Companies
Previous Article in Special Issue
Acoustic Emission Characteristics of the Water Weakening Effect on Cretaceous Weakly Cemented Sandstone
 
 
Font Type:
Arial Georgia Verdana
Font Size:
Aa Aa Aa
Line Spacing:
Column Width:
Background:
Article

Carbon-Free Heat Production for High-Temperature Heating Systems

Faculty of Chemistry and Chemical Engineering, University of Maribor, Smetanova 17, 2000 Maribor, Slovenia
*
Author to whom correspondence should be addressed.
Sustainability 2023, 15(20), 15063; https://doi.org/10.3390/su152015063
Submission received: 31 August 2023 / Revised: 13 October 2023 / Accepted: 18 October 2023 / Published: 19 October 2023

Abstract

:
The article presents a new carbon-free heat production technology for district heating, which consists of a combined heat and power generation fuel cell (FC CHP) with CO2 capture and a two-stage cascade high-temperature heat pump (TCHHP). The FC generates heat and electricity, the latter being used to drive the compressors of the TCHHP. During the winter period, the water temperature achieved can occasionally be too low, so it would be heated up with hydrogen gas boilers. The hydrogen would be produced by reforming natural gas, synthetic methane, or biogas. The results are presented with natural gas utilization—the ratio between the obtained heat flow transferred directly to the water for district heating and the input heat flow of natural gas. In the case of a return water temperature of 60 °C and district heating temperature of 85 °C, the TCHHP, whose heat source is groundwater, achieves plant efficiency of 270.04% in relation to the higher heating value (HHV) and 241.74% in relation to the lower heating value (LHV) of natural gas. A case with a TCHHP whose heat source is low-temperature geothermal water achieves a plant efficiency of 361.36% in relation to the HHV and 323.49% in relation to the LHV.

1. Introduction

During the operation of power plants, dilemmas often arise on how to improve the specific use of energy, how to increase efficiency, how to direct and convert energy better, how to use waste heat, and, last but not least, how to replace the combustion of solid, liquid, and gaseous fuels with other energy sources, to prevent an ecological disaster.
If, a few years ago, we measured ecological awareness by the willingness to sort and separate collection of waste, now is the last time for the next, more effective step—when we must prevent further environmental pollution in the production and consumption of energy, not only as investors but also as planners, taking into account new EU Directives.
In the article, we dealt with the issue of carbon-free heat production for district heating needs. Energy production and consumption account for more than 75% of greenhouse gas emissions in the EU. Decarbonization of the EU’s energy system is therefore crucial to achieving our 2030 climate targets and to the EU’s long-term strategy to achieve carbon neutrality by 2050. The European Green Deal includes three main principles to deliver a clean energy transition that would help to reduce greenhouse gas emissions and, at the same time, improve the quality of life. The key principles mentioned are as follows:
  • Ensuring a safe and affordable supply of energy to the EU;
  • The development of a fully integrated, interconnected, and digitalized EU energy market;
  • Prioritizing energy efficiency, improving the energy efficiency of our buildings, and developing an energy sector that is based largely on renewable energy sources [1].
The main points to achieve this goal are as follows:
  • Building interconnected energy systems and better-connected networks to support renewable energy sources;
  • Promotion of innovative technologies and modern infrastructures;
  • Increasing energy efficiency and environmentally friendly design of products;
  • Decarbonization of the gas sector and promotion of integration of the energy system;
  • Empowering consumers and helping EU countries address energy poverty;
  • Promoting EU energy standards and technologies at the global level;
  • Development of the entire potential of European energy from offshore wind farms [1].
One of the main priorities of every country, or of the public and business sectors, must be to invest in research, development, and innovation because only innovation and planned research and development are the key factors in a competitive economy. Therefore, a connection between science and the economy, or the transfer of knowledge from research institutions to companies and the market, is absolutely necessary.
Here, it is necessary to highlight the possibility of using the heat of underground water for the needs of high-temperature district heating. Recently, it turned out that there were no suitable devices for wider economic use, nor were legal frameworks given, so the use of heat from underground water was not carried out for the needs of district heating. Today, this is not the case, as the innovative technology of heat production with high-temperature heat pumps has opened completely new possibilities for the utilization of low-temperature energy sources. Increasing the efficiency of new or existing heat generation plants is one of the priorities in line with the EU’s commitments to reduce GHGs (greenhouse gases) emissions and achieve several environmental goals. With the growing demand for energy, new techniques are being developed with an emphasis on the use of renewable energy sources, in line with EU Directives and the adoption of new legislation [2].
The article presents a new technology based on fuel cells and high-temperature heat pumps, which use a renewable source of heat—groundwater and geothermal water. The system in the form and design set out below has not been implemented before and is unique. The process units used are all available on the market but not in connection and interdependence, as shown in the article. Fuel cells are receiving increasing interest due to various designs and applications [3,4]. Recent advances in renewable energy research have suggested fuel cells as a promising source of electricity production in the future. Compared to the conventional process of electricity and heat production, which has a multi-step conversion of fuel energy, a fuel cell is a one-step process of converting fuel energy into electricity and heat [5]. Recent progress in fuel cell technology has enabled their integration into microgrid systems. The authors in [6] found that high-temperature fuel cells like solid oxide fuel cells (SOFCs) have extensive applicability in various microgrid systems and can achieve a combined heat and power (CHP) efficiency of 95%. With the wider use of fuel cells in modern power generation systems, it is important that we use their full potential. Suitable operating conditions can improve their performance significantly. Researchers in [7] concluded that the researched hybrid electrical/hydrogen fuel cell bus had an optimal operating temperature and a stoichiometric air ratio and had to be humidified accordingly. Their research method has reference significance for other Hydrogen fuel cell systems. Despite the recent technological advances, fuel cells are still a huge cost investment. Several analyses have been carried out to reduce the cost of fuel cell systems. A study was conducted involving cost calculation model development to investigate the possibilities [8]. Another study was made to assess the influence of different parameters, including the investment costs, stack lifetime, and efficiency, to identify the conditions that make fuel cell systems cost-effective [9]. Fuel cells in the automotive industry struggle with the same high-cost issue, which is reflected in their lack of commercial use. A research paper was published that explored a pragmatic approach that can be adopted to reduce the overall cost of fuel cells and their possible integration into the Automotive industry [10]. Lately, we can observe a considerably higher focus on the examination of the integration of solid oxide fuel cell (SOFC) or molten carbonate fuel cell (MCFC) systems with other subsystems to propose polygeneration plants. The market sector for high-temperature fuel cells is expected to grow, and consequently, the price of high-temperature fuel cells is expected to decrease simultaneously [11].
Heat pumps are already a well-known technology that can be included in a high-temperature district heating system due to the possibility of using excess heat from industrial processes or low-temperature renewable energy sources [12]. Research on heat pumps shows that they are one of the most efficient ways of using low-temperature heat sources to produce hot water for heating or industrial needs [12]. High-temperature heat pumps (HTHPs) are devices that make exceptional contributions to reducing energy consumption. Their use is possible in all industrial fields where low-temperature fluid heat fluxes are generated. Their efficient way of harnessing low-temperature sources to improve specific energy use in processes, increase efficiency, and reduce CO2 emissions is due to lower fossil fuel consumption [13]. HTHPs are already available commercially in different sizes, forms, operating principles, and types of refrigerants used. In order to find an HTHP working medium, a few parameters have to be considered, including the thermodynamic properties of the refrigerants, the coefficient of performance (COP), condensation pressure, compression ratio, heating capacity, exhaust temperature, and compressor power consumption [14]. The authors in [15] conducted research on the use of different cooling agents and came to the conclusion that ammonia is a superior natural refrigerant. It represents the good value of COP and the achievement of high heat transfer compared to other analyzed refrigerants. The researchers in [16] faced the problem of a shortage of ecologically friendly fluorocarbons as cooling agents. The idea presented by the researchers was to develop a hybrid heat pump with both a compression and adsorption cycle, but they encountered a problem with the mechanical production of such a heat pump. Other researchers have proposed a new heat pump, whose heat source is air, based on a two-stage compression cycle, to improve the efficiency of the HVAC system (Heating, Ventilation, and Air Conditioning System). The heat pump shows the multifunctional production of hot sanitary water throughout the year, water for cooling rooms in summer, and water for heating rooms in winter. The theoretical model was developed to analyze the operation of the heat pump under different operating conditions [17]. Research in the field of high-temperature heat pumps has shown that they are an efficient technology for heat production and waste heat recovery of various industrial processes, thereby reducing primary energy consumption and the resulting carbon dioxide emissions. The integration of high-temperature heat pumps into various industrial process networks provides a significant reduction in CO2 emissions, an innovative and economically profitable solution for various sectors of decarbonization. High-temperature heat pumps have great potential for improving thermally demanding industrial processes due to their ability to reach high temperatures [18]. The work [2] already stated that there are only a few studies analyzing the combination of heat pumps and CHP engines. An innovative technical solution for utilizing low-temperature energy sources from cogeneration gas reciprocating engines installed within direct heating systems was shown in a previous study [19]. At the present time, we are not aware of any studies that combine FC CHP and a high-temperature heat pump, as presented in our work below.

2. Electricity Production and CO2 Capture

An innovative energy system for high-temperature heating needs consisting of a fuel cell, a two-stage high-temperature cascade heat pump, and a CO2 capture process is shown in Figure 1.
The fuel of the fuel cell is natural gas, synthetic methane, or biomethane, which enters the fuel cell with air. The electricity produced by the fuel cell is used to drive the compressors of the two-stage cascade high-temperature heat pump. The heat produced by the two-stage cascade high-temperature heat pump is used to heat the water for the district’s high-temperature heating. The composition of the exhaust gases of the fuel cell is carbon dioxide, water vapor, and a very small amount of unused hydrogen. By cooling the exhaust gases of the fuel cell, water is condensed, while the heat produced is used to preheat the return water for the high-temperature heating, which means that we have simultaneous production of electricity and heat. The water separated from the exhaust gases is led to a separator, where the unused hydrogen from the fuel cell is separated from the CO2. The extracted unused hydrogen is fed back into the fuel cell or sold on the market. The carbon dioxide produced from the exhaust gases of the fuel cell can be released into the environment or liquefied. Gaseous or liquefied CO2 can be transported to an area where it is possible to introduce it into the ground, or synthetic methane can be produced using P2G technology, which is compressed and introduced into the gas pipeline network. With this, we have achieved carbon-free heat production for the needs of high-temperature heating.

2.1. Separation and Liquefaction of CO2

In Figure 1, we noted that CO2 needs to be separated and liquefied before storage. Due to the vast amount of studies and commercial availability of CO2 separation and liquefaction methods, we did not include those simulations in our model.
In recent years, global warming has received increased attention, with CO2 emissions being the main cause of the problem. While we cannot avoid CO2 emissions fully, we can reduce them by capturing and utilizing the captured CO2. This combined technology is called carbon capture and utilization (CCU). A widespread carbon capture technology is post-combustion. It refers to the separation of CO2 from other components in flue gas after fuel combustion. It only needs an additional capture device after the existing device, which alters the original process by very little. Utilizing the captured CO2 plays an essential role in CCU technologies, where studies show that using CO2 to synthesize useful chemical products is very effective [20].
CO2 separation membranes are in constant development. Recent advances show that the use of clathrate hydrates is a promising technology for CO2 capture and separation, especially the separation of CO2 from N2/H2/CH4 gas mixtures [21]. Another study was conducted discussing the enhancement strategies of the Poly(ether-block-amide) membranes that became the preferred CO2 separation membranes [22]. Polyetherimide membranes exhibit a high CO2 selectivity, but they suffer from low permeance, thus limiting their further application in CO2 separation [23].
CO2 liquefaction methods, like compression pathways combined with absorption or Linde–Hampson cycles, the double ejector absorption cycles (DEBARS), and the basic Claude cycle, can be implemented for the liquefaction of CO2. The modified Claude system can be used to enhance the Claude cycle [24,25]. The novel layout for the CO2 pressurization system is called an ejector-powered liquefaction system (EPLS) and consists of two sections: first, the Pre-EPLS subsystem and second, the EPLS subsystem [24]. Novel self-refrigerated natural gas liquefaction systems integrated with CO2 liquefaction processes are being developed, yielding better profitability, simplicity, and lower energy consumption [26].
After liquefaction, the liquid CO2 is stored in suitable tanks and then transported to areas of CO2 injection into the ground or used for the production of synthetic methane (P2G), which is then introduced into the gas pipeline network.

2.2. Two-Stage Cascade High-Temperature Heat Pumps

In order to heat high-temperature heating water, it is necessary to use high-temperature heat pumps to overcome the larger temperature difference between a low-temperature heat source, e.g., groundwater, and the required temperature of high-temperature heating [2]. To overcome larger temperature differences, we need two compressors connected in series, which represent a two-stage heat pump. The reason for connecting the compressors in series is the limitation of the compression ratio of the compressor, i.e., the ratio between the pressure on the suction side and the pressure on the pressure side of the compressor. In the case of a two-stage heat pump, the vapors of the refrigerant must be cooled between the stages of compression so that less energy is used in the second stage of compression to raise the pressure to the required value.
There are two possible process diagrams of the two-stage high-temperature heat pump. The first and second stages of a two-stage heat pump can be connected to a heat exchanger or an expansion vessel—a flash-tank.
In two-stage heat pumps with a heat exchanger, two single-stage heat pumps are essentially connected, where the condenser of the first stage is the evaporator of the second stage. The refrigerant can, therefore, be different in both circuits. In the case of the expansion vessel, the heat pump system contains the same refrigerant in both stages, which is cooled between the first and second stages of compression with the coolant supplied via the expansion valve of the second stage, which reduces the required energy of the second stage of compression significantly.
Figure 2 shows a schematic diagram of a two-stage heat pump with a flash-tank. The two-stage heat pump was constructed on the basis of a high-temperature heat pump from a previous work [19]. The refrigerant vapors are compressed in the first stage by the compressor COMP1 and led to the flash-tank FLASH, where the superheated vapors are cooled to the condensation temperature and led to the second stage compressor COMP2. After the second stage of compression, the vapors of the refrigerant condense and heat the water of the high-temperature heating system due to the higher pressure and resulting high condensation temperature. The condensed refrigerant is then led to the expansion valve VALVE2, where the pressure is reduced to the pressure of the first stage or the pressure of the expansion vessel. When the pressure is reduced at VALVE2, some condensate evaporates and is led to the flash-tank or separator, where the steam and condensate are separated. The vapors are then led to the compressor of the second stage of compression, and the condensate is led via the reduction valve VALVE1 to the evaporator of the first stage, where it is vaporized as a refrigerant with the heat obtained by cooling the low-temperature heat source [13].
The operation of a two-stage heat pump is shown in the T,s diagram in Figure 3. The principle of operation is similar to that of a single-stage heat pump. The only difference is that, after the first stage of compression, the refrigerant vapors are cooled to the condensation temperature and then compressed in the second stage. In this way, with two compressors, we can achieve an appropriate pressure ratio and a sufficiently high pressure of the cooling medium to achieve the desired temperature of the heating medium. Point 3/8 in Figure 3 represents the expansion tank.
In order to protect the COMP2 compressor on the second stage from excessive pressure on the suction side (Figure 2), it is necessary to install a pressure shut-off valve in flow line 5.
The pressure in the decompressor is determined by Equation (1):
p m = p 1 u · p k
where
  • pm is the pressure in the expander [Pa]
  • p1u is the first-stage evaporation pressure [Pa]
  • pk is the condensation pressure [Pa].

2.3. Additional Water Heating

Commercially available HTHPs with ammonia as the cooling agent are capable of heating water up to 85 °C [19]. The required temperature of the heating water for district heating is often higher, especially in winter. In this case, the water can be heated additionally with hydrogen boilers.
Most of the hydrogen produced in the world is produced by steam-methane reforming, using a temperature between 700 °C and 1000 °C. In steam-methane reforming, the methane reacts with steam at a pressure between 3 bar and 25 bar in the presence of a catalyst to generate hydrogen, carbon monoxide, and a small amount of carbon dioxide. Steam reforming is an endothermic process—meaning that heat must be supplied to the process for the reaction to occur.
In the so-called water gas shift reaction, carbon monoxide and steam react in the presence of a catalyst to produce carbon dioxide and hydrogen. In the final stage of the process, called pressure swing adsorption, carbon dioxide and other impurities are removed from the gas stream, leaving essentially pure hydrogen. Steam reforming can also be used to produce hydrogen from other fuels, such as ethanol, propane, or even gasoline.
Natural gas is fed into the fuel cell at the anode, where, in the combination of reforming and WGSR, hydrogen and CO2 are formed, as shown in the equations below [27]
C H 4 + H 2 O   + h e a t C O + 3 H 2   ( + h e a t )
C O + H 2 O   C O 2 + H 2   ( + s m a l l   a m o u n t   o f   h e a t )
During the production of electricity in the fuel cell, hydrogen is consumed and water is produced, which is discharged together with carbon dioxide as hot exhaust gases [28].
As we mentioned, hydrogen boilers would be used to heat the water additionally for the high-temperature heating system for any additional needed temperature differences for district heating. According to experimental research data, hydrogen boilers have proven to be an effective and adequate replacement for natural gas boilers [29].

3. Carbon-Free Heat Production for High-Temperature Heating Needs

The process scheme of carbon-free heat production for high-temperature heating needs shown in Figure 4 presents the utilization of heat generated from the CHP fuel cell, waste heat from the compressor oil cooling system, and heat production with a two-stage cascade high-temperature heat pump using groundwater heat and CO2 capture.
The streams on Figure 4 are showcased with different colours. The black stream represents natural gas, while the orange streamlines represent the products of steam reforming. The recirculating oil is presented with the purple colour. The water used for district heating is shown with red streamlines, the green streamlines are showcasing the secondary cooling water circuit. Additionally pure hydrogen is presented with a gray streamline, while pure carbon dioxide is shown with a light brown colour. The condensed water from exhaust gases is shown as the outlet from the heat exchanger with a brown colour.
Computer simulation of the fuel cell operation is not possible with the Aspen Plus V10 software package, so we took the data of commercially existing fuel cells, where steam re-forming is already included in the fuel supply system to the fuel cell itself. Based on the available data, the appropriate flow of natural gas was calculated for the operation of a fuel cell with a nominal power of 3.7 MW. In Figure 5, the flow INLET-FC indicates natural gas that has already been reformed into the final products carbon dioxide, water, and hydrogen, which represent the fuel for the fuel cell.
In the computer simulation, we assumed that 97% of the total hydrogen is consumed in the fuel cell, while the unused hydrogen is returned to the fuel cell after the separation of CO2 and H2. Some heat is also generated when producing electricity with a fuel cell. The selected CHP fuel cell has an electrical efficiency of 62% ± 2 and a combined thermal and electrical efficiency of 90% ± 5%. The first processing unit, FC1, is a heater, which represents the heat released in the fuel cell. FC2 is a separator that separates 97% of the hydrogen from a mixture of carbon dioxide, water vapor, and hydrogen. The combination of FC1 and FC2 essentially represents the fuel cell where the residual gas is heated (FC1), while the processing unit (FC2) represents the hydrogen consumed in the process. The resulting hot exhaust gases have two stages of possible use. First of all, we can take advantage of the high temperature and cool the output gases below 100 °C by heating the water for the district heating with the HE2 heat exchanger. Next, we lead them to the heat exchanger, HE3, in order to use the condensation heat of the water, which is released during the cooling of the gas mixture. The minimum temperature difference in the process of the plate heat exchangers used is 2 °C [30]. With the exhaust gas flow EXH-GAS1, the return of the high-temperature heating water can be preheated by about 2–3 °C (RET-WA3) before it is led into the TCHHP. The heat of the partially cooled gases is utilized additionally with the heat exchanger HE3, where we heat the recirculating water (WATER-WA) flow shown in Figure 5. The streamline WATER-WA is connected to Figure 6 and will be explained in the next scheme. The SEPAR process unit separates the condensed water from the cooled exhaust gases of the fuel cell in the HE3. Stream EXH-GAS5 represents the exhaust gases of the fuel cell cooled to a temperature of approximately 36 °C, which consist mainly of carbon dioxide, negligible amounts of water that did not condense fully, and unreacted hydrogen, and leads to the membrane separation, which is shown with an orange arrow in Figure 4. The electrical energy produced by the fuel cell is used to drive the pumps and compressors of the two-stage cascade high-temperature heat pump. The selected compressors require lubricating oil with a maximum temperature of 60 °C during operation, which can heat up to 83 °C. The cooling of this oil represents heat, which is presented with the OIL-CS and HE1 heat exchangers. We cool the hot lubricating compressor oil with cooling water, which is subsequently used to heat the returning district heating water (RET-WA1).

4. Use of Low-Temperature Geothermal Heat Sources

4.1. Utilization of Groundwater Heat

The process diagram of the computer simulation of a two-stage cascade high-temperature heat pump for the use of groundwater heat and low-temperature fuel cell sources is shown in Figure 6.
In reality, Figure 5 and Figure 6 are one process, but because of convergence reasons, we split the process into two schemes in the Aspen Plus software. The streamline WATER-HP in Figure 5 continues in Figure 6 with the same name as the inflow into EVAP2, while the outflow WATER-WA continues in Figure 5 as the inflow for the HE3 heat exchanger. Additionally, the preheated district heating water in Figure 5 (RET-WA3) continues as the RET1 streamlines the inflow for the COND1 condenser in Figure 6.
As a heat source of the two-stage cascade heat pump in Figure 6, groundwater is used, which is fed to the evaporator (EVAP1), where the refrigerant ammonia is evaporated, then the vapor is then fed to the COMP1 compressor (or several parallel connected compressors) of the first stage compression. The temperature of the groundwater supplied from the exploitation well to EVAP1 is 10 °C, and after the heat has been used, it returned to a re-injection well with a temperature of 4 °C. The compressed ammonia vapors (HS2) are then led to the FLASH collection tank or separator, where the heated vapors leaving the compressor are cooled from a temperature of 83 °C to 28 °C and, in the process, vaporize the liquid ammonia present in the FLASH collection tank partially. A mixture of liquid and gaseous ammonia from the (EVAP2) evaporator is supplied into the FLASH collection tank (HS24). A mixture of vapor and liquid ammonia is fed into EVAP2 (HS23) after reducing the pressure at the valves VALVE 2, VALVE 3, VALVE 4, and VALVE 5. In the (EVAP2), using a low-temperature FC heat source and compressor oil cooling water (WATER-HP), liquid ammonia is evaporated partially, which is then fed into the FLASH as a two-phase mixture. The remaining liquid ammonia in the FLASH collection tank is led back to the EVAP1 evaporator of the first stage of the two-stage cascade high-temperature heat pump via the reduction valve VALVE1. In Section 2.2, we discussed the possibility of using a heat exchanger instead of a flash tank. Due to the nature of the technology—supplying a two-phase mixture (HS24) means the flash tank option is the only plausible alternative. Ammonia vapors are then led to the cascaded compressors (HS6) of the second compression stage COMP2, COMP3, COMP4, and COMP5. The pressure of each cascade-connected compressor is adjusted to the necessary temperature of ammonia vapor condensation in condensers COND1, COND2, COND3, and COND4, with which we heat the return water for the district heating water gradually from a temperature of 63 °C to a final temperature of 85 °C. The liquid ammonia (HS15, HS16, HS17, HS18) is then led to the expansion valves and then to EVAP 2, which was explained above. Figure 6 shows an example of a computer simulation of heating the return water of a district heating system from 63 °C to 85 °C. Since the electric motors of the compressors are frequency-regulated, their operation is adjusting to the inlet return temperature of the district heating water in the series-connected condensers constantly to reach a final temperature of 85 °C. Figure 7 shows the COP of two-stage cascaded high-temperature heat pumps, depending on the temperature of the district heating return water, which is heated to a temperature of 85 °C.
The operating efficiency of the two-stage cascade high-temperature heat pump (COP) increases with the lowering of the return water temperature due to the smaller temperature difference between the heat source (groundwater) and the temperature of the water that is heated in the cascade-connected condensers of the second stage of the high-temperature heat pump. The consumption of electricity to drive the compressors and circulating pumps is adjusted to the production of electricity in the FC, the operating power of which can be adjusted to the needs for the heat production of district heating.
Figure 8 shows a diagram of the change in the mass flow of the return water of district heating as a function of temperature. The produced heat flow of the two-stage cascade high-temperature heat pump changes with the return temperature of the district heating water according to the COP.
Figure 9 shows the COP change diagram of a two-stage cascade high-temperature heat pump depending on the required final temperature of the district heating water at a return water temperature of 60 °C.
Based on the results of the computer simulation of a two-stage cascade high-temperature heat pump, the COP was determined as a function of the temperature (and pressure) of the first compression stage in the FLASH collection tank. Table 1 shows the COP values of the two-stage cascade high-temperature heat pump as a function of the temperature in the FLASH separator. The highest COP at a return water temperature of 60 °C and a final water heating temperature of 85 °C for district heating is achieved with a fluid temperature of 28 °C in the collection tank.

4.2. Heat Utilization of Low-Temperature Geothermal Water

The process diagram of the computer simulation of a two-stage cascade high-temperature heat pump for the use of heat from low-temperature geothermal water and low-temperature fuel cell sources is shown in Figure 10. The geothermal water is not fed directly into the TCHHP, but was used previously to heat the circulating demineralized water, the heat of which is then used by the TCHHP. Geothermal waters are usually strongly mineralized, and in this way, we prevent limescale in the evaporators of the heat pump. In the following, circulating demineralized water that is heated with geothermal water will be referred to as geothermal water.
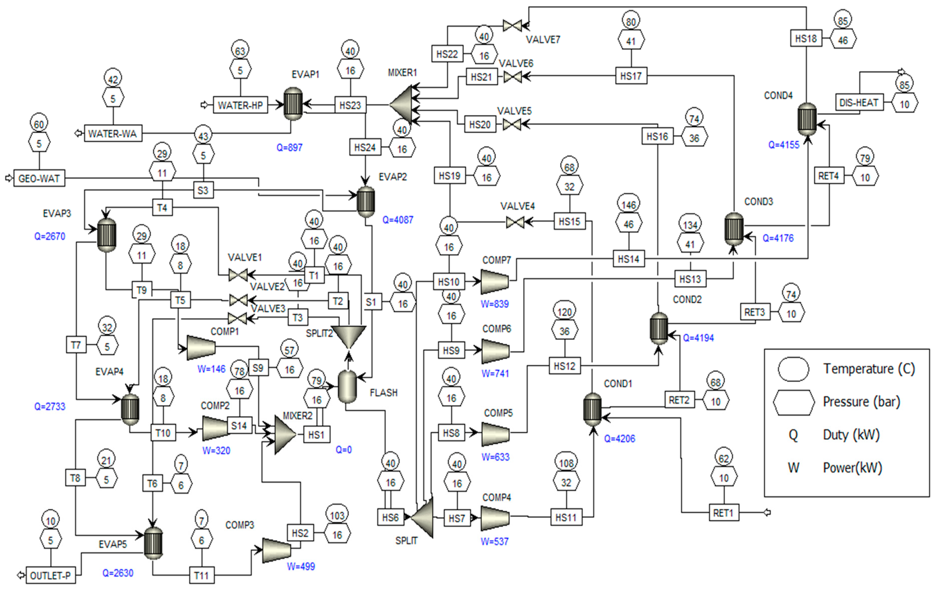
As the heat source of the TCHHP in Figure 10, low-temperature geothermal water is used, which, if the temperature is significantly higher than the temperature of the collection tank or the FLASH separator, is fed to the evaporator (EVAP2), where, during the ammonia evaporation process, it is cooled to a temperature slightly higher than the temperature in the FLASH separator. A two-phase mixture of liquid and gaseous ammonia was supplied to the evaporator (EVAP2) from the evaporator EVAP1 previously, into which a two-phase mixture of vapor and liquid ammonia is supplied after pressure reduction at valves VALVE 4, VALVE 5, VALVE 6, and VALVE 7. Then, the partially cooled, so-called geothermal water is supplied to three (or more parallel-connected) evaporators, EVAP3, EVAP4, and EVAP5, connected in series, where the refrigerant ammonia is evaporated, the vapors of which are then supplied to the compressors COMP1, COMP2, and COMP3 (or more parallel-connected compressors) of the first stage of compression. The ammonia vapors leaving the cascade-connected compressors of the first stage are then fed to the FLASH separator, where they are cooled to their operating temperature.
Using FC low-temperature heat sources and compressor oil cooling water (WATER-HP), liquid ammonia is partially vaporized in EVAP1, which is then fed into EVAP2 as a two-phase mixture (HS24). The remaining liquid ammonia in the FLASH collection tank or FLASH separator is then fed back to the evaporators EVAP3 (stream T4), EVAP4 (stream T5), and EVAP5 (stream T6) of the first stage of the two-stage cascade high-temperature heat pump via the reduction valves VALVE1 (stream T1), VALVE2 (stream T2), and VALVE3 (stream T3). The ammonia vapors (streamline HS6) are fed from the FLASH separator to the cascade-connected compressors of the second compression stage, COMP4, COMP5, COMP6, and COMP7. The pressure of each cascade-connected compressor is adjusted to the required temperature of ammonia vapor condensation in condensers COND1, COND2, COND3, and COND4, with which we heat the return water of the district heating water gradually from a temperature of 62 °C to a final temperature of 85 °C. Figure 10 shows an example of a computer simulation of heating the return water of a district heating system from 62 °C to 85 °C. Since the electric motors of the compressors are frequency-regulated, their operation is constantly adjusting to the inlet return temperature of the district heating water in the series-connected condensers to reach a final temperature of 85 °C.
Figure 11 shows the COP of a two-stage cascade high-temperature heat pump depending on the temperature of the district heating return water, which is heated to a temperature of 85 °C.
The operating efficiency of the two-stage cascade high-temperature heat pump (COP) increases with the lowering of the return water temperature due to the smaller temperature difference between the heat source (geothermal water), the heat of which is first used in EVAP2 and then in the cascaded EVAP3, EVAP4, and EVAP5, and the water temperature which is heated in the cascade-connected condensers of the second stage of the high-temperature heat pump. The consumption of electricity to drive the compressors and circulation pumps is adjusted to the production of FC electricity, the operating power of which can be adjusted to the needs for the production of district heating heat.
Figure 12 shows a diagram of the change in the mass flow of the district heating return water as a function of temperature. The produced heat flow of the two-stage cascade high-temperature heat pump varies with the return temperature of the district heating water according to the COP.
Figure 13 shows the required mass flow of geothermal water depending on the temperature of the district heating return water.
The behavior of the graph is descending with the increase in the return water temperature. At lower return temperatures, we need a larger amount of geothermal water. The reason for this is that, at higher return temperatures, more refrigerant circulates in the system, and, as a result, we need more water to evaporate it.
The temperature in the FLASH separator is the thing that differs between the two alternatives. In this scheme, it is not 28 °C, but 40 °C. The reason for this is that the WATER-WA flow (Figure 6) is 30 °C, and thus has a minimum temperature difference greater than the return to the expansion tank. In this scheme, however, we have an inflow of geothermal water at 60 °C, and at the operating temperature of the FLASH of 28 °C, most of the heat would be used for evaporating the recirculating refrigerant (HS24), not for evaporating the circulating refrigerant in the evaporators (EVAP3, EVAP4, and EVAP5). Accordingly, we increased the working temperature to 40 °C, and thus ensured that the geothermal water leaves the heat exchanger (EVAP2) at 42 °C or 43 °C and goes into the cascade. With this scheme, we obtained satisfactory results with three data, and therefore, we did not do the fourth as in Table 1. The results are tabulated in Table 2.
Based on the results of the computer simulation of the two-stage cascade high-temperature heat pump shown in Figure 10, the COP was determined as a function of temperature (and pressure) in the FLASH collection tank.
The COP values of the TCHHP as a function of the temperature in the collection tank or the FLASH separator are given in Table 2. The highest COP was achieved at a fluid temperature of 45 °C in the FLASH if the return water temperature was 60 °C and the final water temperature for district heating temperature was 85 °C.
Table 3 presents the final results of the simulations and the comparison between the alternatives shown in Figure 6 and Figure 10.

5. Flexibility and Additional Alternatives

The innovative technology of carbon-free heat production presented in the article for the needs of high-temperature district heating can, in connection with the electricity distribution company, contribute significantly to the regulation of the power grid, where there are surpluses or deficits of electricity produced from renewable sources.
In terms of the regulation of the power grid, three scenarios are possible in the presented heat production technology for the needs of district heating:
  • The plant operates as envisaged in the article and uses the produced electricity of the fuel cell to drive the compressors of the heat pumps. Up to 12 MW of heat can be produced with a 3.7 MWe CHP fuel cell and a two-stage cascade high-temperature heat pump using groundwater heat. With the same consumption of natural gas, hot water gas boilers would produce approximately 5 MW of heat.
  • In the event that there are surpluses of electricity produced from renewable sources in the energy network, the electricity to drive the compressors of the two-stage cascade high-temperature heat pump can be taken from the electricity network, and the operation of the fuel cell is reduced or operated in warm standby.
  • In the event of a lack of electricity, 3.7 MW of electricity produced by the CHP fuel cell can be sent to the network, and heat is produced by the hydrogen boiler, which is produced by reforming natural gas. During reforming, the mixture of CO2 and H2 is fed into the fuel cell separator, where H2 is separated from CO2. The hydrogen is used in a boiler to produce heat, and the CO2 is liquefied and stored in tanks.
The article envisages the capture and liquefaction of CO2, which can be stored in a liquid aggregate state for a long time and then transported to a plant for recycling into synthetic methane (P2G technology) using electricity from renewable sources or surplus electricity from the network. The produced synthetic methane is then introduced into the gas-water network and used in the winter period for the production of heat or electricity.

6. Conclusions

The article presents a computer simulation of the technological process of carbon-free heat production for the needs of high-temperature district heating. Two process schemes for the use of low-temperature renewable heat sources with a two-stage cascade high-temperature heat pump are presented, namely, the use of groundwater heat and the heat of low-temperature geothermal water. The process scheme of the two-stage cascade high-temperature heat pump can be adjusted in terms of the number of cascade-connected compressors on the first and second stages, according to the required heat flow and high-temperature heating water temperatures and the capacity of the commercially available high-pressure compressors. In the computer simulation of the two-stage cascade high-temperature heat pump, the isentropic efficiency, according to the data of the manufacturers of commercially available compressors, was taken into account. The operating data of commercially available FCs were also taken into account in the calculation.
The COP of the two-stage cascade high-temperature heat pump was determined in both process schemes based on the temperature difference between the heat source, the return temperature, and the final water temperature of the high-temperature heating system. When using the low-temperature heat of geothermal water, a significantly higher COP of the two-stage cascade high-temperature heat pump was achieved due to the higher temperature of the heat source and the cascade-connected compressors of the first compression stage.
In the case of a return water temperature of 60 °C and a district heating final temperature of 85 °C, a two-stage cascade high-temperature heat pump whose heat source is groundwater has a COP of 3.26 with a plant efficiency of 270.04% in relation to the HHV and 241.74% in relation to the LHV of natural gas. A case with a TCHHP whose heat source is low-temperature geothermal water has a COP of 4.50 and achieves a plant efficiency of 361.36% in relation to the HHV and 323.49% in relation to the LHV. By changing the operating conditions, i.e., the heat source, the return water temperature, and the final water temperature of the high-temperature heating system, the COP also changes. The electricity to drive the compressors is produced by the FC CHP, where it is possible to capture CO2 by separating the exhaust gases, which can be liquefied and stored for a long time in tanks. In the summer months, when excess electricity is available, synthetic methane can be produced (technology P2G), which is introduced into the natural gas pipeline network. Instead of FC CHP, any other CHP technology can be used to produce electricity to drive the compressors of the two-stage cascade high-temperature heat pump, but other CHP technologies do not allow economically efficient CO2 capture. If we do not have groundwater or geothermal water available as a heat source for a two-stage cascade high-temperature heat pump, air or excess heat from industrial processes can be used as a heat source, which, in most cases, is discharged into the environment.

Author Contributions

Conceptualization, methodology, software, validation, investigation, formal analysis, writing—original draft: S.G.; investigation, formal analysis, writing—original draft, K.R. formal analysis, writing—review and editing, supervision: D.U.; supervision: D.G. All authors have read and agreed to the published version of the manuscript.

Funding

This study was funded by research program P2-0046 and research project V2-2271.

Data Availability Statement

Not applicable.

Conflicts of Interest

The authors declare no conflict of interest.

Abbreviations

CCUCarbon Capture and Utilization
CHPCombined Heat and Power
COPCoefficient of Power
DEBARSDouble Ejector Absorption Cycle
EPLSEjector Powered Liquefaction System
FCFuel Cell
GHGGreenhouse Gases
HTHPHigh-Temperature Heat Pump
HVACHeating, Ventilation, and Air Conditioning System
MCFCMolten Carbonate Fuel Cell
P2GPower to Gas
SOFCSolid Oxide Fuel Cell
TCHHPTwo-Stage Cascade High-Temperature Heat Pump

References

  1. European Commission—Energy and the Green Deal. Available online: https://commission.europa.eu/strategy-and-policy/priorities-2019-2024/european-green-deal/energy-and-green-deal_en (accessed on 8 August 2023).
  2. Goričanec, D.; Urbancl, D. Exploitation of Excess Low-Temperature Heat Sources from Cogeneration Gas Engines. In Alternative Energies and Efficiency Evaluation; IntechOpen: Rijeka, Croatia, 2022. [Google Scholar] [CrossRef]
  3. Saikia, K.; Kakati, B.K.; Boro, B.; Verma, A. Current Advances and Applications of Fuel Cell Technologies. In Recent Advancements in Biofuels and Bioenergy Utilization; Sarangi, P.K., Nanda, S., Mohanty, P., Eds.; Springer: Singapore, 2018; pp. 303–337. [Google Scholar] [CrossRef]
  4. Kumar, V.; Koorata, P.K.; Shinde, U.; Padavu, P.; George, S.C. Review on physical and chemical properties of low and high-temperature polymer electrolyte membrane fuel cell (PEFC) sealants. Polym. Degrad. Stab. 2022, 205, 110151. [Google Scholar] [CrossRef]
  5. Sinha, A.; Sanjay, A.; Ansari, M.Z.; Shukla, A.K.; Choudhary, T. Comprehensive review on integration strategies and numerical modeling of fuel cell hybrid system for power & heat production. Int. J. Hydrogen Energy 2023, 48, 33669–33704. [Google Scholar] [CrossRef]
  6. Tariq, A.H.; Kazmi, S.A.A.; Hassan, M.; Muhammed Ali, S.A.; Anwar, M. Analysis of fuel cell integration with hybrid microgrid systems for clean energy: A comparative review. Int. J. Hydrogen Energy 2023, in press. [Google Scholar] [CrossRef]
  7. Yang, Y.H.; Lin, Q.; Zhang, C.F.; Li, G.Q. Study of the influence under different operating conditions on the performance of hydrogen fuel cell system for a bus. Process Saf. Environ. Prot. 2023, 177, 1027–1034. [Google Scholar] [CrossRef]
  8. Kampker, A.; Heimes, H.; Kehrer, M.; Hagedorn, S.; Reims, P.; Kaul, O. Fuel cell system production cost modeling and analysis. Energy Rep. 2023, 9, 248–255. [Google Scholar] [CrossRef]
  9. Marocco, P.; Gandiglio, M.; Santarelli, M. When SOFC-based cogeneration systems become convenient? A cost-optimal analysis. Energy Rep. 2022, 8, 8709–8721. [Google Scholar] [CrossRef]
  10. Olabi, A.G.; Wilberforce, T.; Abdelkareem, M.A. Fuel cell application in the automotive industry and future perspective. Energy 2021, 214, 118955. [Google Scholar] [CrossRef]
  11. Mehr, A.S.; Lanzini, A.; Santarelli, M.; Rosen, M.A. Polygeneration systems based on high temperature fuel cell (MCFC and SOFC) technology: System design, fuel types, modeling and analysis approaches. Energy 2021, 228, 120613. [Google Scholar] [CrossRef]
  12. Wang, Z.; Shen, H.; Gu, Q.; Wen, D. Economic Analysis of Heat Pump Recovery System for Circulating Water Waste Heat in Power Plant. E3S Web Conf. 2021, 256, 02011. [Google Scholar] [CrossRef]
  13. Goričanec, D.; Ivanovski, I.; Krope, J.; Urbancl, D. The Exploitation of Low-Temperature Hot Water Boiler Sources with High-Temperature Heat Pump Integration. Energies 2020, 13, 6311. [Google Scholar] [CrossRef]
  14. Ma, D.; Sun, Y.; Ma, S.; Li, G.; Zhou, Z.; Ma, H. Study on the working medium of high temperature heat pump suitable for industrial waste heat recovery. Appl. Therm. Eng. 2023, 236, 121642. [Google Scholar] [CrossRef]
  15. Sarkar, J.; Bhattacharyya, S.; Ram Gopal, M. Natural refrigerant-based subcritical and transcritical cycles for high temperature heating. Int. J. Refrig. 2007, 30, 3–10. [Google Scholar] [CrossRef]
  16. Shamim, J.A.; Auti, G.; Kimura, H.; Fei, S.; Hsu, W.L.; Daiguji, H.; Majumdar, A. Concept of a hybrid compression-adsorption heat pump cycle. Cell Rep. Phys. Sci. 2022, 3, 101131. [Google Scholar] [CrossRef]
  17. Liu, J.; Zhou, L.; Cheng, J.; Lin, Z.; Zhang, X. A novel two-stage compression air-source heat pump cycle combining space heating, cooling, and domestic hot water production. Energy Build. 2023, 285, 112863. [Google Scholar] [CrossRef]
  18. Hamid, K.; Sajjad, U.; Ahrens, M.U.; Ren, S.; Ganesan, P.; Tolstorebrov, I.; Said, Z.; Hafner, A.; Wang, C.C.; Wang, R. Potential evaluation of integrated high temperature heat pumps: A review of recent advances. Appl. Therm. Eng. 2023, 230, 120720. [Google Scholar] [CrossRef]
  19. Caf, A.; Urbancl, D.; Trop, P.; Goricanec, D. Exploitation of low-temperature energy sources from cogeneration gas engines. Energy 2016, 108, 86–92. [Google Scholar] [CrossRef]
  20. Yang, N.; Kang, F.; Zhang, K.; Zhou, Y.; Lin, W.-F. A strategy for CO2 capture and utilization towards methanol production at industrial scale: An integrated highly efficient process based on multi-criteria assessment. Energy Convers. Manag. 2023, 293, 117516. [Google Scholar] [CrossRef]
  21. Lee, Y.; Kim, H.; Lee, W.; Kang, D.W.; Lee, J.W.; Ahn, Y.-A. Thermodynamic and kinetic properties of CO2 hydrates and their applications in CO2 capture and separation. J. Environ. Chem. Eng. 2023, 11, 110933. [Google Scholar] [CrossRef]
  22. Kamal Setiawan, W.; Chiang, K.-Y. Enhancement strategies of poly(ether-block-amide) copolymer membranes for CO2 separation: A review. Chemosphere 2023, 338, 139478. [Google Scholar] [CrossRef]
  23. Ma, Y.; Liu, N.; Tang, S.; He, X.; Chu, J.; Zeng, L.; Zhang, P.; Tang, K. PEI@MOFs thin film nanocomposite (TFN) membrane for efficient CO2 separation. Appl. Surf. Sci. 2023, 640, 158414. [Google Scholar] [CrossRef]
  24. Khalili, S.; Garousi Farshi, L.; Zare, V. Energy and exergy analysis of a novel ejector powered CO2 liquefaction system (EPLS) and comparative evaluation with four other systems. Energy Convers. Manag. 2023, 296, 117636. [Google Scholar] [CrossRef]
  25. Su, Z.; Zhan, W.; Sun, Y.; Dahari, M.; Abed, A.M.; Elhosiny Ali, H.; Algelany, A.M. Multi-objective optimization and techno-economic evaluation of a capture/separation/liquefaction scheme in a zero emission power/liquid N2/liquid CO2 production system based on biomass gasification and supercritical CO2 oxy-combustion cycle and ion transport membrane and Claude cycle. Sep. Purif. Technol. 2023, 314, 123566. [Google Scholar] [CrossRef]
  26. Palizdar, A.; Vatani, A. Design and analysis of a novel self-refrigerated natural gas liquefaction system integrated with helium recovery and CO2 liquefaction processes. J. Clean. Prod. 2023, 423, 138600. [Google Scholar] [CrossRef]
  27. Peloquin, J.-F.; Francoeur, D.; Leclerc, W.; Mehanovic, D.; Dufault, J.-F.; Camus, P.; Castellanos-Beltran, I.J.; Braidy, N.; Frechette, L.G.; Picard, M. Electrified steam methane reforming microreactor. Int. J. Hydrogen Energy 2023, in press. [Google Scholar] [CrossRef]
  28. Office of Energy Efficiency & Renewable Energy Hydrogen Production Natural Gas Reforming. Available online: https://www.energy.gov/eere/fuelcells/hydrogen-production-natural-gas-reforming (accessed on 20 August 2023).
  29. Peantong, S.; Tangjitsitcharoen, S. A study of using hydrogen gas for steam boiler in cholor—Alkali manufacturing. In Proceedings of the IOP Conference Series: Materials Science and Engineering, Busan, Republic of Korea, 25–27 August 2017; p. 215012018. [Google Scholar] [CrossRef]
  30. Alfa Laval Compact Heat Exchangers. Available online: https://www.alfalaval.com/microsites/increase-efficiency/products/compact-heat-exchangers/ (accessed on 2 June 2023).
Figure 1. The principle of decarbonization of heat production for district heating needs with FC CHP and use of renewable heat sources with a high-temperature heat pump.
Figure 1. The principle of decarbonization of heat production for district heating needs with FC CHP and use of renewable heat sources with a high-temperature heat pump.
Sustainability 15 15063 g001
Figure 2. Schematic representation of the operation of a two-stage heat pump.
Figure 2. Schematic representation of the operation of a two-stage heat pump.
Sustainability 15 15063 g002
Figure 3. T,s diagram of a two-stage heat pump.
Figure 3. T,s diagram of a two-stage heat pump.
Sustainability 15 15063 g003
Figure 4. Process diagram of carbon-free heat production for high-temperature heating.
Figure 4. Process diagram of carbon-free heat production for high-temperature heating.
Sustainability 15 15063 g004
Figure 5. Computer simulation of the fuel cell heat utilization process diagram for district heating.
Figure 5. Computer simulation of the fuel cell heat utilization process diagram for district heating.
Sustainability 15 15063 g005
Figure 6. Two-stage cascade high-temperature heat pump using groundwater heat and low-temperature FC sources and compressor oil cooling water.
Figure 6. Two-stage cascade high-temperature heat pump using groundwater heat and low-temperature FC sources and compressor oil cooling water.
Sustainability 15 15063 g006
Figure 7. COP values of the two-stage cascade high-temperature heat pump using groundwater heat with which we heat the district heating water to 85 °C depending on the return temperature.
Figure 7. COP values of the two-stage cascade high-temperature heat pump using groundwater heat with which we heat the district heating water to 85 °C depending on the return temperature.
Sustainability 15 15063 g007
Figure 8. Water flows depending on the district heating return temperature when heating water to 85 °C with a two-stage cascade high-temperature heat pump.
Figure 8. Water flows depending on the district heating return temperature when heating water to 85 °C with a two-stage cascade high-temperature heat pump.
Sustainability 15 15063 g008
Figure 9. COP of the two-stage cascade high-temperature heat pump depending on the required final temperature of the district heating water at a return water temperature of 60 °C.
Figure 9. COP of the two-stage cascade high-temperature heat pump depending on the required final temperature of the district heating water at a return water temperature of 60 °C.
Sustainability 15 15063 g009
Figure 10. Process scheme of the use of low-temperature geothermal water and low-temperature FC sources.
Figure 10. Process scheme of the use of low-temperature geothermal water and low-temperature FC sources.
Sustainability 15 15063 g010
Figure 11. COP values of the two-stage cascade high-temperature heat pump using geothermal water with which we heat the district heating water to 85 °C depending on the return temperature.
Figure 11. COP values of the two-stage cascade high-temperature heat pump using geothermal water with which we heat the district heating water to 85 °C depending on the return temperature.
Sustainability 15 15063 g011
Figure 12. Water mass flows depending on the district heating return temperature when heating water to 85 °C with a two-stage cascade high-temperature heat pump.
Figure 12. Water mass flows depending on the district heating return temperature when heating water to 85 °C with a two-stage cascade high-temperature heat pump.
Sustainability 15 15063 g012
Figure 13. Amount of geothermal water required to evaporate the refrigerant.
Figure 13. Amount of geothermal water required to evaporate the refrigerant.
Sustainability 15 15063 g013
Table 1. COP of the two-stage cascade high-temperature heat pump using groundwater depending on the temperature of the FLASH separator.
Table 1. COP of the two-stage cascade high-temperature heat pump using groundwater depending on the temperature of the FLASH separator.
FLASH Temperature (°C)COP
423.23
353.26
283.26
203.21
Table 2. COP of the two-stage cascade high-temperature heat pump using geothermal water depending on the temperature of the FLASH separator.
Table 2. COP of the two-stage cascade high-temperature heat pump using geothermal water depending on the temperature of the FLASH separator.
Temperature in FLASH (°C)COP
454.74
404.50
354.44
Table 3. Summary of results of the computer simulation of carbon-free heat production for district heating needs.
Table 3. Summary of results of the computer simulation of carbon-free heat production for district heating needs.
Natural Gas Consumption and Calorific Value
HHV of natural gas (kWh/Sm3)10.582
LHV of natural gas (kWh/Sm3)9.473
Density of natural gas (kg/Sm3)0.6788
Volume flow of natural gas (Sm3/h)604.36
Mass flow of natural gas (kg/h)410.26
Heating value of natural gas—LHV (MW)5725.10
Heating value of natural gas—HHV (MW)6395.34
GroundwaterGeothermal water
Direct heating of return water (preheating)
Excess heat of compressor oil HE1 (kW)742756
Heat produced with fuel cell HE2 (kW)10331033
Total (kW)17751789
Heat produced by the heat pumps
The first condenser of the second stage COND1 (kW)30244206
The second condenser of the second stage COND2 (kW)30214194
The third condenser of the second stage COND3 (kW)30144176
The fourth condenser of the second stage COND4 (kW)30064155
Total (kW)12,06516,731
Compressors (required electrical power)
First compressor of the first stage (kW)1064146
Second compressor of the first stage (kW)/320
Third compressor of the first stage (kW)/499
First compressor of the second stage (kW)556537
Second compressor of the second stage (kW)624633
Third compressor of the second stage (kW)698741
Fourth compressor of the second stage (kW)770839
Total (electricity produced and consumed by FC (kW)37033715
Heat flow produced
Heat flow produced by the heat pumps (kW)12,06516,731
Heat flow produced by FC and comp. oil cooling (kW)17751789
Total heat produced for district heating (kW)13,84018,520
COP3.264.50
Heating capacity (kg/h)474,000635,000
Refrigerant flow (kg/h)59,44282,070
Groundwater/geothermal water flow (kg/h)986,919207,000
Eff. of natural gas according to HHV (%)270.04361.36
Eff. of natural gas according to LHV (%)241.74323.49
Disclaimer/Publisher’s Note: The statements, opinions and data contained in all publications are solely those of the individual author(s) and contributor(s) and not of MDPI and/or the editor(s). MDPI and/or the editor(s) disclaim responsibility for any injury to people or property resulting from any ideas, methods, instructions or products referred to in the content.

Share and Cite

MDPI and ACS Style

Gruber, S.; Rola, K.; Urbancl, D.; Goričanec, D. Carbon-Free Heat Production for High-Temperature Heating Systems. Sustainability 2023, 15, 15063. https://doi.org/10.3390/su152015063

AMA Style

Gruber S, Rola K, Urbancl D, Goričanec D. Carbon-Free Heat Production for High-Temperature Heating Systems. Sustainability. 2023; 15(20):15063. https://doi.org/10.3390/su152015063

Chicago/Turabian Style

Gruber, Sven, Klemen Rola, Danijela Urbancl, and Darko Goričanec. 2023. "Carbon-Free Heat Production for High-Temperature Heating Systems" Sustainability 15, no. 20: 15063. https://doi.org/10.3390/su152015063

APA Style

Gruber, S., Rola, K., Urbancl, D., & Goričanec, D. (2023). Carbon-Free Heat Production for High-Temperature Heating Systems. Sustainability, 15(20), 15063. https://doi.org/10.3390/su152015063

Note that from the first issue of 2016, this journal uses article numbers instead of page numbers. See further details here.

Article Metrics

Back to TopTop