You are currently viewing a new version of our website. To view the old version click .
Sustainability
  • Article
  • Open Access

26 May 2023

Reactive Power Compensation Strategy of the Electric Vehicle Connected to the Distribution Network in the Limit State Considering Voltage Constraint

,
,
,
,
,
and
1
Hubei Engineering and Technology Research Center for AC/DC Intelligent Distribution Network, School of Electrical Engineering and Automation, Wuhan University, Wuhan 430072, China
2
School of Electrical Engineering and Automation, Wuhan University, Wuhan 430072, China
3
Taizhou Power Supply Company of State Grid Zhejiang Electric Power Co., Ltd., Taizhou 318000, China
*
Author to whom correspondence should be addressed.

Abstract

To solve the voltage stability problem of electric vehicles connected to the distribution network in the limit state, a reactive power compensation strategy based on the holomorphic embedding method and electrical distance is proposed. Firstly, the load model of the electric vehicle charging station is constructed, and the limit of the charging power of the electric vehicle connected to a certain bus is obtained. Then, the power flow embedding equation of the power system is constructed by the holomorphic embedding method, and the analytical expression of the voltage rational function is introduced based on the Padé approximation algorithm. The voltage collapse point is solved by the distribution of zeros and poles of the rational function. Then, a method of reactive power and voltage control partition based on electrical distance is proposed. According to the principle of weak regional coupling and strong interval coupling, the power system is divided into several regions by spectral clustering and a k-means clustering algorithm. The order of the voltage stability margin value s is obtained by connecting the limit charging power to each bus of the power system. In this paper, the reactive power compensation strategy proposes to add reactive power compensation devices to the buses with the weakest voltage stability margin in different zones. Finally, compared with other reactive power compensation strategies 1 and 2, the reactive power compensation strategy provided in this paper is increased by 1.626121813 and 1.160494345 times, respectively. The superiority of this method is verified by simulation.

1. Introduction

1.1. Background and Motivation

As the global stock of non-renewable energy has become increasingly prominent, new energy other than diesel gasoline is considered to be an important means to achieve energy saving and emission reduction and to improve energy efficiency. Among them, in the sustainable development of global energy, electric vehicles play a positive role, and the number of electric vehicles in the world is increasing. According to the data of the U.S. Department of Energy, as of November 2022, there are nearly 48,000 public charging stations and about 124,000 charging piles in the United States, of which the number of Level 1, Level 2, and DC quick charging piles is 865, 97,739 and 26,249, respectively [1]. It is predicted that from 2030, global Fan Wei hydrogen energy and electricity will overtake the automobile energy market, and consumption will account for more than 20% and 60% in 2040 and 2060, respectively. The entire passenger car market will no longer rely on fossil fuels in 2070. Electric vehicles will be widely used [2].
At the same time, with the continuous increase in the number of electric vehicles, the voltage problem caused by the connection of electric vehicles to the power system can not be ignored. At the same time, the selection of a reactive power compensation strategy is also very significant. In this paper, a voltage control partition method based on electrical distance and a spectral clustering algorithm is proposed, and the voltage stability is analyzed based on the holomorphic embedding method. Finally, a reactive power compensation strategy is proposed.

1.2. Literature Review

(1)
General load Model of Electric vehicle
In [3], the voltage stability margin of the distribution network with electric vehicles in multi-scenarios is studied. When disordered charging and peak-valley time-sharing price control are adopted, the charging of electric vehicles with different permeability has different effects on the voltage stability margin of the distribution network. In [4], an analysis method based on the electrical dielectric number is proposed. Through the quantitative analysis of the change of the system voltage distribution and after the charging station is connected with high and low electrical dielectric number buses, combined with the voltage stability margin index based on the PV curve, the influence of electrical dielectric number on the voltage stability of the system is discussed. In [5], an optimal planning model for electric vehicle charging stations based on the distribution network voltage stability index is proposed, but the change in network structure is not taken into account. In [6], a multi-objective optimization model for charging station planning is proposed. The super-efficiency Data Envelopment Analysis method is used to determine the weight coefficients of each objective function, and the multi-objective option problem turns into a single objective optimization problem, which is solved by a dynamic adaptive particle swarm optimization algorithm. However, the collaborative planning problem of the combination of renewable energy and EV charging facilities is not considered. In [7], a static voltage stability evaluation scheme of the power grid considering the charging characteristics and load fluctuation limit of electric vehicles is proposed. In [8], based on the PSAT toolbox of the Matlab simulation platform, the ZIP load model is established, and the change of maximum load parameters during grid-connected charging of electric vehicles is analyzed to analyze the grid voltage stability margin. In [9], the behavior characteristics of different types of electric vehicles are analyzed, the power demand model of electric vehicles is established, and the evaluation method of distribution network adaptability to electric vehicles is put forward. In [10], based on the performance parameters and driver behavior characteristics of different types of electric vehicles, the charging power demand model of electric vehicles is established, and the influence of a certain scale of electric vehicles on the daily load curve of the distribution network is analyzed.
(2)
Application of Electrical distance Model in Power system
Reference [11] reflects the power of electric adhesion between all buses of the system by creating a full-dimensional matrix of electrical distances. In this paper, the number of divisions can be obtained effectively and quickly by using the method of hierarchical clustering. However, the limitations of the hierarchical clustering algorithm are not considered. In [12], a continuous fault location representation method with electrical significance is proposed based on electrical distance, and it is applied to transient stability assessment to realize the unified feature representation of fault location. However, this method is limited to the changes caused by the topology after the fault access. Reference [13] makes use of the topology characteristics of the power grid to increase the robustness of region division based on the electrical distance. The designed reactive power partition strategy can obtain high-quality partition results with particular emphasis. Reference [14] defines the electrical distance between buses in a statistical sense based on Wasserstein distance and from the point of view of bus voltage correlation. Considering the robustness, this method can realize inter-regional reactive power-voltage decoupling as much as possible. In [15], based on the density clustering algorithm and the electrical distance of a wide-area measurement system, an online criterion of a controlled island scheme based on frequency stability is proposed. The feasibility of the method is verified by simulation. In [16], a new algorithm using a controlled island strategy is proposed, which is based on load coherence and the nearest electrical distance between coherent groups.
(3)
Application of the Holomorphic embedding method in Power system analysis
Reference [17] proposes the use of the holomorphic embedding method to visually predict voltage-weak buses in the expected operating environment. In [18], a new semi-invariant method based on the holomorphic embedding method is proposed to calculate the probabilistic energy flow of electric-thermal joint networks. Compared with the traditional Newton–Raphson method, this algorithm has better convergence and accuracy. In [19], aiming at the transient stability analysis of the power system, the holomorphic function embedding modification of the direct method and Dommel–Sato iterative method is proposed to ensure the compatibility of constant power load in the power grid, and the calculation method is given. It is verified that better results can be obtained by using the network equation embedded in the holomorphic function. In [20], the holomorphic embedding method is applied in the static voltage stability analysis method, and a method to predict the critical point of voltage stability based on rational function zero-pole distribution is proposed. This method does not need iteration and has a good time advantage. In [21], an uncertain affine power flow calculation method based on holomorphic embedding is proposed. This method is efficient, but it does not combine probability analysis with affine power flow. In [22], a holomorphic restart function embedded algorithm for solving power system economic dispatching is proposed. This method introduces the restart mechanism and heuristic rules. However, there is a problem, as the AC power flow model is not accurate. In [23], the holomorphic embedding method is applied to the solution of optimal power flow, which provides a new idea for solving the flow of ideal power to a large power system and has a certain value to the literature. However, inequality constraints are not considered.

1.3. Proposed Method and Contributions

The existing reactive power compensation strategies are often based on the traditional continuous power flow method, and the reactive power compensation device is added after solving the voltage critical stable point, but the connection tidal current method has the problem of depending on the initial point and power flow non-convergence. Additionally, the reactive power compensation device is added in a bus-set, which can not take into account the whole voltage of the power system. For the above questions, in this paper, voltage control zoning based on electrical distance and a zoning reactive power compensation strategy based on holomorphic embedding voltage stability analysis are proposed. First of all, this paper uses the electric vehicle load model to calculate the charging power of a bus electric vehicle connected to the power grid. The holomorphic embedding method is used to analyze the voltage influence of the electric vehicle on the power grid, and the critical voltage stability point is calculated. At the same time, the voltage stability margin index is proposed. After calculating the voltage margin value of each load point of the power grid, the order of the voltage stability margin of each bus can be obtained. Then, a control partition method based on electrical distance and spectral clustering algorithm is proposed. Finally, a variety of reactive power compensation schemes are proposed and compared with those in this paper.

1.4. Organization of the Paper

The organizational structure of this article is as follows. Section 1 introduces the background and motivation of this paper and introduces the general load model of the electric vehicle, the application of the electrical distance model in power systems, and the application of the holomorphic embedding method in the power system analysis. Section 2 introduces the load model of electric vehicles, the voltage stability margin index based on the holomorphic embedding method, and the voltage control partition based on electrical distance and spectral clustering algorithm. Section 3 is the simulation part, in which, first, the limit charging power is obtained through the electric vehicle load model, then the limit charging power is connected to each bus, and the voltage stability margin index of each bus is solved by the holomorphic embedding method. Then, the voltage is divided based on electrical distance and spectral clustering algorithm. In this paper, a scheme of adding a reactive power compensation device to the point where the voltage stability margin of each zone is minimum is proposed. Finally, different schemes are compared and verified. Section 4 is the conclusion and prospect.

2. Model and Method

2.1. Load Model of Electric Vehicle

The electric vehicle charging problem model can be abstracted as a new load at a certain bus of the power system; that is to say, the electric vehicle charging problem model is a load model. The total number of electric vehicles in an area and which charging method to choose for charging determine the load incorporated into the power system at the same time scale. The charging power of the electric vehicle also depends on the characteristics of the battery and the charging mode.
At present, the mainstream charging mode is “constant current-constant voltage” two-stage charging; that is, electric vehicle batteries are first charged with a constant current until the voltage reaches a certain standard, and then constant voltage charging is carried out under this voltage. According to the charging time, this method can be divided into high-power fast charging and low-power slow charging [4].
Table 1 shows the battery charging characteristics of several typical plug-in hybrid vehicles and battery electric vehicles. In Table 1, X in EVX represents the maximum mileage (miles) supported by the battery capacity of certain types of electric vehicles, such as PHEV60, a vehicle with a maximum mileage of 60 miles.
Table 1. Charging load characteristics of Evs.
The number of electric vehicles charged at a certain bus of the power grid is N (vehicles), of which the proportions of PHEV30, 40, 60, and BEV240 are c1%, c2%, c3%, and c4%, respectively; 95% of them are charged quickly, and the rest are charged at slow speed. In the formula, N is equal to the product of the number of electric vehicles (Nev) in the area and the charging ratio η at that time.
N = η × N ev
In August 2022, the Air Resources Commission in California passed a law to completely stop the sale of fuel cars in the state by 2035. According to the California government’s target, there will be about 5 million electric vehicles on California’s roads in 2030. At the same time, according to the data of the California Power Dispatch Center, the peak load of California’s power in 2022 was about 51,145 megawatts, which is the highest since 50,270 megawatts in 2006. This paper forecasts that the peak load in 2030 will be about 52,000 MW. Extract the number of electric vehicles and the peak load of the power system.
The Nev of electric vehicles is proportional to the peak load Pmax (kW) of the power grid:
N e v = 0.0962 P m a x
At this point, the charging power of the bus is
P = N × 7.68 c 1 + 16.32 c 2 + 17.28 c 3 + 86.4 c 4 100
After calculating the charging power p, the charging power p is increased to different buses of the power system, and the voltage margin of the bus is tested.

2.2. Voltage Stability Margin Index Based on the Holomorphic Embedding Method

2.2.1. Analytic Function

Analytic functions are holomorphic functions and are an important branch of complex functions, complex functions that are differentiable across regions. In the 17th century, L. Euler and J. le R. Dalambert discovered the non-rotational field potential function of a planar incompressible fluid φ x , y , with continuous flow function ψ x , y : f z = φ x , y + i ψ x , y being a differentiable function. The inverse of this proposition is also true. This section will mainly introduce the mathematical meaning of holomorphic functions, introducing the most basic mathematical definitions and some mathematical theorems. Additionally, it will pave the way for the subsequent introduction of mathematical models based on the holomorphic embedding method of power flow calculation. For complex functions f z , when a function is differentiable in z 0 , it can be concluded that it can be parsed here. The definition of the limit of a complex function is the same as the definition of the limit of a real function. Under continuous conditions, considering the limit in f z ,
l i m h 0 f z + h f z h , h c
For Equation (4), there are countless ways for h to approach 0. If the limit of this equation exists, then it follows that the derivative exists at z . If f z is differentiable at every point in the set Ω , then f z is said to be holomorphic in the set Ω [24]. For a holomorphic function, the real and imaginary parts can be expressed as seen in Equation (5):
f z = u x , y + i v x , y
From the Cauchy–Riemann formula, the necessary and sufficient conditions for function analysis (holomorphism) can be obtained: f z = u x , y + i v x , y . The necessary and sufficient condition for solving in region D is that u x , y and v x , y are differentiable in region D and satisfy the equation in D: u x = v y ,   u y = v x .

2.2.2. Analytical Continuation Theory of Complex Functions

Rational continuation theory will expand the convergence domain by reasonably rewriting the holomorphic process with a small convergence domain. The function value does not change in the common convergence region before and after the rewrite, and when the original function is known, the continuation function is also unique. In this paper, based on the holomorphic embedding method, after the bus voltage is expressed by complex embedding, it is expanded by the Taylor series. The principle of analytic continuation is applied to calculate the function value outside the convergence region.
Given analytic function element D , f z , let z 1 be a point in D , then f z can be expanded to be a power series in the neighborhood of z 1 [24]:
n = 0 c n ( 1 ) ( z z 1 ) n
In Formula (6), c n 1 = 1 n ! f n z 1 .
If the convergence radius of this power series is + , then a function that is the same as f z in D and analytic in the whole plane is the analytic extension of f z outside D .
If the convergence radius of the power series is a finite positive real number R 1 , and its convergent circle P 1 : z z 1 < R 1 exceeds D—otherwise, we will choose another point z 1 in D and repeat the above process–then we will take a point z 2 which is not the center of z 1 in P 1 , and expand f 1 z into a power series in the neighborhood of point z 2 :
n = 0 c n ( 2 ) ( z z 2 ) n
In Formula (7), c n 2 = 1 n ! f 1 n z 2 .
While f 1 n z 2 n = 0 , 1 , 2 , is calculated by the power series of f z in z 1 .
If the convergence radius of the power series of f 1 z is R 2 , then R 2 must satisfy the inequality
R 2 R 1 z 2 z 1
(1)
Case 1: R 2 = R 1 z 2 z 1
At this time, the values of those points in the convergence circle P 2 : z z 2 < R 2 of function f 2 z given by the series of f 1 z have been determined by the function f 1 z given by the series of f z .
(2)
Case 2: R 2 > R 1 z 2 z 1
At this time, the new convergent circle P 2 : z z 2 < R 2 exceeds the original circle P 1 , so the series given by f 1 z shows an analytic function in circle P 2 , and is set to f 2 z .
According to the uniqueness theorem, then in P 1 P 2 ,
f 1 z = f 2 z
Therefore, P 2 , f 2 z is a direct analytic extension of P 1 , f 1 z . Examples of parsing extension cases 1 and 2 are shown in Figure 1.
Figure 1. (a) Analytical extension diagram in case1. (b) Analytical extension diagram in case 2.

2.2.3. Maclaurin Expansions and Holomorphic Functions

MacLaurin series is a unique form of Taylor series expansion at x 0 = 0 , and its expression is Equation (10) [25]:
f x = n = 0 1 n ! f n 0 x n , ( x < r )
The Maclaurin formula is a unique case of the Taylor expansion, which uses a series of powerful functions to fit other functions. In the field of complex numbers, it can be expressed as Equation (11):
f s = i = 0 D i s i = f i s i ! s i , s < r
In Equation (11), D i is the coefficient of the i-th item of Maclaurin expansion, and r is the radius of convergence.
The embedded voltage V s and the reactive power output of the generator Q g i s are holomorphic functions of the embedded parameters. Expand it into a Maclaurin series as shown in Equations (12) and (13):
V ( s ) = n = 0 V [ n ] ( s ) n
Q g i ( s ) = n = 0 Q g i [ n ] ( s ) n

2.2.4. Padé Approximation

Padé approximation is a method of rational function approximation. Padé approximation is a sensible polynomial approximation method invented by French mathematician Henripad. Due to the weak convergence of the Taylor series, the Padé approximation is often more accurate than the truncated Taylor series. Taylor series often does not converge because of the selection of initial points, but Padé approximation often satisfies the convergence condition. Suppose the function f s can be expressed in the power series form of Equation (14)[20]:
f s = c 0   +   c 1 s   +     =   n = 0 c n s n
The formula c n is the coefficient of the n-th term of the power series. Regarding the [H/J] order of the function, the Padé approximation can be expressed as a rational fraction, as shown in Equation (15):
H / J = P H s / Q J s = p 0 + p 1 s + + p H s H q 0 + q 1 s + + q J s J
In Formula (15),   p 0 ,   p 1 , , p H are the coefficients of the numerator polynomial P H s , H is the highest order; q 0 , q 1 , , q J are the coefficients of the denominator polynomial Q J s , J is the highest order function with f s , P H s , and Q J s should satisfy
f s = c 0 + c 1 s + c H + J s H + J + O s H + J + 1 = P H s / Q J s
Equation (16): o s H + J + 1 is the truncation error of the infinite series. Normalized conditions are usually added as Q J 0 = q [ 0 ] = 1 .
c H J + 1 c H J + 2 c H J + 3 c L c H J + 2 c H J + 3 c H J + 4 c L + 1 c H J + 3 c H J + 4 c H J + 5 c L + 2 c H c H + 1 c H + 2 c H + J 1 q J q J 1 q J 2 q 1 = c H + 1 c H + 2 c H + 3 c H + J .  
[ p 0 p 1 p 2 p H ] = [ c 0 0 0 0 c 1 c 0 0 0 c 2 c 1 c 0 0 c H c H 1 c H 2 c H J ] [ 1 q 1 q 2 q J ]
Equations (17) and (18): Multiply both sides of Equation (16) by Q J s to obtain Padé equations as Equations (17) and (18).
Through the pade Equations (17) and (18), the coefficients on the right side of Equation (15) can be solved.

2.2.5. Bus Reconstruction from the Perspective of Holomorphic Embedding

The ordinary power flow equation is shown as Equation (19). The left side of the equal sign can be regarded as the current flowing from bus i under the action of the bus voltage of the whole network. Additionally, the right side of the equal sign can be regarded as the current injected by the load to bus i under the condition of bus i .
Take the PQ bus in the load bus as an example: decompose both sides of the above equation; the nodal admittance matrix element Y i k is divided into Y i k . t r a n s and Y i k . s h u n t , Y i k . t r a n s are the transformer and line impedance parts, Y i k . s h u n t are the line and transformer admittance components and the bus-to-ground capacitance. In Equation (20),
k = 1 N Y i k   V k = S i * V i *  
k = 1 N Y ik . t r a n s V k = S i * V i * Y i . s h u n t V i , i P Q  
According to the definition of a holomorphic function, to make s embedded [26,27], the Maclaurin series expansion can be used to rewrite the above formula by the following embedding. In Equation (21),
k = 1 N Y ik . t r a n s V k s = s S i * V i * s s Y i . s h u n t V i s , i P Q  

2.2.6. Improved HEM Model and Voltage Stability Margin Index

The improved holomorphic embedding model is shown in the following formula, where s represents a multiple of the initial power. After the embedding of the s-factor, when s is at different values, it can represent different operating states of the power system [20].
Balance bus:
V i s = V i sp , i N slack
PQ bus:
k = 1 N Y i k   V k s = s S i * V i * s * , i N P Q
PV bus:
k = 1 N Y i k   V k s = s P g i P li j Q gi s s Q l V i * s * ,   i N P V
V i s V i * s * = V i sp 2 ,   i N P V
In Formulas (22)–(25), P g i and Q g i are the active injection power and reactive injection power of generator bus i , respectively; P l i and Q l i are the active and reactive loads at bus i ; N s l a c k , N p q and N p v are a set of balance buses, PQ buses, and PV buses, respectively.
The voltage function V i s and reactive power function Q g i s are obtained by substituting Equations (12), (13) and (22)–(25) into a rational function. The real zero-pole distribution of the complex plane is obtained by solving the Padé approximation Section 2.2.4, and the minimum real zero-pole is the critical point of power system stability.
At the same time, the voltage stability margin index s is defined according to the previous article:
s = p m / p 0
In Formula (26), p m is the maximum active power of the power system, and p 0 is the initial power of the power system.

2.2.7. Simulation Example

The simulation analysis is carried out with the IEEE 30-buses example of matpower in the simulation software Matlab 2018a, and the simulation software adopts Matlab 2018a. Additionally, it runs on a computer with a core i7-8550U 1.8 GHz CPU and 8 GB of RAM. The load bus is connected to the No. 3 bus in the IEEE 30-buses calculation, as an example. A new type of holomorphic embedding power flow model is constructed by embedding the complex s-factor (load margin index) into the basic power flow equation, and then the voltage function is expanded by the Maclaurin series; then, the Padé approximation algorithm is used to establish a rational voltage relationship concerning the embedded variables. Function analytic formula based on the logical function zero-pole distribution to predict the critical point of voltage stability and obtain the PV curve and zero-pole distribution diagram of the method of tracking continuous power flow by holomorphic embedding method can be seen in Figure 2 and Figure 3.
Figure 2. The holomorphic embedding method tracks the P-V curve.
Figure 3. Zero-pole distribution diagram.
From Figure 2, it can be concluded that the holomorphic embedding method tracks the P-V curve obtained by the continuous power flow method and starts to oscillate when it approaches the critical point of the continuous power flow method. The zero-pole distribution diagram can be obtained from Figure 3, and the smallest real zero-pole is found. It can be known from the Padé approximation that the minimum real zero-pole is the fulcrum of the multivalued function. The series cannot converge at this point, so the minimum real zero-pole is the critically stable point of the voltage.

2.3. Voltage Control Partition Based on Electrical Distance and Spectral Clustering Algorithm

2.3.1. Model Introduction

At present, most of the research on the structural characteristics of power systems is based on complex network models, such as the average distance, average degrees, and electrical intermediaries of power systems. For the above indicators, the establishment of the network structure model is based on the transmission line connection relationship, and there is a gap between the results and the actual power grid. There are few studies to improve the power grid structure model from the point of view of electricity. In this paper, the physical information from the elements of the power network impedance matrix is extracted. The model divides the voltage control based on the concept of electrical distance, which lays the foundation for the zoning compensation of reactive power devices.

2.3.2. Equivalent Electrical Distance between Buses

The meaning of the distance between buses in the classical complex network model is often expressed by Euclidean distance. The absolute distance between two points can not well connect the characteristics of the power system with the actual distance. In this paper, the electrical distance between buses, which is commonly used in power system calculation, is used to replace the distance between buses in complex network theory, and the power system network structure model is improved, and the resulting model is closer to the reality of the power system.
It is characterized by electrical impedance, and the electrical distance between buses indicates the electrical coupling relationship between power grid buses. The electrical distance is shown by the lower Formulas (27) and (28) [28]:
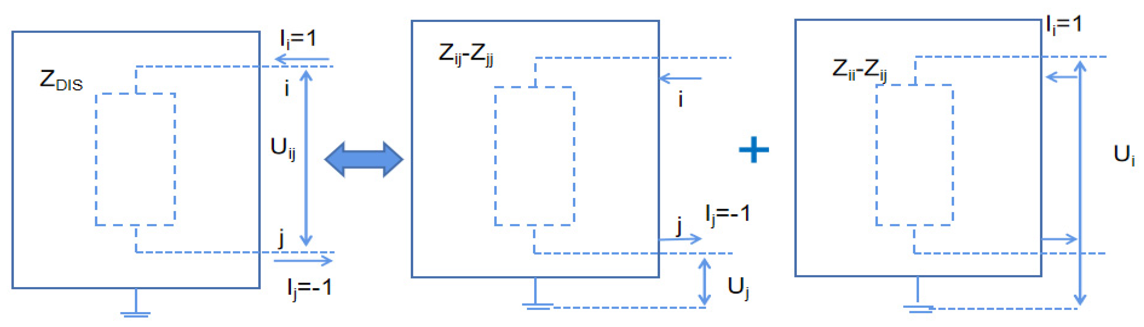
Z D I S = U i j I i = U i j
Z D I S = Z i i Z i j Z i j Z j j
Formulas (27) and (28) indicate that the electrical distance between power system buses i and j is defined as the equivalent impedance Z D I S between two points, which is numerically equal to the voltage U i j between buses i and j after injecting unit current elements from bus i. The elements of the system bus impedance matrix available for Z D I S are expressed as follows: Z i j is the system bus impedance matrix row i and column j elements. The schematic diagram of the equivalent impedance matrix is shown in Figure 4.
Figure 4. The schematic diagram of the equivalent impedance matrix.

2.3.3. Bus Electrical Coupling and Bus Electrical Similarity

Concerning the definition of degree index in complex network theory, α e , i is defined as the electrical coupling connectivity of power system bus i , as shown in Formula (29) below:
α e , i = | 1 j = 1 , i j j = N Z D I S |
Z D I S is the equivalent electrical distance between bus i and bus j in the power system. The above formula characterizes the coupling degree of bus i in the power system relative to all buses except i in the power system by taking the reciprocal of the sum of the electrical distance between bus i and all buses except i in the power system and taking the module value. This index can quantitatively describe the electrical coupling relationship between buses in the power system. The greater the value of α e i , the stronger the electrical coupling between bus i and other buses j in the power system.
According to the concept of equivalent electrical distance in Section 2.3.2, the concept of bus electrical similarity is derived [29]:
N i j = log 10 Z D I S
In Formula (30), Z D I S represents the equivalent electrical distance between buses.
This index characterizes the similar relationship between buses.

2.3.4. Spectral Clustering Algorithm

The spectral clustering algorithm is an algorithm based on graph theory. The main steps are as follows:
(1)
Construct the weight matrix W i j .
Let G = V , E , W be an undirected graph. The vertex set V is the set of all the vertices that make up the graph, the edge set E is the set of connections between the vertices, W represents the bus electrical similarity matrix, and the weight of the edge is determined by the similarity between the data represented by the vertices at the two ends of the edge.
If there is an edge connection between vertices v i and v j , then w i j > 0 ; otherwise, w i j = 0 . Because G is an undirected graph, there is w i j = w j i .
W i j = 0 , i = j N i j , i j
Formula (31): N i j represents the equivalent electrical similarity between points.
(2)
Formation degree matrix D .
D = j w i j , i = j 0 , i j
In Formula (32), W i j is a weight matrix.
(3)
Construct Laplace matrix P .
The spectral clustering algorithm relaxes and approximately solves the original problem by constructing the Laplace matrix. The eigenvalues corresponding to the first k largest eigenvectors of the Laplace matrix are analyzed and solved.
P = D 1 / 2 W i j D 1 / 2
In Formula (33), W i j is the weight matrix, and D is the degree matrix.
(4)
Calculate the number of zones according to the elbow principle [30].
When solving the eigenvector corresponding to the first k largest eigenvalues of the Laplace matrix, it is critical to use the k-means algorithm to cluster and determine the number of partition k. In this paper, the elbow rule is used. The core of the k-means algorithm is to divide multiple clusters. The sum of the square error of each element in a cluster relative to the center point is an important index to evaluate the algorithm. This index is also called the distortion of the algorithm. When the sum of squares of the errors in the cluster is smaller, the distortion is smaller. With the gradual increase in the number of buses, the degree of distortion will become smaller and smaller, and the degree of distortion will tend to smooth at a certain point, which is the elbow point; that is, the best classification point.

2.3.5. Voltage Control Partition Simulation Steps

According to Section 2.3.1, Section 2.3.2, Section 2.3.3 and Section 2.3.4, the voltage control zones based on electrical distance are as follows:
(1)
Construct the weight matrix W i j .
(2)
Construction degree matrix D .
(3)
Construct Laplace matrix P .
(4)
Determine the number of zones by using the elbow principle.
(5)
Take the eigenvector corresponding to the first k largest eigenvalues of the Laplace matrix to form the X matrix.
(6)
Each row of the X matrix is normalized to form the Y matrix.
(7)
Each row of the Y matrix is clustered by the K-means algorithm, and different buses are classified into different clusters.
(8)
Divide all the buses of matrix Y to complete the voltage control partition.
Figure 5 is the algorithm flow chart of the voltage control partition based on electrical distance.
Figure 5. The algorithm flow chart of voltage control partition based on electrical distance.

3. Model Simulation and Result Analysis

The simulation analysis is carried out with the IEEE 33-buses example of matpower in the simulation software Matlab 2018a, and the simulation software adopts Matlab 2018a. Additionally, it runs on a computer with a core i7-8550U 1.8 GHz CPU and 8 GB of RAM.

3.1. Model Simulation Process Flow

The IEEE-33 bus system is selected as an example, and the peak load of the system is 7400 kW. It is known from Formula (2) that the number of electric vehicles in this area is Nev = 712. Suppose there is only one charging station in this area, and the charging ratio is η = 20% at some time. The number of electric vehicles charged during this period is N = 142. Among them, a1 = 20, a2 = 20, a3 = 30, a4 = 30, 95% of the fast charging mode is adopted, and the rest is slow charging, so the charging power during this period is 50.98368 kW.
The simulation process is mainly divided into three parts: the calculation of the limit load of the electric vehicles, the calculation of the voltage stability margin based on the holomorphic embedding method, and the partition of the voltage control based on electrical distance.
The simulation flowchart is shown in Figure 6:
Figure 6. Simulation flow chart.

3.2. Simulation Result

The load of 100 kw is connected to each bus as the test load. According to Section 3.2, the voltage stability margin value s of each bus is calculated based on the holomorphic embedding method. The results are shown in Table 2:
Table 2. Voltage stability margin of each bus s.
The number of zones is determined according to the elbow principle mentioned in Section 2.3.4, as shown in Figure 7:
Figure 7. Clustering deviation diagrams with different K values.
From Figure 7, the elbow is at bus 4, so the number of partitions is four regions.
According to Section 2.3, the partition results are obtained based on the electrical distance voltage control zoning method. At the same time, the results must satisfy the connectivity constraints between buses. As shown in Table 3.
Table 3. Power system zoning results.
As can be seen from Table 2, the minimum value of the voltage stability margin for each zone is found, and 10 kw reactive power compensation is added, as shown in Figure 8:
Figure 8. Schematic diagram of zoning results with reactive power compensation.
According to the concept of Section 2.3.3 bus electrical coupling degree, the buses with the largest coupling degree in each zone are obtained, which are bus 6, bus 15, bus 20, and bus 31, respectively.
To verify the rationality of the reactive power compensation scheme proposed in this paper, the following three schemes are proposed as a comparison.
Compensation scheme 1: randomly four buses (5, 12, 19, 29).
Compensation scheme 2: coupling degree compensation scheme (6, 15, 20, 31).
Compensation scheme 3: Minimum voltage stability margin in each zone (9, 18, 25, 33).
The limit charging power obtained in Section 3.1 is connected to each bus of the system. Through simulation analysis, the results of three reactive power compensation schemes are shown in Table 4: s1 represents the voltage stability margin of the uncompensated scheme, s2 represents the voltage stability margin of compensation scheme 1, s3 represents the voltage stability margin of compensation scheme 2, and s4 represents the voltage stability margin of compensation scheme 3.
Table 4. Comparison results of voltage stability margin s of different compensation schemes.
For intuitive observation, the results of different compensation schemes are shown in Figure 9.
Figure 9. The results of different compensation schemes.
For a more intuitive comparison, the respective improvement of the voltage stability margin index of the three compensation schemes relative to no compensation is listed. We sum and average the increased multiples of the voltage stability margin of each bus of the three compensation schemes compared with the uncompensated scheme. Using the results of this method, the compensation scheme proposed in this paper is compared with the other two compensation schemes, as shown in Table 5 and Table 6.
Table 5. The improvement of voltage stability margin s of three reactive power compensation schemes compared with that without reactive power compensation.
Table 6. The multiple of scheme 3 for voltage stability margin s compared with other compensation schemes.
The following conclusions can be drawn from Figure 9, Table 5 and Table 6:
(1)
Compared with the no compensation device, the three compensation schemes all improve the voltage stability of the power system.
(2)
The addition of a reactive power compensation device to the most unstable bus in the zoning results proposed in this paper is obviously better than other schemes to improve the voltage stability margin.

4. Conclusions

This paper first uses a voltage control partition method based on electrical distance, then uses the method based on the holomorphic embedding method to solve the voltage stability margin, and finally proposes a reactive power compensation scheme after the limit charging power is connected to the system. The main conclusions are as follows:
  • The voltage stability margin is calculated by using the holomorphic embedding method and the real zero and pole of a rational function. The optimal location of the electric vehicle charging station is obtained by simulation and analysis in the Matpower IEEE-30 system. At the same time, it is compared with the classical continuous power flow method. This method has a strong visualization level and can be calculated quickly.
  • A method of voltage control zoning is proposed based on electrical distance. The spectral clustering algorithm is used to partition the power system. This method has the characteristics of efficient operation and accurate results.
  • Finally, in the IEEE-33 system, the limit charging power is connected to each bus of the system by comparing the uncompensated scheme and the other three compensation schemes. The result of compensation scheme 3 in this paper is optimal. For the improvement of voltage stability margin, scheme 3 is 1.626121813 times that of scheme 1, and scheme 3 is 1.160494345 times that of scheme 2. The accuracy of the method proposed in this paper is verified.
In future research, more complex situations will be considered to improve the load model of electric vehicles. Moreover, we will consider the application of this theory to the transmission network and the optimization of integrated reactive power compensation.

Author Contributions

The authors confirm their contributions to the paper as follows: Conceptualization, Z.L., F.T. and C.Y.; validation, Z.L., F.T. and C.Y.; resources, Z.L., F.T., C.Y., X.W. and L.Z.; writing—original draft preparation, Z.L., F.T., C.Y. and X.W.; formal analysis, Z.L., F.T., C.Y., H.L. and H.D.; writing—review and editing, Z.L., F.T., L.Z. and H.D.; supervision, F.T.; project administration, F.T. All authors have read and agreed to the published version of the manuscript.

Funding

This paper study was funded by the Science and Technology Project of Zhejiang Electric Power Company of State Grid of China: Research on functional form and Planning system of Multivariate Distribution system based on “carbon constraint” in Digital Twin Environment (SGTYHT/20-JS-224).

Data Availability Statement

The data used in this paper can find IEEE 33-buses example in the matpower application of software MATLAB, including generator voltage data, load bus data, branch data and so on.

Conflicts of Interest

The authors declare no conflict of interest.

Nomenclature

λ Relative load margin index ( λ = p m p 0 / p 0 )
s Load margin index ( s = p m / p 0 )
p m Critical active power for voltage stabilization
p 0 Active power corresponding to the initial operating point of the system
V s Holomorphic embedded voltage function
Q g i s Holomorphic embedded generator reactive power function
N The number of electric vehicles charged at a bus of the power grid at the same time
N e v The number of electric vehicles in the area
P Charging power of bus
P m a x The peak load of the power grid
η Charging ratio
Z i j System bus impedance matrix row I and column j elements
Z D I S , Electrical distance between power system buses I and j
α e , i Equivalent electrical distance between bus I and bus j in a power system
N i j Bus electrical similarity
W i j Weight matrix
D Degree matrix
P Laplace matrix
s1Voltage stability margin of uncompensated scheme
s2Voltage stability margin of compensation scheme 1
s3Voltage stability margin of compensation scheme 2
s4Voltage stability margin of compensation scheme 3

References

  1. Wang, Z.P.; Zhang, J.; Liu, P. Overview of planning of Electric Vehicles Charging Stations. China J. Highw. Transp. 2022, 35, 230–252. [Google Scholar]
  2. Shi, Y.F.; Fan, X.H.; Wang, B.W. The Current Situation and Future Trend of Global Electric Vehicle Development. Automob. Appl. Technol. 2021, 46, 194–195. [Google Scholar]
  3. Zheng, Y.; Sun, J.W.; Zhang, C. Study of Voltage Stability Margin for the Distribution Network with Electric Vehicle Integration. Trans. China Electrotech. Soc. 2014, 29, 20–26. [Google Scholar]
  4. Yang, T.; Liu, X.M.; Wu, Q. Research on impacts of electric vehicle charging station location on voltage stability. Power Syst. Prot. Control. 2018, 46, 31–37. [Google Scholar]
  5. Cheng, S.; Xu, L.F.; Sun, W.B. Optimal planning of charging station for electric vehicle based on voltage stability of distribution system. J. Electr. Power Sci. Technol. 2020, 35, 3–12. [Google Scholar]
  6. Cheng, S.; Wu, S.Y.; Sun, W.B. Optimal planning of charging stations for electric vehicles considering voltage stability of distribution system and the quality of service. Power Syst. Prot. Control 2019, 47, 12–21. [Google Scholar]
  7. Zhang, Q.; Tang, F.; Liu, D.C. A Static Voltage Stability Assessment Scheme of Electric Power Systems Considering Charging State of Plug-in Electric Vehicles and Load Fluctuation Limits. Power Syst. Technol. 2017, 41, 1888–1895. [Google Scholar]
  8. Wu, H.; Li, S.; Ding, D.J. Study of Impact of Electric Vehicle Charging on Static Voltage Stability Margin. J. Nanjing Inst. Technol. 2017, 15, 56–62. [Google Scholar]
  9. Tang, K.Y.; Ma, Q.; Li, C. Influence of electric vehicle access mode on the static voltage stability margin of the distribution network. Power Syst. Clean Energy 2018, 34, 137–143. [Google Scholar] [CrossRef]
  10. Zhang, S.; Yao, L.X. Analysis of Accommodation Capacity of the Distribution Network for Electric Vehicles. Power Syst. Clean Energy 2019, 35, 37–42, 57. [Google Scholar]
  11. Zhang, X.; Chen, Y.L.; Wang, Y.X. Reactive power-voltage zoning method for wind power grid based on power flow cross section correction. Electr. Power Autom. Equip. 2019, 39, 48–54. [Google Scholar]
  12. Li, C.G.; Qi, H.; Liu, Y.T. Representation of Fault Location Based on Electrical Distance and Its Application in Transient Stability Assessment. Autom. Electr. Power Syst. 2021, 45, 169–177. [Google Scholar]
  13. Li, P.; Wang, J.H.; Xu, X. Robust Reactive Power Partitioning Method for Frequent Power Flow Fluctuation in New Power System. Autom. Electr. Power Syst. 2022, 46, 102–110. [Google Scholar]
  14. Peng, X.Y.; Shen, Y.; Lu, Q.Y. Robust Var-Voltage Control Partitioning Method for Power Grid Considering Wind Power Uncertainty. Power Syst. Technol. 2022, 1–9. [Google Scholar] [CrossRef]
  15. Mahdavizadeh, S.F.; Aghamohammadi, M.R.; Ranjbar, S. Frequency stability-based controlled islanding scheme based on clustering algorithm and electrical distance using real-time dynamic criteria from WAMS data. Sustain. Energy Grids Netw. 2021, 30, 100560. [Google Scholar] [CrossRef]
  16. Aghamohammadi, M.R.; Mahdavizadeh, S.F.; Rafiee, Z. Controlled Islanding Based on the Coherency of Generators and Minimum Electrical Distance. IEEE Access 2021, 9, 146830–146840. [Google Scholar] [CrossRef]
  17. Liu, C.X.; Lai, Q.P.; Yao, L.Z. Power System Decoupling Model Based on Holomorphic Embedding Method: Weak Bus Identification. Proc. CSEE 2022, 542, 1736–1748. [Google Scholar]
  18. Zhu, X.; Su, C.B.; Liu, J.M. Probabilistic energy flow calculation method based on RVM and holomorphic embedding method considering correlation of multiple wind farms. Renew. Energy Resour. 2021, 39, 832–839. [Google Scholar]
  19. Li, S.L.; Bai, S.B.; Tian, Z.H. Transient stability network equation algorithm based on holomorphic embedding method. Energy Eng. 2021, 211, 77–85. [Google Scholar]
  20. Du, N.C.; Tang, F.; Liao, Q.F. Static Voltage Stability Based on Holomorphic Embedding Method. Smart Power 2021, 49, 8–15, 69. [Google Scholar]
  21. Jiang, T.; Zhang, Y.; Li, X. A Holomorphic Embedded Method for Solving Power Flow in Hybrid AC-DC Power System. Trans. China Electrotech. Soc. 2021, 36, 4429–4443–4481. [Google Scholar]
  22. Pan, S.X.; Li, Z.G.; Zheng, J.H. Economic Dispatching method of Power System Based on Restart Holomorphic Function Embedding. Guangdong Electr. Power 2022, 35, 36–46. [Google Scholar]
  23. Liu, C.X.; Xu, S.K.; Lai, Q.P. Non-iterative optimal power flow calculation of power system based on Holomorphic embedding method. Trans. China Electrotech. Soc. 2023, 1–13. [Google Scholar] [CrossRef]
  24. Zhong, Y.Q. Function theory of complex variables, 3rd ed.; Higher Education Press: Beijing, China, 2004; pp. 47–54. [Google Scholar]
  25. Fu, H.H. Static Voltage Stability Analysis of Isolated Island Microgrid Based on Holomorphic Embedding Method; Xi’an University of Technology: Xi’an, China, 2020. [Google Scholar]
  26. Trias, A. The holomorphic embedding load flow method. In Proceedings of the 2012 IEEE Power and Energy Society General Meeting, San Diego, CA, USA, 22–26 July 2012. [Google Scholar]
  27. Li, S.R. Principle and Application of Holomorphic Embedding Load Flow and Transient Stability Calculation; Zhejiang University: Zhejiang, China, 2021. [Google Scholar]
  28. Tan, Y.D.; Li, X.R.; Cai, Y. Critical Node Identification for Complex Power Grid Based on Electrical Distance. Proc. CSEE 2014, 34, 146–152. [Google Scholar]
  29. Mai, L.Y. Optimal Allocation of Dynamic VAR Sources Considering Voltage Safety Constraint; University of Technology, 2019. [Google Scholar]
  30. Gao, H.S.; Zhang, Y.M.; Ji, X.Q. Scenario Clustering Based Distributionally Robust Comprehensive Optimization of Active Distribution Network. Autom. Electr. Power Syst. 2020, 44, 32–41. [Google Scholar]
Disclaimer/Publisher’s Note: The statements, opinions and data contained in all publications are solely those of the individual author(s) and contributor(s) and not of MDPI and/or the editor(s). MDPI and/or the editor(s) disclaim responsibility for any injury to people or property resulting from any ideas, methods, instructions or products referred to in the content.

Article Metrics

Citations

Article Access Statistics

Multiple requests from the same IP address are counted as one view.