A New Cuk-Based DC-DC Converter with Improved Efficiency and Lower Rated Voltage of Coupling Capacitor
Abstract
1. Introduction

2. Operating Modes, Duty Cycle, and Voltage Gain of the Proposed Converter
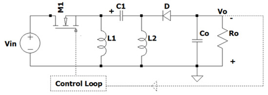
2.1. Operating Mode of the Proposed Converter
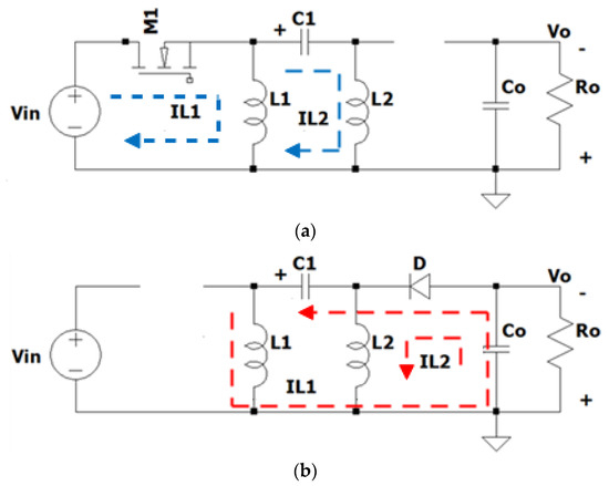
- When the switch M1 is ON: the diode D is reversed biased. Figure 3a shows the equivalent circuit and current directions of this mode. The energy is transferred and stored in the coupling capacitor C1. Meanwhile, both inductors L1 and L2 are energized. The current slope in the inductors is given according to the following equations:

- When the switch M1 is OFF: the diode is forward and conducts the current. Figure 3b shows this mode’s equivalent circuit and current directions. All the energy stored in C1, L1, and L2 is transferred to the load. The current slope in the inductors is given according to the following equations:
2.2. Duty Cycle and Voltage Gain of the Proposed Converter
3. Design Example and Parameters Selection
4. Simulation Results
5. Experimental Results
5.1. Experiment Setup
5.2. Experimental Results and Discussion
6. Conclusions
Author Contributions
Funding
Institutional Review Board Statement
Informed Consent Statement
Data Availability Statement
Conflicts of Interest
References
- Cao, L.; Loo, K.H.; Lai, Y.M. Output-Impedance Shaping of Bidirectional DAB DC–DC Converter Using Double-Proportional-Integral Feedback for Near-Ripple-Free DC Bus Voltage Regulation in Renewable Energy Systems. IEEE Trans. Power Electron. 2016, 31, 2187–2199. [Google Scholar] [CrossRef]
- Zeng, J.; Du, X.; Yang, Z. A Multiport Bidirectional DC–DC Converter for Hybrid Renewable Energy System Integration. IEEE Trans. Power Electron. 2021, 36, 12281–12291. [Google Scholar] [CrossRef]
- He, P.; Khaligh, A. Comprehensive Analyses and Comparison of 1 kW Isolated DC–DC Converters for Bidirectional EV Charging Systems. IEEE Trans. Transp. Electrif. 2017, 3, 147–156. [Google Scholar] [CrossRef]
- Heydari-Doostabad, H.; O’Donnell, T. A Wide-Range High-Voltage-Gain Bidirectional DC–DC Converter for V2G and G2V Hybrid EV Charger. IEEE Trans. Ind. Electron. 2022, 69, 4718–4729. [Google Scholar] [CrossRef]
- Prabhakaran, P.; Agarwal, V. Novel Boost-SEPIC Type Interleaved DC–DC Converter for Mitigation of Voltage Imbalance in a Low-Voltage Bipolar DC Microgrid. IEEE Trans. Ind. Electron. 2020, 67, 6494–6504. [Google Scholar] [CrossRef]
- Gui, Y.; Han, R.; Guerrero, J.M.; Vasquez, J.C.; Wei, B.; Kim, W. Large-Signal Stability Improvement of DC–DC Converters in DC Microgrid. IEEE Trans. Energy Convers. 2021, 36, 2534–2544. [Google Scholar] [CrossRef]
- Hazucha, P.; Moon, T.S.; Schrom, G.; Paillet, F.; Gardner, D.; Rajapandian, S.; Karnik, T. High Voltage Tolerant Linear Regulator with Fast Digital Control for Biasing of Integrated DC–DC Converters. IEEE J. Solid-State Circuits 2007, 42, 66–73. [Google Scholar] [CrossRef]
- Subasinghage, K.; Gunawardane, K.; Kularatna, N.; Lie, T.T. Extending the Supercapacitor-Assisted Low-Dropout Regulator (SCALDO) Technique to a Split-Rail DC–DC Converter Application. IEEE Access 2019, 7, 124034–124047. [Google Scholar] [CrossRef]
- Liu, M.; Zhang, D.; Zhou, Z. Linear Regulator Design Considerations of the Serial Linear-Assisted Switching Converter Used as Envelope Amplifier. IEEE Trans. Power Electron. 2016, 31, 3673–3689. [Google Scholar] [CrossRef]
- Czarkowski, D.; Kazimierczuk, M.K. Linear circuit models of PWM flyback and buck/boost converters. IEEE Trans. Circuits Syst. I Fundam. Theory Appl. 1992, 39, 688–693. [Google Scholar] [CrossRef]
- Bhatia, D.; Xue, L.; Li, P.; Wu, Q.; Bashirullah, R. High-voltage tolerant digitally aided DCM/PWM multiphase DC-DC boost converter with integrated Schottky diodes in 0.13 µm 1.2 V digital CMOS process. IEEE J. Solid-State Circuits 2013, 48, 774–789. [Google Scholar] [CrossRef]
- Do, H. Zero-Voltage-Switching Synchronous Buck Converter with a Coupled Inductor. IEEE Trans. Ind. Electron. 2011, 58, 3440–3447. [Google Scholar] [CrossRef]
- Azer, P.; Emadi, A. Generalized State Space Average Model for Multi-Phase Interleaved Buck, Boost and Buck-Boost DC–DC Converters: Transient, Steady-State and Switching Dynamics. IEEE Access 2020, 8, 77735–77745. [Google Scholar] [CrossRef]
- Memon, A.H.; Baloach, M.H.; Sahito, A.A.; Soomro, A.M.; Memon, Z.A. Achieving High Input PF for CRM Buck-Buck/Boost PFC Converter. IEEE Access 2018, 6, 79082–79093. [Google Scholar] [CrossRef]
- Siwakoti, Y.P.; Mostaan, A.; Abdelhakim, A.; Davari, P.; Soltani, M.N.; Khan, N.H.; Li, L.; Blaabjerg, F. High-Voltage Gain Quasi-SEPIC DC–DC Converter. IEEE J. Emerg. Sel. Top. Power Electron. 2019, 7, 1243–1257. [Google Scholar] [CrossRef]
- Anand, A.; Singh, B. Modified Dual Output Cuk Converter-Fed Switched Reluctance Motor Drive with Power Factor Correction. IEEE Trans. Power Electron. 2019, 34, 624–635. [Google Scholar] [CrossRef]
- Singh, B.; Kushwaha, R. Power Factor Preregulation in Interleaved Luo Converter-Fed Electric Vehicle Battery Charger. IEEE Trans. Ind. Appl. 2021, 57, 2870–2882. [Google Scholar] [CrossRef]
- Sarani, S.; Zarchi, H.A.; Delavaripour, H. Ripple-Free Input Current Flyback Converter Using a Simple Passive Circuit. IEEE Trans. Ind. Electron. 2022, 69, 2557–2564. [Google Scholar] [CrossRef]
- Li, G.; Xia, J.; Wang, K.; Deng, Y.; He, X.; Wang, Y. Hybrid Modulation of Parallel-Series LLC Resonant Converter and Phase Shift Full-Bridge Converter for a Dual-Output DC–DC Converter. IEEE J. Emerg. Sel. Top. Power Electron. 2019, 7, 833–842. [Google Scholar] [CrossRef]
- Ma, X.; Wang, P.; Bi, H.; Wang, Z. A Bidirectional LLCL Resonant DC–DC Converter with Reduced Resonant Tank Currents and Reduced Voltage Stress of the Resonant Capacitor. IEEE Access 2020, 8, 125549–125564. [Google Scholar] [CrossRef]
- Wang, C. A Novel ZCS-PWM Flyback Converter With a Simple ZCS-PWM Commutation Cell. IEEE Trans. Ind. Electron. 2008, 55, 749–757. [Google Scholar] [CrossRef]
- Zhang, F.; Yan, Y. Novel Forward–Flyback Hybrid Bidirectional DC–DC Converter. IEEE Trans. Ind. Electron. 2009, 56, 1578–1584. [Google Scholar] [CrossRef]
- Mahafzah, K.A.; Krischan, K.; Muetze, A. Efficiency enhancement of a three phase Hard Switching Inverter under light load conditions. In Proceedings of the IECON 2016—42nd Annual Conference of the IEEE Industrial Electronics Society, Florence, Italy, 23–26 October 2016; pp. 3372–3377. [Google Scholar] [CrossRef]
- Shen, Y.; Wang, H.; Al-Durra, A.; Qin, Z.; Blaabjerg, F. A Structure-Reconfigurable Series Resonant DC–DC Converter with Wide-Input and Configurable-Output Voltages. IEEE Trans. Ind. Appl. 2019, 55, 1752–1764. [Google Scholar] [CrossRef]
- Mahafzah, K.A.; Obeidat, M.A.; Al-Shetwi, A.Q.; Ustun, T.S. A Novel Synchronized Multiple Output DC-DC Converter Based on Hybrid Flyback-Cuk Topologies. Batteries 2022, 8, 93. [Google Scholar] [CrossRef]
- Basić, M.; Dujić, D. Hybrid modular multilevel converter for variable DC link voltage operation. CPSS Trans. Power Electron. Appl. 2021, 6, 178–190. [Google Scholar] [CrossRef]
- Safayatullah, M.; Elrais, M.T.; Ghosh, S.; Rezaii, R.; Batarseh, I. A Comprehensive Review of Power Converter Topologies and Control Methods for Electric Vehicle Fast Charging Applications. IEEE Access 2022, 10, 40753–40793. [Google Scholar] [CrossRef]
- Alatai, S.; Salem, M.; Ishak, D.; Das, H.S.; Alhuyi Nazari, M.; Bughneda, A.; Kamarol, M. A Review on State-of-the-Art Power Converters: Bidirectional, Resonant, Multilevel Converters and Their Derivatives. Appl. Sci. 2021, 11, 10172. [Google Scholar] [CrossRef]
- Richelli, A.; Salem, M.; Colalongo, L. A Review of Fully Integrated and Embedded Power Converters for IoT. Energies 2021, 14, 5419. [Google Scholar] [CrossRef]
- Zhang, N.; Sutanto, D.; Muttaqi, K.M. A review of topologies of three-port DC–DC converters for the integration of renewable energy and energy storage system. Renew. Sustain. Energy Rev. 2016, 56, 388–401. [Google Scholar] [CrossRef]
- Salem, M.; Jusoh, A.; Idris, N.R.N.; Das, H.S.; Alhamrouni, I. Resonant power converters with respect to passive storage (LC) elements and control techniques–An overview. Renew. Sustain. Energy Rev. 2018, 91, 504–520. [Google Scholar] [CrossRef]
- Pop-Calimanu, I.M.; Popescu, S.; Lascu, D. A New SEPIC-Based DC–DC Converter with Coupled Inductors Suitable for High Step-Up Applications. Appl. Sci. 2021, 12, 178. [Google Scholar] [CrossRef]
- Kushwaha, R.; Singh, B. A Modified Bridgeless Cuk Converter based EV Charger with Improved Power Quality. In Proceedings of the 2019 IEEE Transportation Electrification Conference and Expo (ITEC), Detroit, MI, USA, 19–21 June 2019; pp. 1–6. [Google Scholar] [CrossRef]
- Mahafzah, K.A.; Krischan, K.; Muetze, A. Efficiency enhancement of a three phase Soft Switching Inverter under light load conditions. In Proceedings of the IECON 2016—42nd Annual Conference of the IEEE Industrial Electronics Society, Florence, Italy, 23–26 October 2016; pp. 3378–3383. [Google Scholar] [CrossRef]



















| Ref. | Year of Publication | Objective | Limitations |
|---|---|---|---|
| [12] | 2011 | A buck converter with coupled inductor for ZVS is proposed | Critical design of the coupled inductor |
| [13] | 2020 | A different DC-DC converters with average model is presented | It is used for multi-phase applications with coupled inductor |
| [15] | 2018 | Design quasi-SEPIC converter with high voltage gain capability | It uses a coupled inductor and the way to improve the magnetic core characteristics |
| [16] | 2019 | Proposes a new Cuk converter fed switched reluctance motor | The circuit has additional semiconductor devices and many inductors |
| [17] | 2021 | Proposed an interleaved Luo converter | The critical design of the magnetic circuit |
| [18] | 2022 | Design a flyback with a ripple free in inductor current | Adding many passive components to the conventional flyback |
| These Parameters Are Taken from the Application Proposed in [33] | The Calculated Parameters Based on Presented Equations | ||
|---|---|---|---|
| Parameter | Value | Parameter | Value |
| Pin/Po | 1 kW | Io | 3.3 A |
| Vin | 200 V | IL1 | 5 A |
| Vo | −300 V | IL2 | 3.3 A |
| ΔIL1 | 0.92 A | Ro | 90 Ω |
| ΔIL2 | 1.3 A | L1 | 6.5 mH |
| ΔVC1 | <0.1 | L2 | 6.5 mH |
| Kp | 0.2 | C1 | 0.5 µF |
| Ki | 0.001 | Co | 5 µF |
| Duty Cycle (D) | 60% | ||
| fs | 20 kHz | ||
| Loss Component | Equation | Note |
|---|---|---|
| Conduction Loss | Ron: MOSFET on-state resistance | |
| Switching Loss | is M1 output capacitance | |
| Control Loss | is the gate charge of M1 | |
| Passive Devices | Losses in each L1 and L2 based on using their DC resistance. The losses in the coupling capacitor are ignored due to its small ERS |
| The Selected Parameters for Testing and Validation | |
|---|---|
| Parameter | Value |
| Pin/Po | 3.24 W |
| Vin | 12 V |
| Vo | −18 V |
| MOSFET | IRF540N |
| Driving Transistor | 2N3904 |
| Diode | 1N4007 |
| L1 = L2 | 1.2 mH |
| C1 | 1 µF |
| Duty Cycle | 70% |
| fs | 20 kHz |
| Parameters | Converter Topology | |
|---|---|---|
| Cuk Converter | Mahafzah Converter | |
| Component Count | Same | Same |
| Coupling Capacitor Voltage | High | Reduced (√) |
| Efficiency | Low | Improved (√) |
| Ripple in Vo | Low (√) | High |
| Transient Period | Long | Short (√) |
Disclaimer/Publisher’s Note: The statements, opinions and data contained in all publications are solely those of the individual author(s) and contributor(s) and not of MDPI and/or the editor(s). MDPI and/or the editor(s) disclaim responsibility for any injury to people or property resulting from any ideas, methods, instructions or products referred to in the content. |
© 2023 by the authors. Licensee MDPI, Basel, Switzerland. This article is an open access article distributed under the terms and conditions of the Creative Commons Attribution (CC BY) license (https://creativecommons.org/licenses/by/4.0/).
Share and Cite
Mahafzah, K.A.; Al-Shetwi, A.Q.; Hannan, M.A.; Babu, T.S.; Nwulu, N. A New Cuk-Based DC-DC Converter with Improved Efficiency and Lower Rated Voltage of Coupling Capacitor. Sustainability 2023, 15, 8515. https://doi.org/10.3390/su15118515
Mahafzah KA, Al-Shetwi AQ, Hannan MA, Babu TS, Nwulu N. A New Cuk-Based DC-DC Converter with Improved Efficiency and Lower Rated Voltage of Coupling Capacitor. Sustainability. 2023; 15(11):8515. https://doi.org/10.3390/su15118515
Chicago/Turabian StyleMahafzah, Khaled A., Ali Q. Al-Shetwi, M. A. Hannan, Thanikanti Sudhakar Babu, and Nnamdi Nwulu. 2023. "A New Cuk-Based DC-DC Converter with Improved Efficiency and Lower Rated Voltage of Coupling Capacitor" Sustainability 15, no. 11: 8515. https://doi.org/10.3390/su15118515
APA StyleMahafzah, K. A., Al-Shetwi, A. Q., Hannan, M. A., Babu, T. S., & Nwulu, N. (2023). A New Cuk-Based DC-DC Converter with Improved Efficiency and Lower Rated Voltage of Coupling Capacitor. Sustainability, 15(11), 8515. https://doi.org/10.3390/su15118515

