Mitigating Subsynchronous Torsional Interaction Using Geometric Feature Extraction Method
Abstract
1. Introduction
2. Subsynchronous Torsional Interaction Detection Algorithm Using Geometrical Feature Extraction Method
2.1. Delay Reconstruction Using Time-Series Data
2.2. SSTI Detection Using Geometric Feature Extraction Method
3. Mitigation Method Using Alpha Control in Real-Time
3.1. Real-Time TCSC Impedance Calculation
3.2. Configuration of Geometric Feature Extraction Method Using Alpha Control
4. Simulation Results of Case Studies
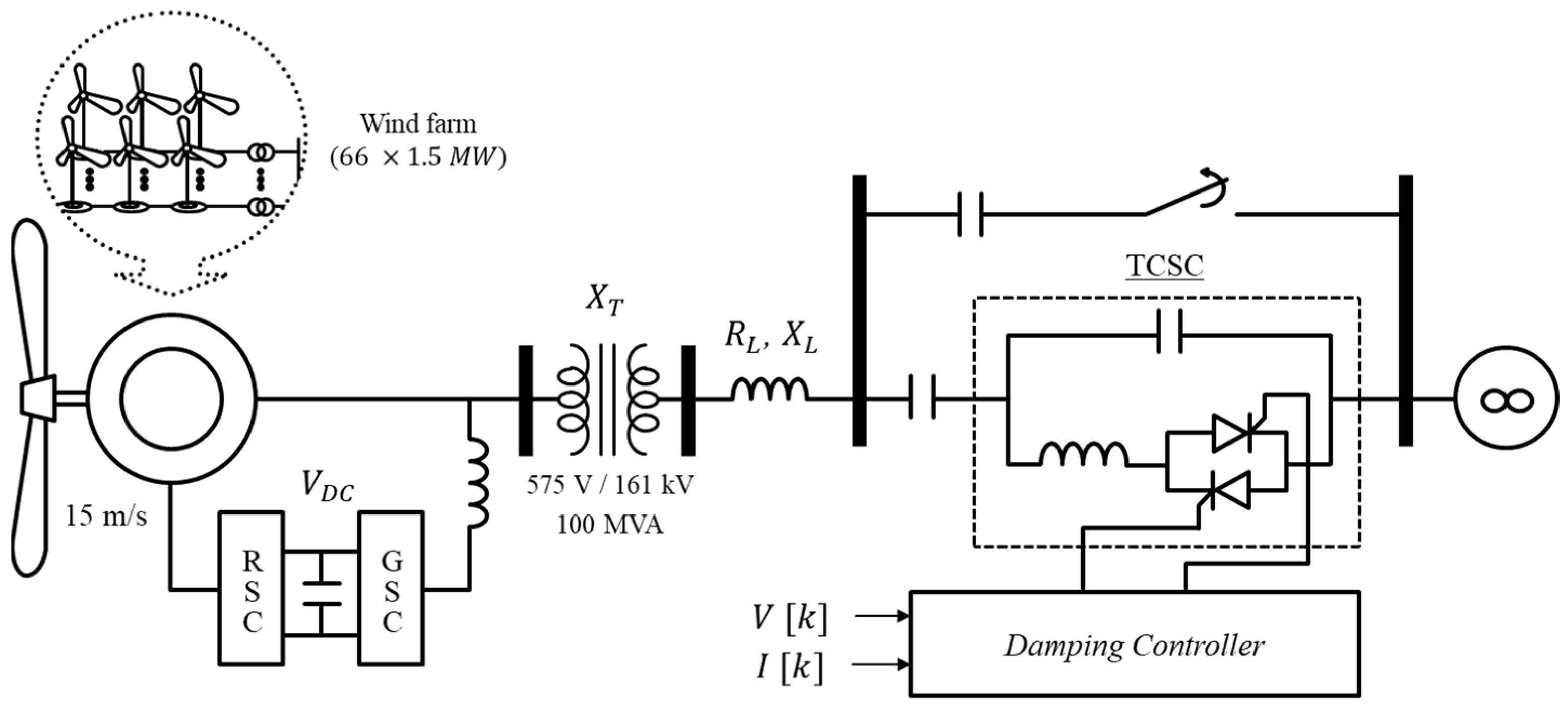
4.1. Case Study 1: Mitigation of SSTI in a DFIG Wind Farm Using TCSC

- fe = subsynchronous resonant frequency;
- fn = 60 Hz (natural frequency);
- fr = rotor frequency;
- Xc = series capacitor reactance;
- Xeq = equivalent reactance of the system.
4.2. Case Study 2: SSTI Mitigation Using TCSC in the Korean Power System
5. Discussion
6. Conclusions
Author Contributions
Funding
Institutional Review Board Statement
Informed Consent Statement
Data Availability Statement
Acknowledgments
Conflicts of Interest
Appendix A
| DC Bus Voltage Regulator Gains | Grid-Side Converter Current Regulator Gains | ||
|---|---|---|---|
| Kp | Ki | Kp | Ki |
| 8 | 400 | 0.83 | 5 |
| Speed regulator gains | Rotor-side converter current regulator gains | ||
| Kp | Ki | Kp | Ki |
| 3 | 0.6 | 0.088 | 0.88 |
| Q and V regulator gains | Pitch compensation gains | ||
| Ki var | Kivolt | Kp | Ki |
| 0.05 | 20 | 3 | 30 |
| TCR Inductance (H) | TCSC Capacitance (F) | ||
|---|---|---|---|
| 0.0094 | 97.46 × 10−6 | ||
| Thyristor snubber | Thyristor data | ||
| R (Ohm) | C (F) | R (Ohm) | Vf (V) |
| 5000 | 50 × 10−9 | 0.01 | 0 |
| Hanul power plant unit 3 and 4 | 8.4 |
| 10.9 | |
| 16.1 | |
| 19.9 |
References
- Rose, J. Wind Energy Systems Sub-Synchronous Oscillations: Events and Modeling; IEEE Power & Energy Society: Piscataway, NJ, USA, 2020. [Google Scholar]
- Shair, J.; Xie, X.; Wang, L.; Liu, W.; He, J.; Liu, H. Overview of emerging subsynchronous oscillations in practical wind power systems. Renew. Sustain. Energy Rev. 2019, 99, 159–168. [Google Scholar] [CrossRef]
- Sewdien, V.; Wang, X.; Rueda Torres, J.; van der Meijden, M. Critical review of mitigation solutions for SSO in modern transmission grids. Energies 2020, 13, 3449. [Google Scholar] [CrossRef]
- Mohale, V.; Chelliah, T.R. Sub synchronous oscillation in asynchronous generators serving to wind and hydro power systems–A Review. In Proceedings of the 2021 IEEE Industry Applications Society Annual Meeting (IAS), Vancouver, BC, Canada, 10–14 October 2021; pp. 1–7. [Google Scholar]
- Power System Dynamic Performance Committee. Stability Definitions and Characterization of Dynamic Behavior in Systems with High Penetration of Power Electronic Interfaced Technologies; Rep. PES-TR77; IEEE Power & Energy Society: Piscataway, NJ, USA, 2020. [Google Scholar]
- Kundur, P.S.; Malik, O.P. Power System Stability and Control; McGraw-Hill Education: New York, NY, USA, 2022. [Google Scholar]
- Ghafouri, M. Subsynchronous Resonance in DFIG-Based Wind Farms; Ecole Polytechnique: Montreal, QC, Canada, 2018. [Google Scholar]
- Varma, R.K.; Auddy, S.; Semsedini, Y. Mitigation of subsynchronous resonance in a series-compensated wind farm using FACTS controllers. IEEE Trans. Power Deliv. 2008, 23, 1645–1654. [Google Scholar] [CrossRef]
- Piyasinghe, L.; Miao, Z.; Khazaei, J.; Fan, L. Impedance model-based SSR analysis for TCSC compensated type-3 wind energy delivery systems. IEEE Trans. Sustain. Energy 2014, 6, 179–187. [Google Scholar] [CrossRef]
- Wang, L.; Liang, H.-R.; Prokhorov, A.V.; Mokhlis, H.; Huat, C.K. Modal control design of damping controllers for thyristor-controlled series capacitor to stabilize common-mode torsional oscillations of a series-capacitor compensated power system. IEEE Trans. Ind. Appl. 2019, 55, 2327–2336. [Google Scholar] [CrossRef]
- Wang, L.; Xie, X.; Jiang, Q.; Pota, H.R. Mitigation of multimodal subsynchronous resonance via controlled injection of supersynchronous and subsynchronous currents. IEEE Trans. Power Syst. 2013, 29, 1335–1344. [Google Scholar] [CrossRef]
- Mohammadpour, H.A.; Islam, M.M.; Santi, E.; Shin, Y.-J. SSR damping in fixed-speed wind farms using series FACTS controllers. IEEE Trans. Power Deliv. 2015, 31, 76–86. [Google Scholar] [CrossRef]
- Eremia, M.; Liu, C.-C.; Edris, A.-A. Advanced Solutions in Power Systems: HVDC, FACTS, and Artificial Intelligence; John Wiley & Sons: New York, NY, USA, 2016. [Google Scholar]
- Velpula, S.; Thirumalaivasan, R.; Janaki, M. Stability analysis on torsional interactions of turbine-generator connected with DFIG-WECS using admittance model. IEEE Trans. Power Syst. 2020, 35, 4745–4755. [Google Scholar] [CrossRef]
- North American Electric Reliability Corporation. Interconnection Oscillation Analysis. 2019. Available online: https://www.nerc.com/comm/PC/SMSResourcesDocuments/Interconnection_Oscillation_Analysis.pdf (accessed on 30 October 2022).
- Cho, H.; Oh, S.; Nam, S.; Lee, B. Non-linear dynamics based sub-synchronous resonance index by using power system measurement data. IET Gener. Transm. Distrib. 2018, 12, 4026–4033. [Google Scholar] [CrossRef]
- Javanmard, M.E.; Ghaderi, S.; Sangari, M.S. Integrating energy and water optimization in buildings using multi-objective mixed-integer linear programming. Sustain. Cities Soc. 2020, 62, 102409. [Google Scholar] [CrossRef]
- Khalilinia, H.; Venkatasubramanian, V. Subsynchronous resonance monitoring using ambient high speed sensor data. IEEE Trans. Power Syst. 2015, 31, 1073–1083. [Google Scholar] [CrossRef]
- Tashman, Z.; Khalilinia, H.; Venkatasubramanian, V. Multi-dimensional Fourier ringdown analysis for power systems using synchrophasors. IEEE Trans. Power Syst. 2013, 29, 731–741. [Google Scholar] [CrossRef]
- Salehi, F.; Matsuo, I.B.M.; Brahman, A.; Tabrizi, M.A.; Lee, W.-J. Sub-synchronous control interaction detection: A real-time application. IEEE Trans. Power Deliv. 2019, 35, 106–116. [Google Scholar] [CrossRef]
- Rezaei, S. Behavior of Protective Relays During Subsynchronous Resonance in Transmission Line and Adaptation of Generator Out-of-Step Protection. IEEE Trans. Ind. Appl. 2019, 55, 5687–5698. [Google Scholar] [CrossRef]
- Xie, X.; Liu, H.; Liu, H.; Jiang, Q. A two-level SSR protection system and its application at the Shangdu Power Plant. Int. J. Electr. Power Energy Syst. 2015, 64, 1229–1236. [Google Scholar] [CrossRef]
- Gong, Y.; Xue, Y. Subsynchronous Oscillation Relay. U.S. Patent 9,806,690, 31 October 2017. [Google Scholar]
- Mahish, P.; Pradhan, A.K. Mitigating subsynchronous resonance using synchrophasor data based control of wind farms. IEEE Trans. Power Deliv. 2019, 35, 364–376. [Google Scholar] [CrossRef]
- Zhao, L.; Matsuo, I.B.; Salehi, F.; Zhou, Y.; Lee, W.-J. Development of a real-time web-based power monitoring system for the substation of petrochemical facilities. IEEE Trans. Ind. Appl. 2018, 55, 43–50. [Google Scholar] [CrossRef]
- Fan, L.; Miao, Z. Mitigating SSR using DFIG-based wind generation. IEEE Trans. Sustain. Energy 2012, 3, 349–358. [Google Scholar] [CrossRef]
- Wang, S.; Xu, Z.; Wang, S. New findings on bypass damping filter in increasing subsynchronous resonance damping of series compensated system. IET Gener. Transm. Distrib. 2015, 9, 1718–1726. [Google Scholar] [CrossRef]
- Anderson, P.M.; Agrawal, B.L.; Van Ness, J.E. Subsynchronous Resonance in Power Systems; John Wiley & Sons: New York, NY, USA, 1999; Volume 9. [Google Scholar]
- Kantz, H.; Schreiber, T. Nonlinear Time Series Analysis; Cambridge University Press: Cambridge, UK, 2004; Volume 7. [Google Scholar]
- Hingoranl, N.G. Understanding Facts; John Wiley & Sons: New York, NY, USA, 2000. [Google Scholar]
- Sen, K.K.; Sen, M.L. Introduction to FACTS Controllers: Theory, Modeling, and Applications; John Wiley & Sons: New York, NY, USA, 2009. [Google Scholar]
- Raju, D.K.; Umre, B.S.; Junghare, A.S.; Babu, B.C. Mitigation of subsynchronous resonance with fractional-order PI based UPFC controller. Mech. Syst. Signal Process. 2017, 85, 698–715. [Google Scholar] [CrossRef]
- Koteswara Raju, D.; Umre, B.S.; Junghare, A.S.; Thakre, M.P.; Motamarri, R.; Somu, C. Fractional-order PI based STATCOM and UPFC controller to diminish subsynchronous resonance. SpringerPlus 2016, 5, 1599. [Google Scholar] [CrossRef] [PubMed][Green Version]
- Raju, D.K.; Umre, B.S.; Junghare, A.S.; Babu, B.C. Improved control strategy for subsynchronous resonance mitigation with fractional-order pi controller. Int. J. Emerg. Electr. Power Syst. 2016, 17, 683–692. [Google Scholar] [CrossRef]
- Dhenuvakonda, K.R.; Singh, A.R.; Thakre, M.P.; Umre, B.S.; Kumar, A.; Bansal, R.C. Effect of SSSC-based SSR controller on the performance of distance relay and adaptive approach using synchronized measurement. Int. Trans. Electr. Energy Syst. 2018, 28, e2620. [Google Scholar] [CrossRef]






















Publisher’s Note: MDPI stays neutral with regard to jurisdictional claims in published maps and institutional affiliations. |
© 2022 by the authors. Licensee MDPI, Basel, Switzerland. This article is an open access article distributed under the terms and conditions of the Creative Commons Attribution (CC BY) license (https://creativecommons.org/licenses/by/4.0/).
Share and Cite
Noh, H.; Cho, H.; Choi, S.; Lee, B. Mitigating Subsynchronous Torsional Interaction Using Geometric Feature Extraction Method. Sustainability 2022, 14, 16110. https://doi.org/10.3390/su142316110
Noh H, Cho H, Choi S, Lee B. Mitigating Subsynchronous Torsional Interaction Using Geometric Feature Extraction Method. Sustainability. 2022; 14(23):16110. https://doi.org/10.3390/su142316110
Chicago/Turabian StyleNoh, Hyeokjin, Hwanhee Cho, Sungyun Choi, and Byongjun Lee. 2022. "Mitigating Subsynchronous Torsional Interaction Using Geometric Feature Extraction Method" Sustainability 14, no. 23: 16110. https://doi.org/10.3390/su142316110
APA StyleNoh, H., Cho, H., Choi, S., & Lee, B. (2022). Mitigating Subsynchronous Torsional Interaction Using Geometric Feature Extraction Method. Sustainability, 14(23), 16110. https://doi.org/10.3390/su142316110

