Aspartame as a Green and Effective Corrosion Inhibitor for T95 Carbon Steel in 15 wt.% HCl Solution
Abstract
:1. Introduction
2. Materials and Methods
2.1. Materials, Sample Preparation, and Chemicals
2.2. Weight Loss Measurements
2.3. Electrochemical Measurements
2.4. Surface Characterization
3. Results
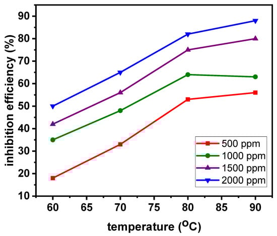
3.1. Weight-Loss Studies on the Performance of Aspartame as Inhibitor
3.2. Electrochemical Studies
3.2.1. OCP and EIS
3.2.2. PDP
3.3. Mechanism of Inhibition by Aspartame
3.4. Surface Analysis
3.4.1. SEM and EDX
3.4.2. Optical Profilometer
4. Summary and Conclusions
Author Contributions
Funding
Institutional Review Board Statement
Informed Consent Statement
Data Availability Statement
Acknowledgments
Conflicts of Interest
References
- Urquiaga, I.; Leighton, F. Plant polyphenol antioxidants and oxidative stress. Biol. Res. 2000, 33, 55–64. [Google Scholar] [CrossRef] [PubMed]
- Fan, L.; Thompson, J.W.; Robinson, J.R. Understanding gas production mechanism and effectiveness of well stimulation in the Haynesville Shale through reservoir simulation. Soc. Pet. Eng. Can. Unconv. Resour. Int. Pet. Conf. 2010, 1, 352–366. [Google Scholar]
- Crowe, C.; Masmonteil, J.; Thomas, R. Trends in matrix acidizing. Oilf. Rev. 1992, 4, 24–40. [Google Scholar]
- Abdel Ghany, N.A.; Shehata, M.F.; Saleh, R.M.; El Hosary, A.A. Novel corrosion inhibitors for acidizing oil wells. Mater. Corros. 2017, 68, 355–360. [Google Scholar] [CrossRef]
- Huizinga, S.; Liek, W.E. Corrosion behavior of 13% chromium steel in acid stimulations|Corrosion|OnePetro. Corrosion 1994, 50, NACE-94070555. [Google Scholar] [CrossRef] [Green Version]
- Abd El-Lateef, H.M. Synergistic effect of polyethylene glycols and rare earth Ce4+ on the corrosion inhibition of carbon steel in sulfuric acid solution: Electrochemical, computational, and surface morphology studies. Res. Chem. Intermed. 2015, 42, 3219–3240. [Google Scholar] [CrossRef]
- Singh, A.; Quraishi, M.A. Acidizing Corrosion Inhibitors: A Review. J. Mater. Environ. Sci. 2015, 6, 224–235. [Google Scholar]
- Frenler, F.B.; Growcock, W.W.; Lopp, V.R. Mechanisms of Corrosion Inhibitors Used in Acidizing Wells; SPE Production Engineering: Richardson, TX, USA, 1988; pp. 584–590. [Google Scholar]
- Zhang, J.; Sun, X.; Ren, Y.; Du, M. The synergistic effect between imidazoline-based dissymmetric bis-quaternary ammonium salts and thiourea against CO2 corrosion at high temperature. J. Surfactants Deterg. 2015, 18, 981–987. [Google Scholar] [CrossRef]
- Odewunmi, N.A.; Solomon, M.M.; Umoren, S.A.; Ali, S.A. Comparative studies of the corrosion inhibition efficacy of a dicationic monomer and its polymer against API X60 steel corrosion in simulated acidizing fluid under static and hydrodynamic conditions. ACS Omega 2020, 5, 27057–27071. [Google Scholar] [CrossRef]
- Nations, U. Globally Harmonized System of Classification and Labelling of Chemicals (GHS), 6th ed.; UNECE: Geneva, Switzerland, 2015; ISBN 9789211170870. [Google Scholar]
- Alhaffar, M.T.; Umoren, S.A.; Obot, I.B.; Ali, S.A.; Solomon, M.M. Studies of the anticorrosion property of a newly synthesized green isoxazolidine for API 5L X60 steel in acid environment. J. Mater. Res. Technol. 2019, 8, 4399–4416. [Google Scholar] [CrossRef]
- Mohammed, A.R.I.; Solomon, M.M.; Haruna, K.; Umoren, S.A.; Saleh, T.A. Evaluation of the corrosion inhibition efficacy of Cola acuminata extract for low carbon steel in simulated acid pickling environment. Environ. Sci. Pollut. Res. 2020, 27, 34270–34288. [Google Scholar] [CrossRef]
- Umoren, S.A.; Solomon, M.M. Protective polymeric films for industrial substrates: A critical review on past and recent applications with conducting polymers and polymer composites/nanocomposites. Prog. Mater. Sci. 2019, 104, 380–450. [Google Scholar] [CrossRef]
- Shang, Z.; Zhu, J. Overview on plant extracts as green corrosion inhibitors in the oil and gas fields. J. Mater. Res. Technol. 2021, 15, 5078–5094. [Google Scholar] [CrossRef]
- Tan, B.; Zhang, S.; Cao, X.; Fu, A.; Guo, L.; Marzouki, R.; Li, W. Insight into the anti-corrosion performance of two food flavors as eco-friendly and ultra-high performance inhibitors for copper in sulfuric acid medium. J. Colloid Interface Sci. 2022, 609, 838–851. [Google Scholar] [CrossRef] [PubMed]
- Tan, B.; Lan, W.; Zhang, S.; Deng, H.; Qiang, Y.; Fu, A.; Ran, Y.; Xiong, J.; Marzouki, R.; Li, W. Passiflora edulia Sims leaves extract as renewable and degradable inhibitor for copper in sulfuric acid solution. Colloids Surf. A Physicochem. Eng. Asp. 2022, 645, 128892. [Google Scholar] [CrossRef]
- Supelco. Safety Data Sheet—Aspartame.
- Aspartame—American Chemical Society. Available online: https://www.acs.org/content/acs/en/molecule-of-the-week/archive/a/aspartame.html (accessed on 20 May 2022).
- NACE; ASTM. ASTMG31-12a Standard Guide for Laboratory Immersion Corrosion Testing of Metals; ASTM International: West Conshohocken, PA, USA, 2010; Volume 100. [Google Scholar]
- Singh, A.; Caihong, Y.; Yaocheng, Y.; Soni, N.; Wu, Y.; Lin, Y. Analyses of new electrochemical techniques to study the behavior of some corrosion mitigating polymers on N80 tubing steel. ACS Omega 2019, 4, 3420–3431. [Google Scholar] [CrossRef] [Green Version]
- Solomon, M.M.; Umoren, S.A.; Udosoro, I.I.; Udoh, A.P. Inhibitive and adsorption behaviour of carboxymethyl cellulose on mild steel corrosion in sulphuric acid solution. Corros. Sci. 2010, 52, 1317–1325. [Google Scholar] [CrossRef]
- Finšgar, M.; Jackson, J. Application of corrosion inhibitors for steels in acidic media for the oil and gas industry: A review. Corros. Sci. 2014, 86, 17–41. [Google Scholar] [CrossRef] [Green Version]
- Solomon, M.M.; Umoren, S.A.; Quraishi, M.A.; Tripathi, D.; Abai, E.J. Effect of akyl chain length, flow, and temperature on the corrosion inhibition of carbon steel in a simulated acidizing environment by an imidazoline-based inhibitor. J. Pet. Sci. Eng. 2020, 187, 106801. [Google Scholar] [CrossRef]
- Key, J.A. Factors that Affect the Rate of Reactions. In Introductory Chemistry; Prentice Hall: Hoboken, NJ, USA, 2007. [Google Scholar]
- Umoren, S.A.; Obot, I.B.; Ebenso, E.E.; Okafor, P.C.; Ogbobe, O.; Oguzie, E.E. Gum arabic as a potential corrosion inhibitor for aluminium in alkaline medium and its adsorption characteristics. Anti-Corros. Methods Mater. 2006, 53, 277–282. [Google Scholar] [CrossRef]
- Khadraoui, A.; Khelifa, A. Ethanolic extract of Ruta chalepensis as an eco-friendly inhibitor of acid corrosion of steel. Res. Chem. Intermed. 2013, 39, 3937–3948. [Google Scholar] [CrossRef]
- Abdulazeez, I.; Al-Hamouz, O.C.S.; Khaled, M.; Al-Saadi, A.A. Inhibition of mild steel corrosion in CO2 and H2S-saturated acidic media by a new polyurea-based material. Mater. Corros. 2020, 71, 646–662. [Google Scholar] [CrossRef]
- Wang, X.; Li, L.; Xie, Z.H.; Yu, G. Duplex coating combining layered double hydroxide and 8-quinolinol layers on Mg alloy for corrosion protection. Electrochim. Acta 2018, 283, 1845–1857. [Google Scholar] [CrossRef]
- Jing, C.; Wang, Z.; Gong, Y.; Huang, H.; Ma, Y.; Xie, H.; Li, H.; Zhang, S.; Gao, F. Photo and thermally stable branched corrosion inhibitors containing two benzotriazole groups for copper in 3.5 wt% sodium chloride solution. Corros. Sci. 2018, 138, 353–371. [Google Scholar] [CrossRef]
- Azghandi, M.V.; Davoodi, A.; Farzi, G.A.; Kosari, A. Corrosion inhibitive evaluation of an environmentally friendly water-base acrylic terpolymer on mild steel in hydrochloric acid media. Metall. Mater. Trans. A Phys. Metall. Mater. Sci. 2013, 44, 5493–5504. [Google Scholar] [CrossRef] [Green Version]
- Leng, Y.; Qi, H. Solubility of aspartame in water, methanol, ethanol and different binary mixtures in the temperature range of (278.15 to 333.15) K. J. Chem. Eng. Data 2014, 59, 1549–1555. [Google Scholar] [CrossRef]
- Gamry.com Basics of EIS: Electrochemical Research-Impedance. Available online: https://www.gamry.com/application-notes/EIS/basics-of-electrochemical-impedance-spectroscopy (accessed on 8 May 2022).
- Öztürk, S.; Gerengi, H.; Solomon, M.M.; Gece, G.; Yıldırım, A.; Yıldız, M. A newly synthesized ionic liquid as an effective corrosion inhibitor for carbon steel in HCl medium: A combined experimental and computational studies. Mater. Today Commun. 2021, 29, 102905. [Google Scholar] [CrossRef]
- Srikanth, A.P.; Sunitha, T.G.; Raman, V.; Nanjundan, S.; Rajendran, N. Synthesis, characterization and corrosion protection properties of poly(N-(acryloyloxymethyl) benzotriazole-co-glycidyl methacrylate) coatings on mild steel. Mater. Chem. Phys. 2007, 103, 241–247. [Google Scholar] [CrossRef]
- Solomon, M.M.; Umoren, S.A.; Quraishi, M.A.; Salman, M. Myristic acid based imidazoline derivative as effective corrosion inhibitor for steel in 15% HCl medium. J. Colloid Interface Sci. 2019, 551, 47–60. [Google Scholar] [CrossRef]
- Qiang, Y.; Zhang, S.; Tan, B.; Chen, S. Evaluation of Ginkgo leaf extract as an eco-friendly corrosion inhibitor of X70 steel in HCl solution. Corros. Sci. 2018, 133, 6–16. [Google Scholar] [CrossRef]
- Corrales-Luna, M.; Le Manh, T.; Romero-Romo, M.; Palomar-Pardavé, M.; Arce-Estrada, E.M. 1-Ethyl 3-methylimidazolium thiocyanate ionic liquid as corrosion inhibitor of API 5L X52 steel in H 2 SO 4 and HCl media. Corros. Sci. 2019, 153, 85–99. [Google Scholar] [CrossRef]
- Palomar-Pardavé, M.; Romero-Romo, M.; Herrera-Hernández, H.; Abreu-Quijano, M.A.; Likhanova, N.V.; Uruchurtu, J.; Juárez-García, J.M. Influence of the alkyl chain length of 2 amino 5 alkyl 1, 3, 4 thiadiazole compounds on the corrosion inhibition of steel immersed in sulfuric acid solutions. Corros. Sci. 2012, 54, 231–243. [Google Scholar] [CrossRef]
- Sedik, A.; Lerari, D.; Salci, A.; Athmani, S.; Bachari, K.; Gecibesler, H.; Solmaz, R. Dardagan Fruit extract as eco-friendly corrosion inhibitor for mild steel in 1 M HCl: Electrochemical and surface morphological studies. J. Taiwan Inst. Chem. Eng. 2020, 107, 189–200. [Google Scholar] [CrossRef]
- Zhang, D.Q.; Gao, L.X.; Zhou, G.D. Inhibition of copper corrosion by bis-(1-benzotriazolymethylene)-(2,5-thiadiazoly)-disulfide in chloride media. Appl. Surf. Sci. 2004, 225, 287–293. [Google Scholar] [CrossRef]
- Gerengi, H.; Mielniczek, M.; Gece, G.; Solomon, M.M. Experimental and Quantum Chemical Evaluation of 8-Hydroxyquinoline as a Corrosion Inhibitor for Copper in 0.1 M HCl. Ind. Eng. Chem. Res. 2016, 55, 9614–9624. [Google Scholar] [CrossRef]
- Solomon, M.M.; Gerengi, H.; Umoren, S.A. Carboxymethyl cellulose/silver nanoparticles composite: Synthesis, characterization and application as a benign corrosion inhibitor for St37 steel in 15% H2SO4 medium. ACS Appl. Mater. Interfaces 2017, 9, 6376–6389. [Google Scholar] [CrossRef]
- de Araújo Macedo, R.G.M.; do Nascimento Marques, N.; Tonholo, J.; de Carvalho Balaban, R. Water-soluble carboxymethylchitosan used as corrosion inhibitor for carbon steel in saline medium. Carbohydr. Polym. 2019, 205, 371–376. [Google Scholar] [CrossRef]
- Ghelichkhah, Z.; Dehkharghani, F.K.; Sharifi-Asl, S.; Obot, I.B.; Macdonald, D.D.; Farhadi, K.; Avestan, M.S.; Petrossians, A. The inhibition of type 304LSS general corrosion in hydrochloric acid by the New Fuchsin compound. Corros. Sci. 2021, 178, 109072. [Google Scholar] [CrossRef]
- Aljourani, J.; Raeissi, K.; Golozar, M.A. Benzimidazole and its derivatives as corrosion inhibitors for mild steel in 1 M HCl solution. Corros. Sci. 2009, 51, 1836–1843. [Google Scholar] [CrossRef]
- Casaletto, M.P.; Figà, V.; Privitera, A.; Bruno, M.; Napolitano, A.; Piacente, S. Inhibition of Cor-Ten steel corrosion by “green” extracts of Brassica campestris. Corros. Sci. 2018, 136, 91–105. [Google Scholar] [CrossRef]
- Sangeetha, Y.; Meenakshi, S.; Sundaram, C.S. Interactions at the mild steel acid solution interface in the presence of O-fumaryl-chitosan: Electrochemical and surface studies. Carbohydr. Polym. 2016, 136, 38–45. [Google Scholar] [CrossRef] [PubMed]
- Mathew, Z.P.; Rajan, K.; Augustine, C.; Joseph, B.; John, S. Corrosion inhibition of mild steel using poly (2-ethyl -2-oxazoline) in 0.1 M HCl solution. Heliyon 2020, 6, e05560. [Google Scholar] [CrossRef] [PubMed]
- Subramania, A.; Sathiya Priya, A.R.; Muralidharan, V.S. Development of novel acidizing inhibitors for carbon steel corrosion in 15% boiling hydrochloric acid. Corrosion 2008, 64, 687. [Google Scholar]
- Haruna, K.; Obot, I.B.; Ankah, N.K.; Sorour, A.A.; Saleh, T.A. Gelatin: A green corrosion inhibitor for carbon steel in oil well acidizing environment. J. Mol. Liq. 2018, 264, 515–525. [Google Scholar] [CrossRef]
- Kowsari, E.; Payami, M.; Amini, R.; Ramezanzadeh, B.; Javanbakht, M. Task-specific ionic liquid as a new green inhibitor of mild steel corrosion. Appl. Surf. Sci. 2014, 289, 478–486. [Google Scholar] [CrossRef]












| Conc. (ppm) | WL ± S.D (g) | (v ± S.D) × 10−3 (g cm−2 h−1) | θ | %IEWL |
|---|---|---|---|---|
| 60 °C | ||||
| 0 | 0.151 ± 0.004 | 4.199 ± 0.004 | - | - |
| 500 | 0.125 ± 0.011 | 3.471 ± 0.011 | 0.173 | 17 |
| 1000 | 0.104 ± 0.014 | 2.894 ± 0.014 | 0.311 | 31 |
| 1500 | 0.087 ± 0.001 | 2.413 ± 0.001 | 0.425 | 43 |
| 2000 | 0.076 ± 0.002 | 2.103 ± 0.002 | 0.499 | 50 |
| 70 °C | ||||
| 0 | 0.347 ± 0.020 | 9.639 ± 0.020 | - | - |
| 500 | 0.244 ± 0.014 | 6.779 ± 0.014 | 0.297 | 30 |
| 1000 | 0.192 ± 0.002 | 5.326 ± 0.002 | 0.447 | 45 |
| 1500 | 0.167 ± 0.011 | 4.628 ± 0.011 | 0.520 | 52 |
| 2000 | 0.147 ± 0.001 | 4.074 ± 0.001 | 0.577 | 58 |
| 80 °C | ||||
| 0 | 0.612 ± 0.003 | 17.007 ± 0.003 | - | - |
| 500 | 0.361 ± 0.001 | 10.036 ± 0.001 | 0.410 | 41 |
| 1000 | 0.290 ± 0.013 | 8.058 ± 0.013 | 0.526 | 53 |
| 1500 | 0.263 ± 0.003 | 7.315 ± 0.003 | 0.570 | 57 |
| 2000 | 0.227 ± 0.008 | 6.296 ± 0.008 | 0.630 | 63 |
| 90 °C | ||||
| 0 | 0.862 ± 0.048 | 23.935 ± 0.048 | - | - |
| 500 | 0.244 ± 0.001 | 6.767 ± 0.001 | 0.717 | 72 |
| 1000 | 0.190 ± 0.006 | 5.269 ± 0.006 | 0.780 | 78 |
| 1500 | 0.172 ± 0.006 | 4.781 ± 0.006 | 0.800 | 80 |
| 2000 | 0.123 ± 0.011 | 3.415 ± 0.011 | 0.857 | 86 |
| Conc. (ppm) | Rs ± Er (Ω cm2) | Rct ± Er (Ω cm2) | Rf ± Er (Ω cm2) | L ± Er (H) | (C ± Er) × 10−4 (F) | x2 ×10−3 | Rp ± Er (Ω cm2) | %IEEIS |
|---|---|---|---|---|---|---|---|---|
| 60 °C | ||||||||
| 0 | 0.48 ± 0.003 | 9.98 ± 0.14 | 3.54 ± 0.15 | 10.50 ± 1.14 | 2.43 ± 0.00 | 21.9 | 13.52 ± 0.29 | - |
| 500 | 0.34 ± 0.003 | 11.76 ± 0.20 | 3.56 ± 0.20 | 15.60 ± 2.22 | 1.80 ± 0.00 | 44.2 | 15.32 ± 0.40 | 12 |
| 2000 | 0.42 ± 0.006 | 19.38 ± 0.50 | 5.93 ± 0.48 | 47.92 ± 9.11 | 1.31 ± 0.00 | 53.5 | 25.31 ± 0.98 | 47 |
| 70 °C | ||||||||
| 0 | 1.07 ± 0.006 | 3.38 ± 0.05 | 1.98 ± 0.06 | 2.68 ± 0.20 | 3.95 ± 0.00 | 9.63 | 5.36 ± 0.11 | - |
| 500 | 2.05 ± 0.012 | 5.57 ± 0.28 | 1.82 ± 0.26 | 1.98 ± 0.64 | 4.05 ± 0.00 | 5.95 | 7.39 ± 0.54 | 27 |
| 2000 | 0.77 ± 0.005 | 8.73 ± 0.14 | 2.14 ± 0.15 | 8.23 ± 1.42 | 2.38 ± 0.00 | 34.0 | 10.87 ± 0.29 | 51 |
| 80 °C | ||||||||
| 0 | 0.92 ± 0.006 | 1.89 ± 0.03 | 0.50 ± 0.03 | 0.85 ± 0.07 | 5.49 ± 0.00 | 5.89 | 2.39 ± 0.06 | - |
| 500 | 1.37 ± 0.008 | 2.46 ± 0.03 | 1.52 ± 0.04 | 0.23 ± 0.05 | 4.37 ± 0.00 | 5.16 | 3.98 ± 0.07 | 40 |
| 2000 | 1.14 ± 0.007 | 4.17 ± 0.07 | 2.13 ± 0.07 | 4.16 ± 0.36 | 2.53 ± 0.00 | 15.1 | 6.30 ± 0.14 | 62 |
| 90 °C | ||||||||
| 0 | 1.20 ± 0.012 | 0.44 ± 0.02 | 0.25 ± 0.17 | - | - | 0.92 | 0.69 ± 0.19 | - |
| 500 | 0.96 ± 0.006 | 3.26 ± 0.04 | 0.80 ± 0.05 | 1.09 ± 0.18 | 4.33 ± 0.00 | 12.9 | 4.06 ± 0.09 | 83 |
| 2000 | 1.02 ± 0.007 | 3.92 ± 0.06 | 0.61 ± 0.06 | 0.96 ± 0.24 | 2.66 ± 0.00 | 16.4 | 4.53 ± 0.12 | 85 |
| Conc. (ppm) |
−Ecorr (mV vs. Ag/AgCl) | icorr (mA cm−2) | βa (V dec−1) | βc (V dec−1) | v (mm/y) | IEPDP (%) |
|---|---|---|---|---|---|---|
| 60 °C | ||||||
| 0 | 474.0 | 2.24 | 62.30 | 173.40 | 25.929 | - |
| 500 | 481.0 | 1.91 | 51.20 | 162.70 | 22.109 | 15 |
| 2000 | 478.0 | 1.16 | 49.90 | 151.90 | 13.428 | 48 |
| 70 °C | ||||||
| 0 | 477.0 | 11.7 | 135.90 | 531.20 | 135.434 | - |
| 500 | 462.0 | 8.51 | 84.40 | 189.40 | 98.508 | 27 |
| 2000 | 463.0 | 5.27 | 67.20 | 162.80 | 61.003 | 55 |
| 80 °C | ||||||
| 0 | 460.0 | 62.50 | 2.29 | 3.37 | 723.472 | - |
| 500 | 453.0 | 34.96 | 0.08 | 1.87 | 404.681 | 44 |
| 2000 | 459.0 | 22.34 | 0.09 | 0.20 | 258.598 | 64 |
| 90 °C | ||||||
| 0 | 443.0 | 201.00 | 1.54 | 2.09 | 2326.686 | - |
| 500 | 452.0 | 29.86 | 0.11 | 0.27 | 345.646 | 85 |
| 2000 | 448.0 | 25.97 | 0.10 | 0.21 | 300.617 | 87 |
| Systems/Concentration | Surface Roughness | |||||
|---|---|---|---|---|---|---|
| Ra (µm) | RRMS (µm) | Rt (µm) | Ra (µm) | RRMS (µm) | Rt (µm) | |
| 60 °C | 90 °C | |||||
| Abraded T95 steel | 0.154 | 0.186 | 2.119 | 0.154 | 0.186 | 2.119 |
| Blank | 2.269 | 2.933 | 39.708 | 4.350 | 5.679 | 93.215 |
| 2000 ppm Aspartame | 0.925 | 1.170 | 28.902 | 3.736 | 5.029 | 61.417 |
| % Reduction | 41 | 40 | 73 | 86 | 89 | 66 |
Publisher’s Note: MDPI stays neutral with regard to jurisdictional claims in published maps and institutional affiliations. |
© 2022 by the authors. Licensee MDPI, Basel, Switzerland. This article is an open access article distributed under the terms and conditions of the Creative Commons Attribution (CC BY) license (https://creativecommons.org/licenses/by/4.0/).
Share and Cite
Uzoma, I.E.; Solomon, M.M.; Loto, R.T.; Umoren, S.A. Aspartame as a Green and Effective Corrosion Inhibitor for T95 Carbon Steel in 15 wt.% HCl Solution. Sustainability 2022, 14, 6500. https://doi.org/10.3390/su14116500
Uzoma IE, Solomon MM, Loto RT, Umoren SA. Aspartame as a Green and Effective Corrosion Inhibitor for T95 Carbon Steel in 15 wt.% HCl Solution. Sustainability. 2022; 14(11):6500. https://doi.org/10.3390/su14116500
Chicago/Turabian StyleUzoma, Ifeanyi E., Moses M. Solomon, Roland T. Loto, and Saviour A. Umoren. 2022. "Aspartame as a Green and Effective Corrosion Inhibitor for T95 Carbon Steel in 15 wt.% HCl Solution" Sustainability 14, no. 11: 6500. https://doi.org/10.3390/su14116500
APA StyleUzoma, I. E., Solomon, M. M., Loto, R. T., & Umoren, S. A. (2022). Aspartame as a Green and Effective Corrosion Inhibitor for T95 Carbon Steel in 15 wt.% HCl Solution. Sustainability, 14(11), 6500. https://doi.org/10.3390/su14116500

