Carbon Footprint Comparative Analysis of Cardboard and Plastic Containers Used for the International Transport of Spanish Tomatoes
Abstract
1. Introduction
1.1. Transport and Packaging
1.2. The Product: Tomato
1.3. The Study
2. Methods
2.1. Goal and Scope Definition
- Product system and its functions;
- Functional unit;
- System limit, including the geographic scope;
- Data and data quality requirements;
- Assignment procedures;
- Time limit for data;
- Assumptions, especially for the use stage and for the end-of-life stage;
- Emissions and elimination of specific GHG;
- Methods to deal with problems that occur with specific product categories;
- Selected impact categories, the impact assessment methodology, and the subsequent interpretation to be used;
- Type and format of the report required for the study;
- Type of critical review, if any; and
- Study limitations, according to Annexes B and D of the standard.
2.2. Inventory Analysis
- Data collection;
- Validation of collected data; and
- Relating the data to the unit processes and the functional unit.
2.3. Impact Assessment
2.4. Interpretation of Results
- Identification of significant emissions based on the results of the quantification of the life cycle inventory analysis and life cycle impact assessment phases of a CF;
- Evaluation that includes verifications of the integrity, sensitivity, and coherence analyses; and
- Conclusions, limitations, and recommendations.
- Include a quantitative and/or qualitative evaluation and uncertainty, including the application of rounding rules or ranges;
- Identify and document in detail the allocation methods selected in the report; and
- Identify the limitations of the study (according to Annex B of the standard).
2.5. Disclosure Report and Critical Review
3. Results and Discussion
3.1. Goal and Scope Definition
3.1.1. Assumptions
- Transport of raw materials to the PPB manufacturer in non-refrigerated trucks of 40 t of maximum authorized weight and 16 t tare weight;
- Transportation from the PPB manufacturer to the PPB sanitation and storage company in non-refrigerated trucks of 40 t maximum authorized weight and 16 t tare weight;
- Transportation of the PPB from the storage center to the packing facilities in non-refrigerated trucks of 40 t maximum authorized weight and 16 t tare weight;
- Transportation of the PPB loaded with the product from the country of origin to the different destination countries in refrigerated trucks of 40 t maximum authorized weight and 16 t tare weight;
- Transportation of used, empty, and folded PPB to sanitation and storage centers in non-refrigerated trucks of 40 t maximum authorized weight and 16 t tare weight; and
- Transportation of PPB that was no longer useful to the different waste management centers in non-refrigerated trucks of 16 t maximum authorized weight and 6.5 t tare weight.
- Transport of raw materials (paper reels) to the manufacturer of the CCB in non-refrigerated trucks of 40 t maximum authorized weight and 16 t tare weight;
- Transportation of the CCB manufacturer to the packing facilities in non-refrigerated trucks of 40 t maximum authorized weight and 16 t tare weight;
- Transport of the CCB loaded with the product from the country of origin to the different destination countries in refrigerated trucks of 40 t maximum authorized weight and 16 t tare weight; and
- Transport of the CCB that was no longer useful to the different waste management centers in non-refrigerated trucks of 16 t maximum authorized weight and 6.5 t tare weight.
- 16 t non-refrigerated truck for transporting containers to waste management centers;
- 40 t non-refrigerated truck for transporting raw materials and boxes manufactured to the storage center and packing center, and boxes used from the country of destination to the sanitation and storage centers; and
- 40 t refrigerated truck to transport products to their different destination markets.
3.1.2. Sensitivity Analysis
- Box size; and
- Number of rotations/uses.
3.2. Inventory Analysis
3.2.1. Inventory Analysis for PPB
- Route from the points of sale or their corresponding logistics centers to the storage centers in the countries of destination; and
- Route from the sanitation center (which was located in Spain, near the fruit and vegetable marketing companies) to the packaging centers.
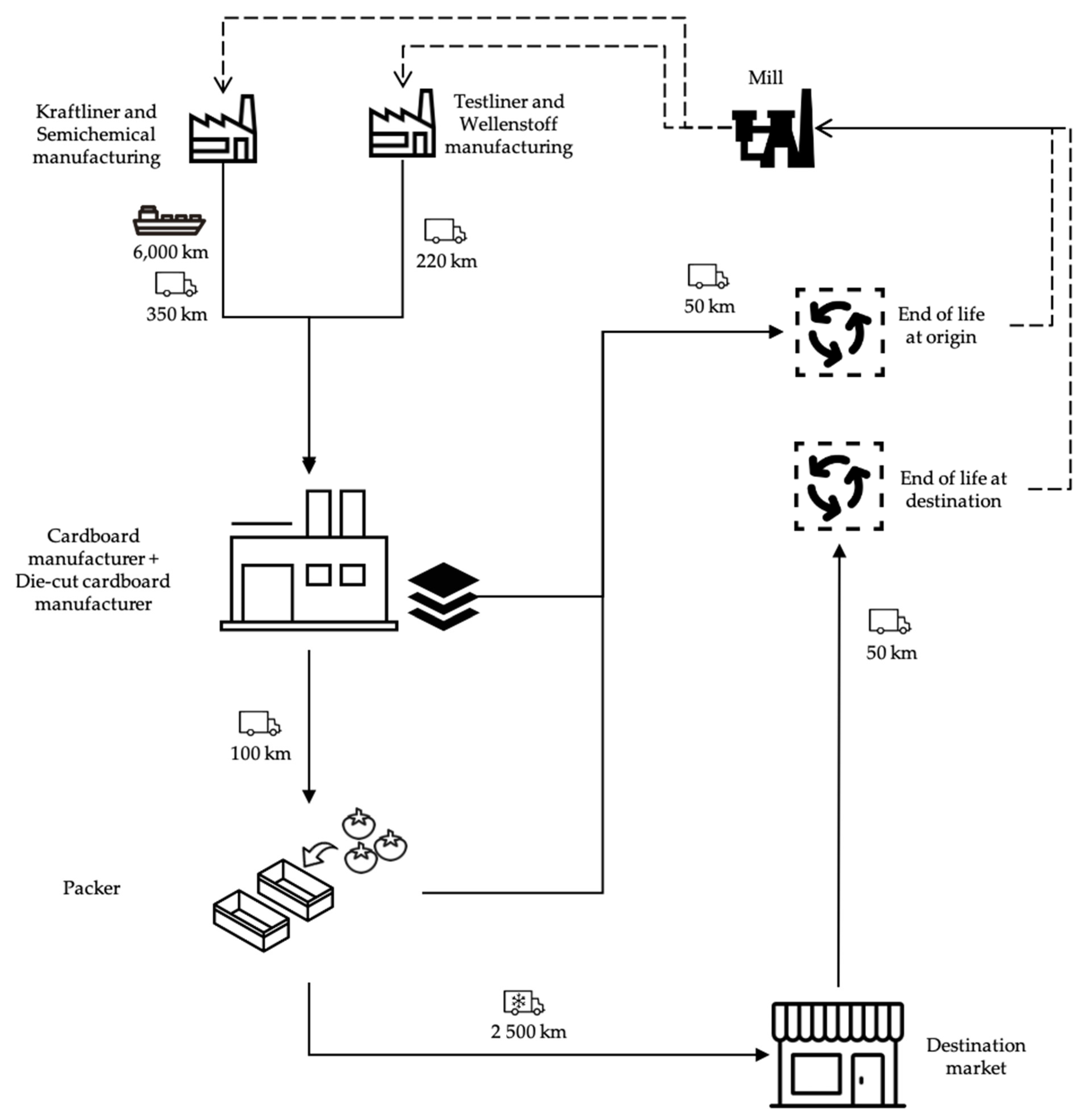
3.2.2. Inventory Analysis for CCB
- External layer: Testliner, 100% recycled fiber, weight: 195 g/m2;
- Corrugated exterior: Wellenstoff, 100% recycled fiber, weight: 170 g/m2;
- Intermediate layer: Wellenstoff, 100% recycled fiber, weight: 170 g/m2;
- Corrugated interior: Wellenstoff, 100% recycled fiber, weight: 190 g/m2; and
- Internal layer: Testliner, 100% recycled fiber, weight: 250 g/m2.
- External layer: Kraftliner, 20% recycled fiber, weight: 135 g/m2;
- Corrugated exterior: Wellenstoff, 100% recycled fiber, weight: 150 g/m2;
- Intermediate layer: Wellenstoff, 100% recycled fiber, weight: 170 g/m2;
- Corrugated interior: Wellenstoff, 100% recycled fiber, weight: 170 g/m2; and
- Internal layer: Kraftliner, 20% recycled fiber, weight: 170 g/m2.
3.3. Impact Assessment and Results Interpretation
4. Discussion and Conclusions
Author Contributions
Funding
Institutional Review Board Statement
Informed Consent Statement
Acknowledgments
Conflicts of Interest
Appendix A
References
- Fischer, G.; Shah, M.; van Velthuizen, H. Climate Change and Agricultural Vulnerability; IIASA Publications Department: Vienna, Austria, 2002. [Google Scholar]
- European Environment Agency. Agriculture and Climate Change; EEA Signals European Environment Agency: Copenhagen, Denmark, 2015.
- Zocca, R.O.; Gaspar, P.D.; da Silva, P.D.; Nunes, J.; de Andrade, L.P. Introduction to sustainable food production. In Sustainable Food Systems from Agriculture to Industry. Improving Production and Processing; Galanakis, C., Ed.; Elsevier Academic Press: London, UK, 2018; pp. 3–46. [Google Scholar]
- ECOBILAN. Analyse du Cycle de vie des Caisses en Bois, Carton Ondulé et Plastique Pour Pommes; Agence de l’Environnement et de la Maîtrise de l’Energie (ADÈME): Angers, France, 2000. [Google Scholar]
- Hellström, D.; Saghir, M. Packaging and logistics interactions in retail supply chains. Packag. Technol. Sci. 2007, 20, 197–216. [Google Scholar] [CrossRef]
- Kummu, M.; de Moel, H.; Porkka, M.; Siebert, S.; Varis, O.; Ward, P.J. Lost food wasted resources: Global food supply chain losses and their impacts on freshwater, cropland, and fertilizer use. Sci. Total Environ. 2012, 438, 477–489. [Google Scholar] [CrossRef]
- Sauer, B.J.; Littlefield, J.; Franklin, W.E. Life Cycle Inventory of Reusable Plastic Containers and Display-Ready Corrugated Containers Used for Fresh Produce Applications; Reusable Pallet and Container Coalition, Inc.: Washington, DC, USA, 2004. [Google Scholar]
- Capuz, S.; Aucejo, S.; Hortal, M.; Vivancos, J.L.; Navarro, P.; Gómez, T.; Viñoles, R.; Bastante, M.J.; Collado, D. A Comparative Study of the Environmental and Economic Characteristics of Corrugated Board Boxes and Reusable Plastic Crates in the Long-Distance Transport of Fruit and Vegetables (Estudio Comparativo de las Características Ambientales y Económicas de las Cajas de Cartón Ondulado y los Envases de Plástico Plegable Empleados en el Transporte a Larga Distancia de Frutas y Verduras); Instituto Tecnológico del Embalaje, Transporte y Logística (ITENE): Valencia, Spain, 2005. [Google Scholar]
- Singh, S.P.; Chonhenchob, V.; Singh, J. Life cycle inventory and analysis of reusable plastic containers and display-ready corrugated containers used for packaging fresh fruits and vegetables. Packag. Technol. Sci. 2006, 19, 279–293. [Google Scholar] [CrossRef]
- Barthel, L.; Albrecht, S.; Deimling, S.; Baitz, M. The Sustainability of Packaging Systems for Fruit and Vegetable Transport in Europe based on Life-Cycle-Analysis; On Behalf of Stiftung Initiative Mehrweg SIM (Foundation for Reusable Systems under German Civil Law): Stuttgart/Michendorf, Germany, 2007. [Google Scholar]
- Albrecht, S.; Beck, T.; Barthel, L.; Fischer, M.; Deimling, S.; Baitz, M. The Sustainability of Packaging Systems for Fruit and Vegetable Transport in Europe based on Life-Cycle-Analysis–Update 2009; On Behalf of Stiftung Initiative Mehrweg SIM (Foundation for Reusable Systems under German Civil Law): Stuttgart/Michendorf, Germany, 2009. [Google Scholar]
- Levi, M.; Cortesi, S.; Vezzoli, C.; Salvia, G. A comparative life cycle assessment of disposable and reusable packaging for the distribution of Italian fruit and vegetables. Packag. Technol. Sci. 2011, 24, 387–400. [Google Scholar] [CrossRef]
- Albrecht, S.; Branstetter, P.; Beck, T.; Fullana-i-Palmer, P.; Grönman, K.; Baitz, M.; Deimling, S.; Sandilands, J.; Fischer, M. An extended life cycle analysis of packaging systems for fruit and vegetable transport in Europe. Int. J. Life Cycle Assess 2013, 18, 1549–1567. [Google Scholar] [CrossRef]
- Franklin Associates. A Division of Eastern Research Group. Comparative Life Cycle Assessment of Reusable Plastic Containers and Display and Non-Display-Ready Corrugated Containers Used for Fresh Produce Applications. Peer Reviewed Report 2016 Prepared for IFCO Corporation. Available online: https://scrivito-public-cdn.s3-eu-west-1.amazonaws.com/f152d078e18222739495b38742ac2b85/a05acb93a2d038b7/f8b60f8f41a4/IFCO-RPC-Life-Cycle-Assessment-March-2016---Executive-Summary.pdf (accessed on 17 May 2018).
- Bala, A.; Fullana, P. Comparative Assessment of Different Fruit and Vegetable Supply Options in Spain through Life Cycle Assessment (LCA) (Análisis Comparado de Diferentes Opciones de Distribución de Frutas y Hortalizas en España Mediante el Análisis de Ciclo de Vida (ACV). Available online: http://www.areco.org.es/pdf/Memoria_final_Estudio_ACV_ARECO.pdf (accessed on 26 June 2018).
- Pauer, E.; Wohner, B.; Heinrich, V.; Tacker, M. Assessing the Environmental Sustainability of Food Packaging: An extended life cycle assessment including packaging-related food losses and waste and circularity assessment. Sustainability 2019, 11, 925. [Google Scholar] [CrossRef]
- Lo-Iacono-Ferreira, V.G.; Viñoles-Cebolla, R.; Bastante-Ceca, M.J.; Capuz-Rizo, S.F. Transport of Spanish fruit and vegetables in cardboard boxes: A carbon footprint analysis. J. Clean Prod. 2020, 244, 118784. [Google Scholar] [CrossRef]
- Flanigan, L.; Frischknecht, R.; Montalba, T. An Analysis of Life Cycle Assessment in Packaging for Food & Beverage Applications; UNEP/SETAC Life Cycle Initiative: Nairobi, Kenia, 2013. [Google Scholar]
- Payen, S.; Basset-Mens, C.; Perret, S. LCA of local and imported tomato: An energy and water trade-off. J. Clean Prod. 2015, 87, 139–148. [Google Scholar] [CrossRef]
- He, X.; Qiao, Y.; Liu, Y.; Dendler, L.; Yin, C.; Martin, F. Environmental impact assessment of organic and conventional tomato production in urban greenhouses of Beijing city, China. J. Clean Prod. 2016, 134, 251–258. [Google Scholar] [CrossRef]
- Ronga, D.; Gallingani, T.; Zaccardelli, M.; Perrone, D.; Francia, E.; Milc, J.; Pecchioni, N. Carbon footprint and energetic analysis of tomato production in the organic vs the conventional cropping systems in Southern Italy. J. Clean Prod. 2019, 220, 836–845. [Google Scholar] [CrossRef]
- Finnan, J.M.; Donnelly, A.; Burke, J.I.; Jones, M.B. The effects of elevated concentrations of carbon dioxide and ozone on potato (Solanum tuberosum L.) yield. Agric. Ecosyst. Environ. 2002, 88, 11–22. [Google Scholar] [CrossRef]
- Prasad, B.V.G.; Chakravorty, S. Effects of climate change on vegetable cultivation-a review. Nat. Environ. Pollut. Technol. 2015, 14, 923–929. [Google Scholar]
- Bisbis, M.B.; Gruda, N.; Blanke, M. Potential impacts of climate change on vegetable production and product quality–A review. J. Clean Prod. 2018, 170, 1602–1620. [Google Scholar] [CrossRef]
- FEPEX, Spanish Federation of Associations of Producers and Exporters of Fruits, Vegetables, Flowers, and Live Plants. Exports by Product and by Country. Available online: http://www.fepex.es/datos-del-sector/exportacion-importacion-española-frutas-hortalizas (accessed on 24 July 2020).
- ISO. Greenhouse Gases. Carbon Footprint of Products. Requirements and Guidelines for Quantification (ISO 14067:2018); ISO International Organization for Standardization: Geneva, Switzerland, 2018. [Google Scholar]
- Instituto Para la Producción Sostenible. Available online: https://www.institutoproduccionsostenible.com (accessed on 24 July 2020).
- ISO. Environmental Labels and Declarations. Principles, Requirements, and Guidelines for Communication of Footprint Information (ISO 14026:2017); ISO International Organization for Standardization: Geneva, Switzerland, 2017. [Google Scholar]
- ISO. Environmental Management—Life Cycle Assessment-Critical Review Processes and Reviewer Competencies: Additional Requirements and Guidelines to ISO 14044:2006 (ISO/TS 14071:2014); ISO International Organization for Standardization: Geneva, Switzerland, 2014. [Google Scholar]
- Curran, M.A.; Young, S.B. Critical review: A summary of the current state-of-practice. Int. J. Life Cycle Assess 2014, 19, 1667–1673. [Google Scholar] [CrossRef]
- ISO. Environmental Management-Life Cycle Assessment-Requirements and Guidelines (ISO 14044:2006); ISO International Organization for Standardization: Geneva, Switzerland, 2006. [Google Scholar]
- ISO. Environmental management–Life Cycle Assessment–Requirements and Guidelines-Amendment 1 (ISO 14044:2006/Amd 1:2017); International Organization for Standardization: Geneva, Switzerland, 2017. [Google Scholar]
- Kyoto Protocol. Available online: https://unfccc.int/sites/default/files/resource/docs/cop3/l07a01.pdf (accessed on 24 July 2020).
- Myhre, G.; Shindell, D.; Bréon, F.M.; Collins, W.; Fuglestvedt, J.; Huang, J.; Koch, D.; Lamarque, J.F.; Lee, D.; Mendoza, B.; et al. Anthropogenic and Natural Radiative Forcing. In Climate Change 2013: The Physical Science Basis. Contribution of Working Group I to the Fifth Assessment Report of the Intergovernmental Panel on Climate Change; Stocker, T.F., Qin, D., Plattner, G.-K., Tignor, M., Allen, S.K., Boschung, J., Nauels, A., Xia, Y., Bex, V., Midgley, P.M., Eds.; Cambridge University Press: Cambridge, UK; New York, NY, USA, 2013. [Google Scholar]
- Wernet, G.; Bauer, C.; Steubing, B.; Reinhard, J.; Moreno-Ruiz, E.; Weidema, B. The ecoinvent database version 3 (part I): Overview and methodology. Int. J. Life Cycle Assess 2016, 21, 1218–1230. [Google Scholar] [CrossRef]
- Regulation (EC) No 1935/2004 of the European Parliament and of the Council of 27 October 2004 on Materials and Articles Intended to Come into Contact with Food and Repealing Directive 80/590/EEC and 89/109/EEC. Available online: https://eur-lex.europa.eu/legal-content/EN/ALL/?uri=CELEX:32004R1935 (accessed on 11 January 2021).
- Spanish Ministry of the Presidency. Royal Decree 847/2011 stablishing the positive list of substances that may be employed in the manufacturing of polymeric materials intended to come into contact with food. Off. State Gaz. Gov. Spain 2011, 164, 76316–76330. Available online: https://www.boe.es/eli/es/rd/2011/06/17/847 (accessed on 11 January 2021).
- European Printing Ink Association. EuPIA Guideline on Printing Inks Applied to Food Contact Materials. Available online: https://www.eupia.org/fileadmin/Documents/Food_contact_material/2020-12-22_EuPIA_Guideline_on_Printing_Inks_applied_to_Food_Contact_Materials.pdf (accessed on 12 January 2021).
- European Commission. International Reference Life Cycle Data System (ILCD) Handbook-General Guide for Life Cycle Assessment-Detailed Guidance; European Commission- Joint Research Centre-Institute for Environment and Sustainability, Publications Office of the European Union: Brussels, Belgium, 2010. [Google Scholar]
- IFCO Systems. Available online: https://www.ifco.com/ (accessed on 24 July 2020).
- PlasticsEurope. “Plastics–the Facts 2017. An analysis of European plastics production, demand and waste data”. Plastic Europe. Available online: https://www.plasticseurope.org/application/files/5715/1717/4180/Plastics_the_facts_2017_FINAL_for_website_one_page.pdf (accessed on 24 July 2020).
- FEFCO. European Database for Corrugated Board Life Cycle Studies. FEFCO Corrugated Packaging. 2015. Available online: http://www.fefco.org/lca (accessed on 29 May 2018).
- International Energy Agency (IEA), Energy Policies of IEA Countries–Spain. 2015 Review. Available online: https://www.iea.org/countries/spain (accessed on 24 July 2020).
- MAIKWA Manufacturers of Machines for Cardboard Production. Available online: http://carton-machines.es/6-die-cutting-stripping-machine.html (accessed on 24 July 2020).
- Schiffers, R.; Albert, A. The Carbon Footprint of an injection molding machine. Kunstst. Int. 2015, 6–7, 47–50. [Google Scholar]
- DINOX, Washing Solutions. Available online: http://www.dinox.es/es/ (accessed on 24 July 2020).
- MAINPE, Industrial Machinery. Available online: http://www.mainpe.com (accessed on 24 July 2020).
- IMO. Third IMO Greenhouse Gas Study 2014; International Maritime Organization: London, UK, 2015. [Google Scholar]
- EMEP/EEA. Air Pollutant Emission Inventory Guidebook 2013 Update Sept 2014. Available online: https://www.eea.europa.eu/themes/air/air-pollution-sources-1/emep-eea-air-pollutant-emission-inventory-guidebook (accessed on 24 July 2020).
- INSEE. Recensement de Population. Population des Communes Les Plus Peuplées. Available online: https://www.insee.fr/fr/information/2008354 (accessed on 24 July 2020).
- Federal Statistical Office. Statistical Yearbook, Germany, 2012; Federal Statistical Office: Wiesbaden, Germany, 2013.
- Lange, V.; Pelka, M. Determination of Spoilage Levels of Fresh Fruit and Vegetables According to the Type of Packaging; Fraunhofer Institut für Materialfluss und Logistik: Dortmund, Germany, 2013. [Google Scholar]
- EUROSTAT, European Statistics Office. Packaging Waste by Waste Operations and Waste Flow. Available online: https://appsso.eurostat.ec.europa.eu/nui/show.do?dataset=env_waspac&lang=en (accessed on 24 July 2020).
- Clark, D.I. Food Packaging and Sustainability: A Manufacturer’s View. In Reference Module in Food Science; Elsevier: Amsterdam, The Netherlands, 2018. [Google Scholar] [CrossRef]
- European Parliament. Directive 2008/98/EC of the European Parliament and of the Council of 19 November 2008 on Waste and Repealing Certain Directives. Available online: https://eur-lex.europa.eu/legal-content/EN/TXT/PDF/?uri=CELEX:32008L0098&from=EN (accessed on 24 July 2020).
- Spanish Ministry of the Presidency Royal Decree 888/1988 for the approval of general standard about recipients containing fresh food products, perishable in nature, non-packaged or unwrapped. Off. State Gaz. Gov. Spain 1988, 187, 24293–24294.
- Forster, P.; Ramaswamy, V.; Artaxo, P.; Berntsen, T.; Betts, R.; Fahey, D.W.; Haywood, J.; Lean, J.; Lowe, D.C.; Myhre, G.; et al. Changes in Atmospheric Constituents and in Radiative Forcing. In Climate Change 2007: The Physical Science Basis. Contribution of Working Group I to the Fourth Assessment Report of the Intergovernmental Panel on Climate Change; Solomon, S., Qin, D., Manning, M., Chen, Z., Marquis, M., Averyt, K.B., Tignor, M., Miller, H.L., Eds.; Cambridge University Press: Cambridge, UK; New York, NY, USA, 2007. [Google Scholar]
- AAD Market. Sectoral Report. Packing and Packaging in Spain (Informe Sectorial. Envase y Embalaje en España); Hispack: Madrid, Spain, 2018. [Google Scholar]
- Gustavsson, J.; Cederberg, C.; Sonesson, U.; van Otterkijk, R.; Meybeck, A. Global food losses, and food waste. In Proceedings of International Congress Save Food, Düsseldorf, Germany, 16–17 May 2011; Food and Agriculture Organization of the United Nations: Rome, Italy, 2011. [Google Scholar]
- COEXPHAL. El envase puede mejorar la competitividad y sostenibilidad del sector hortofrutícola. Almería en Verde. La Rev. Del Agricultor 2016, 141, 6–8. [Google Scholar]
- AFCO. Available online: https://www.afco.es/sello-de-calidad-agricola-uniq (accessed on 24 July 2020).
- Laurent, A.; Olsen, S.I.; Hauschild, M.Z. Limitations of Carbon Footprint as Indicator of Environmental Sustainability. Environ. Sci. Technol. 2012, 46, 4100–4108. [Google Scholar] [CrossRef] [PubMed]
- Hottle, T.; Bilec, M.; Landis, A. Sustainability assessments of bio-based polymers. Polym. Degrad. Stab. 2013, 98, 1898–1907. [Google Scholar] [CrossRef]
- Ögmundarson, Ó.; Herrgård, M.J.; Forster, J.; Hauschild, M.Z.; Fantke, P. Addressing environmental sustainability of biochemicals. Nat. Sustain. 2020, 3, 167–174. [Google Scholar] [CrossRef]








| Year | Author and Reference | Goal of the Study | Geographic Scope | Containers Considered | Products Transported |
|---|---|---|---|---|---|
| 2000 | Ecobilan (2000) [4] | Comparative analysis of three different types of packaging for apples. | Distribution within the French national market | Wooden boxes Foldable plastic crates (Polypropylene, PP) Cardboard boxes | Apples |
| 2004 | Sauer et al. (2004) [7] | Comparison of plastic containers and display-ready corrugated containers for fresh products. | Distribution within the national US market | Non-foldable plastic boxes (PP) Cardboard boxes | Ten different fresh fruits and vegetables |
| 2005 | Capuz et al. (2005) [8] | Comparative study of the environmental and economic characteristics of corrugated cardboard boxes and reusable plastic crates in the long-distance transport of fruit and vegetables. | International distribution (from Spain to Germany) | Foldable plastic boxes (High Density Polyethylene, HDPE) Cardboard boxes | Tomatoes |
| 2006 | Singh et al. (2006) [9] | Analysis of reusable plastic containers and display-ready corrugated containers used for packaging fresh fruits and vegetables. | Distribution within the national US market | Non-foldable plastic boxes (PP) Cardboard boxes | Ten different fresh fruits and vegetables |
| 2007 | Barthel et al. (2007) [10] | Analysis of the environmental impact of the transport of fruit and vegetables in Europe. | International distribution across Europe | Wooden boxes Foldable plastic crates (PP and HDPE) Cardboard boxes | Fresh fruits and vegetables |
| 2009 | Albrecht et al. (2009) [11] | Update of the previous study. Analysis of the environmental impact of the transport of fruit and vegetables in Europe. | International distribution across Europe | Wooden boxes Foldable plastic crates (PP and HDPE) Cardboard boxes | Fresh fruits and vegetables |
| 2011 | Levi et al. (2011) [12] | Comparison of the environmental impact of disposable and reusable packaging of fruit and vegetables in Italy. | Distribution within the Italian and European market | Foldable plastic crates (PP) Cardboard boxes | Twelve types of fruits and vegetables |
| 2013 | Albrecht et al. (2013) [13] | A LCA of packaging systems for fruit and vegetables. | International distribution across Europe | Wooden boxes Foldable plastic crates (PP and HDPE) Cardboard boxes | Fresh fruits and vegetables |
| 2015 | Payen et al. (2015) [19] | Moroccan tomato export to the French market. | International distribution from Morocco to the French market | Cardboard boxes | Tomatoes |
| 2016 | Franklin Associates (2016) [14] | Comparative analysis of reusable plastic containers and display and non-display-ready cardboard containers. | Distribution throughout North America | Reusable plastic containers (PP) Display-ready corrugated fiber containers Non-display-ready corrugated fiber containers | Ten different fresh fruits and vegetables |
| 2017 | Bala and Fullana (2017) [15] | Comparative LCA of supply options for fruit and vegetables in Spain. | Distribution within the Spanish national market | Foldable plastic crates (PP and HDPE) Cardboard boxes | Fresh fruits and vegetables |
| 2020 | Lo-Iacono et al. (2020) [17] | A carbon footprint assessment of the transport of Spanish fruit and vegetables. | International distribution (from Spain to Germany) | Foldable plastic crates (PP) Cardboard boxes | Six different fresh fruits and vegetables |
| Box Type | Dimensions When Use (mm3) | Folded Height (mm) | Weight (kg) | Maximum Capacity (kg) |
|---|---|---|---|---|
| PPB6 | 600 × 400 × 101 | 34.3 | 1.170 | 6 |
| PPB4 | 400 × 300 × 167 | 34.3 | 0.920 | 7 |
| CCB6 | 600 × 400 × 101 | 7.0 | 0.478 | 7 |
| CCB4 | 400 × 300 × 145 | 7.0 | 0.319 | 6 |
| Type of Box | Maximum Capacity (kg) | Real Load (kg) | Total Number of Boxes/Uses * |
|---|---|---|---|
| PPB6 | 6 | 6 | 166,667 |
| PPB4 | 7 | 6 | 166,667 |
| CCB6 | 7 | 7 | 142,858 |
| CCB4 | 6 | 6 | 166,667 |
| Input Data/Flows | TeR | GR | TiR | C | P | M | Source | DQR | |
|---|---|---|---|---|---|---|---|---|---|
| Sizes, maximum capacities, weight, and raw material of the PPB | 0 | 1 | 1 | 2 | 2 | 2 | [40,41] | 1.78 | Basic quality |
| Sizes, maximum capacities, weight, and composition of the CCB | 0 | 1 | 1 | 2 | 2 | 2 | CCB manufacturers with UNIQ seal [42] | 1.78 | Basic quality |
| Polypropylene for boxes | 3 | 2 | 2 | 2 | 3 | 2 | [41] | 2.60 | Basic quality |
| Environmental data of raw materials for boxes | 2 | 1 | 1 | 1 | 2 | 1 | [41,42] | 1.60 | High quality |
| Actual load capacities of the boxes according to the fruit and vegetable products to be transported | 1 | 3 | 0 | 2 | 1 | 1 | Export companies from Almería | 2.22 | Basic quality |
| Internal transport | 3 | 3 | 2 | 2 | 3 | 2 | Export companies from Almería | 2.70 | Basic quality |
| Electric supply model | 0 | 2 | 2 | 1 | 2 | 2 | [35,43] | 1.89 | Basic quality |
| Cardboard manufacturing and die-cutting processes | 2 | 1 | 1 | 2 | 2 | 2 | [42,44] | 1.8 | Basic quality |
| Internal transport fuel | 0 | 3 | 3 | 2 | 2 | 2 | [35] | 2.67 | Basic quality |
| Machinery or injection process | 1 | 2 | 2 | 2 | 3 | 2 | [35,41,45] | 2.40 | Basic quality |
| Sanitizing process | 3 | 3 | 2 | 2 | 3 | 2 | [46,47] | 2.70 | Basic quality |
| Trucks for the transport of raw materials and boxes | 2 | 2 | 2 | 2 | 2 | 2 | [35] | 2.00 | Basic quality |
| Emission factors for maritime transport modeling | 0 | 2 | 1 | 1 | 2 | 2 | [48] | 1.78 | Basic quality |
| Emission factors for road transport modeling | 0 | 2 | 1 | 1 | 2 | 2 | [49] | 1.78 | Basic quality |
| Distance to destination country | 0 | 2 | 1 | 2 | 3 | 2 | [50,51] | 2.44 | Basic quality |
| Percentage of losses and/or breaks for PPB | 0 | 2 | 1 | 2 | 2 | 2 | [10,14] | 1.89 | Basic quality |
| Percentage of losses and/or breaks for CCB | 2 | 1 | 1 | 1 | 2 | 1 | [42] | 1.60 | High quality |
| Rotations/use of PPB | 0 | 2 | 1 | 2 | 2 | 2 | [10,14,52] | 1.89 | Basic quality |
| Percentage distribution of waste management treatments of plastic containers | 0 | 1 | 1 | 1 | 2 | 2 | [53] | 1.67 | Basic quality |
| End-of-life treatments | 3 | 3 | 3 | 3 | 3 | 3 | [35] | 3.00 | Basic quality |
| Diesel Forklift | Electric Forklift | |
|---|---|---|
| Maximum load capacity (kg) | 1500 | 1500 |
| Full load power | 2.3 L/h | 4.1 kW |
| Activity time (s) | 60 | 60 |
| No. of trips | 4 | 4 |
| Source of information for the environmental damage model | [35] | [43] |
| Operation/Place | Average Duration (Days) |
|---|---|
| Stock (packer or producer) | 15 |
| Traveling to the selling point | 1–2 |
| At the store (display-ready boxes) | 5–7 |
| At store storage, folded, waiting for the return trip | 1 |
| At the sanitation center | 1 |
| Stock (storage center) | 15–20 |
| Traveling for replacement | 1 |
| Total | 34–47 |
| Box Type | Boxes Per Truck | Total Trips Needed |
|---|---|---|
| PPB6 | 7920 | 21.04 |
| PPB4 | 15,840 | 10.52 |
| Box Type | Rows of Boxes per Pallet | Boxes per Row | Pallets per Truck | Actual Load per Box (kg) | Boxes per Truck | Boxes to Transport | Total Load (Boxes + Product) to Be Transported by Truck (t) | Number of Trucks or Trips to Carry to Transport 1000 t |
|---|---|---|---|---|---|---|---|---|
| PPB6 | 20 | 4 | 33 | 6 | 2640 | 166,667 | 18.93 | 63.13 |
| PPB4 | 12 | 8 | 33 | 6 | 3168 | 166,667 | 21.92 | 52.61 |
| Box Type | Rows of Boxes per Pallet | Boxes per Row | Pallets per Truck | Box Weight (kg) | Boxes per Truck | Boxes to Transport | Loading of Boxes per Truck (t) | Number of Trucks or Trips to Carry all the Boxes |
|---|---|---|---|---|---|---|---|---|
| PPB6 | 60 | 4 | 33 | 1.170 | 7920 | 166,667 | 9.27 | 21.04 |
| PPB4 | 60 | 8 | 33 | 0.920 | 15,840 | 166,667 | 14.57 | 10.52 |
| Entries | Quantity | |
|---|---|---|
| Water | 0.6075 kg/box | |
| Detergents | Biodegradables | 0.0109 kg/box |
| Sodium carbonate | 0.00025 kg/box | |
| Energy | 0.03204 kWh/box | |
| Boxes to Transport 1000 t (Without Considering Cycles or Losses/Breaks) | Number of Cycles Considered per Box | Boxes to Transport 1000 t (Considering Cycles) |
|---|---|---|
| 166,667 | 100 | 1667 |
| 50 | 3334 | |
| 20 | 8334 |
| Country | Germany | Spain |
|---|---|---|
| Incineration/energy recovery (R1) * | 55.61% | 0.00% |
| Recovery other than energy recovery | 0.00% | 0.00% |
| Incineration with energy recovery in waste incinerators | 0.35% | 30.53% |
| Material recycling | 40.71% | 69.47% |
| Other forms of recycling (including composting) | 3.33% | 0.00% |
| Total | 100.00% | 100.00% |
| Country | Germany | Spain |
|---|---|---|
| Incineration/energy recovery (R1) | 12.28% | 0.00% |
| Recovery other than energy recovery | 0.00% | 0.00% |
| Incineration with energy recovery in waste incinerators | 0.03% | 5.38% |
| Material recycling | 87.33% | 94.62% |
| Other forms of recycling (including composting) | 0.36% | 0.00% |
| Total | 100.00% | 100.00% |
Publisher’s Note: MDPI stays neutral with regard to jurisdictional claims in published maps and institutional affiliations. |
© 2021 by the authors. Licensee MDPI, Basel, Switzerland. This article is an open access article distributed under the terms and conditions of the Creative Commons Attribution (CC BY) license (http://creativecommons.org/licenses/by/4.0/).
Share and Cite
Lo-Iacono-Ferreira, V.G.; Viñoles-Cebolla, R.; Bastante-Ceca, M.J.; Capuz-Rizo, S.F. Carbon Footprint Comparative Analysis of Cardboard and Plastic Containers Used for the International Transport of Spanish Tomatoes. Sustainability 2021, 13, 2552. https://doi.org/10.3390/su13052552
Lo-Iacono-Ferreira VG, Viñoles-Cebolla R, Bastante-Ceca MJ, Capuz-Rizo SF. Carbon Footprint Comparative Analysis of Cardboard and Plastic Containers Used for the International Transport of Spanish Tomatoes. Sustainability. 2021; 13(5):2552. https://doi.org/10.3390/su13052552
Chicago/Turabian StyleLo-Iacono-Ferreira, Vanesa G., Rosario Viñoles-Cebolla, María José Bastante-Ceca, and Salvador F. Capuz-Rizo. 2021. "Carbon Footprint Comparative Analysis of Cardboard and Plastic Containers Used for the International Transport of Spanish Tomatoes" Sustainability 13, no. 5: 2552. https://doi.org/10.3390/su13052552
APA StyleLo-Iacono-Ferreira, V. G., Viñoles-Cebolla, R., Bastante-Ceca, M. J., & Capuz-Rizo, S. F. (2021). Carbon Footprint Comparative Analysis of Cardboard and Plastic Containers Used for the International Transport of Spanish Tomatoes. Sustainability, 13(5), 2552. https://doi.org/10.3390/su13052552

