Integration of Energy-Efficient Ventilation Systems in Historic Buildings—Review and Proposal of a Systematic Intervention Approach
Abstract
1. An Introduction in Ventilation in Historical Buildings
2. Interrelated Effects in Connection with Ventilation Systems in Historical Buildings—A Review
2.1. Building Envelope Physics Due to Internal Insulation: Ventilation Strategy, Internal Temperatures, and Hygrothermal Risk
2.2. Ventilation, Occupants, and Indoor Environmental Quality in Historic Buildings
2.3. Ventilation and Airtightness in Historic Buildings
3. Systematic Approach Proposal—Integrating Ventilation Measures in Historic Buildings
3.1. ATLAS Interreg Alpine Space and TASK 59—HiBERtool
3.2. Approach from EN 16883—Assessment Criteria
- Technical compatibility
- Heritage significance of the building and its settings
- Economic viability
- Energy
- Indoor environmental quality
- Impact on the outdoor environment
- Aspect of use
4. Practical Examples—Assessment According to EN 16883
4.1. Quick Assessment
4.1.1. Natural Ventilation
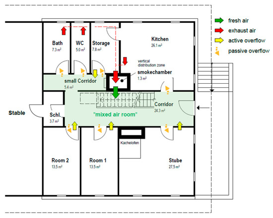
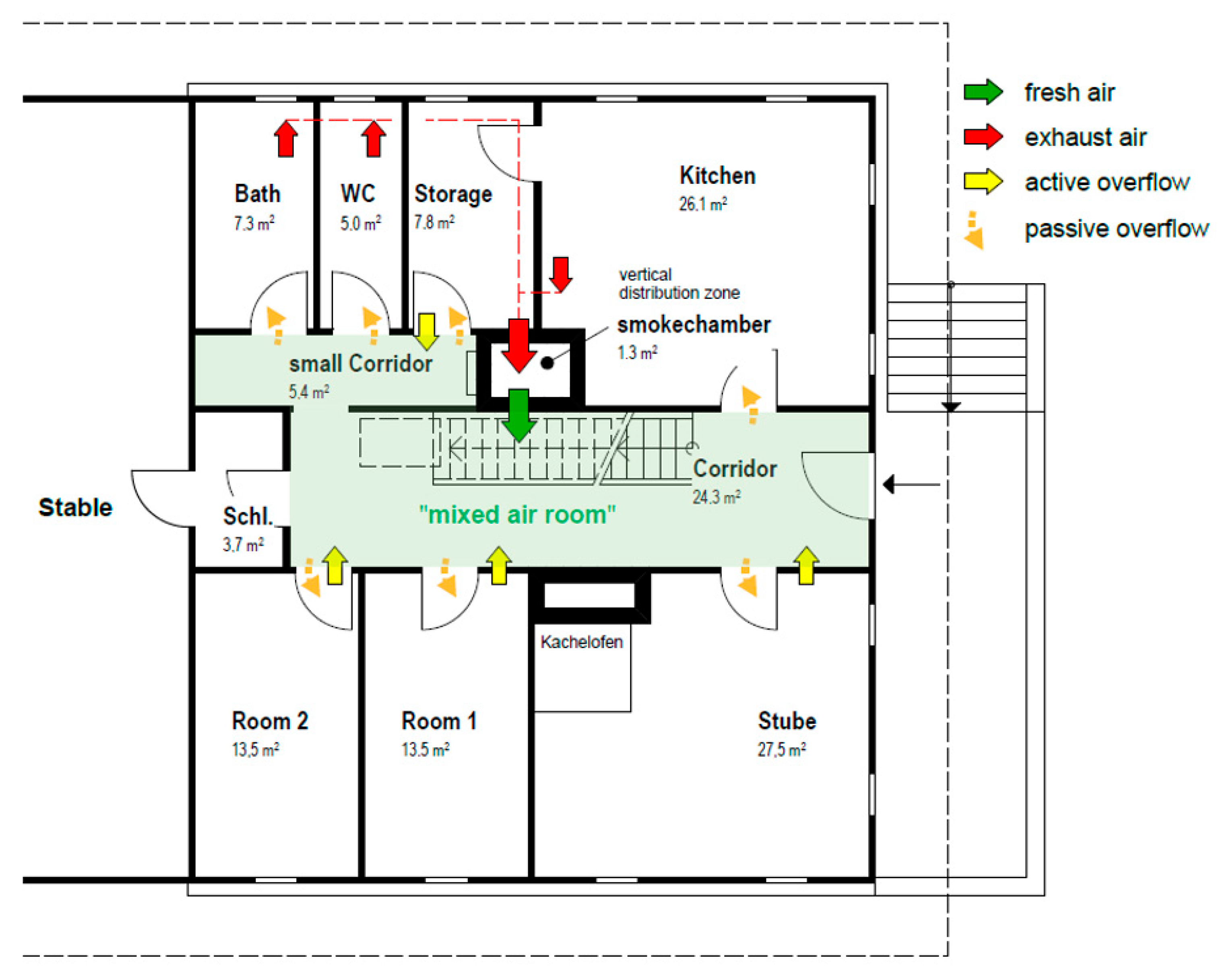
4.1.2. Active Overflow Systems
4.1.3. Decentralized Room-by-Room Ventilation Through the Facade with Constant Airflow
- If mold has occurred in the apartment (may often be due to lack of ventilation),
- In connection with energy renovations, for example facade renovation and window replacement,
- In cold climate, where draft problems can occur.
4.2. Detailed Assessment—Active Overflow System
4.2.1. Technical Compatibility
4.2.2. Heritage Significance of the Building and Its Settings
4.2.3. Economic Viability
4.2.4. Energy
4.2.5. Indoor Environmental Quality
4.2.6. Impact on the Outdoor Environment
4.2.7. Aspect of Use
5. Discussion and Conclusions
Author Contributions
Funding
Institutional Review Board Statement
Informed Consent Statement
Data Availability Statement
Acknowledgments
Conflicts of Interest
References
- Cantin, R.; Burgholzer, J.; Guarracino, G.; Moujalled, B.; Tamelikecht, S.; Royet, B.G. Field assessment of thermal behaviour of historical dwellings in France. Build Environ. 2010, 45, 473–484. [Google Scholar] [CrossRef]
- Coillot, M.; El Mankibi, M.; Cantin, R. Heating, ventilating and cooling impacts of double windows on historic buildings in Mediterranean area. Energy Proc. 2017, 133, 28–41. [Google Scholar] [CrossRef]
- Etheridge, D. A perspective on fifty years of natural ventilation research. Build. Environ. 2015, 91, 51–60. [Google Scholar] [CrossRef]
- Khan, N.; Su, Y.; Riffat, S.B. A review on wind driven ventilation techniques. Energy Build. 2008, 40, 1586–1604. [Google Scholar] [CrossRef]
- Bülow, A.E. Preventive Conservation for Paper-Based Collections in Historic Buildings. Ph.D. Thesis, De Montfort University, Leicester, UK, 2002. [Google Scholar]
- Sahin, C.D.; Coşkun, T.; Arsan, Z.D.; Gökçen Akkurt, G. Investigation of indoor microclimate of historic libraries for preventive conservation of manuscripts. Case study: Tire Necip Paşa library, İzmir-Turkey. Sustain. Cities Soc. 2017, 30, 66–78. [Google Scholar] [CrossRef]
- Durier, F.V. (Ed.) Trends in the French Building Ventilation Market and Drivers for Change; AIVC: Kyoto, Japan, 2008. [Google Scholar]
- Wouters, P.; Heijmans, N.; Delmotte, C.; Van Den Bossche, N.; Wuyts, D. Trends in the Belgian Building Ventilation Market and Drivers for Change; AIVC: Kyoto, Japan, 2008. [Google Scholar]
- Kolokotroni, M. Trends in the Building Ventilation Market in England and Drivers for Change; AIVC: Kyoto, Japan, 2008. [Google Scholar]
- Sherman, M. Trends in the US Building Ventilation Market and Drivers for Changes; AIVC: Kyoto, Japan, 2008. [Google Scholar]
- Mélois, A.B.; Moujalled, B.; Guyot, G.; Leprince, V. Improving building envelope knowledge from analysis of 219,000 certified on-site air leakage measurements in France. Build. Environ. 2019, 159, 106145. [Google Scholar] [CrossRef]
- Carrilho da Graça, G.; Linden, P. Ten questions about natural ventilation of non-domestic buildings. Build. Environ. 2016, 107, 267–273. [Google Scholar] [CrossRef]
- Schulze, T.; Eicker, U. Controlled natural ventilation for energy efficient buildings. Energy Build. 2013, 56, 221–232. [Google Scholar] [CrossRef]
- Cardinale, N.; Ruggiero, F. A case study on the environmental measures techniques for the conservation in the vernacular settlements in Southern Italy. Build. Environ. 2002, 37, 405–414. [Google Scholar] [CrossRef]
- Kunkel, S.; Kontonasiou, E.; Arcipow, A.; Bogdan, A.; Mariottini, F. Indoor air quality, thermal comfort and daylight—Analysis of residential building regulations in eight EU member states. Build. Perform. Inst. Eur. 2015, 100, 1–6. [Google Scholar]
- Zukowska, D.; Rojas, G.; Burman, E.; Guyot, G.; Bocanegra-Yanez, M.d.C.; Laverge, J.; Cao, G.; Kolarik, J. Ventilation in low energy residences—A survey on code requirements, implementation barriers and operational challenges from seven European countries. Int. J. Vent. 2020, 1–20. [Google Scholar] [CrossRef]
- Guyot, G.; Walker, I.S.; Sherman, M.H. Performance based approaches in standards and regulations for smart ventilation in residential buildings: A summary review. Int. J. Vent. 2019, 18, 96–112. [Google Scholar] [CrossRef]
- Guyot, G.; Sherman, M.H.; Walker, I.S. Smart ventilation energy and indoor air quality performance in residential buildings: A review. Energy Build. 2018, 165, 416–430. [Google Scholar] [CrossRef]
- Mansson, L.G.; Svennberg, L.A.; Liddament, M.W. Technical Synthesis Report. A Summary of IEA Annex 18. Demand Controlled Ventilating Systems. 1997. Available online: http://www.ecbcs.org/annexes/annex18.htm (accessed on 8 July 2016).
- Apte, M. A Review of Demand Control Ventilation. 2006. Available online: https://indoor.lbl.gov/sites/all/files/lbnl-60170.pdf (accessed on 25 August 2020).
- Maripuu, M.-L. Demand controlled ventilation (DCV) for better IAQ and Energy Efficiency. Rehva J. 2011, 48, 26–30. [Google Scholar]
- Chenari, B.; Dias Carrilho, J.; Da Gameiro Silva, M. Towards sustainable, energy-efficient and healthy ventilation strategies in buildings: A review. Renew. Sustain. Energy Rev. 2016, 59, 1426–1447. [Google Scholar] [CrossRef]
- Moran, F.; Blight, T.; Natarajan, S.; Shea, A. The use of passive house planning package to reduce energy use and CO2 emissions in historic dwellings. Energy Build. 2014, 75, 216–227. [Google Scholar] [CrossRef]
- Martinez-Molina, A.; Alamaniotis, M. Enhancing historic building performance with the use of fuzzy inference system to control the electric cooling system. Sustainability 2020, 12, 5848. [Google Scholar] [CrossRef]
- IEA-SHC Task 59. Deep Renovation of Historic Buildings Towards Lowest Possible Energy Demand and CO2 Emission (NZEB). Available online: http://task59.iea-shc.org/ (accessed on 25 August 2020).
- ATLAS Interreg Alpine Space Project. Advanced Tools for Low-Carbon, High Value Development of Historic Architecture in the Alpine Space. Available online: https://www.alpine-space.eu/projects/atlas/en/home (accessed on 25 August 2020).
- Conservation of Cultural Heritage—Guidelines for Improving the Energy Performance of Historic Buildings; EN 16883; SIS, Swedish Standards Institute: Stockholm, Sweden, 2017.
- Exner, D.; Larcher, M.; Belleri, A.; Troi, A.; Haas, F. The “Waaghaus” of Bolzano Energy efficiency, hygrothermal risk and ventilation strategy evaluation for a heritage building. In Proceedings of the 3rd International Conference on Energy Efficiency in Historic Buildings (EEHB2018), Visby, Sweden, 26–27 September 2018; pp. 135–144. [Google Scholar]
- Thermal Bridges in Building Construction—Heat Flows and Surface Temperatures—Detailed Calculations; EN ISO 10211:2017; Austrian Standards International: Wiena, Austria, 2018.
- Lorenzetti, D.M.; Dols, W.S.; Persily, A.K.; Sohn, M.D. A stiff, variable time step transport solver for CONTAM. Build. Environ. 2013, 67, 260–264. [Google Scholar] [CrossRef][Green Version]
- Walton, G.N.E.S. CONTAM93: A multizone airflow and contaminant dispersal model with a graphic user interface. Air Infiltration 1994, 16, 6–8. [Google Scholar]
- Brambilla, A.; Sangiorgio, A. Mould growth in energy efficient buildings: Causes, health implications and strategies to mitigate the risk. Renew. Sustain. Energy Rev. 2020, 132, 110093. [Google Scholar] [CrossRef]
- Rieser, A. Thermische Sanierungskonzepte für Landwirtschaftliche Holzgebäude unter Beibehaltung der Historischen Baukultur. Master’s Thesis, University of Innsbruck, Innsbruck, Austria, 2020. [Google Scholar]
- Troi, A.; Bastian, Z. (Eds.) Energy Efficiency Solutions for Historic Buildings. A Handbook; Birkhauser: Basel, Switzerland, 2014; ISBN 9783038216469. [Google Scholar]
- Stephen, R.K. Airtightness in UK Dwellings. BRE’s Test Results and Their Significance; CRC: London, UK, 1998; ISBN 9781860812613. [Google Scholar]
- Halliday, S. Technical Paper 6: Indoor Air Quality and Energy Efficiency in Traditional Buildings. Hist. Scotl. Edinb. 2009. Available online: https://www.historicenvironment.scot/archives-and-research/publications/publication/?publicationId=e079f85f-4aa6-4218-b3c9-a59400e211fc (accessed on 25 August 2020).
- Hubbard, D. Ventilation, infiltration and air permeability ventilation, infiltration and air permeability. J. Archit. Conserv. 2011, 17, 59–73. [Google Scholar] [CrossRef]
- Johnston, D.; Miles-Shenton, D.; Bell, M.; Wingfield, J. Airtightness of Buildings—Towards Higher Performance; Department for Communities and Local Government: Leeds, UK, 2011. [Google Scholar]
- Seppänen, O.A.; Fisk, W.J.; Mendell, M.J. Association of ventilation rates and CO2 concentrations with health and other responses in commercial and institutional buildings. Indoor Air 1999, 9, 226–252. [Google Scholar] [CrossRef]
- Sundell, J.; Levin, H.; Nazaroff, W.W.; Cain, W.S.; Fisk, W.J.; Grimsrud, D.T.; Gyntelberg, F.; Li, Y.; Persily, A.K.; Pickering, A.C.; et al. Ventilation rates and health: Multidisciplinary review of the scientific literature. Indoor Air 2011, 21, 191–204. [Google Scholar] [CrossRef]
- Wargocki, P. The Effects of Ventilation in Homes on Health; INSR: Paris, France, 2012. [Google Scholar]
- Eskola, L.; Alex, Ü.; Arumägi, E.; Jokisalo, J.; Donarelli, A.; Siren, K.; Kalamess, T. Airtightness, air exchange and energy performance in historic residential buildings with different structures. Int. J. Vent. 2015, 14, 11–26. [Google Scholar] [CrossRef]
- May, N.; Rye, C. Responsible Retrofit of Traditional Buildings. A Report on Existing Research and Guidance with Recommendations; STBA: London, UK, 2012. [Google Scholar]
- Changeworks. Energy Heritage—A Guide to Improving Energy Efficiency in Traditional and Historic Homes; Changeworks: Edinburgh, UK, 2008. [Google Scholar]
- Humphreys, M.; Nicol, F.; Roaf, S. Technical paper 14: Keeping warm in a cooler house. Hist. Scotl. Edinb. 2011, 14, 1–23. [Google Scholar]
- Herrera-Avellanosa, D. Energy Efficiency Improvements in Traditional Buildings: Exploring the Role of User Behaviour in the Hygrothermal Performance of Solid Walls. Ph.D. Thesis, Robert Gordon University, Aberdeen, UK, 2016. [Google Scholar]
- Lourenço, P.B.; Luso, E.; Almeida, M.G. Defects and moisture problems in buildings from historical city centres: A case study in Portugal. Build. Environ. 2006, 41, 223–234. [Google Scholar] [CrossRef]
- Herrera-Avellanosa, D.; Bennadji, A. Analysis of indoor climate and occupants’ behaviour in traditional Scottish dwellings. Energy Procedia 2015, 78, 639–644. [Google Scholar] [CrossRef]
- Kalamees, T.; Väli, A.; Kallavus, U.; Kurik, L.; Alev, Ü. Simulated influence of indoor climate and ventilation on schoolwork performance in Estonian manor schools. Int. J. Vent. 2015, 14, 153–164. [Google Scholar] [CrossRef]
- Neuhaus, E.; Schellen, H.L. Humidistat-Controlled Heating and Ventilation Systems to Create Preservation Conditions in Historic Buildings in the Dutch Climate; Clima World Congress Wellbeing: Helsinki, Finland, 2007. [Google Scholar]
- Rohdin, P.; Dalewski, M.; Moshfegh, B. Indoor environment and energy use in historic buildings—Comparing survey results with measurements and simulations. Int. J. Vent. 2012, 10, 371–382. [Google Scholar] [CrossRef]
- Martínez-Molina, A.; Tort-Ausina, I.; Cho, S.; Vivancos, J.-L. Energy efficiency and thermal comfort in historic buildings: A review. Renew. Sustain. Energy Rev. 2016, 61, 70–85. [Google Scholar] [CrossRef]
- Nicol, F.; Humphreys, M.A.; Roaf, S. Adaptive Thermal Comfort. Principles and Practice; Routledge: London, UK; New York, NY, USA, 2012; ISBN 9781136336478. [Google Scholar]
- Pfluger, R.; Feist, W.; Tietjen, A.; Neher, A. Physiological impairments of individuals at low indoor air humidity. Gefahrst. Reinhalt. Luft 2013, 73, 107–108. [Google Scholar]
- Bataille, E. Impact of low energy buildings on indoor air quality (IAQ). Rehva J. 2011, 48, 5–8. [Google Scholar]
- Caro, R.; Sendra, J.J. Are the dwellings of historic Mediterranean cities cold in winter? A field assessment on their indoor environment and energy performance. Energy Build. 2021, 230, 110567. [Google Scholar] [CrossRef]
- Curtis, R. Climate change and traditional buildings: The approach taken by historic Scotland. J. Archit. Conserv. 2010, 16, 7–27. [Google Scholar] [CrossRef]
- Hillier, J.F. Modern Building Services for Listed Historic Buildings: Problems & Risks. Ph.D. Thesis, Oxford Brookes University, Oxford, UK, 2004. [Google Scholar]
- Urquhart, D. Conversion of traditional buildings. Application of the Scottish building standards. Hist. Scotl. Edinb. 2007, 6463. [Google Scholar]
- Papaglastra, M.; Leivada, I.; Sfakianaki, K.; Rémi Carrié, F.; Santamouris, M. International comparison of envelope airtightness measurements. In Proceedings of the 3rd European Blower Door Symposium, Kassel, Germany, 30–31 May 2008; pp. 30–31. [Google Scholar]
- Kalamees, T.; Kurnitski, J. Moisture convection performance of external walls and roofs. J. Build. Phys. 2009, 33, 225–247. [Google Scholar] [CrossRef]
- Alev, Ü. Renovation and Energy Performance Imporvement of Estonian Wooden Rural Houses. Ph.D. Thesis, Tallinn University of Technology, Tallinn, Estonia, 2017. [Google Scholar]
- CEN. Thermal Performance of Buildings—Determination of Air Permeability of Buildings—Fan Pressurization Method; EN 13829:2000; CEN: Brussels, Belgium, 2000. [Google Scholar]
- DIN Deutsches Institut für Normung. Wärmeschutz und Energie-Einsparung in Gebäuden—Teil 7: Luftdichtheit von Gebäuden—Anforderungen, Planungs- und Ausführungsempfehlungen Sowie -Beispiele; DIN 4108-7:2011-01; DIN Deutsches Institut für Normung: Berlin, Germany, 2011. [Google Scholar]
- Penna, P.; Stuffer, O.; Troi, A.; Cari, V. Villa Castelli—Transformation of historical building into nearly zero energy building. Trans. Tech. Publ. 2019, 887, 148–155. [Google Scholar]
- HiBERTool (Historic Buildings Energy Retrofit Tool). Available online: https://www.hiberatlas.com (accessed on 25 August 2020).
- Cardinale, N.; Rospi, G.; Stefanizzi, P. Energy and microclimatic performance of Mediterranean vernacular buildings: The Sassi district of Matera and the Trulli district of Alberobello. Build. Environ. 2013, 59, 590–598. [Google Scholar] [CrossRef]
- Vella, R.C.; Martinez, F.J.R.; Yousif, C.; Gatt, D. A study of thermal comfort in naturally ventilated churches in a Mediterranean climate. Energy Build. 2020, 213, 109843. [Google Scholar] [CrossRef]
- Caro, R.; Sendra, J.J. Evaluation of indoor environment and energy performance of dwellings in heritage buildings. The case of hot summers in historic cities in Mediterranean Europe. Sustain. Cities Soc. 2020, 52, 101798. [Google Scholar] [CrossRef]
- Tablada, A.; de Troyer, F.; Blocken, B.; Carmeliet, J.; Verschure, H. On natural ventilation and thermal comfort in compact urban environments—The Old Havana case. Build. Environ. 2009, 44, 1943–1958. [Google Scholar] [CrossRef]
- Ionescu, C.; Baracu, T.; Vlad, G.-E.; Necula, H.; Badea, A. The historical evolution of the energy efficient buildings. Renew. Sustain. Energy Rev. 2015, 49, 243–253. [Google Scholar] [CrossRef]
- Ding, G.; Ying, X. Embodied and operating energy assessment of existing buildings—Demolish or rebuild. Energy 2019, 182, 623–631. [Google Scholar] [CrossRef]
- Sibille, E. Optimized Integration of Ventilation with Heat Recovery in Residential Buildings Through Mentation of Innovative Air Distribution Strategies and Pre-Fabricated Components. Ph.D. Thesis, University of Innsbruck, Innsbruck, Austria, 2015. [Google Scholar]
- Pfluger, R.; Längle, K.; Rojas, G. (Eds.) Minimal invasive ventilation systems with heat recovery for school buildings. In Proceedings of the 36th AIVC Conference Effective Ventilation in High Performance Buildings, Madrid, Spain, 23–24 September 2015. [Google Scholar]
- Sprecher, F.; Estévez, M. Produktewettbewerb Aktive Überströmer. Bericht des Preisgerichtes; Fachstelle Energie- und Gebäudetechnik, Vewrein Minergie: Zurich, Switzerland, 2011. [Google Scholar]
- Pfluger, R.; Rothbacher, M. Active Overflow Ventilation for Refurbishing of School Buildings; Internationale Passivhaustagung: Frankfurt/Main, Germany, 2013. [Google Scholar]
- Asdrubali, F.; Baldinelli, G.; Bianchi, F.; Cornicchia, M. Experimental performance analyses of a heat recovery system for mechanical ventilation in buildings. Energy Procedia 2015, 82, 465–471. [Google Scholar] [CrossRef]
- Kamendere, E.; Zogla, G.; Kamenders, A.; Ikaunieks, J.; Rochas, C. Analysis of mechanical ventilation system with heat recovery in renovated apartment buildings. Energy Procedia 2015, 72, 27–33. [Google Scholar] [CrossRef]
- Abdul Hamid, A.; Johansson, D.; Bagge, H. Ventilation measures for heritage office buildings in temperate climate for improvement of energy performance and IEQ. Energy Build. 2020, 211, 109822. [Google Scholar] [CrossRef]
- O’Connor, D.; Calautit, J.K.S.; Hughes, B.R. A review of heat recovery technology for passive ventilation applications. Renew. Sustain. Energy Rev. 2016, 54, 1481–1493. [Google Scholar] [CrossRef]
- HiBERatlas (Historic Buildings Energy Regrofit—Atlas). Available online: https://www.hiberatlas.com (accessed on 25 August 2020).









| Assessment Scale | ||||
|---|---|---|---|---|
| −2 High risk | −1 Low risk | 0 Neutral | 1 Low benefit | 2 High benefit |
| Assessment Criteria EN16883:2017 | Natural Ventilation | Active Overflow | Decentral Room-by-Room Ventilation | |
|---|---|---|---|---|
| Technical Compatibility | ||||
| Hygrothermal risks | ||||
| Biological risks | ||||
| Robustness/Buildability/design/Application | ||||
| Thermal bridges/Connection | ||||
| Reversibility | ||||
| Heritage significance of the building and its settings | ||||
| Material, constructional and structural impact | Table 3 | Table 4 | ||
| Architectural, aesthetic, visual impact | ||||
| Spatial impact | ||||
| Economic viability | ||||
| Capital costs | ||||
| Operating costs, including maintenance costs | ||||
| Economical return | ||||
| Economic savings | ||||
| Energy | ||||
| Energy performance and operational energy demand in terms of primary energy rating (total), primary energy rating (non-renewable), primary energy rating (renewable) | ||||
| Lifecycle energy demand in terms of use of renewable primary energy and non-renewable primary energy | ||||
| Indoor environmental quality | ||||
| Indoor environmental conditions suitable for building content preservation | ||||
| Indoor environmental conditions suitable for building fabric preservation | ||||
| Indoor environmental conditions suitable for achieving good occupant comfort levels | ||||
| Emission of other harmful substances | ||||
| Impact on the outdoor environment | ||||
| Greenhouse gas emissions from measures implemented and operation | ||||
| Emission of other harmful substances | ||||
| Natural resources use | ||||
| Aspect of use | ||||
| Influence on the use and the users of the building | ||||
| Consequences of the change of use | ||||
| Ability of building users to manage and operate control systems | ||||
| Heritage Significance of the Building and Its Settings-Active Overflow System | |||
|---|---|---|---|
| Material, constructional and structural impact | Architectural, aesthetic, visual impact | Spatial impact | |
| How is the airtightness of the building? | |||
| n50 < 1.0 h−1 | |||
| n50 > 1.0 h−1 | |||
| Room height | |||
| above 2.5 m | |||
| below 2.5 m | |||
| Are there decommissioned chimneys/shafts? | |||
| Yes | |||
| No | |||
| Is the external finish worthy of protection? | |||
| Yes | |||
| No | |||
| Is a refurbishment of the floor planned? | |||
| Yes | |||
| No | |||
| Heritage Significance of the Building and Its Settings-Decentralized Room-by-Room Ventilation. | |||
|---|---|---|---|
| Material, constructional and structural impact | Architectural, aesthetic, visual impact | Spatial impact | |
| How is the airtightness of the building? | |||
| n50 < 1.0 h−1 | |||
| n50 > 1.0 h−1 | |||
| Room height | |||
| above 2.5 m | |||
| below 2.5 m | |||
| Are there decommissioned chimneys/shafts? | |||
| Yes | |||
| No | |||
| Is the external finish worthy of protection? | |||
| Yes | |||
| No | |||
| Is a refurbishment of the floor planned? | |||
| Yes | |||
| No | |||
Publisher’s Note: MDPI stays neutral with regard to jurisdictional claims in published maps and institutional affiliations. |
© 2021 by the authors. Licensee MDPI, Basel, Switzerland. This article is an open access article distributed under the terms and conditions of the Creative Commons Attribution (CC BY) license (http://creativecommons.org/licenses/by/4.0/).
Share and Cite
Rieser, A.; Pfluger, R.; Troi, A.; Herrera-Avellanosa, D.; Thomsen, K.E.; Rose, J.; Arsan, Z.D.; Akkurt, G.G.; Kopeinig, G.; Guyot, G.; et al. Integration of Energy-Efficient Ventilation Systems in Historic Buildings—Review and Proposal of a Systematic Intervention Approach. Sustainability 2021, 13, 2325. https://doi.org/10.3390/su13042325
Rieser A, Pfluger R, Troi A, Herrera-Avellanosa D, Thomsen KE, Rose J, Arsan ZD, Akkurt GG, Kopeinig G, Guyot G, et al. Integration of Energy-Efficient Ventilation Systems in Historic Buildings—Review and Proposal of a Systematic Intervention Approach. Sustainability. 2021; 13(4):2325. https://doi.org/10.3390/su13042325
Chicago/Turabian StyleRieser, Alexander, Rainer Pfluger, Alexandra Troi, Daniel Herrera-Avellanosa, Kirsten Engelund Thomsen, Jørgen Rose, Zeynep Durmuş Arsan, Gulden Gokcen Akkurt, Gerhard Kopeinig, Gaëlle Guyot, and et al. 2021. "Integration of Energy-Efficient Ventilation Systems in Historic Buildings—Review and Proposal of a Systematic Intervention Approach" Sustainability 13, no. 4: 2325. https://doi.org/10.3390/su13042325
APA StyleRieser, A., Pfluger, R., Troi, A., Herrera-Avellanosa, D., Thomsen, K. E., Rose, J., Arsan, Z. D., Akkurt, G. G., Kopeinig, G., Guyot, G., & Chung, D. (2021). Integration of Energy-Efficient Ventilation Systems in Historic Buildings—Review and Proposal of a Systematic Intervention Approach. Sustainability, 13(4), 2325. https://doi.org/10.3390/su13042325

