Performance Analysis of the Perhydro-Dibenzyl-Toluene Dehydrogenation System—A Simulation Study
Abstract
1. Introduction
- Non-toxic and safe during transportation and use, with an acceptable eco-toxicology profile.
- Low production cost and compatibility with current fuel infrastructure.
- To attain the stability of LOHC molecules, an enthalpy of 40–70 kJ/mol is required.
- Gravimetric storage capacities are greater than 6 wt. % and volumetric storage capacities greater than 56 kg/m3 are required.
- To simplify hydrogen purification and to require low dynamic viscosity for fast pumping, a high boiling point is required, i.e., greater than 300 °C.
2. Model Development
- Steady-state
- Pressure drop (ΔP) in the heat exchangers = 10 kPa or 0.1 bar
- No pressure drop in the reactor
- 0.5 wt.% Pt/Al2O3 catalyst
- 1 wt.% Pt/Al2O3 catalyst
- 2 wt.% Pt/Al2O3 catalyst
- Strategy #1: It is observed during the simulation, that stream S9 (consists of hydrogen) has a considerably high temperature, which can be extracted, i.e., power can be produced, and the hydrogen stream can exchange heat with the reactor feed (in HEX-1) to reduce the steam consumption in the system. The scheme is presented in Figure 3.
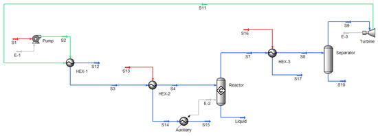
- Strategy #2: In addition to the scheme developed in strategy # 1, the product of the reactor is at the highest temperature in the system, so its heat can also be used to pre-heat the reactor feed (in HEX-1). The scheme is presented in Figure 4.
3. Results
- Catalyst: 2 wt.% Pt/Al2O3 catalyst
- Temperature: 320 °C
- Pressure: 2 bar
- Strategy #1: hot utility consumption is reduced by 47.06%, while cold utility consumption is reduced by 30%, with an overall reduction in utility consumption rate by 37.84%. The electricity is produced in the system, i.e., the turbine is producing a power of 485 kW, an important aspect missing in the base case, and therefore an improvement in the overall system. The % exergy destruction rate of strategy #1 is presented in Figure 6. The % exergy destruction in heat exchanger #1 is reduced from 31 (base-case) to 27%, while in heat exchanger #3, it is reduced from 24 (base-case) to 19%. The overall exergy destruction rate is reduced by 9.01% in comparison to the base case.
- Strategy #2: hot utility consumption is reduced by 70.59%, while cold utility consumption is reduced by 30%, with an overall reduction in utility consumption by 48.65%, at an expense of installation of one extra heat exchanger. In this case, the turbine is comparatively producing lesser power, i.e., 359 kW in the system, because the product of the reactor (S7) is exchanging heat with feed stream (S3); therefore, comparatively lesser heat is available for electricity generation. However, in this strategy, the % exergy destruction rate is reduced by 14.28% in comparison to the base case. The % exergy destruction rate in heat exchanger #1 is reduced from 31 (base-case) to 14%, in heat exchanger #2, it is reduced from 10 (base-case) to 3%, and in exchanger #3, it is reduced from 24 (base-case) to 18%, as presented in Figure 7.
- Although an extra heat exchanger is required which contributes to the higher fixed cost of the system in strategy #2, however, the benefit associated with this strategy is the reduction in the utility consumption rate by 48.65%, thereby, reducing the operational cost of the system. In comparison, the utility consumption rate is reduced by 37.84% in strategy #1, which can lead to the higher operational cost of the system. Therefore, considering the trade-off between operational and capital cost, strategy #2 appears to be the most suitable for the dehydrogenation system.
- In comparison to the base case, the exergy destruction rate is reduced by 14.28% in strategy #2, while in strategy #1 is reduced by 9.01%. The overall exergy efficiency of the base case is 84.61%. In comparison, the overall exergy efficiency in the case of strategy #1 and strategy #2 is 91.06 and 94.86%, respectively, thus favoring strategy #2 for the system.
4. Conclusions
Author Contributions
Funding
Institutional Review Board Statement
Informed Consent Statement
Data Availability Statement
Acknowledgments
Conflicts of Interest
Nomenclature
| Exergy destruction (kW) | |
| Exergy supplied through heat flow (kW) = Q (1 − To/T) [44] | |
| Exergy of inlet stream (kW) | |
| Exergy of outlet stream (kW) | |
| Physical exergy (kW) | |
| Chemical exergy (kW) | |
| Po | Reference pressure (bar) |
| R | Ideal gas constant |
| To | Reference temperature (°C) |
| W | Work required by pump/Work generated by the turbine (kW) |
| xi | Mole fraction of component, i |
| ΔP | Pressure drop (bar) |
| Greek Letters | |
| εk | Exergy efficiency (%) |
| εche, i | Standard chemical exergy of component, i (kJ/mol) |
| Abbreviations | |
| DoD | Degree of dehydrogenation |
| DBT | Dibenzyl toluene |
| HHV | Higher heating value |
| HEX | Heat exchanger |
| PDBT | Perhydro-dibenzyl-toluene |
References
- Perwez, U.; Sohail, A.; Hassan, S.F.; Zia, U. The long-term forecast of Pakistan’s electricity supply and demand: An application of long range energy alternatives planning. Energy 2015, 93, 2423–2435. [Google Scholar] [CrossRef]
- Hussain, M.; Deorsola, F.A.; Russo, N.; Fino, D.; Pirone, R. Abatement of CH4 emitted by CNG vehicles using Pd-SBA-15 and Pd-KIT-6 catalysts. Fuel 2015, 149, 2–7. [Google Scholar] [CrossRef]
- Rashid, R.; Shafiq, I.; Iqbal, M.J.; Shabir, M.; Akhter, P.; Hamayun, M.H.; Ahmed, A.; Hussain, M. Synergistic effect of NS co-doped TiO2 adsorbent for removal of cationic dyes. J. Environ. Chem. Eng. 2021, 9, 105480. [Google Scholar] [CrossRef]
- Zhu, Q.L.; Xu, Q. Liquid organic and inorganic chemical hydrides for high-capacity hydrogen storage. Energy Environ. Sci. 2015, 8, 478–512. [Google Scholar] [CrossRef]
- Teichmann, D.; Arlt, W.; Wasserscheid, P. Liquid Organic Hydrogen Carriers as an efficient vector for the transport and storage of renewable energy. Int. J. Hydrogen Energy 2012, 37, 18118–18132. [Google Scholar] [CrossRef]
- Haris Hamayun, M.; Hussain, M.; Maafa, I.M.; Aslam, R. Integration of hydrogenation and dehydrogenation system for hydrogen storage and electricity generation—Simulation study. Int. J. Hydrogen Energy 2019, 44, 20213–20222. [Google Scholar] [CrossRef]
- Haris Hamayun, M.; Maafa, I.M.; Hussain, M.; Aslam, R. Simulation Study to Investigate the Effects of Operational Conditions on Methylcyclohexane Dehydrogenation for Hydrogen Production. Energies 2020, 13, 206. [Google Scholar] [CrossRef]
- Markiewicz, M.; Zhang, Y.Q.; Bösmann, A.; Brückner, N.; Thöming, J.; Wasserscheid, P.; Stolte, S. Environmental and health impact assessment of Liquid Organic Hydrogen Carrier (LOHC) systems-challenges and preliminary results. Energy Environ. Sci. 2015, 8, 1035–1045. [Google Scholar] [CrossRef]
- Preuster, P.; Papp, C.; Wasserscheid, P. Liquid Organic Hydrogen Carriers (LOHCs): Toward a Hydrogen-free Hydrogen Economy. Acc. Chem. Res. 2017, 50, 74–85. [Google Scholar] [CrossRef]
- Rao, P.C.; Yoon, M. Potential Liquid-Organic Hydrogen Carrier (LOHC) Systems: A Review on Recent Progress. Energies 2020, 13, 6040. [Google Scholar] [CrossRef]
- Preuster, P.; Fang, Q.; Peters, R.; Deja, R.; Nguyen, V.N.; Blum, L.; Stolten, D.; Wasserscheid, P. Solid oxide fuel cell operating on liquid organic hydrogen carrier-based hydrogen—Making full use of heat integration potentials. Int. J. Hydrogen Energy 2018, 43, 1758–1768. [Google Scholar] [CrossRef]
- Michalska, K.; Kowalik, P.; Konkol, M.; Próchniak, W.; Stołecki, K.; Słowik, G.; Borowiecki, T. The effect of copper on benzene hydrogenation to cyclohexane over Ni/Al2O3 catalyst. Appl. Catal. A Gen. 2016, 523, 54–60. [Google Scholar] [CrossRef]
- Wijayanta, A.T.; Oda, T.; Purnomo, C.W.; Kashiwagi, T.; Aziz, M. Liquid hydrogen, methylcyclohexane, and ammonia as potential hydrogen storage: Comparison review. Int. J. Hydrogen Energy 2019, 44, 15026–15044. [Google Scholar] [CrossRef]
- Müller, K.; Aslam, R.; Fischer, A.; Stark, K.; Wasserscheid, P.; Arlt, W. Experimental assessment of the degree of hydrogen loading for the dibenzyl toluene based LOHC system. Int. J. Hydrogen Energy 2016, 41, 22097–22103. [Google Scholar] [CrossRef]
- Cholewa, M.; Pfeifer, P. Characterization of Microstructured Reactors for Dehydrogenation of Liquid Organic Hydrogen Carriers. In Proceedings of the 24th International Symposium on Chemical Reaction Engineering, Minneapolis, MN, USA, 12–15 June 2016. [Google Scholar]
- Peters, R.; Deja, R.; Fang, Q.; Nguyen, V.N.; Preuster, P.; Blum, L.; Wasserscheid, P.; Stolten, D. A solid oxide fuel cell operating on liquid organic hydrogen carrier-based hydrogen—A kinetic model of the hydrogen release unit and system performance. Int. J. Hydrogen Energy 2019, 44, 13794–13806. [Google Scholar] [CrossRef]
- Inhetveen, P.; Alt, N.S.A.; Schluecker, E. Measurement of the hydrogenation level of dibenzyltoluene in an innovative energy storage system. Vib. Spectrosc. 2016, 83, 85–93. [Google Scholar] [CrossRef]
- Aslam, R.; Minceva, M.; Müller, K.; Arlt, W. Development of a liquid chromatographic method for the separation of a liquid organic hydrogen carrier mixture. Sep. Purif. Technol. 2016, 163, 140–144. [Google Scholar] [CrossRef]
- Aslam, R.; Khan, M.H.; Ishaq, M.; Müller, K. Thermophysical Studies of Dibenzyltoluene and Its Partially and Fully Hydrogenated Derivatives. J. Chem. Eng. Data 2018, 63, 4580–4587. [Google Scholar] [CrossRef]
- Müller, K.; Stark, K.; Emelyanenko, V.N.; Varfolomeev, M.A.; Zaitsau, D.H.; Shoifet, E.; Schick, C.; Verevkin, S.P.; Arlt, W. Liquid Organic Hydrogen Carriers: Thermophysical and Thermochemical Studies of Benzyl- and Dibenzyl-toluene Derivatives. Ind. Eng. Chem. Res. 2015, 54, 7967–7976. [Google Scholar] [CrossRef]
- Heller, A.; Rausch, M.H.; Schulz, P.S.; Wasserscheid, P.; Fröba, A.P. Binary Diffusion Coefficients of the Liquid Organic Hydrogen Carrier System Dibenzyltoluene/Perhydrodibenzyltoluene. J. Chem. Eng. Data 2016, 61, 504–511. [Google Scholar] [CrossRef]
- Brückner, N.; Obesser, K.; Bösmann, A.; Teichmann, D.; Arlt, W.; Dungs, J.; Wasserscheid, P. Evaluation of industrially applied heat-transfer fluids as liquid organic hydrogen carrier systems. ChemSusChem 2014, 7, 229–235. [Google Scholar] [CrossRef] [PubMed]
- Leinweber, A.; Müller, K. Hydrogenation of the Liquid Organic Hydrogen Carrier Compound Monobenzyl Toluene: Reaction Pathway and Kinetic Effects. Energy Technol. 2018, 6, 513–520. [Google Scholar] [CrossRef]
- Modisha, P.M.; Jordaan, J.H.L.; Bösmann, A.; Wasserscheid, P.; Bessarabov, D. Analysis of reaction mixtures of perhydro-dibenzyltoluene using two-dimensional gas chromatography and single quadrupole gas chromatography. Int. J. Hydrogen Energy 2018, 43, 5620–5636. [Google Scholar] [CrossRef]
- Wunsch, A.; Berg, T.; Pfeifer, P. Hydrogen production from the LOHC perhydrodibenzyl-toluene and purification using a 5 μm PdAg-membrane in a coupled microstructured system. Materials 2020, 13, 277. [Google Scholar] [CrossRef] [PubMed]
- Fikrt, A.; Brehmer, R.; Milella, V.O.; Müller, K.; Bösmann, A.; Preuster, P.; Alt, N.; Schlücker, E.; Wasserscheid, P.; Arlt, W. Dynamic power supply by hydrogen bound to a liquid organic hydrogen carrier. Appl. Energy 2017, 194, 1–8. [Google Scholar] [CrossRef]
- Auer, F.; Blaumeiser, D.; Bauer, T.; Bösmann, A.; Szesni, N.; Libuda, J.; Wasserscheid, P. Boosting the activity of hydrogen release from liquid organic hydrogen carrier systems by sulfur-additives to Pt on alumina catalysts. Catal. Sci. Technol. 2019, 9, 3537–3547. [Google Scholar] [CrossRef]
- Shi, L.; Qi, S.; Qu, J.; Che, T.; Yi, C.; Yang, B. Integration of hydrogenation and dehydrogenation based on dibenzyltoluene as liquid organic hydrogen energy carrier. Int. J. Hydrogen Energy 2019, 5345–5354. [Google Scholar] [CrossRef]
- Modisha, P.M.; Ouma, C.N.M.; Garidzirai, R.; Wasserscheid, P.; Bessarabov, D. The Prospect of Hydrogen Storage Using Liquid Organic Hydrogen Carriers. Energy Fuels 2019, 33, 2778–2796. [Google Scholar] [CrossRef]
- Modisha, P.; Gqogqa, P.; Garidzirai, R.; Ouma, C.N.M.; Bessarabov, D. Evaluation of catalyst activity for release of hydrogen from liquid organic hydrogen carriers. Int. J. Hydrogen Energy 2019, 44, 21926–21935. [Google Scholar] [CrossRef]
- Jorschick, H.; Preuster, P.; Dürr, S.; Seidel, A.; Müller, K.; Bösmann, A.; Wasserscheid, P. Hydrogen storage using a hot pressure swing reactor. Energy Environ. Sci. 2017, 10, 1652–1659. [Google Scholar] [CrossRef]
- Ali, A.; Udaya Kumar, G.; Lee, H.J. Parametric study of the hydrogenation of dibenzyltoluene and its dehydrogenation performance as a liquid organic hydrogen carrier. J. Mech. Sci. Technol. 2020, 34, 3069–3077. [Google Scholar] [CrossRef]
- Jorschick, H.; Geißelbrecht, M.; Eßl, M.; Preuster, P.; Bösmann, A.; Wasserscheid, P. Benzyltoluene/dibenzyltoluene-based mixtures as suitable liquid organic hydrogen carrier systems for low temperature applications. Int. J. Hydrogen Energy 2020, 45, 14897–14906. [Google Scholar] [CrossRef]
- Garidzirai, R.; Modisha, P.; Shuro, I.; Visagie, J.; van Helden, P.; Bessarabov, D. The effect of Mg and Zn dopants on Pt/Al2O3 for the dehydrogenation of perhydrodibenzyltoluene. Catalysts 2021, 11, 490. [Google Scholar] [CrossRef]
- Kaushik, S.C.; Reddy, V.S.; Tyagi, S.K. Energy and exergy analyses of thermal power plants: A review. Renew. Sustain. Energy Rev. 2011, 15, 1857–1872. [Google Scholar] [CrossRef]
- Mohammadi, A.; Mehrpooya, M. Energy and exergy analyses of a combined desalination and CCHP system driven by geothermal energy. Appl. Therm. Eng. 2017, 116, 685–694. [Google Scholar] [CrossRef]
- Haris Hamayun, M.; Ramzan, N.; Hussain, M.; Faheem, M. A Comparison of Cryogenic Air Separation Processes Based on Exergy Analysis. In Proceedings of the 2020 Virtual AIChE Annual Meeting, 16–20 November 2020. [Google Scholar]
- Mehrpooya, M.; Dehghani, H.; Ali Moosavian, S.M. Optimal design of solid oxide fuel cell, ammonia-water single effect absorption cycle and Rankine steam cycle hybrid system. J. Power Sources 2016, 306, 107–123. [Google Scholar] [CrossRef]
- Haris Hamayun, M.; Hussain, M.; Shafiq, I.; Ahmed, A.; Park, Y.-K. Investigation of the thermodynamic performance of an existing steam power plant via energy and exergy analyses to restrain the environmental repercussions: A simulation study. Environ. Eng. Res. 2022, 27, 200683. [Google Scholar] [CrossRef]
- Haris Hamayun, M.; Ramzan, N.; Hussain, M.; Faheem, M. Evaluation of Two-Column Air Separation Processes Based on Exergy Analysis. Energies 2020, 13, 6361. [Google Scholar] [CrossRef]
- Kemp, I.C.; Lim, J.S. Introduction. In Pinch Analysis for Energy and Carbon Footprint Reduction, 3rd ed.; Butterworth-Heinemann: Oxford, UK, 2020; pp. 1–17. ISBN 978-0-08-102536-9. [Google Scholar]
- Kemp, I.C.; Lim, J.S. Key concepts of pinch analysis. In Pinch Analysis for Energy and Carbon Footprint Reduction, 3rd ed.; Butterworth-Heinemann: Oxford, UK, 2020; pp. 1–17. ISBN 978-0-08-102536-9. [Google Scholar]
- Palma, V.; Ruocco, C.; Cortese, M.; Renda, S.; Meloni, E.; Festa, G.; Martino, M. Platinum based catalysts in the water gas shift reaction: Recent advances. Metals 2020, 10, 866. [Google Scholar] [CrossRef]
- Marques, J.G.O.; Costa, A.L.; Pereira, C.; Fortini, Â. Energy and Exergy Analyses of Angra 2 Nuclear Power Plant. Braz. J. Radiat. Sci. 2019, 7, 1–15. [Google Scholar] [CrossRef]







| Fuel | Energy Contents (kJ/g) |
|---|---|
| Hydrogen | 120.00 |
| LNG | 54.40 |
| Propane | 49.60 |
| Automotive Gasoline | 46.40 |
| Automotive Diesel | 45.60 |
| Ethanol | 29.60 |
| Coke | 27.00 |
| Methanol | 19.70 |
| Wood (dry) | 16.20 |
| Bagasse | 9.60 |
| Description (Unit) | Liquid Hydrogen Storage | Compressed Hydrogen Storage | Liquid Organic Hydrogen Carriers |
|---|---|---|---|
| Cost Estimation (€/kg hydrogen) | 0.732 | 0.243 | 0.238 |
| Energy Demand (kWh x/kWh hyd) | 21% | 3.5% | 1.1% |
| Characteristics | MCH-Toluene System | Cyclohexane-Benzene System | DBT-PDBT System | Naphthalene-Decalin System |
|---|---|---|---|---|
| Pressure (bar) | 10–50 | 10–50 | 10–50 | 20–50 |
| Temperature (°C) | 200–300 | 150–250 | 180 | 150–250 |
| Phase under ambient conditions | Liquid | Liquid | Liquid | Solid + Liquid |
| Heat of reaction (kJ·mol−1) | 204.8 | 205.9 | 588.5 | 319.5 |
| Gravimetric H2 density (wt. %) | 6.16 | 7.20 | 6.20 | 7.29 |
| Volumetric H2 density (kg-H2·m−3) | 47.4 | 55.9 | 57 | 65.4 |
| Equipment | Exergy Efficiency εk (%) | Exergy Destruction Ed,k (kW) |
|---|---|---|
| Pump | ||
| Heat Exchangers | ||
| Dehydrogenation Reactor | ||
| Turbine | ||
| Separator |
| Equipment | Base-Case | Strategy #1 | Strategy #2 |
|---|---|---|---|
| Exergy Efficiency (%) | |||
| Pump | 72.21 | 72.21 | 72.21 |
| Heat Exchanger-1 | 99.84 | 99.92 | 99.94 |
| Heat Exchanger-2 | 99.95 | 99.94 | 99.98 |
| Heat Exchanger-3 | 99.86 | 99.90 | 99.91 |
| Heat Exchanger-4 | - | - | 99.95 |
| Reactor | 61.73 | 61.73 | 61.73 |
| Separator | 100.00 | 100.00 | 100.00 |
| Turbine | - | 84.64 | 99.93 |
| Overall (%) | 84.61 | 91.06 | 94.86 |
| Exergy Destruction (kW) | |||
| Overall (kW) | 2183.83 | 2002.48 | 1872.07 |
Publisher’s Note: MDPI stays neutral with regard to jurisdictional claims in published maps and institutional affiliations. |
© 2021 by the authors. Licensee MDPI, Basel, Switzerland. This article is an open access article distributed under the terms and conditions of the Creative Commons Attribution (CC BY) license (https://creativecommons.org/licenses/by/4.0/).
Share and Cite
Asif, F.; Hamayun, M.H.; Hussain, M.; Hussain, A.; Maafa, I.M.; Park, Y.-K. Performance Analysis of the Perhydro-Dibenzyl-Toluene Dehydrogenation System—A Simulation Study. Sustainability 2021, 13, 6490. https://doi.org/10.3390/su13116490
Asif F, Hamayun MH, Hussain M, Hussain A, Maafa IM, Park Y-K. Performance Analysis of the Perhydro-Dibenzyl-Toluene Dehydrogenation System—A Simulation Study. Sustainability. 2021; 13(11):6490. https://doi.org/10.3390/su13116490
Chicago/Turabian StyleAsif, Farea, Muhammad Haris Hamayun, Murid Hussain, Arif Hussain, Ibrahim M. Maafa, and Young-Kwon Park. 2021. "Performance Analysis of the Perhydro-Dibenzyl-Toluene Dehydrogenation System—A Simulation Study" Sustainability 13, no. 11: 6490. https://doi.org/10.3390/su13116490
APA StyleAsif, F., Hamayun, M. H., Hussain, M., Hussain, A., Maafa, I. M., & Park, Y.-K. (2021). Performance Analysis of the Perhydro-Dibenzyl-Toluene Dehydrogenation System—A Simulation Study. Sustainability, 13(11), 6490. https://doi.org/10.3390/su13116490

