Battery Pack State of Health Prediction Based on the Electric Vehicle Management Platform Data
Abstract
:1. Introduction
2. Data Cleaning and Feature Engineering
3. Battery Pack SOH Indicator and Estimation
3.1. Battery SOH Calculation
3.2. Temperature Correction of Battery SOH Indicator
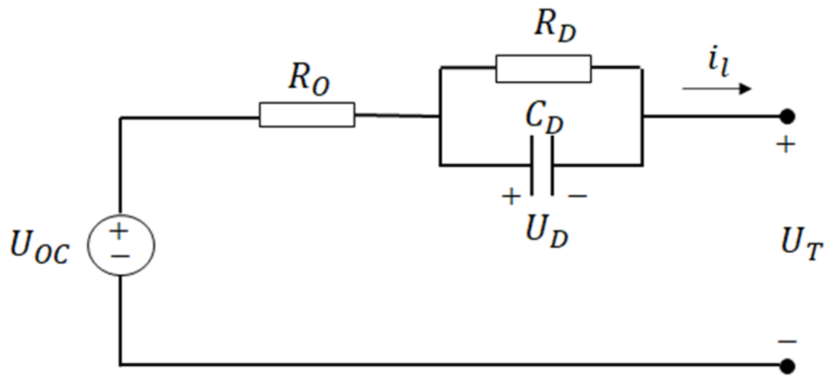
3.3. Extraction Methods of Battery Open Circuit Voltage
3.4. Battery Pack SOH Prediction Method
4. Results and Discussion
4.1. Battery Pack SOH Calibration Results
4.2. Battery Pack SOH Prediction Results
5. Conclusions
Author Contributions
Funding
Conflicts of Interest
References
- Severson, K.A.; Attia, P.M.; Jin, N.; Perkins, N.; Jiang, B.; Yang, Z.; Chen, M.H.; Aykol, M.; Herring, P.K.; Fraggedakis, D.; et al. Data-driven prediction of battery cycle life before capacity degradation. Nat. Energy 2019, 4, 383–391. [Google Scholar] [CrossRef] [Green Version]
- Dubarry, M.; Berecibar, M.; Devie, A.; Anseán, D.; Omar, N.; Villarreal, I. State of health battery estimator enabling degradation diagnosis: Model and algorithm description. J. Power Sources 2017, 360, 59–69. [Google Scholar] [CrossRef]
- Togasaki, N.; Yokoshima, T.; Oguma, Y.; Osaka, T. Prediction of overcharge-induced serious capacity fading in nickel cobalt aluminum oxide lithium-ion batteries using electrochemical impedance spectroscopy. J. Power Sources 2020, 461, 228168. [Google Scholar] [CrossRef]
- Popp, H.; Koller, M.; Keller, S.; Glanz, G.; Klambauer, R.; Bergmann, A. State Estimation Approach of Lithium-Ion Batteries by Simplified Ultrasonic Time-of-Flight Measurement. IEEE Access 2019, 7, 170992–171000. [Google Scholar] [CrossRef]
- Xia, Q.; Yang, D.; Wang, Z.; Ren, Y.; Sun, B.; Feng, Q.; Qian, C. Multiphysical modeling for life analysis of lithium-ion battery pack in electric vehicles. Renew. Sustain. Energy Rev. 2020, 131, 109993. [Google Scholar] [CrossRef]
- Liu, D.; Song, Y.; Li, L.; Liao, H.; Peng, Y. On-line life cycle health assessment for lithium-ion battery in electric vehicles. J. Clean. Prod. 2018, 199, 1050–1065. [Google Scholar] [CrossRef]
- Xiao, W.; Zhong, W.; Shu, X.; An, J.; Yuan, X. Battery state of health (SOH) estimation method and application based on big data. J. Automot. Saf. Energy 2019, 10, 101–105. [Google Scholar] [CrossRef]
- Chen, M.; Wu, J.; Jiao, C.; Chen, J.; Zhang, Z. Multi-Factor online estimation method for health status of lithium-ion battery. J. Xi’an Jiaotong Univ. 2020, 54, 169–175. [Google Scholar] [CrossRef]
- Li, M. Research on the Health Status of Electric Vehicle Power Battery Based on Data Mining. Master’s Thesis, Shanghai Jiaotong University, Shanghai, China, 2018. [Google Scholar] [CrossRef]
- Xu, C.; Li, L.; Yang, Y. Health state estimation of lithium-ion battery based on improved particle filter. Automot. Technol. 2020, 12, 19–24. [Google Scholar]
- Tang, X.; Zou, C.; Yao, K.; Lu, J.; Xia, Y.; Gao, F. Aging trajectory prediction for lithium-ion batteries via model migration and Bayesian Monte Carlo method. Appl. Energy 2019, 254, 254. [Google Scholar] [CrossRef] [Green Version]
- Tang, X.; Liu, K.; Li, K.; Widanage, W.D.; Kendrick, E.; Gao, F. Recovering large-scale battery aging dataset with machine learning. Gene Expr. Patterns 2021, 2, 100302. [Google Scholar] [CrossRef] [PubMed]







Publisher’s Note: MDPI stays neutral with regard to jurisdictional claims in published maps and institutional affiliations. |
© 2021 by the authors. Licensee MDPI, Basel, Switzerland. This article is an open access article distributed under the terms and conditions of the Creative Commons Attribution (CC BY) license (https://creativecommons.org/licenses/by/4.0/).
Share and Cite
Li, X.; Wang, T.; Wu, C.; Tian, J.; Tian, Y. Battery Pack State of Health Prediction Based on the Electric Vehicle Management Platform Data. World Electr. Veh. J. 2021, 12, 204. https://doi.org/10.3390/wevj12040204
Li X, Wang T, Wu C, Tian J, Tian Y. Battery Pack State of Health Prediction Based on the Electric Vehicle Management Platform Data. World Electric Vehicle Journal. 2021; 12(4):204. https://doi.org/10.3390/wevj12040204
Chicago/Turabian StyleLi, Xiaoyu, Tengyuan Wang, Chuxin Wu, Jindong Tian, and Yong Tian. 2021. "Battery Pack State of Health Prediction Based on the Electric Vehicle Management Platform Data" World Electric Vehicle Journal 12, no. 4: 204. https://doi.org/10.3390/wevj12040204
APA StyleLi, X., Wang, T., Wu, C., Tian, J., & Tian, Y. (2021). Battery Pack State of Health Prediction Based on the Electric Vehicle Management Platform Data. World Electric Vehicle Journal, 12(4), 204. https://doi.org/10.3390/wevj12040204

