Next Article in Journal
Impact of Thermotherapy and Short-Term Storage on Quercus robur L. Acorn Mycobiota and Germination
Next Article in Special Issue
Composition of Phenolic Compounds, Cyanogenic Glycosides, Organic Acids and Sugars in Fruits of Black Cherry (Prunus serotina Ehrh.)
Previous Article in Journal
Analysis of the Structure and Hydraulic Function of Bordered Pits Using the Lattice Boltzman Method
Previous Article in Special Issue
Differences in Growth and Log Quality of Douglas-Fir (Pseudotsuga menziesii (Mirb.) Franco) Provenances
 
 
Font Type:
Arial Georgia Verdana
Font Size:
Aa Aa Aa
Line Spacing:
Column Width:
Background:
Article

Fibers Obtained from Invasive Alien Plant Species as a Base Material for Paper Production

Department for Textile, Graphic Arts and Design, Faculty of Natural Sciences and Engineering, University of Ljubljana, Snežniška 5, SI-1000 Ljubljana, Slovenia
*
Author to whom correspondence should be addressed.
Forests 2021, 12(5), 527; https://doi.org/10.3390/f12050527
Submission received: 24 March 2021 / Revised: 13 April 2021 / Accepted: 19 April 2021 / Published: 24 April 2021

Abstract

Invasive alien plant species (IAPS) are one of the biggest challenges in European ecosystems, displacing local vegetation, destroying agricultural land, and causing billions of dollars of damage to the European economy every year. Many of them are removed daily and mainly burned. In this work, we investigated the possibilities of using plants as feedstock for paper production. Papers made from three invasive alien plants, i.e., Knotweed, Goldenrod, and Black locust, were studied and compared with commercial office paper. The study included testing of: (1) structural properties—basic physical properties, grammage, thickness, density and specific volume, moisture content, and ash content; (2) physical and dynamic mechanical properties—tensile strength, Clark stiffness, viscoelastic properties; (3) colorimetric properties of prints; (4) effect of UV light on ageing; and (5) study of cellulose fiber structure and morphology by microscopy. The results suggested that the paper produced can be used as commercial office paper, considering that the paper is slightly dyed. Such papers can also be used for special purposes that present a natural style and connection to nature. The papers produced can also be used for printing documents that are meant to be kept.

1. Introduction

1.1. Background

Invasive alien plant species (IAPS) are non-native plants that have been introduced by human activities. IAPS have been transported from outside their natural ecological range to new habitats where they survive, reproduce, and spread rapidly without human assistance. IAPS are one of the greatest challenges in European ecosystems. Their spread disturbs the balance of natural ecosystems in many ways. By competing with each other, transmitting diseases, altering soil and light conditions, and reshaping the functioning of the whole ecosystem, they pose a major threat to native species richness and habitat biodiversity. They displace native vegetation, destroy agricultural land, and cause billions of dollars of damage to the European economy every year. Therefore, they are considered a disturbance with negative impacts on native species and ecosystems [1]. Many of them are removed daily and mainly burned.
APPLAUSE (IAPS from harmful to useful with citizens’ led activities) is the international research project in Ljubljana Slovenia to develop a new system to combat IAPS. Ljubljana has made progress in developing its circular model for IAPS management. The reorientation from linear to circular will not only have a significant impact on individual business models in the future, but will change the way we think, our economic and social systems. If we learn to consume and consume less, and also implement the principles of the sharing economy, we and our environment will be the winners [2]. This new system combines fieldwork with IAPS detection through satellite and aerial data. The goal is that combining the two will make the entire process much more efficient. To further facilitate this process, APPLAUSE is developing a set of digital tools to support IAPS identification and geolocation, while professionals, as well as citizens, are “out in the field” [3].
In Slovenia there are no special landfills for IAPS, so all collected biomass is taken to incinerators. Ljubljana, as a “zero waste city”, has recognized the potential to establish a systematic participatory model that uses collected biomass to develop new sustainable products. New green technologies have been introduced, such as: pilot enzymatic processing of IAPS fibers instead of chemicals, reuse of waste generated from primary wood processing and papermaking, conversion of residues into liquid wood, development of biotechnological biorefinery device for caustic conversion, the production of novel 3D bio composites, the production of dyes, the production of colored coatings from IAPS, the development of a model dye-based solar cell from IAPS, and the development of home-made formulations against plant-damaging organisms. One of the biggest challenges will be to develop successful and trustworthy circular economy models, find new uses for all parts of the collected IAPS, and upcycle the residual materials [4]. Information and communication technology (ICT) will be used to target audiences and produce open data, new knowledge, and new services, such as IAPS monitoring with data from aerial orthophotos and Sentinel-2 satellites.
The APPLAUSE project began with plant identification and location. For Japanese knotweed detection, satellite imagery was used to determine the location of plants. Remote sensing, as satellites are called, is already being used in forestry, agriculture, and ecology because it is a less expensive technique compared to field reconnaissance methods (Figure 1).
Preliminary research by Lavrič [6] has shown that the invasive Japanese knotweed could be used as a cheap local raw material in the paper industry, but in order to achieve good printability properties of the paper, mainly the fiber processing needs to be improved. Kim et al., isolated cellulose nanofibers from pulps of a tall goldenrod (Solidago altissima L.), an invasive plant in Korea, using electron beam irradiation [7]. Nanofibers were characterized, and paper samples prepared. Papers produced from more finely separated fibers, generated by using higher doses of electron beam irradiation, had enhanced UV–vis transmittance, lower thermal stability, higher char yield, and increased tensile strengths. In a study by Saikia [8], the fast-growing annual plants Hibiscus sabdariffa L., Crotalaria juncea L., Tephrosia candida (Roxb.) DC., and Hibiscus cannabinus L., and a reed species were investigated in the laboratory for their properties for pulp and paper production, and the results suggested that the plant species studied would be ideal sources of raw material for the pulp and paper industry. In the project APPLAUSE, seven IAPS were used for pilot paper production, namely Ailanthus, Rhus, Black locust, Canadian goldenrod, Rudbeckia, Japanese knotweed, and Bohemian knotweed [9]. The basic chemical and mechanical properties of the manufactured products were tested. The mechanical properties, such as tensile index, breaking length, tear index, and bursting strength of the paper produced from IAPS were similar but differed from batch to batch depending on the additives used.
In the databases and literature analyzed, we did not find any other studies on the IAPS used as a base material for paper production, so we decided to further investigate and evaluate papers made from three groups of IAPS—Knotweed, Goldenrod, and Black locust.

1.2. Description and Properties of the IAPS Used in the Study

1.2.1. Knotweeds (Fallopia japonica, Fallopia sachalinensis, and Fallopia × bohemica)

The knotweed family (Polygonaceae), belonging to the order Polygonales, includes about 40 genera. The taxonomy and nomenclature of the species has changed several times [10]. The three invasive Fallopia species in Slovenia [11], namely Fallopia japonica (Houtt.) Ronse Decr. (synonyms Reynoutria japonica Houtt., Polygonum cuspidatum Siebold & Zucc.), Fallopia sachalinensis (F.Schmidt) Ronse Decr., and Fallopia × bohemica (Chrtek & Chrtková) J.P.Bailey (a hybrid between Fallopia japonica and Fallopia sachalinensis) are tall herbaceous perennials with roots reaching 1–2 m deep and rhizomes spreading laterally. Phenotypic variability is characteristic of all three species, especially the highly polymorphic Fallopia japonica. However, the three species differ in a combination of characters (Table 1).
The original range of Fallopia japonica, is in East-Asia, including Japan, China, Russia, Korea, and Taiwan, while Fallopia sachalinensis, is native to Russia and Japan. Fallopia japonica, was first introduced as an interesting plant in a Dutch botanical garden in 1823 [10]. Both species were later cultivated in several places in Europe as ornamental plants, as high-yielding green fodder for livestock and wildlife, and as honeybee grazing plants with autumn flowers. Over the years, they spread in Europe from North America and became a serious threat to natural ecosystems and their biodiversity with their very invasive and almost completely homogeneous populations [12]. Their control has become very difficult, so much so that they are listed among the 100 most invasive alien species in the world.
However, in Japan and China, Knotweed is known as a traditional edible and medicinal plant from which several medicinal compounds have been isolated and identified, including flavonoids, quinones, stilbenes, counmarines, ligans, and others [13,14,15,16]. Fallopia japonica, is a rich source of resveratrol, a well-known polyphenol antioxidant with potent biological activity [17,18]. The extract of rhizomes containing stilbenes (resveratrol) and hydroxyanthraquinones (emodin) exhibits potent antibacterial properties [11]. Extracts from rhizomes can be used for dyeing textiles and for antimicrobial effects [19].

1.2.2. Goldenrods (Solidago canadensis L. and Solidago gigantea Aiton)

Solidago canadensis, i.e., Canadian goldenrod and Solidago gigantea, i.e., Giant goldenrod (Asteraceae) are rhizomatous perennial plants that originated in northern America and were introduced to Europe and Asia. Both are also found in Slovenia. They are invasive and often occur in dense monospecific stands due to their high growth rate, ability to spread locally via rhizomes, production of large numbers of wind-borne seeds that germinate readily on a wide range of soils, and allelopathic interactions that inhibit the germination and growth of seedlings of other species [20,21,22,23].
The species Solidago Canadensis, and Solidago gigantea, have similar habit and grow 30–280 cm tall. The stems are unbranched except in the inflorescence. The leaves are simple and alternate, stalkless, three-nerved, the margins usually serrate. Inflorescences form broad pyramidal panicles with recurved branches and a central axis. The ray florets are yellow, female, and fertile, the disc florets are bisexual and fertile. The main flowering period is between mid August and late September. Both species occur in the same habitat types, such as disturbed areas, railway and roadside verges, riverbanks, urban and peri-urban areas, cultivated agricultural land, plantations and orchards, woodlands, and meadows [24,25]. Due to macroscopic similarities, variability, and difficulty in species determination, the name Solidago, i.e., goldenrod, has often been used as a common name for both Solidago canadensis, and Solidago gigantea. For example, the European Pharmacopoeia accepts the two equivalent species, Solidago canadensis, and Solidago gigantea, as goldenrod, i.e., Solidaginis herba [26].
However, the two species can be recognized and identified by some specific morphological and macroscopic characteristics, which are summarized in Table 2.
In addition to differences in plant morphology, quantitative and qualitative differences in phytochemical profiles, and bioactivities between Solidago canadensis, and Solidago gigantea L. [25], and between the European native species Solidago virgaurea, compared to invasive alien species Solidargo canadensis, and Solidargo gigantea, both in the number and amount of chemical compounds, as well as in their antimicrobial, antimutagenic, and antioxidant activities [27,28]. While the generally accepted trends and strategies regarding invasive plant species aim at limiting or eliminating the invaders, some research groups following the principles of bioeconomics are investigating potential uses of invasive Solidago, species and trying to convert waste into valuable products. According to the review paper by Zihare and Blumberga, Solidargo canadensis, contains components of interest in all parts of the plant: essential oils with antimicrobial and antioxidant properties, natural dyes for textile dyeing, extracted substances with algicidal, antimicrobial and antioxidant properties, stems for cellulose blends, and plant residues for the production of heating pellets and methane biofuel [29].

1.2.3. Black Locust (Robinia pseudoacacia L.)

Due to the conflict between multiple human uses and negative environmental impacts, Robinia pseudoacacia, is considered controversial, i.e., an intentionally planted tree that is also an invasive species in Europe [30]. It was introduced to Europe in the early 17th century from North America and has become one of the most commonly planted woody species, used as an ornamental tree, as well as for the production of water- and rot-resistant timber, firewood, leaf fodder for animals, nectar source for bees, and to improve and control erosion [31,32,33]. It is a drought-resistant tree that can grow on dry, rocky sites, and fixes atmospheric nitrogen in symbiosis with Rhizobium. Therefore, it has become a species for marginal lands where soil improvement is sought in addition to economic gain [34,35], as well as an invasive plant that threatens natural habitats by reducing local biodiversity [36,37,38]. Chemical studies revealed the presence of flavonoids [32], condensed tannins [39], immunopotentiating polysaccharides [40], and an essential oil from the flowers with antimicrobial activity against selected foodborne pathogens [41].

1.2.4. Aims and Scope of the Study

The main objective of the study was to evaluate papers made from three groups of IAPS, i.e., Knotweeds, Goldenrods, and Black locust, and compare them with the commercially available office paper. The detailed objectives were to study and compare the papers in terms of: (1) structural properties, i.e., surface morphology, grammage, thickness, density and specific volume, moisture content, and ash content; (2) physical and dynamic mechanical properties, i.e., tensile strength, Clark stiffness, storage modulus, and relaxation transition temperature; (3) colorimetric properties of prints; (4) influence of UV light on paper ageing.
The following research hypotheses (H) were formulated and evaluated:
Hypothesis 1.
Papers made from cellulose fibers from IAPS are comparable to papers made from conventional wood cellulose fibers.
Hypothesis 2.
Papers made from IAPS cellulose fibers exhibit a higher degree of anisotropy.
Hypothesis 3.
The elasticity of papers made from IAPS is significantly different from commercial office paper.
Hypothesis 4.
UV exposure deteriorates the elasticity of paper made from IAPS, as well as that of commercial office paper.
Hypothesis 5.
Commercial office paper has the highest contrast of the area printed with black.
Hypothesis 6.
Exposure of the paper with a UV printer does not affect the paper itself.
Hypothesis 7.
The surface morphology of papers from IAPS are similar to office paper.
Hypothesis 8.
The use of papers from IAPS for printing is the same as that of office paper.

2. Materials and Methods

2.1. Paper Samples

A total of four paper samples were included in the study, i.e., papers from three IAPS, i.e., Knotweeds (KW), Black locust (BL), and Goldenrods (GR), and a commercial office paper (COP). The properties of papers from IAPS were compared with those of a widely used commercial office paper used in domestic environment and for printing documents intended for storage. All papers were produced by machine, i.e., IAPS papers were produced on an Andritz paper machine (Andritz AG, Graz, Austria, located in Pulp and Paper Institute, Ljubljana, Slovenia), while commercial office paper used spruce, pine, eucalyptus, and beech cellulose fibers, and paper was produced on a Paper Machine 4 (PM4) (Voith Paper Krieger, Mönchengladbach, Germany, located in Radeče papir Nova paper mill, Radeče, Slovenia). The paper samples used in this study were coded as shown in Table 3.
Table 4 shows the chemical analysis of the paper produced from IAPS, for which 300 kg of air-dried biomass was included in one batch, with only the stems, excluding leaves, flowers and roots, cut into 3–5 cm chips [9].

2.2. Methods

The investigations carried out included the structural, physical, and dynamic-mechanical properties of papers, as well as colorimetric measurements, UV exposure, and morphological analyses using light and scanning electron microscopy to determine the surface structure of cellulose fibers in the paper.

2.2.1. Surface Morphology

All samples were examined by both light microscopy and scanning electron microscopy (SEM) to determine the surface morphology of the paper produced. SEM microscope JSM 6060LV (Jeol Ltd., Tokyo, Japan) and Leica S9i (Leica Camera AG, Wetzlar, Germany) stereo microscope were used.
The scanning electron microscope [42], uses a focused beam of high-energy electrons to generate a variety of signals at the surface of solid samples. The signals resulting from electron-sample interactions provide information about the sample, including the external morphology (texture), and the crystalline structure and orientation of the materials that make up the sample. The SEM is a critical instrument with the breadth of applications in the study of in all fields that require characterization of solid materials.
Today’s stereo microscopes are equipped with high numerical aperture objectives that produce high contrast images with a minimum of stray light and geometric distortion. Observation tubes accommodate high interpupillary distance eyepieces that have a field of view of up to 26 mm, with a diopter adjustment that allows the image and graticule to be brought into focus simultaneously. The stereomicroscope has been used in research to inspect specimens and also to prepare specimens for SEM microscopy.

2.2.2. Structural Properties

In the area of basic physical properties, several methods have been chosen to divide papers into individual categories and describe their differences based on raw material composition. Basic physical paper properties include the 2- and 3-dimensional properties of paper, i.e., grammage, thickness, density, specific volume, moisture, and ash content.
Grammage, Thickness, Density and Specific Volume
Grammage has been determined in accordance with ISO 536:2019 [43]. The thickness, i.e., the 3-dimension of the paper, the perpendicular distance between the sides of the paper, and the specific volume were determined in accordance with ISO 534:2011 [44], as were the density and specific volume.
Moisture Content
Moisture content has a significant effect on how the material behaves under different climatic conditions. Therefore, the papers were exposed to the standard climate, i.e., 23 °C and 50% RH according to ISO 287:2017 [45]. Moisture content affects grammage, mechanical strength, bending stiffness, formation, paper time (degree of degradation), and dimensional stability, calendaring, and printing.
Residue (Ash) Content
The determination of the ash residue (ash) at 525 °C is the paper property that significantly determines the usability of the final product and was determined according to ISO 1762 [46]. The ratio between cellulose fibers and inorganic fillers has a significant influence on the physical-mechanical, as well as on the viscoelastic properties. The influence on the mentioned properties is negative with increasing amount of inorganic fillers, i.e., calcium carbonate (CaCO3), kaolin (Al2O3 × 2SiO2 × 2H2O), and titanium dioxide (TiO2), because the proportion of chemical bonding between individual cellulose fibers decreases.

2.2.3. Physical and Dynamic Mechanical Properties

The physical-mechanical properties include, first and foremost, a series of methods that describe the paper as a function of parameters that ensure an undisturbed flow of paper through the various stages of refinement and are highly dependent on the morphological properties of the cellulose fibers and the technological parameters of papermaking. As mentioned above, the relationship between cellulosic fibers and paper fillers has a noticeable influence on the behavior of the paper under physical-mechanical stress. Cellulosic fibers represent an ever-increasing cost factor, so that they are increasingly displaced, usually with inorganic fillers, in order to achieve a certain grammage, so that the measurement of physical-mechanical properties becomes one of the key factors in the evaluation and comparison of papers produced from different raw materials.
Tensile Properties
Tensile properties were measured vertically on the Instron 5567 dynamometer at a constant load increase until a 15 mm wide paper strip broke and at a clamping length of 180 mm according to ISO 1924-2 [47].
Clark Stiffness
Although Clark stiffness (CS) is not a standardized method, the measurement of bending stiffness is of great importance when it comes to the printing substrate. CS is an indirect method in which the 25 mm wide paper strip was subjected to a sonic pulse of 160 Hz using Pulse Propagation Meter PPM-5R (Lawson-Hemphill Inc., Swansea, MA, USA), and the measurement step was fixed at 1 cm. The speed of sound was calculated according to Equation (1).
C = l t ;   [ km / s ]
where:
  • C—sound velocity, [km/s];
  • Δl—distance between transmitter and receiver, [cm];
  • Δt—time needed for the sound signal to travel between the transmitter and receiver, [μs].
According to Equation (2), the modulus of elasticity or the Young modulus was calculated.
E = C 2   ×   ρ ;   [ MPa ]
where:
  • E—Young’s modulus, [MPa];
  • ρ—paper density, [kg/m3].
Finally, the CS can be calculated, i.e., Equation (3):
CS = E   ×   d 3 12 ;   [ Nmm ]
where:
  • CS—Clark stiffness, [Nmm];
  • d—paper thickness, [mm].
Offset printing is the printing process most sensitive to insufficient paper stiffness. Paper with insufficient stiffness can cause problems in the “wet” printing technique, i.e., offset printing, when handling the paper, i.e., handling. During printing, wrinkles, flaps, and jams occur on the printouts. During the bending process (printing, finishing) the outer paper layer is exposed to higher tensile forces than the inner paper core. A detailed explanation of the bending stiffness according to CS gives us detailed insights into the elasticity or extensibility of the paper core. Modulus of elasticity, especially in its variation between paper structures. A higher number of contact points between the “swollen” cellulose fibers, caused by the use of water in offset printing, contributes to an increase in the frictional force, and a decrease in the flexibility of the paper [48].
Dynamic Mechanical (Viscoelastic) Properties
Since the papermaking and end-use of pulp paper can take place over a wide range of temperatures and under different loading situations, it is important to also investigate the viscoelastic behavior of the paper. Temperature-dependent relaxation transitions in the paper structure and the indication of the elasticity of the paper are two main parameters that should always be closely considered in order to avoid structural changes at the micro level that lead to micro cracks in the paper.
The viscoelastic properties of the paper were studied and carried out using dynamic mechanical instrument DMA Q800 (TA Instruments, New Castle, DE, USA). The specimens were clamped, i.e., deformed in tensile mode and subjected to oscillatory vibration with amplitude 10 µm and frequency 10 Hz. The dimensions of the specimen were: 50 mm (L) × 7 mm (W). The samples were heated from 0–250 °C with the constant rate 3 °C/min in a liquid nitrogen atmosphere. The following temperature-dependent quantities defining the dynamic-mechanical properties of the paper were observed: the relaxation transition temperature (Tr), the storage modulus (E′), the mechanical loss modulus (E′′), and the damping factor tanδ.

2.2.4. Colorimetric Measurements

All spectrophotometric measurements were performed using the EyeOne Pro 2 spectrophotometer (X-Rite Pantone, Grand Rapids, MI, USA). CIELAB values were calculated using standard illuminant D50 and standard observer 2°. For comparison between the base paper and the base paper exposed with the UV printer, the equation DE *ab was used.

2.2.5. UV Impact

IAPS paper samples were aged with a xenon lamp in a Xenotest® Alpha instrument (Atlas Materail Testing Technology GmbH, Linsengericht, Germany) according to the standard ISO 12040 (35 °C chamber temperature, 50 °C black standard temperature, 35% relative humidity) [49]. The exposure time was 72 h.

2.2.6. Printing

The papers were printed using technologies and printing inks. The UV printer Apex Jet 6090 (Apex, Shenzhen, China) [50], were used on all samples.

3. Results and Discussion

3.1. Surface Morphology

From the stereomicroscope images of the paper samples shown in Table 5, it can be seen that the papers made from IAPS are more textured and robust compared to office papers. Samples KW–GR are darker in color and single (individual) fibers can be seen compared to COL. In the printed images we can see that all papers are suitable for printing with different inks, the edges are clear, but prints on IAPS cellulose have a darker color because the papers are darker.
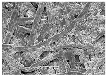
In Table 6, we can see SEM images showing the detailed structure of the papers. The morphological surface structure of the papers is similar for all samples from IAPS: the fibers are wider, bulkier, and thicker compared to office paper, where the fibers are thinner. Samples KW–GR also have larger fillers and show a hollower structure compared to COP.

3.2. Structural Properties

3.2.1. Surface Morphology

For the basic physical characteristics, the grammage, thickness, specific volume, moisture, and residue (ash) content were assessed (Table 7).

3.2.2. Grammage

The grammage of all investigated samples (KW, BL, GR, COP) complies with the production specifications (Table 7). The papers produced from IAPS (KW, BL, and GR) show a slightly higher variation in grammage (2.7–1.3 g/m2), which can be attributed to the annual fibers and their slightly greater tendency to form bulkiness in the paper structure.

3.2.3. Thickness

The paper standard deviation of thickness of all the paper samples studied is within the acceptable limits, i.e., 0.002–0.004 mm (Table 7), which is normal for paper produced on the paper machine, i.e., COP has a standard deviation 0.002 mm, which is, in comparison to handmade paper, more uniform.

3.2.4. Density and Specific Volume

BL has the highest density, 16 kg/m3 and specific volume, 0.049 cm3/g, deviation (Table 7), indicating some inhomogeneity of the papers. Papers made from IAPS are more voluminous than papers made from “conventional” cellulose fibers, i.e., trees (COP), and thus are more likely to exhibit some form of inhomogeneity in the form of weak dimensional stability.

3.2.5. Moisture Content

Moisture content is closely correlated with density and specific volume. As mentioned earlier, paper samples, i.e., KW, BL, and GR are more voluminous than COP. Consequently, the moisture content is higher for KW–GR (5.7–5.5%) than for COP (4.3%). The smaller the standard deviation of moisture content, the higher the dimensional stability of the paper sheet. Therefore, COP has the highest dimensional stability among the papers made from IAPS.

3.2.6. Residue (Ash) Content

The residue content (ash) determined by ashing at 525 °C (Table 7) is significantly lower for IAPS, namely 2.42–3.68%, which is reflected in a somewhat higher moisture content and the resulting voluminosity and poorer dimensional stability. Graphic papers can contain up to 30%, in some cases even 40%, of inorganic materials. The high proportion of inorganic fillers has a positive effect on the optical and printing properties, while the high proportion of inorganic fillers has a negative effect on the physical-mechanical properties. The particles of the inorganic fillers are placed at the joints of the cellulose fibers, reducing the possibility of possible fiber bonding and interlacing.

3.3. Physical and Dynamic Mechanical Properties

3.3.1. Tensile Properties

Tensile strength, measured by the vertical tension method using a dynamometer, was carried out in the machine direction (MD) and cross direction (CD). Due to the predominant longitudinal orientation of the cellulose fibers in the paper, the tensile values of the paper in MD are generally about 2× higher because the interconnected cellulose fibers act like a chain. The results of the tensile strength measurements for MD and CD are shown in Table 8. The breaking strength is highest for KW at 81.99 N and is higher for two of the three papers made from IAPS, i.e., KW and BL, than for the pulp used to make COP (59.36 N). A slightly balanced relationship of the measured breaking forces is found in CD, where the values are quite similar or in the same range. Again, GR is slightly more striking with 23.53 N. In GR, the values of the breaking strength measurements indicate the use of a mixture of cellulose fibers with a higher proportion of wood fibers. As can be seen from the tensile strength measurements, in the case of GR they show the largest differences between the measurements in MD (21.25 MPa) and CD (9.32 MPa), i.e., the ratio is 2.28:1.00. This indicates a pronounced orientation of the fibers in MD, since in the other cases of the studied papers KW, BL, and COP there is not such a pronounced difference in the MD:CD ratio, which requires a stronger isotropy of the papers at least in format printing, i.e., offset, inkjet, and digital printing. GR is, therefore, the paper with the weakest physical-mechanical properties and with a high anisotropy.

3.3.2. Bending Clark Stiffness

The bending stiffness or “readiness” of paper is the response of the paper to external deformation and is directly related to the quality and quantity of cellulose fibers incorporated into the product. Papers made from IAPS, i.e., cellulose fibers from annual plants that are shorter than wood fibers, are stiffer than papers made from wood fibers, and this includes softwood fibers. BL has the highest bending stiffness (3.97 Nmm), followed by KW (2.03 Nmm), GR (1.92 Nmm), while COP has 5.22× higher bending stiffness in MD and 4.35× in CD (Table 9, Figure 2).
In comparison, the linear correlation of the bending stiffness of the studied papers (Figure 3) is slightly lower in MD with 94.77% and in CD with 88.01%. A high degree of linear correlation indicates the similarity of the studied papers, which gives the possibility of equivalent use of the studied papers.

3.3.3. Dynamic Mechanical (Viscoelastic) Properties

Since the relaxation state of the strong cellulose crystallites does not change until the melting point, which is above the temperature of thermal decomposition [51], the relaxation transitions of the cellulose composite take place in the weak non-crystalline domains. There are three structural components responsible for the viscoelastic behavior of cellulose paper: lignin, hemicellulose (Table 4) and disordered parts of the macromolecular chains of cellulose, all of which represent the amorphous domains on the complex semi-crystalline cellulose composite. These components are also responsible for the other structural properties that have an influence on viscoelasticity, such as the bonding and association of the cellulose fibers with the surrounding environmental factors (particularly moisture contact due to ambient relative humidity and temperature) [52,53], which are also mentioned further in this chapter of the paper. The viscoelastic curves, i.e., storage modulus E′, loss modulus E′′, damping factor tanδ, and dimension L of the samples are shown in Figure 3, Figure 4, Figure 5, Figure 6, Figure 7 and Figure 8, while the storage modulus values at 20 °C and the temperature of the relaxation transitions Tr are shown in Table 10. The storage modulus E′ (marked as green curves in Figure 6, Figure 7, Figure 8 and Figure 9) is proportional to the energy stored by the material in one deformation cycle and represents the elastic response of the material. The loss modulus E′′ (marked as blue curves in Figure 6, Figure 7, Figure 8 and Figure 9) is proportional to the energy (heat) dissipated by the material in one cycle and represents the viscous response of the material. The damping factor tanδ (marked as brown curves in Figure 6, Figure 7, Figure 8 and Figure 9), represents the ratio of the viscous to elastic response and is a measure of damping in the material. The length L (marked as pink curves in Figure 6, Figure 7, Figure 8 and Figure 9), represents the change in dimensions of the sample (shrinking or expanding).
As shown in Figure 4, Figure 5, Figure 6 and Figure 7, the temperature relaxation behavior of the cellulose structure is very complex because of its heterogeneity, and sometimes it is impossible to determine which component (or mixture thereof) is responsible for the overall behavior of the structure. The relaxation transitions are of different nature and occur in a wide temperature range below the temperature of thermal decomposition [54,55]. However, there are some features that stand out and can be discussed. All samples show a slow decrease in storage modulus E′ throughout the heated region, indicating the semi-crystalline structure of COP, as well as for KW–GR.
The viscoelastic curves of COP (Figure 7) show two relaxation regions indicated by the intensity of the tanδ curves. The first region is located between 20 and 70 °C with Tr = 37.46 °C and the larger, broader one between 80 and 170 °C with Tr = 137.74 °C. The storage modulus, which stores the applied energy after the release of the sample and uses it to restore the deformation to the initial state, decreases from an initial 8.562 GPa at 0 °C to 4.838 GPa at 250 °C (43.5%). As mentioned, the decrease in modulus is slow and almost linear throughout the heated region. Up to room temperature (ca. 20 °C), the modulus decreases by 2.6%. With the decrease in the elastic modulus and due to the applied heat, the segmental vibration of the structure segments occurs, which leads to the occurrence and increase in the mechanical loss modulus E′′. The maximum value of E” represents the beginning of the fluctuation of the molecular segments and consequently there is the scattering of the thermal energy (heat scattering of the sample). The scattering reaches its peak at 36.09 and 135.46 °C. The intensity of the molecular fluctuations is reflected in the height of the tanδ curve and illustrates the internal friction of the structure. It peaks at 37.27 °C, followed by a peak at 140.35 °C. The sample stops shrinking at 211.13 °C and shrinks by 0.5%. The final increase in length is the result of the thermal expansion of the structure due to the viscous component of the sample that has occurred and is shown for all samples.
Similar to COP, GR also shows a slow and linear decrease in its storage modulus throughout the heated region (Figure 6). The storage modulus drops from the initial 2.596 GPa at 0 °C to 1.307 GPa at 250 °C (49.6%). By room temperature, the modulus decreases by 2.9%. The relaxation range is given between 10 and 80 °C, with the relaxation transition temperature at 32.08 °C, and above 90 °C. The sample stops shrinking at 140.54 °C and shrinks by 0.240%.
KW and BL show similar viscoelastic behavior and deviate slightly from the behavior of GR and COP in the initial heated region up to 70 °C (Figure 4 and Figure 5), where the storage modulus E′ and sample length initially decrease, then increase, and finally begin to gradually decrease. The decrease could be the result of the bound moisture, while the increase could result from the cellulose in the non-crystalline region of the cell wall, assuming a crystallized form to some extent. Thus, the storage modulus decreases from an initial 2.136 GPa at 0 °C to 1.321 GPa at 250 °C (38.2%), and from 1.570 GPa at 0 °C to 0.8642 GPa at 250 °C (45.0%) for KW and BL, respectively. Up to room temperature, the modulus decreases by 7.8 and 9.2% for KW and BL, respectively. The first given relaxation range can be considered as the main transition range for KW and BL, since the dispersion of mechanical heat (loss modulus E′′) and the damping (tanδ) of the structure are the strongest here. The relaxation transition temperatures for KW and BL are 22.69 and 24.41 °C, respectively.
The comparison of storage elasticity (Figure 8), which is an indicator of the bonding properties in the cellulose network, shows that papers made from IAPS (KW, BL, and GR) are less stiff compared to commercial office paper (COP). Thus, commercial office paper has a higher ability to store the stress energy, i.e., it behaves more elastically, i.e., with E′ = 8.338 GPa at T = 20 °C. The papers of IAPS: KW, BL, and GR show much lower elasticity, i.e., their storage modulus decreases from 69.7% to up to 82.9% for BL and GR, respectively. BL shows the lowest elasticity, i.e., E′ = 1.425 GPa, while GR behaves as the stiffest, i.e., 2.521 GPa. The reason for this difference in elasticity between the commercial office paper and papers from IAPS can be found in many factors. For example, the higher elasticity of COP could be the result of the following parameters and a mixture of them:
  • higher degree of intra- and inter-molecular interaction of cellulose chains, which can store the absorbed energy and lead to higher interconnectedness of cellulose fibers with a more closed network structure [55]; which is also the consequence of higher density and basis weight (see Section 3.2.);
  • higher degree of interlacing of the cellulose fibers with less hollow areas due to the higher proportion of thinner fibers of COP, as seen in SEM photos at higher magnifications (Table 6) and as a result of the thickness measurements (Table 7);
  • the higher overall degree of crystallinity of the cellulose structure;
  • the higher moisture content (Table 7), where the bonds of the intra- and inter-cellulose macromolecules are loosened and reduced due to the high affinity of the water and cellulose, i.e., the formation of new hydrogen bonds between the water molecules and the glucose monomers of the cellulose chains.
Comparison of the values of the damping factor tgδ (Figure 9) shows that KW and BL are much more susceptible to the mobility of the molecular segments, resulting in greater macromolecular fluctuation and increased heat release, which can lead to microcracks in the structure. Therefore, aggressive mechanical loading during papermaking in the range of 10 to 50 °C is not recommended for KW and BL.
Another factor that also specifies the viscoelastic behavior of the paper is the relaxation transition temperature, i.e., Tr. Papers from IAPS show lower Tr (KW = 22.69 °C, BL = 24.41 °C, GR = 32.08 °C, and COP = 37.46 and 137.74 °C) compared to commercial office papers, as can be seen in Table 10. The reason can again be explained by the higher moisture content of KW, BL, and GR (Table 7), which leads to a decrease in intra- and inter-cellulose macromolecular bonds and makes the structure more susceptible to segment mobility under the influence of applied heat. The lower relaxation transition temperature Tr may also be correlated with the hollower structure of KW, BL, and GR (Table 6), which is more prone to the mentioned segment mobility.
Some studies [56], even suggest that the relaxation transition temperature of paper depends mainly on the structural mobility of hemicellulose and lignin under the influence of ambient heat and moisture. As Olsson notes, lignin plays the main role in this phenomenon: its massive three-dimensional structure with large lateral methoxyl groups prevents its covalent self-crosslinking, while at the same time its large volume prevents its entanglement. This increases the mobility of its segments, leading to a decrease in the softening temperature. This observation could be the explanation for the lowest relaxation temperature Tr of KW, which contains the highest proportion of lignin and hemicellulose mixture compared to BL and GR (63.3% in KW, 57% in BL, and 55% in GR). KW even contains the highest proportion of lignin (27% for KW, 22% for BL, and 19% for GR) (Table 4). Placet et al., further explains that the relaxation that occurs at lower temperatures is the consequences of the relaxation of hemicellulose, while at higher temperatures it belongs to the relaxation of lignin [57]. As studied in his research, ambient moisture shows different affinity to lignin and hemicellulose: the affinity for hemicellulose is high due to the presence of hydroxyl and carboxyl groups, which leads to an improvement in the flexibility of the cellulose network and a decrease in its stiffness. Thus, the relaxation takes place at lower temperatures. In contrast, the water affinity to lignin is low due to its massive molecular structure, which leads to relaxation occurring at higher temperatures.
UV Impact on Dynamic Mechanical Properties
After UV exposure (Figure 10, Figure 11, Figure 12 and Figure 13 and Table 11), the elasticity of KW, BL, and GR at 20 °C increases significantly: by about 104% for KW, 23% for BL, and 148% for the GR sample, while it decreases by 26.7% for the COP sample.
In general, UV light causes gradual degradation of paper, which has been shown for commercial office paper (COP). However, UV irradiation is the only type of cellulose degradation that affects only the amorphous regions, i.e., hemicellulose and lignin, and does not involve degradation of the crystalline fibril portion of the semi-crystalline cellulose structure. As suggested by Karlovits [58], the UV-exposed degraded amorphous domains form a more ordered structure, leading to covalent cross-linking through additional bonds. The more ordered structure is the result of the reduction in the “free volume”, i.e., the molecules adjust their positions over time and consequently a tighter structure is formed, increasing the storage modulus E′. The cross-linking formed occurs in the wall of the cellulose fibers and in the fiber–fiber bonding surfaces [59]. The increase in elastic modulus of papers during natural and accelerated ageing is also suggested by Graminski [60]. The author adds that the increase in paper elasticity during ageing is probably also related to the crystallization processes and not only to the cross-linking reactions of the semicrystalline structure.
As can be seen in Table 11, UV irradiation shifts the relaxation transition temperatures for KW, GR, and COP to the lower temperature and raises them for BL. The highest shift occurs for the GR sample (Tr decreases by 8 °C), indicating the higher structural mobility and sliding of the macromolecules due to the applied heated oscillation stress.

3.3.4. Linear Correlations between Structural, Physical, and Dynamic Properties

By comparing the structural and physical-mechanical properties with the viscoelastic properties, such as storage modulus, i.e., elastic fraction, E′, and phase difference, tanδ, interesting linear correlations between the measured values can be observed (Figure 14, Figure 15, Figure 16, Figure 17, Figure 18, Figure 19, Figure 20, Figure 21, Figure 22, Figure 23, Figure 24, Figure 25, Figure 26 and Figure 27). The viscoelastic behavior of the papers is mainly influenced by the moisture content, i.e., for the influence of the moisture content in the paper that it has on the elastic fraction, the linear correlation between the studied papers is 98.25% (Figure 22), while the influence on the phase difference is 71.58% (Figure 23). The lowest degree of linear correlation of the basic and physical-mechanical properties on the viscoelastic properties, i.e., mainly on the phase difference, has the Young’s modulus, 29.02% (Figure 27), the specific volume, 30.68% (Figure 21) and the paper density, 37.50% (Figure 19). In all cases of comparison of basic and physical-mechanical properties with viscoelastic properties, GR is closest to COP, which directly indicates less use of cellulose fibers from invasive alien plants and more use of wood fibers in papermaking. We can also conclude that European goldenrod cellulose fibers (GR) are the closest to tree fibers in terms of basic and physical-mechanical properties and that they can be more integrated into papermaking for production purposes, which is an alternative to reducing the proportion of wood species in cellulose fibers. It is also encouraging that Japanese knotweed fibers (KW), one of the most widespread alien invasive plants, are relatively close to European goldenrod fibers (GR) in all cases of viscoelastic response, while acacia fibers (BL) are the most prominent and consequently the least suitable for the mechanical papermaking process.

3.4. Colorimetric Measurements

Figure 28 shows the course of spectrophotometric measurements of papers KW, BL, GR, and COP. The black print made on office paper (COP) is the darkest and has the lowest L* value (26.80), while samples KW, BL, and GR have almost the same spectral values measured on black prints. This result was also expected since sample COP contains optical brighteners, and the prints give higher contrast. The presence of optical brighteners is evident from the graph, as the reflectance spectrum of COP exceeds the value of 100 in the blue region of the visible part of the spectrum.
From the graph, it can be seen that paper BL is darkest with L* = 68.56, followed by GR with L* = 76.78, KW with L* = 78.90, and the lightest COP with L* = 93.33.

UV Impact on Colorimetric Measurements

To determine the effect of the UV printer on the paper itself, we measured the CIELAB values on the base papers before and after passing through the printer. Table 12 shows that there was an imperceptible color difference for papers BL (∆E*ab 0.57) and COP (∆E*ab 0.73), while ∆E*ab of papers KW (∆E*ab 2.1) and GR (∆E*ab 2.75) was small.

4. Conclusions

IAPS are a challenge in European ecosystems. However, once removed, they can be put to good use. In this study, papers were produced from three groups of IAPS from Slovenian habitats: Knotweed (mixture of Fallopia japonica, Fallopia sachalinensis, and Fallopia ×bohemica), Goldenrod (Solidago canadensis, and Solidago gigantea), and Black Locust (Robinia pseudoacacia). Papers from IAPS were studied and compared with the commercial office paper.
According to the research hypotheses, the following conclusions can be drawn:
  • Papers made from cellulose fibers of IAPS are similar to papers made from conventional wood cellulose fibers, and hypothesis H1 is confirmed for the basic structural properties.
  • Papers made from IAPS cellulose fibers have a higher degree of anisotropy (H2 is confirmed), and the elasticity of the papers differs compared to commercial office paper, as the IAPS papers have significantly lower elasticity compared to commercial office paper (H3 is confirmed), suggesting that the cross-linking of their structure is poorer;
  • Irradiation with UV light lowers the elasticity of the commercial office papers, while it has a positive effect on the papers made from IAPS, i.e., their elasticity increases after UV irradiation. Thus, the cross-linking of their structure is prolonged (H4 is refuted);
  • For printing purposes, the commercial office paper has the highest contrast of the surface printed with black. Due to the similar surface morphology, the IAPS papers are similar to office papers for printing (H5 to H7 are confirmed);
  • Paper produced from IAPS has the potential to be used for a similar purpose as commercial office paper, but with some limitations (H8 is partially confirmed):
    • since the production process of collecting IAPS and making paper requires more time and energy, it is more expensive to produce;
    • the lack of whiteness of paper made from IAPS is still the main reason why it is not mass produced, especially where the whiteness of the paper is of primary importance, i.e., for high resolution color printing;
    • papers made from IAPS have the potential to be used for special corporate letters highlighting local environmental awareness in business, for advertising, ecological packaging, as art papers, and for environmental publications.

Author Contributions

Conceptualization, K.M. and B.B.P.; methodology, K.M., M.L., B.B.P., D.J., and M.S.; formal analysis, K.M., M.L., B.B.P., D.J., and M.S.; investigation, K.M., M.L., M.S., and D.J.; resources, B.B.P., K.M., and M.L.; Writing—Original draft preparation, B.B.P. and K.M.; Writing—Review and editing, K.M., M.L., and B.B.P.; visualization, K.M., M.L., D.J., and M.S.; supervision, K.M., M.L., and B.B.P.; project administration, K.M. and M.L; funding acquisition, B.B.P. All authors have read and agreed to the published version of the manuscript.

Funding

The authors acknowledge the financial support from the APPLUSE project (UIA02-228), co–finances by the European Regional Development Fund through the Urban Innovative Action (UIA) initiative.

Institutional Review Board Statement

Not applicable.

Informed Consent Statement

Not applicable.

Data Availability Statement

Data are contained within the article.

Acknowledgments

The authors want to express their most sincere gratitude to PULP AND PAPER INSTITUTE, Slovenia (APPLUSE project partner; Ljubljana) for produced paper, e.g., KW–GR.

Conflicts of Interest

The authors declare no conflict of interest.

References

  1. Marinšek, A.; Kutnar, L. Occurrence of IAPS in the floodplain forests along the Mura River in Slovenia. Period. Biol. 2008, 119, 251–260. [Google Scholar] [CrossRef]
  2. Ficko, T. Ljubljana Circular Economy. Available online: https://www.uia-initiative.eu/en/uia-cities/ljubljana (accessed on 9 June 2020).
  3. Cuixart, G. Uia-Initative.ue. Available online: https://www.uia-initiative.eu/en/news-events/applause-journal-2-new-system-tackle-invasive-alien-plant-species (accessed on 9 June 2020).
  4. Applause Challenge. Available online: https://www.uia-initiative.eu/en/uia-cities/ljubljana (accessed on 12 June 2020).
  5. Urban Innovative Actions Home Page. Available online: https://www.uia-initiative.eu/en/news/detection-and-mapping-japanese-knotweed-use-satellite-images (accessed on 13 January 2021).
  6. Lavrič, G.; Pleša, T.; Mendizza, A.; Ropret, M.; Karlovits, I.; Gregor-Svetec, D. Printability characteristics of paper made from a Japanese knotweed. In Proceedings of the 9th International Symposium Graphic Engineering and Design (Grid 2018), Novi Sada, Serbia, 8–10 September 2018; pp. 99–102. [Google Scholar] [CrossRef]
  7. Kim, H.G.; Lee, U.S.; Kwac, L.K.; Lee, S.O.; Kim, Y.S.; Shin, H.K. Electron beam irradiation isolates cellulose nanofiber from Korea “tall goldenrod” invasive alien plant pulp. Nanomaterials 2019, 9, 1358. [Google Scholar] [CrossRef]
  8. Saikia, C.N.; Goswami, T.; Ali, F. Evaluation of pulp and paper making characteristics of certain fast-growing plants. Wood. Sci. Technol. 1997, 31, 467–475. [Google Scholar] [CrossRef]
  9. Kapun, T.; Šinkovec, A.; Zule, J.; Skodlar, M.; Lavrič, G. Paper products made of paper from IAPS. In Proceedings of the 1st International Conference on Circular Packaging (CMC 2019), Ljubljana, Slovenia, 26–27 September 2019; pp. 197–204. [Google Scholar] [CrossRef]
  10. Balogh, L. Japanese, giant and bohemian knotweed. In The Most Important Invasive Plants in Hungary; Botta-Dukát, Z., Balogh, L., Eds.; Institute of Ecology and Botany, Hungarian Academy of Sciences: Vácrátót, Hungary, 2008; pp. 13–33. ISBN 978-963-8391-42-1. [Google Scholar]
  11. Strgulc-Krajšek, S.; Jogan, N. The genus Fallopia Adans. in Slovenia. Hladnikia 2011, 28, 17–40, ISSN:1318-2293. [Google Scholar]
  12. Gerber, E.; Krebs, C.; Murrell, C.; Moretti, M.; Rocklin, R.; Schaffner, U. Exotic invasive knotweeds (S1 spp.) negatively affect native plant and invertebrate assemblages in European riparian habitats. Biol. Conserv. 2008, 141, 646–654. [Google Scholar] [CrossRef]
  13. Shan, B.; Cai, Y.Z.; Brooks, J.D.; Corke, H. Antibacterial properties of Polygonum cuspidatum roots and their major bioactive constituents. Food Chem. 2008, 109, 530–537. [Google Scholar] [CrossRef]
  14. Peng, W.; Qin, R.; Li, X.; Zhou, H. Botany, phytochemistry, pharmacology, and potential application of Polygonum cuspidatum Sieb. et Zucc.: A review. J. Ethnopharmacol. 2013, 148, 729–745. [Google Scholar] [CrossRef]
  15. Frantík, T.; Kovářová, M.; Koblihová, H.; Bartůňková, K.; Nývltová, Z.; Vosátka, M. Production of medically valuable stilbenes and emodin in knotweed. Ind. Crops Prod. 2013, 50, 237–243. [Google Scholar] [CrossRef]
  16. Glavnik, V.; Vovk, I.; Albreht, A. High performance thin-layer chromatography–mass spectrometry of Japanese knotweed flavan-3-ols and proanthocyanidins on silica gel plates. J. Chromatogr. A 2017, 1482, 97–108. [Google Scholar] [CrossRef] [PubMed]
  17. Yang, F.; Zhang, T.; Ito, Y. Large-scale separation of resveratrol, anthraglycoside A and anthraglycoside B from Polygonum cuspidatum Sieb. et Zucc by high-speed counter-current chromatography. J. Chromatogr. A 2001, 919, 443–448. [Google Scholar] [CrossRef]
  18. Wang, D.G.; Liu, W.Y.; Chen, G.T. A simple method for the isolation and purification of resveratrol from Polygonum cuspidatum. J. Pharm. Anal. 2013, 3, 241–247. [Google Scholar] [CrossRef]
  19. Gorjanc, M.; Savić, A.; Topalić-Trivunović, L.; Mozetič, M.; Vesel, A.; Grujić, D. Dyeing of plasma treated cotton and bamboo rayon with Fallopia japonica extract. Cellulose 2016, 23, 2221–2228. [Google Scholar] [CrossRef]
  20. Werner, P.A.; Gross, R.S.; Bradbury, I.K. The Biology of Canadian Weeds: 45. Solidago canadensis L. Can. J. Plant. Sci. 1980, 60, 1393–1409. [Google Scholar] [CrossRef]
  21. Weber, E.; Jakobs, G. Biological flora of central Europe: Solidago gigantea Aiton. Flora-Morphol. Distrib. Funct. Ecol. Plants 2005, 200, 109–118. [Google Scholar] [CrossRef]
  22. De Groot, M.; Kleijn, D.; Jogan, N. Species groups occupying different trophic levels respond differently to the invasion of semi-natural vegetation by Solidago canadensis. Biol. Conserv. 2007, 136, 612–617. [Google Scholar] [CrossRef]
  23. Abhilasha, D.; Quintana, N.; Vivanco, J.; Joshi, J. Do allelopathic compounds in invasive Solidago canadensis restrain the native European flora? J. Ecol. 2008, 96, 993–1001. [Google Scholar] [CrossRef]
  24. CABI—Centre for Agriculture and Biosciences International (2018a): Solidago Gigantea (Giant Goldenrod), Datasheet, Invasive Species Compendium. Available online: https://www.cabi.org/isc/datasheet/50575#tab1-nav (accessed on 27 August 2020).
  25. CABI—Centre for Agriculture and Biosciences International (2018b): Solidago Canadensis (Canadian Goldenrod), Datasheet, Invasive Species Compendium. Available online: https://www.cabi.org/isc/datasheet/50599 (accessed on 27 August 2020).
  26. Woźniak, D.; Ślusarczyk, S.; Domaradzki, K.; Dryś, A.; Matkowski, A. Comparison of Polyphenol Profile and Antimutagenic and Antioxidant Activities in Two Species Used as Source of Solidaginis herba–Goldenrod. Chem. Biodivers. 2018, 15, e1800023. [Google Scholar] [CrossRef] [PubMed]
  27. Kołodziej, B. Antibacterial and antimutagenic activity of extracts aboveground parts of three Solidago species: Solidago virgaurea L., Solidago canadensis L. and Solidago gigantea Ait. J. Med. Plants Res. 2011, 5, 6770–6779. [Google Scholar] [CrossRef]
  28. Anžlovar, S.; Koce, J.D. Antibacterial and antifungal activity of aqueous and organic extracts from indigenous and invasive species of goldenrod (Solidago spp.) grown in Slovenia. Phyton (Horn) 2014, 54, 135–147, ISSN: 0079-2047. [Google Scholar]
  29. Zihare, L.; Blumberga, D. Insight into bioeconomy. Solidago canadensis as a valid resource. Brief review. Energy Procedia 2017, 128, 275–280. [Google Scholar] [CrossRef]
  30. Sádlo, J.; Vítková, M.; Pergl, J.; Pyšek, P. Towards site-specific management of invasive alien trees based on the assessment of their impacts: The case of Robinia pseudoacacia. NeoBiota 2017, 35, 1–34. [Google Scholar] [CrossRef]
  31. Vítková, M.; Müllerová, J.; Sádlo, J.; Pergl, J.; Pyšek, P. Black locust (Robinia pseudoacacia) beloved and despised: A story of an invasive tree in Central Europe. For. Ecol. Manag. 2017, 384, 287–302. [Google Scholar] [CrossRef] [PubMed]
  32. Veitch, N.C.; Elliott, P.C.; Kite, G.C.; Lewis, G.P. Flavonoid glycosides of the black locust tree, Robinia pseudoacacia (Leguminosae). Phytochemistry 2010, 71, 479–486. [Google Scholar] [CrossRef]
  33. Nicolescu, V.N.; Hernea, C.; Bakti, B.; Keserű, Z.; Antal, B.; Rédei, K. Black locust (Robinia pseudoacacia L.) as a multi-purpose tree species in Hungary and Romania: A review. J. For. Res. 2018, 29, 1449–1463. [Google Scholar] [CrossRef]
  34. Mantovani, D.; Veste, M.; Boldt-Burisch, K.; Fritsch, S.; Koning, L.A.; Freese, D. Carbon allocation, nodulation, and biological nitrogen fixation of black locust (Robinia pseudoacacia L.) under soil water limitation. Ann. For. Res. 2015, 58, 259–274. [Google Scholar] [CrossRef]
  35. Papaioannou, A.; Chatzistathis, T.; Papaioannou, E.; Papadopoulos, G. Robinia pseudοacacia as a valuable invasive species for the restoration of degraded croplands. Catena 2016, 137, 310–317. [Google Scholar] [CrossRef]
  36. Kleinbauer, I.; Dullinger, S.; Peterseil, J.; Essl, F. Climate change might drive the invasive tree Robinia pseudacacia into nature reserves and endangered habitats. Biol. Conserv. 2010, 143, 382–390. [Google Scholar] [CrossRef]
  37. Vítková, M.; Tonika, J.; Müllerová, J. Black locust: Successful invader of a wide range of soil conditions. Sci. Total Environ. 2015, 505, 315–328. [Google Scholar] [CrossRef] [PubMed]
  38. Lazzaro, L.; Mazza, G.; Errico, G.; Fabiani, A.; Giuliani, C.; Inghilesi, A.F.; Roversi, P.F. How ecosystems change following invasion by Robinia pseudoacacia: Insights from soil chemical properties and soil microbial, nematode, microarthropod and plant communities. Sci. Total Environ. 2018, 622, 1509–1518. [Google Scholar] [CrossRef] [PubMed]
  39. Snyder, L.U.; Luginbuhl, J.M.; Mueller, J.P.; Conrad, A.P.; Turner, K.E. Intake, digestibility and nitrogen utilization of Robinia pseudoacacia foliage fed to growing goat wethers. Small Rumin. Res. 2007, 71, 179–193. [Google Scholar] [CrossRef]
  40. Yang, S.; Li, G.; Zhao, Z.; Feng, M.; Fu, J.; Huang, Z.; Song, M.; Lin, S. The Taishan Robinia pseudoacacia polysaccharides enhance immune effects of rabbit haemorrhagic disease virus inactivated vaccines. Microb. Pathog. 2017, 112, 70–75. [Google Scholar] [CrossRef] [PubMed]
  41. Bhalla, P.; Bajpai, V.K. Chemical composition and antibacterial action of Robinia pseudoacacia L. flower essential oil on membrane permeability of foodborne pathogens. J. Essent. Oil-Bear. Plants 2017, 20, 632–645. [Google Scholar] [CrossRef]
  42. SEM, Geochemical Instrumentation and Analysis. Available online: https://serc.carleton.edu/research_education/geochemsheets/techniques/SEM.html (accessed on 25 November 2020).
  43. ISO 536: Paper and Board—Determination of Grammage, ISO: Geneve, Switzerland, 2019; 8p, ICS 85.060.
  44. ISO 534: Paper and Board—Determination of Thickness–Density and Specific Volume; ISO: Geneve, Switzerland, 2011; 13p, ICS 85.060.
  45. ISO 287: Paper and Board—Determination of Moisture Content of a Lot—Oven Drying Method; ISO: Geneve, Switzerland, 2017; 10p, ICS 85.060.
  46. ISO 1762: Paper, Board, Pulps and Cellulose Nanomaterials—Determination of Residue (Ash Content) on Ignition at 525 °C; ISO: Geneve, Switzerland, 2019; 9p, ICS 85.040.
  47. ISO 1924-2: Paper and Board—Determination of Tensile Properties–Part. 2: Constant Rate of Elongation Method (20 mm/min); ISO: Geneve, Switzerland, 2008; 12p, ICS 85.060.
  48. Okomori, K.; Enomae, T.; Onabe, F. Evaluation and control of coated paper stiffness. Jpn. Tappi J. 1997, 51, 635–644. [Google Scholar] [CrossRef][Green Version]
  49. ISO 12040: Graphic Technology—Prints and Printing Inks—Assessment of Light Fastness Using Filtered Xenon Arc Light; ISO: Geneve, Switzerland, 1997; 5p, ICS 87.080.
  50. ApexJet UV Printer, Microtec Technology Company. Available online: https://www.apex-jet.com/products/DTG-TextilePrinter.htm (accessed on 10 December 2020).
  51. Ioelovich, M. Isophase Transitions of Cellulose—A Short Review. Athens J. Sci. 2016, 3, 309–322. [Google Scholar] [CrossRef]
  52. Perkins, R.W., Jr. Handbook of Physical Testing of Paper: Volume 1, 2nd ed.; Mark, R.E., Habeger, C., Borch, J., Bruce-Lyne, M., Eds.; Marcel Dekker, Inc.: New York, NY, USA, 2001; pp. 22–26. ISBN 0-8247-0498-3. [Google Scholar]
  53. Roylance, D.; McElroy, P.; McGarry, F. Viscoelastic properties of paper. Fibre Sci. Technol. 1980, 13, 411–421. [Google Scholar] [CrossRef]
  54. Kaimin, I.; Karlivan, V.; Ioelovich, M. Temperature transitions of cellulose and their dependence on low molecular substances. News Latv. Acad. Sci. 1979, 8, 112–123, ISSN 1407-009X. [Google Scholar]
  55. Börjesson, M. Radiation Crosslinking of Cellulose Fibres to Obtain Rigid Lightweight Paperboard. Licentiate Thesis, Chalmers University of Technology, Department of Chemical and Biological Engineering, Gothenburg, Sweden, 2013; pp. 13–15, ISSN 1652-943X. [Google Scholar]
  56. Olsson, A.M.; Salmkn, L. The effect of lignin structure on the viscoelastic properties of wood. Nord. Pulp Paper Res. J. 1997, 12, 140–144. [Google Scholar] [CrossRef]
  57. Placet, V.; Passard, P.; Perré, P. Viscoelastic properties of wood across the grain measured under water-saturated conditions up to 135 °C: Evidence of thermal degradation. J. Mater. Sci. 2008, 43, 3210–3217. [Google Scholar] [CrossRef]
  58. Karlovits, M.; Gregor-Svetec, D. Durability of Cellulose and Synthetic Papers Exposed to Various Methods of Accelerated Ageing. Acta Polytech. Hung. 2012, 9, 81–100. [Google Scholar] [CrossRef]
  59. Fellers, C.; Iversen, T.; Lindström, T.; Nilsson, T.; Rigdahl, M. Ageing/Degradation of Paper: A Literature Survey; Swedish Pulp and Paper Research Institute: Stockholm, Sweden, 1989; pp. 11–18, ISSN 0284-5636. [Google Scholar]
  60. Graminski, E.L. The Stress-strain Behavior of Accelerated and Naturally Aged Papers. Tappi 1970, 53, 406–410, ISSN 00398241. [Google Scholar]
Figure 1. Aerial image of Ljubljana location where Japanese knotweed was detected [5].
Figure 1. Aerial image of Ljubljana location where Japanese knotweed was detected [5].
Forests 12 00527 g001
Figure 2. Clark bending stiffness.
Figure 2. Clark bending stiffness.
Forests 12 00527 g002
Figure 3. Linear dependence of Clark stiffness vs. paper thickness.
Figure 3. Linear dependence of Clark stiffness vs. paper thickness.
Forests 12 00527 g003
Figure 4. Storage modulus vs. temperature of KW.
Figure 4. Storage modulus vs. temperature of KW.
Forests 12 00527 g004
Figure 5. Storage modulus vs. temperature of BL.
Figure 5. Storage modulus vs. temperature of BL.
Forests 12 00527 g005
Figure 6. Storage modulus vs. temperature of GR.
Figure 6. Storage modulus vs. temperature of GR.
Forests 12 00527 g006
Figure 7. Storage modulus vs. temperature of COP.
Figure 7. Storage modulus vs. temperature of COP.
Forests 12 00527 g007
Figure 8. The comparison of storage modulus of KW, BL, GR, and COP.
Figure 8. The comparison of storage modulus of KW, BL, GR, and COP.
Forests 12 00527 g008
Figure 9. The comparison of damping factor of KW, BL, GR, and COP.
Figure 9. The comparison of damping factor of KW, BL, GR, and COP.
Forests 12 00527 g009
Figure 10. Storage modulus vs. temperature of KW.
Figure 10. Storage modulus vs. temperature of KW.
Forests 12 00527 g010
Figure 11. Storage modulus vs. temperature of BL.
Figure 11. Storage modulus vs. temperature of BL.
Forests 12 00527 g011
Figure 12. Storage modulus vs. temperature of GR.
Figure 12. Storage modulus vs. temperature of GR.
Forests 12 00527 g012
Figure 13. Storage modulus vs. temperature of COP.
Figure 13. Storage modulus vs. temperature of COP.
Forests 12 00527 g013
Figure 14. Storage modulus vs. Grammage.
Figure 14. Storage modulus vs. Grammage.
Forests 12 00527 g014
Figure 15. Energy loss vs. grammage.
Figure 15. Energy loss vs. grammage.
Forests 12 00527 g015
Figure 16. Storage modulus vs. thickness.
Figure 16. Storage modulus vs. thickness.
Forests 12 00527 g016
Figure 17. Energy loss vs. thickness.
Figure 17. Energy loss vs. thickness.
Forests 12 00527 g017
Figure 18. Storage modulus vs. density.
Figure 18. Storage modulus vs. density.
Forests 12 00527 g018
Figure 19. Energy loss vs. density.
Figure 19. Energy loss vs. density.
Forests 12 00527 g019
Figure 20. Storage modulus vs. specific volume.
Figure 20. Storage modulus vs. specific volume.
Forests 12 00527 g020
Figure 21. Energy loss vs. specific volume.
Figure 21. Energy loss vs. specific volume.
Forests 12 00527 g021
Figure 22. Storage modulus vs. Moisture content.
Figure 22. Storage modulus vs. Moisture content.
Forests 12 00527 g022
Figure 23. Energy loss vs. moisture content.
Figure 23. Energy loss vs. moisture content.
Forests 12 00527 g023
Figure 24. Storage modulus vs. Clark bending Stiffness.
Figure 24. Storage modulus vs. Clark bending Stiffness.
Forests 12 00527 g024
Figure 25. Energy loss vs. Clark bending Stiffness.
Figure 25. Energy loss vs. Clark bending Stiffness.
Forests 12 00527 g025
Figure 26. Storage modulus vs. Young modulus.
Figure 26. Storage modulus vs. Young modulus.
Forests 12 00527 g026
Figure 27. Energy loss vs. Young modulus.
Figure 27. Energy loss vs. Young modulus.
Forests 12 00527 g027
Figure 28. Measured spectral data of paper samples KW, BL, GR, and COP.
Figure 28. Measured spectral data of paper samples KW, BL, GR, and COP.
Forests 12 00527 g028
Table 1. Morphological macroscopic differences between Fallopia japonica, Fallopia sachalinensis, and Fallopia × bohemica [10,11].
Table 1. Morphological macroscopic differences between Fallopia japonica, Fallopia sachalinensis, and Fallopia × bohemica [10,11].
HeightFallopia japonicaFallopia sachalinensisFallopia ×bohemica
1.5–2.0 m2.5–3.5 m2.0–3.5 m
Leaveslength 5–15 cm, width 4–10 cm, leaf base truncated, underside appears glabrouslength 15–35 cm, width 10–20 cm, leaf base distinctly heart-shaped, underside 1 mm long trichomeslength 10–23 cm, width 9–20 cm, leaf base at least slightly heart-shaped, underside 0,5 mm long trichomes
Flowers2–4 in one cluster, flowering July–September4–7 in one cluster, flowering July–September3–5 in one cluster, flowering July–October
Photo of the leafForests 12 00527 i001Forests 12 00527 i002Forests 12 00527 i003
Table 2. Morphological macroscopic differences between Solidago canadensis and Solidago gigantea [19,20,24,25].
Table 2. Morphological macroscopic differences between Solidago canadensis and Solidago gigantea [19,20,24,25].
Solidago canadensisSolidago gigantea
StemsHair on the upper third of the stem (distinctly pubescent at the summit below the inflorescence)Stem is glabrous, smooth, not pubescent below the inflorescence (may be weakly hairy in the inflorescence only); may have a purplish cast and a white, waxy bloom
Photo of the stemForests 12 00527 i004Forests 12 00527 i005
FlowersSmaller flowers, with a pyramidal panicle (the corolla is 2.4−2.8 mm long; achenes are pubescent, 0.9−1.2 mm long, with a pappus of 2.0−2.5 mm)Larger flowers with a more sparsely packed panicle, denser inflorescence architecture (the capitula are 3−5 mm long; achenes are pubescent, 1−2 mm long, with a pappus of 1 mm long)
Table 3. Paper samples.
Table 3. Paper samples.
SamplePaper Sample Made from
KWKnotweeds
BLBlack locust
GRGoldenrods
COPCommercial office paper
Table 4. Chemical analysis of IAPS [9].
Table 4. Chemical analysis of IAPS [9].
SampleEthanol Extractives [%]Cellulose [%]Hemicellulose [%]Lignin [%]
KW1.135.036.627.0
BL4.741.035.022.0
GR1.637.036.019.0
Table 5. Stereomicroscope images of paper samples.
Table 5. Stereomicroscope images of paper samples.
SampleLight MicroscopyPaper with UV PrintPaper with Water-Based PrintPaper with Organic Solvent-Based Print
KWForests 12 00527 i006Forests 12 00527 i007Forests 12 00527 i008Forests 12 00527 i009
BLForests 12 00527 i010Forests 12 00527 i011Forests 12 00527 i012Forests 12 00527 i013
GRForests 12 00527 i014Forests 12 00527 i015Forests 12 00527 i016Forests 12 00527 i017
COPForests 12 00527 i018Forests 12 00527 i019Forests 12 00527 i020Forests 12 00527 i021
Table 6. SEM images of paper samples.
Table 6. SEM images of paper samples.
SampleSEM Image
50×100×500×
KWForests 12 00527 i022Forests 12 00527 i023Forests 12 00527 i024
BLForests 12 00527 i025Forests 12 00527 i026Forests 12 00527 i027
GRForests 12 00527 i028Forests 12 00527 i029Forests 12 00527 i030
COPForests 12 00527 i031Forests 12 00527 i032Forests 12 00527 i033
Table 7. Physical properties of paper made from different cellulose fibers.
Table 7. Physical properties of paper made from different cellulose fibers.
PropertiesISO StandardPaper Sample
KWBLGRCOP
Grammage [g/m2]536 (2019)97.1 ± 2.7118.9 ± 2.592.1 ± 1.379.5 ± 0.7
Thickness [mm]534 (2011)0.154 ± 0.0030.208 ± 0.0040.166 ± 0.0030.102 ± 0.002
Density [kg/m3]534 (2011)630 ± 11571 ± 16556 ± 11779 ± 10
Specific volume [cm3/g]534 (2011)1.588 ± 0.0271.753 ± 0.0491.799 ± 0.0351.283 ± 0.017
Moisture content [%]287 (2018)5.7 ± 0.15.6 ± 0.35.5 ± 0.44.3 ± 0.2
Ash content [%]1762 (2019)2.42 ± 0.032.82 ± 0.013.68 ± 0.1315.60 ± 0.04
Table 8. Physical-mechanical properties.
Table 8. Physical-mechanical properties.
SampleF15 [N]ε [%]E [MPa]σ [MPa]Emax [mJ]
MDCDMDCDMDCDMDCDMDCD
KW82 ± 635 ± 12.18 ± 0.304.32 ± 0.494092 ± 1541416 ± 3035.49 ± 2.4015.22 ± 0.49215 ± 0.04203 ± 0.03
BL69 ± 434 ± 11.22 ± 0.073.56 ± 0.393225 ± 2581074 ± 6921.75 ± 1.3810.84 ± 0.3889 ± 0.01160 ± 0.02
GR54 ± 424 ± 31.22 ± 0.162.64 ± 0.773087 ± 120981 ± 6321.25 ± 1,749.32 ± 1.3381 ± 0.0272 ± 0.03
COP59 ± 232 ± 11.55 ± 0.145.07 ± 0.372988 ± 521960 ± 3623.28 ± 0.0921.28 ± 0.69221 ± 0.01106 ± 0.02
F15 is maximum force of 15 mm wide paper strip; ε is tensile strain, E is Young’s modulus, σ is tensile stress, Emax is energy at maximum force.
Table 9. Bending stiffness.
Table 9. Bending stiffness.
SampleC [km/s]CS [Nmm]
MDCDMDCD
KW3.25 ± 0.062.12 ± 0.022.03 ± 0.070.86 ± 0.02
BL3.04 ± 0.141.90 ± 0.023.97 ± 0.371.54 ± 0.04
GR3.01 ± 0.061.84 ± 0.011.92 ± 0.080.71 ± 0.01
COP3.32 ± 0.042.23 ± 0.020.76 ± 0.020.34 ± 0.01
Table 10. The relaxation transition temperatures Tr and storage modulus E′.
Table 10. The relaxation transition temperatures Tr and storage modulus E′.
SampleRelaxation Transition Temperature (Tr) and Storage Modulus (E′)
Tr * [°C]E′ at 20 °C [GPa]
KW22.69191.601.970
BL24.411.425
GR32.082.521
COP37.46137.748.338
* Tr was taken as the inflection point of the storage modulus curve E′.
Table 11. The relaxation transition temperatures Tr and storage modulus E′ of KW, BL, GR, and COP samples after UV exposure.
Table 11. The relaxation transition temperatures Tr and storage modulus E′ of KW, BL, GR, and COP samples after UV exposure.
SampleRelaxation Transition Temperature (Tr) and Storage Modulus (E′)
Tr * [°C]E′ at 20 °C [GPa]
KW14.59197.734.022
BL31.13199.313.541
GR14.443.112
COP33.01135.096.017
* Tr was taken as the inflection point of the storage modulus curve E′.
Table 12. Color difference—∆E*ab between the basic paper and the basic paper exposed to the UV printer (one pass).
Table 12. Color difference—∆E*ab between the basic paper and the basic paper exposed to the UV printer (one pass).
PaperKWBLGRCOP
∆E*ab2.100.572.750.73
Publisher’s Note: MDPI stays neutral with regard to jurisdictional claims in published maps and institutional affiliations.

Share and Cite

MDPI and ACS Style

Starešinič, M.; Boh Podgornik, B.; Javoršek, D.; Leskovšek, M.; Možina, K. Fibers Obtained from Invasive Alien Plant Species as a Base Material for Paper Production. Forests 2021, 12, 527. https://doi.org/10.3390/f12050527

AMA Style

Starešinič M, Boh Podgornik B, Javoršek D, Leskovšek M, Možina K. Fibers Obtained from Invasive Alien Plant Species as a Base Material for Paper Production. Forests. 2021; 12(5):527. https://doi.org/10.3390/f12050527

Chicago/Turabian Style

Starešinič, Marica, Bojana Boh Podgornik, Dejana Javoršek, Mirjam Leskovšek, and Klemen Možina. 2021. "Fibers Obtained from Invasive Alien Plant Species as a Base Material for Paper Production" Forests 12, no. 5: 527. https://doi.org/10.3390/f12050527

APA Style

Starešinič, M., Boh Podgornik, B., Javoršek, D., Leskovšek, M., & Možina, K. (2021). Fibers Obtained from Invasive Alien Plant Species as a Base Material for Paper Production. Forests, 12(5), 527. https://doi.org/10.3390/f12050527

Note that from the first issue of 2016, this journal uses article numbers instead of page numbers. See further details here.

Article Metrics

Back to TopTop