Materials-Related Aspects of Thermochemical Water and Carbon Dioxide Splitting: A Review
Abstract
:1. Introduction

2. Metal Oxide-Based Redox Materials



2.1. Volatile Cycles
2.1.1. Materials
Zinc (Zn)
Tin
2.1.2. Technical Implementation
2.2. Nonvolatile Cycles
2.2.1. Materials
Ferrites
Ceria
Perovskites
2.2.2. Technical Implementation

3. Sulfur-Based Cycles
3.1. Process Concepts
3.1.1. Sulfur-Iodine Cycle

3.1.2. Hybrid Sulfur Cycle

3.1.3. Outotec Process
3.1.4. Others Processes
HHLT Process
Mark 13 V2 Process
Mark 13A Process
3.2. Materials
4. Cu/CuCl Cycle
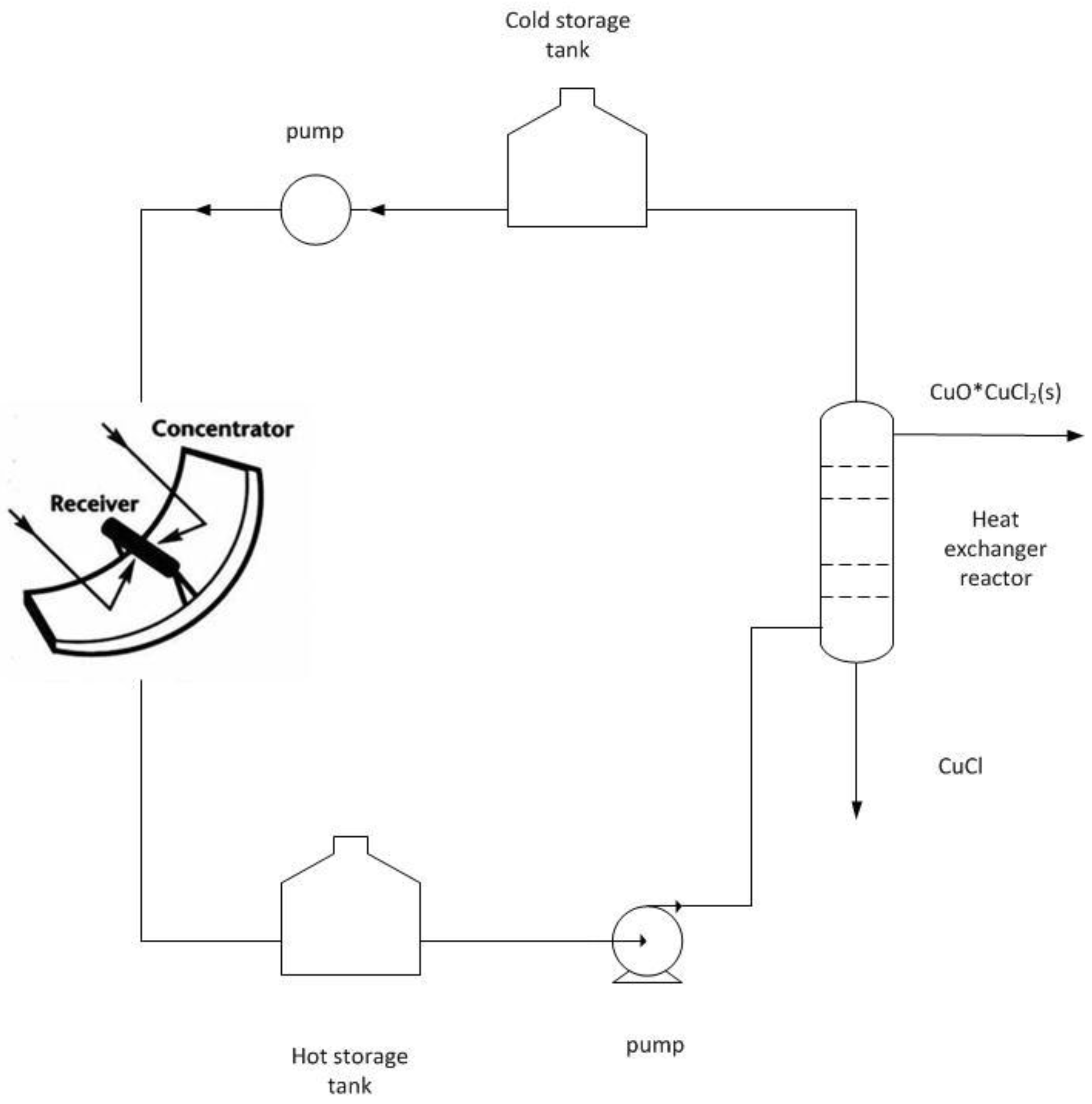
4.1. Process Concepts

4.2. Materials
5. Conclusions
References
- Eisenstadt, M.M.; Cox, K.E. Hydrogen production from solar energy. Solar Energy 1975, 17, 59–65. [Google Scholar] [CrossRef]
- Beghi, G.E. A decade of research on thermochemical hydrogen at the joint research centre, ISPRA. Int. J. Hydrog. Energy 1986, 11, 761–771. [Google Scholar] [CrossRef]
- Ohta, T.; Funk, J.E.; Porter, J.D.; Tilak, B.V. Hydrogen production from water: Summary of recent research and development presented at the Fifth WHEC. Int. J. Hydrog. Energy 1985, 10, 571–576. [Google Scholar] [CrossRef]
- Funk, J.E. Thermochemical production of hydrogen via multistage water splitting processes. Int. J. Hydrog. Energy 1976, 1, 33–43. [Google Scholar] [CrossRef]
- Norman, J.H.; Mysels, K.J.; Sharp, R.; Williamson, D. Studies of the sulfur-iodine thermochemical water-splitting cycle. Int. J. Hydrog. Energy 1982, 7, 545–556. [Google Scholar] [CrossRef]
- Brecher, L.E.; Spewock, S.; Warde, C.J. The westinghouse sulfur cycle for the thermochemical decomposition of water. Int. J. Hydrog. Energy 1977, 2, 7–15. [Google Scholar] [CrossRef]
- Sato, S.; Shimizu, S.; Nakajima, H.; Onuki, K.; Ikezoe, Y.; Suwa, T. Studies on the nickel-iodine-sulfur process for hydrogen production. Int. J. Hydrog. Energy 1984, 9, 191–196. [Google Scholar] [CrossRef]
- Kameyama, H.; Yoshida, K. Reactor design for the UT-3 thermochemical hydrogen production process. Int. J. Hydrog. Energy 1981, 6, 567–575. [Google Scholar] [CrossRef]
- Norman, J.H. Process for the thermochemical production of hydrogen. US Patent 4,089,940, 16 May 1978. [Google Scholar]
- Dokiya, M.; Kotera, Y. Hybrid cycle with electrolysis using Cu-Cl system. Int. J. Hydrog. Energy 1975, 1, 117–121. [Google Scholar] [CrossRef]
- Naterer, G.; Suppiah, S.; Lewis, M.; Gabriel, K.; Dincer, I.; Rosen, M.A.; Fowler, M.; Rizvi, G.; Easton, E.B.; Ikeda, B.M.; et al. Recent Canadian advances in nuclear-based hydrogen production and the thermochemical Cu–Cl cycle. Int. J. Hydrog. Energy 2009, 34, 2901–2917. [Google Scholar] [CrossRef]
- Ghandehariun, S.; Naterer, G.F.; Dincer, I.; Rosen, M.A. Solar thermochemical plant analysis for hydrogen production with the copper-chlorine cycle. Int. J. Hydrog. Energy 2010, 35, 8511–8520. [Google Scholar] [CrossRef]
- Abanades, S.; Charvin, P.; Flamant, G.; Neveu, P. Screening of water-splitting thermochemical cycles potentially attractive for hydrogen production by concentrated solar energy. Energy 2006, 31, 2469–2486. [Google Scholar] [CrossRef]
- Steinfeld, A.; Palumbo, R. Solar Thermochemical Process Technology. Encycl. Phys. Sci. Technol. 2001, 15, 237–256. [Google Scholar]
- Lang, Y.; Arnepalli, R.R.; Tiwari, A. A review on hydrogen production: Methods, materials and nanotechnology. J. Nanosci. Nanotechnol. 2011, 11, 3719–3739. [Google Scholar] [CrossRef] [PubMed]
- Kodama, T.; Gokon, N. Thermochemical cycles for high-temperature solar hydrogen production. Chem. Rev. 2007, 107, 4048–4077. [Google Scholar] [CrossRef] [PubMed]
- Nakamura, T. Hydrogen production from water utilizing solar heat at high temperatures. Solar Energy 1977, 19, 467–475. [Google Scholar] [CrossRef]
- Ihara, S. On the study of hydrogen production from water using solar thermal energy. Int. J. Hydrog. Energy 1980, 5, 527–534. [Google Scholar] [CrossRef]
- Steinfeld, A. Solar thermochemical production of hydrogen—A review. Solar Energy 2005, 78, 603–615. [Google Scholar] [CrossRef]
- Meredig, B.; Wolverton, C. First-principles thermodynamic framework for the evaluation of thermochemical H2O- or CO2-splitting materials. Phys. Rev. B 2009, 80, 245119:1–245119:8. [Google Scholar] [CrossRef]
- Kümmerle, E.A.; Heger, G. The Structures of C-Ce2O3−d, Ce7O12, and Ce11O20. J. Solid State Chem. 1999, 147, 485–500. [Google Scholar] [CrossRef]
- Miller, J.E.; Allendorf, M.D.; Diver, R.B.; Evans, L.R.; Siegel, N.P.; Stuecker, J.N. Metal oxide composites and structures for ultra-high temperature solar thermochemical cycles. J. Mater. Sci. 2008, 43, 4714–4728. [Google Scholar] [CrossRef]
- Boutz, M.M.R.; Winnubst, A.J.A.; Burggraaf, A.J. Yttria-ceria stabilized tetragonal zirconia polycrystals: Sintering, grain growth and grain boundary segregation. J. Eur. Ceram. Soc. 1994, 13, 89–102. [Google Scholar] [CrossRef]
- Roeb, M.; Gathmann, N.; Neises, M.; Sattler, C.; Pitz-Paal, R. Thermodynamic analysis of two-step solar water splitting with mixed iron oxides. Int. J. Energy Res. 2009, 33, 893–902. [Google Scholar] [CrossRef]
- Gokon, N.; Kodama, T.; Imaizumi, N.; Umeda, J.; Seo, T. Ferrite/zirconia-coated foam device prepared by spin coating for solar demonstration of thermochemical water-splitting. Int. J. Hydrog. Energy 2011, 36, 2014–2028. [Google Scholar] [CrossRef]
- Centi, G.; Perathoner, S. Opportunities and prospects in the chemical recycling of carbon dioxide to fuels. Catal. Today 2009, 148, 191–205. [Google Scholar] [CrossRef]
- Gálvez, M.E.; Loutzenhiser, P.G.; Hischier, I.; Steinfeld, A. CO2 splitting via two-step solar thermochemical cycles with Zn/ZnO and FeO/Fe3O4 redox reactions: Thermodynamic analysis. Energy Fuels 2008, 22, 3544–3550. [Google Scholar] [CrossRef]
- Le Gal, A.; Abanades, S.; Flamant, G. CO2 and H2O splitting for thermochemical production of solar fuels using nonstoichiometric ceria and ceria/zirconia solid solutions. Energy Fuels 2011, 25, 4836–4845. [Google Scholar] [CrossRef]
- Steinfeld, A.; Weimer, A.W. Thermochemical production of fuels with concentrated solar energy. Opt. Express 2010, 18, A100–A111. [Google Scholar] [CrossRef] [PubMed]
- Abanades, S.; Villafan-Vidales, H.I. CO2 and H2O conversion to solar fuels via two-step solar thermochemical looping using iron oxide redox pair. Chem. Eng. J. 2011, 175, 368–375. [Google Scholar] [CrossRef]
- Loutzenhiser, P.G.; Meier, A.; Steinfeld, A. Review of the two-step H2O/CO2-splitting solar thermochemical cycle based on Zn/ZnO redox reactions. Materials 2010, 3, 4922–4938. [Google Scholar] [CrossRef]
- Chueh, W.C.; Haile, S.M. Ceria as a thermochemical reaction medium for selectively generating syngas or methane from H2O and CO2. ChemSusChem 2009, 2, 735–739. [Google Scholar] [CrossRef] [PubMed]
- Stamatiou, A.; Loutzenhiser, P.G.; Steinfeld, A. Solar syngas production via H2O/CO2-splitting thermochemical cycles with Zn/ZnO and FeO/Fe3O4 redox reactions. Chem. Mater. 2010, 22, 851–859. [Google Scholar] [CrossRef]
- Ambris, J.J.; Ducarroir, M.; Sibieude, F. Preparation of cadmium by thermal dissociation of cadmium oxide using solar energy. Int. J. Hydrog. Energy 1982, 7, 143–153. [Google Scholar] [CrossRef]
- Brown, L.; Wong, N.; Buckingham, R.; Rennels, R.; Chen, Y. Solar production of hydrogen via a cadmium based thermochemical cycle. In 17th World Hydrogen Energy Conference, Brisbane, Australia, 15–19 June 2008.
- Abanades, S.; Charvin, P.; Lemort, F.; Flamant, G. Novel two-step SnO2/SnO water-splitting cycle for solar thermochemical production of hydrogen. Int. J. Hydrog. Energy 2008, 33, 6021–6030. [Google Scholar] [CrossRef]
- Abanades, S. CO2 and H2O reduction by solar thermochemical looping using SnO2/SnO redox reactions: Thermogravimetric analysis. Int. J. Hydrog. Energy 2012, 37, 8223–8231. [Google Scholar] [CrossRef]
- Perkins, C.; Lichty, P.R.; Weimer, A.W. Thermal ZnO dissociation in a rapid aerosol reactor as part of a solar hydrogen production cycle. Int. J. Hydrog. Energy 2008, 33, 499–510. [Google Scholar] [CrossRef]
- Gstoehl, D.; Brambilla, A.; Schunk, L.O.; Steinfeld, A. A quenching apparatus for the gaseous products of the solar thermal dissociation of ZnO. J. Mater. Sci. 2008, 43, 4729–4736. [Google Scholar] [CrossRef]
- Loutzenhiser, P.G.; Gálvez, M.E.; Hischier, I.; Stamatiou, A.; Steinfeld, A. CO2 Splitting in a hot-wall aerosol reactor via the two-step Zn/ZnO solar thermochemical cycle. In Energy Sustainability 2009; Krarti, M., Ed.; ASME: San Francisco, CA, USA, 2009. [Google Scholar]
- Hamed, T.A.; Venstrom, L.; Alshare, A.; Brulhart, M.; Davidson, J.H. Study of a quench device for the synthesis and hydrolysis of zn nanoparticles: Modeling and experiments. J. Solar Energy Eng. 2009, 131, 031018–031019. [Google Scholar] [CrossRef]
- Schunk, L.O.; Haeberling, P.; Wepf, S.; Wuillemin, D.; Meier, A.; Steinfeld, A. A receiver-reactor for the solar thermal dissociation of zinc oxide. J. Solar Energy Eng. 2008, 130, 021009–021015. [Google Scholar] [CrossRef]
- Haueter, P.; Moeller, S.; Palumbo, R.; Steinfeld, A. The production of zinc by thermal dissociation of zinc oxide—solar chemical reactor design. Solar Energy 1999, 67, 161–167. [Google Scholar] [CrossRef]
- Palumbo, R.K., M.; Möller, S.; Steinfeld, A. Reflections on the design of solar thermal chemical reactors: Thoughts and transformation. Energy 2004, 29, 727–744. [Google Scholar] [CrossRef]
- Müller, R.; Haeberling, P.; Palumbo, R.D. Further advances toward the development of a direct heating solar thermal chemical reactor for the thermal dissociation of ZnO(s). Solar Energy 2006, 80, 500–511. [Google Scholar] [CrossRef]
- Steinfeld, A. Solar hydrogen production via a two-step water-splitting thermochemical cycle based on Zn/ZnO redox reactions. Int. J. Hydrog. Energy 2002, 27, 611–619. [Google Scholar] [CrossRef]
- Lundberg, M. Model calculations on some feasible two-step water splitting processes. Int. J. Hydrog. Energy 1993, 18, 369–376. [Google Scholar] [CrossRef]
- Sibieude, F.; Ducarroir, M.; Tofighi, A.; Ambriz, J. High temperature experiments with a solar furnace: The decomposition of Fe3O4, Mn3O4, CdO. Int. J. Hydrog. Energy 1982, 7, 79–88. [Google Scholar] [CrossRef]
- Kodama, T.; Gokon, N.; Yamamoto, R. Thermochemical two-step water splitting by ZrO2-supported NixFe3−xO4 for solar hydrogen production. Solar Energy 2008, 82, 73–79. [Google Scholar] [CrossRef]
- Darken, L.S.; Gurry, R.W. The system iron-oxygen. II. Equilibrium and thermodynamics of liquid oxide and other phases. J. Am. Ceram. Soc. 1946, 68, 798–816. [Google Scholar]
- Ehrensberger, K.; Frei, A.; Kuhn, P.; Oswald, H.R.; Hug, P. Comparative experimental investigations of water-splitting reaction with iron oxide Fe1−yO and iron manganese oxides (Fe1−xMnx)1−yO. Solid States Ionics 1995, 78, 151–160. [Google Scholar] [CrossRef]
- Ehrensberger, K.; Kuhn, P.; Shklover, V.; Oswald, H.R. Temporary phase segragation processes during the oxidation of (Fe0.7Mn0.3)0.99O in N2-H2O atmosphere. Solid States Ionics 1996, 90, 75–81. [Google Scholar] [CrossRef]
- Miller, J.E.; Evans, L.R.; Stuecker, J.N.; Allendorf, M.D.; Siegel, N.P.; Diver, R.B. Materials development for the CR5 solar thermochemical heat engine. In Proceedings of ISEC2006 ASME International Solar Energy Conference, Denver, CO, USA, 8–13 July 2006.
- Tsuji, M.; Togawa, T.; Wada, Y.; Sano, T.; Tamaura, Y. Kinetic study of the formation of cation-excess magnetite. J. Chem. Soc. Faraday Trans. 1995, 91, 1533–1538. [Google Scholar] [CrossRef]
- Tamaura, Y.; Kojima, M.; Sano, T.; Ueda, Y.; Hasegawa, N.; Tsuji, M. Thermodynamic evaluation of water splitting by a cation-excessive (Ni, Mn) ferrite. Int. J. Hydrog. Energy 1998, 23, 1185–1191. [Google Scholar] [CrossRef]
- Kaneko, H.; Kodama, T.; Gokon, N.; Tamaura, Y.; Lovegrove, K.; Luzzi, Y. Decomposition of Zn-ferrite for O2 generation by concentrated solar radiation. Solar Energy 2004, 76, 317–322. [Google Scholar] [CrossRef]
- Tamaura, Y.; Kaneko, H. Oxygen-releasing step of ZnFe2O4/(ZnO + Fe3O4)-system in air using concentrated solar energy for solar hydrogen production. Solar Energy 2005, 78, 616–622. [Google Scholar] [CrossRef]
- Tamaura, Y.; Kojima, N.; Hasegawa, N.; Inoue, M.; Uehara, R.; Gokon, N.; Kaneko, H. Stoichiometric studies of H2 generation reaction for H2O/Zn/Fe3O4 systems. Int. J. Hydrog. Energy 2001, 26, 917–922. [Google Scholar] [CrossRef]
- Tamaura, Y.; Uehara, R.; Hasegawa, N.; Kaneko, H.; Aoki, H. Study on solid-state chemistry of the ZnO/Fe3O4/H2O system for H2 production at 973–1073 K. Solid State Ionics 2004, 172, 121–124. [Google Scholar] [CrossRef]
- Kodama, T.; Shimizu, T.; Satoh, T.; Nakata, M.; Shimizu, K.-I. Stepwise production of CO-rich syngas and hydrogen via solar methane reforming by using a Ni(II)-ferrite redox system. Solar Energy 2002, 73, 363–374. [Google Scholar] [CrossRef]
- Kodama, T.; Kondoh, Y.; Kiyama, A.; Shimizu, K. Hydrogen production by solar thermochemical water-splitting/methane-reforming process. In Proceedings of ISEC2003 ASME International Solar Energy Conference, Kohala Coast, HI, USA, 15–18 March 2003.
- Kodama, T.; Kondoh, Y.; Yamamoto, R.; Andou, H.; Satou, N. Thermochemical hydrogen production by a redox system of ZrO2-supported Co(II)-ferrite. Solar Energy 2005, 78, 623–631. [Google Scholar] [CrossRef]
- Gokon, N.; Takahashi, S.; Mizuno, T.; Kodama, T. A two-step water splitting with ferrite particles and its new reactor concept using an internally circulating fluidized-bed. In Proceedings of ISEC2006 ASME International Solar Energy Conference, Denver, CO, USA, 8–13 July 2006.
- Gokon, N.; Kondo, N.; Mataga, T.; Kodama, T. Internally circulating fluidized bed reactor with NiFe2O4 particle for thermochemical water-splitting. In 15th Solar PACES International Symposium, Berlin, Germany, 15–18 September 2009.
- Kodama, T.; Nakamuro, Y.; Mizuno, T.; Yamamoto, R. A two-step thermochemical water splitting by iron.oxide on stabilized zirconia. In Proceedings of ISEC2004 ASME International Solar Energy Conference, Portland, OR, USA, 11–14 July 2004.
- Gokon, N.; Mizuno, T.; Nakamuro, Y.; Kodama, T. Iron containing YSZ (Ytrrium-Stabilized Zirconia) system for a two-step thermochemical water splitting. In 13th Solar PACES International Symposium, Seville, Spain, 20–23 June 2006.
- Kodama, T.; Nagasaki, A.; Hasegawa, T.; Gokon, N. Reactive Fe-YSZ coated foam devices for solar two-step water splitting. In Proceedings of the ES2007 ASME Energy Sustainability Conference, Long Beach, CA, USA, 27–30 June 2007.
- Kodama, T.; Gokon, N.; Umeda, J.; Sakai, K.; Seo, T. Thermochemical two-step water splitting by zirconia-supported ferrites and its foam device for solar demonstration. In 15th Solar PACES International Symposium, Berlin, Germany, 15–18 September 2009.
- Gokon, N.; Murayama, H.; Nagasaki, A.; Kodama, T. Thermochemical two-step water splitting cycles by monoclinic ZrO2-supported NiFe2O4 and Fe3O4 powders and ceramic foam device. Solar Energy 2009, 83, 527–537. [Google Scholar] [CrossRef]
- Coker, E.N.; Ambrosini, A.; Rodriguez, M.A.; Miller, J.E. Ferrite-YSZ composites for solar thermochemical production of synthetic fuels: In operando characterization of CO2 reduction. J. Mater. Chem. 2011, 21, 10767–10776. [Google Scholar] [CrossRef]
- Coker, E.N.; Ohlhausen, J.A.; Ambrosini, A.; Miller, J.E. Oxygen transport and isotopic exchange in iron oxide/YSZ thermochemically-active materials via splitting of C(18O)2 at high temperature studied by thermogravimetric analysis and secondary ion mass spectrometry. J. Mater. Chem. 2012, 22, 6726–6732. [Google Scholar] [CrossRef]
- Ishihara, H.; Kaneko, H.; Yokoyama, T.; Fuse, A.; Hasegawa, N.; Tamaura, Y. Hydrogen production through two-step water splitting using YSZ (Ni,Fe) system for solar hydrogen production. In Proceedings of ISEC2005 ASME International Solar Energy Conference, Orlando, FL, USA, 6–12 August 2005.
- Ishihara, H.; Kaneko, H.; Hasegawa, N.; Tamaura, Y. Two-step water splitting process with solid solution of YSZ and Ni-ferrite for solar hydrogen production. J. Solar Energy Eng. 2008, 130, 044501–044503. [Google Scholar] [CrossRef]
- Ishihara, H.; Kaneko, H.; Hasegawa, N.; Tamaura, Y. Two-step water-splitting at 1273–1623 K using yttria-stabilized zirconia-iron oxide solid solution via co-precipitation and solid-state reaction. Energy 2008, 33, 1788–1793. [Google Scholar] [CrossRef]
- Siegel, N.; Diver, R.D.; Miller, J.E.; Garino, T.; Livers, S. Reactive structures for two-step thermochemical cycles based on non-volatile metal oxides. In Proceedings of the ASME 2009 3rd International Conference of Energy Sustainability (ES2009), San Francisco, CA, USA, 19–23 July 2009.
- Gokon, N.; Nagasaki, A.; Hatamachi, T.; Kodama, T.; Sakai, K. Ferrite-loaded ceramic foam devices prepared by spin-coating method for a solar two-step thermochemical cycle. In Proceedings of the ASME 2009 3rd International Conference of Energy Sustainability (ES2009), San Francisco, CA, USA, 19–23 July 2009.
- Gokon, N.; Hasegawa, T.; Takahashi, S.; Kodama, T. Thermochemical two-step water splitting for hydrogen production using YSZ particles and a ceramic foam device. Energy 2008, 33, 1407–1416. [Google Scholar] [CrossRef]
- King, D.M.; Spencer, J.A.; Liang, X.; Hakim, L.F.; Weimer, A.W. Atomic layer deposition on particles using a fluidized bed reactor with in situ mass spectrometry. Surf. Coat. Technol. 2007, 201, 9163–9171. [Google Scholar] [CrossRef]
- Scheffe, J.; Li, J.; Weimer, A. A spinel ferrite/hercynite water-splitting redox cycle. Int. J. Hydrog. Energy 2010, 35, 3333–3340. [Google Scholar] [CrossRef]
- Arifin, D.; Aston, V.J.; Liang, X.; McDaniel, A.H.; Weimer, A.W. CoFe2O4 on a porous Al2O3 nanostructure for solar thermochemical CO2 splitting. Energy Environ. Sci. 2012, 5, 9438–9443. [Google Scholar] [CrossRef]
- Scheffe, J.R.; Allendorf, M.D.; Coker, E.N.; Jacobs, B.W.; McDaniel, A.H.; Weimer, A.W. Hydrogen production via chemical looping redox cycles using atomic layer deposition-synthesized iron oxide and cobalt ferrites. Chem. Mater. 2011, 23, 2030–2038. [Google Scholar] [CrossRef]
- Palumbo, R.; Diver, R.B.; Larson, C.; Coker, E.N.; Miller, J.E.; Guertin, J.; Schoer, J.; Meyer, M.; Siegel, N.P. Solar thermal decoupled water electrolysis process I: Proof of concept. Chem. Eng. Sci. 2012, 84, 372–380. [Google Scholar] [CrossRef]
- Otsuka, K.; Hatano, M.; Morikawa, A. Decomposition of water by cerium oxide of δ-phase. Inorg. Chim. Acta 1985, 109, 193–197. [Google Scholar] [CrossRef]
- Abanades, S.; Flamant, G. Thermochemical hydrogen production from a two-step solar-driven water-splitting cycle based on cerium oxides. Solar Enegry 2006, 80, 1611–1623. [Google Scholar] [CrossRef]
- Abanades, S.; Legal, A.; Cordier, A.; Peraudeau, G.; Flamant, G.; Julbe, A. Investigation of reactive cerium-based oxides for H2 production by thermochemical two-step water-splitting. J. Mater.Sci. 2010, 45, 4163–4173. [Google Scholar] [CrossRef]
- Chueh, W.C.; Haile, S.M. A thermochemical study of ceria: exploiting an old material for new modes of energy conversion and CO2 mitigation. Phil. Trans. R. Soc. A 2010, 368, 3269–3294. [Google Scholar] [CrossRef] [PubMed]
- Kaneko, H.; Ishihara, H.; Taku, S.; Naganuma, Y.; Hasegawa, N.; Tamaura, Y. Cerium ion redox sytem in CeO2-xFe2O3 solid solution temperatures (1273–1673 K) in the two-step water-splitting reaction for solar H2 generation. J. Mater. Sci. 2008, 43, 3153–3161. [Google Scholar] [CrossRef]
- Le Gal, A.; Abanades, S. Catalytic investigation of ceria-zirconia solid solutions for solar hydrogen production. Int. J. Hydrog. Energy 2011, 36, 4739–4748. [Google Scholar]
- Kaneko, H.; Miura, T.; Ishihara, H.; Taku, S.; Yokoyama, T.; Nakajima, H.; Tamaura, Y. Reactive ceramics of CeO2–MOx (M = Mn, Fe, Ni, Cu) for H2 generation by two-step water splitting using concentrated solar thermal energy. Energy 2007, 32, 656–663. [Google Scholar] [CrossRef]
- Evdou, A.; Nalbandian, L.; Zaspalis, V.T. Perovskite membrane reactor for continuous and isothermal redox hydrogen production from the dissociation of water. J. Membr. Sci. 2008, 325, 704–711. [Google Scholar] [CrossRef]
- Evdou, A.; Zaspalis, V.; Nalbandian, L. La1−xSrxFeO3−δ perovskites as redox materials for application in a membrane reactor for simultaneous production of pure hydrogen and synthesis gas. Fuel 2010, 89, 1265–1273. [Google Scholar] [CrossRef]
- Nalbandian, L.; Evdou, A.; Zaspalis, V. La1-xSrxMO3 (M = Mn, Fe) perovskites as materials for thermochemical hydrogen production in conventional and membrane reactors. Int. J. Hydrog. Energy 2009, 34, 7162–7172. [Google Scholar] [CrossRef]
- Tamaura, Y.; Steinfeld, A.; Kuhn, P.; Ehrensberger, K. Production of solar hydrogen by a novel, 2-step, water splitting thermochemical cycle. Energy 1995, 20, 325–330. [Google Scholar] [CrossRef]
- Roeb, M.; Sattler, C.; Klüser, R.; Monnerie, N.; Oliveria, L.d.; Konstandopoulos, A.G.; Agrafiotis, C.; Zaspalis, V.T.; Nalbandian, L.; Steele, A.; Stobbe, P. Solar hydrogen production by a two-step cycle based on mixed iron oxides. J. Solar Energy Eng. 2006, 128, 125–133. [Google Scholar] [CrossRef]
- Roeb, M.; Neises, M.; Säck, J.-P.; Rietbrock, P.; Monnerie, N.; Dersch, J.; Schmitz, M.; Sattler, C. Operational strategy of a two-step thermochemical process for solar hydrogen production. Int. J. Hydrog. Energy 2009, 34, 4537–4545. [Google Scholar] [CrossRef]
- Roeb, M.; Säck, J.P.; Rietbrock, P.; Prahl, C.; Schreiber, H.; Neises, M.; de Oliveira, L.; Graf, D.; Ebert, M.; Reinalter, W.; et al. Test operation of a 100 kW pilot plant for solar hydrogen production from water on a solar tower. Solar Energy 2011, 85, 634–644. [Google Scholar] [CrossRef]
- Gokon, N.; Yamamoto, H.; Takahashi, S.; Kodama, T. New solar water-splitting reactor with ferrite particles in an internally circulating fluidized bed. In Proceedings of the ES2007 ASME Energy Sustainability Conference, Long Beach, CA, USA, 27–30 June 2007.
- Gokon, N.; Takahashi, S.; Yamamoto, H.; Kodama, T. Thermochemical two-step water-splitting reactor with internally circulating fluidized bed for thermal reduction of ferrite particles. Int. J. Hydrog. Energy 2008, 33, 2189–2199. [Google Scholar] [CrossRef]
- Kaneko, H.; Miura, T.; Ishihara, H.; Yokoyama, T.; Chen, M.; Tamaura, Y. Solar rotary reactor for continuous H2 production using two-step water splitting process. In Proceedings of the 16th World Hydrogen Energy Conference, Lyon, France, 13–16 June 2006.
- Kaneko, H.; Fuse, A.; Miura, T.; Ishihara, H.; Tamaura, Y. Two-step water splitting with concentrated solar heat using rotary-type reactor. In 13th Solar PACES International Symposium, Seville, Spain, 20–23 June 2006.
- Kaneko, H.; Miura, T.; Fuse, A.; Ishihara, H.; Taku, S.; Fukuzumi, H.; Naganuma, Y.; Tamaura, Y. Rotary-type solar reactor for solar hydrogen production with two-tep water splitting process. Energy Fuels 2007, 21, 2287–2293. [Google Scholar] [CrossRef]
- Kaneko, H.; Lee, C.-I.; Ishihara, T.; Ishikawa, Y.; Hosogoe, K.; Tamaura, Y. Solar H2 production with rotary-type solar reactor in international collaborative development between Tokyo Tech (Japan) and CSIRO (Australia). In 15th Solar PACES International Symposium, Berlin, Germany, 15–18 September 2009.
- Kaneko, H.; Fukuzumi, H.; Ishihara, H.; Taku, S.; Naganuma, Y.; Hasegawa, N.; Tamaura, Y. Development of rotary-type solar reactor for solar H2 production with two-step water splitting reaction. In 14th Solar PACES International Symposium, Las Vegas, NV, USA, 4–7 March 2008.
- Tamaura, Y.; Kaneko, H.; Naganuma, Y.; Taku, S.; Ouchi, K.; Hasegawa, N. Simultaneous production of H2 and O2 with rotary-type solar reactor (Tokyo Tech model) for solar hybrid fuel. In Proceedings of ES2008 ASME Energy Sustainability Conference, Jacksonville, FL, USA, 10–14 August 2008.
- Diver, R.B.; Miller, J.E.; Allendorf, M.D.; Siegel, N.P.; Hogan, R.E. Solar thermochemical water-splitting ferrite-cycle heat engines. J. Solar Energy Eng. 2008, 130, 041001–041008. [Google Scholar] [CrossRef]
- Diver, R.B.; Siegel, N.P.; Miller, J.E.; Moss, T.A.; Stuecker, J.N.; James, D.L. Development of a CR5 solar thermochemical heat engine prototype. In 14th Solar PACES International Symposium, Las Vegas, NV, USA, 4–7 March 2008.
- Miller, J.E.; Allendorf, M.D.; Ambrosini, A.; Coker, E.N.; Eramonski, I.; Hogan, R.E., Jr.; McDaniel, A.H.; Diver, R.B.; Evans, L.R. Development and Assessment of Solar-Thermal-Activated Fuel Production: Phase 1 Summary; Sandia-Report SAND2012-5658 for Sandia National Laboratories: Alburquerque, NM, USA, 2012. [Google Scholar]
- Chueh, W.C.; Falter, C.; Abbott, M.; Scipio, D.; Furler, P.; Haile, S.M.; Steinfeld, A. High-flux solar-driven thermochemical dissociation of CO2 and H2O using nonstoichiometric ceria. Science 2010, 330, 1797–1801. [Google Scholar] [CrossRef] [PubMed]
- Mehdizadeh, A.M.; Klausner, J.F.; Barde, A.; Mei, R. Enhancement of thermochemical hydrogen production using an iron–silica magnetically stabilized porous structure. Int. J. Hydrog. Energy 2012, 37, 8954–8963. [Google Scholar] [CrossRef]
- Onuki, K.; Kubo, S.; Terada, A.; Sakaba, N.; Hino, R. Thermochemical water-splitting cycle using iodine and sulfur. Energy Environ. Sci. 2009, 2, 491–497. [Google Scholar] [CrossRef]
- Norman, J.H.; Besenbruch, G.E.; O'Keefe, D.R. Thermochemical Water-Splitting for Hydrogen Production; Technical Report for General Atomic Co.: San Diego, CA, USA, 1981. [Google Scholar]
- Engels, H.; Knoche, K.F.; Roth, M. Direct dissociation of hydrogen iodide—An alternative to the General Atomic proposal. In 6th World Hydrogen Energy Conference, Vienna, Austria, 20–24 July 1986.
- Hydrogen as an Energy Carrier and Its Production by Nuclear Power; IAEA-TECDOC-1085; International Atomic Energy Agency: Vienna, Austria, 1999.
- Roth, M.; Knoche, K.F. Thermochemical water splitting through direct Hi-decomposition from H2O/HI/I2 solutions. Int. J. Hydrog. Energy 1989, 14, 545–549. [Google Scholar] [CrossRef]
- Kubo, S.; Nakajima, H.; Kasahara, S.; Higashi, S.; Masaki, T.; Abe, H.; Onuki, K. A demonstration study on a closed-cycle hydrogen production by the thermochemical water-splitting iodine-sulfur process. Nucl. Eng. Design 2004, 233, 347–354. [Google Scholar] [CrossRef]
- Goldstein, S.; Borgard, J.-M.; Vitart, X. Upper bound and best estimate of the efficiency of the iodine sulphur cycle. Int. J. Hydrog. Energy 2005, 30, 619–626. [Google Scholar] [CrossRef]
- Schultz, K.R. Use of the modular helium reactor. In World Nuclear Association Annual Symposium, London, UK, 3–5 September 2003.
- Decomposition of Sulfuric Acid Using Solar Thermal Energy; General Atomics Report, GA-A-17573; General Atomics Technologies: San Diego, CA, USA, 1985.
- Roeb, M.; Noglik, A.; Rietbrock, P.M.; Mohr, S.; de Oliveira, L.; Sattler, C.; Cerri, G.; de Maria, G.; Giovanelli, A.; Buenaventura, A.; de Lorenzo, D. HYTHEC: Development of a dedicated solar receiver-reactor for the decomposition of sulphuric acid. In European hydrogen Energy Conference EHEC 2005; Zaragoza, Spain: 22–25 November 2005.
- Duigou, A.L.; Borgard, J.-M.; Larousse, B.; Doizi, D.; Allen, R.; Ewan, B.C.; Priestman, G.H.; Elder, R.; Devonshire, R.; Ramos, V.; et al. HYTHEC: An EC funded search for a long term massive hydrogen production route using solar and nuclear technologies. Int. J. Hydrog. Energy 2005, 32, 1516–1529. [Google Scholar] [CrossRef]
- Parisi, M.; Giaconia, A.; Sau, S.; Spadoni, A.; Caputo, G.; Tarquini, P. Bunsen reaction and hydriodic phase purification in the sulfur–iodine process: An experimental investigation. Int. J. Hydrog. Energy 2011, 36, 2007–2013. [Google Scholar] [CrossRef]
- Russ, B. Sulfur Iodine Process Summary for the Hydrogen Technology Down-Selection. Available online: https://inlportal.inl.gov (accessed on 30 August 2012).
- Brecher, L.E.; Wu, C.K. Electrolytic Decomposition of Water. US Patent 3,888,750, 10 June 1975. [Google Scholar]
- Gorensek, M.B.; Summers, W.A. Hybrid sulfur flowsheets using PEM electrolysis and a bayonet decomposition reactor. Int. J. Hydrog. Energy 2009, 34, 4097–4114. [Google Scholar] [CrossRef]
- Summers, W.A.; Gorensek, M.B. Nuclear hydrogen production based on the hybrid sulfur thermochemical process. In International Congress on Advances in Nuclear Power Plants (ICAPP), Reno, NV, USA; 2006. [Google Scholar]
- Corgnale, C.; Summers, W.A. Solar hydrogen production by the Hybrid Sulfur process. Int. J. Hydrog. Energy 2011, 36, 11604–11619. [Google Scholar] [CrossRef]
- Hinkley, J.T.; O’Brien, J.A.; Fell, C.J.; Lindquist, S.-E. Prospects for solar only operation of the hybrid sulphur cycle for hydrogen production. Int. J. Hydrog. Energy 2011, 36, 11596–11603. [Google Scholar] [CrossRef]
- Steimke, J.L.; Steeper, T.J. Characterization Testing of H2O–SO2 Electrolyzer at Ambient Pressure; WSRC-TR-2005-00310; Technical Report for Westinghouse Savannah River Company: Aiken, SC, USA, 2005. [Google Scholar]
- Monnerie, N.; Schmitz, M.; Roeb, M.; Quantius, D.; Graf, D.; Sattler, C.; Lorenzo, D.D. Potential of hybridisation of the thermochemical hybrid-sulphur cycle for the production of hydrogen by using nuclear and solar energy in the same plant. Int. J. Nucl. Hydrog. Prod. Appl. 2011, 2, 178–201. [Google Scholar]
- Thomey, D.; Roeb, M.; Oliveira, L.d.; Gumpinger, T.; Schmücker, M.; Sattler, C.; Karagiannakis, G.; Agrafiotis, C.; Konstandopoulos, A. Characterisation of construction and catalyst materials for solar thermochemical hydrogen production. In 1st International Conference on Materials for Energy, Karlsruhe, Germany, 4–8 July 2010.
- Lu, P.W.T. Technological aspects of sulfur dioxide depolarized electrolysis for hydrogen production. Int. J. Hydrog. Energy 1983, 8, 773–781. [Google Scholar] [CrossRef]
- Farbman, G.H. The Conceptual Design of an Integrated Nuclear-Hydrogen Pro-Duction Plant Using the Sulfur Cycle Water Decomposition System; Report NASA-CR-134976; Technical Report for NASA: Hanover, MD, USA, 1976. [Google Scholar]
- Rauser, W.-C.; Gasik, M.; Peltola, H.; Taskinen, P. Method for producing hydrogen and sulphuric acid. US Patent 2010/0061922 A1, 14 September 2010. [Google Scholar]
- Lokkiluoto, A.K.K.; Gasik, M.M. Activities and free energy of mixing of sulfuric acid solutions by Gibbs–Duhem equation integration. J. Chem. Eng. Data 2012, 57, 1665–1671. [Google Scholar] [CrossRef]
- Takai, T.; Kubo, S.; Nakagiri, T.; Inagaki, Y. Lab-scale water-splitting hydrogen production test of modified hybrid sulfur process working at around 550 °C. Int. J. Hydrog. Energy 2011, 36, 4689–4701. [Google Scholar] [CrossRef]
- Engels, H.; Funk, J.E.; Hesselmann, K.; Knoche, K.F. Thermochemical hydrogen production. Int. J. Hydrog. Energy 1987, 12, 291–295. [Google Scholar] [CrossRef]
- Van Velzen, D. Desulphurization and denoxing of waste gases producing hydrogen as a by-product. In Proceedings of 2nd IEA Technical Workshop on Hydrogen Production, Jülich, Germany, 4–6 September 1991.
- Brown, L.C.; Funk, J.F.; Showalter, S.K. Initial Screening of Thermochemical Water-Splitting Cycles for High Efficiency Generation of Hydrogen Fuels Using Nuclear Power; General Atomics Report, GA-A23373; General Atomics Technologies: San Diego, CA, USA, 2000. [Google Scholar]
- Karagiannakis, G.; Agrafiotis, C.C.; Pagkoura, C.; Konstandopoulos, A.G.; Thomey, D.; de Oliveira, L.; Roeb, M.; Sattler, C. Hydrogen production via sulfur-based thermochemical cycles: Part 3: Durability and post-characterization of silicon carbide honeycomb substrates coated with metal oxide-based candidate catalysts for the sulfuric acid decomposition step. Int. J. Hydrog. Energy 2012, 37, 8190–8203. [Google Scholar] [CrossRef]
- Wong, B.; Buckingham, R.T.; Brown, L.C.; Russ, B.E.; Besenbruch, G.E.; Kaiparambil, A.; Santhanakrishnan, R.; Roy, A. Construction materials development in sulfur–iodine thermochemical water-splitting process for hydrogen production. Int. J. Hydrog. Energy 2007, 32, 497–504. [Google Scholar] [CrossRef]
- Gambale, D. Tantalum surface alloying of parts for corrosive hydrogen production process. Adv. Mater. Process. 2009, 167, 44. [Google Scholar]
- O'Keefe, D.R.; Norman, J.H.; Williamson, D.G. Catalysis research in thermochemical water-splitting processes. Catal. Rev. Sci. Eng. 1980, 22, 325–369. [Google Scholar] [CrossRef]
- Kim, T.-H.; Gong, G.-T.; Lee, B.G.; Lee, K.-Y.; Jeon, H.-Y.; Shin, C.-H.; Kim, H.; Jung, K.-D. Catalytic decomposition of sulfur trioxide on the binary metal oxide catalysts of Fe/Al and Fe/Ti. Appl. Catal. A General 2006, 305, 39–45. [Google Scholar] [CrossRef]
- Karagiannakis, G.; Agrafiotis, C.C.; Zygogianni, A.; Pagkoura, C.; Konstandopoulos, A.G. Hydrogen production via sulfur-based thermochemical cycles: Part 1: Synthesis and evaluation of metal oxide-based candidate catalyst powders for the sulfuric acid decomposition step. Int. J. Hydrog. Energy 2011, 36, 2831–2844. [Google Scholar] [CrossRef]
- Giaconia, A.; Sau, S.; Felici, C.; Tarquini, P.; Karagiannakis, G.; Pagkoura, C.; Agrafiotis, C.; Konstandopoulos, A.G.; Thomey, D.; de Oliveira, L.; Roeb, M.; Sattler, C. Hydrogen production via sulfur-based thermochemical cycles: Part 2: Performance evaluation of Fe2O3-based catalysts for the sulfuric acid decomposition step. Int. J. Hydrog. Energy 2011, 36, 6496–6509. [Google Scholar] [CrossRef]
- Naterer, G.F.; Gabriel, K.; Wang, Z.L.; Daggupati, V.N.; Gravelsins, R. Thermochemical hydrogen production with a copper-chlorine cycle. I: oxygen release from copper oxychloride decomposition. Int. J. Hydrog. Energy 2008, 33, 5439–5450. [Google Scholar] [CrossRef]
- Wang, Z.L.; Daggupati, V.; Gabriel, K.; Naterer, G.; Gravelsins, R. Engineering equipment design for Cu-Cl thermochemical water splitting cycle. In Workshop of the ORF Hydrogen Project at AECL Chalk River Laboratories, Chalk River, Ontario, Canada, 17 October 2008.
- Lewis, M.A.; Masin, J.G.; Vilim, R.B.; Serban, M. Development of the low temperature CuCl thermochemical cycle. In International Congress on Advances in Nuclear Power Plants, Seoul, Korea; 2005. [Google Scholar]
- Wang, Z.L.; Naterer, G.F.; Gabriel, K.S.; Gravelsins, K.S.; Daggupati, V.N. Comparison of different copper–chlorine thermochemical cycles for hydrogen production. Int. J. Hydrog. Energy 2009, 34, 3267–3276. [Google Scholar] [CrossRef]
- Gemasolar Home Page. Available online: http://www.torresolenergy.com/TORRESOL/gemasolar-plant/en (accessed on 3 June 2012).
- Feldhoff, J.F.; Schmitz, K.; Eck, M.; Schnatbaum-Laumann, L.; Laing, D.; Ortiz-Vives, F.; Schulte-Fischedick, J. Comparative system analysis of direct steam generation and synthetic oil parabolic trough power plants with integrated thermal storage. Solar Energy 2012, 86, 520–530. [Google Scholar] [CrossRef]
- Wang, Z.; Daggupati, V.N.; Marin, G.; Pope, K.; Xiong, Y.; Secnik, E.; Naterer, G.F.; Gabriel, K.S. Towards integration of hydrolysis, decomposition and electrolysis processes of the Cu–Cl thermochemical water splitting cycle. Int. J. Hydrog. Energy 2012, 37, 16557–16569. [Google Scholar] [CrossRef]
- Suppiah, S.; Naterer, G.F.; Lewis, M.; Lvov, S.; Easton, B.; Dincer, I.T. Thermo-mechanical design of nuclear-based hydrogen production. In ORF Workshops on Nuclear-Based Thermochemical Hydrogen Production, Chalk River, Canada, 10 February 2010.
- Ranganathan, S.; Easton, E.B. Ceramic carbon electrode-based anodes for use in the CuCl thermochemical cycle. Int. J. Hydrog. Energy 2010, 35, 4871–4876. [Google Scholar] [CrossRef]
- Ranganathan, S.; Easton, E.B. High performance ceramic carbon electrode-based anodes for use in the Cu-Cl thermochemical cycle for hydrogen production. Int. J. Hydrog. Energy 2010, 35, 1001–1007. [Google Scholar] [CrossRef]
© 2012 by the authors; licensee MDPI, Basel, Switzerland. This article is an open access article distributed under the terms and conditions of the Creative Commons Attribution license (http://creativecommons.org/licenses/by/4.0/).
Share and Cite
Roeb, M.; Neises, M.; Monnerie, N.; Call, F.; Simon, H.; Sattler, C.; Schmücker, M.; Pitz-Paal, R. Materials-Related Aspects of Thermochemical Water and Carbon Dioxide Splitting: A Review. Materials 2012, 5, 2015-2054. https://doi.org/10.3390/ma5112015
Roeb M, Neises M, Monnerie N, Call F, Simon H, Sattler C, Schmücker M, Pitz-Paal R. Materials-Related Aspects of Thermochemical Water and Carbon Dioxide Splitting: A Review. Materials. 2012; 5(11):2015-2054. https://doi.org/10.3390/ma5112015
Chicago/Turabian StyleRoeb, Martin, Martina Neises, Nathalie Monnerie, Friedemann Call, Heike Simon, Christian Sattler, Martin Schmücker, and Robert Pitz-Paal. 2012. "Materials-Related Aspects of Thermochemical Water and Carbon Dioxide Splitting: A Review" Materials 5, no. 11: 2015-2054. https://doi.org/10.3390/ma5112015
APA StyleRoeb, M., Neises, M., Monnerie, N., Call, F., Simon, H., Sattler, C., Schmücker, M., & Pitz-Paal, R. (2012). Materials-Related Aspects of Thermochemical Water and Carbon Dioxide Splitting: A Review. Materials, 5(11), 2015-2054. https://doi.org/10.3390/ma5112015

