Influence of UV Radiation on the Appearance Quality of Fair-Faced Concrete and Mitigation Approaches
Abstract
1. Introduction
2. Materials and Methods
2.1. Materials
2.2. Experimental Arrangements
2.2.1. Mix Proportions
2.2.2. Mixing Method
2.2.3. UV Radiation System Configuration
2.2.4. Experimental Conditions
2.3. Test Methods
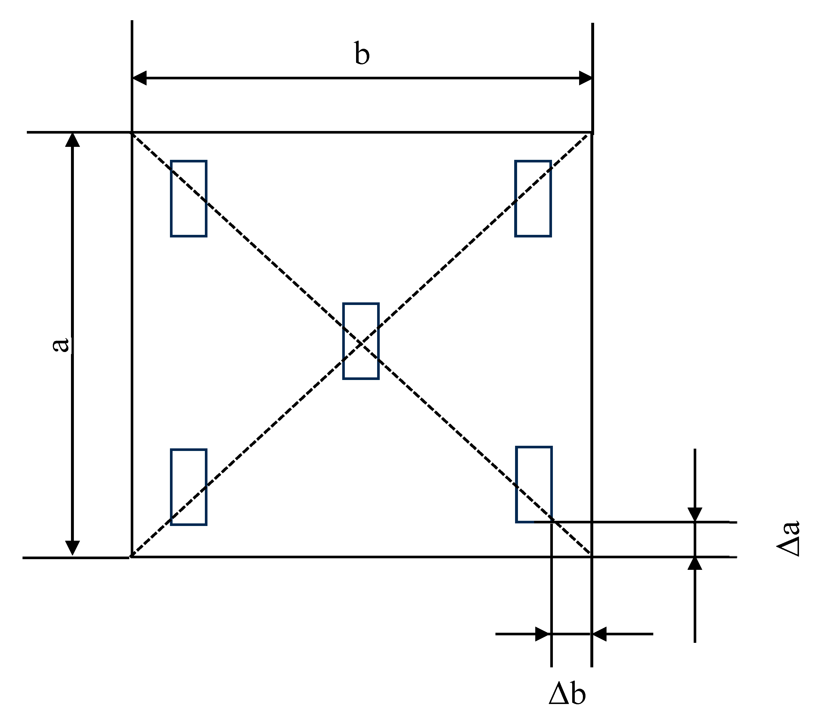
2.3.1. Surface Glossiness
2.3.2. Surface Porosity
2.3.3. Roughness
2.3.4. LF-NMR
2.3.5. Mass Loss
2.3.6. Thermogravimetric Analysis (TG/DTG)
2.3.7. Fourier Transform Infrared Spectroscopy (FTIR) Test
2.3.8. XRD Analysis
3. Results and Discussion
3.1. Influence of UV Radiation on the Appearance Quality of Fair-Faced Concrete
3.1.1. Glossiness
3.1.2. Surface Pore Distribution
3.1.3. Surface Roughness
3.2. Influence of UV Radiation on the Loss of Mass of Fair-Faced Concrete
3.3. Pore Structure Analysis
3.4. Chemical Bond Analysis
3.5. Hydration Process and Hydrate Phase Analysis
3.5.1. XRD
3.5.2. TG/DTG
3.6. Principle of UV Radiation Accelerating the Carbonation Reaction
4. Conclusions
Author Contributions
Funding
Institutional Review Board Statement
Informed Consent Statement
Data Availability Statement
Acknowledgments
Conflicts of Interest
Abbreviations
| UV | Ultraviolet |
| FC | Fluorocarbon paint |
| NS | Nano-silica |
| FFC | Fair-faced concrete |
References
- Wenyu, L. Application of Fair-faced Concrete Material in Architectural Design. J. Landsc. Res. 2024, 16, 77–86. [Google Scholar]
- Shen, W. Material design and engineering application of Fair-faced self-compacting concrete. Constr. Build. Mater. 2021, 300, 123992. [Google Scholar]
- Coburn, A.; Kardan, O.; Kotabe, H.; Steinberg, J.; Hout, M.C.; Robbins, A.; Macdonald, J.; Hayn-Leichsenring, G.; Berman, M.G. Psychological responses to natural patterns in architecture. J. Environ. Psychol. 2019, 62, 133–145. [Google Scholar] [CrossRef]
- Bamigboye, G.O.; Nworgu, A.T.; Odetoyan, A.O.; Kareem, M.; Bassey, D.E. Sustainable use of seashells as binder in concrete production: Prospect and challenges. J. Build. Eng. 2020, 34, 101864. [Google Scholar] [CrossRef]
- Sun, Y.; Wang, Y.M.; Cheng, L.; Zhu, X.L. Construction Technology and Benefit Analysis of Fair-faced Concrete In High-rise Building. Adv. Mater. Res. 2012, 446, 3690–3693. [Google Scholar] [CrossRef]
- You, R.; Zhang, P.; Qiu, Y.; Zheng, Q. Effect of concrete viscosity on apparent quality of fair faced concrete. In Proceedings of the Journal of Physics: Conference Series; IOP Publishing: Philadelphia, PA, USA, 2022; p. 012018. [Google Scholar]
- Zrar, Y.J.; Abdulrahman, P.I.; Sherwani, A.F.H.; Younis, K.H.; Mohammed, A.S. Sustainable innovation in self-compacted concrete: Integrating by-products and waste rubber for green construction practices. Structures 2024, 62, 106234. [Google Scholar] [CrossRef]
- Mao, J.; He, Z.; He, Y.; Lu, J.; Li, J. A Review of Effect of Mineral Admixtures on Appearance Quality of Fair-Faced Concrete and Techniques for Their Measurement. Sustainability 2023, 15, 14623. [Google Scholar] [CrossRef]
- Fu, X.; Li, Y.; Lin, C.; Meng, Y.; Yue, Q.; Liu, H. Strength, durability and appearance of low-carbon fair-faced concrete containing multiple mineral admixtures. Constr. Build. Mater. 2023, 392, 131838. [Google Scholar] [CrossRef]
- Li, W.; Jiang, T.; Jin, R.; Xu, Y. Optimization of the preparation process of Fair-Faced concrete incorporating recycled aggregates. Constr. Build. Mater. 2022, 326, 126908. [Google Scholar] [CrossRef]
- Luan, C.; Wu, Z.; Han, Z.; Gao, X.; Zhou, Z.; Du, P.; Wu, F.; Du, S.; Huang, Y. The effects of calcium content of fly ash on hydration and microstructure of ultra-high performance concrete (UHPC). J. Clean. Prod. 2023, 415, 137735. [Google Scholar] [CrossRef]
- Puthipad, N.; Ouchi, M.; Attachaiyawuth, A. Effects of fly ash, mixing procedure and type of air-entraining agent on coalescence of entrained air bubbles in mortar of self-compacting concrete at fresh state. Constr. Build. Mater. 2018, 180, 437–444. [Google Scholar] [CrossRef]
- Xu, Z.; Zhang, D.; Li, H.; Sun, X.; Zhao, K.; Wang, Y. Effect of FA and GGBFS on compressive strength, rheology, and printing properties of cement-based 3D printing material. Constr. Build. Mater. 2022, 339, 127685. [Google Scholar] [CrossRef]
- Ravikumar, D.; Peethamparan, S.; Neithalath, N. Structure and strength of NaOH activated concretes containing fly ash or GGBFS as the sole binder. Cem. Concr. Compos. 2010, 32, 399–410. [Google Scholar] [CrossRef]
- Sun, Z.; Young, C. Bleeding of SCC pastes with fly ash and GGBFS replacement. J. Sustain. Cem. Based Mater. 2014, 3, 220–229. [Google Scholar] [CrossRef]
- Jiang, X.; Zhang, Y.; Xiao, R.; Polaczyk, P.; Zhang, M.; Hu, W.; Bai, Y.; Huang, B. A comparative study on geopolymers synthesized by different classes of fly ash after exposure to elevated temperatures. J. Clean. Prod. 2020, 270, 122500. [Google Scholar] [CrossRef]
- Strehlein, D.; Schießl, P. Dark discoloration of fair-face concrete surfaces-transport and crystallization in hardening concrete. J. Adv. Concr. Technol. 2008, 6, 409–418. [Google Scholar] [CrossRef]
- Wang, D.; Shi, C.; Farzadnia, N.; Shi, Z.; Jia, H. A review on effects of limestone powder on the properties of concrete. Constr. Build. Mater. 2018, 192, 153–166. [Google Scholar] [CrossRef]
- Wang, D.; Shi, C.; Farzadnia, N.; Shi, Z.; Jia, H.; Ou, Z. A review on use of limestone powder in cement-based materials: Mechanism, hydration and microstructures. Constr. Build. Mater. 2018, 181, 659–672. [Google Scholar] [CrossRef]
- Zhang, Z.; Wang, Q.; Chen, H. Properties of high-volume limestone powder concrete under standard curing and steam-curing conditions. Powder Technol. 2016, 301, 16–25. [Google Scholar] [CrossRef]
- Shi, J.; Wu, Z.; Zhuang, J.; Zhang, F.; Zhu, T.; Li, H. Synergistic Effects of SAP, Limestone Powder and White Cement on the Aesthetic and Mechanical Properties of Fair-Faced Concrete. Materials 2023, 16, 7058. [Google Scholar] [CrossRef]
- Li, P.P.; Brouwers, H.; Chen, W.; Yu, Q. Optimization and characterization of high-volume limestone powder in sustainable ultra-high performance concrete. Constr. Build. Mater. 2020, 242, 118112. [Google Scholar] [CrossRef]
- Rashad, A.M. Effect of limestone powder on the properties of alkali-activated materials–A critical overview. Constr. Build. Mater. 2022, 356, 129188. [Google Scholar] [CrossRef]
- Silva, W.R.L.D.; Temberk, P. Expert system applied for classifying self-compacting concrete surface finish—ScienceDirect. Adv. Eng. Softw. 2013, 64, 47–61. [Google Scholar] [CrossRef]
- Qian, C.; Du, W. Analysis method of apparent quality of fair-faced concrete based on convolutional neural network machine learning. J. Build. Eng. 2023, 80, 108154. [Google Scholar] [CrossRef]
- Liu, B.; Yang, T.; Xie, Y. Factors influencing bugholes on concrete surface analyzed by image processing technology. Constr. Build. Mater. 2017, 153, 897–907. [Google Scholar] [CrossRef]
- Shi, J.; Qian, C.; Hao, Z. Effects of equipment parameters, ambient parameters and concrete surface moisture on the acquisition of fair-faced concrete appearance quality information. J. Build. Eng. 2023, 72, 106476. [Google Scholar] [CrossRef]
- Shuling, M.; Xiao, L.; Hongxiang, A.; Kai, L.; Zimeng, W. Study on workability and early crack resistance of bridge fair-faced self-compacting concrete. New Build. Mater. Xinxing Jianzhu Cailiao 2020, 47. [Google Scholar]
- Li, Z.-J.; Mao, J.-B.; Tao, H.-Y.; He, Z.-H.; Xie, Y.-D.; Li, J. Performance evaluation of pigmented fair-faced concrete under various environments: Mechanical properties, apparent properties, and color stability. Case Stud. Constr. Mater. 2024, 21, e03978. [Google Scholar] [CrossRef]
- Liu, Q.; Liao, Z.; Xiong, Y.; Liu, Z.; Zhang, W. Effect of imitation fair-faced curing and protective coating on the durability of concrete. J. Build. Eng. 2023, 63, 105540. [Google Scholar] [CrossRef]
- He, P.; Yu, J.; Wan, Y.; Wang, R.; Han, X.; Gu, S.; Liu, Q. Effect of ion chelator on microstructure and properties of cement-based materials under sulfate dry-wet cycle attack. Constr. Build. Mater. 2020, 257, 119527. [Google Scholar] [CrossRef]
- Honglei, C.; Zuquan, J.; Penggang, W.; Jianhong, W.; Jian, L. Comprehensive resistance of fair-faced concrete suffering from sulfate attack under marine environments. Constr. Build. Mater. 2021, 277, 122312. [Google Scholar] [CrossRef]
- Chang, H. Chloride binding capacity of pastes influenced by carbonation under three conditions. Cem. Concr. Compos. 2017, 84, 1–9. [Google Scholar] [CrossRef]
- Zou, D.; Qin, S.; Liu, T.; Jivkov, A. Experimental and numerical study of the effects of solution concentration and temperature on concrete under external sulfate attack. Cem. Concr. Res. 2021, 139, 106284. [Google Scholar] [CrossRef]
- Shui, Z.; Yu, J.; Yu, R.; Song, Q.; Zhu, S. Effects of Ultraviolet Radiation on the Surface of Hardened Cement Paste of the Physical and Chemical Properties. J. Wuhan Univ. Technol 2018, 40, 14–18. [Google Scholar]
- Cong, L.; Dong, L.; Yuan, Z.; Jialin, L. Study on the effect of ultraviolet irradiation on the performance of concrete. New Build. Mater. Xinxing Jianzhu Cailiao 2020, 47. [Google Scholar]
- Gómez, C.; Costela, A.; García-Moreno, I.; Sastre, R. Comparative study between IR and UV laser radiation applied to the removal of graffitis on urban buildings. Appl. Surf. Sci. 2006, 252, 2782–2793. [Google Scholar] [CrossRef]
- Liu, S.; Wang, L.; Wang, L. Deterioration characteristics of cement-fly ash paste under strong ultraviolet radiation and low temperature conditions. J. Wuhan Univ. Technol. Mater. Sci. Ed. 2018, 33, 1092–1098. [Google Scholar] [CrossRef]
- Bazli, M.; Zhao, X.-L.; Jafari, A.; Ashrafi, H.; Bai, Y.; Raman, R.S.; Khezrzadeh, H. Mechanical properties of pultruded GFRP profiles under seawater sea sand concrete environment coupled with UV radiation and moisture. Constr. Build. Mater. 2020, 258, 120369. [Google Scholar] [CrossRef]
- Asamoto, S.; Ohtsuka, A.; Kuwahara, Y.; Miura, C. Study on effects of solar radiation and rain on shrinkage, shrinkage cracking and creep of concrete. Cem. Concr. Res. 2011, 41, 590–601. [Google Scholar] [CrossRef]
- Duan, J.; Li, Y.; Gao, J.; Cao, R.; Shang, E.; Zhang, W. ROS-mediated photoaging pathways of nano-and micro-plastic particles under UV irradiation. Water Res. 2022, 216, 118320. [Google Scholar] [CrossRef]
- Mao, R.; Lang, M.; Yu, X.; Wu, R.; Yang, X.; Guo, X. Aging mechanism of microplastics with UV irradiation and its effects on the adsorption of heavy metals. J. Hazard. Mater. 2020, 393, 122515. [Google Scholar] [CrossRef]
- Pavlov, A.; Gol’Tsov, Y.I.; Mailyan, L.; Stel’Makh, S. Dehydration factor upon activation of building sand by ultraviolet radiation. In Proceedings of the IOP Conference Series: Materials Science and Engineering; IOP Publishing: Philadelphia, PA, USA, 2020; p. 012123. [Google Scholar]
- Andrady, A.; Barnes, P.; Bornman, J.; Gouin, T.; Madronich, S.; White, C.; Zepp, R.; Jansen, M. Oxidation and fragmentation of plastics in a changing environment; from UV-radiation to biological degradation. Sci. Total Environ. 2022, 851, 158022. [Google Scholar] [CrossRef] [PubMed]
- Prak, L.; Sumranwanich, T.; Tangtermsirikul, S. Experimental investigation on the degradation of coating on concrete surfaces exposed to accelerated and natural UV in chloride environment. J. Adhes. Sci. Technol. 2023, 37, 240–256. [Google Scholar] [CrossRef]
- Wang, H.; Feng, P.; Lv, Y.; Geng, Z.; Liu, Q.; Liu, X. A comparative study on UV degradation of organic coatings for concrete: Structure, adhesion, and protection performance. Prog. Org. Coat. 2020, 149, 105892. [Google Scholar] [CrossRef]
- Li, Z.; Lu, H.; Zhang, K.; Wu, Y. Mechanism of developing early strength of Portland cement-desert sand system under radiation in desert conditions. Case Stud. Constr. Mater. 2024, 21, e03693. [Google Scholar] [CrossRef]
- Jung, A.; Endres, M.B.; Weichold, O. Influence of environmental factors on the swelling capacities of superabsorbent polymers used in concrete. Polymers 2020, 12, 2185. [Google Scholar] [CrossRef]
- Li, H.; Shui, Z.; Wang, Z.; Xiao, X. Effects of UV Radiation on the Carbonation of Cement-Based Materials with Supplementary Cementitious Materials. Coatings 2023, 13, 994. [Google Scholar] [CrossRef]
- Wang, H.; Long, G.; Xie, Y.; Zeng, X.; Ma, K.; Dong, R.; Tang, Z.; Xiao, Q. Effects of intense ultraviolet irradiation on drying shrinkage and microstructural characteristics of cement mortar. Constr. Build. Mater. 2022, 347, 128513. [Google Scholar] [CrossRef]
- de Andrade, G.P.; de Castro Polisseni, G.; Pepe, M.; Toledo Filho, R.D. Design of structural concrete mixtures containing fine recycled concrete aggregate using packing model. Constr. Build. Mater. 2020, 252, 119091. [Google Scholar] [CrossRef]
- Campos, H.; Klein, N.; Marques Filho, J. Proposed mix design method for sustainable high-strength concrete using particle packing optimization. J. Clean. Prod. 2020, 265, 121907. [Google Scholar] [CrossRef]
- Wang, X.; Wu, D.; Zhang, J.; Yu, R.; Hou, D.; Shui, Z. Design of sustainable ultra-high performance concrete: A review. Constr. Build. Mater. 2021, 307, 124643. [Google Scholar] [CrossRef]
- Lai, M.; Griffith, A.; Hanzic, L.; Wang, Q.; Ho, J. Interdependence of passing ability, dilatancy and wet packing density of concrete. Constr. Build. Mater. 2021, 270, 121440. [Google Scholar] [CrossRef]
- Lai, M.; Binhowimal, S.; Griffith, A.; Hanzic, L.; Wang, Q.; Chen, Z.; Ho, J. Shrinkage design model of concrete incorporating wet packing density. Constr. Build. Mater. 2021, 280, 122448. [Google Scholar] [CrossRef]
- Sun, J.; Wang, Y.; He, Y.; Cui, W.; Chao, Q.; Shan, B.; Wang, Z.; Yang, X. The energy security risk assessment of inefficient wind and solar resources under carbon neutrality in China. Appl. Energy 2024, 360, 122889. [Google Scholar] [CrossRef]
- Li, L.; Chen, G.; Zhang, L.; Zhou, J. Research on the application of passive solar heating technology in new buildings in the Western Sichuan Plateau. Energy Rep. 2021, 7, 906–914. [Google Scholar] [CrossRef]
- Yang, S.H.; Lee, D.; Pak, S.Y.; Jeong, J.W.; Youn, J.R.; Song, Y.S. Enhancement of Surface Hardness and Glossiness of Polymer Composites Filled with Reclaimed Marble Waste Powder by Ion Beam Irradiation. Fibers Polym. 2021, 22, 1754–1760. [Google Scholar] [CrossRef]
- Paolone, G.; Moratti, E.; Goracci, C.; Gherlone, E.; Vichi, A. Effect of finishing systems on surface roughness and gloss of full-body bulk-fill resin composites. Materials 2020, 13, 5657. [Google Scholar] [CrossRef]
- Miranda, J.; Valença, J.; Costa, H.; Júlio, E. Chromatic design and application of restoration mortars on smooth surfaces of white and GRAY concrete. Struct. Concr. 2021, 22, E535–E548. [Google Scholar] [CrossRef]
- Li, Y.; Ma, H.; Wen, L.; Yuan, J.; Zhang, Y.; Li, Y.; Zhou, H.; Chen, J. Influence of pore size distribution on concrete cracking with different AEA content and curing age using acoustic emission and low-field NMR. J. Build. Eng. 2022, 58, 105059. [Google Scholar] [CrossRef]
- Behfarnia, K.; Salemi, N. The effects of nano-silica and nano-alumina on frost resistance of normal concrete. Constr. Build. Mater. 2013, 48, 580–584. [Google Scholar] [CrossRef]
- Abhilash, P.; Nayak, D.K.; Sangoju, B.; Kumar, R.; Kumar, V. Effect of nano-silica in concrete; a review. Constr. Build. Mater. 2021, 278, 122347. [Google Scholar]
- Tolegenova, A.; Skripkiunas, G.; Rishko, L.; Akmalaiuly, K. Both plasticizing and air-entraining effect on cement-based material porosity and durability. Materials 2022, 15, 4382. [Google Scholar] [CrossRef] [PubMed]
- Higl, J.; Hinder, D.; Rathgeber, C.; Ramming, B.; Lindén, M. Detailed in situ ATR-FTIR spectroscopy study of the early stages of CSH formation during hydration of monoclinic C3S. Cem. Concr. Res. 2021, 142, 106367. [Google Scholar] [CrossRef]
- dos Santos, V.H.J.M.; Pontin, D.; Ponzi, G.G.D.; e Stepanha, A.S.d.G.; Martel, R.B.; Schütz, M.K.; Einloft, S.M.O.; Dalla Vecchia, F. Application of Fourier Transform infrared spectroscopy (FTIR) coupled with multivariate regression for calcium carbonate (CaCO3) quantification in cement. Constr. Build. Mater. 2021, 313, 125413. [Google Scholar] [CrossRef]
- Ashraf, W. Carbonation of cement-based materials: Challenges and opportunities. Constr. Build. Mater. 2016, 120, 558–570. [Google Scholar] [CrossRef]
- Boumaaza, M.; Turcry, P.; Huet, B.; Aït-Mokhtar, A. Influence of carbonation on the microstructure and the gas diffusivity of hardened cement pastes. Constr. Build. Mater. 2020, 253, 119227. [Google Scholar] [CrossRef]
- Zhang, C.; Shi, X.; Wang, L.; Yao, Y. Investigation on the air permeability and pore structure of concrete subjected to carbonation under compressive stress. Materials 2022, 15, 4775. [Google Scholar] [CrossRef]
















| Raw Materials | Chemical Composition | ||||||||
|---|---|---|---|---|---|---|---|---|---|
| SiO2 | CaO | Al2O3 | Fe2O3 | SO3 | MgO | Na2O | K2O | Others | |
| PW | 22.76 | 62.45 | 5.28 | 0.72 | 2.68 | 1.48 | 0.37 | 0.46 | 3.80 |
| MK | 48.82 | 0.83 | 42.27 | 0.00 | 0.15 | 0.26 | 0.07 | 0.05 | 7.56 |
| LP | 7.97 | 86.98 | 2.31 | 1.17 | 0.05 | 0.15 | 0.00 | 1.01 | 0.66 |
| Sample | Cement (kg/m2) | MK (kg/m2) | LP (kg/m2) | Quartz Sand (kg/m2) | Quartz Flour A (kg/m2) | Quartz Flour B (kg/m2) | Quartz Flour C (kg/m2) | Quartz Flour D (kg/m2) | Water (kg/m2) | Water Reducing Agent (%) | Defoaming Agent (%) | NS (kg/m2) | FC (kg/m2) |
|---|---|---|---|---|---|---|---|---|---|---|---|---|---|
| NC | 544 | 96 | 128 | 256 | 256 | 256 | 128 | 128 | 174.7 | 1 | 0.05 | ||
| FC | 544 | 96 | 128 | 256 | 256 | 256 | 128 | 128 | 174.7 | 1 | 0.05 | 8.96 | |
| NS | 544 | 96 | 128 | 256 | 256 | 256 | 128 | 128 | 174.7 | 1 | 0.05 | 4.98 | |
| FC+NS | 544 | 96 | 128 | 256 | 256 | 256 | 128 | 128 | 174.7 | 1 | 0.05 | 4.98 | 8.96 |
| Group | NC | NC-UV | FC | FC-UV | NS | NS-UV | FC+NS | FC+NS-UV |
|---|---|---|---|---|---|---|---|---|
| Glossiness | 55.8 | 45.1 | 65.2 | 56.1 | 68.9 | 63.7 | 74.4 | 68.1 |
| Level | Excellent | Normal | Unqualified |
|---|---|---|---|
| standard | porosity < 0.2% and max D < 4 mm | porosity < 0.2% and 4 mm < max D < 8 mm | porosity > 0.2% or max D < 4 mm |
| Group | NC | NC-UV | FC | FC-UV | NS | NS-UV | FC+NS | FC+NS-UV |
|---|---|---|---|---|---|---|---|---|
| Mass loss ratio (%) | 0.68 | 1.61 | 0.83 | 1.87 | 0.61 | 1.5 | 0.78 | 1.8 |
Disclaimer/Publisher’s Note: The statements, opinions and data contained in all publications are solely those of the individual author(s) and contributor(s) and not of MDPI and/or the editor(s). MDPI and/or the editor(s) disclaim responsibility for any injury to people or property resulting from any ideas, methods, instructions or products referred to in the content. |
© 2025 by the authors. Licensee MDPI, Basel, Switzerland. This article is an open access article distributed under the terms and conditions of the Creative Commons Attribution (CC BY) license (https://creativecommons.org/licenses/by/4.0/).
Share and Cite
Wu, A.; Ke, J.; Liu, Z.; Shui, Z. Influence of UV Radiation on the Appearance Quality of Fair-Faced Concrete and Mitigation Approaches. Materials 2025, 18, 2039. https://doi.org/10.3390/ma18092039
Wu A, Ke J, Liu Z, Shui Z. Influence of UV Radiation on the Appearance Quality of Fair-Faced Concrete and Mitigation Approaches. Materials. 2025; 18(9):2039. https://doi.org/10.3390/ma18092039
Chicago/Turabian StyleWu, Ao, Jia Ke, Zhijie Liu, and Zhonghe Shui. 2025. "Influence of UV Radiation on the Appearance Quality of Fair-Faced Concrete and Mitigation Approaches" Materials 18, no. 9: 2039. https://doi.org/10.3390/ma18092039
APA StyleWu, A., Ke, J., Liu, Z., & Shui, Z. (2025). Influence of UV Radiation on the Appearance Quality of Fair-Faced Concrete and Mitigation Approaches. Materials, 18(9), 2039. https://doi.org/10.3390/ma18092039

