A Comprehensive Review of Green Hydrogen Technology: Electrolysis Methods, Topologies and Control Strategies, Applications
Abstract
1. Introduction
2. Hydrogen Production Through Electrolysis of Water
2.1. Alkaline Water Electrolysis
2.1.1. Membrane Material
2.1.2. Electrodes and Catalysts
2.1.3. Electrolyte
2.1.4. Degradation Pathways
- Membrane aging: Porous composite membranes—such as Zirfon®, PPS, and poly (aryl ether) systems—exhibit excellent electrical and mechanical properties. However, under concentrated alkaline conditions and continuous bubble impact, their pore structures may progressively expand, embrittle, or locally collapse, leading to increased gas crossover and higher ohmic resistance [26].
- Reverse-polarity corrosion during shutdown: Repeated start-up and shutdown cycles generate pressure pulsations and thermal expansion mismatches caused by bubble formation, which promote microcrack initiation and reduce membrane durability. Studies have revealed that when the electrolyzer is shut down or experiences sudden load fluctuations, the cathode potential temporarily shifts in the positive direction, causing oxidation of Ni- or NiFe-based catalysts to form NiO layers. This oxidation process reduces the number of active sites and hinders electronic conductivity [27].
- Carbonate deposition and electrolyte contamination: Atmospheric CO2 reacts with the KOH electrolyte to form potassium carbonate (K2CO3) crystals, which may accumulate within membrane pores or flow channels, thereby increasing local resistance and impeding gas diffusion [28]. Consequently, ensuring system sealing integrity, maintaining electrolyte purity, and implementing efficient circulation–purification strategies are essential for extending the operational lifetime of AWE systems.
2.1.5. Future Perspectives
- Non-noble metal bifunctional catalysts: Despite significant advances in catalytic activity, these materials continue to suffer from limited stability and structural controllability under high current densities. Future research should transition from single-material development to interface and electronic structure modulation, heterostructure engineering, and the design of self-supported electrodes to simultaneously enhance hydrogen evolution (HER) and oxygen evolution (OER) activities. In addition, integrating in situ characterization techniques with theoretical modeling is essential to elucidate reaction intermediates and deactivation mechanisms, thereby enabling efficient, durable, and cost-effective overall water splitting at high current densities.
- Highly durable hydrophilic composite membranes: Conventional alkaline electrolyzers generally employ Zirfon-type porous composite membranes, which are susceptible to gas crossover and mechanical fatigue under high-pressure or dynamically fluctuating conditions. A promising approach involves incorporating hydrophilic inorganic fillers (e.g., ZrO2, TiO2, SiO2) and fabric-reinforced structures into polymer matrices to enhance hydrophilicity, ionic conductivity, and mechanical robustness. Moreover, precise control of the microporous structure in composite membranes can improve gas–liquid separation and lower ohmic resistance. Future membrane designs should aim to simultaneously achieve high OH− conductivity, low gas permeability, and superior alkaline resistance.
- Gas crossover: Alkaline water electrolysis is generally performed in concentrated KOH or NaOH electrolytes using nickel-based electrodes and relatively thick diaphragms. During electrochemical operation, hydrogen and oxygen gases can permeate or diffuse through the diaphragm or porous separator, resulting in decreased gas purity, reduced energy efficiency, and potential safety risks. To mitigate this problem, reducing membrane thickness and optimizing structural density can effectively suppress gas crossover.
2.2. Proton Exchange Membrane Water Electrolysis
2.2.1. Membrane Material
2.2.2. Electrodes and Catalysts
2.2.3. Modeling and Simulation
2.2.4. Degradation Pathways
- Dissolution and migration of noble-metal catalysts: At anodic potentials above 1.6 V (vs. RHE), Ir or IrO2 catalysts can partially dissolve to form soluble Ir4+ species, which subsequently migrate into the membrane or redeposit onto the cathode under the influence of the electric field. This “dissolution–migration–redeposition” cycle gradually reduces the electrochemically active surface area (ECSA) [39]. Moreover, fluctuations in current density and start–stop cycling accelerate the dissolution process, resulting in a nonlinear accumulation of performance degradation.
- Chemical degradation of the proton exchange membrane: Under highly oxidative conditions, perfluoro sulfonic acid (PFSA) membranes generate H2O2 and hydroxyl radicals that attack the polymer backbone and side chains, leading to fluoride release, membrane thinning, and reduced proton conductivity. This degradation is manifested by increased ohmic resistance and enhanced gas crossover, which may ultimately cause localized short circuits [40].
- Degradation of titanium bipolar plates: The titanium bipolar plates on the anode side are particularly susceptible to corrosion-induced degradation. In acidic and high-potential environments, fluoride ions (F−) generated from membrane decomposition can compromise the stability of the passive TiO2 layer, leading to elevated interfacial contact resistance and localized corrosion [41].
2.2.5. Future Perspectives
- Proton exchange membranes: Although extensive research has been conducted on alternative materials, no single membrane has yet matched Nafion® in terms of overall performance and durability. Future research should focus on developing next-generation proton exchange membranes with high proton conductivity, exceptional chemical stability, and lower cost to overcome the limitations of Nafion®. Core directions include: optimizing short-side-chain perfluoro sulfonic acid membranes to achieve superior performance and mechanical strength at elevated operating temperatures; exploring non-fluorinated or partially fluorinated hydrocarbon polymers, combined with cross-linked structures or nanofiller incorporation to mitigate chemical degradation under harsh operating conditions while reducing cost and environmental impact; and designing multifunctional composite membranes by introducing inorganic nanoparticles to simultaneously enhance water retention, mechanical robustness, and radical scavenging capability.
- Development of corrosion-resistant conductive coatings: To achieve safe, efficient, and long-lifespan PEM water electrolysis (PEMWE) operation under high-pressure conditions, developing high-performance corrosion-resistant and conductive coatings is a critical engineering objective. Future studies should aim to replace expensive noble-metal coatings with highly stable material systems such as transition-metal nitrides, carbides, and conductive oxides. Advanced surface engineering techniques are required to fabricate dense, uniform, and strongly adherent thin-film coatings on titanium-based bipolar plates and porous transport layers.
- Integration of PEMECs with renewable energy systems: The key objective is to elucidate the degradation mechanisms of electrolyzers under dynamically fluctuating power conditions and, based on these insights, develop intelligent system control strategies and lifetime management methods. These include optimizing start-up and shutdown protocols, expanding the operational range for rapid load variations, and establishing hybrid systems integrated with energy storage devices to mitigate power fluctuations. The ultimate goal is to develop an integrated system capable of responding in real time to renewable energy inputs while maximizing energy efficiency and device lifetime, thereby positioning PEMECs as efficient, flexible, and reliable “green hydrogen” production units within future power infrastructures.
2.3. Solid Oxide Electrolysis
2.3.1. Electrolyte
2.3.2. Electrodes and Catalysts
2.3.3. Degradation Pathways
- Migration and oxidation of Ni-based electrodes: In the fuel electrode (cathode), nickel particles are oxidized to form volatile Ni (OH)x species under high steam concentrations during electrolysis, which subsequently migrate toward the electrolyte surface. This process increases the ohmic resistance, reduces the triple-phase boundary (TPB) length, and consequently degrades the catalytic performance of the electrode [51]. Furthermore, the formation of NiO further decreases both the surface catalytic activity and electronic conductivity of the electrode. Studies have also revealed that Ni migration is more pronounced during CO2 electrolysis than in steam electrolysis [52]. To mitigate Ni oxidation and enhance the electrode’s electrochemical performance, strategies such as introducing reducing gases or incorporating metal dopants are commonly adopted.
- Delamination and thermally induced cracking at the anode/electrolyte interface: During electrolysis mode, the oxygen electrode (anode) operates under high oxygen partial pressure, where localized gas accumulation and thermal expansion mismatch may lead to bubble formation and mechanical delamination at the electrode–electrolyte interface.
- Corrosion of interconnects and accumulation of interfacial resistance: The interconnects in SOEC stacks are generally fabricated from stainless steel. At elevated temperatures, volatile chromium species such as CrO2(OH)2 decompose into Cr2O3 and related oxides, which subsequently deposit on the surfaces of the electrodes and electrolytes. These chromium oxide deposits increase polarization resistance, thereby contributing to the gradual degradation of SOEC performance [53]. In a 25 kW-class SOEC stack operated continuously for 4000 h, Lang et al. [54] reported an average degradation rate of approximately 2.8% per 1000 h, primarily attributed to oxide-layer thickening on interconnect surfaces and increased interfacial contact resistance.
2.3.4. Scaling-Up and Commercialization
2.3.5. Future Perspectives
- Durability: In solid oxide electrolysis (SOE/SOEC) systems, the primary technical challenges involve maintaining high-temperature material stability and stack-level durability under harsh operating conditions. For example, Ni–YSZ cathodes are susceptible to Ni migration, phase transformation, and particle agglomeration during high-temperature steam electrolysis or under CO2 co-feeding conditions, leading to a reduction in the active triple-phase boundary region. Additionally, chromium poisoning, oxide scale growth, and interfacial resistance accumulation at the interface between the air electrode and metallic interconnects are key factors that limit stack lifetime. To advance the commercialization of SOEC technology, it is essential to achieve low degradation rates under high current densities and extended operation, while developing comprehensive mitigation strategies integrating material design, atmosphere control, and interface engineering.
- Process integration: Another promising approach is to couple SOECs with other chemical synthesis processes—such as methane-to-ethylene conversion or nitrogen-to-nitric oxide synthesis—to enhance the overall techno-economic viability of SOEC technology. Such hybrid systems enable energy-efficient co-production of hydrogen and value-added chemicals, thereby enhancing overall energy utilization efficiency and commercial competitiveness.
2.4. Anion Exchange Membrane Electrolysis
2.4.1. Membrane Material
- Providing an internal pathway for hydroxide (OH−) ion conduction
- Separating the hydrogen and oxygen gases produced at the cathode and anode, respectively, to mitigate potential safety risks.
2.4.2. Electrodes and Catalysts
2.4.3. Degradation Pathways
- Chemical degradation: In the strongly alkaline operating environment, the anion exchange membrane (AEM) is the component most susceptible to chemical attack and degradation. The cationic functional groups (e.g., quaternary ammonium sites) attached to the polymer backbone are vulnerable to nucleophilic attack by hydroxide ions (OH−), initiating SN2 substitution and Hofmann elimination reactions that irreversibly deactivate ionic conduction sites. Studies have shown that replacing conventional benzyl trimethylammonium groups with piperidinium or sterically hindered cations (e.g., bicyclic or spirocyclic structures) can effectively resist OH− attack through steric protection mechanisms. A systematic screening study [67] confirmed the superior alkaline stability of these cationic groups. Moreover, polymer backbones containing ether linkages are susceptible to base-catalyzed hydrolysis, leading to chain scission, decreased mechanical strength, and loss of ionic conductivity. This bulk degradation process, propagating from the functional groups to the polymer backbone, constitutes the primary limitation to the long-term durability of AEMs. A study [68] further demonstrated that all-carbon backbones (e.g., SEBS) exhibit superior alkaline stability compared with ether-containing backbones (e.g., PSU).
- Interfacial degradation: This arises from physicochemical mismatches at the interfaces between different components. Within the catalyst layer, the ionomer not only undergoes chemical degradation but also adsorbs strongly onto the catalyst surface via its aromatic backbone, blocking active sites and substantially hindering hydrogen evolution reaction (HER) kinetics. To mitigate the adsorption of aromatic rings on catalyst surfaces, ref. [69] reported an aliphatic-backbone ionomer that effectively reduced site blockage and enhanced both reaction kinetics and operational stability. Furthermore, the formation of oxide or corrosion layers on bipolar plates and gas diffusion layers under high anodic potentials markedly increases interfacial contact resistance, thereby accelerating overall system degradation.
2.4.4. Future Perspectives
- Anion exchange membranes: The development of AEMs with high ionic conductivity, robust mechanical strength, and superior chemical stability is critical to overcoming the current performance bottlenecks in anion exchange membrane water electrolysis (AEMWE). A deeper understanding of the degradation mechanisms of both the polymer backbone and cationic functional groups is therefore essential, along with the rational design of highly stable cationic sites and optimized backbone/side-chain architectures to simultaneously enhance ionic conductivity and long-term durability.
- Elucidation of degradation and failure mechanisms: A comprehensive understanding of the degradation and failure mechanisms of AEMs is fundamental for achieving long-term operational stability and facilitating the industrial deployment of AEMWE systems. Despite notable progress in ionic conductivity and non-noble-metal catalyst compatibility, AEMs still exhibit inferior chemical stability, mechanical integrity, and interfacial durability compared with PEM and alkaline electrolysis technologies. During prolonged operation, AEMs are susceptible to chemical degradation, loss of ionic conductivity, and interfacial delamination, which collectively lead to voltage rise, gas crossover, and reduced stack lifetime. Therefore, identifying the intrinsic causes of degradation and lifespan limitations is vital for the development of commercially viable and high-performance AEM-based electrolyzers.
- Development of high-performance electrolyzer components: The overall efficiency, durability, and safety of an AEMWE system depend on the synergistic performance of all cell components, rather than on the membrane alone. Beyond membrane optimization, further progress is required in cathode and anode catalysts, ionomers, and the integration of membrane electrode assemblies (MEAs). Current studies have primarily focused on AEMs and electrocatalysts, whereas interfacial phenomena—particularly those at the catalyst–membrane and catalyst–porous transport layer interfaces—remain insufficiently understood. A systematic investigation of these interfacial phenomena is essential to improving MEA performance and ensuring long-term operational reliability.
3. Topologies of Hydrogen Power Supply
3.1. DC-DC Converters
3.1.1. Non-Isolated DC-DC
3.1.2. Isolated DC-DC
3.2. AC-DC Converters
3.3. Comparison and Analysis
4. Control Strategy for Hydrogen Production Through Water Electrolysis
5. Optimal Combination Framework
- Distributed renewable energy systems: The main challenge in this scenario is managing the fluctuating output of renewable sources such as solar and wind. Proton exchange membrane electrolyzers (PEMELs), with rapid start-up, wide power range, and strong transient response, are best suited for such conditions. Interleaved or three-level non-isolated DC–DC converters are preferred to suppress output current ripple, protect components, and maintain high efficiency with redundancy. At the control level, a hybrid PI–AI strategy is adopted: the inner PI loop ensures fast tracking, while the AI layer performs short-term prediction of renewable inputs to limit load ramp rates. This coordination enhances energy utilization and mitigates long-term degradation.
- Industrial waste-heat hydrogen production: This scenario utilizes stable, high-grade industrial waste heat. The solid oxide electrolyzer cell (SOEC), capable of directly using thermal energy, achieves much higher overall efficiency than low-temperature electrolysis. Paired bidirectional DC–DC and AC–DC interfaces provide flexible operation for both grid absorption and power feedback. Model predictive control (MPC) is employed to handle multi-variable thermal constraints, maintaining stable stack temperature and preventing material degradation, thereby ensuring long-term efficiency and reliability.
- Medium- and Small-Scale Cost-Sensitive Applications: For community energy storage or remote power supply, capital cost is the dominant factor. The anion exchange membrane electrolyzer (AEMEL) combines the low-cost advantage of alkaline systems with the compactness of PEM technology, offering the lowest cost per kilowatt. The power system typically uses a simplified two-stage topology—a diode rectifier followed by a non-isolated Buck converter—trading minor performance loss for reduced complexity and cost. A PI controller with lightweight AI-based adaptive tuning maintains high efficiency across wide load ranges while minimizing computational demand.
- Large-scale hydrogen hubs and integrated power–hydrogen networks: At the gigawatt scale, system design must balance cost, reliability, and grid interaction. A hybrid ALK–PEM configuration is typically employed: alkaline electrolyzers provide stable baseload operation, while PEM units handle peak regulation and frequency response. A multi-port DC–DC converter integrates PV, wind, and grid sources for flexible power distribution. A multi-layer control hierarchy is adopted, where an AI-driven energy management system (EMS) performs rolling optimization based on market and weather data to minimize hydrogen cost, while robust or sliding-mode control ensures fast and stable PEM operation under disturbances.
6. Application Prospect of Green Hydrogen Technology
6.1. Thermal Energy Applications
6.2. Transportation
6.3. Industrial Applications
6.4. Energy Storage
7. Conclusions
Author Contributions
Funding
Institutional Review Board Statement
Informed Consent Statement
Data Availability Statement
Conflicts of Interest
References
- Change, O.C. Intergovernmental Panel on Climate Change; World Meteorological Organization: Geneva, Switzerland, 2007; Volume 52, p. 1. [Google Scholar]
- Zainal, B.S.; Jern, K.P.; Mohamed, H.; Ong, H.C.; Fattah, I.M.R.; Rahman, S.M.A.; Nghiem, L.D.; Mahlia, T.M.I. Recent advancement and assessment of green hydrogen production technologies. Renew. Sustain. Energy Rev. 2024, 189, 113941, Erratum in Renew. Sustain. Energy Rev. 2024, 202, 114734. https://doi.org/10.1016/j.rser.2024.114734. [Google Scholar] [CrossRef]
- Gehring, J.C.; Cand, B.M. The Sustainable Energy Imperative: A Future Generations Perspective on Technologies Leading the Clean Energy Transition; The Global Youth Council on Science, Law & Sustainability: Cambridge, UK, 2024. [Google Scholar]
- Pan, G.; Gu, Z.; Luo, E.; Gu, W. Analysis and prospect of electrolytic hydrogen technology under background of new power systems. Autom. Electr. Power Syst 2023, 47, 1–13. [Google Scholar]
- Tuluhong, A.; Chang, Q.; Xie, L.; Xu, Z.; Song, T. Current Status of Green Hydrogen Production Technology: A Review. Sustainability 2024, 16, 9070. [Google Scholar] [CrossRef]
- Nikolina, S. International Renewable Energy Agency (IRENA); European Parliamentary Research Service: Brussels, Belgium, 2016. [Google Scholar]
- Menner, M.; Reichert, G. EU Hydrogen Strategy; Oxford Institute for Energy Studies: Oxford, UK, 2020. [Google Scholar]
- Satyapal, S.; Rustagi, N.; Green, T.; Melaina, M.; Penev, M.; Koleva, M. US National Clean Hydrogen Strategy and Roadmap; Department of Energy: Washington, DC, USA, 2023. [Google Scholar]
- The 6th Strategic Energy Plan. Available online: https://www.enecho.meti.go.jp/en/category/others/basic_plan/ (accessed on 20 June 2025).
- Pousti, A.; Shoushtari, M.A.; Alkotob, A.H.; Arisian, S. Australia’s strategy for green hydrogen production: A focus on environmental impacts and sustainability. In Proceedings of the CSE 2025: Climate Smart Engineering Conference, Adelaide, Australia, 27–28 August 2025; pp. 154–165. [Google Scholar]
- Liu, S.; Yu, Q.; Guan, J. Current situation and prospects of hydrogen energy utilization and industrial development. Energy Energy Conserv 2022, 11, 18–21. [Google Scholar]
- Li, J.; Li, G.; Guo, L. Overview and prospect of hydrogen energy application technology under the “14th Five-Year Plan”. J. Electr. Appl. 2021, 40, 10–16. [Google Scholar]
- Kai, Z.; Zhang, Y. Research on application of hydrogen in power industry under “double carbon” circumstance. Power Gener. Technol. 2022, 43, 65. [Google Scholar]
- Pan, G.; Gu, W.; Lu, Y.; Qiu, H.; Lu, S.; Yao, S. Optimal planning for electricity-hydrogen integrated energy system considering power to hydrogen and heat and seasonal storage. IEEE Trans. Sustain. Energy 2020, 11, 2662–2676. [Google Scholar] [CrossRef]
- Zhao, J.; Wang, L. Research on the new power system during the 14th five-year plan. Energy China 2021, 43, 17–21. [Google Scholar]
- Conversion, H.-b.E. More than Storage. In Fact Book; SBC Energy Institute: The Hague, The Netherlands, 2014. [Google Scholar]
- IRENA. Green Hydrogen Cost Reduction: Scaling up Electrolysers to Meet the 1.5 C Climate Goal; International Renewable Energy Agency: Abu Dhabi, United Arab Emirates, 2020. [Google Scholar]
- Ursua, A.; Gandia, L.M.; Sanchis, P. Hydrogen production from water electrolysis: Current status and future trends. Proc. IEEE 2011, 100, 410–426. [Google Scholar] [CrossRef]
- Brauns, J.; Schönebeck, J.; Kraglund, M.R.; Aili, D.; Hnát, J.; Žitka, J.; Mues, W.; Jensen, J.O.; Bouzek, K.; Turek, T. Evaluation of diaphragms and membranes as separators for alkaline water electrolysis. J. Electrochem. Soc. 2021, 168, 014510. [Google Scholar] [CrossRef]
- Yuan, X.; Yan, T.; Liu, Z.; Kang, P. Highly efficient alkaline water electrolysis using alkanolamine-functionalized zirconia-blended separators. ACS Sustain. Chem. Eng. 2023, 11, 4269–4278. [Google Scholar] [CrossRef]
- Tang, Z.; Wu, B.; Yan, K.; Luo, J.; Haq, M.U.; Zeng, L. Long-term stability for anion exchange membrane water electrolysis: Recent development and future perspectives. Future Batter. 2025, 5, 100024. [Google Scholar] [CrossRef]
- Wang, J.; Gao, Y.; Kong, H.; Kim, J.; Choi, S.; Ciucci, F.; Hao, Y.; Yang, S.; Shao, Z.; Lim, J. Non-precious-metal catalysts for alkaline water electrolysis: Operando characterizations, theoretical calculations, and recent advances. Chem. Soc. Rev. 2020, 49, 9154–9196. [Google Scholar] [CrossRef]
- Liu, Y.; Wang, L.; Hübner, R.; Kresse, J.; Zhang, X.; Deconinick, M.; Vaynzof, Y.; Weidinger, I.M.; Eychmüller, A. Cobalt-based Co3Mo3N/Co4N/Co metallic heterostructure as a highly active electrocatalyst for alkaline overall water splitting. Angew. Chem. 2024, 136, e202319239. [Google Scholar] [CrossRef]
- Brauns, J.; Turek, T. Model-based analysis and optimization of pressurized alkaline water electrolysis powered by renewable energy. J. Electrochem. Soc. 2023, 170, 064510. [Google Scholar] [CrossRef]
- Cao, X.; Wang, J.; Zhao, P.; Xia, H.; Li, Y.; Sun, L.; He, W. Hydrogen production system using alkaline water electrolysis adapting to fast fluctuating photovoltaic power. Energies 2023, 16, 3308. [Google Scholar] [CrossRef]
- Henkensmeier, D.; Cho, W.-C.; Jannasch, P.; Stojadinovic, J.; Li, Q.; Aili, D.; Jensen, J.O. Separators and membranes for advanced alkaline water electrolysis. Chem. Rev. 2024, 124, 6393–6443. [Google Scholar] [CrossRef]
- Ďurovič, M.; Hnát, J.; Bouzek, K. Electrocatalysts for the hydrogen evolution reaction in alkaline and neutral media. A Comp. review. J. Power Sources 2021, 493, 229708. [Google Scholar] [CrossRef]
- Brauns, J.; Turek, T. Alkaline water electrolysis powered by renewable energy: A review. Processes 2020, 8, 248. [Google Scholar] [CrossRef]
- Siracusano, S.; Giacobello, F.; Tonella, S.; Oldani, C.; Aricò, A.S. Ce-radical Scavenger-Based Perfluorosulfonic Acid Aquivion® Membrane for Pressurised PEM Electrolysers. Polymers 2023, 15, 3906. [Google Scholar] [CrossRef] [PubMed]
- Choi, S.; Shin, S.-H.; Lee, D.-H.; Doo, G.; Lee, D.W.; Hyun, J.; Lee, J.Y.; Kim, H.-T. Enhancing the durability of hydrocarbon-membrane-based polymer electrolyte water electrolysis using a radical scavenger-embedded interlocking interfacial layer. J. Mater. Chem. A 2022, 10, 789–798. [Google Scholar] [CrossRef]
- Stiber, S.; Sata, N.; Morawietz, T.; Ansar, S.; Jahnke, T.; Lee, J.K.; Bazylak, A.; Fallisch, A.; Gago, A.; Friedrich, K.A. A high-performance, durable and low-cost proton exchange membrane electrolyser with stainless steel components. Energy Environ. Sci. 2022, 15, 109–122. [Google Scholar] [CrossRef]
- Liu, C. Noble Metal Coated Porous Transport Layers for Polymer Electrolyte Membrane Water Electrolysis. Bachelor’s Thesis, Rheinisch-Westfälische Technische Hochschule Aachen, Aachen, Germany, 2021. [Google Scholar]
- Li, G.; Li, S.; Xiao, M.; Ge, J.; Liu, C.; Xing, W. Nanoporous IrO 2 catalyst with enhanced activity and durability for water oxidation owing to its micro/mesoporous structure. Nanoscale 2017, 9, 9291–9298. [Google Scholar] [CrossRef]
- Song, H.J.; Yoon, H.; Ju, B.; Kim, D.W. Highly efficient perovskite-based electrocatalysts for water oxidation in acidic environments: A mini review. Adv. Energy Mater. 2021, 11, 2002428. [Google Scholar] [CrossRef]
- Kumar, L.; Antil, B.; Kumar, A.; Das, M.R.; Deka, S. A superior and stable electrocatalytic oxygen evolution reaction by one-dimensional FeCoP colloidal nanostructures. ACS Appl. Mater. Interfaces 2022, 14, 5468–5477. [Google Scholar] [CrossRef] [PubMed]
- Bayat, A.; Das, P.K.; Saha, G.; Saha, S.C. Proton Exchange Membrane Electrolysis Revisited: Advancements, Challenges, and Two-Phase Transport Insights in Materials and Modelling. Eng 2025, 6, 72. [Google Scholar] [CrossRef]
- Wang, R.; Zhu, J.; Zhang, H.; Wang, C.; Wu, X.; Wu, M.; Xu, J.; Yuan, H.; Liu, W.; Dai, H. A review of portability of fault diagnosis methods from PEM fuel cells to PEM water electrolyzers. Discov. Appl. Sci. 2025, 7, 726. [Google Scholar] [CrossRef]
- Kumar, R.; Kumar, S.; Cirrincione, G.; Cirrincione, M.; Guilbert, D.; Ram, K.; Mohammadi, A. Power switch open-circuit fault-diagnosis based on a shallow long-short term memory neural network: Investigation of an interleaved buck converter for electrolyzer applications. In Proceedings of the 2021 IEEE Energy Conversion Congress and Exposition (ECCE), Vancouver, BC, Canada, 10–14 October 2021; IEEE: New York, NY, USA, 2021; pp. 483–488. [Google Scholar]
- Milosevic, M.; Böhm, T.; Körner, A.; Bierling, M.; Winkelmann, L.; Ehelebe, K.; Hutzler, A.; Suermann, M.; Thiele, S.; Cherevko, S. In search of lost iridium: Quantification of anode catalyst layer dissolution in proton exchange membrane water electrolyzers. ACS Energy Lett. 2023, 8, 2682–2688. [Google Scholar] [CrossRef]
- Rui, Z.; Hua, K.; Dou, Z.; Tan, A.; Zhang, C.; Shi, X.; Ding, R.; Li, X.; Duan, X.; Wu, Y. A new insight into the chemical degradation of proton exchange membranes in water electrolyzers. J. Mater. Chem. A 2024, 12, 9563–9573. [Google Scholar] [CrossRef]
- Becker, H.; Murawski, J.; Shinde, D.V.; Stephens, I.E.; Hinds, G.; Smith, G. Impact of impurities on water electrolysis: A review. Sustain. Energy Fuels 2023, 7, 1565–1603. [Google Scholar] [CrossRef]
- Ebbesen, S.D.; Jensen, S.H.; Hauch, A.; Mogensen, M.B. High temperature electrolysis in alkaline cells, solid proton conducting cells, and solid oxide cells. Chem. Rev. 2014, 114, 10697–10734. [Google Scholar] [CrossRef] [PubMed]
- Hauch, A.; Küngas, R.; Blennow, P.; Hansen, A.B.; Hansen, J.B.; Mathiesen, B.V.; Mogensen, M.B. Recent advances in solid oxide cell technology for electrolysis. Science 2020, 370, eaba6118. [Google Scholar] [CrossRef]
- Wang, X.; Zou, J.; Lin, X.; Hu, Z.; Ding, W. Review of research hotspots of green hydrogen production, storage and transportation in 2024. Sci. Technol. Rev. 2025, 43, 47–61. [Google Scholar]
- Jacobson, A.J. Materials for solid oxide fuel cells. Chem. Mater. 2010, 22, 660–674. [Google Scholar] [CrossRef]
- Arifin, N.A.; Afifi, A.A.; Samreen, A.; Hafriz, R.; Muchtar, A. Characteristic and challenges of scandia stabilized zirconia as solid oxide fuel cell material–In depth review. Solid State Ion. 2023, 399, 116302. [Google Scholar] [CrossRef]
- Tong, X.; Hendriksen, P.V.; Hauch, A.; Sun, X.; Chen, M. An up-scalable, infiltration-based approach for improving the durability of Ni/YSZ electrodes for solid oxide cells. J. Electrochem. Soc. 2020, 167, 024519. [Google Scholar] [CrossRef]
- Cheng, Y.; Raman, A.S.; Paige, J.; Zhang, L.; Sun, D.; Chen, M.U.; Vojvodic, A.; Gorte, R.J.; Vohs, J.M. Enhancing oxygen exchange activity by tailoring perovskite surfaces. J. Phys. Chem. Lett. 2019, 10, 4082–4088. [Google Scholar] [CrossRef]
- Lv, H.; Lin, L.; Zhang, X.; Gao, D.; Song, Y.; Zhou, Y.; Liu, Q.; Wang, G.; Bao, X. In situ exsolved FeNi 3 nanoparticles on nickel doped Sr 2 Fe 1.5 Mo 0.5 O 6− δ perovskite for efficient electrochemical CO 2 reduction reaction. J. Mater. Chem. A 2019, 7, 11967–11975. [Google Scholar] [CrossRef]
- Tarutin, A.P.; Filonova, E.A.; Ricote, S.; Medvedev, D.A.; Shao, Z. Chemical design of oxygen electrodes for solid oxide electrochemical cells: A guide. Sustain. Energy Technol. Assess. 2023, 57, 103185. [Google Scholar] [CrossRef]
- Rorato, L.; Shang, Y.; Yang, S.; Hubert, M.; Couturier, K.; Zhang, L.; Vulliet, J.; Chen, M.; Laurencin, J. Understanding the Ni migration in solid oxide cell: A coupled experimental and modeling approach. J. Electrochem. Soc. 2023, 170, 034504. [Google Scholar] [CrossRef]
- Shang, Y.; Smitshuysen, A.L.; Yu, M.; Liu, Y.; Tong, X.; Jørgensen, P.S.; Rorato, L.; Laurencin, J.; Chen, M. 3D microstructural characterization of Ni/yttria-stabilized zirconia electrodes during long-term CO 2 electrolysis. J. Mater. Chem. A 2023, 11, 12245–12257. [Google Scholar] [CrossRef]
- Bi, J.; Yang, S.; Zhong, S.; Wang, J.-Q.; Fan, C.; Chen, X.; Liu, Y. An insight into the effects of B-site transition metals on the activity, activation effect and stability of perovskite oxygen electrodes for solid oxide electrolysis cells. J. Power Sources 2017, 363, 470–479. [Google Scholar] [CrossRef]
- Lang, M.; Raab, S.; Lemcke, M.S.; Bohn, C.; Pysik, M. Long-Term Behavior of a Solid Oxide Electrolyzer (SOEC) Stack. Fuel Cells 2020, 20, 690–700. [Google Scholar] [CrossRef]
- Laguna-Bercero, M.A. Recent advances in high temperature electrolysis using solid oxide fuel cells: A review. J. Power Sources 2012, 203, 4–16. [Google Scholar] [CrossRef]
- Leon, A.; Micero, A.; Ludwig, B.; Brisse, A. Effect of scaling-up on the performance and degradation of long-term operated electrolyte supported solid oxide cell, stack and module in electrolysis mode. J. Power Sources 2021, 510, 230346. [Google Scholar] [CrossRef]
- Wolf, S.E.; Winterhalder, F.E.; Vibhu, V.; de Haart, L.B.; Guillon, O.; Eichel, R.-A.; Menzler, N.H. Solid oxide electrolysis cells–current material development and industrial application. J. Mater. Chem. A 2023, 11, 17977–18028. [Google Scholar] [CrossRef]
- Yang, Y.; Li, P.; Zheng, X.; Sun, W.; Dou, S.X.; Ma, T.; Pan, H. Anion-exchange membrane water electrolyzers and fuel cells. Chem. Soc. Rev. 2022, 51, 9620–9693. [Google Scholar] [CrossRef] [PubMed]
- Chatenet, M.; Pollet, B.G.; Dekel, D.R.; Dionigi, F.; Deseure, J.; Millet, P.; Braatz, R.D.; Bazant, M.Z.; Eikerling, M.; Staffell, I. Water electrolysis: From textbook knowledge to the latest scientific strategies and industrial developments. Chem. Soc. Rev. 2022, 51, 4583–4762. [Google Scholar] [CrossRef] [PubMed]
- Das, G.; Choi, J.-H.; Nguyen, P.K.T.; Kim, D.-J.; Yoon, Y.S. Anion exchange membranes for fuel cell application: A review. Polymers 2022, 14, 1197. [Google Scholar] [CrossRef]
- Yin, L.; Ren, R.; He, L.; Zheng, W.; Guo, Y.; Wang, L.; Lee, H.; Du, J.; Li, Z.; Tang, T. Stable anion exchange membrane bearing quinuclidinium for high-performance water electrolysis. Angew. Chem. 2024, 136, e202400764. [Google Scholar] [CrossRef]
- Pang, M.; Xu, Z.; Lin, D.; Zhen, Y.; Tian, J.; Liu, J.; Xu, Q.; Wang, B. Facilitating Rapid OH−/H2O Transport in Anion Exchange Membranes via Ultra-Stable Heteroatom-Free Micropores. Angew. Chem. 2025, 137, e202418435. [Google Scholar] [CrossRef]
- Zhang, J.; Wang, T.; Liu, P.; Liao, Z.; Liu, S.; Zhuang, X.; Chen, M.; Zschech, E.; Feng, X. Efficient hydrogen production on MoNi<sub>4</sub> electrocatalysts with fast water dissociation kinetics. Nat. Commun. 2017, 8, 15437. [Google Scholar] [CrossRef] [PubMed]
- Miller, H.A. Green hydrogen from anion exchange membrane water electrolysis. Curr. Opin. Electrochem. 2022, 36, 101122. [Google Scholar] [CrossRef]
- Zhang, X.; Dong, Y.; Wang, H.; Zhao, Z.; Jiang, W.; Dong, B.; Hu, H.; Liu, C.; Chai, Y. Iron adsorption engineering facilitated by Cu doping on cobalt hydroxide host with enhanced oxygen evolution reaction. Nano Res. 2023, 16, 2111–2118. [Google Scholar] [CrossRef]
- Meixia, C.; Tianfeng, C.; Qiao, H.; Zhanxu, Y. Research Progress on Defect Engineering of Nickel-Iron-Based Transition Metal Catalysts for Oxygen Evolution Reaction Performance Enhancement. J. Petrochem. Univ. 2025, 38, 44. [Google Scholar]
- Hugar, K.M.; You, W.; Coates, G.W. Protocol for the quantitative assessment of organic cation stability for polymer electrolytes. ACS Energy Lett. 2019, 4, 1681–1686. [Google Scholar] [CrossRef]
- Mohanty, A.D.; Tignor, S.E.; Krause, J.A.; Choe, Y.-K.; Bae, C. Systematic alkaline stability study of polymer backbones for anion exchange membrane applications. Macromolecules 2016, 49, 3361–3372. [Google Scholar] [CrossRef]
- Li, D.; Park, E.J.; Zhu, W.; Shi, Q.; Zhou, Y.; Tian, H.; Lin, Y.; Serov, A.; Zulevi, B.; Baca, E.D. Highly quaternized polystyrene ionomers for high performance anion exchange membrane water electrolysers. Nat. Energy 2020, 5, 378–385. [Google Scholar] [CrossRef]
- Rodríguez, J.R.; Pontt, J.; Silva, C.; Wiechmann, E.P.; Hammond, P.W.; Santucci, F.W.; Álvarez, R.; Musalem, R.; Kouro, S.; Lezana, P. Large current rectifiers: State of the art and future trends. IEEE Trans. Ind. Electron. 2005, 52, 738–746. [Google Scholar] [CrossRef]
- He, H.; Wang, X. Overview of Non-Isolated Boost Converter Topology. Jidian Xinxi 2020. [Google Scholar]
- Albarghot, M.; Rolland, L. MATLAB/Simulink modelling and experimental results of a PEM electrolyzer powered by a solar panel. In Proceedings of the 2016 IEEE Electrical Power and Energy Conference (EPEC), Ottawa, ON, Canada, 12–14 October 2016. [Google Scholar]
- Şahin, M.E.; Okumuş, H.İ.; Aydemir, M.T. Implementation of an electrolysis system with DC/DC synchronous buck converter. Int. J. Hydrogen Energy 2014, 39, 6802–6812. [Google Scholar] [CrossRef]
- Guilbert, D.; Yodwong, B.; Kaewmanee, W.; Phattanasak, M.; Hinaje, M. Hydrogen Flow Rate Control of a Proton Exchange Membrane Electrolyzer. In Proceedings of the 2019 Research, Invention, and Innovation Congress (RI2C), Bangkok, Thailand, 11–13 December 2020. [Google Scholar]
- Sa, F.L.D.; Eiterer, C.V.B.; Ruiz-Caballero, D.; Mussa, S.A. Double Quadratic Buck Converter. In Proceedings of the 2013 Brazilian Power Electronics Conference, Gramado, Brazil, 27–31 October 2014. [Google Scholar]
- Makineni, R.R.; Sutanto, D.; Muttaqi, K.M.; Islam, M.R.; Agalgaonkar, A.P. Dual loop cascade control of a stacked interleaved buck converter for electrolyzer application. In Proceedings of the 2022 IEEE IAS Global Conference on Emerging Technologies (GlobConET), Arad, Romania, 20–22 May 2022; IEEE: New York, NY, USA, 2022; pp. 1029–1035. [Google Scholar]
- Xiao, Z.-X.; Zheng, G.-X.; Xue, H.-F.; Xiong, J.-J.; Liu, W.-L.; Gao, J. Design and development of three-level inverter. In Proceedings of the 2023 International Conference on Power System Technology (PowerCon), Jinan, China, 21–22 September 2023; IEEE: New York, NY, USA, 2023; pp. 1–6. [Google Scholar]
- Guilbert, D.; Collura, S.M.; Scipioni, A. DC/DC converter topologies for electrolyzers: State-of-the-art and remaining key issues. Int. J. Hydrogen Energy 2017, 42, 23966–23985. [Google Scholar] [CrossRef]
- Lingguo, K.; Jian, G.; Shihui, Y.; Defu, N.; Shibo, W.; Chuang, L. Development Status and Trend of DC/DC Isolated Hydrogen Production Power Supply. Power Gener. Technol. 2023, 44, 443. [Google Scholar]
- Blinov, A.; Andrijanovits, A. New DC/DC converter for electrolyser interfacing with stand-alone renewable energy system. Electr. Control Commun. Eng. 2012, 1, 24–29. [Google Scholar] [CrossRef]
- Cavallaro, C.; Chimento, F.; Musumeci, S.; Sapuppo, C.; Santonocito, C. Electrolyser in H2 self-producing systems connected to DC link with dedicated phase shift converter. In Proceedings of the 2007 International Conference on Clean Electrical Power, Capri, Italy, 21–23 May 2007; IEEE: New York, NY, USA, 2007; pp. 632–638. [Google Scholar]
- Garrigós, A.; Blanes, J.; Carrasco, J.; Lizán, J.; Beneito, R.; Molina, J. 5 kW DC/DC converter for hydrogen generation from photovoltaic sources. Int. J. Hydrogen Energy 2010, 35, 6123–6130. [Google Scholar] [CrossRef]
- Gautam, D.S.; Bhat, A.K. A comparison of soft-switched DC-to-DC converters for electrolyser application. In Proceedings of the 2006 India International Conference on Power Electronics, Chennai, India, 19–21 December 2006; IEEE: New York, NY, USA, 2006; pp. 274–279. [Google Scholar]
- Hassan, A.; Abdel-Rahim, O.; Bajaj, M.; Zaitsev, I. Power electronics for green hydrogen generation with focus on methods, topologies, and comparative analysis. Sci. Rep. 2024, 14, 24767. [Google Scholar] [CrossRef]
- Ruuskanen, V.; Koponen, J.; Kosonen, A.; Niemel, M.; Hmlinen, A. Power quality and reactive power of water electrolyzers supplied with thyristor converters. J. Power Sources 2020, 459, 228075. [Google Scholar] [CrossRef]
- Solanki, J.; Fröhleke, N.; Böcker, J.; Averberg, A.; Wallmeier, P. High-current variable-voltage rectifiers: State of the art topologies. Power Electron. Iet 2015, 8, 1068–1080. [Google Scholar] [CrossRef]
- Muyeen, S.; Takahashi, R.; Tamura, J. Electrolyzer switching strategy for hydrogen generation from variable speed wind generator. Electr. Power Syst. Res. 2011, 81, 1171–1179. [Google Scholar] [CrossRef]
- Keddar, M.; Zhang, Z.; Periasamy, C.; Doumbia, M. Comparative analysis of thyristor-based and transistor-based rectifiers for PEM water electrolysis. In Proceedings of the 2021 12th International Renewable Energy Congress (IREC), Hammamet, Tunisia, 26–28 October 2021; IEEE: New York, NY, USA, 2021; pp. 1–5. [Google Scholar]
- Oyewole, O.E.; Ahmed, K.H. Comparative analysis of decoupling control methods for multiport-isolated bidirectional dc-dc converter with hydrogen storage system integration. In Proceedings of the 2023 11th International Conference on Smart Grid (icSmartGrid), Paris, France, 4–7 June 2023; IEEE: New York, NY, USA, 2023; pp. 1–8. [Google Scholar]
- Han, Z.; Yao, X.; Yuan, S.; Dong, H.; Ma, S.; Dong, Y. Research on control strategy of photovoltaic hydrogen generation system based on Fuzzy PI control. Energy Rep. 2023, 9, 4187–4194. [Google Scholar] [CrossRef]
- Hossain, M.B.; Islam, M.R.; Muttaqi, K.M.; Sutanto, D.; Agalgaonkar, A.P. Power system dynamic performance analysis based on frequency control by proton exchange membrane electrolyzers. IEEE Trans. Ind. Appl. 2023, 59, 4998–5008. [Google Scholar] [CrossRef]
- Yodwong, B.; Guilbert, D.; Kaewmanee, W.; Phattanasak, M.; Hinaje, M.; Vitale, G. Improved sliding mode-based controller of a high voltage ratio dc–dc converter for electrolyzers supplied by renewable energy. IEEE Trans. Ind. Electron. 2023, 71, 8831–8840. [Google Scholar] [CrossRef]
- Xiong, J.; Xia, Y.; Peng, Y.; Wei, W. A multimode self-optimization electrolysis converting strategy for improving efficiency of alkaline water electrolyzers. IEEE Trans. Power Electron. 2023, 39, 3738–3748. [Google Scholar] [CrossRef]
- Guo, X.; Zhang, S.; Liu, Z.; Sun, L.; Lu, Z.; Hua, C.; Guerrero, J.M. A new multi-mode fault-tolerant operation control strategy of multiphase stacked interleaved Buck converter for green hydrogen production. Int. J. Hydrogen Energy 2022, 47, 30359–30370. [Google Scholar] [CrossRef]
- Morales-España, G.; Hernández-Serna, R.; Tejada-Arango, D.A.; Weeda, M. Impact of large-scale hydrogen electrification and retrofitting of natural gas infrastructure on the European power system. Int. J. Electr. Power Energy Syst. 2024, 155, 109686. [Google Scholar] [CrossRef]
- Bedakhanian, A.; Maleki, A.; Haghighat, S. Multi-objective optimization of a cogeneration system based on solar energy for clean hydrogen, cooling, and electricity production. Case Stud. Therm. Eng. 2024, 54, 103990. [Google Scholar] [CrossRef]
- Rad, H.N.; Ghasemi, A.; Marefati, M. Cost and environmental analysis and optimization of a new and green three-level waste heat recovery-based cogeneration cycle: A comparative study. Heliyon 2024, 10, e29087. [Google Scholar]
- Durkin, K.; Khanafer, A.; Liseau, P.; Stjernström-Eriksson, A.; Svahn, A.; Tobiasson, L.; Andrade, T.S.; Ehnberg, J. Hydrogen-powered vehicles: Comparing the powertrain efficiency and sustainability of fuel cell versus internal combustion engine cars. Energies 2024, 17, 1085. [Google Scholar] [CrossRef]
- Marksel, M.; Prapotnik Brdnik, A. Comparative analysis of direct operating costs: Conventional vs. hydrogen fuel cell 19-seat aircraft. Sustainability 2023, 15, 11271. [Google Scholar] [CrossRef]
- Franco, A.; Giovannini, C. Routes for hydrogen introduction in the industrial hard-to-abate sectors for promoting energy transition. Energies 2023, 16, 6098. [Google Scholar] [CrossRef]
- Du, Z.; Dai, Z.; Yang, Z.; Zhan, C.; Chen, W.; Cao, M.; Thanh, H.V.; Soltanian, M.R. Exploring hydrogen geologic storage in China for future energy: Opportunities and challenges. Renew. Sustain. Energy Rev. 2024, 196, 114366. [Google Scholar] [CrossRef]
- Antil, B.; Olhan, S.; Vander Wal, R.L. Production of Graphitic Carbon from Renewable Lignocellulosic Biomass Source. Minerals 2025, 15, 262. [Google Scholar] [CrossRef]












| Countries | Release Date | Strategy/Planning |
|---|---|---|
| European Union | 2020 | A hydrogen strategy for a climate-neutral Europe [7] |
| The United States | 2022 | The U.S. National Clean Hydrogen Strategy and Roadmap [8] |
| Japan | 2021 | The 6th Strategic Energy Plan [9] |
| Australia | 2024 | National Hydrogen Strategy 2024 [10] |
| China | 2021 | 14th Five-Year Plan for Renewable Energy Development [12] |
| China | 2022 | Medium and long-term plan for the development of hydrogen energy industry (2021–2035) [15] |
| Category | Item | Full Name/Description |
|---|---|---|
| Abbreviations in the chapter of electrolysis technology | ALK (AE) | Alkaline Water Electrolysis |
| PEM (PEME, PEMEL, PEMEC, PEMWE) | Proton Exchange Membrane Electrolysis (Cell) | |
| SOEC (SOE) | Solid Oxide Electrolysis Cell | |
| AEM (AEME, AEMWE) | Anion Exchange Membrane Electrolysis (Water Electrolysis) | |
| TRL | Technology Readiness Level | |
| HHV | Higher Heating Value | |
| Chemical Elements and Compounds | NiFe LDH, CoFe LDH, NiCo2O4 | Nickel-Iron Layered Double Hydroxide, Cobalt-Iron Layered Double Hydroxide, Nickel Cobaltite (Anode catalysts) |
| PFSA | Perfluorosulfonic Acid | |
| YSZ | Yttria-Stabilized Zirconia | |
| ScSZ | Scandium-Stabilized Zirconia | |
| Ni-YSZ | Nickel—Yttria-Stabilized Zirconia (SOEC fuel electrode) | |
| LSM, LSCF | Lanthanum Strontium Manganite, Lanthanum Strontium Cobalt Ferrite (SOEC oxygen electrode) | |
| LST, LSCrM | Lanthanum Strontium Titanate, Lanthanum Strontium Chromium Manganite (Alternative fuel electrodes) | |
| QA | Quaternary Ammonium (AEM functional group) | |
| PAQ-x | Branched Poly(Arylene Quinuclidinium) membrane (Novel AEM) | |
| SEBS, PSU | Polystyrene-block-poly(ethylene-ran-butylene)-block-polystyrene, Polysulfone (AEM polymer backbones) | |
| HFM | Heteroatom-Free Microporous Framework (AEM material) | |
| Other Key Terms | MEA | Membrane Electrode Assembly |
| GDL | Gas Diffusion Layer | |
| PTL | Porous Transport Layer | |
| CL | Catalyst Layer | |
| THD | Total Harmonic Distortion | |
| TPB | Triple-Phase Boundary | |
| ALD | Atomic Layer Deposition | |
| PLD | Pulsed Laser Deposition |
| Type | ALK | PEM | SOE | AEM |
|---|---|---|---|---|
| Electrolyte | (20 × 1040 wt% KOH) | Polymer membrane (e.g., Nafion ®) | Yttria-stabilized Zirconia (YSZ) | Divinylbenzene (DVB) polymer carrier with 1 mol·L−1 KOH/NaOH |
| Cathode catalyst | Ni, Ni-Mo alloys | Pt, Pt-Pd | Ni/YSZ | Ni |
| Anode catalyst | Ni, Ni-Mo alloys | RuO2, IrO2 | LSM/YSZ | Ni or Ni Fe Co alloy |
| Operating Temperature (°C) | 65~100 | 20~80 | 500~1000 | 40~80 |
| System efficiency (HHV; %) 1 | 68~77 | 62~77 | 89 (laboratory) | 57~59 |
| Technology Readiness Level (TRL) | Grade 9 | Grade 9 | Grade 7~8 | Grade 6 |
| Energy consumption (kWh/Nm3) | 4.5~5.5 | 3.8~5.0 | 2.6~3.6 | 3.76~4.2 |
| Lifetime stack (h) | 20,000~90,000 | 50,000~100,000 | 20,000~40,000 | >30,000 |
| Degradation rates (μV h−1) | <3 | <4 | N/A | N/A |
| Current Density (A/cm2) | 0.2~0.4 | 1.0~2.0 | 0.3~2.0 | 0.8~2.5 |
| Voltage range(V) | 1.4~3 | 1.4~3 | 1.0~1.5 | 1.4~2.0 |
| H2 Purity | 99.5–99.9998% | 99.9–99.9999% | 99.9% | 99.9% |
| System response | Seconds | Milliseconds | Seconds | Seconds |
| Advantages | High stability High technology maturity Long operational lifetime | Higher electrolysis efficiency High current density Capable of high-pressure operation | High efficiency Low-cost catalyst | Low ohmic resistance Good gas separation No precious metal catalyst required |
| Disadvantages | Low current density Corrosive electrolyte Slow dynamic response | High membrane cost Limited durability | High operating temperature Poor durability High capital cost | Low maturity Poor long-term operational stability |
| Topology | Source | Efficiency 1 | EL Type | Rated Power | Semiconductor Components | Scale 2 | Characteristic |
|---|---|---|---|---|---|---|---|
| Figure 8a, [73] | DC | + | ALK | 50 W | 1Diode+1MOSFET | small | Few circuit devices and low cost; Simple control Limited step-down capability and large current ripple. |
| Figure 8b, [73] | DC | ++ | ALK | 50 W | 2 MOSFETs | Small | Few circuit devices and low cost; higher efficiency than classic buck Limited step-down capability and large current ripple |
| Figure 8c, [74] | DC | ++ | PEM | 120W | 3Diodes+1MOSFET | Small → Medium | Higher voltage step-down ratio than classic buck; Simple control High voltage stress on switching transistors |
| Figure 8d, [75] | DC | N/A | N/A | 500W | 6Diodes+2MOSFETs | Medium | Low voltage stress on switches; High step-down ratio Higher component count; Higher cost |
| Figure 8e, [76] | DC | + | PEM | 400W | 4 MOSFETs | Medium | Small current ripple; Simple control Limited step-down capability; low efficiency |
| Figure 8f, [77] | DC | N/A | N/A | 1.5MW | 4 MOSFETs | High | Reduced switch voltage stress; Suitable for high-voltage operation Complex topology; Higher design cost |
| Figure 9a, [80] | DC | N/A | N/A | 1 kW | 6 IGBTs | Medium | High step-down ratio, Smaller current ripple; Simple control Lower reliability |
| Figure 9b, [81] | DC | N/A | ALK | 1 kW | 2Diodes+4MOSFETs | Medium | High reliability; Good efficiency More complex control; Higher cost |
| Figure 9c, [82] | DC | ++ | ALK | 5KW | 2Diodes+2MOSFETs | Medium | Few switching devices and low cost; Simple control High switch voltage stress; Not suitable for high-power application |
| Figure 9d, [83] | DC | +++ | N/A | 7.2 kW | 4Diodes+4MOSFETs | Medium | High efficiency; Zero-voltage switching across load range Complex resonant design |
| Figure 9e, [84] | DC | +++ | PEM | 1kw | 4Diodes+8MOSFETs | Medium | High efficiency; Enables power integration and centralized control Complex topology; Higher cost |
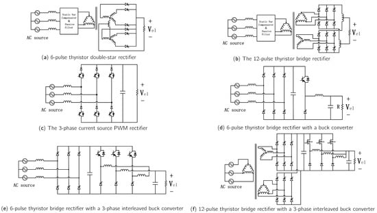
| Figure 10a, [85] | AC | ++ | ALK | 3 MW | 6 Thyristors | High | High current output capacity; Suitable for low-voltage, high-current applications High harmonic distortion; Low power factor |
| Figure 10b, [85] | AC | ++ | ALK | 3 MW | 12 Thyristors | High | Lower harmonic distortion; Lower current ripple; Better power factor than 6-pulse More complex topology; Higher cost |
| Figure 10c, [86] | AC | +++ | ALK | 5 MW | 6Diodes+6IGBTs | High | Low input current distortion; Wide DC voltage regulation range Lower efficiency under light load; More complex control |
| Figure 10d, [87] | AC | ++ | ALK | 1.8 MW | 7 Thyristors+1IGBT | High | Low cost; Controllable current output Current ripple limited by inductance and switching frequency |
| Figure 10e, [87] | AC | N/A | N/A | N/A | 9 Thyristors+3 IGBTs | Medium →High | High reliability; Reduced ripple More complex design; Higher cost |
| Figure 10f, [88] | AC | +++ | PEM | 20MW | 15Thyristors+3IGBTs | High | Suitable for large current applications; Low THD and high-power factor Complex topology; Higher cost |
| Control Strategies | Robustness | Computational Complexity | Dynamic Response |
|---|---|---|---|
| PI control | Low | Low | Moderate |
| Fuzzy PI control | Medium–High | Medium–High | High |
| MPC | High | High | Excellent |
| Sliding mode control | High | Medium | Excellent |
| Fault-Tolerant control | High | Medium | Good–Very Good |
| Multimode Self-Optimization | Medium | Low-Medium | Excellent at low loads |
Disclaimer/Publisher’s Note: The statements, opinions and data contained in all publications are solely those of the individual author(s) and contributor(s) and not of MDPI and/or the editor(s). MDPI and/or the editor(s) disclaim responsibility for any injury to people or property resulting from any ideas, methods, instructions or products referred to in the content. |
© 2025 by the authors. Licensee MDPI, Basel, Switzerland. This article is an open access article distributed under the terms and conditions of the Creative Commons Attribution (CC BY) license (https://creativecommons.org/licenses/by/4.0/).
Share and Cite
Abudureyimu, A.; Tuluhong, A.; Chang, Q.; Wang, F.; Luo, B. A Comprehensive Review of Green Hydrogen Technology: Electrolysis Methods, Topologies and Control Strategies, Applications. Materials 2025, 18, 4826. https://doi.org/10.3390/ma18214826
Abudureyimu A, Tuluhong A, Chang Q, Wang F, Luo B. A Comprehensive Review of Green Hydrogen Technology: Electrolysis Methods, Topologies and Control Strategies, Applications. Materials. 2025; 18(21):4826. https://doi.org/10.3390/ma18214826
Chicago/Turabian StyleAbudureyimu, Ailitabaier, Ayiguzhali Tuluhong, Qingpu Chang, Feng Wang, and Bao Luo. 2025. "A Comprehensive Review of Green Hydrogen Technology: Electrolysis Methods, Topologies and Control Strategies, Applications" Materials 18, no. 21: 4826. https://doi.org/10.3390/ma18214826
APA StyleAbudureyimu, A., Tuluhong, A., Chang, Q., Wang, F., & Luo, B. (2025). A Comprehensive Review of Green Hydrogen Technology: Electrolysis Methods, Topologies and Control Strategies, Applications. Materials, 18(21), 4826. https://doi.org/10.3390/ma18214826

