Methodology for Hydrogen-Assisted Fatigue Testing Using In Situ Cathodic Charging
Abstract
1. Introduction
2. Materials and Methods
2.1. Material and Heat Treatment
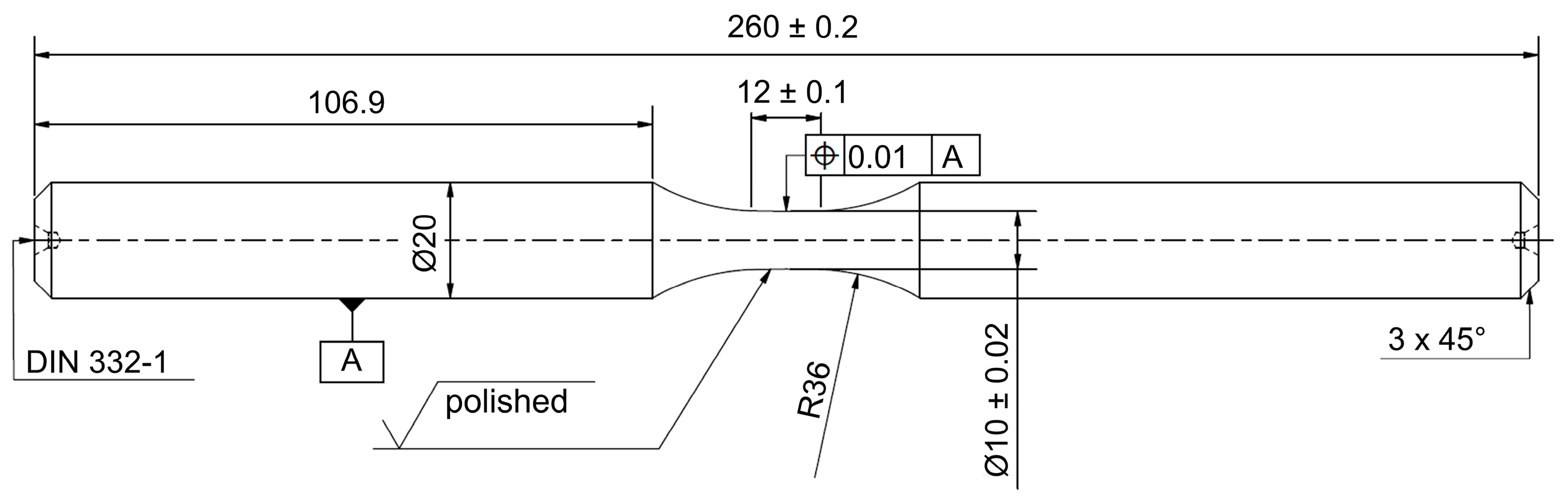
2.2. Fatigue Specimens and Preparation
2.3. Experimental Procedure
3. Results and Discussion
3.1. Constant Amplitude Testing
3.2. Fractographic Investigations
4. Discussion, Conclusions and Outlook
Author Contributions
Funding
Institutional Review Board Statement
Informed Consent Statement
Data Availability Statement
Conflicts of Interest
References
- Noyan, O.F.; Hasan, M.M.; Pala, N. A global review of the hydrogen energy eco-system. Energies 2023, 16, 1484. [Google Scholar] [CrossRef]
- Ahad, M.T.; Bhuiyan, M.M.H.; Sakib, A.N.; Becerril Corral, A.; Siddique, Z. An overview of challenges for the future of hydrogen. Materials 2023, 16, 6680. [Google Scholar] [CrossRef]
- Laureys, A.; Depraetere, R.; Cauwels, M.; Depover, T.; Hertelé, S.; Verbeken, K. Use of existing steel pipeline infrastructure for gaseous hydrogen storage and transport: A review of factors affecting hydrogen induced degradation. J. Nat. Gas Sci. Eng. 2022, 101, 104534. [Google Scholar] [CrossRef]
- Gavriljuk, V.G.; Shyvaniuk, V.M.; Teus, S.M. Hydrogen in metallic alloys—Embrittlement and enhanced plasticity: A review. Corros. Rev. 2024, 42, 267–301. [Google Scholar] [CrossRef]
- Liu, Q.; Atrens, A. A critical review of the influence of hydrogen on the mechanical properties of medium-strength steels. Corros. Rev. 2013, 31, 85–103. [Google Scholar] [CrossRef]
- Oriani, R.A. Whitney award lecture—1987: Hydrogen—The versatile embrittler. Corrosion 1987, 43, 390–397. [Google Scholar] [CrossRef]
- Koyama, M.; Tasan, C.C.; Akiyama, E.; Tsuzaki, K.; Raabe, D. Hydrogen-assisted decohesion and localized plasticity in dual-phase steel. Acta Mater. 2014, 70, 174–187. [Google Scholar] [CrossRef]
- Han, J.; Nam, J.-H.; Lee, Y.-K. The mechanism of hydrogen embrittlement in intercritically annealed medium Mn TRIP steel. Acta Mater. 2016, 113, 1–10. [Google Scholar] [CrossRef]
- Matsumoto, Y.; Miyashita, T.; Takai, K. Hydrogen behavior in high strength steels during various stress applica-tions corresponding to different hydrogen embrittlement testing methods. Mater. Sci. Eng. A 2018, 735, 61–72. [Google Scholar] [CrossRef]
- Hussein, A.; Krom, A.H.; Dey, P.; Sunnardianto, G.K.; Moultos, O.A.; Walters, C.L. The effect of hydrogen content and yield strength on the distribution of hydrogen in steel: A diffusion coupled micromechanical FEM study. Acta Mater. 2021, 209, 116799. [Google Scholar] [CrossRef]
- Wu, X.; Teng, M.; Jia, W.; Cai, J. Study on the mechanical properties of X80 pipeline steel under pre-charged high-pressure gaseous hydrogen. Int. J. Hydrogen Energy 2024, 84, 39–52. [Google Scholar] [CrossRef]
- Dwivedi, S.K.; Vishwakarma, M. Hydrogen embrittlement in different materials: A review. Int. J. Hydrogen Energy 2018, 43, 21603–21616. [Google Scholar] [CrossRef]
- Kanezaki, T.; Narazaki, C.; Mine, Y.; Matsuoka, S.; Murakami, Y. Effects of hydrogen on fatigue crack growth behavior of austenitic stainless steels. Int. J. Hydrogen Energy 2008, 33, 2604–2619. [Google Scholar] [CrossRef]
- Stalheim, D.; Boggess, T.; San Marchi, C.; Jansto, S.; Somerday, B.; Muralidharan, G.; Sofronis, P. Microstructure and mechanical property performance of commercial grade API pipeline steels in high pressure gaseous hydrogen. In Proceedings of the 2010 8th International Pipeline Conference, Calgary, AB, Canada, 27 September–1 October 2010; ASME: New York, NY, USA, 2010; Volume 2, pp. 529–537, ISBN 978-0-7918-4421-2. [Google Scholar]
- Nguyen, T.T.; Park, J.; Nahm, S.H.; Tak, N.; Baek, U.B. Ductility and fatigue properties of low nickel content type 316L austenitic stainless steel after gaseous thermal pre-charging with hydrogen. Int. J. Hydrogen Energy 2019, 44, 28031–28043. [Google Scholar] [CrossRef]
- Correa Marques, S.; Lima Molter, D.; Almeida, L.d.S.; dos Santos, D.S. The influence of the experimental methodology on evaluating the hydrogen embrittlement susceptibility of AISI 4340 steel manufactured by different routes. Eng. Fail. Anal. 2024, 162, 108361. [Google Scholar] [CrossRef]
- ASTM G129; Standard Practice for Slow Strain Rate Testing to Evaluate the Susceptibility of Metallic Materials to Environmentally Assisted Cracking. ASTM: New York, NY, USA, 2021.
- ASTM F1624; Standard Test Method for Measurement of Hydrogen Embrittlement Threshold in Steel by the Incremental Step Loading Technique. ASTM: New York, NY, USA, 2024.
- ISO 16573; Measurement Method for the Evaluation of Hydrogen Embrittlement Resistance of High Strength Steels. ISO: Vernier, Switzerland, 2022.
- Das, T.; Rajagopalan, S.K.; Brahimi, S.V.; Wang, X.; Yue, S. A study on the susceptibility of high strength tem-pered martensite steels to hydrogen embrittlement (HE) based on incremental step load (ISL) testing methodology. Mater. Sci. Eng. A 2018, 716, 189–207. [Google Scholar] [CrossRef]
- Martínez-Pañeda, E.; Harris, Z.D.; Fuentes-Alonso, S.; Scully, J.R.; Burns, J.T. On the suitability of slow strain rate tensile testing for assessing hydrogen embrittlement susceptibility. Corros. Sci. 2020, 163, 108291. [Google Scholar] [CrossRef]
- Lynch, S. Hydrogen embrittlement phenomena and mechanisms. Corros. Rev. 2012, 30, 105–123. [Google Scholar] [CrossRef]
- Djukic, M.B.; Sijacki Zeravcic, V.; Bakic, G.M.; Sedmak, A.; Rajicic, B. Hydrogen damage of steels: A case study and hydrogen embrittlement model. Eng. Fail. Anal. 2015, 58, 485–498. [Google Scholar] [CrossRef]
- Ogawa, K.; Matsumoto, Y.; Suzuki, H.; Takai, K. Hydrogen embrittlement susceptibility evaluation of tempered martensitic steels showing different fracture surface morphologies. ISIJ Int. 2019, 59, 1705–1714. [Google Scholar] [CrossRef]
- Nagao, A.; Smith, C.D.; Dadfarnia, M.; Sofronis, P.; Robertson, I.M. Interpretation of hydrogen-induced fracture surface morphologies for lath martensitic steel. Procedia Mater. Sci. 2014, 3, 1700–1705. [Google Scholar] [CrossRef]
- Djukic, M.B.; Bakic, G.M.; Sijacki Zeravcic, V.; Sedmak, A.; Rajicic, B. The synergistic action and interplay of hydrogen embrittlement mechanisms in steels and iron: Localized plasticity and decohesion. Eng. Fract. Mech. 2019, 216, 106528. [Google Scholar] [CrossRef]
- Gangloff, R.P. Hydrogen assisted cracking of high strength alloys. In Comprehensive Structural Inteqrity; Milne, I., Ritchie, R.O., Karihaloo, B., Petit, J., Scott, P., Eds.; Elsevier Science: New York, NY, USA, 2003; Volume 6, pp. 31–101. [Google Scholar]
- Nagumo, M. Advances in physical metallurgy and processing of steels. Function of hydrogen in embrittlement of high-strength steels. ISIJ Int. 2001, 41, 590–598. [Google Scholar] [CrossRef]
- Troiano, A.R. The role of hydrogen and other interstitials in the mechanical behavior of metals. Trans. ASM 1960, 52, 54–80. [Google Scholar] [CrossRef]
- Birnbaum, H.K.; Sofronis, P. Hydrogen-enhanced localized plasticity—A mechanism for hydrogen-related fracture. Mater. Sci. Eng. A 1994, 176, 191–202. [Google Scholar] [CrossRef]
- Chen, T.; Chiba, T.; Koyama, M.; Shibata, A.; Akiyama, E.; Takai, K. Hierarchical characteristics of hydro-gen-assisted crack growth and microstructural strain evolution in tempered martensitic steels: Case of qua-si-cleavage fracture. Met. Mater. Trans. A 2021, 52, 4703–4713. [Google Scholar] [CrossRef]
- Latypova, R.; Seppälä, O.; Tun Nyo, T.; Kauppi, T.; Mehtonen, S.; Hänninen, H.; Kömi, J.; Pallaspuro, S. Influence of prior austenite grain structure on hydrogen-induced fracture in as-quenched martensitic steels. Eng. Fract. Mech. 2023, 281, 109090. [Google Scholar] [CrossRef]
- Nie, Y.; Kimura, Y.; Inoue, T.; Yin, F.; Akiyama, E.; Tsuzaki, K. Hydrogen embrittlement of a 1500-MPa tensile strength level steel with an ultrafine elongated grain structure. Met. Mater. Trans. A 2012, 43, 1670–1687. [Google Scholar] [CrossRef]
- Momotani, Y.; Shibata, A.; Yonemura, T.; Bai, Y.; Tsuji, N. Effect of initial dislocation density on hydrogen ac-cumulation behavior in martensitic steel. Scr. Mater. 2020, 178, 318–323. [Google Scholar] [CrossRef]
- Koren, E.; Hagen, C.M.H.; Wang, D.; Lu, X.; Johnsen, R.; Yamabe, J. Experimental comparison of gaseous and electrochemical hydrogen charging in X65 pipeline steel using the permeation technique. Corros. Sci. 2023, 215, 111025. [Google Scholar] [CrossRef]
- Zafra, A.; Álvarez, G.; Benoit, G.; Henaff, G.; Martinez-Pañeda, E.; Rodríguez, C.; Belzunce, J. Hydrogen-assisted fatigue crack growth: Pre-charging vs in-situ testing in gaseous environments. Mater. Sci. Eng. A 2023, 871, 144885. [Google Scholar] [CrossRef]
- Briottet, L.; Moro, I.; Escot, M.; Furtado, J.; Bortot, P.; Tamponi, G.M.; Solin, J.; Odemer, G.; Blanc, C.; Andrieu, E. Fatigue crack initiation and growth in a CrMo steel under hydrogen pressure. Int. J. Hydrogen Energy 2015, 40, 17021–17030. [Google Scholar] [CrossRef]
- Fernández-Sousa, R.; Betegón, C.; Martínez-Pañeda, E. Analysis of the influence of microstructural traps on hydrogen assisted fatigue. Acta Mater. 2020, 199, 253–263. [Google Scholar] [CrossRef]
- Imdad, A.; Arniella, V.; Zafra, A.; Belzunce, J. Tensile behaviour of 42CrMo4 steel submitted to annealed, nor-malized, and quench and tempering heat treatments with in-situ hydrogen charging. Int. J. Hydrogen Energy 2024, 50, 270–280. [Google Scholar] [CrossRef]
- Arniella, V.; Zafra, A.; Álvarez, G.; Belzunce, J.; Rodríguez, C. Comparative study of embrittlement of quenched and tempered steels in hydrogen environments. Int. J. Hydrogen Energy 2022, 47, 17056–17068. [Google Scholar] [CrossRef]
- DIN EN ISO 683-2; Heat-Treatable Steels, Alloy Steels and Free-Cutting Steels—Part 2: Alloy Steels for Quenching and Tempering. DIN EN ISO: Berlin, Germany, 2018.
- Tavares, S.S.; Bastos, I.N.; Pardal, J.M.; Montenegro, T.R.; Da Silva, M.R. Slow strain rate tensile test results of new multiphase 17%Cr stainless steel under hydrogen cathodic charging. Int. J. Hydrogen Energy 2015, 40, 16992–16999. [Google Scholar] [CrossRef]
- Thomas, S.; Ott, N.; Schaller, R.F.; Yuwono, J.A.; Volovitch, P.; Sundararajan, G.; Medhekar, N.V.; Ogle, K.; Scully, J.R.; Birbilis, N. The effect of absorbed hydrogen on the dissolution of steel. Heliyon 2016, 2, e00209. [Google Scholar] [CrossRef] [PubMed]
- Venezuela, J.; Gray, E.; Liu, Q.; Zhou, Q.; Tapia-Bastidas, C.; Zhang, M.; Atrens, A. Equivalent hydrogen fugacity during electrochemical charging of some martensitic advanced high-strength steels. Corros. Sci. 2017, 127, 45–58. [Google Scholar] [CrossRef]
- Venezuela, J.; Lim, F.Y.; Liu, L.; James, S.; Zhou, Q.; Knibbe, R.; Zhang, M.; Li, H.; Dong, F.; Dargusch, M.S.; et al. Hydrogen embrittlement of an automotive 1700 MPa martensitic advanced high-strength steel. Corros. Sci. 2020, 171, 108726. [Google Scholar] [CrossRef]
- Wasim, M.; Djukic, M.B.; Ngo, T.D. Influence of hydrogen-enhanced plasticity and decohesion mechanisms of hydrogen embrittlement on the fracture resistance of steel. Eng. Fail. Anal. 2021, 123, 105312. [Google Scholar] [CrossRef]









| C | Si | Mn | P | S | Cr | Mo | Cu | |||
|---|---|---|---|---|---|---|---|---|---|---|
| Measured | [wt.%] | 0.41 | 0.28 | 0.79 | 0.010 | 0.020 | 1.06 | 0.20 | 0.16 | |
| Standard | min | 0.38 | 0.10 | 0.60 | - | - | 0.90 | 0.15 | - | |
| max | 0.45 | 0.40 | 0.90 | 0.025 | 0.035 | 1.20 | 0.30 | 0.40 | ||
| Heat Treatment State | Hardness HV10 | Yield Strength Re [MPa] | Ultimate Strength Rm [MPa] |
|---|---|---|---|
| Medium strength (MS), 650 °C | 320 | 877 | 969 |
| High strength (HS), 400 °C | 496 | 1455 | 1619 |
Disclaimer/Publisher’s Note: The statements, opinions and data contained in all publications are solely those of the individual author(s) and contributor(s) and not of MDPI and/or the editor(s). MDPI and/or the editor(s) disclaim responsibility for any injury to people or property resulting from any ideas, methods, instructions or products referred to in the content. |
© 2025 by the authors. Licensee MDPI, Basel, Switzerland. This article is an open access article distributed under the terms and conditions of the Creative Commons Attribution (CC BY) license (https://creativecommons.org/licenses/by/4.0/).
Share and Cite
Donnerbauer, K.; Nickel, T.; von Pavel, M.; Otto, J.L.; Gerdes, L.; Vasquez, J.R.; Lingnau, L.A.; Koch, A.; Walther, F. Methodology for Hydrogen-Assisted Fatigue Testing Using In Situ Cathodic Charging. Materials 2025, 18, 339. https://doi.org/10.3390/ma18020339
Donnerbauer K, Nickel T, von Pavel M, Otto JL, Gerdes L, Vasquez JR, Lingnau LA, Koch A, Walther F. Methodology for Hydrogen-Assisted Fatigue Testing Using In Situ Cathodic Charging. Materials. 2025; 18(2):339. https://doi.org/10.3390/ma18020339
Chicago/Turabian StyleDonnerbauer, Kai, Timo Nickel, Matthias von Pavel, Johannes L. Otto, Lars Gerdes, Julian Rozo Vasquez, Lars A. Lingnau, Alexander Koch, and Frank Walther. 2025. "Methodology for Hydrogen-Assisted Fatigue Testing Using In Situ Cathodic Charging" Materials 18, no. 2: 339. https://doi.org/10.3390/ma18020339
APA StyleDonnerbauer, K., Nickel, T., von Pavel, M., Otto, J. L., Gerdes, L., Vasquez, J. R., Lingnau, L. A., Koch, A., & Walther, F. (2025). Methodology for Hydrogen-Assisted Fatigue Testing Using In Situ Cathodic Charging. Materials, 18(2), 339. https://doi.org/10.3390/ma18020339

