Low-Energy Desalination Techniques, Development of Capacitive Deionization Systems, and Utilization of Activated Carbon
Abstract
1. Introduction
2. Materials and Methods
2.1. Design and Fabrication of the CDI Desalination Unit
2.2. Equipment Used in This Study
2.2.1. DC Power Supply
2.2.2. Peristaltic Pump
2.2.3. Tubular Furnace
2.2.4. Digital Balance
2.2.5. PH/EC/TDS Meter
2.2.6. Vacuum Oven
2.2.7. Ice Generator
2.2.8. Stirrer
2.2.9. Grinder
2.3. Carbonization Process
- Coconut shells, known for their high carbon content and low ash content, making them ideal for activated carbon production;
- Wood chips and sawdust, commonly used due to their availability and ability to produce high-quality activated carbon;
- Fruit pits, such as olive and cherry pits, which are rich in carbon and well suited for activation;
- Agricultural residues like corn stover, sugarcane bagasse, and wheat straw, which are abundant and often underutilized;
- Bone char, made from animal bones, offering a unique composition for specific adsorption applications.
2.4. Chemical Activation
2.5. Electrode Sheet Fabrication
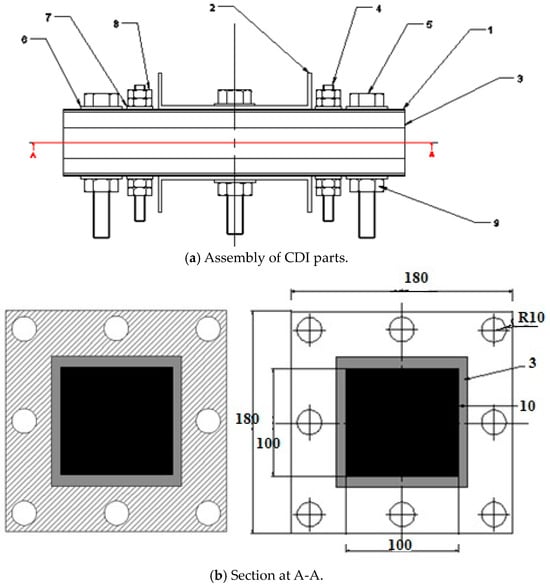
2.6. Description of the Assembly Electrodes of the CDI Cell
2.7. Desalination Processes Using CDI Unit
3. Desalination Experimental Procedures
- The saline concentration of seawater TDS was measured at 500, 1000, 1500, and 2000 TDS.
- The flow rate of feed was 9.5, 16.8, and 38.2 mL/min.
- The potential difference in the electrode was calculated at 1.5, 2 and 2.5 volts for an interval of 1 min.
4. Results and Discussion
4.1. Effect of the Concentration of TDS on Desalination
4.2. Effect of Flow Rate Feed on Desalination
4.3. Effect of Potential Differences on Desalination
4.4. Regeneration of CDI Electrode
5. Conclusions
6. Future Work
Funding
Institutional Review Board Statement
Data Availability Statement
Conflicts of Interest
References
- Aldossary, M.H.A.; Ahmad, S.; Bahraq, A.A. Effect of total dissolved solids-contaminated water on the properties of concrete. J. Build. Eng. 2020, 32, 101496. [Google Scholar] [CrossRef]
- Khan, M.Y.A.; El Kashouty, M.; Gusti, W.; Kumar, A.; Subyani, A.M.; Alshehri, A. Geo-temporal signatures of physicochemical and heavy metals pollution in Groundwater of Khulais region—Makkah Province, Saudi Arabia. Front. Environ. Sci. 2022, 9, 800517. [Google Scholar] [CrossRef]
- Zhao, Y.; Hu, X.-M.; Jiang, B.-H.; Li, L. Optimization of the operational parameters for desalination with response surface methodology during a capacitive deionization process. Desalination 2014, 336, 64–71. [Google Scholar] [CrossRef]
- Ahmed, M.A.; Tewari, S. Capacitive deionization: Processes, materials and state of the technology. J. Electroanal. Chem. 2018, 813, 178–192. [Google Scholar] [CrossRef]
- Wang, J.; Dai, J.; Jiang, Z.; Chu, B.; Chen, F. Recent Progress and prospect of flow-electrode electrochemical desalination system. Desalination 2021, 504, 114964. [Google Scholar] [CrossRef]
- Xing, W.; Liang, J.; Tang, W.; He, D.; Yan, M.; Wang, X.; Luo, Y.; Tang, N.; Huang, M. Versatile applications of capacitive deionization (CDI)-based technologies. Desalination 2020, 482, 114390. [Google Scholar] [CrossRef]
- Seo, S.-J.; Jeon, H.; Lee, J.K.; Kim, G.-Y.; Park, D.; Nojima, H.; Lee, J.; Moon, S.-H. Investigation on removal of hardness ions by capacitive deionization (CDI) for water softening applications. Water Res. 2010, 44, 2267–2275. [Google Scholar] [CrossRef]
- Anderson, M.A.; Cudero, A.L.; Palma, J. Capacitive deionization as an electrochemical means of saving energy and delivering clean water. Comparison to present desalination practices: Will it compete? Electrochim. Acta 2010, 55, 3845–3856. [Google Scholar] [CrossRef]
- Choi, J.; Dorji, P.; Shon, H.K.; Hong, S. Applications of capacitive deionization: Desalination, softening, selective removal, and energy efficiency. Desalination 2019, 449, 118–130. [Google Scholar] [CrossRef]
- Shahmirzadi, M.A.A.; Hosseini, S.S.; Luo, J.; Ortiz, I. Significance, evolution and recent advances in adsorption technology, materials and processes for desalination, water softening and salt removal. J. Environ. Manag. 2018, 215, 324–344. [Google Scholar] [CrossRef]
- Laxman, K.; Myint, M.T.Z.; Al Abri, M.; Sathe, P.; Dobretsov, S.; Dutta, J. Desalination and disinfection of inland brackish ground water in a capacitive deionization cell using nanoporous activated carbon cloth electrodes. Desalination 2015, 362, 126–132. [Google Scholar] [CrossRef]
- Jeong, K.; Yoon, N.; Park, S.; Son, M.; Lee, J.; Park, J.; Cho, K.H. Optimization of a nanofiltration and membrane capacitive deionization (NF-MCDI) hybrid system: Experimental and modeling studies. Desalination 2020, 493, 114658. [Google Scholar] [CrossRef]
- Gupta, S.S.; Islam, M.R.; Pradeep, T.; Deionization, C. Advances in Water Purification Techniques; Elsevier: Amsterdam, The Netherlands, 2019; pp. 165–202. [Google Scholar]
- Lee, K.S.; Cho, Y.; Choo, K.Y.; Yang, S.; Han, M.H.; Kim, D.K. Membrane-spacer assembly for flow-electrode capacitive deionization. Appl. Surf. Sci. 2018, 433, 437–442. [Google Scholar] [CrossRef]
- Rommerskirchen, A.; Gendel, Y.; Wessling, M. Single module flow-electrode capacitive deionization for continuous water desalination. Electrochem. Commun. 2015, 60, 34–37. [Google Scholar] [CrossRef]
- Patel, S.K.; Qin, M.; Walker, W.S.; Elimelech, M. Energy efficiency of electro-driven brackish water desalination: Electrodialysis significantly outperforms membrane capacitive deionization. Environ. Sci. Technol. 2020, 54, 3663–3677. [Google Scholar] [CrossRef]
- Jang, J.; Kang, Y.; Han, J.-H.; Jang, K.; Kim, C.-M.; Kim, I.S. Developments and future prospects of reverse electrodialysis for salinity gradient power generation: Influence of ion exchange membranes and electrodes. Desalination 2020, 491, 114540. [Google Scholar] [CrossRef]
- Liu, M.; He, M.; Han, J.; Sun, Y.; Jiang, H.; Li, Z.; Li, Y.; Zhang, H. Recent Advances in Capacitive Deionization: Research Progress and Application Prospects. Sustainability 2022, 14, 14429. [Google Scholar] [CrossRef]
- Yu, F.; Yang, Y.; Zhang, X.; Ma, J. Application of capacitive deionization in drinking water purification. Sep. Purif. Technol. 2025, 354, 129285. [Google Scholar] [CrossRef]
- Ntakirutimana, S.; Tan, W.; Anderson, M.A.; Wang, Y. Editors’ Choice—Review—Activated carbon electrode design: Engineering tradeoff with respect to capacitive deionization performance. J. Electrochem. Soc. 2020, 167, 143501. [Google Scholar] [CrossRef]
- Biesheuvel, P.M.; Zhao, R.; Porada, S.; Van der Wal, A. Theory of membrane capacitive deionization including the effect of the electrode pore space. J. Colloid Interface Sci. 2011, 360, 239–248. [Google Scholar] [CrossRef]
- Zhao, R.; Biesheuvel, P.M.; Van der Wal, A. Energy consumption and constant current operation in membrane capacitive deionization. Energy Environ. Sci. 2012, 5, 9520–9527. [Google Scholar] [CrossRef]
- Xiao, Q.; Ma, J.; Xu, L.; Zuo, K.; Guo, H.; Tang, C.Y. Membrane capacitive deionization (MCDI) for selective ion separation and recovery: Fundamentals, challenges, and opportunities. J. Membr. Sci. 2024, 699, 122650. [Google Scholar] [CrossRef]
- Gamaethiralalage, J.G.; Singh, K.; Sahin, S.; Yoon, J.; Elimelech, M.; Suss, M.E.; Liang, P.; Biesheuvel, P.M.; Zornitta, R.L.; De Smet, L. Recent advances in ion selectivity with capacitive deionization. Energy Environ. Sci. 2021, 14, 1095–1120. [Google Scholar] [CrossRef]
- Kim, T.; Dykstra, J.E.; Porada, S.; Van Der Wal, A.; Yoon, J.; Biesheuvel, P.M. Enhanced charge efficiency and reduced energy use in capacitive deionization by increasing the discharge voltage. J. Colloid Interface Sci. 2015, 446, 317–326. [Google Scholar] [CrossRef] [PubMed]
- He, Z.; Li, Y.; Wang, Y.; Miller, C.J.; Fletcher, J.; Lian, B.; Waite, T.D. Insufficient desorption of ions in constant-current membrane capacitive deionization (MCDI): Problems and solutions. Water Res. 2023, 242, 120273. [Google Scholar] [CrossRef]
- Liu, Z.; Shang, X.; Li, H.; Liu, Y. A Brief Review on High-Performance Capacitive Deionization Enabled by Intercalation Electrodes. Glob. Chall. 2021, 5, 2000054. [Google Scholar] [CrossRef]
- Hao, Z.; Sun, X.; Chen, J.; Zhou, X.; Zhang, Y. Recent Progress and Challenges in Faradic Capacitive Desalination: From Mechanism to Performance. Small 2023, 19, 2300253. [Google Scholar] [CrossRef]
- Ling, G. History of the membrane (Pump) theory of the living cell from its beginning in mid-19th century to its disproof 45 years ago--though still taught worldwide today as established truth. Physiol. Chem. Phys. Med. NMR 2007, 39, 1–68. [Google Scholar]
- Song, Z.; Wei, Z.; Wang, B.; Luo, Z.; Xu, S.; Zhang, W.; Yu, H.; Li, M.; Huang, Z.; Zang, J. Sensitive room-temperature H2S gas sensors employing SnO2 quantum wire/reduced graphene oxide nanocomposites. Chem. Mater. 2016, 28, 1205–1212. [Google Scholar] [CrossRef]
- Ahmadpour, A.; Do, D.D. The preparation of active carbons from coal by chemical and physical activation. Carbon 1996, 34, 471–479. [Google Scholar] [CrossRef]
- Xie, J.; Xue, Y.; He, M.; Luo, W.; Wang, H.; Wang, R.; Yan, Y.-M. Organic-inorganic hybrid binder enhances capacitive deionization performance of activated-carbon electrode. Carbon 2017, 123, 574–582. [Google Scholar] [CrossRef]
- Torres, G.R. Conducting Polymers and Hybrid Materials for Technological Applications. Ph.D. Thesis, Universitat Politècnica de Catalunya, Barcelona, Spain, 2021. [Google Scholar]
- Wu, L.; Liu, M.; Huo, S.; Zang, X.; Xu, M.; Ni, W.; Yang, Z.; Yan, Y.-M. Mold-casting prepared free-standing activated carbon electrodes for capacitive deionization. Carbon 2019, 149, 627–636. [Google Scholar] [CrossRef]
- Choi, J.-H. Fabrication of a carbon electrode using activated carbon powder and application to the capacitive deionization process. Sep. Purif. Technol. 2010, 70, 362–366. [Google Scholar] [CrossRef]
- Demirer, O.N. Two Different Perspectives on Capacitive Deionization Process: Performance Optimization and Flow Visualization. Master’s Thesis, The University of Texas at Austin, Speedway, Austin, 2013. [Google Scholar]
- Omosebi, A.; Gao, X.; Holubowitch, N.; Li, Z.; Landon, J.; Liu, K. Anion exchange membrane capacitive deionization cells. J. Electrochem. Soc. 2017, 164, E242. [Google Scholar] [CrossRef]
- Liu, L.; Guo, X.; Tallon, R.; Huang, X.; Chen, J. Highly porous N-doped graphene nanosheets for rapid removal of heavy metals from water by capacitive deionization. Chem. Commun. 2017, 53, 881–884. [Google Scholar] [CrossRef]
- Liu, M.; Xue, Z.; Zhang, H.; Li, Y. Dual-channel membrane capacitive deionization based on asymmetric ion adsorption for continuous water desalination. Electrochem. Commun. 2021, 125, 106974. [Google Scholar] [CrossRef]
- Dahiya, S.; Mishra, B.K. Enhancing understandability and performance of flow electrode capacitive deionisation by optimizing configurational and operational parameters: A review on recent Progress. Sep. Purif. Technol. 2020, 240, 116660. [Google Scholar] [CrossRef]
- Yu, F.; Yang, Z.; Cheng, Y.; Xing, S.; Wang, Y.; Ma, J. A comprehensive review on flow-electrode capacitive deionization: Design, active material and environmental application. Sep. Purif. Technol. 2022, 281, 119870. [Google Scholar] [CrossRef]
- Park, J.; Kim, J.; Lee, S.; Kim, J.H.; Yoon, M.-H.; Lee, D.; Yoo, S.J. Unraveling concentration-dependent solvation structures and molecular interactions in water-in-salt electrolytes for enhanced performance of electric double-layer capacitors. Energy Storage Mater. 2024, 65, 103137. [Google Scholar] [CrossRef]
- Chung, T.-C. Evaluating the Desalination Performance and Efficiency of Capacitive Deionization with Activated Carbon Electrodes. Master’s Thesis, University of British Columbia, Vancouver, BC, Canada, 2018. [Google Scholar]
- Porada, S.; Zhao, R.; van der Wal, A.; Presser, V.; Biesheuvel, P.M. Review on the science and technology of water desalination by capacitive deionization. Prog. Mater. Sci. 2013, 58, 1388–1442. [Google Scholar] [CrossRef]
- Zhang, C.; He, D.; Ma, J.; Tang, W.; Waite, T.D. Comparison of faradaic reactions in flow-through and flow-by capacitive deionization (CDI) systems. Electrochim. Acta 2019, 299, 727–735. [Google Scholar] [CrossRef]
- Rommerskirchen, A.; Ohs, B.; Hepp, K.A.; Femmer, R.; Wessling, M. Modeling continuous flow-electrode capacitive deionization processes with ion-exchange membranes. J. Membr. Sci. 2018, 546, 188–196. [Google Scholar] [CrossRef]
- Avraham, E.; Noked, M.; Cohen, I.; Soffer, A.; Aurbach, D. The dependence of the desalination performance in capacitive deionization processes on the electrodes PZC. J. Electrochem. Soc. 2011, 158, P168. [Google Scholar] [CrossRef]
- Cohen, I.; Avraham, E.; Bouhadana, Y.; Soffer, A.; Aurbach, D. Long term stability of capacitive deionization processes for water desalination: The challenge of positive electrodes corrosion. Electrochim. Acta 2013, 106, 91–100. [Google Scholar] [CrossRef]
- Bouhadana, Y.; Ben-Tzion, M.; Soffer, A.; Aurbach, D. A control system for operating and investigating reactors: The demonstration of parasitic reactions in the water desalination by capacitive deionization. Desalination 2011, 268, 253–261. [Google Scholar] [CrossRef]
- Zeng, X.; Wang, Z.; Rehman, A. Electrode–Electrolyte Interfacial Processes in Ionic Liquids and Sensor Applications. In Electrochemistry in Ionic Liquids: Volume 1: Fundamentals; Springer: Cham, Switzerland, 2015; pp. 7–74. [Google Scholar]
- Zornitta, R.L.; Lado, J.J.; Anderson, M.A.; Ruotolo, L.A.M. Effect of electrode properties and operational parameters on capacitive deionization using low-cost commercial carbons. Sep. Purif. Technol. 2016, 158, 39–52. [Google Scholar] [CrossRef]
- Jung, H.-H.; Hwang, S.-W.; Hyun, S.-H.; Lee, K.-H.; Kim, G.-T. Capacitive deionization characteristics of nanostructured carbon aerogel electrodes synthesized via ambient drying. Desalination 2007, 216, 377–385. [Google Scholar] [CrossRef]
- Bakly, S. Treatment of Agricultural Run-Off Using Innovative CDI Filtration Techniques. Master’s Thesis, University of Southern Queensland, Queensland, Australia, 2019. [Google Scholar]














| Part No. | Name of Part | Type of Material | Qty. |
|---|---|---|---|
| 1 | Stainless steel plate | Stainless steel | 2 |
| 2 | Stainless steel cover (U-shape) | Stainless steel | 2 |
| 3 | Tofflen polymer plate | Tofflen (polymer) | 4 |
| 4 | Bolt without head | Stainless steel | 6 |
| 5 | Bolt with head | Stainless steel | 6 |
| 6 | Washer | Stainless steel | 12 |
| 7 | Washer | Stainless steel | 8 |
| 8 | Hex. nut | Stainless steel | 12 |
| 9 | Hex. nut | Stainless steel | 6 |
| 10 | Activated sheet | Activated carbon nanoparticles | 1 |
Disclaimer/Publisher’s Note: The statements, opinions and data contained in all publications are solely those of the individual author(s) and contributor(s) and not of MDPI and/or the editor(s). MDPI and/or the editor(s) disclaim responsibility for any injury to people or property resulting from any ideas, methods, instructions or products referred to in the content. |
© 2024 by the author. Licensee MDPI, Basel, Switzerland. This article is an open access article distributed under the terms and conditions of the Creative Commons Attribution (CC BY) license (https://creativecommons.org/licenses/by/4.0/).
Share and Cite
Elawadi, G.A. Low-Energy Desalination Techniques, Development of Capacitive Deionization Systems, and Utilization of Activated Carbon. Materials 2024, 17, 5130. https://doi.org/10.3390/ma17205130
Elawadi GA. Low-Energy Desalination Techniques, Development of Capacitive Deionization Systems, and Utilization of Activated Carbon. Materials. 2024; 17(20):5130. https://doi.org/10.3390/ma17205130
Chicago/Turabian StyleElawadi, Gaber A. 2024. "Low-Energy Desalination Techniques, Development of Capacitive Deionization Systems, and Utilization of Activated Carbon" Materials 17, no. 20: 5130. https://doi.org/10.3390/ma17205130
APA StyleElawadi, G. A. (2024). Low-Energy Desalination Techniques, Development of Capacitive Deionization Systems, and Utilization of Activated Carbon. Materials, 17(20), 5130. https://doi.org/10.3390/ma17205130

