The Effect of Nitriding Temperature of AISI 316L Steel on Sub-Zero Corrosion Resistance in C2H5OH
Abstract
1. Introduction
2. Materials and Methods
2.1. Substrate and Layer Deposition
2.2. Microstructure, Morphology, and Chemical Composition Studies
2.3. XRD Studies
2.4. Microhardness Tests
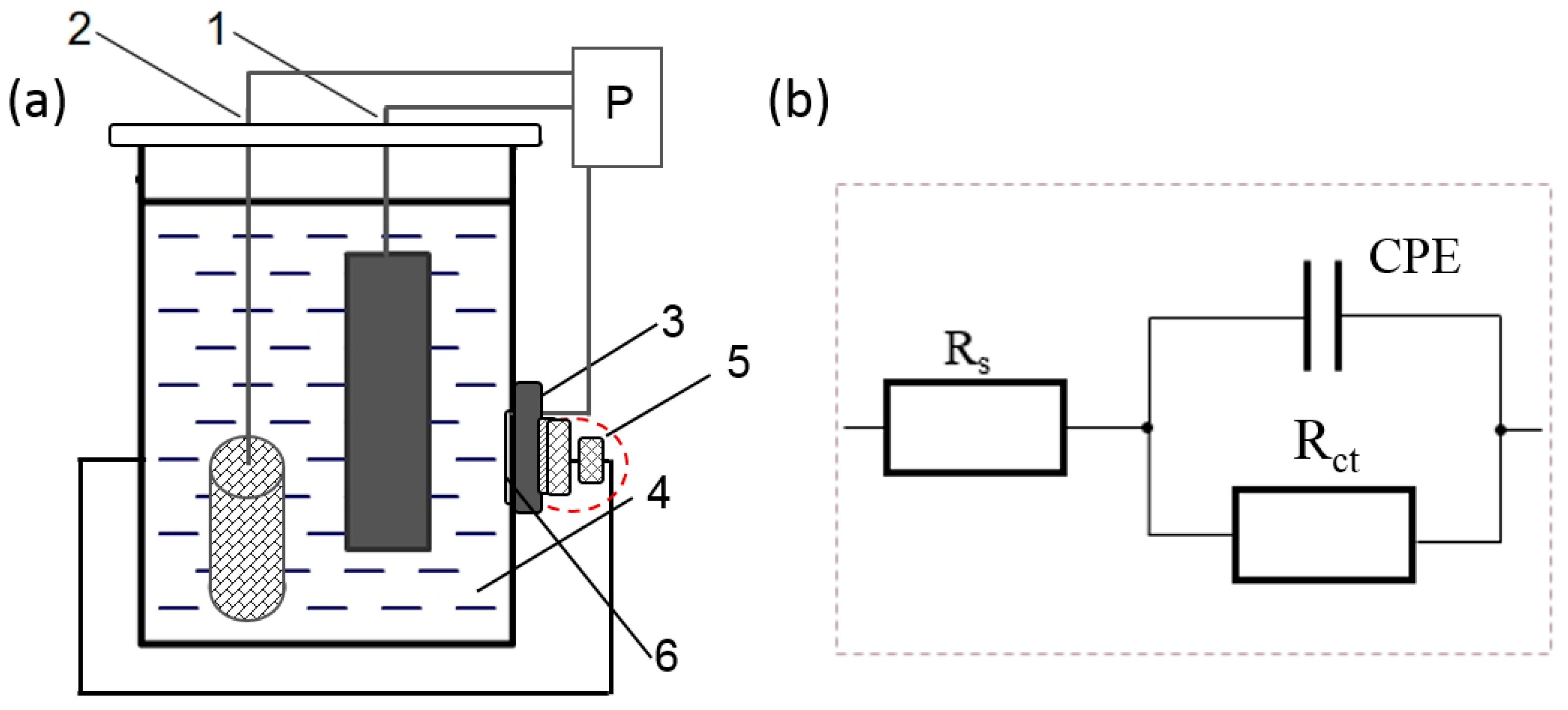
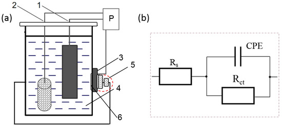
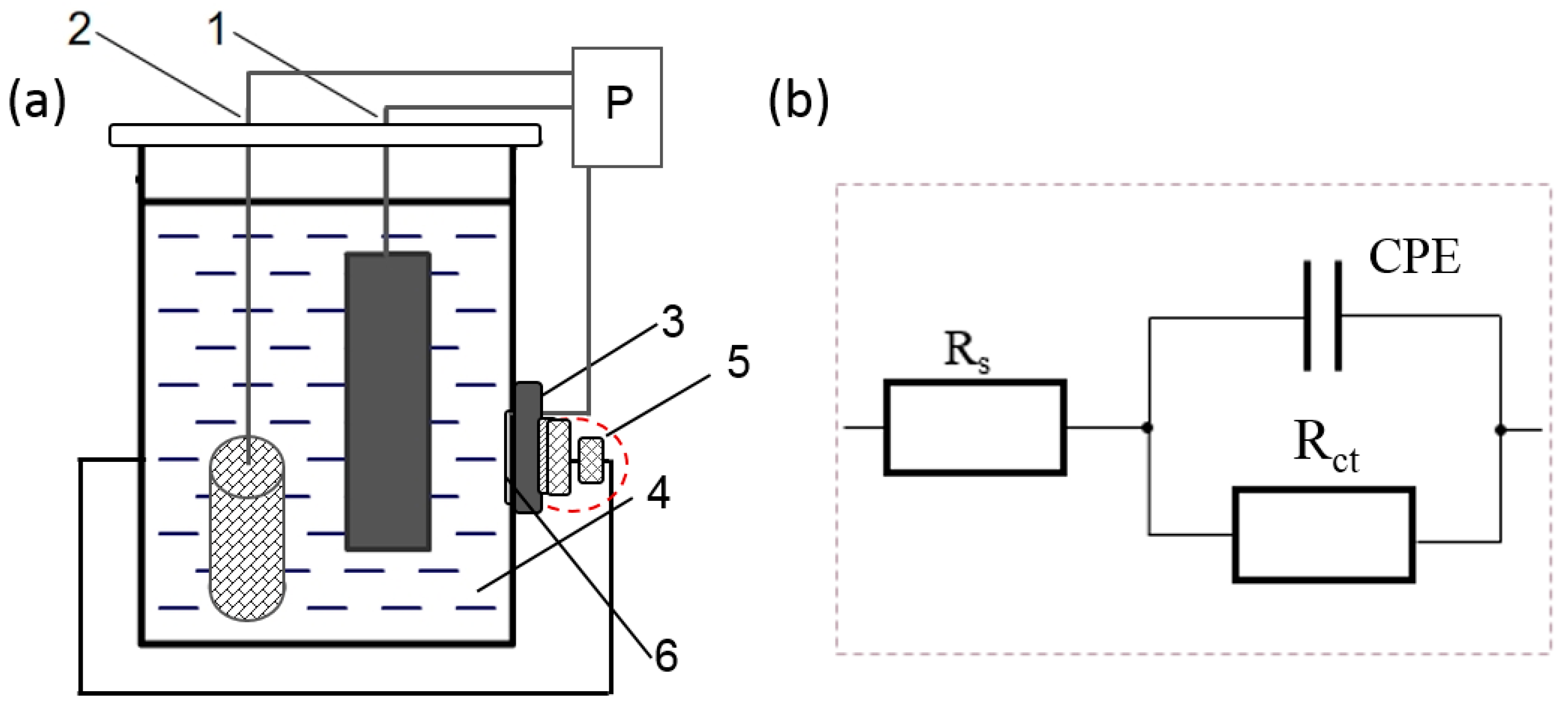
2.5. Corrosion Tests
2.5.1. Electrochemical Impedance Spectroscopy Method
2.5.2. Polarization Method
2.6. Contact Angle Measurements
3. Results and Discussion
3.1. Effect of Nitriding Temperature on the Surface Morphology, Microstructure, and Chemical Composition
3.2. XRD Studies
3.3. Microhardness
3.4. Corrosion Studies
3.5. Contact Angle
4. Conclusions
- Notably, the 99% ethyl alcohol solution was characterized by low aggressiveness due to the lack of chloride ions in the solution and low conductivity, which was further diminished by the reduced temperature. Nyquist spectra suggest different corrosion mechanisms of tested corrosion temperatures.
- Low-temperature glow nitriding of 316L steel slightly increased the material corrosion resistance.
- Glow nitriding at 520 °C significantly reduced the corrosion resistance of 316L steel. Additionally, due to the significant thickness and hardness of the surface layer, the material was sensitive to stress corrosion cracking.
- The high solubility of oxygen in ethyl alcohol facilitates the oxidation of the nitrided layer.
- Nitrided layers were characterized by a higher water contact angle than the initial state. The highest value of the contact angle in water was obtained for the specimen nitrided at 520 °C.
- The nitrided specimens were completely wettable using ethanol.
Author Contributions
Funding
Institutional Review Board Statement
Informed Consent Statement
Data Availability Statement
Conflicts of Interest
References
- Abedi, H.R.; Salehi, M. Effect of post-oxidizing temperature on tribological and corrosion behavior of plasma nitrided austenitic stainless steel. Mater. Des. 2011, 32, 2100–2106. [Google Scholar] [CrossRef]
- Jinlong, L.; Hongyun, L. Effects of strain and strain-induced α′-martensite on passive films in AISI 304 austenitic stainless steel. Mater. Sci. Eng. C 2014, 34, 484–490. [Google Scholar]
- Khatak, H.S.; Raj, B. Woodhead Publishing Series in Metals and Surface Engineering, Corrosion of Austenitic Stainless Steels; Woodhead Publishing: Cambridge, UK, 2002. [Google Scholar]
- Manova, D.; Mändl, S. Initial phase formation during nitriding of austenitic stainless steel. Surf. Coat. Technol. 2023, 456, 129258. [Google Scholar] [CrossRef]
- Lu, Y.; Li, D.; Ma, H.; Liu, X.; Wu, M.; Hu, J. Enhanced plasma nitriding efficiency and properties by severe plastic deformation pretreatment for 316L austenitic stainless steel. J. Mater. Res. Technol. 2021, 15, 1742–1746. [Google Scholar] [CrossRef]
- Huang, Z.; Guo, Z.; Liu, L.; Guo, Y.; Chen, Y.; Zhang, Z.; Li, Y.; Li, Y.; Zhou, Y.; Liang, Y. Structure and corrosion behavior of ultra-thick nitrided layer produced by plasma nitriding of austenitic stainless steel. Surf. Coatings Technol. 2021, 405, 126689. [Google Scholar] [CrossRef]
- Lin, K.; Li, X.; Dong, H.; Guo, P.; Gu, D. Nitrogen mass transfer and surface layer formation during the active screen plasma nitriding of austenitic stainless steels. Vacuum 2018, 148, 224–229. [Google Scholar] [CrossRef]
- Mali, A.S.; Vagge, S.T.; Rathod, M.J. Mapping the Accouterment Effects of Plasma Nitriding on AISI 316L in Biomedical Applications. Coatings 2023, 13, 839. [Google Scholar] [CrossRef]
- Borgioli, F. The Corrosion Behavior in Different Environments of Austenitic Stainless Steels Subjected to Thermochemical Surface Treatments at Low Temperatures: An Overview. Metals 2023, 13, 776. [Google Scholar] [CrossRef]
- Moskaliovienė, T.; Andriūnas, P.; Galdikas, A. Coupled Modeling of Anisotropic Stress-Induced Diffusion and Trapping of Nitrogen in Austenitic Stainless Steel during Nitriding and Thermal Annealing. Coatings 2023, 13, 415. [Google Scholar] [CrossRef]
- Maniscalco, S.; Caligari Conti, M.; Cassar, J.; Grima, C.; Karl, A.; Schembri Wismayer, P.; Mallia, B.; Buhagiar, J. Low temperature carburised austenitic stainless steel for metal-on-metal tribological contact. Thin Solid Film. 2016, 620, 103–113. [Google Scholar] [CrossRef]
- Chiavari, C.; Bernardi, E.; Balijepalli, S.K.; Kaciulis, S.; Ceschini, L.; Martini, C. Influence of low-temperature carburising on metal release from AISI316L austenitic stainless steel in acetic acid. J. Food Eng. 2014, 137, 7–15. [Google Scholar] [CrossRef]
- Spies, H.-J. 6–Corrosion behaviour of nitrided, nitrocarburised and carburised steels. In Thermochemical Surface Engineering of Steels; Mittemeijer, E.J., Somers, M.A.J., Eds.; Woodhead Publishing: Cambridge, UK, 2015; pp. 267–309. [Google Scholar]
- Illing, C.; Ren, Z.; Ernst, F. Low-Temperature Carburization: Ex Situ Activation of Austenitic Stainless Steel. Metals 2023, 13, 335. [Google Scholar] [CrossRef]
- Borowski, T.; Kulikowski, K.; Adamczyk-Cieślak, B.; Rożniatowski, K.; Spychalski, M.; Tarnowski, M. Influence of nitrided and nitrocarburised layers on the functional properties of nitrogen-doped soft carbon-based coatings deposited on 316L steel under DC glow-discharge conditions. Surf. Coat. Technol. 2020, 392, 125705. [Google Scholar] [CrossRef]
- Kajzer, A.; Ceglarska, M.; Sura, N.; Kajzer, W.; Borowski, T.; Tarnowski, M.; Pilecki, Z. Effect of Nitrided and Nitrocarburised Austenite on Pitting and Crevice Corrosion Resistance of 316 LVM Steel Implants. Materials 2020, 13, 5484. [Google Scholar] [CrossRef] [PubMed]
- Chen, G.; Wang, J.; Zhang, H.; Li, L.; Fan, H. Low-temperature oxy-nitriding of 316 L austenitic stainless steel for improved corrosion resistance in liquid lead-bismuth eutectic. Scr. Mater. 2021, 202, 114014. [Google Scholar] [CrossRef]
- Akkurt, I.; Calik, A.; Akyıldırım, H. The boronizing effect on the radiation shielding and magnetization properties of AISI 316L austenitic stainless steel. Nucl. Eng. Des. 2011, 241, 55–58. [Google Scholar] [CrossRef]
- Czerwiec, T.; Renevier, N.; Michel, H. Low-temperature plasma-assisted nitriding. Surf. Coat. Technol. 2000, 131, 267–277. [Google Scholar] [CrossRef]
- Murali, A.P.; Alphonse, M.; Ganesan, D.; Salunkhe, S.; Hussein, H.M.A.M. Sliding wear behaviour of salt bath nitrided 316LN austenitic stainless steel. Appl. Surf. Sci. Adv. 2023, 15, 100401. [Google Scholar] [CrossRef]
- Fossati, A.; Borgioli, F.; Galvanetto, E.; Bacci, T. Corrosion resistance properties of glow-discharge nitrided AISI 316L austenitic stainless steel in NaCl solutions. Corros. Sci. 2006, 48, 1513–1527. [Google Scholar] [CrossRef]
- Baranowska, J.; Arnold, B. Corrosion resistance of nitrided layers on austenitic steel. Surf. Coat. Technol. 2006, 200, 6623–6628. [Google Scholar] [CrossRef]
- Cheng, H.; Luo, H.; Wang, X.; Pan, Z.; Jiang, Y.; Li, X. Electrochemical corrosion and passive behavior of a new high-nitrogen austenitic stainless steel in chloride environment. Mater. Chem. Phys. 2022, 292, 126837. [Google Scholar] [CrossRef]
- Yang, W.J.; Zhang, M.; Zhao, Y.H.; Shen, M.L.; Lei, H.; Xu, L.; Xiao, J.Q.; Gong, J.; Yu, B.H.; Sun, C. Enhancement of mechanical property and corrosion resistance of 316L stainless steels by low temperature arc plasma nitriding. Surf. Coat. Technol. 2016, 298, 64–72. [Google Scholar] [CrossRef]
- De Las Heras, E.; Ybarra, G.; Lamas, D.; Cabo, A.; Dalibon, E.L.; Brühl, S.P. Plasma nitriding of 316L stainless steel in two different N2-H2 atmospheres—Influence on microstructure and corrosion resistance. Surf. Coat. Technol. 2017, 313, 47–54. [Google Scholar] [CrossRef]
- Köster, K.; Kaestner, P.; Bräuer, G.; Hoche, H.; Troßmann, T.; Oechsner, M. Material condition tailored to plasma nitriding process for ensuring corrosion and wear resistance of austenitic stainless steel. Surf. Coat. Technol. 2013, 228 (Suppl. S1), S615–S618. [Google Scholar] [CrossRef]
- Gnanarathinam, A.; Palanisamy, D.; Manikandan, N.; Devaraju, A.; Arulkirubakaran, D. Comparison of corrosion behavior on laser welded austenitic stainless steel. Mater. Today Proc. 2021, 39 Pt 1, 649–653. [Google Scholar] [CrossRef]
- Ramdane, H.; Benaioun, N.; Guezzoul, M.; Moulayat, N.; Craciun, V. Investigation of the corrosion-preventing properties of nickel-coated austenitic stainless steel (AISI 304) in NaOH and NaOH + 10% NaCl solutions. Inorg. Chem. Commun. 2023, 152, 110671. [Google Scholar] [CrossRef]
- Borowski, T. Enhancing the Corrosion Resistance of Austenitic Steel Using Active Screen Plasma Nitriding and Nitrocarburising. Materials 2021, 14, 3320. [Google Scholar] [CrossRef] [PubMed]
- Corujeira Gallo, S.; Dong, H. New insights into the mechanism of low-temperature active-screen plasma nitriding of austenitic stainless steel. Scr. Mater. 2012, 67, 89–91. [Google Scholar] [CrossRef]
- Duarte, T.; Meyer, Y.A.; Osório, W.R. The Holes of Zn Phosphate and Hot Dip Galvanizing on Electrochemical Behaviors of Multicoatings on Steel Substrates. Metals 2022, 12, 863. [Google Scholar] [CrossRef]
- Dvoranová, D.; Barbieriková, Z.; Brezová, V. Radical Intermediates in Photoinduced Reactions on TiO2. Molecules 2014, 19, 17279–17304. [Google Scholar] [CrossRef] [PubMed]
- Skolek-Stefaniszyn, E.; Kaminski, J.; Sobczak, J.; Wierzchon, T. Modifying the properties of AISI 316L steel by glow discharge assisted low-temperature nitriding and oxynitriding. Vacuum 2010, 85, 164–169. [Google Scholar] [CrossRef]















| Element | Atom [%] | SD |
|---|---|---|
| Fe | 66.56 | 3.56 |
| Cr | 19.73 | 1.07 |
| Ni | 7.94 | 0.93 |
| N | 2.96 | 1.94 |
| Mn | 1.44 | 0.22 |
| Mo | 0.73 | 0.24 |
| Si | 0.64 | 0.27 |
| Specimen | HV0.2 | SD | HV0.5 | SD |
|---|---|---|---|---|
| 316L steel | 336 | 6.89 | 322 | 3.18 |
| 450 °C | 796 | 9.15 | 486 | 19.54 |
| 480 °C | 714 | 4.76 | 489 | 22.58 |
| 520 °C | 1412 | 2.05 | 1266 | 17.39 |
| Test Temperature | Ecorr [mV] vs. SSC | Icorr [µA/cm2] |
|---|---|---|
| 22 °C | −105 | 9.28 × 10−3 |
| −30 °C | −180 | 2.15 × 10−3 |
| Specimen | Ecorr [mV] vs. SSC | Icorr [µA/cm2] |
|---|---|---|
| 316L steel | −105 | 9.28 × 10−3 |
| 450 °C | −155 | 6.43 × 10−3 |
| 480 °C | −165 | 11.10 × 10−3 |
| 520 °C | −205 | 12.48 × 10−3 |
| Specimen | Ecorr [mV] vs. SSC | Icorr [µA/cm2] |
|---|---|---|
| 316L steel | −180 | 2.15 × 10−3 |
| 450 °C | −215 | 2.09 × 10−3 |
| 480 °C | −290 | 3.60 × 10−3 |
| 520 °C | −390 | 4.10 × 10−3 |
| Specimen | Rs [MΩcm2] | Rct [MΩcm2] | Error % | Y0-CPE [μF/cm2 s(n−1)] | Error % | n | Error % |
|---|---|---|---|---|---|---|---|
| 316L steel | 0.89 | 1.67 | 3.9 | 11.7 | 5.5 | 0.76 | 2.3 |
| 450 °C | 1.12 | 2.54 | 8.7 | 15.2 | 12.2 | 0.83 | 4.2 |
| 480°C | 0.88 | 2.25 | 12.6 | 23.6 | 5.4 | 0.85 | 1.8 |
| 520 °C | 1.01 | 0.75 | 5.9 | 22.3 | 12.8 | 0.84 | 4.5 |
| Specimen | Rs [MΩcm2] | Rct [MΩcm2] | Error % | Y0-CPE [μF/cm2 s(n−1)] | Error % | n | Error % |
|---|---|---|---|---|---|---|---|
| 316L steel | 1.80 | 19.6 | 23.5 | 7.32 | 7.4 | 0.82 | 2.4 |
| 450 °C | 1.73 | 33.1 | 15.4 | 8.55 | 5.1 | 0.80 | 1.7 |
| 480 °C | 1.63 | 23.5 | 19.1 | 1.47 | 5.8 | 0.82 | 1.8 |
| 520 °C | 1.81 | 4.17 | 8.6 | 5.41 | 8.8 | 0.71 | 2.8 |
| Specimen | Contact Angle Distilled Water [°] | SD | Contact Angle 99% Ethanol [°] | SD |
|---|---|---|---|---|
| 316L steel | 65.4 | 2.32 | 12 | 1.11 |
| 450 °C | 85.0 | 2.63 | Total wettability | — |
| 480 °C | 84.2 | 2.85 | Total wettability | — |
| 520 °C | 96.3 | 1.02 | Total wettability | — |
Disclaimer/Publisher’s Note: The statements, opinions and data contained in all publications are solely those of the individual author(s) and contributor(s) and not of MDPI and/or the editor(s). MDPI and/or the editor(s) disclaim responsibility for any injury to people or property resulting from any ideas, methods, instructions or products referred to in the content. |
© 2024 by the authors. Licensee MDPI, Basel, Switzerland. This article is an open access article distributed under the terms and conditions of the Creative Commons Attribution (CC BY) license (https://creativecommons.org/licenses/by/4.0/).
Share and Cite
Kucharska, B.; Kamiński, J.; Kulikowski, K.; Borowski, T.; Sobiecki, J.R.; Wierzchoń, T. The Effect of Nitriding Temperature of AISI 316L Steel on Sub-Zero Corrosion Resistance in C2H5OH. Materials 2024, 17, 3056. https://doi.org/10.3390/ma17133056
Kucharska B, Kamiński J, Kulikowski K, Borowski T, Sobiecki JR, Wierzchoń T. The Effect of Nitriding Temperature of AISI 316L Steel on Sub-Zero Corrosion Resistance in C2H5OH. Materials. 2024; 17(13):3056. https://doi.org/10.3390/ma17133056
Chicago/Turabian StyleKucharska, Beata, Janusz Kamiński, Krzysztof Kulikowski, Tomasz Borowski, Jerzy Robert Sobiecki, and Tadeusz Wierzchoń. 2024. "The Effect of Nitriding Temperature of AISI 316L Steel on Sub-Zero Corrosion Resistance in C2H5OH" Materials 17, no. 13: 3056. https://doi.org/10.3390/ma17133056
APA StyleKucharska, B., Kamiński, J., Kulikowski, K., Borowski, T., Sobiecki, J. R., & Wierzchoń, T. (2024). The Effect of Nitriding Temperature of AISI 316L Steel on Sub-Zero Corrosion Resistance in C2H5OH. Materials, 17(13), 3056. https://doi.org/10.3390/ma17133056

