Characteristic and Mechanistic Investigation of Stress-Assisted Microbiologically Influenced Corrosion of X80 Steel in Near-Neutral Solutions
Abstract
1. Introduction
2. Materials and Methods
2.1. Bacterium and Culture Medium
2.2. Sample Preparation
2.3. Immersion Tests
2.4. Surface Characterization
2.5. Electrochemical Test
3. Results
3.1. SRB Growth Characteristics
3.2. Observation and Analysis of Corrosion Products
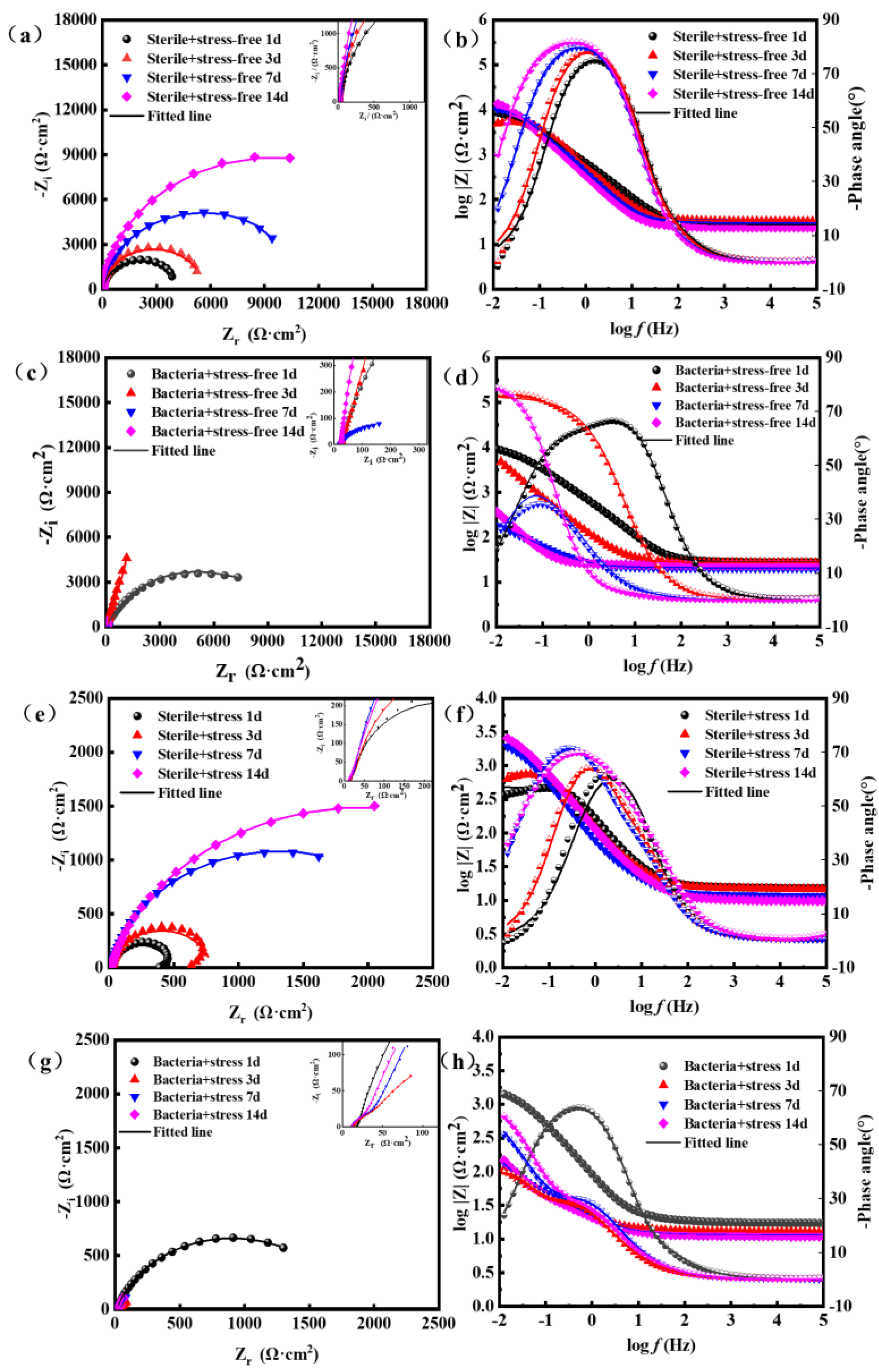
3.3. Electrochemical Results
4. Discussion
4.1. Influence and the MIC Mechanism of SRB on Corrosion of X80 Steel
4.2. Synergistic Effect Mechanism between Stress and SRB on X80 Steel
5. Conclusions
- (1)
- The obtained FIB-SEM results provide direct evidence that SRB promotes the corrosion of X80 steel. The physiological activity of SRB produces sulfides and destroys the integrity of the protective layer on the substrate surface.
- (2)
- The physiological activity of SRB, as well as sulfides and stress, can increase the corrosion in X80 steel. The corrosion rate of samples at different conditions follows the order as Exposed to both bacteria and stress > Subjected to bacteria but without stress > Subjected to stress in a sterile condition > Not subject to stress or bacteria.
- (3)
- We proposed a comprehensive mechanism that describes the interaction between SRB and stress: SRB and stress together accelerate the corrosion of pipeline steel. SRB on the substrate surface can simultaneously perform direct EET and promote iron dissolution. Stress affects the microstructure of X80, leading to stress concentration.
Author Contributions
Funding
Institutional Review Board Statement
Informed Consent Statement
Data Availability Statement
Conflicts of Interest
References
- Gu, T.; Jia, R.; Unsal, T.; Xu, D. Toward a better understanding of microbiologically influenced corrosion caused by sulfate reducing bacteria. J. Mater. Sci. Technol. 2019, 35, 631–636. [Google Scholar] [CrossRef]
- Gu, T.; Wang, D.; Lekbach, Y.; Xu, D. Extracellular electron transfer in microbial biocorrosion. Curr. Opin. Electrochem. 2021, 29, 100763. [Google Scholar] [CrossRef]
- Jia, R.; Unsal, T.; Xu, D.; Lekbach, Y.; Gu, T. Microbiologically influenced corrosion and current mitigation strategies: A state of the art review. Int. Biodeterior. Biodegrad. 2019, 137, 42–58. [Google Scholar] [CrossRef]
- Wan, H.; Song, D.; Zhang, D.; Du, C.; Xu, D.; Liu, Z.; Ding, D.; Li, X. Corrosion effect of Bacillus cereus on X80 pipeline steel in a Beijing soil environment. Bioelectrochemistry 2018, 121, 18–26. [Google Scholar] [CrossRef]
- Liu, H.; Gu, T.; Lv, Y.; Asif, M.; Xiong, F.; Zhang, G.; Liu, H. Corrosion inhibition and anti-bacterial efficacy of benzalkonium chloride in artificial CO2-saturated oilfield produced water. Corros. Sci. 2017, 117, 24–34. [Google Scholar] [CrossRef]
- Ma, Y.; Zhang, Y.; Zhang, R.; Guan, F.; Hou, B.; Duan, J. Microbiologically influenced corrosion of marine steels within the interaction between steel and biofilms: A brief view. Appl. Microbiol. Biotechnol. 2020, 104, 515–525. [Google Scholar] [CrossRef]
- Zhou, E.; Lekbach, Y.; Gu, T.; Xu, D. Bioenergetics and extracellular electron transfer in microbial fuel cells and microbial corrosion. Curr. Opin. Electrochem. 2022, 31, 100830. [Google Scholar] [CrossRef]
- Li, Y.; Ning, C. Latest research progress of marine microbiological corrosion and bio-fouling, and new approaches of marine anti-corrosion and anti-fouling. Bioact. Mater. 2019, 4, 189–195. [Google Scholar] [CrossRef]
- AlAbbas, F.M.; Williamson, C.; Bhola, S.M.; Spear, J.R.; Olson, D.L.; Mishra, B.; Kakpovbia, A.E. Influence of sulfate reducing bacterial biofilm on corrosion behavior of low-alloy, high-strength steel (API-5L X80). Int. Biodeterior. Biodegrad. 2013, 78, 34–42. [Google Scholar] [CrossRef]
- Li, Y.; Xu, D.; Chen, C.; Li, X.; Jia, R.; Zhang, D.; Sand, W.; Wang, F.; Gu, T. Anaerobic microbiologically influenced corrosion mechanisms interpreted using bioenergetics and bioelectrochemistry: A review. J. Mater. Sci. Technol. 2018, 34, 1713–1718. [Google Scholar] [CrossRef]
- Procópio, L. The era of ‘omics’ technologies in the study of microbiologically influenced corrosion. Biotechnol. Lett. 2020, 42, 341–356. [Google Scholar] [CrossRef]
- Loto, C.A. Microbiological corrosion: Mechanism, control and impact—A review. Int. J. Adv. Manuf. Technol. 2017, 92, 4241–4252. [Google Scholar] [CrossRef]
- Zhang, P.; Xu, D.; Li, Y.; Yang, K.; Gu, T. Electron mediators accelerate the microbiologically influenced corrosion of 304 stainless steel by the Desulfovibrio vulgaris biofilm. Bioelectrochemistry 2015, 101, 14–21. [Google Scholar] [CrossRef] [PubMed]
- Spark, A.; Wang, K.; Cole, I.; Law, D.; Ward, L. Microbiologically influenced corrosion: A review of the studies conducted on buried pipelines. Corros. Rev. 2020, 38, 231–262. [Google Scholar] [CrossRef]
- Booth, G.H.; Tiller, A.K. Cathodic characteristics of mild steel in suspensions of sulphate-reducing bacteria. Corros. Sci. 1968, 8, 583–600. [Google Scholar] [CrossRef]
- Guo, W.; Zhang, K.; Liang, Z.; Zou, R.; Xu, Q. Electrochemical nitrogen fixation and utilization: Theories, advanced catalyst materials and system design. Chem. Soc. Rev. 2019, 48, 5658–5716. [Google Scholar] [CrossRef] [PubMed]
- Qian, H.; Zhang, D.; Lou, Y.; Li, Z.; Xu, D.; Du, C.; Li, X. Laboratory investigation of microbiologically influenced corrosion of Q235 carbon steel by halophilic archaea Natronorubrum tibetense. Corros. Sci. 2018, 145, 151–161. [Google Scholar] [CrossRef]
- Abedi, S.S.; Abdolmaleki, A.; Adibi, N. Failure analysis of SCC and SRB induced cracking of a transmission oil products pipeline. Eng. Fail. Anal. 2007, 14, 250–261. [Google Scholar] [CrossRef]
- Little, B.J.; Blackwood, D.J.; Hinks, J.; Lauro, F.M.; Marsili, E.; Okamoto, A.; Rice, S.A.; Wade, S.A.; Flemming, H.C. Microbially influenced corrosion—Any progress? Corros. Sci. 2020, 170, 108641. [Google Scholar] [CrossRef]
- Wasim, M.; Djukic, M.B. Long-term external microbiologically influenced corrosion of buried cast iron pipes in the presence of sulfate-reducing bacteria (SRB). Eng. Fail. Anal. 2020, 115, 104657. [Google Scholar] [CrossRef]
- Eduok, U.; Faye, O.; Szpunar, J. Recent developments and applications of protective silicone coatings: A review of PDMS functional materials. Prog. Org. Coat. 2017, 111, 124–163. [Google Scholar] [CrossRef]
- Nogara, J.; Zarrouk, S.J. Corrosion in geothermal environment: Part 1: Fluids and their impact. Renew. Sustain. Energy Rev. 2018, 82, 1333–1346. [Google Scholar] [CrossRef]
- Cui, Y.-Y.; Qin, Y.-X.; Ding, Q.-M.; Gao, Y.-N. Study on corrosion behavior of X80 steel under stripping coating by sulfate reducing bacteria. BMC Biotechnol. 2021, 21, 5. [Google Scholar] [CrossRef] [PubMed]
- Wang, Y.; Xu, L.; Sun, J.; Cheng, Y.F. Mechano-electrochemical interaction for pipeline corrosion: A review. J. Pipeline Sci. Eng. 2021, 1, 1–16. [Google Scholar] [CrossRef]
- Wu, T.; Sun, C.; Yan, M.; Xu, J.; Yin, F. Sulfate-reducing bacteria-assisted cracking. Corrosion Reviews 2019, 37, 231–244. [Google Scholar] [CrossRef]
- Kim, C.; Chen, L.; Wang, H.; Castaneda, H. Global and local parameters for characterizing and modeling external corrosion in underground coated steel pipelines: A review of critical factors. J. Pipeline Sci. Eng. 2021, 1, 17–35. [Google Scholar] [CrossRef]
- Wu, T.; Xu, J.; Sun, C.; Yan, M.; Yu, C.; Ke, W. Microbiological corrosion of pipeline steel under yield stress in soil environment. Corros. Sci. 2014, 88, 291–305. [Google Scholar] [CrossRef]
- Wu, T.; Xu, J.; Yan, M.; Sun, C.; Yu, C.; Ke, W. Synergistic effect of sulfate-reducing bacteria and elastic stress on corrosion of X80 steel in soil solution. Corros. Sci. 2014, 83, 38–47. [Google Scholar] [CrossRef]
- Wu, T.; Yan, M.; Yu, L.; Zhao, H.; Sun, C.; Yin, F.; Ke, W. Stress corrosion of pipeline steel under disbonded coating in a SRB-containing environment. Corros. Sci. 2019, 157, 518–530. [Google Scholar] [CrossRef]
- Xie, F.; Li, X.; Wang, D.; Wu, M.; Sun, D. Synergistic effect of sulphate-reducing bacteria and external tensile stress on the corrosion behaviour of X80 pipeline steel in neutral soil environment. Eng. Fail. Anal. 2018, 91, 382–396. [Google Scholar] [CrossRef]
- Yang, X.; Shao, J.; Liu, Z.; Zhang, D.; Cui, L.; Du, C.; Li, X. Stress-assisted microbiologically influenced corrosion mechanism of 2205 duplex stainless steel caused by sulfate-reducing bacteria. Corros. Sci. 2020, 173, 108746. [Google Scholar] [CrossRef]
- Wei, B.; Xu, J.; Cheng, Y.F.; Sun, C.; Yu, C.; Wang, Z. Effect of uniaxial elastic stress on corrosion of X80 pipeline steel in an acidic soil solution containing sulfate-reducing bacteria trapped under disbonded coating. Corros. Sci. 2021, 193, 109893. [Google Scholar] [CrossRef]
- Reyntjens, S.; Puers, R. A review of focused ion beam applications in microsystem technology. J. Micromech. Microeng. 2001, 11, 287–300. [Google Scholar] [CrossRef]
- Cui, L.Y.; Liu, Z.Y.; Xu, D.K.; Hu, P.; Shao, J.M.; Du, C.W.; Li, X.G. The study of microbiologically influenced corrosion of 2205 duplex stainless steel based on high-resolution characterization. Corros. Sci. 2020, 174, 108842. [Google Scholar] [CrossRef]
- Li, J.; Liu, Z.; Du, C.; Li, X. Revealing bioinorganic interface in microbiologically influenced corrosion with FIB-SEM/TEM. Corros. Sci. 2020, 173, 108763. [Google Scholar] [CrossRef]
- Rajahram, S.S.; Harvey, T.J.; Walker, J.C.; Wang, S.C.; Wood, R.J.K. Investigation of erosion–corrosion mechanisms of UNS S31603 using FIB and TEM. Tribol. Int. 2012, 46, 161–173. [Google Scholar] [CrossRef]
- Xu, D.; Jia, R.; Li, Y.; Gu, T. Advances in the treatment of problematic industrial biofilms. World J. Microbiol. Biotechnol. 2017, 33, 97. [Google Scholar] [CrossRef] [PubMed]
- Wang, Q.; Zhou, X.; Ma, Q.; Wu, T.; Liu, M.; Zhang, M.; Li, Z.; Yin, F. Selected corrosion of X80 pipeline steel welded joints induced by Desulfovibrio desulfuricans. Corros. Sci. 2022, 202, 110313. [Google Scholar] [CrossRef]
- Gopala Reddy, S.B.; Chin, W.-X.; Shivananju, N.S. Dengue virus NS2 and NS4: Minor proteins, mammoth roles. Biochem. Pharmacol. 2018, 154, 54–63. [Google Scholar] [CrossRef]
- Saraf, L. Kernel Average Misorientation Confidence Index Correlation from FIB Sliced Ni-Fe-Cr alloy Surface. Microsc. Microanal. 2011, 17, 424–425. [Google Scholar] [CrossRef]
- Arévalo-López, E.P.; Romero-Moreno, P.; Rosas-Huerta, J.L.; Huerta, L.; Minaud, C.; Marquina, M.L.; Escamilla, R.; Romero, M. Effect of Fe on Bi2Te3: Structure, magnetic properties, and XPS valence band. J. Alloy. Compd. 2022, 899, 163297. [Google Scholar] [CrossRef]
- Fu, Q.; Xu, J.; Wei, B.; Qin, Q.; Bai, Y.; Yu, C.; Sun, C. Biologically competitive effect of Desulfovibrio desulfurican and Pseudomonas stutzeri on corrosion of X80 pipeline steel in the Shenyang soil solution. Bioelectrochemistry 2022, 145, 108051. [Google Scholar] [CrossRef] [PubMed]
- Dou, W.; Liu, J.; Cai, W.; Wang, D.; Jia, R.; Chen, S.; Gu, T. Electrochemical investigation of increased carbon steel corrosion via extracellular electron transfer by a sulfate reducing bacterium under carbon source starvation. Corros. Sci. 2019, 150, 258–267. [Google Scholar] [CrossRef]
- Walker Christopher, B.; He, Z.; Yang Zamin, K.; Ringbauer Joseph, A.; He, Q.; Zhou, J.; Voordouw, G.; Wall Judy, D.; Arkin Adam, P.; Hazen Terry, C.; et al. The Electron Transfer System of Syntrophically Grown Desulfovibrio vulgaris. J. Bacteriol. 2009, 191, 5793–5801. [Google Scholar] [CrossRef] [PubMed]
- Liu, H.; Gu, T.; Zhang, G.; Liu, H.; Cheng, Y.F. Corrosion of X80 pipeline steel under sulfate-reducing bacterium biofilms in simulated CO2-saturated oilfield produced water with carbon source starvation. Corros. Sci. 2018, 136, 47–59. [Google Scholar] [CrossRef]
- Xu, D.; Gu, T. Carbon source starvation triggered more aggressive corrosion against carbon steel by the Desulfovibrio vulgaris biofilm. Int. Biodeterior. Biodegrad. 2014, 91, 74–81. [Google Scholar] [CrossRef]
- Wu, T.; Yan, M.; Xu, J.; Liu, Y.; Sun, C.; Ke, W. Mechano-chemical effect of pipeline steel in microbiological corrosion. Corros. Sci. 2016, 108, 160–168. [Google Scholar] [CrossRef]
















| Chemicals | Amount | |
|---|---|---|
| Component I | MgSO4·7 H2O | 2.0 g |
| NH4Cl | 1.0 g | |
| Na3C6H5O7 (trisodium citrate) | 5.0 g | |
| CaSO4 | 1.0 g | |
| Distilled Water | 400 mL | |
| Component II | K2HPO4 | 0.5 g |
| Distilled Water | 200 mL | |
| Component III | NaC3H5O3 (sodium lactate) | 3.5 g |
| Yeast Extract | 1.0 g | |
| Distilled Water | 400 mL | |
| Component IV | Filter-sterilized 5% (wt.) (NH4)2 Fe (SO4)2 (ferrous ammonium sulfate). Add 0.1 mL of this solution to 5.0 mL of medium prior to inoculation. | |
| Element | C | Mn | Ni | Cu | Nb | Fe |
|---|---|---|---|---|---|---|
| Amount (wt.%) | 0.0717 | 1.78 | 0.17 | 0.121 | 0.084 | / |
| Yield Strength | Tensile Strength | Elongation | Vickers Hardness | |
|---|---|---|---|---|
| X80 | 743 MPa | 885 MPa | 13% | 265.47 HV |
| Rs (Ω·cm2) | Ya (Ω−1·cm−2·sn) | n a | Rpore,sol (Ω·cm−2) | Cdl (Ω−1·cm−2·sn) | n dl | Rct (Ω·cm−2) | Chsq | |
|---|---|---|---|---|---|---|---|---|
| Sterile + stress-free | ||||||||
| 1 day | 33.39 | 1.650 × 10−4 | 0.9616 | 2.403 × 101 | 1.261 × 10−4 | 0.9454 | 4.060 × 103 | 8.11 × 10−4 |
| 3 days | 32.97 | 1.796 × 10−4 | 0.9815 | 33.12 × 101 | 1.205 × 10−4 | 0.9572 | 5.585 × 103 | 1.25 × 10−3 |
| 7 days | 30.14 | 2.921 × 10−4 | 0.9480 | 23.57 × 101 | 1.200 × 10−4 | 0.9702 | 1.096 × 104 | 6.36 × 10−4 |
| 14 days | 24.06 | 2.643 × 10−4 | 1.0000 | 11.32 × 101 | 2.521 × 10−4 | 0.8997 | 1.923 × 104 | 1.01 × 10−4 |
| Bacteria + stress-free | ||||||||
| 1 day | 28.01 | 2.4830 × 10−4 | 0.8839 | 1679 × 103 | 2.078 × 10−4 | 0.7669 | 8.208 × 103 | 1.84 × 10−4 |
| 3 days | 27.16 | 1.8740 × 10−4 | 0.8395 | 1656 × 103 | 2.757 × 10−3 | 0.8234 | 3.406 × 104 | 4.33 × 10−4 |
| 7 days | 20.82 | 2.2400 × 10−6 | 0.7551 | 11.50 × 102 | 2.385 × 10−3 | 0.9582 | 1.016 × 102 | 1.25 × 10−3 |
| 14 days | 23.65 | 1.3700 × 10−6 | 0.9079 | 2.854 × 103 | 2.298 × 10−3 | 0.9656 | 8.532 × 103 | 2.80 × 10−3 |
| Sterile + stress | ||||||||
| 1 day | 15.50 | 6.959 × 10−3 | 0.9355 | 61.98 × 103 | 4.025 × 10−4 | 0.9875 | 4.001 × 102 | 2.82 × 10−3 |
| 3 days | 14.22 | 1.126 × 10−3 | 0.9016 | 62.67 × 103 | 7.849 × 10−4 | 0.9818 | 7.943 × 102 | 1.58 × 10−3 |
| 7 days | 11.75 | 1.889 × 10−3 | 0.8469 | 68.25 × 103 | 8.001 × 10−4 | 0.9948 | 2.561 × 103 | 1.58 × 10−4 |
| 14 days | 9.988 | 1.613 × 10−3 | 0.8108 | 103.7 × 103 | 2.669 × 10−4 | 0.9844 | 3.606 × 103 | 1.66 × 10−4 |
| Bacteria + stress | ||||||||
| 1 day | 26.7 | 1.582 × 10−4 | 0.4582 | 1188 × 103 | 7.253 × 10−6 | 1.0000 | 3.915 × 103 | 2.07 × 10−3 |
| 3 days | 12.56 | 3.378 × 10−2 | 0.5212 | 0.018 × 103 | 1.402 × 10−11 | 0.7156 | 8.026 × 102 | 1.41 × 10−3 |
| 7 days | 11.32 | 1.768 × 10−2 | 0.6972 | 56.36 × 103 | 4.483 × 10−2 | 0.8585 | 1.207 × 103 | 3.60 × 10−5 |
| 14 days | 10.91 | 2.358 × 10−2 | 0.6503 | 61.32 × 103 | 2.574 × 10−2 | 0.9019 | 1.202 × 1016 | 7.30 × 10−5 |
| Sterile + Stress-Free | Bacteria + Stress-Free | Sterile + Stress | Bacteria + Stress | |
|---|---|---|---|---|
| icorr (μA·cm−2) | 4.67 | 122 | 52.6 | 124 |
| Ecorr (mVvs SCE) | −797 | −939 | −807 | −852 |
Disclaimer/Publisher’s Note: The statements, opinions and data contained in all publications are solely those of the individual author(s) and contributor(s) and not of MDPI and/or the editor(s). MDPI and/or the editor(s) disclaim responsibility for any injury to people or property resulting from any ideas, methods, instructions or products referred to in the content. |
© 2022 by the authors. Licensee MDPI, Basel, Switzerland. This article is an open access article distributed under the terms and conditions of the Creative Commons Attribution (CC BY) license (https://creativecommons.org/licenses/by/4.0/).
Share and Cite
Guo, H.; Zhong, R.; Liu, B.; Yang, J.; Liu, Z.; Du, C.; Li, X. Characteristic and Mechanistic Investigation of Stress-Assisted Microbiologically Influenced Corrosion of X80 Steel in Near-Neutral Solutions. Materials 2023, 16, 390. https://doi.org/10.3390/ma16010390
Guo H, Zhong R, Liu B, Yang J, Liu Z, Du C, Li X. Characteristic and Mechanistic Investigation of Stress-Assisted Microbiologically Influenced Corrosion of X80 Steel in Near-Neutral Solutions. Materials. 2023; 16(1):390. https://doi.org/10.3390/ma16010390
Chicago/Turabian StyleGuo, Huihua, Rui Zhong, Bo Liu, Jike Yang, Zhiyong Liu, Cuiwei Du, and Xiaogang Li. 2023. "Characteristic and Mechanistic Investigation of Stress-Assisted Microbiologically Influenced Corrosion of X80 Steel in Near-Neutral Solutions" Materials 16, no. 1: 390. https://doi.org/10.3390/ma16010390
APA StyleGuo, H., Zhong, R., Liu, B., Yang, J., Liu, Z., Du, C., & Li, X. (2023). Characteristic and Mechanistic Investigation of Stress-Assisted Microbiologically Influenced Corrosion of X80 Steel in Near-Neutral Solutions. Materials, 16(1), 390. https://doi.org/10.3390/ma16010390
